2023中考物理专题第十九讲-电学实验
展开
这是一份2023中考物理专题第十九讲-电学实验,共5页。学案主要包含了真题练习等内容,欢迎下载使用。
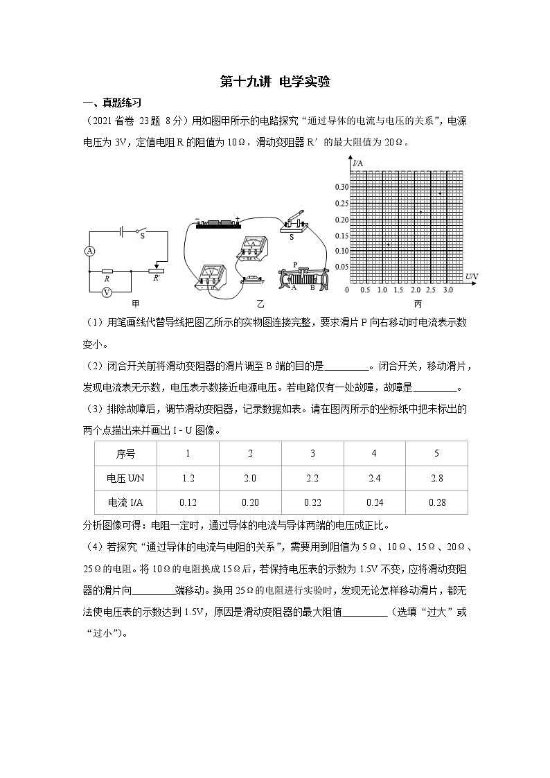
第十九讲 电学实验一、真题练习(2021省卷 23题 8分)用如图甲所示的电路探究“通过导体的电流与电压的关系”,电源电压为3V,定值电阻R的阻值为10Ω,滑动变阻器R′的最大阻值为20Ω。(1)用笔画线代替导线把图乙所示的实物图连接完整,要求滑片P向右移动时电流表示数变小。(2)闭合开关前将滑动变阻器的滑片调至B端的目的是 。闭合开关,移动滑片,发现电流表无示数,电压表示数接近电源电压。若电路仅有一处故障,故障是 。(3)排除故障后,调节滑动变阻器,记录数据如表。请在图丙所示的坐标纸中把未标出的两个点描出来并画出I﹣U图像。序号12345电压U/N1.22.02.22.42.8电流I/A0.120.200.220.240.28分析图像可得:电阻一定时,通过导体的电流与导体两端的电压成正比。(4)若探究“通过导体的电流与电阻的关系”,需要用到阻值为5Ω、10Ω、15Ω、20Ω、25Ω的电阻。将10Ω的电阻换成15Ω后,若保持电压表的示数为1.5V不变,应将滑动变阻器的滑片向 端移动。换用25Ω的电阻进行实验时,发现无论怎样移动滑片,都无法使电压表的示数达到1.5V,原因是滑动变阻器的最大阻值 (选填“过大”或“过小”)。 (2020省卷 20题 7分)如图甲所示是小明同学测定额定电压为2.5V,额定功率不大于1 W的小灯泡功率的实物连接图。(1)在小明连接好的电路中存在错误或不妥之处,请你找出其中的两处∶①_____________________;② _______________________。(2)改正错误和不妥之处后,闭合开关,发现电流表和电压表均有示数,但小灯泡不亮,可能的原因是______(填写选项中的字母)。A.小灯泡短路B.连接小灯泡的导线接触不良C.滑动变阻器接入电路的电阻过大(3)小明调节滑动变阻器,依次正确读取三组实验数据,随手写在了草稿纸上(如图乙所示)。下表是小明在老师指导下设计的记录数据及现象的表格,请你补出阴影处所缺的内容。次数小灯泡两端电压U/V通过灯丝电流I/A小灯泡的电功率P/W_________________1 2 3 分析数据后得到小灯泡的额定电流为_______ A,额定功率为________W。(4)实验后,小明将一只5Ω的定值电阻与标有“20Ω 1A”的滑动变阻器串联接在电压恒定为3V的电源上,请你帮小明计算出滑动变阻器消耗的最大功率为_______W。 (2019省卷 22题 8分)压力传感器是电子秤中的测力装置,可视为阻值随压力而变化的压敏电阻。小刚从某废旧电子秤上拆下一个压力传感器,探究其阻值与所受压力大小(不超过250N)的关系。如图14所示是小刚设计的实验电路图,电源电压恒定,R0为定值电阻,R1为压力传感器。(1)连接电路时开关应 ;电路中R0的作用是 。(2)闭合开关,发现电流表无示数,电压表示数接近电源电压,电路出现的故障是 ;排除故障后。逐渐增大R1受到的压力,闭合开关,读出电流表和电压表的示数,计算出对应的R1的阻值,记录如下表所示。第5次测量时,电压表示数为4V,电流表示数为0.2A,此时R1的阻值为 Ω。请根据表中的数据在图15中画出R1随F变化的关系图像。次数123456F/N050100150200250R1/Ω60504030 10 (3)通过实验探究可归纳出,R1的阻值随压力F大小变化的关系式为 ;当R1的阻值为32Ω时,R1上受到的压力是 N,若此压力为压力传感器在电子秤正常工作时受到的压力,则电子秤应显示 kg。 (2018省卷 22题 8分)如图所示,在“测量小灯泡电功率”的实验中,小灯泡的额定电压为3.8V,电阻约为12Ω,电源电压为6V。(1)用笔画线代替导线,将图甲中的电路补充完整。(2)闭合开关前,滑动变阻器滑片应置于 (选填“A”或“B”)端。闭合开关,灯泡不亮,电压表和电流表都有示数,但示数较小,接下来的操作是 。(3)当电压表的示数为3.8V时,电流表的示数如图乙所示,则小灯泡的额定功率为 W。在继续调节滑动变阻器进行测量的过程中,小灯泡突然熄灭,电流表示数变为0,电压表示数接近6V,你认为故障可能是 。(4)完成测量后,同学们又找来几个不同阻值的定值电阻替换小灯泡,探究电流与电阻的关系。当电阻为10Ω时,电流表的示数为0.2A;换用20Ω的电阻后,闭合开关,应将滑动变阻器的滑片向 (选填“A”或“B”)端移动,使电压表的示数为 V,读出电流表的示数,多次换用阻值不同的电阻,进行正确操作后即可得出结论。(2019曲靖卷 22题 8分)在“伏安法测电阻”的实验中,有如下器材:电压表、电流表、开关、电源、小灯泡(额定电压3.8V)、滑动变阻器(50Ω 1.5A)、未知电阻Rx、已知阻值的定值电阻R0以及导线若干。(1)甲实验小组选择了图甲所示的器材进行实验。①请用笔画线代替导线,将图甲实物电路连接完整(要求连线不得交叉)。②连接好电路并闭合开关,发现小灯泡不亮,但电流表有示数,则接下来应进行的操作是 。 移动滑动变阻器的滑片,观察小灯泡是否发光 检查电路是否断路 立即更换小灯泡③实验中,当小灯泡正常发光时,电流表示数如图乙所示,则小灯泡正常发光时的电阻是 Ω。(2)实验小组测未知电阻Rx的阻值,实验时发现电流表坏了,设计了如图所示的电路也能测出Rx的阻值,其方法是:①按照图连接好电路,只闭合开关S1,记下电压表示数U1。②开关S1、S2都闭合,记下电压表示数U2。则待测电阻Rx的表达式:Rx= 。(2018曲靖卷 22题 8分)小聪同学做“测量小灯泡的电功率”的实验,所用器材有电压恒为6V的电源,额定电压为2.5V的小灯泡以及符合实验要求的电表、开关和导线。图甲是小聪没有连接完整的电路。(1)请你用笔画线代替导线,将图甲的电路连接完整。(2)小聪同学连接电路后闭合开关,移动滑动变阻器滑片P,发现小灯泡始终不亮,电压表指针明显偏转,电流表指针无偏转,则故障可能是 。A.小灯泡短路 B.小灯泡断路 C.滑动变阻器短路 D.滑动变阻器断路(3)小聪同学纠正错误后闭合开关,移动滑动变阻器滑片P,使小灯泡正常发光。电流表示数如图乙所示,则小灯泡的额定功率为 W。(4)老师告诉小聪,与小灯泡的电阻相比较,电流表的电阻非常小,电压表的电阻非常大,由于电流表、电压表电阻的影响,测量后计算出的电功率值会 (选填“偏大”、“偏小”或“不变”)。
相关学案
这是一份2023年中考物理一轮复习讲义--《电学实验动态变化归类分析》,共14页。学案主要包含了滑动变阻器接入范围选择,电学实验,不合理实验数据选择等内容,欢迎下载使用。
这是一份2020全国物理中考题分类汇编25—《电学实验》,共90页。
这是一份2023中考物理专题第十五讲-电学基础知识(电荷 电流 电压 电阻),共6页。学案主要包含了知识点梳理等内容,欢迎下载使用。

