2022年内蒙古通辽市中考物理试题(教师版)
展开2022年内蒙古通辽市初中毕业生学业考试试卷物理
注意事项:
1.本试卷共6页,24道小题,满分为70分,与化学同卡不同卷,合考时间为120分钟。
2.根据网上阅卷需要,本试卷中的所有试题均按要求在答题卡上作答,答在本试卷上的答案无效。
3.考试结束后,将本试卷与答题卡分别封装一并上交。
一、选择题(共12小题,1~10小题为单选题,每小题2分,11、12小题为多选题,每小题3分,完全选对得3分,漏选得1分,错选或不选的不得分,共26分。请在答题卡上将代表正确选项的字母用2B铅笔涂黑)
1. 日常生活中处处可听到声音,关于声现象,下列说法正确的是( )
A. 真空玻璃能隔音是因为声音在真空中传播的速度慢
B. 医生通过听诊器来诊断疾病,是利用声传递信息
C. 广场舞噪声扰民是因为广场舞伴奏音乐音调太高
D. 工人用的防噪声耳罩,是在传播过程中减弱噪声
【答案】B
【详解】A.真空不能传声,所以真空玻璃能隔音就是利用了这个原理,故A错误;
B.声音可传递信息和能量,医生利用听诊器听音诊断疾病,是利用声音来传递信息,故B正确;
C.广场舞噪音扰民是因为广场舞响度太大,故C错误;
D.工人用的防噪声耳罩,是在人耳处减弱噪声,故D错误。
故选B。
2. 下列现象中,与筷子在水面处“折断”原理相同的是( )
A. 海市蜃楼 B. 日食现象
C. 屏幕上呈现人的影子 D. 桥在水中形成的倒影
【答案】A
【详解】A.海市蜃楼也是光的折射形成的,由于海面上方的空气密度不均匀,光在其中传播时发生了偏折,形成了海市蜃楼现象,故A符合题意;
B.如图,日食现象是由光直线传播引起的,白天,月球挡住了射向地球的太阳光,形成了日食现象,故B不符合题意;
C.如图影子是由于光的直线传播产生的,人挡住了射向墙面的光,在墙面上形成的光照射不到的区域,故C不符合题意;
D.如图水中倒影是平面镜成像(光的反射现象),水面相当于镜面,水中的倒影是岸上的桥通过水面形成的虚像,故D不符合题意。
故选A。
3. 水是生命之源,节约用水是我们每个人应尽的义务。关于水的物态变化,下列说法正确的是( )
A. 初春,万物复苏、冰雪消融,这是熔化现象,需要放热
B. 夏天,将糖水放入冰箱制成冰棍,这是凝固现象,需要吸热
C. 秋天的早晨,花草上出现晶莹的露珠,这是液化现象,需要放热
D. 冬天,房屋上出现白色的霜,这是凝华现象,需要吸热
【答案】C
【详解】在物态变化过程中,熔化、汽化、升华吸收热量,凝固、液化、凝华放出热量。
A.冰雪消融,是熔化过程,冰吸热熔化成为水,故A错误;
B.糖水放入冰箱制成了冰棍,液态变成固态,这是凝固现象,需要放热,故B错误;
C.露珠是空气中的水蒸气遇冷液化形成的小水滴,放出热量,故C正确;
D.霜是空气中的水蒸气遇冷凝华形成的冰晶,放出热量,故D错误。
故选C。
4. 有关体育运动项目中涉及到的物理知识,下列说法正确的是( )
A. 抛出的实心球在上升时,如果所受的力都消失,它将处于静止状态
B. 排球碰到墙壁后被反弹回来,说明力可以改变物体运动状态
C. 抛出去的篮球在下降过程中,动能转化为重力势能
D. 跑步时所穿运动鞋的鞋底有花纹,是为了增大对地面的压力
【答案】B
【详解】A.抛出的实心球在上升时,如果所受的力都消失,由牛顿第一定律知道,将以原来的速度和方向做匀速直线运动,故A错误;
B.力可以改变物体的形状,也可以改变物体的运动状态;排球碰到墙壁后被反弹回来,运动方向发生变化,说明力可以改变物体的运动状态,故B正确;
C.篮球下降过程中,质量不变,速度变大,动能增加,高度变小,重力势能变小,所以由重力势能转化为动能,故C错误;
D.跑步时所穿运动鞋的鞋底有花纹,是在压力一定时,通过增大接触面的粗糙程度来增大摩擦力,故D错误。
故选B。
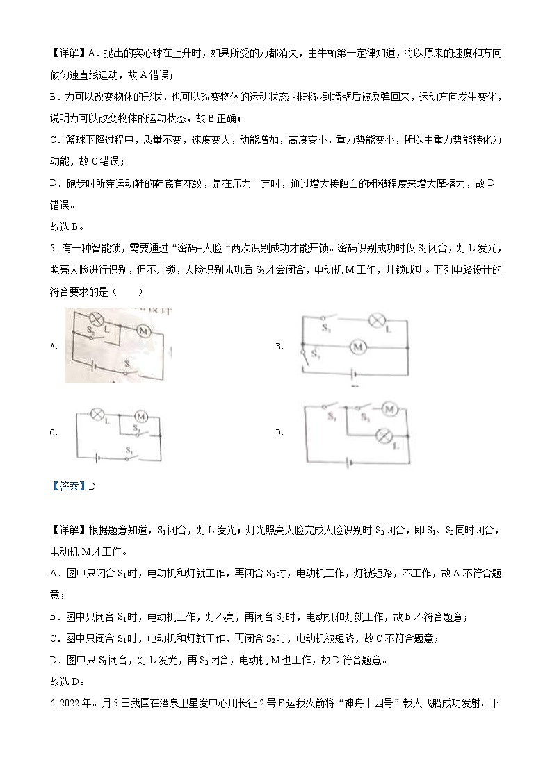
5. 有一种智能锁,需要通过“密码+人脸“两次识别成功才能开锁。密码识别成功时仅S1闭合,灯L发光,照亮人脸进行识别,但不开锁,人脸识别成功后S2才会闭合,电动机M工作,开锁成功。下列电路设计的符合要求的是( )
A. B.
C. D.
【答案】D
【详解】根据题意知道,S1闭合,灯L发光;灯光照亮人脸完成人脸识别时S2闭合,即S1、S2同时闭合,电动机M才工作。
A.图中只闭合S1时,电动机和灯就工作,再闭合S2时,电动机工作,灯被短路,不工作,故A不符合题意;
B.图中只闭合S1时,电动机工作,灯不亮,再闭合S2时,电动机和灯就工作,故B不符合题意;
C.图中只闭合S1时,电动机和灯就工作,再闭合S2时,电动机被短路,故C不符合题意;
D.图中只S1闭合,灯L发光,再S2闭合,电动机M也工作,故D符合题意。
故选D。
6. 2022年。月5日我国在酒泉卫星发中心用长征2号F运我火箭将“神舟十四号”载人飞船成功发射。下列说法错误的是( )
A. 火箭上开过程中,以飞船为参照物,字航员是静止的
B. 火箭加速上升过程中受到的重力和推力是一对相互作用力
C. “神舟十四号”飞船进入预定轨道后是通过电磁波与地面联系的
D. 宇航员在上升过程中质量保持不变
【答案】B
【详解】A.火箭上升过程中,宇航员在火箭内,相对于火箭的位置没有发生变化,宇航员相对于火箭静止,故A正确,不符合题意;
B.火箭加速上升过程中,受到重力和推力作用在同一物体上,且由于火箭加速上升,二者大小不同,并非相互作用力,故B错误,符合题意;
C.电磁波的传播不需要介质,故太空中的信号传递均使用电磁波,故C正确,不符合题意;
D.宇航员在上升过程中所含物质多少未发生变化,质量保持不变,故D正确,不符合题意。
故选B。
7. 对下列四个实验装置图,分析正确的是( )
A. 甲图中验电器是利用了异种电荷相互吸引的原理制成的
B. 乙图中开关与灯的位置可以互换
C. 丙图实验演示的是磁场能够产生电流
D. 丁图是探究电磁感应现象的装置
【答案】D
【详解】A.验电器是利用同种电荷相互排斥原理制成的,故A错误;
B.开关要控制火线,乙图为了用电安全,开关与灯的位置不可以互换,故B错误;
C.丙图是奥斯特实验,说明通电导线周围存在磁场,故C错误;
D.该实验装置是用于研究感应电流的实验,闭合电路的部分导体在磁场中做切割磁感线运动时,导体中才会产生感应电流,将机械能转化为电能,发电机就是应用了这一原理,故D正确。
故选D。
8. 在“探究电流通过导体产生的热量与哪些因素有关”的实验中,某同学采用了如图甲、乙所示的实验装置(两个透明容器中封闭着等量的空气)。下列说法正确的是( )
①U形管中液面高度变化主要是由液体热胀冷缩引起的
②图甲装置能探究电流通过导体产生的热量与电阻的关系
③图乙实验过程中右边透明容器中电阻丝阻值应该等于10Ω
④用图甲中的实验结论能解释“电炉丝热得发红而与电炉丝相连的导线几乎不发热”的现象
A. ①② B. ②③ C. ②④ D. ③④
【答案】C
【详解】①U形管中液面高度变化主要是由透明容器中空气的热胀冷缩引起的,故①错误;
②图甲装置中,两电阻串联,电流相等,电阻不相等,能探究电流通过导体产生热量与电阻的关系,故②正确;
③图乙实验过程中右边两个电阻丝并联,右边容器中的电阻通过的电流与左边电阻丝通过的电流不相等,探究的是电热与电流的关系,需要保持电阻相同,故阻值应该等于5Ω,故③错误;
④电炉丝热与电炉丝相连的导线串联,电流相等,电阻不相等;用图甲中的实验结论能解释“电炉丝热得发红而与电炉丝相连的导线几乎不发热”的现象,故④正确;故①③错误,②④正确。
故选C。
9. 如图所示电路,电源电压保特不度,开关S闭合后,在滑动变阻器滑片P向左移动的过程中,下列说法正确的是( )
A. 电压表V1示数变小,电压表V2示数不变,电流表A1示数变小
B. 电压表V1示数变小,电压表V2示数变大,电压表V1的示数与电流表A1的示数之比变小
C. 电压表V2示数不变,电流表A1示数变大,电压表V1的示数与电流表A1的示数之比变大
D. 电压表V1示数变小,电压表V2示数不变,电压表V2的示数与电流表A1的示数之比变小
【答案】D
【详解】由图可知,滑动变阻器与定值电阻R串联,电压表V1测量滑动变阻器两端的电压,电压表V2测量电源电压,电流表测量电路中的电流;在滑动变阻器滑片P向左移动的过程中,滑动变阻器接入电路的电阻变小,由电阻的串联,电路的总电阻变小,由
可知,此时电路中的电流变大,即电流表的示数变大。
由
可知,定值电阻R两端的电压变大,由于串联电路中电源电压等于各用电器两端的电压之和,所以滑动变阻器两端的电压变小,即电压表V1的示数变小;由于电源电压保持不变,所以电压表V2的示数不变。
A.电流表A1示数变大,电压表V1示数变小,电压表V2示数不变,故A错误;
BC.电压表V1示数变小,电压表V2示数不变,电流表A1示数变大,由欧姆定律,电压表V1的示数与电流表A1的示数之比即变阻器连入电路的电阻,比值变小,故BC错误;
D.电压表V2示数不变,电流表A1示数变大,其比值变小,故D正确。
故选D。
10. 用如图甲所示的滑轮组提升物体M,已知物体M所受的重力为550N,卷扬机加在绳子自由端的拉力F将物体M在20s内沿竖直方向匀速提升10m,拉力F做的功W随时间t的变化图像如图乙所示,忽略绳重及摩擦,下列说法正确的是( )
A. 拉力F为350N B. 绳子自由端移动的速度为0.5m/s
C. 动滑轮重为50N D. 该滑轮组的机械效率为83.3%
【答案】C
【详解】A.如图甲是由一个动滑轮和一个定滑轮组成的滑轮组,动滑轮上有二段绳子,则在20s内拉力移动的距离为
由图乙可知拉力为
故A错误;
B.绳子自由端移动的速度为
故B错误;
C.忽略绳重及摩擦,由
得动滑轮的重为
故C正确;
D.在20s内克服物重做的有用功为
该滑轮组的机械效率为
故D错误。
故选C。
11. 如图甲所示,水平桌面上的薄壁圆柱形容器中盛有某种液体,一个质量分布均匀的物体所受的重力为G,密度为0.8g/cm3,它由一根固定在容器底部的细线拉住并浸没在液体中静止。当将细线剪断后,物体最终漂浮在液面上,且有的体积露出液面,如图乙所示,此时容器中的液面下降了3cm(g取10N/kg)。下列说法正确的是( )
A. 细线受到的拉力F=G B. 液体的密度为1.2×103kg/m3
C. 容器底受到液体的压强减小了300Pa D. 容器对桌面的压强减小
【答案】ABC
【详解】B.物体漂浮在液体中时,根据浮沉条件可知,物体受到的浮力
F浮乙=G
ρ液V排g=ρ物V物g
漂浮时有的体积露出水面,则
ρ液V物g=ρ物V物g
ρ液=ρ物=×0.8g/cm3=1.2 g/cm3=1.2×103kg/m3
故B正确;
A.物体浸没时,受到的浮力
F浮甲=ρ液V排g=ρ物V物g=G
细线受到的拉力
F拉=F浮甲-G=G-G=G
故A正确;
C.容器底部受到液体的压强减小量
p=ρ液gh=1.2×103kg/m3×10N/kg×3×10-2m=360Pa
故C正确;
D.甲、乙两图中,容器对桌面的压力
F=G容器+G液+G
故容器对桌面的压力不变,受力面积也不变,所以容器对桌面的压强不变,故D错误。
故选ABC。
12. 如图甲所示电路,电源电压不变,电压表量程是0~3V,电流表量程是0~0.6A。只闭合S、S1,在滑动变阻器R1的滑片从最右端向左滑至a点的过程中,灯泡和R1的I-U图象分别如图乙所示,滑片在a点时灯泡恰好正常发光。在保证电路安全的情况下,下列说法正确的是( )
A. 灯泡的额定功率是0.15W
B. 只闭合S,S1时,电路的最小功率为1.35W
C. 只闭合S、S2,R1的滑片在a点,调节R2,R1的最大功率是2.16W
D. 只闭合S、S2,R1的滑片在a点,R2允许接入电路的最大阻值是12Ω
【答案】BCD
【详解】A.只闭合S、S1,灯泡、滑动变阻器R1串联,在滑动变阻器R1的滑片从最右端向左滑至a点的过程中,R1的阻值减小,电路中的总电阻变小,电流变大,灯泡两端的电压变大,由此可知,图乙中,左边的曲线为灯泡的I-U图象,则右边的曲线为R1的I-U图象; 滑片在a点时R1的阻值最小(允许接入的最小阻值),电路中的电流最大,由于灯泡恰好正常发光,则根据I-U图象知道,小灯泡正常工作时的电压为1.5V,电流为0.5A,此时R1两端的电压为3V,则灯泡的额定功率
P额=ULI最大=1.5V×0.5A=0.75W
故A错误;
B.只闭合S、S1,灯泡、滑动变阻器R1串联,由串联电路的特点知道,电源电压
U=UL+U1=1.5V+3V=4.5V
当滑片在最右端时,R1的阻值最大,电路中的电流最小,电路的功率最小,由图知道,最小电流是0.3A,电路的最小功率
故B正确;
CD.由图知道,只闭合S、S2,R1滑片在a点,R1与R2串联,电压表测变阻器R2两端的电压,电流表测电路中的电流;由图乙及知道,R1的滑片在a点时R1的电阻
由于串联电路中各处的电流相等,电流表的量程为0~0.6A,所以,电路中的最大电流
I最大′=0.6A
此时此时滑动变阻器R2接入电路中的电阻最小,由知道,R1的最大功率是
由于电压表采用0~3V量程,当电压表的示数U2最大=3V时,滑动变阻器R2接入电路中的电阻最大,因串联电路中总电压等于各分电压之和,所以,此时R1两端的电压
电路中的最小电流
则R2接入电路中的最大阻值
故CD正确。
故选BCD。
二、填空题(共5小题,每小题2分,共10分)
13. 接种疫苗的注射器针尖做得很细是利用___________的方法来增大压强。如图是护士给患者输液的装置,药水瓶盖上插着两根管,均插入药液中,一根给患者输液。另一根“闲置”,如图所示,在输液过程中,当瓶内气压减小时,在___________的作用下使空气通过这根“闲置管”进入瓶内。
【答案】 ①. 减小受力面积 ②. 大气压
【详解】[1]由可知,增大压力或减小受力面积可增大压强,而注射器针尖做得很细是减小了受力面积来增大压强,使得针尖更容易刺破皮肤。
[2]如果瓶内是密闭空间,随着药水瓶内药液的减少,药液深度降低,药液上方的气体压强越来越小,当瓶内压强小于外界大气压时,瓶内药液将无法流出。在瓶内连入“闲置管”后,瓶内和瓶外连通,当药液流出后,在大气压的作用下,空气顺着“闲置管”进入瓶内,始终保持药液上方的气压为大气压,使得药液可以持续流出。
14. 某太阳能热水器内装有100kg温度为20℃的水,阳光照射一天后,水温升高到90℃,热水器内的水吸收了___________J的热量,水的内能是通过___________的方式被改变的。[水的比热容为4.2×103J/(kg·℃)]
【答案】 ①. ②. 热传递
【详解】[1]水的质量,温度变化量,比热容,水吸收的热量
[2]改变内能的方式有做功和热传递,阳光照射属于热传递。
15. 放在水平桌面上的两个完全相同的容器内装有适量的水,将A,B两个体积相同的实心物体分别放入容器内,待物体静止后,如图所示,物体受到的浮力FA___________FB,物体的密度ρA___________ρB(两空均选填“>”“<”或“=”)。
【答案】 ①. < ②. <
【详解】[1] 由图可知,A、B两个正方体排开水的体积关系为
VA排
F浮=ρ液gV排
可知,浮力的大小关系为
FA
GA=FA
GB=FB
由于
FA
GA
可知,物体密度的大小关系
ρA<ρB
16. 如图甲,用竖直向上的拉力F,将静止在水平地面上的物体向上提升。乙图表示拉力F的大小随时间t的变化关系,丙图表示物体运动速度v的大小随时间t的变化关系。在0~10s内物体对地面的压力为___________N;20~30s内拉力F做功的功率为___________W。
【答案】 ①. 30 ②. 500
【详解】[1]由图可知,第20s之后,物体竖直向上做匀速直线运动,物体处于平衡状态,重力等于拉力为50N,则在0~10s内物体对地面的压力为
F压=G-F=50N-20N=30N
[2]由图可知,20~30s内物体的速度为10m/s,拉力F做功的功率为
p=Fv=50N×10m/s=500W
17. 如图是某款家用电饭煲的保温、加热两挡调节功能电路,R1的阻值为121Ω。电饭煲额定电压为220V,它在额定电压下处于加热挡时功率为1400W,则R2的阻值为___________Ω。只将电饭煲接入电路中,处于保温挡工作0.5h,使标有“”字样的电能表指示灯闪烁162次[指接在这个电能表上的用电器每消耗的电能,电能表的指示灯闪烁1000次],此时电路的实际电压为___________V。
【答案】 ①. 48.4Ω ②. 198V
【详解】[1]由电路图可知,开关S1、S2均闭合时,R1与R2并联,开关S1闭合、S2断开时,电路为R1的简单电路,因并联电路中总电阻小于任何一个分电阻,所以,开关S1、S2均闭合时,电路的总电阻最小,由可知,电路的总功率最大,电饭煲处于加热状态,同理可知,开关S1闭合、S2断开时,电饭煲处于保温状态,则
因并联电路中各支路独立工作、互不影响,所以,加热时R2的电功率
因并联电路总电压等于各支路电压,所以,电热丝R2的阻值
[2]由题意可知,使标有“”字样的电能表指示灯闪烁162次,则消耗的电能为
开关S1闭合、S2断开时,电饭煲处于保温状态,此时电路中只有R1,由可得电热锅的实际电压为
三、作图题(共2小题,每小题2分,共4分)
18. 闭合开关,小磁针静止在螺线管左侧,在图中括号内标出电源“+”或“-”极,并用箭头标出图中磁感线方向。
【答案】
【详解】由图可知,小磁针右侧为N极,根据异名磁极相互吸引,则螺线管左侧对应为S极,根据安培定则可知,电流从右侧流入螺线管,则电源右侧为正极;在螺线管的外部,磁感线由N极出发回到S极,据此画出磁感线方向,如图所示:
19. 如图利用羊角锤撬钉子,在锤柄上画出所施加的最小动力F和其力臂l。
【答案】
【分析】
【详解】根据杠杆的平衡条件,动力臂越长越省力,找到杠杆上离支点最远的一点作为动力作用点,支点到该点的距离即为最长的动力臂l,画出最长动力臂后,最小力F应与力臂l垂直且向上。如图所示:
四、实验题(共3小题,20题5分,2122题各6分,共17分)
20. 在“探究凸透镜成像的规律”实验中,所用凸透镜的焦距是10cm,将凸透镜因定在光具座50cm刻度线处,实验装置如图所示:
(1)实验前调节烛焰、凸透镜和光屏的中心大致在同一高度,目的是___________;
(2)实验中将蜡烛移至光具座上25cm刻度线处,移动光屏,直到烛焰在光屏上成清晰的实像,这是___________的原理(选填“照相机”“投影仪”或“放大镜”);
(3)再将蜡烛从光具座上25cm处移到10cm刻度线处,若使烛焰在光屏上再次成清晰的像,光屏应___________透镜(选填“远离”或“靠近”);此过程中,烛焰移动的速度___________烛焰的像移动的速度(选填“大于”“小于”或“等于”);
(4)某小组同学将发光的小灯泡放在该凸透镜的焦点处,在透镜另一侧将光屏沿主光轴远离透镜的过程中,光屏上的光斑大小将___________。
【答案】 ①. 使像成在光屏的中央 ②. 照相机 ③. 靠近 ④. 大于 ⑤. 不变
【详解】(1)[1]像与物的连线经过凸透镜的光心,把烛焰、凸透镜和光屏的中心大致调节在同一高度,这样像就会落在光屏的中央位置,便于观察像。
(2)[2]蜡烛移至光具座上25cm刻度线处时,物距为25cm,大于二倍焦距,成倒立缩小的实像,这个是照相机的成像原理。
(3)[3]将蜡烛从光具座上25cm处移到10cm刻度线处;成实像时,物体远离凸透镜,像靠近凸透镜,要把光屏靠近凸透镜。
[4]成实像时,当物体在大于二倍焦距的范围内移动时,物体移动的速度大于像移动的速度;当物体在一倍焦距和二倍焦距之间移动时,物体移动的速度小于像移动的速度。由题意知,蜡烛从光具座上25cm处移到10cm刻度线处,即物体在大于二倍焦距的范围内移动,物体移动的速度大于像移动的速度。
(4)[5] 将发光的小灯泡放在该凸透镜的焦点处,光通过凸透镜后形成一束平行于主光轴的平行光,所以移动光屏时,光屏上的光斑大小保持不变。
21. 为了测量滑动摩擦力的大小,甲组同学设计了如图所示实验装置。实验中,小桶内装入适量的沙子,细绳水平拉动木块,使木块恰好做匀速直线运动。(轻绳与滑轮的摩擦不计)
(1)实验中定滑轮的作用是___________;
(2)为了测量木块受到的滑动摩擦力,需要测量的物理量是___________;
(3)小桶落地后,木块继续向前运动,这是由于木块具有___________,此时木块受到的滑动摩擦力___________(选填“变大”、“变小”或“不变”);
(4)把毛巾铺在木板上,想要测出图中木块在毛巾上受到的滑动摩擦力大小,下一步的操作是___________;
(5)乙组同学觉得用已知质量的钩码代替沙桶,可以简化实验操作步骤,你觉得哪组的方法更好:___________(选填“甲组”或“乙组”)。
【答案】 ①. 改变力的方向 ②. 小桶和沙子的总质量 ③. 惯性 ④. 不变 ⑤. 往小桶中增加沙子,使木块做匀速直线运动 ⑥. 甲组
【详解】(1)[1]定滑轮的实质是一个等臂杠杆,不能省力,但可以改变力的方向。所以,实验中定滑轮的作用是改变拉力的方向。
(2)[2]小桶内装入适量的沙子,滑块恰好做匀速直线运动。此时的拉力等于小桶和沙子的总重力。所以,为了测量滑块受到的滑动摩擦力,需要测量的物理量是小桶和沙子的总质量。
(3)[3]物体保持原来运动状态不变的性质叫惯性,小桶落地后,滑块由于惯性继续向前运动。
[4]继续向前运动过程中,由于压力不变,接触面的粗糙程度不变,则滑块所受滑动摩擦力大小不变。
(4)[5]把毛巾铺在木板上,接触面粗糙程度增大,滑动摩擦力增大,应该往小桶中增加沙子,以此增大拉力,木块才会做匀速直线运动。
(5)[6]乙组觉得用钩码代替沙桶可以简化实验操作步骤,但此想法不能达到目的,因为用钩码不能连续改变拉力的大小,难以控制滑块做匀速直线运动,故甲组的方法更好。
22. 如图所示,甲同学在做“测量小灯泡的电功率”实验。实验器材:电源(电压恒为6V)、小灯泡(额定电压为2.5V,正常发光时灯丝电阻约为10Ω)、电流表、电压表、开关各一个,规格分别为 (10Ω 1A)和 (30Ω 0.5A)的滑动变阻器各一个,导线若干。
(1)连接电路时,滑动变阻器应选___________(选填“”或“”);
(2)连接好电路后,闭合开关,发现小灯泡不亮,电流表有示数,电压表无示数,电路故障原因是___________;
(3)排除故障,闭合开关,移动滑片P至某位置时。电压表的示数为2.2V,若想测量小灯泡的额定功率,应将滑片P向___________端移动(选填“A”或“B”)。通过实验绘制出小灯泡的U-I图像,如图乙所示,小灯泡的额定功率为___________W;
(4)乙同学设计了如图丙所示电路,来测量另一只小灯泡的额定功率(已知灯泡的额定电压为 ), 阻值已知:
①断开开关S3,闭合开关S1、S2,调节滑动变阻器滑片P,使得电流表示数为___________(用字母表示),此时灯泡正常发光;
②保持滑动变阻器滑片P位置不变,断开开关S2,闭合开关S1、S3,记下电流表的读数为I;
③小灯泡额定功率的表达式 ___________(用字母表示)。
【答案】 ①. ②. 小灯泡处短路 ③. B ④. 0.625 ⑤. ⑥.
【详解】(1)[1]滑变器若选择,与灯泡串联接入电路中,电源电压 ,灯泡电阻约为10Ω,变阻器阻值最大,即时,根据串联分压,此时灯泡和变阻器两端电压均为3V,变阻器阻值无法再增大,则灯泡两端电压最低为3V,无法达到2.5V额定电压,即R1的最大阻值偏小,无法完成实验,故实验中应选择最大阻值较大的。
(2)[2]分析电路,灯泡与滑动变阻器串联,电流表测串联电路电流,电压表测灯泡两端电压。电流表有示数则电路为通路,电压表无示数则说明灯泡可能被短路。
(3)[3]小灯泡的额定电压为2.5V,想要达到额定电压,需使灯泡两端电压增大,根据串联电路电压规律,需减小变阻器两端电压,根据串联分压的规律可知,需减小变阻器的阻值,由图可知,滑片P应向B端移动。
[4]由图可知,当小灯泡两端电压为额定电压2.5V时,通过小灯泡电流为0.25A,小灯泡的额定功率
(4)[5][6]分析丙图中的测量方法:由于没有电压表,需要用和电流表代替电压表,使灯泡两端电压为额定电压时,测出电流即可求出额定功率。图中灯泡和并联,要使灯泡两端电压为,则两端电压也为,则电流表示数为
再通过开关改变电流表测量对象,测出干路电流 ,得出通过小灯泡的电流
则小灯泡的额定功率为
五、计算题(共2小题,23题6分,24题7分,共13分)
23. 一辆5G无人环卫车,质量为460kg,车与地面的总接触面积为200cm2,在水平路面上匀速直线行驶过程中阻力为车所受重力的,g取10N/kg。
(1)该车静止时对水平路面的压强是多大?
(2)该车在水平路面上沿直线匀速行驶3000m时,牵引力做了多少功?若功率相同的燃油汽车以相同的速度行驶相同的路程,消耗的汽油为0.6kg,此燃油汽车的效率是多少?(q汽=4.6×107J/kg)
【答案】(1);(2);25%
【详解】解:(1)由 知道,环卫车的重力
对水平地面的压力
F=G=4600N
环卫车对水平地面的压强
(2)环卫车匀速行驶受到的阻力
由于环卫车匀速行驶时受到的阻力和牵引力是一对平衡力,则牵引力
F牵=f=2300N
由知道,该车在水平路面上沿直线匀速行驶3000m时,牵引力做功
由知道,燃烧燃油释放的能量
由 知道,此燃油汽车的效率是
答:(1)该车静止时对水平路面的压强是;
(2)该车在水平路面上沿直线匀速行驶3000m时,牵引力做功;此燃油汽车的效率是25%。
24. 如图所示,电源电压恒定,R1=12Ω,R2=5Ω,滑动变阻器R3的规格是“20Ω 1.5A”,电流表的量程是0~3A,电压表的量程是0~15V。
(1)只闭合开关S,移动滑片,当电流表的示数为0.8A时,电压表示数为8V,求电源电压。
(2)将滑片移到最右端,闭合所有开关,在1min内R1产生多少热量?
(3)闭合所有开关,为保证电路安全,滑动变阻器接入电路的阻值范围应为多少?
【答案】(1)12V;(2)720J;(3)8~20Ω
【详解】解:(1)由图知道,当只闭合开关S时,R2和R3串联,电流表A测电路中的电流,电压表测R3两端的电压,由欧姆定律知道,此时R2两端的电压为
U2=IR2=0.8A×5Ω=4V
根据串联电路电压的规律,电源电压为
U=U2+U3=4V+8V=12V
(2)将滑片移到最右端,滑动变阻器接入电路的电阻最大,闭合所有开关,此时R2被短路,R1和R3并联,电压表测电源电压,电流表A测干路电流,由欧姆定律知道,通过R1的电流
流过滑动变阻器的电流为
由焦耳定律知道,1min内R1产生的热量为
(3)将滑片移到最右端,闭合所有开关时,由并联电路电流的规律知道,电流表A的示数为
I干=I1+I3=1A+0.6A=1.6A
由于干路电流最大为3A,滑动变阻器R3的规格是“20Ω 1.5A”,则通过滑动变阻器电流最大值为1.5A,此时滑动变阻器接入电路的电阻最小,为
故闭合所有开关,为保证电路安全,滑动变阻器接入电路的阻值范围为8~20Ω。
答:(1)电源电压是12V;
(2)将滑片移到最右端,闭合所有开关,在1min内R1产生的热量是720J;
(3)闭合所有开关,为保证电路安全,滑动变阻器接入电路的阻值范围应为8~20Ω。
2022年内蒙古通辽市中考物理试题(原卷版): 这是一份2022年内蒙古通辽市中考物理试题(原卷版),共10页。试卷主要包含了 2022年等内容,欢迎下载使用。
2022年内蒙古通辽市中考物理试题(解析版): 这是一份2022年内蒙古通辽市中考物理试题(解析版),共22页。试卷主要包含了 2022年等内容,欢迎下载使用。
2023年内蒙古通辽市中考物理试题(含解析): 这是一份2023年内蒙古通辽市中考物理试题(含解析),共20页。试卷主要包含了05A,故B不符合实际;, 下列对物态变化的描述正确的是等内容,欢迎下载使用。

