山东省菏泽市五年(2018-2022)中考化学真题分题型分层汇编-10计算题
展开这是一份山东省菏泽市五年(2018-2022)中考化学真题分题型分层汇编-10计算题,共7页。试卷主要包含了计算题等内容,欢迎下载使用。
山东省菏泽市五年(2018-2022)中考化学真题分题型分层汇编-10计算题
一、计算题(共0分)
1.(2019·山东菏泽·中考真题)化学是造福人类的科学,请利用所学知识回答下列问题。
(1)新型材料有着广泛的应用。
应用 | “蛟龙”号深潜器 | “神舟”五号宇航员航天服 | 新型水处理剂 |
用到的材料 | 特种钢 | 高强度涤纶 | 纳米铁粉 |
①上述材料中属于有机合成材料的是______。
②纳米铁粉能吸附废水中的某些污染物,被吸附后的废水经沉降、过滤可去除污染物。
下列物质也能因吸附而具有净水作用的是______(填字母)
a.生石灰 b.活性炭 c.纯碱
(2)溶液与人们的生产生活密切相关,图1为甲、乙、丙三种固体物质的溶解度曲线。
①t1℃时甲、乙、丙三种物质的溶解度由大到小的顺序是______。
②某同学按图2所示进行实验,得到相应温度下的A、B、C三种溶液,其中属于饱和溶液的是______(填字母)。
③t3℃时向盛有40g甲物质的烧杯中加入50g水充分溶解后,所得溶液溶质的质量分数为______。(结果精确到0.1%)
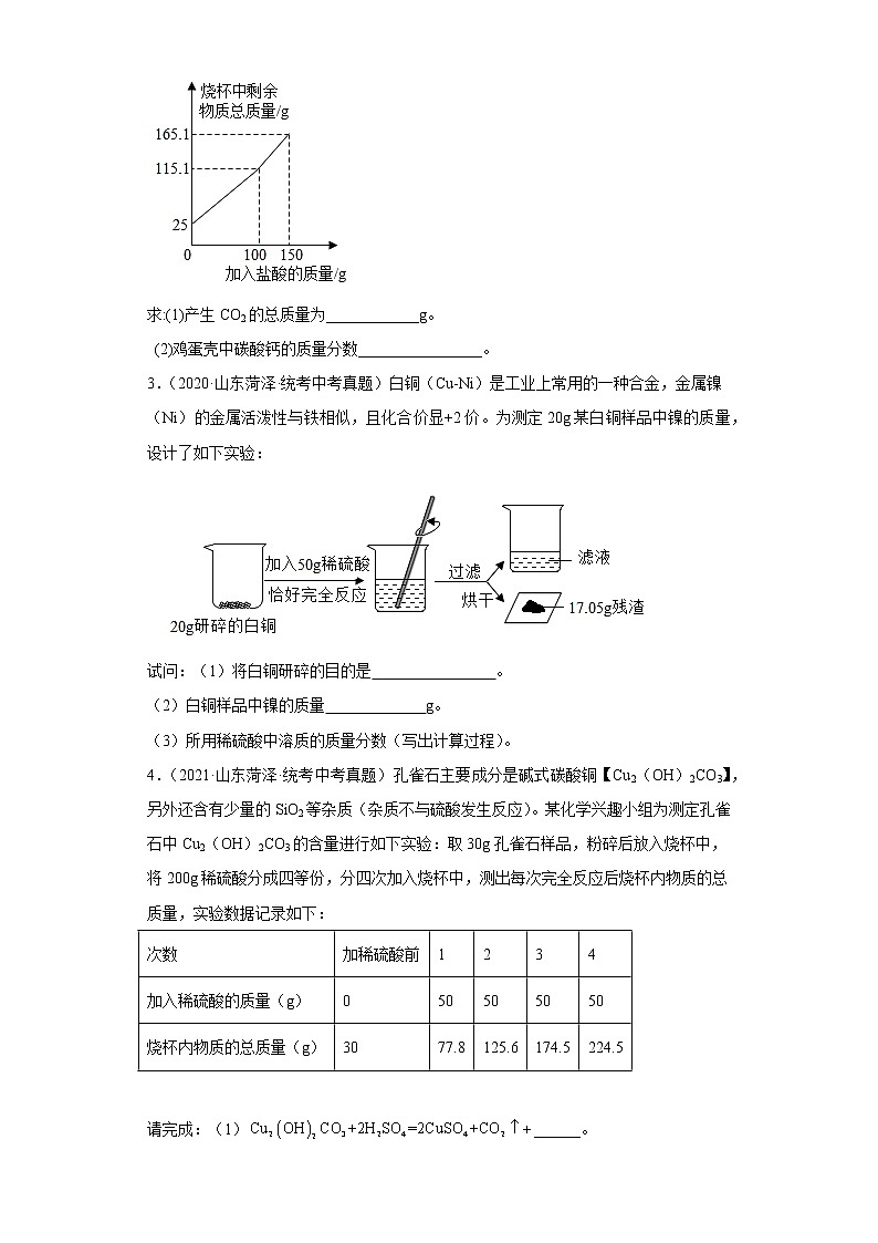
2.(2018·山东菏泽·中考真题)某化学兴趣小组为了测定鸡蛋壳中碳酸钙的含量,进行了如下实验:取25.0g洗净、粉碎后的鸡蛋壳样品放于烧杯中,向烧杯中滴加稀盐酸(整个过程不考虑盐酸的挥发和气体的溶解),实验测得烧杯中剩余物质的质量与加入盐酸的质量之间的关系如图所示
求:(1)产生CO2的总质量为____________g。
(2)鸡蛋壳中碳酸钙的质量分数________________。
3.(2020·山东菏泽·统考中考真题)白铜(Cu-Ni)是工业上常用的一种合金,金属镍(Ni)的金属活泼性与铁相似,且化合价显+2价。为测定20g某白铜样品中镍的质量,设计了如下实验:
试问:(1)将白铜研碎的目的是 。
(2)白铜样品中镍的质量 g。
(3)所用稀硫酸中溶质的质量分数(写出计算过程)。
4.(2021·山东菏泽·统考中考真题)孔雀石主要成分是碱式碳酸铜【Cu2(OH)2CO3】,另外还含有少量的SiO2等杂质(杂质不与硫酸发生反应)。某化学兴趣小组为测定孔雀石中Cu2(OH)2CO3的含量进行如下实验:取30g孔雀石样品,粉碎后放入烧杯中,将200g稀硫酸分成四等份,分四次加入烧杯中,测出每次完全反应后烧杯内物质的总质量,实验数据记录如下:
次数 | 加稀硫酸前 | 1 | 2 | 3 | 4 |
加入稀硫酸的质量(g) | 0 | 50 | 50 | 50 | 50 |
烧杯内物质的总质量(g) | 30 | 77.8 | 125.6 | 174.5 | 224.5 |
请完成:(1)______。
(2)该反应中生成气体的总质量是______g。
(3)所用稀硫酸的溶质质量分数。(写出计算过程)
5.(2022·山东菏泽·统考中考真题)我国古代将炉甘石(主要成分ZnCO3)和木炭粉混合后加热到约800℃,可得到锌。主要发生的化学反应①,②
(1)某同学用100t含ZnCO398%的炉甘石,计算生成ZnO质量的过程如下:
解:设可得到氧化锌的质量为x
答:可得到氧化锌的质量是64.8t。
请判断该计算过程是否正确?___________。
(2)请计算要获取65t金属Zn,需要氧化锌的质量是多少?
参考答案:
1. 高强度涤纶 b 丙>乙>甲 B 33.3%
【详解】(1)①特种钢和纳米铁粉属于金属材料;高强度涤纶属于有机合成材料;
②活性炭具有疏松多孔结构,具有吸附性,具有净水作用;
(2)①由溶解度曲线可知,在t1℃时甲、乙、丙三种物质的溶解度由大到小的顺序是:丙>乙>甲;
②t2℃时甲物质的溶解度是28g,即100g水中最多可以溶解28g甲物质,所以B溶液是饱和溶液;t3℃时甲物质的溶解度是50g,在C溶液中含有溶质的质量是42g,是不饱和溶液;
③t3℃时甲物质的溶解度是50g,50g水中最多可以溶解25g甲物质,所得溶液溶质的质量分数=33.3%。
2.(1)9.9(2)90%.
【详解】解:(1)根据质量守恒定律可知反应前后减少的质量就是生成二氧化碳的质量,产生CO2的总质量为25g+150g-165.1g=9.9g;(2)设鸡蛋壳中碳酸钙的质量是x,则:
CaCO3+2HCl═CaCl2+CO2↑+H2O
100 44
x 9.9g
x=22.5g,
鸡蛋壳中碳酸钙的质量分数=×100%=90%,
答:(1)产生CO2的总质量为9.9g;(2)鸡蛋壳中碳酸钙的质量分数为90%。
3.(1)增大白铜与稀硫酸的接触面积,使反应更快、更充分(2)2.95(3)9.8%
【详解】(1)化学反应速率与反应物的接触面积大小有关,反应能否充分与反应物颗粒大小有关,故将白铜研碎的目的是:增大白铜与稀硫酸的接触面积,使反应更快、更充分。
(2)根据金属镍的金属活泼性与铁相似,铁可以与稀硫酸反应,故镍也可以与稀硫酸反应,铜的活动性位于金属活动性顺序表中氢的后面,不能与酸反应,所以反应后得到的17.05g残渣就是铜,白铜样品中镍的质量=20g−17.05g=2.95g。
(3)解:根据题意,参加反应的镍的质量=20g−17.05g=2.95g
设参加反应的硫酸质量为x
59∶98=2.95g∶x
x=4.9g
所用稀硫酸中溶质的质量分数=×100%=9.8%
答:所用稀硫酸中溶质的质量分数为9.8%。
4.(1)3H2O
(2)5.5
(3)由表中数据可知,加入50g稀硫酸,产生二氧化碳的质量为50g+30g-77.8g=2.2g
解:设所用稀硫酸的溶质质量分数为x
x=19.6%
答:所用稀硫酸的溶质质量分数为19.6%。
【详解】(1)根据质量守恒定律,化学反应前后,原子的种类和数目不变,反应物中含Cu、O、H、C、S的个数分别是2、13、6、1、2,生成物中含Cu、O、H、C、S的个数分别是2、10、0、1、2,故生成物中还应含3个O、6个H,故还应补充:3H2O;
(2)由表中数据可知,反应生成气体的总质量是:30g+200g-224.5g=5.5g;
(3)见答案。
5.(1)不正确
(2)设需要氧化锌的质量是y。
答:需要氧化锌的质量是81t。
【详解】(1)用100t含ZnCO398%的炉甘石,则含ZnCO3的质量为,计算中直接代入总质量错误,故计算过程不正确。
(2)见答案。
相关试卷
这是一份宁夏五年(2018-2022)中考化学真题分题型分层汇编-10计算题,共4页。试卷主要包含了计算题等内容,欢迎下载使用。
这是一份山东省菏泽市五年(2018-2022)中考化学真题分题型分层汇编-11推断题,共7页。试卷主要包含了推断题等内容,欢迎下载使用。
这是一份山东省菏泽市五年(2018-2022)中考化学真题分题型分层汇编-08实验题,共7页。试卷主要包含了实验题等内容,欢迎下载使用。

