- 专题61带电粒子在电场中的运动(原卷版+解析版)-2023届高考物理一轮复习知识点精讲与最新高考题模拟题同步训练 试卷 0 次下载
- 专题60静电场知识的应用(原卷版+解析版)-2023届高考物理一轮复习知识点精讲与最新高考题模拟题同步训练 试卷 0 次下载
- 专题58电容和电容器(原卷版+解析版)-2023届高考物理一轮复习知识点精讲与最新高考题模拟题同步训练 试卷 0 次下载
- 专题57静电场能量(原卷版+解析版)-2023届高考物理一轮复习知识点精讲与最新高考题模拟题同步训练 试卷 0 次下载
- 专题56静电场力的性质(原卷版+解析版)-2023届高考物理一轮复习知识点精讲与最新高考题模拟题同步训练 试卷 0 次下载
专题59电容器充电放电实验(原卷版+解析版)-2023届高考物理一轮复习知识点精讲与最新高考题模拟题同步训练
展开2023高考一轮知识点精讲和最新高考题模拟题同步训练
第十一章 静电场
专题59 电容器充电放电实验
第一部分 知识点精讲
[实验目的]
1.观察电容器的充、放电现象。
2.探究电容器的充、放电过程中,电流、电压、电量及能量的转化过程。[来源:Z_xx_k.Com]
[实验原理]
1.充电:电源使电容器的两极板带上等量异种电荷的过程。如图1-1甲。
图1-1
2.放电:用导线将充好电的电容器的两极板相连,使两极板的异种电荷中和的过程,如图乙。
3.电容器充放电时的能量转化:充电后,电容器储存了电能。放电时,储存的电能释放出来,转化为其他形式的能。
[实验器材]
直流电源、电阻、电容器、电流表(或电流传感器和计算机)、电压表、单刀双掷开关、导线。
【温馨提示】电流传感器,与计算机相连,可以测出电容器的放电电流随时间变化关系图像。
[实验步骤]
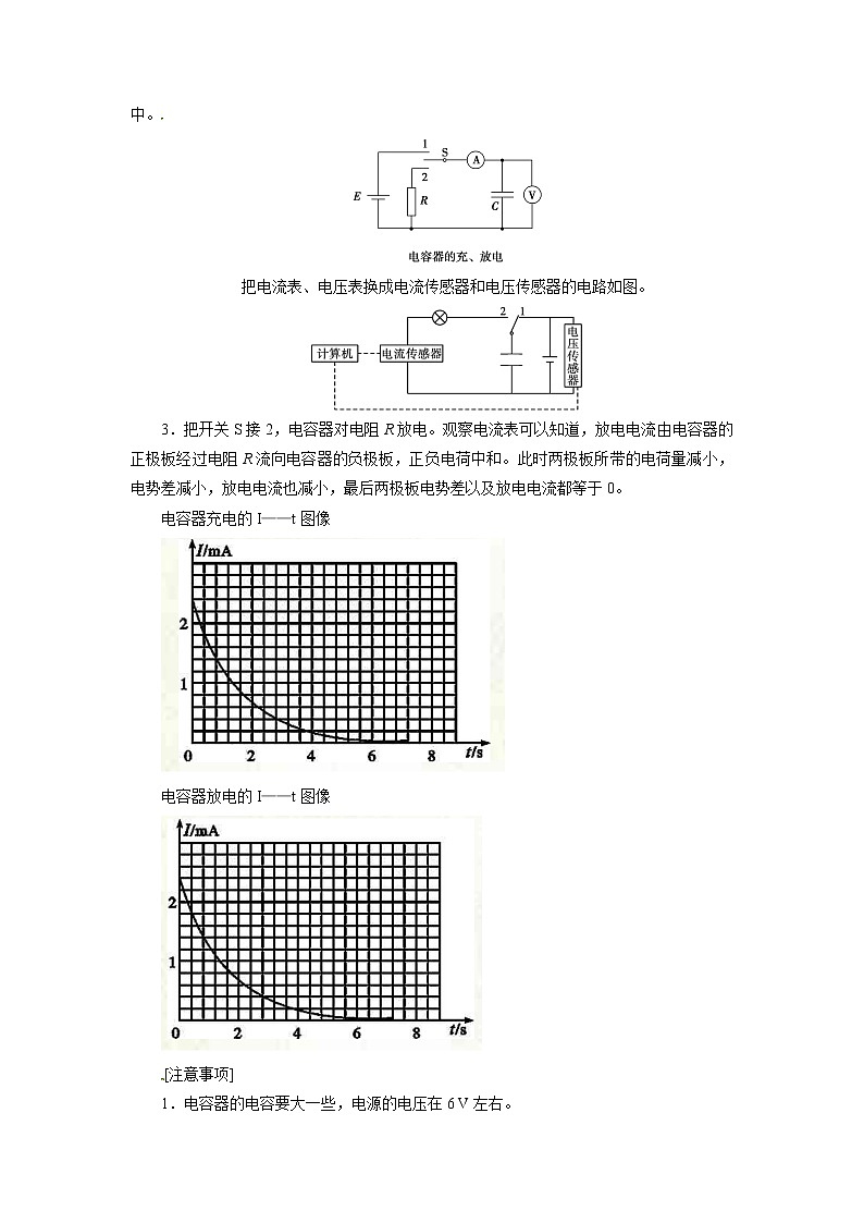
1.把直流电源、电阻、电容器、电流表、电压表以及单刀双掷开关组装成实验电路(如图1-2所示)。
2.把开关S接1,此时电源给电容器充电。在充电过程中,可以看到电压表示数迅速增大,随后逐渐稳定在某一数值,表示电容器两极板具有一定的电势差。通过观察电流表可以知道,充电时电流由电源的正极流向电容器的负极板。同时,电流从电容器的负极板流向电源的负极。随着两极板之间电势差的增大,充电电流逐渐减小至0,此时电容器两极板带有一定的等量异种电荷。即使断开电源,两极板上电荷由于相互吸引而仍然被保存在电容器中。
把电流表、电压表换成电流传感器和电压传感器的电路如图。
3.把开关S接2,电容器对电阻R放电。观察电流表可以知道,放电电流由电容器的正极板经过电阻R流向电容器的负极板,正负电荷中和。此时两极板所带的电荷量减小,电势差减小,放电电流也减小,最后两极板电势差以及放电电流都等于0。
电容器充电的I——t图像
电容器放电的I——t图像
[注意事项]
1.电容器的电容要大一些,电源的电压在6 V左右。
2.开关向1闭合时,仔细观察灵敏电流计指针的偏转方向。
3.开关向2闭合时,仔细观察灵敏电流计指针的偏转方向。
第二部分 最新高考题精选
1(2015·海南物理)某同学利用图(a)所示电路测量电容器充电时两极板间的电压随时间的变化。实验中使用的器材为:电池E(内阻很小)、开关和、电容器C(约100)、电阻(约200k)、电阻(1k)、电压表V(量程6V)、秒表、导线若干。
(1)按图(a)所示的电路原理将图(b)中实物图连线。
(2)先闭合开关,再断开开关:闭合开关,同时按下秒表开始计时。若某时刻电压表示数如图(c)所示,电压表的读数为________V(保留2位小数)。
(3)该同学每隔10s记录一次电压表的读数 ,记录的数据如下表所示,在答题卡给出的坐标纸上绘出图线,已知只有一个数据点误差较大,该数据点对应的表中的时间是______s。
(4)电路中C、和构成的回路的作用是___________。
【参考答案】(1)实物图连线如图。
(2)3.60V(3)40s(4)使实验前电容器两极板上的电荷相中和
【名师解析】电压表的量程为6V,最小刻度值为0.1V,电压表的读数为3.60V.
根据表中的测量数据,在坐标纸上描出各点,用平滑曲线连接绘出图线,由图线可知,40s对应的4.51V误差较大。
电路中C、和构成的回路的作用是测量电容器充电时两极板间的电压随时间的变化图线实验前,先对电容器放电,电容器两极板上的电荷相中和。
第三部分 最新模拟题精选
1. (2022山东四县区质检)在测定电容器电容的实验中,将电容器、电压传感器、阻值为3 kΩ的电阻R、电源、单刀双掷开关S按图甲所示电路图进行连接。先使开关S与1相连,电源给电容器充电,充电完毕后把开关S掷向2,电容器放电,直至放电完毕,实验得到的与电压传感器相连接的计算机所记录的电压随时间变化的图线如图乙所示,图丙为由计算机对图乙进行数据处理后记录了“峰值”及图线与时间轴所围“面积”的图像。
(1)根据图甲所示的电路,观察图乙可知:充电电流与放电电流方向________(填“相同”或“ 相反”),大小都随时间________(填“增大”或“ 减小”)。
(2)该电容器的电容为________F(结果保留两位有效数字)。
(3)某同学认为:仍利用上述装置,将电压传感器从电阻两端改接在电容器的两端,也可以测出电容器的电容值,请你分析并说明该同学的说法是否正确________。
【参考答案】 (1)①. 相反 ②. 减小 (2) ③. 1.0×10-2 (3) ④. 正确
【名师解析】
(1)[1][2]根据图甲所示的电路,观察图乙可知充电电流与放电电流方向相反,大小都随时间减小;
(2)[3]根据充电时电压—时间图线可知,电容器的电荷量为:
Q=It=t
而电压的峰值为Um=6 V,则该电容器的电容为:
C=
设电压—时间图线与坐标轴围成的面积为S,联立解得:
C===F=1.0×10-2 F;
(3)[4]正确,电容器放电的过程中,电容器C与电阻R两端的电压大小相等,因此通过对放电曲线进行数据处理后记录的“峰值Um”及图线与时间轴所围“面积”,仍可应用:
C==计算电容值。
2. (2022山东青岛二模)某实验小组利用如下器材测量电容器的电容:直流稳压电源、待测电容器(额定电压)、定值电阻、定值电阻、电流传感器、数据采集器和计算机、单刀双掷开关、导线若干。实验过程如下:
①将定值电阻等器材按图甲连接电路后,将开关与1端连接,电源向电容器充电;
②将开关与2端连接,测得电流随时间变化的曲线如图乙所示;
③用替换后,重复上述实验步骤①②,测得电流随时间变化的曲线如图丙中的某条虚线所示。
两次实验中电源的输出电压相同,请回答下列问题:
(1)电源的输出电压为__________。利用计算机软件测得乙图中曲线与两坐标轴所围的面积为,则电容器的电容为__________;
(2)用替换后,电流随时间变化的曲线应该是图丙中的__________(选填“”“”或“”),判断的依据是___________。
【参考答案】 (1) ①. ②.
(2)③. ④. 因为小于的阻值,电容器的放电电流增大,放电时间减少。(或:两次放电电量相同即图中的“面积”相同。)
【名师解析】
(1)[1][2]由题图知,最大电流为
因此最大电压为
可得电源的输出电压为,带容器所带电荷量为
电容器的电容为
(2)[3][4]用替换后,电流随时间变化的曲线应该是图丙中的,因为小于的阻值,电容器的放电电流增大,放电时间减少。
3.(8分)(2022山东烟台重点高中期末)
在“用传感器观察电容器的充电和放电”实验中,电路图如图甲。一位同学使用的电源电动势为8.0V,测得电容器放电的i-t图像如图乙所示。
甲
乙
(1)若按“四舍五入(大于半格算一个,小于半格舍去)”法, i-t 图线与两坐标轴包围面积表示的物理意义是 ;电容器在全部放电过程中释放的电荷量约为 C;(结果保留两位有效数字)
(2)根据以上数据估算电容器的电容值为_________ F;(结果保留两位有效数字)
(3)如果将电阻R换一个阻值更大的电阻,则放电过程释放的电荷量___________(选填“变多”、“不变”或“变少”)。
【参考答案】.(1)I-t 图象与坐标轴围成的面积表示总的电荷量 (2分)
2.4×10-3~2.6×10-3C (2分)、
(2)3.0×10-4~3.3×10-4F(2分);(3)不变(2分)。
【名师解析】
(1)由q= i△t 可知,i-t 图线与两坐标轴包围面积表示的物理意义是电容器总的电荷量;按“四舍五入(大于半格算一个,小于半格舍去)”法,为30格,可得电容器在全部放电过程中释放的电荷量约为Q=30×0.2×10-3×0.4C=2.4×10-3 C;
(2)由C=Q/U可得估算电容器的电容值为C=3.0×10-4F。
(3)如果将电阻R换一个阻值更大的电阻,放电时间变长,但是放电过程释放的电荷量不变。
4. (2021山西孝义市模拟)某同学设计了探究电容器的充、放电的电路图。在连接实物前,他首先用多用电表判断电容器是否完好,他应该将多用电表的选择开关拨到 档位上,正确操作后,他看到多用电表的指针先偏转较大的角度又缓慢回到表盘的左端,这说明电容器 (选填“完好”或者“损坏”)。
实验步骤:(1)调节直流电源E,输出电压为6V;
(2)断开开关S0,按照电路图将实物图正确连接;
(3)闭合开关S0,把单刀双掷开关S接到1端,注意观察现象,并将观察到的现象记录到表格中;
(4)待现象稳定后,将单刀双掷开关S接到2端,注意观察现象,并将观察到的现象记录到表格中。
【参考答案】(1)欧姆 完好
绿 逐渐变暗,最后熄灭
增大 6
红 逐渐变暗,最后熄灭
减小 0
【名师解析】在连接实物前,电容器上没有电荷,不能用电压档和电流档检测。由于多用电表欧姆档内部有电源,所以他用多用电表判断电容器是否完好,他应该将多用电表的选择开关拨到欧姆档位上,可以给电容器充电,电路中有充电电流,可以看到指针偏转较大角度。若电容器完好,随着充电逐渐完成,充电电流逐渐减小,指针缓慢回到表盘的最左端。
闭合开关S0,把单刀双掷开关S接到1端,与红灯泡串联的二极管处于截止状态,与绿灯泡串联的二极管处于导通状态,所以绿灯泡亮,随着电容器充电结束,充电电流逐渐减小,绿灯泡亮度逐渐变暗,最后熄灭。电压表示数逐渐增大,稳定后电压表显示的电压为电源输出电压6V。
待现象稳定后,将单刀双掷开关S接到2端,电容器放电,与红灯泡串联的二极管处于导通状态,与绿灯泡串联的二极管处于截止状态,所以红灯泡亮,随着电容器放电结束,放电电流逐渐减小,红灯泡亮度逐渐变暗,最后熄灭。电压表示数逐渐减小,稳定后放电结束,电容器带电量为零,电压为零,电压表显示的电压为0。
5.(9分) (2021年5月百校联盟联考)某兴趣小组的同学欲探究电势差与电容器带电量的关系,设计了如图甲所示的电路图,电池的电动势E=3V,R为滑动变阻器,C1、C2均为额定电压为2.5V的相同电容器,R1为阻值较大的定值电阻,为微安表,为内阻很大的数字式电压表,S1为单刀单掷开关,S2为单刀三掷开关。初始时S1断开,S2拨到位置1,两电容器均不带电。请回答下列问题:
(1)开关S1在闭合前,滑动变阻器的滑片P应先滑至 (选填“a”或“b”)端,再闭合S1,调节滑片P,使电压表示数为1.80V,将S2拨到位置2,每间隔5s读一次微安表示数,作出的电流随时间变化关系i-t图像如图乙所示,则电容器的电容为 F;
(2)定值电阻R1的主要作用是 ;
(3)保持S1闭合,滑片P的位置不变,将S2先由位置2拨回位置1,电压表示数稳定后再将S2拨到位置3,则当S2拨到位置3后的一小段时间内,电压表示数应为 V。
【参考答案】(1)a 3.75×10-3F
(2)延长电容器的放电时间,便于读取微安表示数;(3)0.90
【名师解析】(1)为使电路安全,滑片P应该先滑至a端。由电流随时间变化关系i-t图像于横轴围成的面积表示电荷量Q可知,图像与坐标轴所围面积的小方格约为27个,S=27×50×5μC=6.75×10-3C,由C=Q/U可得C=3.75×10-3F。(2)定值电阻R1的阻值较大,其主要作用是延长电容器的放电时间,便于读取微安表示数;
(3)将S2先由位置2拨回位置1,电压表示数稳定后示数应该为1.80V,再将S2拨到位置3后,电容器C1立即对C3充电,充电时间极短,完成后两电容器电压相等,由QC1= Q’C1+ Q’C2,可知两个电容器的电荷量均为C1原来的一半,由U’=0.5 QC1/C可知U’=0.5U=0.90V,即当S2拨到位置3后的一小段时间内,电压表示数应为0.90V。
6.(2021江苏南京盐城一模)某同学利用图甲所示电路观察电容器的充放电现象,电流传感器与计算机相连,可以显示电流I随时间t变化的图像。
(1)为使电源向电容器充电,应将开关S与 (选填“1”或“2”)端相连。
(2)在充电过程中,测绘的充电电流I随时间t的图像,可能是图乙中的 。
(3)图 丙为电流传感器中电容器放电时的电流I随时间t的图像,图中每一小方格面积相同,根据图像估算电容器在t0~2t0时间内,释放电荷量的表达式为 (用I0、t0表示)。某同学
(4)图丁中实线是实验得到的放电时的I-t 图像,如果不改变电路的其它参数,只减小电阻箱R的阻值,则得到的I-t 图像是图丁中的 (选填“①”、“②”或“③”)。理由是 。
【参考答案】(1)1(2)A(3)2 I0t0
(4)② I-t 图像与横轴所围面积不变;平均电流增大,放电时间变短
【名师解析】(1)为使电源向电容器充电,应将开关S与 “1”端相连。
(2)在充电过程中,电流逐渐减小,所以测绘的充电电流I随时间t的图像,可能是图乙中的A。
(3)根据I-t 图像与横轴所围面积表示电荷量可知,电容器在t0~2t0时间内,释放电荷量的表达式为2 I0t0。
(4)如果不改变电路的其它参数,只减小电阻箱R的阻值,则得到的I-t 图像是图丁中的②,理由是电容器带电荷量不变,即I-t 图像与横轴所围面积不变。只减小电阻箱R的阻值,平均电流增大,放电时间变短。
7.(2020·北京市高三期末)如图2甲所示为某同学利用传感器研究电容器放电过程的实验电路,实验时先使开关S与1 端相连,电源对电容器充电,待电路稳定后把开关S掷向2端,电容器通过电阻放电,传感器将电流信息传入计算机,屏幕上显示出电流随时间变化的i-t曲线,如图乙,这个曲线的横坐标是放电时间,纵坐标是放电电流.若其他条件不变,只将电阻R换为阻值更大的定值电阻,现用虚线表示电阻值变大后的i-t曲线,则在下列四个图像中可能正确的是( )
图2
【参考答案】 C
【名师解析】 如果仅将电阻R换为阻值更大的定值电阻,则电容器放电电流会减小,则放电变慢,因电容器带电荷量一定,可知放电时间变长,故选C.
8.(10分)(2021辽宁大连模拟)某学习小组同学利用图甲所示的实验电路测量平行板电容器的电容。
(1)图甲中电流表A1量程为300µA,无法满足实验需要,需并联一电阻箱R1使其量程扩大为600µA。由于电流表A1内阻未知,无法确定电阻箱R1的阻值,该小组同学设计了图乙所示的电路,已知电流表A2与A1量程相同。实验操作步骤如下:
①按照图乙连接电路,电阻箱R1和滑动变阻器R2的阻值调到最大;
②断开开关S1,闭合开关S2。调节R2,使电流表A1和A2读数均为200µA;
③闭合开关S1,调节R1和R2,保证电流表A2读数不变,则当电流表A1读数是 µA时,电流表A1与R1并联即可做量程为600µA的电流表使用。
(2)完成电流表的改装后,继续测量平行板电容器的电容,具体实验操作步骤如下:
①按图甲接好实验电路,请在图丙中将缺失的导线用笔画线补充完整;
②先将图丙中开关S4闭合,再将单刀双掷开关S3接“a”,记下此时电压表读数6.2V;
③调节图丙中滑动变阻器的滑片P至阻值最大,将单刀双掷开关S3接“b”同时开始计时,每5s或10s读一次电流表A1的示数i,记录数据;
④以电流表A1的示数i为纵轴、时间t为横轴,在坐标纸上绘制点,请用平滑曲线在图丁中画出i-t图线;
⑤根据实验结果和图像信息,估算电容器的电容C= F。(结果保留2位有效数字)
【参考答案】3.(10分)(1)100(2分);
(2)①(3分)连线如图所示,共4根导线,连错一根扣1分,连错2根及以上得0分。
④(2分)
⑤ F~F(3分)
【名师解析】(1)③闭合开关S1,调节R1和R2,保证电流表A2读数不变,根据串并联电路规律,则当电流表A1读数是100µA时,电流表A1与R1并联即可做量程为600µA的电流表使用。
(2)根据i-t图线的面积等于电荷量,可得Q=9×10-3C,由C=Q/U,可得C=F。
9.(2020年3月山东六地市联考)如图1-6甲所示是一种测量电容器电容的实验电路图,实验是通过对高阻值电阻放电的方法,测出电容器充电至电压U时所带电荷量Q,从而求出待测电容器的电容C。某同学在一次实验时的情况如下:
图1-6
A.按如图甲所示的电路图接好电路
B.接通开关S,调节电阻箱R的阻值,使电流表的指针偏转接近满刻度,记下此时电流表的示数是I0=490 μA,电压表的示数U0=8.0 V
C.断开开关S,同时开始计时,每隔5 s测读一次电流i的值,将测得数据填入表格,并标示在图乙的坐标纸上(时间t为横坐标,电流i为纵坐标),如图乙中小黑点所示。
(1)在图乙中画出i-t图线;
(2)图乙中图线与坐标轴所围成面积的物理意义是________________;
(3)该电容器电容为________F(结果保留两位有效数字);
(4)若某同学实验时把电压表接在E、D两端,则电容的测量值比它的真实值______(选填“偏大”“偏小”或“相等”)。
【参考答案】 (1)见解析图 (2)在开始放电时电容器所带的电荷量
(3)1.1×10-3 (4)偏小
【名师解析】 (1)用平滑的曲线连接,作出图像如图:
(2)由ΔQ=I·Δt知,电荷量为i-t图像与坐标轴所包围的面积,则面积为电容器在开始放电时所带的电荷量。
(3)算出格子数,由总格子数乘以每个格子的“面积”值求得
Q=8.5×10-3C
则C==F=1.1×10-3F。
(4)电容的测量值比它的真实值偏小,原因是若把电压表接在E、D两端,则电容器在放电时,有一部分电量会从电压表中通过,从而使得通过电流表中的电量小于电容器的带电量,从而使电容的测量值比它的真实值偏小。
10. (2020年6月山东青岛三模)电流传感器可以捕捉到瞬间的电流变化,它与计算机相连,可以显示出电流随时间变化的 I-t 图像。如图甲所示连接电路。直流电源电动势 9V,内阻可忽略,电容器选用电容较大的电 解电容器。先使开关 S 与 1 端相连,电源向电容器充电。然后把开关 S 掷向 2 端,电容器通过 电阻 R 放电,传感器将电流信息传入计算机。屏幕上显示出电流随时间变化的 I-t 图像如图乙 所示。
(1)在如图乙所示的 I-t 图像中用阴影标记面积的物理意义是 。
(2)根据 I-t 图像估算当电容器开始放电时所带的电量 q0= ,并计算电容器的 电容 C= 。(均保留两位有效数字)
(3)如果不改变电路其他参数,只减小电阻 R,充电时 I-t 曲线与横轴所围成的面积将
(填“增大”“不变”或“变小”);充电时间将 (填“变长”“不变”或“变短”);简 要说明原因 。
【参考答案】(1)通电0.2s时间内电容增加的电荷量(或流过电阻R的电荷量)
(2)1.6×10-3 (1.7~1.8)×10-4 F
(3)不变 变短 充电电流增大
【名师解析】(1)根据q=It可知在如图乙所示的 I-t 图像中用阴影标记面积的物理意义是通电0.2s时间内电容增加的电荷量(或流过电阻R的电荷量)。
(2)图乙所示的 I-t 图像面积表示电容器开始放电时所带的电量 q0=1.6×10-3 C。电容器两端电压U=E,由C= q0/U解得电容器的 电容 C=1.8×10-4 F。
(3)如果不改变电路其他参数,只减小电阻 R,充电时 I-t 曲线与横轴所围成的面积将不变.由于减小电阻 R,开始充电时电流增大, 充电时间将变短。
11.(8 分)(2020北京海淀三模)利用高电阻放电法研究电容器的充放电,实验是利用高阻值电阻延长充放电时间,绘制电容器充放电电流与时间的 i-t 图像来研究电容器的充放电规律。
某同学先按图甲所示电路连接好实验电路。然后继续实验操作如下:
(1)先接通开关 S1、S2,调节电阻箱 R 的阻值,使微安表的指针偏转接近满刻度,记下这时微安表的示数 i0=500μA、电压表的示数 U0=6.0V,此时电阻箱 R 的阻值为 8.5kΩ,则微安表的内阻为 kΩ。
(2)断开开关 S2,同时开始计时,每隔 5s 或 10s 读一次电流 i 的值,将测得数据填入预先设计的表格中,根据表格中的数据在坐标纸上标出以时间 t 为横坐标、电流 i 为纵坐标的点,如图乙中用“×”表示的点。请在图乙中描绘出电流随时间变化的图线。
(3)根据图线估算出该电容器在整个放电过程中放出的电荷量Q0 约为 C;(结果保留两位有效数字)
(4)根据公式 来计算电容器的电容。(只要求写出表达式,不要求计算结果)
【参考答案】(1)3.5
(2)如图。(3)1.6×10-2C. (4)C=Q0/U0
【名师解析】(1)由欧姆定律,U0= i0(RA+R),解得微安表的内阻为RA =3.5kΩ。
(2)过尽可能多的点用平滑曲线描绘出电流随时间变化的图线。
(3)图线与横轴所围面积表示该电容器在整个放电过程中放出的电荷量约为Q0=32×50×10×10-6C=1.6×10-2C.
(4)根据公式C=Q0/U0来计算电容器的电容。
专题113气体(原卷版+解析版)-2023届高考物理一轮复习知识点精讲与最新高考题模拟题同步训练: 这是一份专题113气体(原卷版+解析版)-2023届高考物理一轮复习知识点精讲与最新高考题模拟题同步训练,文件包含专题113气体解析版-2023高考一轮复习知识点精讲和最新高考题模拟题同步训练docx、专题113气体原卷版-2023高考一轮复习知识点精讲和最新高考题模拟题同步训练docx等2份试卷配套教学资源,其中试卷共46页, 欢迎下载使用。
专题101电阻测量创新实验(原卷版+解析版)-2023届高考物理一轮复习知识点精讲与最新高考题模拟题同步训练: 这是一份专题101电阻测量创新实验(原卷版+解析版)-2023届高考物理一轮复习知识点精讲与最新高考题模拟题同步训练,文件包含专题101电阻测量创新实验解析版-2023高考一轮复习知识点精讲和最新高考题模拟题同步训练docx、专题101电阻测量创新实验原卷版-2023高考一轮复习知识点精讲和最新高考题模拟题同步训练docx等2份试卷配套教学资源,其中试卷共34页, 欢迎下载使用。
专题65电学实验基础(原卷版+解析版)-2023届高考物理一轮复习知识点精讲与最新高考题模拟题同步训练: 这是一份专题65电学实验基础(原卷版+解析版)-2023届高考物理一轮复习知识点精讲与最新高考题模拟题同步训练,文件包含专题65电学实验基础解析版-2023高考一轮复习知识点精讲和最新高考题模拟题同步训练docx、专题65电学实验基础原卷版-2023高考一轮复习知识点精讲和最新高考题模拟题同步训练docx等2份试卷配套教学资源,其中试卷共40页, 欢迎下载使用。

