初中物理中考复习 专题24 探究串并联电路电流规律的实验(原卷版)
展开专题24 探究串并联电路电流规律的实验
探究串并联电路电流规律的实验基础知识
1.串联电路中各处的电流相等。表达式:I=I1=U2=U3
2.并联电路的干路总电流等于各支路电流之和。表达式:I=I1+I2+I3
3.要把握连接电路以及电路元件使用的注意事项。
4.电路故障分析,电流表的读数,实验数据的处理。
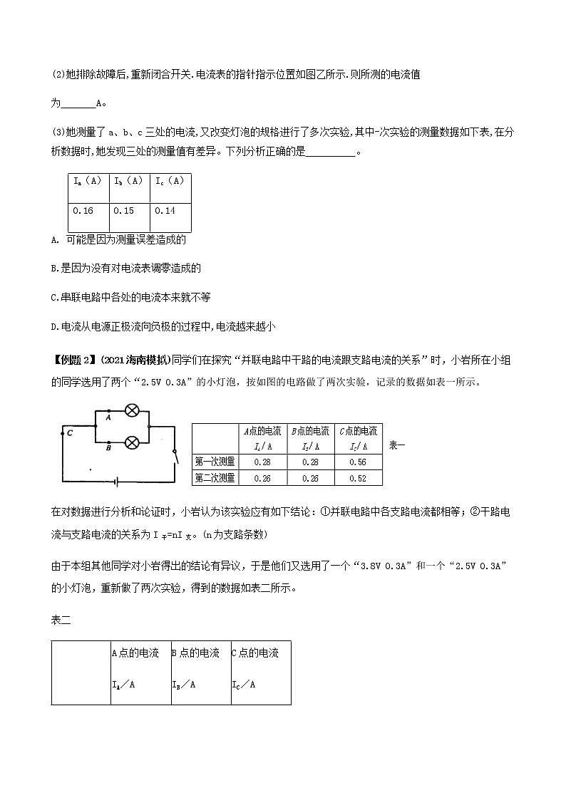
【例题1】(2021南京模拟)在“探究串联电路的电流特点”的实验中,小虹同学选用两个不同的小灯泡组成了如图甲所示的串联电路,然后用一个电流表分别接在a、b、c三处去测量电流。
(1)她先把电流表接在a处,闭合开关后,发现两灯的亮度不稳定,电流表的指针也来回摆动。故障的原因可能是 。
A.某段导线断开 B.某接线柱处接触不良 C.某灯泡被短路 D.电流表被烧坏
(2)她排除故障后,重新闭合开关.电流表的指针指示位置如图乙所示.则所测的电流值
为 A。
(3)她测量了a、b、c三处的电流,又改变灯泡的规格进行了多次实验,其中-次实验的测量数据如下表,在分析数据时,她发现三处的测量值有差异。下列分析正确的是 。
Ia(A) | Ib(A) | Ic(A) |
0.16 | 0.15 | 0.14 |
- 可能是因为测量误差造成的
B.是因为没有对电流表调零造成的
C.串联电路中各处的电流本来就不等
D.电流从电源正极流向负极的过程中,电流越来越小
【例题2】(2021海南模拟)同学们在探究“并联电路中干路的电流跟支路电流的关系”时,小岩所在小组的同学选用了两个“2.5V 0.3A”的小灯泡,按如图的电路做了两次实验,记录的数据如表一所示。
在对数据进行分析和论证时,小岩认为该实验应有如下结论:①并联电路中各支路电流都相等;②干路电流与支路电流的关系为I干=nI支。(n为支路条数)
由于本组其他同学对小岩得出的结论有异议,于是他们又选用了一个“3.8V 0.3A”和一个“2.5V 0.3A”的小灯泡,重新做了两次实验,得到的数据如表二所示。
表二
| A点的电流 IA/A | B点的电流 IB/A | C点的电流 IC/A |
第一次测量 | 0.22 | 0.26 | 0.48 |
第二次测量 | 0.18 | 0.22 | 0.40 |
⑴在重新实验,拆接电路时,开关必须________。
⑵如果你是组内成员,根据表二数据,你如何评价小岩的观点?
⑶结合本次实验对你的启发,谈谈在探究物理规律时应该注意什么?(写出一条即可)
1.(2020兰州模拟)在探究并联电路电流规律的实验中。
(1)为了防止损坏电流表,在不能事先估计电流大小的情况下,应先进行 ,以正确选择电流表或电流表的量程。
(2)小方连接的部分电路如图所示,请你将电路连接完整。
(3)小方将以上电路连接完后,闭合开关,调节滑动变阻器,发现灯泡L1和L2发光、电流表A1和A2有示数、电流表A示数为零。则电路故障可能是 。
(4)排除故障,进行实验,小方记录了如下数据。
实验次数 | L1电流I1/A | L2电流I2/A | 干路电流I/A |
1 | 0.1 | 0.1 | 0.2 |
2 | 0.3 | 0.3 | 0.6 |
3 | 0.4 | 0.4 | 0.8 |
分析以上实验数据,小方发现通过两条支路的电流总是相等。为了探究这个发现是否具有普遍性,可以 ,再进行实验。
2.下列是某实验中的三个电路图,请仔细观察后回答.
(1) 该实验探究的问题是________________________________;
(2) 你的结论是________________________________________;
(3)小明同学探究出的结论是:在并联电路中,干路电流大于任何一条支路的电流。小宁的结论是:在并联电路中,干路电流等于各支路电流之和。请你评估一下,谁得出的结论更加确切?为什么?
3.在探究并联电路电流规律的实验中,如图甲是实验的电路图。
(1)电流表应 (选填“串联”或“并联”)在被测电路中。若要测量干路电流,则电流表应接在甲图中的 点。
(2)小明同学在测量A处的电流时,闭合开关前,发现电流表指针位置如图乙所示,原因是 ;纠正该错误后,闭合开关,发现电流表的指针偏转又如图乙所示,原因是 ;排除故障后,电流表的示数如图丙所示,则电流表的示数为 A。
(3)上表是另一组的小亮同学在实验中用两盏规格相同的灯泡测出的数据,由此得出的实验结论是:在并联电路中,干路电流等于各支路电流之和,且各支路的电流相等。请指出小亮的探究过程的两点不妥之处:
① ;
② 。
4.为了探究并联电路中干路的电流与支路的电流有什么关系,小明同学选择的实验器材是:3节干电池串联作电源、两个标有2.5V(正常工作时的电压)字样规格相同的小灯泡、一只电流表、一个开关、导线若干。他的实验设想是:首先将实验器材连成如图所示的电路,然后用电流表选择恰当的量程分别测出A、B、C三点的电流,分析这一次测量中三点电流的数据,就得出干路与支路的电流的关系。请你分析说明小明同学这一实验方案中存在哪些不足(写出两点即可)。
(1) ;
(2) 。
5.按照课本要求探究并联电路中电流的关系,他们设计的电路如图所示。把电流表分别接入到电路中的A、B、C处,测出它们的电流,填入下表:
实验次数 | A处的电流IA/A | B处的电流IB/A | C处的电流IC/A |
1 | 0.10 | 0.12 | 0.22 |
2 | 0.20 | 0.24 | 0.44 |
3 | 0.25 | 0.30 | 0.55 |
⑴通过对上面数据的分析,可以得出的结论是: ;
⑵测量三次的目的是: ,在实验中我们可以采用 的方法改变电流的大小从而进行三次实验;
⑶结合你用一个电流表做实验时的体会,提出一条对本实验的改进意见: 。
6.小明和小芳分别设计了探究“并联电路电流规律”的实验,他们各自设计的实验电路图及实验数据记录如下所示.(小芳和小明电路连接及记录的数据都没有错误.)
(1)从他们的实验数据可以看出并联电路干路电流与支路电流之间的关系是: 。
(2)小明根据他的实验数据断定“并联电路各支路的电流一定相等”,这是因为他选用的两个电阻大小关系是:R1 R2(选择“大于”、“小于”、“等于”)
(3)请你指出小芳、小明的实验设计各有哪些可改进之处.
初中物理中考复习 专题25 探究串并联电路电压规律的实验(原卷版): 这是一份初中物理中考复习 专题25 探究串并联电路电压规律的实验(原卷版),共6页。试卷主要包含了串联电路电压的规律,并联电路电压的规律等内容,欢迎下载使用。
初中物理中考复习 专题25 探究串并联电路电压规律的实验(解析版): 这是一份初中物理中考复习 专题25 探究串并联电路电压规律的实验(解析版),共9页。试卷主要包含了串联电路电压的规律,并联电路电压的规律等内容,欢迎下载使用。
初中物理中考复习 专题24 探究串并联电路电流规律的实验(解析版): 这是一份初中物理中考复习 专题24 探究串并联电路电流规律的实验(解析版),共9页。试卷主要包含了串联电路中各处的电流相等,22AA等内容,欢迎下载使用。

