高中物理高考 新课标2020年高考物理一轮总复习实验一研究匀变速直线运动
展开
这是一份高中物理高考 新课标2020年高考物理一轮总复习实验一研究匀变速直线运动,共13页。
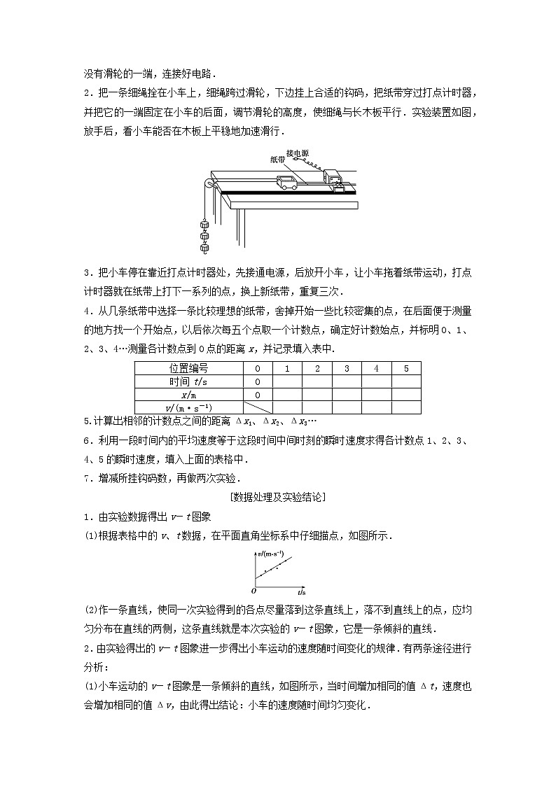
实验一 研究匀变速直线运动[实验目的] 用打点计时器探究小车速度随时间变化的规律.[实验原理]1.打点计时器作用计时仪器,每隔0.02 s打一次点工作条件电磁打点计时器:6 V以下交流电源电火花计时器:220 V交流电源纸带上点的意义①反映和纸带相连的物体的运动情况②通过研究纸带上各点之间的间隔,可以判断物体的位移2.利用纸带判断物体是否做匀变速直线运动的方法(1)沿直线运动的物体在连续时间间隔相等的不同时刻的速度分别为v1、v2、v3、v4…若v2-v1=v3-v2=v4-v3=…则说明物体在相等时间内速度的增量相等,由此说明物体在做匀变速直线运动,即a====…(2)沿直线运动的物体在连续相等时间内的位移分别为x1、x2、x3、x4…若Δx=x2-x1=x3-x2=x4-x3=…则说明物体在做匀变速直线运动,且Δx=aT2.3.速度、加速度的求解方法“平均速度法”求速度即vn=,如图所示“逐差法”求加速度即a1=,a2=,a3=,然后取平均值,即=,这样使所给数据全部得到利用,以提高准确度“图象法”求加速度即由“平均速度法”求出多个点的速度,画出v-t图象,直线的斜率即表示加速度[实验器材] 电火花计时器(或电磁打点计时器),一端附有定滑轮的长木板、小车、纸带、细绳、钩码、刻度尺、导线、电源、复写纸片.[实验步骤]1.把附有滑轮的长木板放在实验桌上,并使滑轮伸出桌面,把打点计时器固定在长木板上没有滑轮的一端,连接好电路.2.把一条细绳拴在小车上,细绳跨过滑轮,下边挂上合适的钩码,把纸带穿过打点计时器,并把它的一端固定在小车的后面,调节滑轮的高度,使细绳与长木板平行.实验装置如图,放手后,看小车能否在木板上平稳地加速滑行.3.把小车停在靠近打点计时器处,先接通电源,后放开小车,让小车拖着纸带运动,打点计时器就在纸带上打下一系列的点,换上新纸带,重复三次.4.从几条纸带中选择一条比较理想的纸带,舍掉开始一些比较密集的点,在后面便于测量的地方找一个开始点,以后依次每五个点取一个计数点,确定好计数始点,并标明0、1、2、3、4…测量各计数点到0点的距离x,并记录填入表中.位置编号012345时间t/s0 x/m0 v/(m·s-1) 5.计算出相邻的计数点之间的距离Δx1、Δx2、Δx3…6.利用一段时间内的平均速度等于这段时间中间时刻的瞬时速度求得各计数点1、2、3、4、5的瞬时速度,填入上面的表格中.7.增减所挂钩码数,再做两次实验.[数据处理及实验结论]1.由实验数据得出v-t图象(1)根据表格中的v、t数据,在平面直角坐标系中仔细描点,如图所示.(2)作一条直线,使同一次实验得到的各点尽量落到这条直线上,落不到直线上的点,应均匀分布在直线的两侧,这条直线就是本次实验的v-t图象,它是一条倾斜的直线.2.由实验得出的v-t图象进一步得出小车运动的速度随时间变化的规律.有两条途径进行分析:(1)小车运动的v-t图象是一条倾斜的直线,如图所示,当时间增加相同的值Δt,速度也会增加相同的值Δv,由此得出结论:小车的速度随时间均匀变化.(2)既然小车的v-t图象是一条倾斜的直线,那么v随t变化的函数关系式为v=kt+b,所以小车的速度随时间均匀变化.[误差分析]1.根据纸带测量的位移有误差.2.电源频率不稳定,造成相邻两点的时间间隔不完全相等.3.纸带运动时打点不稳定引起测量误差.4.用作图法,作出的v-t图象并不是一条直线.5.木板的粗糙程度并非完全相同,这样测量得到的加速度只能是所测量段的平均加速度.[注意事项]平行纸带、细绳要和长木板平行靠近释放小车前,应使小车停在靠近打点计时器的位置一先一后实验时应先接通电源,后释放小车;实验后先断开电源,后取下纸带防止碰撞在到达长木板末端前应让小车停止运动,防止钩码落地,小车与滑轮碰撞减小误差小车另一端挂的钩码个数要适当,避免速度过大而使纸带上打的点太少,或者速度太小,使纸带上打的点过于密集纸带选取选择一条点迹清晰的纸带,舍弃点迹密集部分,适当选取计数点准确作图在坐标纸上,纵、横轴选取合适的单位,仔细描点连线,不能连成折线,应作一条直线,让各点尽量落到这条直线上,落不到直线上的各点应均匀分布在直线的两侧 热点一 实验原理与操作[典例1] (2017·全国卷Ⅰ)某探究小组为了研究小车在桌面上的直线运动,用自制“滴水计时器”计量时间.实验前,将该计时器固定在小车旁,如图(a)所示.实验时,保持桌面水平,用手轻推一下小车.在小车运动过程中,滴水计时器等时间间隔地滴下小水滴,图(b)记录了桌面上连续的6个水滴的位置.(已知滴水计时器每30 s内共滴下46个小水滴)(1)由图(b)可知,小车在桌面上是 (填“从右向左”或“从左向右”)运动的.(2)该小组同学根据图(b)的数据判断出小车做匀变速运动.小车运动到图(b)中A点位置时的速度大小为 _m/s,加速度大小为 m /s2.(结果均保留2位有效数字)解析:(1)小车在阻力的作用下,做减速运动,由图(b)知,从右向左相邻水滴间的距离逐渐减小,所以小车在桌面上是从右向左运动.(2)已知滴水计时器每30 s内共滴下46个小水滴,所以相邻两水滴间的时间间隔为:Δt= s= s,所以A点位置的速度为:vA= m/s=0.19 m/s,根据逐差法可求加速度:(x4+x5)-(x2+x3)=4a(Δt)2,解得a=0.037 m/s2.答案:(1)从右向左 (2)0.19 0.0371.某同学利用打点计时器测量小车做匀变速直线运动的加速度.(1)电磁打点计时器是一种使用 (填“交流”或“直流”)电源的计时仪器,它的工作电压是4~6 V,当电源的频率为50 Hz时,它每隔 s打一次点.(2)使用打点计时器时,接通电源与让纸带随小车开始运动,这两个操作过程的操作顺序应该是( )A.先接通电源,后释放纸带B.先释放纸带,后接通电源C.释放纸带的同时接通电源D.哪个先,哪个后都可以(3)实验中该同学从打出的若干纸带中选取一条纸带,如图所示,纸带上按时间顺序取A、B、C、D四个计数点,每两个点之间还有四个点未画出,用尺子测得相邻各点间的距离为x1=3.62 cm,x2=4.75 cm,x3=5.88 cm.根据纸带数据可以判断小车在做匀加速直线运动,理由是 .(请用文字描述);在计数点C所代表的时刻,纸带运动的瞬时速度是m /s,小车的加速度是 m /s2.(以上两空小数点后保留两位数字)解析:(1)电磁打点计时器是一种使用交流电源的计时仪器,当电源频率为50 Hz时,它每隔0.02 s打一次点.(2)在使用打点计时器时,应先接通电源,待打点稳定后再释放纸带,A正确.(3)当相邻相等时间内的位移之差都相等时,小车做匀加速直线运动.vC=,T=0.1 s可求得vC=0.53 m/s由Δx=x2-x1=x3-x2=aT2可得:a=1.13 m/s2.答案:(1)交流 0.02 (2)A (3)相邻相等时间内的位移差相等 0.53 1.13热点二 数据处理与误差分析[典例2] 某同学用打点计时器研究小车的匀变速直线运动,他将打点计时器接到频率为50 Hz的交流电源上,实验时得到一条纸带如图,他在纸带上便于测量的地方选取第一个计数点,在这点下标明A,第六个点下标明B,第十一个点下标明C,第十六个点下标明D,第二十一个点下标明E.测量时发现B点已模糊不清,他只测得AC长为14.56 cm,CD长为11.15 cm,DE长为13.73 cm.(1)为了探究匀变速直线运动的规律,该同学所取的计时点个数 .(填字母序号)A.偏少 B.偏多 C.合适(2)若小车是做匀变速直线运动,由该同学所测的实验数据,请你帮他求出:打C点时小车的瞬时速度vC= m /s,小车的加速度a= m /s2,AB的距离应为 cm,打A点时小车的瞬时速度vA= m /s.(计算结果均保留三位有效数字)解析:(1)本实验根据匀变速直线运动的推论公式Δx=aT2可以求出加速度的大小,应多取一些数据,根据逐差法求出加速度,再求平均值,而该同学只取两组数据,计数点偏少,故A正确.(2)由于第1个计数点,在该点下标明A,第6个点下标明B,第11个点下标明C,第16个点下标明D,第21个点下标明E.可知相邻的计数点间的时间间隔t=0.1 s,根据匀变速直线运动中时间中点的速度等于该过程中的平均速度,得vC== m/s=0.986 m/s由于AC间的时间间隔T=0.2 s,CE间的时间间隔也为T=0.2 s,根据匀变速直线运动的推论公式Δx=aT2可以求出加速度的大小,xCE-xAC=Δx=aT2a=2.58 m/s2根据匀变速直线运动的推论公式xm-xn=(m-n)aT2,xDE-xCD=Δx=2.58 cmxCD-xAB=2Δx所以xAB=xCD-2Δx=5.99 cm根据匀变速直线运动速度时间公式得vC=vA+2at解得:vA=0.986-0.2×2.58=0.470 m/s.答案:(1)A (2)0.986 2.58 5.99 0.4702.在做“研究匀变速直线运动”的实验时,某同学得到一条用打点计时器打下的纸带,如图所示,并在其上取了A、B、C、D、E、F、G等7个计数点,每相邻两个计数点间还有4个点图中没有画出.打点计时器接频率为f=50 Hz的交流电源.(1)打下E点时纸带的速度vE= .(用给定字母表示)(2)若测得d6=65.00 cm,d3=19.00 cm,物体的加速度a= m /s2.(3)如果当时电网中交变电流的频率f>50 Hz,但当时做实验的同学并不知道,那么测得的加速度值比真实值 .(填“偏大”或“偏小”)解析:(1)每相邻两个计数点间还有4个点,图中没有画出,所以相邻的计数点之间的时间间隔为5T,利用匀变速直线运动的推论得vE==.(2)根据匀变速直线运动的推论公式Δx=aT2可得a===3.00 m/s2.(3)如果在某次实验中,交流电的频率f>50 Hz,T理>T实,根据运动学公式Δx=aT2得,a测=<a实=,偏小.答案:(1) (2)3.00 (3)偏小[反思总结]从原理迁移和数据处理技巧上进行创新1.复习启示高考实验题一般源于教材而不拘泥于教材,是在教材实验的基础上创设新情境.因此,要在夯实基础实验的基础上注意迁移创新能力的培养,善于用教材中实验的原理、方法和技巧处理新问题.2.原理演化(如图所示)3.数据处理(1)加速度的获得:靠重物的拉力获得加速度→长木板倾斜靠重力获得加速度.(2)速度的测量方法:由打点纸带求速度→测定遮光片的宽度d和遮光片通过光电门的挡光时间Δt,由v=求速度.(3)加速度的测量方法:由打点纸带利用逐差法求加速度→利用经过两个光电门的瞬时速度,由速度位移关系式求加速度.热点三 实验拓展与创新创新点一 实验器材的创新1.频闪照片法[典例3] 现用频闪照相方法来研究物块的变速运动.在一小物块沿斜面向下运动的过程中,用频闪相机拍摄的不同时刻物块的位置,如图所示.拍摄时频闪频率是10 Hz;通过斜面上固定的刻度尺读取的5个连续影像间的距离依次为x1、x2、x3、x4.已知斜面顶端的高度h和斜面的长度s.数据如下表所示.重力加速度大小g=9.80 m/s2.单位:cmx1x2x3x4hs10.7615.0519.3423.6548.0080.00根据表中数据,完成下列填空:(1)物块的加速度a= m /s2.(保留三位有效数字)(2)因为,可知斜面是粗糙的.解析:(1)频闪照相中相邻影像点的时间间隔相等,利用逐差法求物块的加速度a==4.30 m/s2.(2)若物块沿光滑斜面下滑,对其受力分析,由牛顿第二定律可得:a′=g=5.88 m/s2,由物块加速度a小于物块沿光滑斜面下滑的加速度a′,可知斜面是粗糙的.答案:(1)4.30 (2)物块加速度小于g=5.88 m/s2(或物块加速度小于物块沿光滑斜面下滑的加速度)2.光电门[典例4] (2017·全国卷Ⅱ)某同学研究在固定斜面上运动物体的平均速度、瞬时速度和加速度之间的关系.使用的器材有:斜面、滑块、长度不同的矩形挡光片、光电计时器.实验步骤如下:①如图(a),将光电门固定在斜面下端附近:将一挡光片安装在滑块上,记下挡光片前端相对于斜面的位置,令滑块从斜面上方由静止开始下滑;②当滑块上的挡光片经过光电门时,用光电计时器测得光线被挡光片遮住的时间Δt;③用Δs表示挡光片沿运动方向的长度(如图(b)所示),表示滑块在挡光片遮住光线的Δt时间内的平均速度大小,求出;④将另一挡光片换到滑块上,使滑块上的挡光片前端与①中的位置相同,令滑块由静止开始下滑,重复步骤②、③;⑤多次重复步骤④;⑥利用实验中得到的数据作出-Δt图,如图(c)所示.完成下列填空:(1)用a表示滑块下滑的加速度大小,用vA表示挡光片前端到达光电门时滑块的瞬时速度大小,则与vA、a和Δt的关系式为= .(2)由图(c)可求得vA= cm/s,a= cm/s2.(结果保留3位有效数字)解析:(1)设挡光片末端到达光电门的速度为v,则由速度时间关系可知:v=vA+aΔt,且=联立解得:=vA+aΔt;(2)由图(c)可求得vA=52.1 cm/s,a= cm/s2≈8.3 cm/s2,即a=16.6 cm/s2.答案:(1)=vA+aΔt (2)52.1 16.6创新点二 数据处理方法的创新[典例5] 利用打点计时器研究小车做变速直线运动的实验,得到如图所示的一条纸带.在带上共取了A、B、C、D、E、F、G七个计数点,相邻的两个计数点之间还有四个点未画出,从每一个计数点处将纸带剪开分成六条(分别叫a、b、c、d、e、f),将这六条纸带由短到长紧靠但不重叠地粘在xOy坐标系中,得到如图所示的直放图,最后将各纸带上端中心连起来,于是得到表示v-t关系的图象.已知打点计时器的工作频率为50 Hz,为表示v-t关系,图中x轴对应物理量是时间t,y轴对应物理量是速度v.(1)若纸条c的长度为6.0 cm,则图中t3为 s,v3是纸条c段的 速度,v3= m /s.(保留两位有效数字)(2)若测得a段纸带的长度为2.0 cm,f段纸带长度为12.0 cm,则可求出加速度的大小为 m /s2.(保留两位有效数字)解析:(1)由于每相邻两个计数点间还有4个点没有画出,所以相邻的计数点间的时间间隔T=0.1 s,则图中t3=2×0.1 s+0.05 s=0.25 s,v3是纸条c段的平均速度为:v3= m/s=0.60 m/s.(2)根据xf-xa=5aT2得:a= m/s2=2.0 m/s2.答案:(1)0.25 平均 0.60 (2)2.0创新点三 实验方法的创新[典例6] 某同学想测出银川当地的重力加速度g.为了减少误差,他设计了一个实验如下:将一根长直铝棒用细线悬挂在空中(如图甲所示),在靠近铝棒下端的一侧固定电动机M,使电动机转轴处于竖直方向,在转轴上水平固定一支特制笔N,借助转动时的现象,将墨汁甩出形成一条细线.调整笔的位置,使墨汁在棒上能清晰地留下墨线.启动电动机待转速稳定后,用火烧断悬线,让铝棒自由下落,笔在铝棒上相应位置留下墨线.图乙是实验时在铝棒上所留下的墨线,将某条合适的墨线A作为起始线,此后每隔4条墨线取一条计数墨线,分别记作B、C、D、E.将最小刻度为毫米的刻度尺的零刻度线对准A,此时B、C、D、E对应的刻度依次为14.68 cm、39.15 cm、73.41 cm、117.46 cm.已知电动机的转速为3 000 r/min.求:(1)相邻的两条计数墨线对应的时间间隔为 s.(2)由实验测得银川当地的重力加速度约为 m /s2.(结果保留三位有效数字)解析:(1)由于电动机的转速为3 000 r/min,则其频率为50 Hz,故每隔0.02 s特制笔N便在铝棒上画一条墨线,又每隔4条墨线取一条计数墨线,故相邻计数墨线间的时间是0.1 s.(2)用逐差法求铝棒的加速度即为当地的重力加速度g== m/s2=9.79 m/s2.答案:(1)0.1 (2)9.791.(2018·甘肃河西五市一模)图甲为在气垫导轨上研究匀变速直线运动的示意图,滑块上装有宽度为d(很小)的遮光条,滑块在钩码作用下先后通过两个光电门,用光电计时器记录遮光条通过光电门1的时间Δt以及遮光条从光电门1运动到光电门2的时间t,用刻度尺测出两个光电门之间的距离x.(1)用游标卡尺测量遮光条的宽度d,示数如图乙,则d= cm;(2)实验时,滑块从光电门1的右侧某处由静止释放,测得Δt=50 ms,则遮光条经过光电门1时的速度v= m /s;(3)保持其他实验条件不变,只调节光电门2的位置,滑块每次都从同一位置由静止释放,记录几组x及其对应的t,作出-t图象如图丙,其斜率为k,则滑块加速度的大小a与k关系可表达为a= .解析:(1)主尺:0.7 cm,游标尺:对齐的是5,所以读数为:5×0.1mm=0.5mm=0.05 cm,故遮光条宽度d=0.75 cm.(2)滑块经过光电门时的瞬时速度可近似认为是滑块经过光电门的平均速度.则滑块经过光电门时的速度为: v==m/s=0.15 m/s(3)据v==及v=v1+a·得-t图象的斜率k=,解得a=2k.答案:0.75 0.15 2k2.一个有一定厚度的圆盘,可以绕通过中心垂直于盘面的水平轴转动,圆盘加速转动时,角速度的增加量Δω与对应时间Δt的比值定义为角加速度β(即β=).我们用电磁打点计时器、米尺、游标卡尺、纸带、复写纸来完成下述实验:(打点计时器所接交流电的频率为50 Hz,A、B、C、D……为计数点,相邻两计数点间有四个点未画出)①如图甲所示,将打点计时器固定在桌面上,将纸带的一端穿过打点计时器的限位孔,然后固定在圆盘的侧面,当圆盘转动时,纸带可以卷在圆盘侧面上;②接通电源,打点计时器开始打点,启动控制装置使圆盘匀加速转动;③经过一段时间,停止转动和打点,取下纸带,进行测量.(1)用20分度的游标卡尺测得圆盘的直径为6.0 cm.(2)由图乙可知,打下计数点D时,圆盘转动的角速度为 rad/s.(3)圆盘转动的角加速度大小为 rad/s2.(计算结果保留三位有效数字) 解析:(2)打下计数点D时,速度为vD== m/s=0.417 m/s故ω== rad/s=13.9 rad/s.(3)纸带运动的加速度为a=== m/s2=0.705 m/s2由于β=,ω=,故角加速度为β== rad/s2=23.5 rad/s2.答案:(2)13.9 (3)23.53.(2018·黑龙江哈尔滨六中模拟)某研究性学习小组用如图所示装置来测定当地重力加速度,主要操作步骤如下:①安装实验器材,调节试管夹(小铁球)、光电门和纸杯在同一竖直线上;②打开试管夹,由静止释放小铁球,用光电计时器记录小铁球在两个光电门间的运动时间t,并用刻度尺(图上未画出)测量出两个光电门之间的高度h,计算出小铁球通过两光电门间的平均速度v;③保持光电门1的位置不变,改变光电门2的位置,重复②的操作,测出多组(h,t),计算出对应的平均速度;④画出v-t图象.请根据实验,回答如下问题:(1)设小铁球到达光电门1时的速度为v0,当地的重力加速度为g.则小铁球通过两光电门间的平均速度v的表达式为 .(用v0、g和t表示)(2)实验测得的数据如下表:请在图中画出v-t图象.实验次数123456h(cm)10.0020.0030.0040.0050.0060.00t(s)0.0690.1190.1590.1950.2260.255v(m/s)1.451.681.892.052.212.35(3)根据v-t图象,可以求得当地重力加速度g= _m/s2,小球通过光电门1时的速度为 m /s.(以上结果均保留两位有效数字)解析:(1)根据匀变速直线运动中时间中点的速度等于该过程中的平均速度得小铁球通过两光电门间平均速度v的表达式为:v=v0+gt.(2)根据数据作出v-t图象:(3)小铁球通过两光电门间平均速度v的表达式为:v=v0+gt,所以v-t图象的斜率表示g,所以当地重力加速度g=2k=9.7 m/s2,根据v-t图象得出v0=1.10 m/s,即小球通过光电门1时的速度为1.10 m/s.答案:(1)v=v0+gt (2)见解析 (3)9.7 1.10
相关试卷
这是一份高中物理高考 新课标2020年高考物理一轮总复习实验十二传感器的简单使用,共13页。
这是一份高中物理高考 新课标2020年高考物理一轮总复习实验五探究动能定理,共13页。
这是一份高中物理高考 专题(04)实验一 研究匀变速直线运动(解析版),共11页。试卷主要包含了研究匀变速直线运动,eq等内容,欢迎下载使用。

