所属成套资源:高考化学三轮复习题型精准练题型+规范练(含解析)
高考化学三轮复习题型精准练题型六化学实验基础(含解析)
展开
这是一份高考化学三轮复习题型精准练题型六化学实验基础(含解析),共7页。试卷主要包含了单项选择题,不定项选择题等内容,欢迎下载使用。
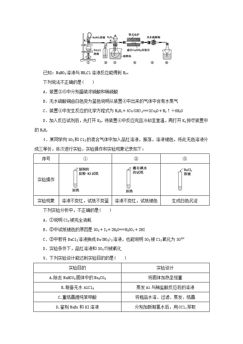
题型六 化学实验基础(建议用时:25分钟)一、单项选择题1.下列实验操作能达到实验目的的是( )选项实验目的实验操作A提纯氯气将气体依次通过装有饱和碳酸氢钠溶液、浓硫酸的洗气瓶B配制100 mL 1.0 mol·L-1 CuSO4溶液称取CuSO4·5H2O固体25.0 g,放入100 mL容量瓶中,加水溶解并稀释至刻度C制备硅酸胶体向Na2SiO3溶液(饱和溶液 1∶2 用水稀释)中加入几滴酚酞,再逐滴滴入盐酸,边加边振荡,至溶液红色变浅并接近消失D证明金属性:Fe>Cu将铜片和铁片用导线连接插入浓硝酸中,铁片表面有气泡产生2.如图所示为某同学设计的检验浓硫酸和碳反应所得气体产物的实验装置图。下列说法正确的是( )A.若按①→③→②顺序连接,可检验所有气体产物B.若装置②只保留a、b,同样可以达到实验目的C.若圆底烧瓶内炭粉过量,充分反应后恢复到25 ℃,溶液的pH≥5.6D.实验结束后,应按从下往上、从左往右的顺序拆卸装置3.实验室用N2H4(肼,又名联氨,常温下为无色油状液体,沸点为113.5 ℃,具有与氨相似的气味,有弱碱性和较强的还原性)还原Cu(OH)2制备纳米Cu2O的装置(部分加热装置已省略)如图所示:已知:NaNO2溶液与NH4Cl溶液反应能得到N2。下列说法不正确的是( )A.装置②⑥中分别盛装浓硫酸和稀硫酸B.无水硫酸铜由白色变为蓝色说明从装置④中出来的气体中含有水蒸气C.装置④中发生反应的化学方程式为N2H4+4Cu(OH)2===2Cu2O+N2↑+6H2OD.加入反应试剂后,先打开K2,待装置④中反应完且冷却至室温,再打开K1排尽装置中的N2H44.某同学向SO2和Cl2的混合气体中加入品红溶液,振荡,溶液褪色,将此无色溶液分成三等份,依次进行实验,实验操作和实验现象记录如下:序号①②③实验操作实验现象溶液不变红,试纸不变蓝溶液不变红,试纸褪色生成白色沉淀下列实验分析中,不正确的是( )A.①说明Cl2被完全消耗B.②中试纸褪色的原因是SO2+I2+2H2O===H2SO4+2HIC.③中若将BaCl2溶液换成Ba(NO3)2溶液,也能说明SO2被Cl2氧化为SOD.实验条件下,品红溶液和SO2均被氧化5.下列实验设计能达到实验目的的是( )实验目的实验设计A.除去NaHCO3固体中的Na2CO3将固体加热至恒重B.制备无水AlCl3蒸发Al与稀盐酸反应后的溶液C.重结晶提纯苯甲酸将粗品水溶、过滤、蒸发、结晶D.鉴别NaBr和KI溶液分别加新制氯水后,用CCl4萃取6.(2019·扬州高三期末测试)下列实验过程可以达到实验目的的是( )选项实验目的实验过程A探究钠能否置换出醇羟基中的氢将一小块钠放入无水乙醇中,观察是否有气泡产生B比较Ksp(Ag2CrO4)和Ksp(AgCl)的大小向浓度均为0.01 mol·L-1的KCl和K2CrO4的混合溶液中滴加AgNO3稀溶液,观察沉淀析出先后顺序C检验硝酸亚铁是否变质将硝酸亚铁样品溶于稀硫酸后,滴加KSCN溶液,观察溶液是否变红D探究浓度对反应速率的影响向2支盛有5 mL不同浓度Na2S2O3溶液的试管中同时加入5 mL 0.1 mol·L-1硫酸,记录出现浑浊的时间7.利用下列实验装置能达到实验目的的是( )A.装置①:分离CH3COOH和CH3COOC2H5混合液B.装置②:验证NH4NO3晶体溶于水的热效应C.装置③:蒸发FeCl3溶液得到FeCl3固体D.装置④:验证C、Cl、Si的非金属性强弱8.实验室利用如图装置制取无水AlCl3(178 ℃升华,遇潮湿空气即产生大量白雾),下列说法正确的是( )A.试管①中盛装二氧化锰,用于常温下制备氯气B.试管②③⑥⑦中依次盛装浓H2SO4、饱和食盐水、浓H2SO4、NaOH溶液C.滴加浓盐酸的同时点燃④处的酒精灯D.⑤用于收集AlCl3,⑥⑦可以用一个装有碱石灰的干燥管代替二、不定项选择题9.下列有关实验的说法不正确的是( )A.容量瓶、量筒和滴定管上都标有使用温度,量筒、容量瓶都无“0”刻度,滴定管有“0”刻度;使用滴定管时水洗后还需润洗,但容量瓶水洗后不用润洗B.向4 mL 0.1 mol·L-1的K2Cr2O7溶液中滴加数滴1 mol·L-1的NaOH溶液,溶液颜色从橙色变成黄色C.探究化学反应的限度:取5 mL 0.1 mol·L-1KI溶液,滴加0.1 mol·L-1 FeCl3溶液5~6滴,充分反应,可根据溶液中既含I2又含I-的实验事实判断该反应是可逆反应D.将含有少量氯化钾的硝酸钾放入烧杯中,加水溶解并加热、搅拌,当溶液表面出现一层晶膜时停止加热,冷却结晶,过滤即可得到硝酸钾晶体10.化学是一门以实验为基础的学科,下列实验操作所对应的现象以及结论都正确的是( )选项实验操作现象结论A向盛装经过硫酸处理的CrO3(暗红色)的硅胶的导管中吹入乙醇蒸气固体逐渐由暗红色变为浅绿色(Cr3+)乙醇具有还原性B取某盐的固体于大试管中,加热试管口处湿润的红色石蕊试纸不变蓝该盐中不含 NHC向无色的海带灰提取液中滴加稀硫酸酸化的双氧水,充分振荡后滴加四氯化碳,振荡后静置下层溶液呈紫红色海带灰提取液中存在I-D将SO2和Cl2的混合气体通入品红溶液中品红溶液褪色SO2和Cl2混合后漂白效果不受影响11.下列相关的实验基本操作图示正确的是( )AB称取4.0 g NaOH配制0.10 mol·L-1烧碱溶液收集干燥的氨及进行尾气处理CD用苯萃取溴水中的溴并通过分液从下口放出溴的苯溶液用0.100 mol·L-1盐酸标准溶液测定未知浓度的烧碱溶液12.某学习小组的同学根据“侯氏制碱法”的原理:(1)NH3+H2O+CO2+NaCl===NaHCO3↓+NH4Cl,(2)2NaHCO3Na2CO3+H2O+CO2↑;利用如下实验装置制备Na2CO3。下列叙述正确的是( )A.若X为稀硫酸,Y为碳酸钙,则可用装置甲制取CO2B.装置乙中会有白色沉淀析出C.将装置丙中所得滤液蒸干得不到NH4Cl固体D.用装置丁加热NaHCO3固体可制得Na2CO3参考答案与解析1.解析:选C。A.氯气通入饱和碳酸氢钠溶液中能发生反应,A错误;B.配制100 mL 1.0 mol·L-1 CuSO4溶液,不能把固体直接放在容量瓶中溶解,应该在烧杯中溶解并冷却后再转移到容量瓶中,B错误;C.Na2SiO3溶液水解显碱性,逐滴滴入盐酸,至溶液红色变浅并接近消失时,完全转化为硅酸胶体,C正确;D.将铜片和铁片用导线连接插入浓硝酸中,因为铁片发生钝化,则铁片为正极,铜片为负极,铁片表面产生气泡,但无法证明金属性强弱,D错误。2.解析:选B。浓硫酸和碳反应所得气体产物为二氧化碳、二氧化硫和水蒸气,应该先通过无水硫酸铜检验水,再通过品红溶液检验二氧化硫,然后通过酸性高锰酸钾溶液除去二氧化硫,再通过品红溶液检验二氧化硫是否除尽,最后用澄清石灰水检验二氧化碳,选项A错误。若装置②只保留a、b,只要看到酸性高锰酸钾溶液没有完全褪色就可证明二氧化硫被完全吸收,选项B正确。酸雨的pH小于5.6,而本实验中生成的二氧化硫会导致酸雨,所以溶液的pH一定小于5.6,同时随着反应的进行浓硫酸转化为稀硫酸就不再反应,所以还有剩余的稀硫酸,溶液的pH会更小,选项C错误。从下往上、从左往右是实验装置的安装顺序,拆卸顺序应该相反,选项D错误。3.解析:选D。装置①中产生的N2中含有水蒸气,应先干燥,然后通入后续反应装置赶走空气,避免空气对实验造成影响,故装置②中盛装浓硫酸干燥氮气,装置⑥中盛装稀硫酸可吸收未反应的N2H4,A正确;无水硫酸铜变蓝色说明从装置④中出来的气体中含有水蒸气,B正确;根据题意可知,Cu(OH)2做氧化剂,被还原为Cu2O,N2H4做还原剂,被氧化为N2,C正确;加入反应试剂后,应该先打开K1排出装置中的空气,待装置中的空气排尽后,关闭K1,再打开K2,待反应结束且冷却至室温后,关闭K2,再打开K1排尽装置中的N2H4,D错误。4.解析:选C。①加热后溶液不变红,湿润的淀粉KI试纸不变蓝,说明没有Cl2逸出,则Cl2被完全消耗,A项正确;加热后试纸褪色说明二氧化硫与碘发生氧化还原反应SO2+I2+2H2O===H2SO4+2HI,B项正确;酸性条件下,NO也能将SO氧化为SO,故③中若将BaCl2溶液换成 Ba(NO3)2溶液,不能说明SO2被Cl2氧化为SO,C项错误;实验条件下,品红溶液和SO2均被氧化,故加热后溶液不恢复红色,D项正确。5.解析:选D。A.加热时,碳酸氢钠分解生成碳酸钠,不能达到实验目的;B.直接蒸发Al与稀盐酸反应生成的AlCl3溶液,铝离子发生水解,最终得到的是Al(OH)3,不能达到实验目的;C.重结晶法提纯苯甲酸的方法是将粗品水溶,趁热过滤,滤液冷却结晶即可,不能达到实验目的;D.NaBr和NaI都能与氯水反应生成对应的单质,再用四氯化碳萃取,CCl4层颜色不同,能达到实验目的。6.解析:选D。将金属钠放入无水乙醇中,通过观察是否有气泡产生,可以探究钠能否置换出醇中的氢,但不能探究置换出的氢是否为羟基中的氢,A项不符合题意;AgCl、Ag2CrO4组成不同,Ksp(AgCl)=c(Ag+)·c(Cl-)、Ksp(Ag2CrO4)=c2(Ag+)·c(CrO),不能根据析出沉淀的先后顺序直接判断Ksp大小,B项不符合题意;将硝酸亚铁样品溶于稀硫酸,由于酸性条件下NO能将Fe2+氧化为Fe3+,故不能检验硝酸亚铁是否变质,C项不符合题意;Na2S2O3和稀硫酸反应,保持其他条件相同,只改变Na2S2O3的浓度,可以通过测定出现浑浊的时间来探究浓度对反应速率的影响,D项符合题意。7.解析:选B。乙酸和乙酸乙酯互溶,不能用分液法分离,A项不符合题意;硝酸铵晶体溶于水吸热,温度降低,使具支试管中压强减小,U形管中红墨水左高右低,可以验证硝酸铵晶体溶于水的热效应,B项符合题意;蒸发FeCl3溶液可促使FeCl3水解生成的HCl挥发,从而使FeCl3的水解平衡正向移动,最后得不到FeCl3固体,C项不符合题意;最高价氧化物对应水化物的酸性越强,元素非金属性越强,HCl不是Cl的最高价含氧酸,D项不符合题意。8.解析:选D。MnO2与浓盐酸在常温下不反应,A项错误;试管②③⑥⑦中应依次盛装饱和食盐水(除HCl)、浓H2SO4(除水蒸气)、浓H2SO4(防止水蒸气进入⑤中)、NaOH溶液(尾气处理),B项错误;加热时,Al粉会被空气中的氧气氧化,故应先滴加浓盐酸,利用产生的Cl2将装置中的空气排出,再点燃④处的酒精灯,C项错误;⑤用于收集AlCl3,⑥⑦的作用分别是防止水蒸气进入⑤中、吸收尾气Cl2,故⑥⑦可用一个装有碱石灰的干燥管代替,D项正确。9.解析:选C。滴定管水洗后还需润洗,以避免待装溶液被稀释,A项正确;Cr2O(橙色)+H2O2CrO(黄色)+2H+,向4 mL重铬酸钾溶液中滴加几滴NaOH溶液,平衡向右移动,溶液由橙色变成黄色,B项正确;KI过量,因此不管该反应是否为可逆反应,反应后溶液中均有I2和I-,故不能据此判断该反应是可逆反应,C项错误;硝酸钾的溶解度随温度升高变化较大,而氯化钾的溶解度随温度升高变化不大,因此将含有少量氯化钾的硝酸钾溶液蒸发至出现晶膜时降低温度,KNO3大量析出,而氯化钾留在溶液中,过滤即可得到KNO3晶体,D项正确。10.解析:选AC。此反应体现了乙醇的还原性,A正确;铵盐直接加热不一定都能放出氨,B错误;酸性条件下,I-被H2O2氧化生成I2,I2易溶于四氯化碳且在四氯化碳中显紫红色,C正确;两气体混合后通入品红溶液中会发生反应:SO2+Cl2+2H2O===SO+2Cl-+4H+,若SO2或Cl2剩余,仍然会使品红溶液褪色,但由于发生上述反应,漂白效果会减弱,D错误。11.解析:选B。称量氢氧化钠固体应该在烧杯中,A错误;氨可以用碱石灰干燥,收集氨时导气管需要短进长出,处理尾气时需要防倒吸,B正确;苯的密度小于水,溴的苯溶液需要从分液漏斗上口倒出,C错误;盐酸标准溶液应该盛装在酸式滴定管中,D错误。12.解析:选BC。因为硫酸与碳酸钙反应生成硫酸钙,硫酸钙微溶于水,覆盖在碳酸钙表面,阻止碳酸钙与硫酸进一步反应,A项错误;由于氯化钠溶液饱和,生成的碳酸氢钠溶解度小于氯化钠,因此碳酸氢钠以沉淀形式析出,B项正确;NH4Cl受热分解生成NH3和HCl,所以将装置丙中所得滤液蒸干得不到氯化铵固体,C项正确;加热碳酸氢钠固体时,试管口应略向下倾斜,防止碳酸氢钠分解生成的水冷凝倒流使试管炸裂,D项错误。
相关试卷
这是一份高考化学三轮复习题型精准练题型一化学与STSE传统文化(含解析),共7页。试卷主要包含了单项选择题,不定项选择题等内容,欢迎下载使用。
这是一份高考化学三轮复习题型精准练题型四离子反应的应用(含解析),共7页。试卷主要包含了单项选择题,不定项选择题等内容,欢迎下载使用。
这是一份高考化学三轮复习题型精准练题型十一图像的组合判断(含解析),共8页。试卷主要包含了单项选择题,不定项选择题等内容,欢迎下载使用。

