2022年高考化学一轮复习讲义第1章第2讲 物质的分离和提纯 (含解析)
展开第2讲 物质的分离和提纯
复习目标 1.掌握常见物质分离和提纯的方法。2.能综合运用物质的不同性质对常见的物质进行分离和提纯。
考点一 分离、提纯的常用物理方法及装置
1.物质分离、提纯的区别
(1)物质的分离
将混合物的各组分分离开来,获得几种纯净物的过程。
(2)物质的提纯
将混合物中的杂质除去而得到纯净物的过程,又叫物质的净化或除杂。
2.依据物理性质选择分离、提纯的方法
(1)“固+固”混合物的分离(提纯)
(2)“固+液”混合物的分离(提纯)
(3)“液+液”混合物的分离(提纯)
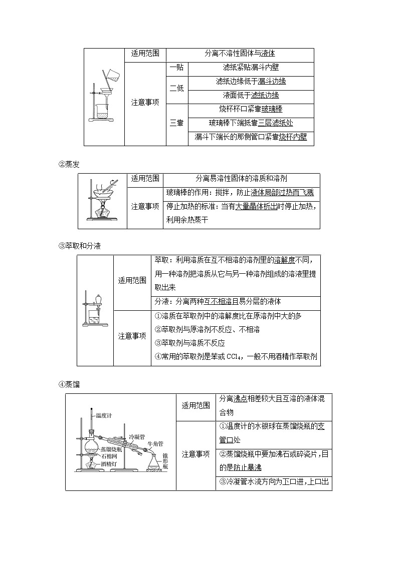
3.物理法分离、提纯物质所选装置
(1)常用装置
①过滤
适用范围
分离不溶性固体与液体
注意事项
一贴
滤纸紧贴漏斗内壁
二低
滤纸边缘低于漏斗边缘
液面低于滤纸边缘
三靠
烧杯杯口紧靠玻璃棒
玻璃棒下端抵靠三层滤纸处
漏斗下端长的那侧管口紧靠烧杯内壁
②蒸发
适用范围
分离易溶性固体的溶质和溶剂
注意事项
玻璃棒的作用:搅拌,防止液体局部过热而飞溅
停止加热的标准:当有大量晶体析出时停止加热,利用余热蒸干
③萃取和分液
适用范围
萃取:利用溶质在互不相溶的溶剂里的溶解度不同,用一种溶剂把溶质从它与另一种溶剂组成的溶液里提取出来
分液:分离两种互不相溶且易分层的液体
注意事项
①溶质在萃取剂中的溶解度比在原溶剂中大的多
②萃取剂与原溶剂不反应、不相溶
③萃取剂与溶质不反应
④常用的萃取剂是苯或CCl4,一般不用酒精作萃取剂
④蒸馏
适用范围
分离沸点相差较大且互溶的液体混合物
注意事项
①温度计的水银球在蒸馏烧瓶的支管口处
②蒸馏烧瓶中要加沸石或碎瓷片,目的是防止暴沸
③冷凝管水流方向为下口进,上口出
⑤升华
适用范围
对于某种组分易升华的混合物,利用物质易升华的性质在加热条件下将其分离
注意事项
如NaCl固体中的I2可用该方法,但NH4Cl固体中的I2不能用升华的方法分离
(2)创新装置
①过滤装置的创新——抽滤
由于水流的作用,使装置a、b中气体的压强减小,故使过滤速率加快
②蒸馏装置的创新
由于冷凝管竖立,使液体混合物能冷凝回流,若以此容器作反应容器,可使反应物能循环利用,提高了反应物的转化率
(1)过滤时,为加快过滤速度,应用玻璃棒不断搅拌漏斗中液体(×)
错因:不能搅拌,以防弄破滤纸。
(2)根据食用油和汽油的密度不同,可选用分液的方法分离(×)
错因:食用油和汽油是混溶的。
(3)用乙醇萃取出溴水中的溴,再用蒸馏的方法分离溴与乙醇(×)
错因:乙醇和水是混溶的。
(4)在蒸馏过程中,若发现忘加沸石,应停止加热立即补加(×)
错因:应冷却到室温再加沸石。
(5)利用加热的方法分离NH4Cl和I2的固体混合物(×)
错因:加热NH4Cl分解生成NH3和HCl,遇冷再重新生成NH4Cl。
(1)从含有少量KNO3杂质的氯化钠溶液中分离出氯化钠固体的操作:________________、洗涤、干燥。
(2)从MgSO4溶液中得到MgSO4固体的实验操作包括________、冷却结晶、________、洗涤、干燥等一系列操作,在此过程中玻璃棒的作用是________(填序号)。
①引流 ②搅拌加速溶解 ③搅拌使溶液受热均匀,防止暴沸
(3)若滤液浑浊,需____________________。浑浊的原因可能是________________________。
(4)硫酸铝和硫酸铵的混合液经蒸发浓缩至溶液表面刚出现薄层晶体时即停止加热,然后冷却结晶,得到铵明矾晶体[NH4Al(SO4)2·12H2O]。溶液不能蒸干的原因是__________________。
(5)分液时,分液漏斗中的液体很难滴下,可能的原因是______________________________。
答案 (1)加热溶液至有大量晶体析出时,趁热过滤
(2)蒸发浓缩 过滤 ①③
(3)更换滤纸,重新过滤 滤纸破损、滤液超过滤纸边缘
(4)防止晶体失去结晶水,也防止可溶性杂质析出
(5)没有打开分液漏斗颈上的玻璃塞(或玻璃塞上的凹槽没有与漏斗上的小孔对齐)
题组一 古文中的物质分离、提纯技术
1.《开宝本草》中记载了如何提取硝酸钾:“此即地霜也,所在山泽,冬月地上有霜,扫取以水淋汁后,乃煎炼而成”。文中对硝酸钾提取没有涉及的操作方法是( )
A.溶解 B.蒸发 C.结晶 D.升华
答案 D
解析 扫取以水淋汁后,乃煎炼而成,水淋为溶解过程,煎炼为蒸发、结晶过程,没有涉及升华,升华为固体直接变为气体的过程。
2.(2020·成都模拟)我国明代《本草纲目》中收载药物1 892种,其中“烧酒”条目下写道:“自元时始创其法,用浓酒和糟入甑,蒸令气上……其清如水,味极浓烈,盖酒露也。”这里所用的“法”是指( )
A.萃取 B.渗析
C.蒸馏 D.干馏
答案 C
解析 从浓酒中分离出乙醇,利用酒精与水的沸点不同,用蒸馏的方法将其分离、提纯,这种方法是蒸馏。
题组二 物质分离、提纯装置的判断
3.下列实验操作正确且能达到对应实验目的的是( )
答案 C
解析 碘单质易溶于四氯化碳,应采用蒸馏操作分离二者,A项错误;乙醇和水能形成共沸混合物,所以直接蒸馏75%的酒精溶液不能制备无水酒精,可在75%的酒精溶液中加入生石灰,再蒸馏得无水酒精,B项错误;乙烷不和溴水反应,乙烯与溴水反应生成1,2二溴乙烷,C项正确;提纯乙酸乙酯可用饱和碳酸钠溶液处理后再分液,不能用蒸发操作,D项错误。
4.下列实验中,所选装置不合理的是( )
A.分离Na2CO3溶液和CH3COOC2H5,选④
B.用CCl4提取碘水中的碘,选③
C.用FeCl2溶液吸收Cl2,选⑤
D.粗盐提纯,选①和②
答案 A
解析 CH3COOCH2CH3难溶于Na2CO3溶液,二者会分层,可以用分液法分离,选择③,A错误;用CCl4萃取碘水中的碘,选择③,B正确;⑤可以用作洗气瓶,故可用作FeCl2溶液吸收Cl2的装置,C正确;粗盐提纯需要过滤、蒸发结晶,选择①和②,D正确。
考点二 分离、提纯化学方法的选择
1.物质分离、提纯的常用化学方法
方法
原理
实例
加热法
当混合物中混有热稳定性差的物质时,可直接加热,使热稳定性差的物质受热分解而分离出
如NaCl中混有NH4Cl,Na2CO3中混有NaHCO3等均可直接加热除去杂质
沉淀法
在混合物中加入某种试剂,使其中一种以沉淀的形式分离出去的方法。使用该方法一定要注意不能引入新的杂质
如加适量的BaCl2溶液可除去NaCl中混有的Na2SO4
氧化还原反应法
如果混合物中混有氧化性杂质,可以加入适当的还原剂使其还原为被提纯物质
如将过量的铁粉加入混有FeCl3的FeCl2溶液中,以除去FeCl3杂质
电解法
利用电解原理来分离、提纯物质
如电解精炼铜
调节pH法
通过加入试剂来调节溶液的pH,使溶液中某组分沉淀而分离的方法,一般是加入相应的难溶或微溶物来调节
如CuCl2溶液中含有FeCl3杂质,可向溶液中加入CuO除去
2.除杂“四原则”
(1)不增,不得引入新杂质;
(2)不减,尽量不减少被提纯和分离的物质;
(3)易分,应使被提纯或分离的物质与其他物质易分离;
(4)易复原,被提纯物质转化后要易被复原。
3.除杂操作“四注意”
(1)除杂试剂要过量;
(2)过量试剂需除去;
(3)选择的途径要最佳;
(4)除去多种杂质时要考虑加入试剂的先后顺序。
(1)图1:用Ca(OH)2溶液吸收Cl2(×)
错因:Ca(OH)2微溶于水,吸收Cl2效果差。
(2)图2:除去CO气体中的CO2气体(×)
错因:应从长管进气。
(3)图3:除去CO2气体中的SO2(×)
错因:应选用饱和NaHCO3溶液,因为Na2CO3也和CO2反应。
(4)图4:干燥、收集氨气,并吸收多余的氨气(×)
错因:不能用CaCl2干燥NH3(生成CaCl2·8NH3),应选用碱石灰。
(5)图5:除去SO2中的少量HCl(√)
1.常见气体的除杂方法
气体(括号内为杂质)
除杂试剂
化学方程式或原理
Cl2(HCl)
饱和NaCl溶液
HCl极易溶于水,Cl2在饱和NaCl溶液中的溶解度小
CO2(HCl)
饱和NaHCO3溶液
HCl+NaHCO3===NaCl+H2O+CO2↑
CO2(SO2)
饱和NaHCO3溶液
SO2+2NaHCO3===Na2SO3+H2O+2CO2
CO2(CO)
灼热CuO
CO+CuOCu+CO2
CO(CO2)
NaOH浓溶液
CO2+2NaOH===Na2CO3+H2O
N2(O2)
灼热铜网
O2+2Cu2CuO
CH4
(CH2==CH2)
溴水
CH2==CH2+Br2―→
2.常见固体或溶液的除杂方法
物质(括号内为杂质)
除杂试剂或方法
化学方程式或原理
Na2CO3固体(NaHCO3)
加热
2NaHCO3Na2CO3+H2O+CO2↑
FeCl3溶液(FeCl2)
通Cl2
2FeCl2+Cl2===2FeCl3
NaHCO3溶液(Na2CO3)
通CO2
CO2+Na2CO3+H2O===2NaHCO3
Cu(NO3)2溶液(AgNO3)
加过量铜粉,过滤
Cu+2AgNO3===Cu(NO3)2+2Ag
I2(SiO2)
加热
I2升华、冷却、凝华,得I2
Fe2O3(Al2O3)
加过量NaOH溶液,过滤
Al2O3+2NaOH===2NaAlO2+H2O
NH4Cl溶液(FeCl3)
加适量氨水,过滤
FeCl3+3NH3·H2O===Fe(OH)3↓+3NH4Cl
KNO3固体(NaCl)
热水溶解,降温结晶
根据二者的溶解度随温度的变化不同
C(CuO)
加过量稀盐酸,过滤
CuO+2HCl===CuCl2+H2O
CuS(FeS)
加过量稀盐酸,过滤
FeS+2HCl===FeCl2+H2S↑
镁粉(铝粉)
加过量NaOH溶液,过滤
2Al+2NaOH+2H2O===2NaAlO2+3H2↑
题组一 实验室除杂方案的设计与评价
1.下列实验中,所采取的分离方法与对应原理都正确的是( )
选项
目的
分离方法
原理
A
分离溶于水中的碘
乙醇萃取
碘在乙醇中的溶解度较大
B
分离乙酸乙酯和乙醇
分液
乙酸乙酯和乙醇的密度不同
C
除去KNO3固体中混有的NaCl
重结晶
NaCl在水中的溶解度很大
D
除去丁醇中的乙醚
蒸馏
丁醇与乙醚的沸点相差较大
答案 D
解析 从化学实验的基本原理、化合物的性质、物质分离与提纯的基本方法角度分析解决问题。A项,萃取剂的选择必须是与原溶剂互不相溶,且被萃取物质在萃取剂中的溶解度较大。I2虽在乙醇中的溶解度较大,但水与乙醇能以任意比互溶,乙醇不能作萃取剂;B项,乙醇与乙酸乙酯均属于有机物,它们相溶,不能采取分液的方式分离;C项,除去KNO3固体中的NaCl,可以采取重结晶法,原理是KNO3溶解度随温度变化较大,NaCl溶解度随温度变化不大,可通过冷却热饱和溶液法析出KNO3晶体,而NaCl留在母液中被除去;D项,丁醇与乙醚互溶,但沸点相差较大,可以采用蒸馏的方法将乙醚蒸出,使丁醇与乙醚分开。
2.某硝酸钠固体中混有少量硫酸铵和碳酸氢钠杂质,现设计一实验方案,既除去杂质,又配成硝酸钠溶液。实验方案:先将固体溶于蒸馏水配成溶液,选择合适的试剂和操作完成表格中各步实验。
选择试剂
①
Na2CO3溶液
④
实验操作
②
③
加热
下列试剂或操作不合理的是( )
A.试剂①为Ba(OH)2溶液
B.操作②为结晶
C.操作③为过滤
D.试剂④为稀HNO3
答案 B
解析 根据题意,选择Ba(OH)2溶液除去SO、NH和HCO,NH3·H2O通过加热除去,操作②为加热。过量的Ba2+用Na2CO3溶液除去,过量的OH-和CO用硝酸除去,则操作③为过滤,试剂④为稀HNO3。
题组二 物质分离、提纯技术在工业生产中的应用
3.通过海水晾晒可以得到粗盐,粗盐除含有NaCl外,还含有MgCl2、CaCl2、Na2SO4以及泥沙等杂质。以下是某兴趣小组制备精盐的实验方案,各步操作流程如图。下列说法正确的是( )
A.实验过程中步骤①⑤的操作分别是溶解、过滤
B.实验过程中步骤④的目的仅是除去溶液中的Ca2+
C.实验过程中步骤⑦中的蒸发所用到的仪器是酒精灯、玻璃棒、烧杯、铁架台(带铁圈)
D.实验过程中步骤②④互换,对实验结果无影响
答案 A
解析 由实验流程可知,①为粗盐溶解,②中硫酸根离子用钡离子转化为沉淀,③中镁离子用氢氧根离子沉淀,④中钙离子及过量钡离子用碳酸根离子沉淀,⑤为过滤,过滤分离出所有的沉淀,滤液含NaCl、NaOH、Na2CO3,⑥中用盐酸处理溶液中的碳酸根离子和氢氧根离子,⑦为蒸发、结晶、烘干,得到精盐。
4.(2020·广州教学质量检测)超临界状态下的CO2流体溶解性与有机溶剂相似,可提取中药材的有效成分,工艺流程如下。
下列说法中错误的是( )
A.浸泡时加入乙醇有利于中草药有效成分的浸出
B.高温条件下更有利于超临界CO2流体萃取
C.升温、减压的目的是实现CO2与产品分离
D.超临界CO2流体萃取中药材具有无溶剂残留、绿色环保等优点
答案 B
解析 高温条件下,二氧化碳为气态,而萃取是利用超临界状态下的CO2流体,故高温条件下不利于超临界CO2流体萃取,B项错误。
5.按以下实验方案可从海洋物质样品中提取具有抗肿瘤活性的天然产物。
则(1)、(2)、(3)、(4)的分离提纯方法依次为________、________、________、________。
答案 过滤 分液 蒸发结晶 蒸馏
分离、提纯题的答题步骤
第一步:确定被提纯物质与除杂对象
对比两者物理性质、化学性质的差异,利用差异性(溶解度差异、密度差异、熔沸点差异、与某些物质反应的差异性等),选择合适的分离原理或除杂试剂;除杂试剂除去杂质的同时,不消耗被提纯物质,不引入新的杂质。
第二步:选择合适的分离或除杂装置
根据分离原理选择合适的分离装置(过滤、分液、蒸馏等);根据除杂试剂的状态及反应条件,选择合适的装置,液体试剂一般选洗气瓶,固体试剂一般用干燥管或U形管。
第三步:综合分析,筛选答案
综合分析物质分离是否完全,被提纯物质中的杂质是否被除去。
在高考综合实验题中,沉淀物的洗涤是命题热点,主要关注以下几个问题:
1.洗涤沉淀的目的
(1)若滤渣是所需的物质,洗涤的目的是除去晶体表面的可溶性杂质,得到更纯净的沉淀物。
(2)若滤液是所需的物质,洗涤的目的是洗涤过滤所得到的滤渣,把有用的物质如目标产物尽可能洗出来。
2.常用洗涤剂
(1)蒸馏水:主要适用于除去沉淀吸附的可溶性杂质。
(2)冷水:除去沉淀中的可溶性杂质,降低沉淀在水中的溶解度而减少沉淀损失。
(3)沉淀的饱和溶液:减小沉淀的溶解。
(4)有机溶剂(酒精、丙酮等):适用于易溶于水的固体,既减少了固体溶解,又利用有机溶剂的挥发性,除去固体表面的水分,产品易干燥。
3.沉淀洗涤的答题规范
答题模板:
注洗涤液(沿玻璃棒向漏斗中注入洗涤液)
↓
标准(使洗涤液完全浸没沉淀或晶体)
↓
重复(待洗涤液流尽后,重复操作2~3次)
4.沉淀是否洗净的答题规范
答题模板:
取样(取少量最后一次洗涤液于一洁净的试管中)
↓
加试剂[加入××试剂(必要时加热,如检验NH)]
↓
现象(不产生××沉淀、溶液不变××色或不产生××气体)
↓
结论(说明沉淀已经洗涤干净)
1.(2019·山东省实验中学期中)硫酸亚铁是一种重要的食品和饲料添加剂。实验室通过如下实验由废铁屑制备FeSO4·7H2O晶体:
①将5%的Na2CO3溶液加入盛有一定量废铁屑的烧杯中,加热数分钟,用倾析法除去Na2CO3溶液,然后将废铁屑用水洗涤2~3次;
②向洗涤过的废铁屑中加入过量的稀硫酸,控制温度在50~80 ℃之间至铁屑耗尽;
③________,将滤液转入密闭容器中,静置、冷却结晶;
④待结晶完毕后,滤出晶体,用少量冰水洗涤2~3次,再用滤纸将晶体吸干;
⑤将制得的FeSO4·7H2O晶体放在一个小广口瓶中,密封保存。
请回答下列问题:
(1)实验步骤①的目的是________________________________________________________。
(2)写出实验步骤②中的化学方程式:_____________________________________________。
(3)补全实验步骤③的操作名称:_________________________________________________。
(4)实验步骤④中用少量冰水洗涤晶体,其目的是___________________________________。
(5)乙同学认为甲的实验方案中存在明显的不合理之处,乙同学判断的理由是___________
_____________________________________________________________________________。
答案 (1)去除油污(或利用碳酸钠水解呈碱性的性质除去铁屑表面油污)
(2)Fe+H2SO4FeSO4+H2↑
(3)趁热过滤
(4)洗去杂质,降低洗涤过程中FeSO4·7H2O的损耗
(5)过量硫酸使铁粉耗尽,不能防止Fe2+被氧化
2.以废旧铅蓄电池的含铅废料(主要含Pb、PbO、PbO2、PbSO4)和稀H2SO4为原料制备高纯PbO,实现铅的再生利用,其主要流程如图1:
已知:在Fe2+催化下,Pb和PbO2反应:Pb+PbO2+2H2SO4===2PbSO4+2H2O。
(1)酸溶过程中加热的目的是__________。
(2)检验滤液A中是否含有Fe2+,可选用________(填字母)。
a.KSCN溶液 b.氯水 c.酸性KMnO4溶液
(3)脱硫时主要反应为:PbSO4+2OH-===PbO+SO+H2O,则滤液B中的主要溶质是______。
(4)冷却过滤后对所得的固体进行洗涤的操作________________________________________。
(5)PbO溶解在NaOH溶液中,存在平衡:PbO(s)+NaOH(aq)NaHPbO2(aq),其溶解度曲线如图2所示,结合上述溶解度曲线,简述由粗品PbO得到高纯PbO的操作:____________。
答案 (1)加快酸溶速率 (2)c (3)Na2SO4
(4)沿玻璃棒向过滤器(漏斗)中加入蒸馏水至浸没沉淀,待水慢慢流出,重复2~3次
(5)将粗PbO溶解在一定量35% NaOH溶液中,加热至110 ℃,充分溶解后,趁热过滤,冷却结晶,过滤、洗涤并干燥得到高纯PbO固体
解析 (3)脱硫时的化学方程式为:PbSO4(s)+2NaOH===PbO(s)+Na2SO4+H2O,因而主要溶质是Na2SO4。
(5)根据PbO的溶解度曲线,提纯粗PbO的方法为将粗PbO溶解在NaOH溶液中,结合溶解度曲线特点可知浓度高的NaOH溶液和较高的温度,PbO的溶解度高,因此加热至较高温度,充分溶解,然后高温下趁热过滤除去杂质,冷却后PbO又析出结晶,再次过滤可得到PbO固体。
1.(2020·全国卷Ⅰ,9)下列气体去除杂质的方法中,不能实现目的的是( )
气体(杂质)
方法
A
SO2(H2S)
通过酸性高锰酸钾溶液
B
Cl2(HCl)
通过饱和的食盐水
C
N2(O2)
通过灼热的铜丝网
D
NO(NO2)
通过氢氧化钠溶液
答案 A
解析 酸性高锰酸钾溶液不仅能与H2S反应,而且也能与SO2反应,A项不能实现目的。
2.(2017·全国卷Ⅰ,8)《本草衍义》中对精制砒霜过程有如下叙述:“取砒之法,将生砒就置火上,以器覆之,令砒烟上飞着覆器,遂凝结,累然下垂如乳,尖长者为胜,平短者次之。”文中涉及的操作方法是( )
A.蒸馏 B.升华 C.干馏 D.萃取
答案 B
解析 “令砒烟上飞着覆器”“凝结”说明该操作为升华。
3.(2019·上海等级考,14)下列物质分离(括号内的物质为杂质)的方法错误的是( )
A.硝基苯(苯)——蒸馏
B.乙烯(SO2)——氢氧化钠溶液
C.己烷(己烯)——溴水,分液
D.乙酸乙酯(乙醇)——碳酸钠溶液,分液
答案 C
解析 硝基苯和苯是沸点不同的互溶液体,应该用蒸馏法分离,A正确;乙烯不与氢氧化钠反应且不溶于水,二氧化硫是酸性氧化物可以被氢氧化钠溶液吸收,可以实现两种气体分离,B正确;己烷和己烯为互溶液体,己烷不与溴水反应,但可以萃取溴水中的溴,己烯可以与溴水发生加成反应生成二溴代物,属于有机物,仍然可以溶于己烷,因此不能用分液法分离,C错误;乙酸乙酯难溶于碳酸钠溶液,乙醇易溶于水,液体分层通过分液进行分离,D正确。
4.下列有关物质的分离、提纯叙述正确的是________(填序号)。
①除去Cu粉中混有CuO的实验操作是加入稀硝酸溶解、过滤、洗涤、干燥
(2016·全国卷Ⅱ,13C)
②将Cl2与HCl的混合气体通过饱和食盐水可得到纯净的Cl2(2016·全国卷Ⅰ,10D)
③用CCl4萃取碘水中的I2的实验操作是先从分液漏斗下口放出有机层,后从上口倒出水层
(2016·全国卷Ⅲ,9D)
④过滤操作中,漏斗的尖端应接触烧杯内壁(2016·海南,8A)
⑤用下图除去粗盐溶液的不溶物(2014·新课标全国卷Ⅱ,10A)
⑥除去乙酸乙酯中的少量乙酸,加入饱和碳酸钠溶液洗涤、分液(2019·全国卷Ⅲ,12C)
答案 ③④⑥
1.某实验室仅有如下仪器或用具:烧杯、铁架台、铁圈、三脚架、分液漏斗、石棉网、酒精灯、玻璃棒、量筒、蒸发皿、圆底烧瓶、火柴。从缺乏仪器的角度看,不能进行的实验项目是( )
A.蒸发 B.萃取
C.液体过滤 D.升华
答案 C
解析 蒸发液体,需使用蒸发皿、酒精灯、火柴、玻璃棒、铁架台、铁圈或三脚架,所给仪器充分。萃取需使用分液漏斗、烧杯、铁架台、铁圈,所给仪器充分。升华需使用酒精灯、火柴、烧杯、圆底烧瓶、铁架台、铁圈,所给仪器充分。液体过滤则因缺少漏斗无法实现,故C符合题意。
2.海带、紫菜等藻类植物中含有丰富的碘元素。下图是以海带为原料提取碘单质的部分装置,不能达到实验目的的是( )
A.用装置甲灼烧碎海带
B.用装置乙过滤海带灰的浸泡液
C.用装置丙萃取分离混合液中的I2
D.用装置丁分离提纯I2
答案 A
解析 灼烧碎海带应在坩埚中加热灼烧成灰,A符合题意;用过滤的方法分离海带灰和溶液,则用装置乙过滤海带灰的浸泡液,B与题意不符;用萃取的方法,富集单质碘,则用装置丙萃取分离混合液中的I2,C与题意不符;碘和四氯化碳的沸点不同,则用装置丁分离提纯I2,D与题意不符。
3.下列装置所示的分离提纯方法和物质的溶解性无关的是( )
答案 A
解析 蒸馏与物质的沸点有关,与物质的溶解性无关,A正确;洗气与气体的溶解性有关,B错误;晶体的析出与物质的溶解性有关,C错误;萃取与物质的溶解性有关,D错误。
4.下列除去杂质(括号中的物质为杂质)的方法中,不正确的是( )
A.FeCl3溶液(FeCl2):通入适量Cl2
B.Fe2O3固体(Al2O3):加入烧碱溶液,过滤
C.CO2气体(HCl):通过Na2CO3溶液洗气后干燥
D.Na2CO3固体(NaHCO3):加热
答案 C
解析 氯气和氯化亚铁反应生成氯化铁,可用于除杂,故A正确;氧化铝为两性氧化物,可与氢氧化钠溶液反应,可用于除杂,故B正确;二者都与碳酸钠溶液反应,应用碳酸氢钠溶液除杂,故C错误;碳酸氢钠在加热条件下分解生成碳酸钠,可用加热的方法除杂,故D正确。
5.为提纯下列物质(括号中为杂质),所选除杂试剂和分离方法都正确的是( )
选项
被提纯的物质(杂质)
除杂试剂
分离方法
A
NH3(H2O)
浓硫酸
洗气
B
H2O(Br2)
CCl4
萃取分液
C
KCl固体(I2)
KOH溶液
加热
D
氯化镁溶液(氯化亚铁)
氢氧化钠溶液
过滤
答案 B
解析 将混有少量水蒸气的氨气通过足量浓硫酸时,浓硫酸不但吸收了混合气体中的水,还与氨气反应生成硫酸铵,A错误;溴在四氯化碳中的溶解度大于在水中的溶解度,四氯化碳和水不互溶,且四氯化碳和Br2不反应,B正确;无法从KCl中除去KOH与I2反应生成的KI等物质,引入了新的杂质,C错误;氯化镁溶液中含有氯化亚铁,加入氢氧化钠溶液,可以与两种物质反应,也除去了氯化镁,不能达到除去杂质的目的,D错误。
6.下列实验中,所采取的分离方法与对应原理都正确的是( )
选项
目的
分离方法
原理
A
分离氢氧化铁胶体与FeCl3溶液
过滤
胶体粒子不能通过滤纸
B
用乙醇提取碘水中的碘
萃取
碘在乙醇中的溶解度较大
C
用MgCl2溶液制备无水MgCl2固体
蒸发
MgCl2受热不分解
D
除去丁醇中的乙醚
蒸馏
丁醇与乙醚的沸点相差较大
答案 D
解析 胶体粒子可以通过滤纸,但不能通过半透膜,故A项错误;乙醇与水互溶,致使碘、水、乙醇三者混溶,不能用乙醇萃取的方法进行分离,故B项错误;用MgCl2溶液制备无水MgCl2固体,要先升温蒸发,然后降温结晶获得六水合氯化镁,然后在干燥氯化氢气流中加热得到MgCl2,故C项错误;丁醇和乙醚的沸点相差较大,可以用蒸馏的方法分离,故D项正确。
7.除去粗盐中的杂质MgCl2、CaCl2和Na2SO4,过程如下:
粗盐―→
下列有关说法中,不正确的是( )
A.试剂①②③分别是NaOH、Na2CO3、BaCl2
B.除去Ca2+的主要反应:Ca2++CO===CaCO3↓
C.检验SO是否除净的方法:取适量滤液,加稀盐酸酸化,再加BaCl2溶液
D.加稀盐酸调节pH后,采用蒸发结晶的方法得到NaCl固体
答案 A
解析 由实验流程可知,粗盐溶解后,先加NaOH除去MgCl2,再加BaCl2除去Na2SO4,然后加Na2CO3除去CaCl2及过量的BaCl2,且Na2CO3一定在BaCl2之后加入,过滤后,滤液中加盐酸,最后蒸发结晶得到NaCl固体。
8.碘单质的制备流程如图,下列说法不正确的是( )
A.“煮沸”操作有利于I-的充分溶解
B.灼烧时用到的硅酸盐仪器为玻璃棒、蒸发皿、酒精灯
C.氧化的步骤中发生的氧化还原反应:2I-+H2O2+2H+===I2+2H2O
D.萃取分液中分液漏斗中萃取液的处理:下层液体从下口放出,上层液体从上口倒出
答案 B
解析 由题给流程图可知,5 g海带用酒精润湿后,灼烧得到海带灰,将海带灰溶于蒸馏水,煮沸充分溶解,过滤得到含碘离子的溶液,向含碘离子的溶液中加入稀硫酸酸化的双氧水溶液,双氧水在酸性条件下与碘离子发生氧化还原反应生成碘单质,得到含碘单质的溶液,然后向含碘单质的溶液加入四氯化碳萃取,分液得到含单质碘的四氯化碳溶液,最后加热蒸馏得到单质碘。“煮沸”操作能使海带灰中的I-充分溶解,故A正确;固体灼烧时应在坩埚中进行,故B错误;氧化步骤中,双氧水在酸性条件下与碘离子发生氧化还原反应生成碘单质,得到含碘单质的溶液,反应的化学方程式为2I-+H2O2+2H+===I2+2H2O,故C正确;分液时下层液体从下口放出,待下层液体流完后,关闭旋塞,再将上层液体从上口倒出,故D正确。
9.实验室制备苯甲醇和苯甲酸的化学原理如图1所示,已知苯甲醛易被空气氧化,苯甲醇的沸点为205.3 ℃,苯甲酸的熔点为121.7 ℃,沸点为249 ℃,溶解度为0.34 g;乙醚的沸点为34.8 ℃,难溶于水,制备苯甲醇和苯甲酸的主要过程如图2所示,试根据上述信息,判断以下说法错误的是( )
2+KOH―→+
+HCl―→+KCl
图1
图2
A.操作Ⅰ是萃取、分液 B.乙醚溶液中所溶解的主要成分是苯甲醇
C.操作Ⅱ蒸馏所得产品甲是苯甲醇 D.操作Ⅲ过滤所得产品乙是苯甲酸钾
答案 D
解析 由流程可知,苯甲醛与KOH反应生成苯甲醇、苯甲酸钾,然后加水、乙醚萃取苯甲醇,则乙醚溶液中含苯甲醇,操作Ⅱ为蒸馏,得到产品甲为苯甲醇;水溶液中含苯甲酸钾,加盐酸发生强酸制取弱酸的反应,生成苯甲酸,苯甲酸的溶解度小,则操作Ⅲ为过滤,则产品乙为苯甲酸。A项,操作Ⅰ分离乙醚与水溶液,则为萃取、分液,正确;B项,由上述分析可知,乙醚溶液中所溶解的主要成分是苯甲醇,正确;C项,操作Ⅱ分离互溶的乙醚、苯甲醇,蒸馏所得产品甲是苯甲醇,正确;D项,由上述分析,操作Ⅲ为过滤,则产品乙为苯甲酸,错误。
10.为研究废旧电池的再利用,实验室利用旧电池的铜帽(主要成分为Zn和Cu)回收Cu并制备ZnO的部分实验过程如图所示。下列叙述错误的是( )
A.“溶解”操作中溶液温度不宜过高
B.铜帽溶解后,将溶液加热至沸腾以除去溶液中过量的氧气或H2O2
C.与锌粉反应的离子可能为Cu2+、H+
D.“过滤”操作后,将滤液蒸发结晶、过滤、洗涤、干燥后,高温灼烧即可得纯净的ZnO
答案 D
解析 “溶解”操作中溶液温度不宜过高,否则过氧化氢分解,故A正确;铜帽溶解后,溶液中存在过氧化氢,将溶液加热至沸腾以除去溶液中过量的氧气或H2O2,防止后面消耗过多的锌粉,故B正确;固体溶解后溶液中存在Cu2+、H+,都是与锌粉反应的离子,故C正确;“过滤”操作后滤液中含有硫酸锌和硫酸钠,将滤液蒸发结晶、过滤、洗涤、干燥后,高温灼烧不能得到纯净的ZnO,其中含有硫酸钠,故D错误。
11.(2020·泰安调研)Na2S2O3可用作氰化物中毒的解毒剂,易溶于水,几乎不溶于乙醇。取Na2SO3(s)、S、蒸馏水于烧杯中,在105 ℃左右反应后过滤Ⅰ,将滤液Ⅰ浓缩、冷却,待晶体析出后过滤Ⅱ、洗涤,低温干燥可得Na2S2O3·5H2O晶体。下列说法错误的是( )
A.采用酒精灯加热时需使用外焰加热
B.将滤液Ⅰ浓缩至溶液表面出现晶膜,再冷却可析出晶体
C.反应原理为Na2SO3+S===Na2S2O3
D.过滤Ⅱ后得到的晶体先浓硝酸洗后水洗
答案 D
解析 采用酒精灯加热时需使用外焰加热,故A正确;应将滤液Ⅰ浓缩至溶液表面出现晶膜,再冷却可析出晶体,防止杂质析出,故B正确;已知反应物为Na2SO3(s)、S,生成物为Na2S2O3,发生归中反应,则反应原理为Na2SO3+S===Na2S2O3,故C正确;浓硝酸能氧化Na2S2O3,且Na2S2O3易溶于水,因此不能用浓硝酸、水洗涤Na2S2O3·5H2O晶体,Na2S2O3几乎不溶于乙醇,因此可以用乙醇洗涤,故D错误。
12.某化学兴趣小组从含有KI、KNO3等成分的工业废水中回收I2和KNO3,其流程如下:
下列说法正确的是( )
A.步骤1中有机相应从分液漏斗下端放出,无机相从上口倒出
B.步骤2使用的玻璃仪器有蒸馏烧瓶、酒精灯、牛角管、球形冷凝管、锥形瓶
C.步骤3可在如图装置中完成
D.步骤4中,将溶液蒸发至只剩少量水时,用余热将晶体蒸干
答案 C
解析 步骤1为萃取、分液操作,苯的密度比水小,故有机相应从分液漏斗上口倒出,A项错误;步骤2为蒸馏,应选用直形冷凝管,球形冷凝管一般用于冷凝回流,且还缺少温度计,B项错误;步骤3为升华,用图中装置能较好地控制温度,C项正确;步骤4为降温结晶,由于KNO3的溶解度随温度变化比较大,应采用蒸发浓缩、冷却结晶的方法,因此加热至有少量晶体出现就可停止加热,D项错误。
13.如图所示为从固体混合物中分离X的两种方案,请根据方案1和方案2指出下列说法中合理的是( )
A.可以选用方案1分离碳酸氢钠中含有的氯化铵
B.方案1中的残留物应该具有的性质是受热易挥发
C.方案2中加入的试剂一定能够与除X外的物质发生化学反应
D.方案2中加入NaOH溶液可以分离出SiO2和Fe2O3混合物中的Fe2O3
答案 D
解析 ①加热法分离提纯固体混合物应满足的条件:一种物质受热易挥发或分解,另一物质受热不挥发或难分解。②加试剂法分离(过滤)提纯固体混合物应满足的条件:所加试剂能达到让一种物质形成溶液,而另一物质形成难溶物的状态。A项中碳酸氢钠、氯化铵受热均易分解,故用方案1不能将两物质分离,错误;B项方案1中的残留物应该具有受热时不挥发或难分解的性质,错误;C项方案2中加入的试剂可能不与除X外的物质发生化学反应,如加水进行溶解分离,错误;D项中SiO2与NaOH溶液反应生成Na2SiO3溶解而分离,正确。
14.青蒿素是高效的抗疟疾药,为无色针状晶体,易溶于丙酮、氯仿和苯中,甲醇、乙醇、乙醚、石油醚中可溶解,在水中几乎不溶,熔点为156~157 ℃,热稳定性差。已知:乙醚沸点为35 ℃。提取青蒿素的主要工艺如图所示,下列有关此工艺操作不正确的是( )
A.操作Ⅲ的主要过程是加水溶解、蒸发浓缩、冷却结晶、过滤
B.破碎的目的是增大青蒿与乙醚的接触面积,提高青蒿素浸取率
C.操作Ⅱ是蒸馏,利用了乙醚沸点低回收利用
D.操作Ⅰ需要用到的玻璃仪器有漏斗、玻璃棒、烧杯
答案 A
解析 由题意可知,青蒿素在水中几乎不溶,故操作Ⅲ的主要过程不是加水溶解,而是加入95%的乙醇溶解,再进行蒸发浓缩、冷却结晶、过滤,A错误;将青蒿干燥破碎增大了与乙醚的接触面积,提高青蒿素浸取率,B正确;操作Ⅱ是蒸馏,利用了乙醚与青蒿素的沸点相差较大,乙醚沸点低可回收利用,C正确;操作Ⅰ为过滤,需要用到的玻璃仪器有漏斗、玻璃棒、烧杯,D正确。
15.已知:Fe3+在pH为2.6~3.5的溶液中水解为Fe(OH)3沉淀,当Fe2+在pH为4.7~6.6的溶液中水解为Fe(OH)2,Cu2+在pH为4.4~5.9的溶液中水解为Cu(OH)2。
下列是制备CuO的流程图:
(1)步骤Ⅰ的目的是除去不溶性杂质。操作是_______________________________________。
(2)步骤Ⅱ的目的是除铁。操作是滴加H2O2溶液,稍加热;当Fe2+转化完全后,慢慢加入Cu2(OH)2CO3粉末,搅拌,以控制溶液pH=3.5;加热煮沸一段时间,过滤,用稀硫酸酸化滤液至pH=1。控制溶液pH=3.5的原因是________________________________________。
(3)步骤Ⅲ的目的是得到CuSO4·5H2O晶体。其操作是________、过滤、水浴加热烘干。水浴加热的特点是__________________________________________________________________。
答案 (1)加适量水溶解、搅拌、过滤 (2)使Fe3+可全部转化为Fe(OH)3沉淀,而Cu2+不会转化为Cu(OH)2沉淀 (3)蒸发浓缩、冷却结晶 受热均匀,温度易于控制在100 ℃以下
解析 (1)由于不溶性杂质不溶于水,故可采用过滤的方法将其除去。(2)步骤Ⅱ操作:向含有CuSO4、FeSO4的溶液中滴加H2O2,发生反应:2Fe2++H2O2+2H+===2Fe3++2H2O,此时溶液的pH<3.5,而pH=3.5时,Fe3+可完全转化为Fe(OH)3沉淀,故此时可加入Cu2(OH)2CO3粉末,以中和H+,控制pH=3.5,同时加热煮沸,使Fe3+水解趋于完全,生成Fe(OH)3沉淀,过滤除去Fe(OH)3沉淀,再加稀硫酸酸化抑制Cu2+的水解,得到CuSO4溶液。(3)通过蒸发浓缩、冷却结晶的方法析出硫酸铜晶体,加热烘干时温度不能超过100 ℃,且需温度恒定,以防温度过高使硫酸铜晶体分解,因此采用水浴加热。
16.某研究性学习小组拟取盐湖苦卤的浓缩液(富含K+、Mg2+、Br-、SO、Cl-等)来制取较纯净的氯化钾晶体及液溴,他们设计了如下流程:
回答以下问题:
(1)操作Ⅰ的名称为________;要从橙色液体中分离出溴,所采取的操作需要的主要玻璃仪器除酒精灯和温度计外,还有______________________________________________________。
(2)试剂Y的化学式为___________________________________________________________;
检验SO已除尽的方法是_______________________________________________________。
(3)写出操作Ⅲ的具体操作步骤:__________________________________________________。
答案 (1)萃取、分液 蒸馏烧瓶、冷凝管、牛角管、锥形瓶
(2)K2CO3 取少量无色溶液D,加入BaCl2溶液,若没有白色沉淀生成,则SO已除尽(其他合理答案也可)
(3)将溶液倒入蒸发皿中并置于三脚架上,加热并用玻璃棒不断搅拌蒸发皿中的液体,直到溶液中出现较多晶体时,停止加热,利用余热蒸干
解析 (1)加入氧化剂,能够将苦卤中的Br-氧化为Br2,加入CCl4萃取、分液可分离出溶液中的Br2。橙色液体为溴的CCl4溶液,可以用蒸馏的方法分离出溴,还需用到蒸馏烧瓶、冷凝管、牛角管、锥形瓶等仪器。(2)溶液A中的离子为K+、Mg2+、SO、Cl-,依次加入Ba(OH)2、K2CO3,除去其中的SO、Mg2+以及过量的Ba2+,则Y必须为K2CO3。检验SO已除尽,可以取少量无色溶液D,加入BaCl2溶液,观察是否有白色沉淀产生,也可以取少量无色溶液B,加入稀盐酸酸化的BaCl2溶液,观察是否有白色沉淀产生。(3)操作Ⅲ是由KCl溶液得到KCl晶体,实验操作为蒸发结晶。
第9讲 物质的分离和提纯-【高效备考】2024年高考化学一轮复习讲义+分层练习: 这是一份第9讲 物质的分离和提纯-【高效备考】2024年高考化学一轮复习讲义+分层练习,文件包含第9讲物质的分离和提纯分层练习-高效备考2024年高考化学一轮复习讲义+分层练习原卷版docx、第9讲物质的分离和提纯讲义-高效备考2024年高考化学一轮复习讲义+分层练习原卷版docx、第9讲物质的分离和提纯分层练习-高效备考2024年高考化学一轮复习讲义+分层练习解析版docx、第9讲物质的分离和提纯讲义-高效备考2024年高考化学一轮复习讲义+分层练习解析版docx等4份试卷配套教学资源,其中试卷共44页, 欢迎下载使用。
高考化学一轮复习讲练 第1章 第2讲 物质的分离和提纯 (含解析): 这是一份高考化学一轮复习讲练 第1章 第2讲 物质的分离和提纯 (含解析),共15页。试卷主要包含了掌握常见物质分离和提纯的方法,除杂“四原则”等内容,欢迎下载使用。
新高考化学一轮复习讲义 第2章 第10讲 物质的分离和提纯: 这是一份新高考化学一轮复习讲义 第2章 第10讲 物质的分离和提纯,共16页。试卷主要包含了全面,扎实训练学科基本技能,培养学生积极的学习态度,有计划等内容,欢迎下载使用。

