2023回族自治区银川一中高一上学期期中考试物理试题含答案
展开银川一中2022/2023学年度(上)高一期中考试
物 理 试 卷
本试卷中g=10m/s2
一、单项选择题(每题3分,共36分)
1.《中国诗词大会》带动全民重温曾经学过的古诗词,分享诗词之美,感受诗词之趣,从古人的智慧和情怀中汲取营养,涵养心灵.李白在《望天门山》一诗中写到“两岸青山相对出,孤帆一片日边来”。诗文中的“青山相对出”选择的参考系是
A.太阳 B.青山 C.河岸 D.孤帆
2 关于矢量和标量的正负,下列说法正确的是
A.矢量的正负表示大小,正值一定比负值大
B.矢量的正负表示方向,正值与负值方向相反
C.标量的正负表示大小,正值一定比负值大
D.标量只有正值,没有负值
3. 某人沿着半径为R的水平圆周跑道跑了1.75圈时,他的
A.路程和位移的大小均为3.5πR B.路程和位移的大小均为
C.路程为3.5πR、位移的大小为 D.路程为0.5πR、位移的大小为
4. 关于瞬时速度、平均速度、平均速率下列说法中正确的是
①平均速度是质点在某段时间内运动的位移与所用时间的比值;
②平均速率就是平均速度的大小;
③瞬时速度是质点在某一位置或某一时刻的速度;
④做变速运动的质点平均速度是通过的路程与所用时间的比值。
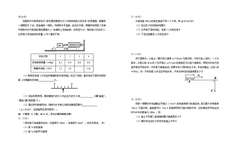
A.①② B.③④ C.①③ D.②④
5. 若汽车的加速度方向与速度方向一致,当加速度减小时,下列说法中正确的是:
A.汽车的速度在减小,汽车的位移也在减小
B.汽车的速度在减小,汽车的位移却在增大
C.汽车速度在减小,当加速度减小到零时,汽车静止
D.汽车速度在增大,当加速度减小到零时,汽车的速度达到最大
6. 汽车在平直的公路上行驶,发现险情紧急刹车,汽车立即做匀减速直线运动直到停车,已知汽车刹车时第一秒内的位移为13 m,在最后1秒内的位移为2 m,则下列说法正确的是
A.汽车在第1秒末的速度可能为10 m/s B.汽车加速度大小可能为3 m/s2
C.汽车在第1秒末的速度一定为11 m/s D.汽车的加速度大小一定为4.5 m/s2
7. 汽车以20 m/s的速度在平直公路上行驶,急刹车时的加速度大小为5 m/s2,则自驾驶员急踩刹车开始,经过2 s与5 s汽车的位移之比为
A.5∶4 B.4∶5 C.3∶4 D.4∶3
8. 一个物体从教学楼的四楼自由下落,第1 s内就通过了全程的一半,则物体从抛出到落地一共需要的时间为
A.1 s B.1.5 s C. s D.(−1)s
9. 关于重心及重力,下列说法中正确的是
A.一个物体放于水中称量时弹簧测力计的示数小于物体在空气中称量时弹簧测力计的示数,因此物体在水中受到的重力小于在空气中受到的重力
B.据G=mg可知,两个物体相比较,质量较大的物体的重力不一定较大
C.物体放于水平面上时,重力方向垂直于水平面向下,当物体静止于斜面上时,其重力方向垂直于斜面向下
D.物体的形状改变后,其重心位置不会改变
10. 一质点沿直线Ox方向做加速运动,它离开O点的距离x随时间变化的关系为,它的速度随时间变化的关系为。则该质点在t=2 s时的瞬时速度和t=0到t=2 s间的平均速度分别为
A.8 m/s,24 m/s B.12 m/s,10 m/s
C.12 m/s,8 m/s D.24 m/s,8 m/s
11. 如图所示,一根弹簧其自由端B在未悬挂重物时指针正对刻度5,在弹
性限度内当挂上80N重物时指针正对刻度45,若要指针正对刻度20,应
挂重物是
A.40N B.30N
C.20N D.35.6N
12. 如图所示,重力G=20N的物体,在动摩擦因数为0.2的水平面上向左运动,同时受到大小为5N,方向向右的水平力F的作用,则
A.物体所受摩擦力大小是4N,方向水平向右
B.物体所受摩擦力大小是5N,方向水平向左
C.在运动过程中,若撤去F时,摩擦力方向立刻改变
D.在运动过程中,若撤去F时,则摩擦力变为0N
二、多项选择题(每题4分,共24分。每小题有多个答案正确,全部选对得4分,部分选对但不全得2分,有错选不得分)
13. 如图所示甲、乙两人从O点同时出发,并同时到达A点,两人的路径已在图中标出,则
A.甲的平均速度大于乙的平均速度
B.两人运动的平均速度相等
C.甲的路程大于乙的路程
D.甲的位移大于乙的位移
14. 对于做匀速直线运动的物体,下列说法中正确的是
A.任意2 s内的位移一定等于1 s内位移的两倍
B.任意一段时间内的位移大小一定等于它的路程
C.若两物体运动快慢相同,则两物体在相同时间内通过的路程相等
D.若两物体运动快慢相同,则两物体在相同时间内发生的位移相等
15. 下列说法中正确的是
A.运动越快的汽车越不容易停下来,是因为汽车运动得越快,惯性越大
B.作用力与反作用力一定是同种性质的力
C.理想化模型如质点、光滑接触面等等,是凭空想象出来的,是脱离实际的理论假设,没有实际意义
D.马拉着车向前运动时,马对车的拉力等于车对马的作用力
16. 如图是甲、乙两物体从同一点开始做直线运动的运动图像,下列说法正确的是
A.若y表示位移,则t1时间内甲的位移小于乙的位移
B.若y表示速度,则t1时间内甲的位移小于乙的位移
C.若y表示位移,则t=t1时甲的速度大于乙的速度
D.若y表示速度,则t=t1时甲的速度大于乙的速度
17. 一个实验小组在做“探究弹力和弹簧伸长的关系”的实验中,使用了两根不同的轻质弹簧M和N,他们得到弹力与弹簧长度的关系图像如图所示,则由图可知
A.弹簧M的原长比弹簧N的短
B.弹簧M的劲度系数比弹簧N的小
C.弹簧M的劲度系数比弹簧N的大
D.弹力与弹簧长度成正比
18. 如图,有一重力不计的方形容器,被水平力F压在竖直的墙面上处
于静止状态,现缓慢地向容器内注水,直到将容器刚好盛满为止,
在此过程中容器始终保持静止,则下列说法中正确的是
A.容器受到的摩擦力不变
B.容器受到的摩擦力逐渐增大
C.水平力F可能不变
D.水平力F必须逐渐增大
三、实验题;(每空2分,共14分)
19.(8分)
在“探究小车速度随时间变化的规律”的实验中,交流电源频率为如图是某次实验的纸带,舍去前面比较密集的点,从0点开始计数,每隔4个连续点取1个计数点,标以1,2,3,…那么相邻两个计数点之间的时间间隔为___________,各计数点与0计数点之间的距离依次为,,,则物体通过计数点1的速度___________,通过计数点2的速度_______,小车运动的加速度___________。(计算结果保留三位有效数字)
20.(6分)
如图所示为某同学设计“探究滑动摩擦力大小与物体间压力的关系”的原理图。弹簧秤一端固定于P点,自由端系一细线,与铜块水平连接。拉动长木板,弹簧秤的读数T总等于铜块与长木板间的滑动摩擦力f。在铜块上添加砝码,改变压力N,测出每次对应的T,记录每次添加砝码的质量m与T值如下表:
实验次数 | 1 | 2 | 3 | 4 |
添加砝码质量(m/kg) | 0.2 | 0.4 | 0.6 | 0.8 |
弹簧秤读数(T/N) | 2.5 | 2.9 |
| 4.0 |
(1)某同学在第3次实验时弹簧秤的示数如图,忘记了读数,请你读出下图中该同学第3次弹簧秤的读数______________N。
(2)实验结果表明:滑动摩擦力的大小与正压力的大小成____________(填“正比”、“反比”或“无关系”)。
(3)通过表中数据可知,铜块与长木板之间的动摩擦因素为_____________(,且保留两位有效数字)。
四、计算题(4小题,共26分,写出必要的解题步骤)
21.(5分)
一质点做匀加速直线运动,初速度为10m/s ,加速度为3m/s2 。试求该质点, 求:
(1)第5s末的速度
(2)前5s内的平均速度
22.(6分)
从离地高500 m的高空自由下落一个小球,取g=10 m/s2,求:
(1)经过多少时间落到地面?
(2)从开始下落时刻起,在第2 s内的位移?
(3)下落过程最后2s内的位移?
23.(7分)
如下图所示,公路上一辆汽车以速度v1=10 m/s匀速行驶,汽车行至A点时,一人为搭车,从距公路30 m的C处开始以v2=3 m/s的速度正对公路匀速跑去,司机见状在行进途中某处开始刹车,汽车做匀减速运动,结果车和人同时到达B点,车恰好静止。已知AB=80 m,问:汽车在距A多远处开始刹车,汽车刹车时的加速度是多少?
24.(8分)
现有一辆摩托车先由静止开始以 2.5m /s2 的加速度做匀加速运动,后以最大行驶速度 25m /s 匀速行驶,追赶前方以 15m /s 的速度同向匀速行驶的卡车。已知摩托车开始运动时与卡车的距离为200m ,则
(1)追上卡车前二者相隔的最大距离是多少?
(2)摩托车经过多少时间才能追上卡车?
高一期中考试物理试卷答案
一、单项选择题(每题3分,共36分)
1.【答案】D
2.【答案】B
3.【答案】C
4.【答案】C
5.【答案】D
6.【答案】 C【解析】 采用逆向思维,由于最后1 s内的位移为2 m,根据x′=at2得,汽车加速度大小a== m/s2=4 m/s2
第1 s内的位移为13 m,根据x1=v0t-at2,
代入数据解得初速度v0=15 m/s,
则汽车在第1 s末的速度v1=v0-at=15 m/s-4×1 m/s=11 m/s,故C正确,A、B、D错误.
7. 【答案】 C
【解析】 汽车速度减为零的时间为:t0== s=4 s,2 s时位移:x1=v0t+at2=20×2 m-×5×4 m=30 m,刹车5 s内的位移等于刹车4 s内的位移,为:x2==40 m,所以2 s与5 s汽车的位移之比为3∶4,故选项C正确.
8. 【答案】C【解析】自由落体运动是初速度为零的匀加速运动,,下落的位移与时间的平方成正比。所以选C。
9.【答案】 B
10.【答案】C 【解析】将代入质点的速度随时间变化的关系式,得时刻的瞬时速度为:。将和分别代入距离随时间变化的关系式,得:,,则质点在2 s时间内通过的位移为 ,t=0 s到t=2 s间的平均速度为:,故C正确;综上所述本题答案是:C。
11.【答案】B【解析】由胡可定律可知,80N能使弹簧伸长40个刻度,伸长一个刻度对应的拉力是2N,若要指针正对刻度20,需要弹簧伸长15个刻度,此时的弹力应为30N,B正确。
12 【答案】A
二、多项选择题(每题4分,共24分。每小题有多个答案正确,全部选对得4分,部分选对但不全得2分,有错选不得分)
13.【答案】BC
14.【答案】ABC
15.【答案】BD
16.【解析】选B、C。若y表示位移,则知t1时间内甲的位移等于乙的位移;斜率等于物体的速度,可知t=t1时甲的速度大于乙的速度,故选项A错误,C正确;若y表示速度,速度-时间图像与坐标轴所围的“面积”表示物体的位移,则t1时间内甲的位移小于乙的位移,t=t1时甲的速度等于乙的速度,故B正确,D错误。
17.【答案】AC
18.【答案】BC 【解析】容器处于平衡状态,在竖直方向上重力与摩擦力平衡,盛满水前墙面对容器的静摩擦力一直增大,如果一直没有达到正压力F作用下的最大静摩擦力,则水平力F可能不变,选项B、C正确。
三、实验题;(每空2分,共14分)
19.【答案】0.1; 0.375 0.525 1.50
20. 【答案】(1)3.5 N (2)正比 (3)0.25
【解析】(1)该同学第3次弹簧秤的读数为3.5 N。
(2)实验结果表明:滑动摩擦力的大小与正压力的大小成线性关系。
(3)设铜块的质量为M,则T=μ(Mg+mg),则2.5=μ(Mg+0.2×10);4.0=μ(Mg+0.8×10);联立解得μ=0.25。
四、计算题(4小题,共26分,写出必要的解题步骤)
21.(5分)
【答案】由题,,
则第5s末的速度大小:………………
前5s内的平均速度大小:………………
22.(6分)
【答案】(1)根据………………
故:经10s落到地面
(2)第2S内的位移为………………
(3)最后2s内的位移为………………
23.(7分)【答案】见解析
【解析】设人由C跑到B的时间为t人,则有t人==s=10 s①
设汽车在距A点x处开始刹车,汽车运动x的过程需要时间为t1,则有t1=②
设汽车刹车时间为t2,则有t2=(10-t1) s③
关于汽车的位移方程:t2+x=80④
a=⑤
联立①②③④⑤得x=60 m,a=-2.5 m/s2
24.(8分)
【答案】(1) 245m ; (2)32.5s
【解析】( 1 )由题意得我们先要求出摩托车做匀加速运动的时间,可以由公式 求得=,
那么匀加速运动的位移可由公式 ,求得
所以摩托车在达到最大速度之前没有追上卡车。
当追上卡车前二者速度相等时相距最大,设从开始经过 t2 时间速度相等,速度为,最大间距为 Sm ,那么可以求出速度相等时摩托车减速所用的时间,则 ,
解得 ,
那么两车之间最大间距为卡车的位移与起始两车间距之和减去摩托车6s加速的位移为
( 2 )设从开始经 t 时间摩托车追上卡车,那么过程分析可知,卡车的位移与两车起始间距之和等于摩托车的位移,摩托车的位移等于匀加速的位移与匀速的位移,
那么由公式 ,
即 ,
解得t = 32.5s
宁夏回族自治区银川一中2023-2024学年高一上学期期中考试物理(Word版附解析): 这是一份宁夏回族自治区银川一中2023-2024学年高一上学期期中考试物理(Word版附解析),共24页。试卷主要包含了单项选择题,多项选择题,实验题,解答题等内容,欢迎下载使用。
2024回族自治区银川一中高一上学期期中考试物理含解析: 这是一份2024回族自治区银川一中高一上学期期中考试物理含解析,共2页。试卷主要包含了单项选择题,多项选择题,实验题,解答题等内容,欢迎下载使用。
【期中真题】宁夏回族自治区银川一中2022-2023学年高一上学期期中考试物理试题.zip: 这是一份【期中真题】宁夏回族自治区银川一中2022-2023学年高一上学期期中考试物理试题.zip,文件包含期中真题宁夏回族自治区银川一中2022-2023学年高一上学期期中物理试题原卷版docx、期中真题宁夏回族自治区银川一中2022-2023学年高一上学期期中物理试题解析版docx等2份试卷配套教学资源,其中试卷共20页, 欢迎下载使用。

