最新中考物理总复习专题突破:电阻的测量练习题
展开
这是一份最新中考物理总复习专题突破:电阻的测量练习题,共5页。试卷主要包含了实验步骤等内容,欢迎下载使用。
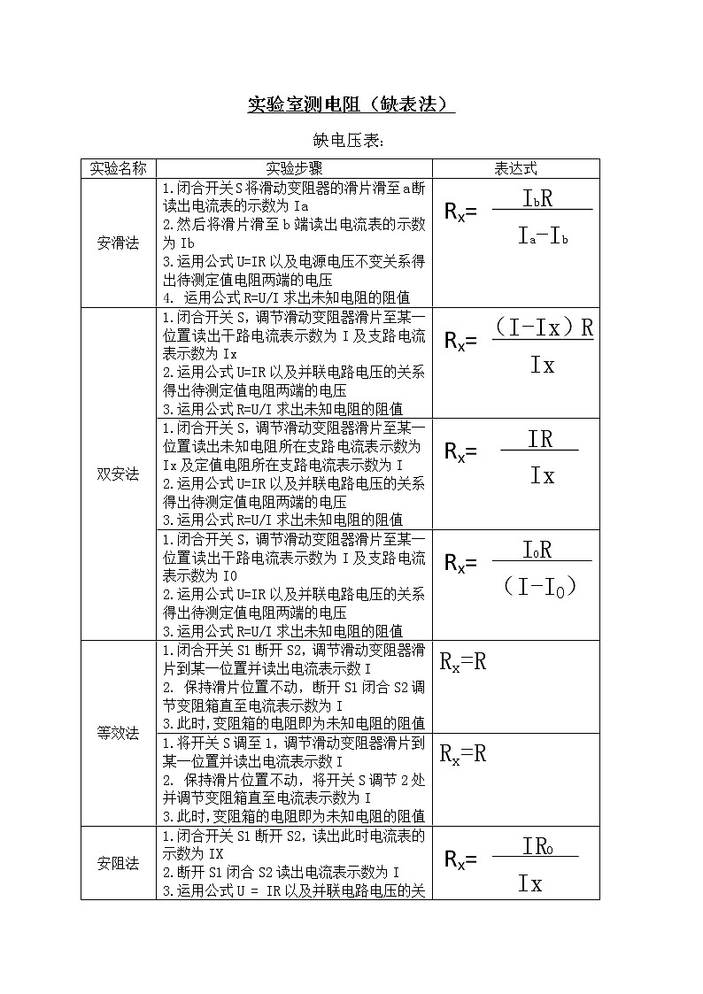
最新中考物理总复习专题突破:电阻的测量实验室测量定值电阻(伏安法)1.实验步骤:(1)先设计实验电路,画出实验电路图,并设计实验记录所用的表格。按照电路图把各个器件连接起来(注意:连接电路时,开关要断开,滑动变阻器滑动最大阻值处)。(2)检查实验电路,确认无误后,闭合开关S,缓慢移动滑动变阻器的滑片P至某一位置,观察并记录电压表和电流表的示数,把电压、电流值代入公式R=U/I,计算出未知阻值的电阻。多次改变滑片的位置并分别记录电压表和电流表的示数,把电压、电流值代入公式R=U/I,计算出未知阻值的电阻。(3)根据求出三个对应的电阻值,并计算出它们的平均值。这是减小实验误差的方法。(4)整理实验器材。断开开关,拆除导线。把实验器材摆放整齐。实验拓展:(1)连接电路时,开关要断开,滑动变阻器要滑动最大阻值处。(2)滑动变阻器的作用:保护电路、改变待测电阻两端的电压与流过定值电阻的电流从而实现多次测量求平均值减小实验误差。(3)在测量小灯泡的电阻的实验中不能多次测量求平均值。(小灯泡的电阻会随温度的改变而改变)(4)实验中电压表示数太大,移动滑动变阻器无法使小灯泡两端的电压达到额定电压应采取的措施:减小电源电压或换用阻值更大的滑动变阻器。(5)实验中如果采用外接法连接电路进行实验则会使测量结果偏小。(所测电压准确,所测电流偏大) 实验中如果采用内接法连接电路进行实验则会使测量结果偏大。(所测电流准确,所测电压偏大) 实验室测电阻(缺表法)缺电压表:实验名称实验步骤表达式安滑法1.闭合开关S将滑动变阻器的滑片滑至a断读出电流表的示数为Ia2.然后将滑片滑至b端读出电流表的示数为Ib3.运用公式U=IR以及电源电压不变关系得出待测定值电阻两端的电压4. 运用公式R=U/I求出未知电阻的阻值 IbR Ia-Ib双安法1.闭合开关S,调节滑动变阻器滑片至某一位置读出干路电流表示数为I及支路电流表示数为Ix2.运用公式U=IR以及并联电路电压的关系得出待测定值电阻两端的电压3.运用公式R=U/I求出未知电阻的阻值(I-Ix)R Ix1.闭合开关S,调节滑动变阻器滑片至某一位置读出未知电阻所在支路电流表示数为Ix及定值电阻所在支路电流表示数为I2.运用公式U=IR以及并联电路电压的关系得出待测定值电阻两端的电压3.运用公式R=U/I求出未知电阻的阻值 IR Ix1.闭合开关S,调节滑动变阻器滑片至某一位置读出干路电流表示数为I及支路电流表示数为I02.运用公式U=IR以及并联电路电压的关系得出待测定值电阻两端的电压3.运用公式R=U/I求出未知电阻的阻值 I0R (I-I0)等效法1.闭合开关S1断开S2,调节滑动变阻器滑片到某一位置并读出电流表示数I2. 保持滑片位置不动,断开S1闭合S2调节变阻箱直至电流表示数为I3.此时,变阻箱的电阻即为未知电阻的阻值Rx=R1.将开关S调至1,调节滑动变阻器滑片到某一位置并读出电流表示数I2. 保持滑片位置不动,将开关S调节2处并调节变阻箱直至电流表示数为I3.此时,变阻箱的电阻即为未知电阻的阻值Rx=R安阻法1.闭合开关S1断开S2,读出此时电流表的示数为IX2.断开S1闭合S2读出电流表示数为I3.运用公式U = IR以及并联电路电压的关系得出待测电阻两端的电压4.运用公式R=U/I求出待测电阻的阻值 IR0 Ix1.将开关S调至a,并读出电流表示数Ix2.将开关S调节b处并读出电流表示数为I3.运用公式U = IR以及并联电路电压的关系得出待测电阻两端的电压4.运用公式R=U/I求出待测电阻的阻值 IR0 Ix1.闭合开关S1、S3断开S2,调节滑动变阻器的滑片至某一位置,读出此时电流表的示数为IX2.保持滑片位置不变,断开S3闭合S2读出电流表示数为I3.运用公式U = IR以及并联电路电压的关系得出待测电阻两端的电压4.运用公式R=U/I求出待测电阻的阻值(I-Ix)R0 Ix1.将开关S至于2处,调节滑动变阻器的滑片至某一位置,读出电流表的示数为Ix2.保持滑片位置不变,将开关S至于1处,读出电流表示数为I3.运用公式U = IR以及并联电路电压的关系得出待测电阻两端的电压4. 运用公式R=U/I求出待测电阻的阻值(I-Ix)R0 Ix短路法1.闭合开关S1读出电流表的示数为Ix2.闭合开关S1、S2读出电流表的示数为I3.运用公式U=IR以及电源电压不变关系得出待测定值电阻两端的电压4. 运用公式R=U/I求出未知电阻的阻值 IxR0 I-Ix缺电流表:实验名称实验步骤表达式伏滑法1.闭合开关S将滑动变阻器的滑片滑至a断读出电压表的示数为Ua2.然后将滑片滑至b端读出电压表的示数为Ub3.运用公式U=IR以及电源电压不变关系得出待测定值电阻两端的电压4. 运用公式R=U/I求出未知电阻的阻值 UbR Ua-Ub双伏法1.闭合开关S,调节滑动变阻器滑片至某一位置读出未知电阻两端电压为Ux及定值电阻两端的电压为U2.运用公式I=U/R以及串联电路电流的关系得出流过待测定值电阻的电流3.运用公式R=U/I求出未知电阻的阻值 UXR1 U1.闭合开关S,调节滑动变阻器滑片至某一位置读出未知电阻两端电压为Ux及定值电阻和未知电阻两端的总电压为U2.运用公式I=U/R以及串联电路电流的关系得出流过待测定值电阻的电流3.运用公式R=U/I求出未知电阻的阻值 UXR U-UX1.闭合开关S,调节滑动变阻器滑片至某一位置读出定值电阻两端电压为U0及未知电阻和定值电阻两端的总电压为U2.运用公式I=U/R以及串联电路电流的关系得出流过待测定值电阻的电流3.运用公式R=U/I求出未知电阻的阻值 (U-U0)R U0等效法1.闭合开关S1断开S2,调节滑动变阻器的滑片至某一位置,读出此时电压表示数为U2.保持滑片位置不变,断开S1闭合S2调节变阻箱电阻直至电压表示数为U3.此时,变阻箱的电阻即为未知电阻的阻值Rx=R1.将开关S至于1处,调节滑动变阻器的滑片至某一位置读出电压表的示数为U02.保持滑片位置不变,将开关S至于2处,调节变阻箱电阻直至电压表示数为U03.此时,变阻箱的电阻即为未知电阻的阻值Rx=R伏阻法1.闭合开关S1、S3断开S2,调节滑动变阻器的滑片至某一位置,读出此时电压表示数为Ux2.保持滑片位置不变,断开S3闭合S2读出此时电压表示数为U3. 运用公式I=U/R以及串联电路电流的关系得出流过待测定值电阻的电流4.运用公式R=U/I求出未知电阻的阻值 UXR0 U-UX1.闭合开关S1并将开关S至于1处,调节滑动变阻器的滑片调至某一位置读出电压表的示数为UX2.保持滑片位置不变,将开关S至于2处,读出电压表示数为U3.运用公式I=U/R以及串联电路电流的关系得出流过待测电阻的电流4.运用公式R=U/I求出未知电阻的阻值 UXR0 U-UX1.闭合开关S2并将开关S至于1处,读出电压表的示数为UX2.保持滑片位置不变,将开关S至于2处,读出电压表示数为U3.运用公式I=U/R以及串联电路电流的关系得出流过待测电阻的电流4.运用公式R=U/I求出未知电阻的阻值 UXR0 U-UX1.闭合开关S1、S3断开S2,读出此时电压表示数为Ux2.断开S3闭合S2读出此时电压表示数为U3. 运用公式I=U/R以及串联电路电流的关系得出流过待测定值电阻的电流4.运用公式R=U/I求出未知电阻的阻值 UXR0 U-UX
相关试卷
这是一份2022中考物理总复习最新专题突破:中考实验——电阻的测量,共5页。试卷主要包含了实验步骤等内容,欢迎下载使用。
这是一份最新中考物理总复习专题突破——密度测量练习题(无答案),共24页。试卷主要包含了在测量物质密度的实验里,0g等内容,欢迎下载使用。
这是一份最新中考物理总复习专题突破——极值范围安全练习题,共7页。试卷主要包含了45 A,则电源电压是多少?等内容,欢迎下载使用。

