还剩21页未读,
继续阅读
所属成套资源:2023版创新设计高考生物(新教材人教版)总复习一轮讲义
成套系列资料,整套一键下载
2023版创新设计高考生物(新教材人教版)总复习一轮讲义第32讲 传统发酵技术的应用与发酵工程
展开
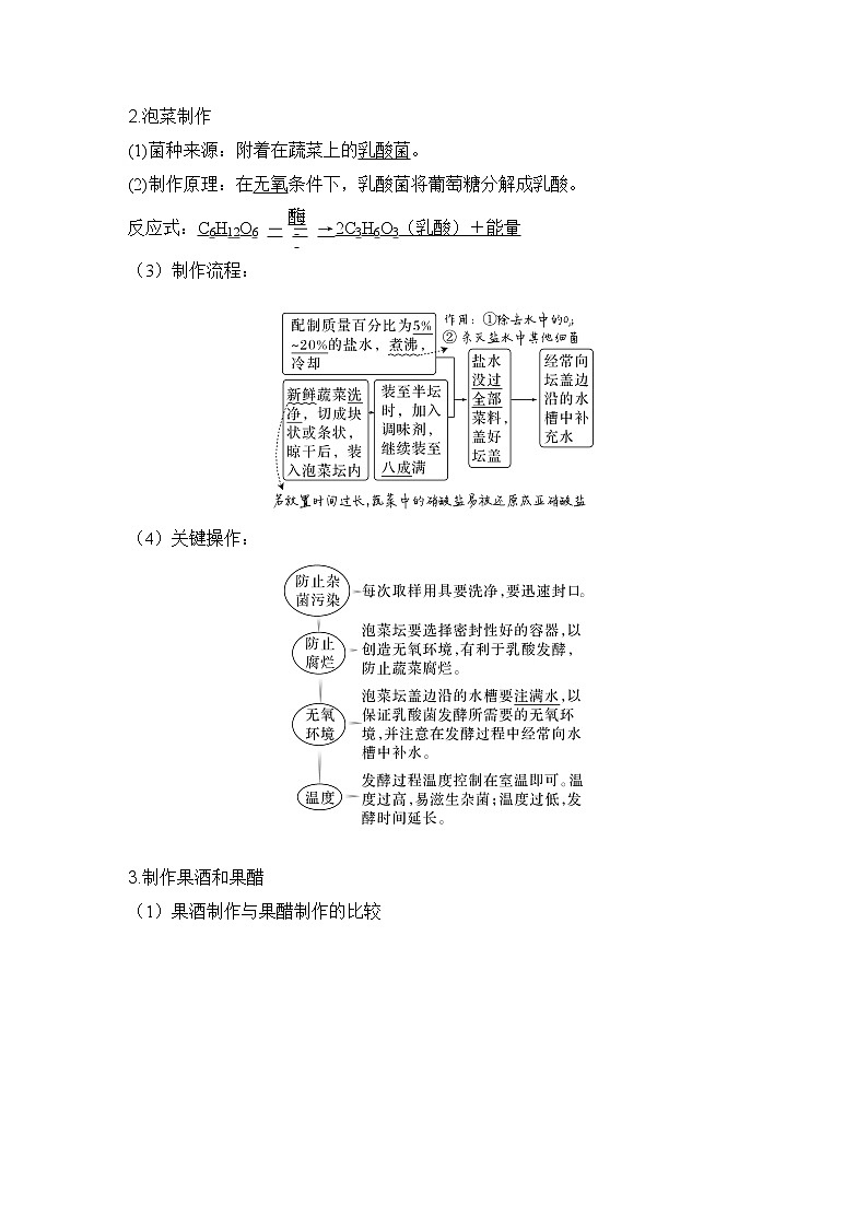
第32讲 传统发酵技术的应用与发酵工程考点一 传统发酵技术的应用1.发酵与传统发酵技术(1)发酵的概念:是指人们利用微生物,在适宜的条件下,将原料通过微生物的代谢转化为人类所需要的产物的过程。(2)传统发酵技术:2.泡菜制作(1)菌种来源:附着在蔬菜上的乳酸菌。(2)制作原理:在无氧条件下,乳酸菌将葡萄糖分解成乳酸。反应式:C6H12O6eq \o(――→,\s\up7(酶),\s\do5( ))2C3H6O3(乳酸)+能量(3)制作流程:(4)关键操作:3.制作果酒和果醋(1)果酒制作与果醋制作的比较(2)具体流程及相关操作目的(1)泡菜的制作前期需要通入氧气,后期应严格保持无氧条件(×)(2)泡菜坛的选择、发酵过程中坛沿要注满水都有利于泡菜的无氧发酵(√)(3)酵母菌是嗜温菌,所以果酒发酵所需的最适温度高于果醋发酵温度(×)(4)在果酒发酵后期松松瓶盖的间隔时间可延长(√)(5)在家庭中用新鲜葡萄制作果酒时,需给发酵装置适时排气(√)(6)在制作葡萄酒的过程中,应先去除葡萄的枝梗,再进行反复冲洗,这样才可以洗得彻底(×)1.为什么泡菜坛只能装八成满?提示 泡菜坛装得太满时,会使盐水不容易完全淹没菜料,从而导致菜料变质腐烂;同时发酵液可能会溢出坛外。泡菜坛留出一定空间,也方便拿取泡菜。选择性必修3 P7“探究·实践”2.在制作果酒的过程中,除了酵母菌,是否还有其他微生物生长?它们会对果酒发酵产生影响吗?如果有,如何避免这种影响?提示 制作果酒的过程中,除酵母菌之外,还会有其他杂菌生长,它们会在酒精发酵中污染发酵液,而避免发酵液污染需要从发酵制作的过程全面考虑。例如,榨汁机、发酵瓶要清洗干净,装入葡萄汁后,封闭充气口;每次排气时只需拧松瓶盖,不要完全揭开瓶盖等。选择性必修3 P6“探究·实践”3.乳酸菌是厌氧菌,发酵时需控制严格的无氧环境。尝试说出泡菜制作过程中制造无氧环境的措施。提示 ①选择气密性好的泡菜坛。②盐水煮沸后冷却待用。③装坛时压实,盐水没过全部菜料。④盖上坛盖后要在坛盖边沿的水槽中注满水;发酵期间不宜开盖,并注意在发酵过程中经常向水槽中补充水。1.日常生活中要多吃新鲜蔬菜,不宜多吃腌制蔬菜的原因是在腌制过程中,蔬菜中的硝酸盐会被微生物还原成亚硝酸盐,亚硝酸盐摄入过量或在特定条件下,会危害人体健康。2.制作的泡菜“咸而不酸”的原因:可能是食盐浓度过高、发酵温度过低导致泡菜未能正常发酵。3.葡萄酒呈现深红色的原因是在酒精发酵过程中,葡萄皮中的色素进入发酵液。4.果酒发酵时先通气后密封的目的是酵母菌是兼性厌氧菌,因此果酒发酵时先通气使酵母菌大量繁殖,后密封使酵母菌进行酒精发酵。1.果酒和果醋发酵改进装置及其分析2.泡菜发酵过程中乳酸菌、乳酸和亚硝酸盐含量的变化注意: 亚硝酸盐是硝酸盐还原菌促进硝酸盐还原形成的,而不是硝化细菌氧化氨形成的。考向1 结合果酒和果醋的制作过程考查科学探究能力1.(2021·青岛高三开学考试)钙果又名欧李,果实中含有多种对人体有益的矿物质元素,其钙元素的含量比一般的水果都高。钙果用途广泛,叶可做茶,花、仁、根能制作中药,果实可加工成果汁、果酒、果醋等产品。下列说法正确的是( )A.利用酵母菌进行钙果果醋发酵过程中温度应控制在18~30 ℃B.在钙果果酒发酵期间,为保持无氧条件,不能拧松发酵瓶的盖子C.制作钙果果酒、果醋时,应将原料钙果果汁进行高压蒸汽灭菌D.钙果果酒的颜色是钙果果皮和果肉中的色素进入发酵液形成的答案 D解析 果醋发酵利用的菌种是醋酸菌,果酒发酵的菌种才是酵母菌,A错误;酵母菌进行无氧呼吸产生酒精和二氧化碳,在发酵过程中密闭,但需要根据发酵进程适时拧松瓶盖放气,B错误;制作果酒时,原料钙果果汁不需要进行灭菌,否则会杀死附着在果皮上的野生酵母菌,C错误;钙果果酒的颜色是钙果果皮和果肉中的色素进入发酵液形成的,D正确。2.(2021·辽宁卷,8改编)利用菠萝蜜制作果醋的大致流程为:先在灭菌的果肉匀浆中接种酵母菌,发酵6天后,再接入活化的醋酸菌,发酵5天。下列有关叙述错误的是( )A.乙醇既是乙酸发酵的底物,又可以抑制杂菌繁殖B.酵母菌和醋酸菌均以有丝分裂的方式进行增殖C.酵母菌和醋酸菌发酵过程中控制通气的情况不同D.接入醋酸杆菌后,应适当升高发酵温度答案 B解析 当缺少糖源时,醋酸菌可将乙醇转化为乙醛,再将乙醛变为乙酸,同时乙醇还可抑制杂菌繁殖,A正确;酵母菌一般以出芽的方式繁殖,醋酸菌以二分裂的方式进行增殖,B错误;酵母菌发酵过程中先通气使其大量繁殖,再密闭发酵生产乙醇;醋酸菌为好氧菌,需持续通入无菌氧气,C正确;酒精发酵的适宜温度范围是18~30 ℃,乙酸发酵的适宜温度范围为30~35 ℃,D正确。3.(2022·菏泽期中)鸭梨醋饮属于绿色健康饮品,既保存了鸭梨中的多种氨基酸、维生素、矿物质、有机酸等营养成分,又兼具果醋醒酒护肝、助消化、降低血脂、软化血管等的养生保健功能,深受广大消费者的青睐。下面为鸭梨醋饮的制作流程图,请据图回答问题:eq \x(新鲜的鸭梨)→eq \x(果酒)→eq \x(果醋)→eq \x(鸭梨醋饮)(1)果酒的酿造原理是先使酵母菌进行________,以增加酵母菌的数量,然后再通过________获得果酒。(2)在果酒的自然发酵过程中,起主要作用的是附着在________上的野生酵母菌。(3)酒精发酵时一般将温度控制在18~30 ℃,温度过高时,酵母菌代谢减慢甚至死亡,原因是________________________。(4)果醋发酵过程中,适宜的温度为________,较高的酒精度通常不适宜进行醋酸发酵,原因是____________________________________________________________________________________________________________________________。(5)酒精发酵后转入醋酸发酵前,除改变温度外,还需调整的发酵条件是___________________________________________________________________。答案 (1)有氧呼吸 无氧呼吸 (2)鸭梨皮 (3)温度过高,影响酶的活性 (4)30~35 ℃ 较高浓度的酒精会抑制醋酸菌的生长和代谢,使产酸量下降 (5)通入无菌空气(或打开瓶盖,盖上一层纱布)解析 (1)酵母菌是兼性厌氧菌,有氧条件下进行有氧呼吸,以实现快速大量繁殖;无氧条件下进行无氧呼吸,以生成酒精。(2)在果酒的自然发酵过程中,起主要作用的是附着在鸭梨皮上的野生酵母菌。(3)酒精发酵时一般将温度控制在18~30 ℃,温度过高,影响酶的活性,酵母菌代谢减慢甚至死亡。(4)果醋发酵过程中,适宜的温度为30~35 ℃,较高浓度的酒精会抑制醋酸菌的生长和代谢,使产酸量下降,因此较高的酒精度通常不适宜进行醋酸发酵。(5)进行醋酸发酵的醋酸菌是好氧菌,因此酒精发酵后转入醋酸发酵前,除改变温度外,还需调整的发酵条件是通入无菌空气(或打开瓶盖,盖上一层纱布)。考向2 泡菜的制作,考查实验设计及方案实施能力4.(2022·江苏百校联考,14)有关泡菜中亚硝酸盐含量的研究表明,亚硝酸盐的含量高低和亚硝酸盐含量峰值时间的早晚与食盐的浓度有关(见下图),下列有关叙述不正确的是( )A.食盐的浓度越高,亚硝酸盐生成快。亚硝酸盐含量峰值出现的早B.取食泡菜时,时间别太长,防止空气进入C.臭味的产生可能与取食过程中带入坛内油脂类物质有关D.所用的食盐水经煮沸后可除去水中的氧气并杀灭杂菌答案 A解析 从图中可以看出,亚硝酸盐含量上升最快的是食盐浓度为5%时,其峰值出现最早,当食盐浓度上升到7%,亚硝酸盐含量上升相对较慢,A错误;泡菜的制作原理是利用乳酸菌在无氧条件下进行乳酸发酵,所以取食泡菜时,时间别太长,防止空气进入,对乳酸菌有抑制作用,B正确;如果在取食过程中混入油脂,可能会破坏发酵过程,使泡菜出现臭味,C正确;泡菜制作过程中,所用的食盐水经煮沸后可除去水中的氧气并杀灭杂菌,D正确。5.(2022·湖南师大附中调研)泡菜制作方便、口味独特,深受人们喜爱。泡菜的腌制方式、时间、温度等条件对泡菜品质有很大的影响,泡菜制作过程中的微生物数量和亚硝酸盐含量变化也受人们的关注,利用生物学知识对泡菜腌制过程进行科学管理意义重大。请回答下列问题:(1)泡菜腌制过程中,进行发酵的主要微生物在细胞结构上属于 生物。不能采用加入抗生素的方法来抑制杂菌的原因是_______________________________。(2)在泡菜腌制的过程中,要注意相关条件的控制。首先,要选择合格的泡菜坛,并用水封的方式密闭处理,以保证坛内发酵所需的 环境。另外,温度过高、 用量过少、腌制时间过短,容易造成细菌大量繁殖,亚硝酸盐含量 。泡菜坛内常常会出现一层白膜,这是由产膜酵母繁殖形成的,酵母菌的代谢类型为 。(3)我们在日常生活中应多吃新鲜蔬菜,不宜多吃腌制蔬菜的原因是_____________________________________________________________。答案 (1)原核 抗生素会抑制乳酸菌的生长和繁殖 (2)无氧 食盐 增加 异养兼性厌氧型 (3)腌制蔬菜含有亚硝酸盐,亚硝酸盐在特定条件下会在体内转化成亚硝胺,亚硝胺具有致癌作用解析 (1)用于发酵泡菜的主要微生物是乳酸菌,其在细胞结构上属于原核生物。由于细菌对抗生素(乳酸菌属于细菌)敏感,因此在泡菜的制作过程中,不能加入抗生素,否则会抑制发酵菌种——乳酸菌的生长和繁殖。(2)乳酸菌是厌氧菌,向坛盖边沿的水槽中注满水,目的是保证坛内乳酸菌发酵所需的无氧环境。在泡菜腌制的过程中,要注意控制腌制的时间、温度和食盐的用量。温度过高、食盐用量过少、腌制时间过短,容易造成细菌大量繁殖,亚硝酸盐含量增加。酵母菌属于异养兼性厌氧型微生物,既可以进行有氧呼吸,又可以进行无氧呼吸。(3)日常生活中不宜多吃腌制蔬菜,是由于腌制蔬菜含有亚硝酸盐,亚硝酸盐在特定条件下会在体内转化成亚硝胺,亚硝胺具有致癌作用。考点二 发酵工程及其应用1.发酵工程的概念利用微生物的特定功能,通过现代工程技术,规模化生产对人类有用的产品。2.发酵工程基本环节分析提醒 ①传统发酵技术得到的产品一般不进行分离、提纯,而发酵工程得到的产品须根据发酵产品类型进行分离、提纯。②发酵生产排出的气体和废弃物不能直接排放到外界环境中,以避免对环境造成污染。3.发酵工程的应用(1)在发酵工程中,可通过诱变育种、基因工程育种获得菌种(√)(2)分离、提纯酵母菌发酵生产的单细胞蛋白,可采用过滤、沉淀等方法(√)(3)在连续培养过程中补充的同种培养液和空气须先灭菌(√)(4)乳酸菌可以代替酵母菌用于乙醇的生产(×)(5)发酵罐中微生物的生长繁殖、代谢物的形成速度都与搅拌速度有关(√)(6)单细胞蛋白是从微生物细胞中提取出来的(×)eq \x(选择性必修3 P23“思考·讨论”)怎样对发酵条件进行调控以满足微生物的生长需要?提示 发酵条件直接会影响微生物的生长和发酵产品的质量,发酵条件包括温度、pH、溶解氧、通气量等。温度条件的调控可通过向冷却夹层通入冷水来调控;pH条件的调控可在培养基中加入缓冲液,在发酵过程中加酸或碱;溶解氧的调控需根据微生物的代谢类型,若微生物是需氧型的,可通过空气入口通入空气,并调整搅拌叶轮转速增加溶解氧,若微生物是厌氧型的,需封闭空气入口,建立厌氧环境等。某生产谷氨酸的发酵装置,在中性和弱碱性条件下会积累谷氨酸,但在酸性条件下则容易形成谷氨酰胺和N乙酰谷氨酰胺,由此可知环境条件不仅影响微生物的生长繁殖,而且也会影响微生物代谢物的形成。1.发酵过程的影响因素(1)温度微生物分解有机物释放的能量,会引起发酵温度升高;机械搅拌也会产生一部分热量引起发酵温度升高。此外,发酵罐壁散热,水分蒸发会带走部分热量,使发酵温度降低。可用冷却水进行温度的调节。(2)pHpH发生变化的主要原因是培养液中营养成分的利用和代谢物的积累。例如,谷氨酸的发酵生产:在中性和弱碱性条件下会积累谷氨酸;在酸性条件下则容易形成谷氨酰胺和N乙酰谷氨酰胺。调节和控制培养液pH的方法:在培养液中添加缓冲液,在发酵过程中加酸或碱。(3)溶解氧好氧型微生物:溶解氧要充足;厌氧型微生物:严格的无氧环境,由发酵罐的通气口来控制。2.啤酒的工业化生产流程有8步,分为两个阶段考向 结合发酵工程及其应用,考查社会责任1.(2018·江苏卷,16)某高校采用如图所示的发酵罐进行葡萄酒主发酵过程的研究,下列叙述错误的是( )A.夏季生产果酒时,常需对罐体进行降温处理B.乙醇为挥发性物质,故发酵过程中空气的进气量不宜太大C.正常发酵过程中罐内的压力不会低于大气压D.可以通过监测发酵过程中残余糖的浓度来决定何时终止发酵答案 B解析 果酒发酵的适宜温度为18~30 ℃,因此夏季生产果酒时,常需对罐体进行降温处理,A正确;乙醇是酵母菌无氧呼吸的产物,因此发酵过程中不需要通入空气,B错误;无氧呼吸产生了二氧化碳,但是没有消耗氧气,因此发酵罐中的气压不会低于大气压,C正确;葡萄酒发酵的原料是糖类,因此可以通过监测发酵过程中残余糖的浓度来决定何时终止发酵,D正确。2.(2022·山东潍坊期中)发酵工程的内容包括菌种的选育、培养基的配制、灭菌、扩大培养和接种、发酵过程和产品的分离提纯等方面。下列关于发酵工程的认识错误的是( )A.发酵工程具有条件温和、产物单一、污染小的特点B.发酵工程的产品包括微生物的代谢产物和菌体本身C.通常所指的发酵条件包括温度、溶解氧和pH等D.发酵工程与传统发酵技术最大的区别是前者可以用微生物进行发酵答案 D解析 传统发酵技术和发酵工程都是利用各种微生物的代谢来实现相关产品的生产的,D错误。3.(2022·福建厦门期中)下图所示为发酵工程生产产品的流程图,据图回答:(1)若能生产人生长激素的工程菌是通过①培育的,①应该是 ;若高产青霉素菌种是通过②培育的,②应该是 。(2)根据培养基的用途,可以将它们分为 培养基和 培养基。各种培养基的具体配方不同,但一般都含有 等营养成分。培养基在使用之前要用 进行灭菌。(3)整个过程的中心环节是 ,在该时期要随时取样检测培养基中的 等。同时,要严格控制 等发酵条件,因为环境条件不仅会影响微生物的生长繁殖,而且会影响微生物 的形成。(4)在发酵过程中要不断搅拌的目的是① ;② 。(5)发酵产品分离、提纯时要根据产品的类型不同选择合适的方法。如果发酵产品是菌体本身,常常采用 等方法分离、提纯;如果发酵产品是微生物的代谢物,还要根据 采取适当的方法分离、提纯。答案 (1)基因工程 诱变育种 (2)选择 鉴别 碳源、氮源、水、无机盐 高压蒸汽灭菌法 (3)发酵过程 微生物数量、产物浓度 溶氧量、pH和温度 代谢物 (4)增加溶氧量 使菌种与培养液充分接触,提高原料的利用率 (5)过滤、沉淀 产物的性质重温真题 经典再现1.(2021·山东卷,12)葡萄酒的制作离不开酵母菌。下列说法错误的是( )A.无氧条件下酵母菌能存活但不能大量繁殖B.自然发酵制作葡萄酒时起主要作用的菌是野生型酵母菌C.葡萄酒的颜色是葡萄皮中的色素进入发酵液形成的D.制作过程中随着发酵的进行发酵液中糖含量增加答案 D解析 酵母菌是兼性厌氧菌,既可以进行有氧呼吸(彻底的氧化分解,释放大量的能量,有利于酵母菌的繁殖),又可以进行无氧呼吸(释放少量能量,产生酒精),A正确;自然发酵制作葡萄酒的菌种主要来自于葡萄皮表面的野生型酵母菌,B正确;制作的葡萄酒的颜色来自葡萄皮中的色素,C正确;随着发酵的进行,酵母菌进行无氧呼吸,消耗糖,所以糖含量减少,D错误。2.(2021·湖北卷,3)中国的许多传统美食制作过程蕴含了生物发酵技术。下列叙述正确的是( )A.泡菜制作过程中,酵母菌将葡萄糖分解成乳酸B.馒头制作过程中,酵母菌进行呼吸作用产生CO2C.米酒制作过程中,将容器密封可以促进酵母菌生长D.酸奶制作过程中,后期低温处理可产生大量乳酸菌答案 B解析 在泡菜制作过程中,乳酸菌将葡萄糖分解成乳酸,A错误;在馒头制作过程中,酵母菌进行细胞呼吸产生CO2,从而使馒头变得松软,B正确;在米酒制作过程中,将容器密封的目的是让酵母菌进行无氧呼吸产生酒精,将容器密封不利于酵母菌生长,C错误;在酸奶制作过程中,后期低温处理的目的是抑制微生物的生长,延长保质期,D错误。3.(2021·海南卷,17)关于果酒、果醋和泡菜这三种传统发酵产物的制作,下列叙述正确的是( )A.发酵所利用的微生物都属于原核生物B.发酵过程都在无氧条件下进行C.发酵过程都在同一温度下进行D.发酵后形成的溶液都呈酸性答案 D解析 参与果酒制作的微生物是酵母菌,属于真核生物,A错误;参与果醋制作的醋酸菌是好氧菌,因此果醋发酵需要有氧条件,B错误;不同的发酵过程需要的温度不同,C错误;果酒、果醋和泡菜发酵后形成的溶液都呈酸性,D正确。4.(2020·江苏卷,18)某同学在线提交了在家用带盖玻璃瓶制作果酒和果醋的实验报告,他的做法错误的是( )A.选择新鲜的葡萄略加冲洗,除去枝梗后榨汁B.将玻璃瓶用酒精消毒后,装满葡萄汁C.酒精发酵期间,根据发酵进程适时拧松瓶盖放气D.酒精发酵后去除瓶盖,盖一层纱布,再进行醋酸发酵答案 B解析 制作葡萄酒时,选择新鲜的葡萄,榨汁前先将葡萄略加冲洗,并除去枝梗,A正确;发酵瓶要用洗洁精清洗干净,并用体积分数为70%的酒精消毒,葡萄汁装入发酵瓶时,要留有大约1/3的空间,不能装满,这样既可以为酵母菌大量繁殖提供适量的氧气,又可以防止发酵旺盛时发酵液溢出,B错误;酒精发酵过程中会产生二氧化碳,为了释放出二氧化碳,要根据发酵进程适时拧松瓶盖放气,C正确;由于醋酸发酵使用的菌种为醋酸菌,醋酸菌为好氧细菌,为了给醋酸发酵提供充足的氧气,并防止空气中的杂菌污染,酒精发酵后去除瓶盖,盖一层纱布,再进行醋酸发酵,D正确。课后·分层训练(时间:35分钟)考点一 传统发酵技术的应用1.(2021·山东滨州期末)《本草纲目》中记载了酿制烧酒的过程以糯米或粳米等蒸熟,酿瓮中七日,……入甑蒸令汽上,用器承取滴露”,“凡酸败之酒,皆可蒸烧”。下列说法正确的是( )A.为使酵母菌进行酒精发酵,酿制时“瓮”应装满后密封B.“糯米或粳米”中所含物质只能为微生物提供碳源和氮源C.在利用酵母菌发酵的“七日”中,水和酒精是同时产生的D.发酵过程中密封不严,醋酸菌将酒精转化为醋酸使酒“酸败”答案 D解析 酿酒时,“瓮”应装满2/3的糯米或粳米,剩余1/3空间内的氧气,有利于酵母菌的快速增殖,A错误;“糯米或粳米”作为酵母菌的培养基,为其提供了碳源、氮源、生长因子、水和无机盐,B错误;酵母菌先进行有氧呼吸产生CO2和H2O,再进行无氧呼吸产生CO2和酒精,不能同时产生水和酒精,C错误;发酵过程中密封不严,能够导致醋酸菌的污染,同时醋酸菌在氧气的作用下,会将酒精转化为醋酸,从而使酒“酸败”,D正确。2.(2022·山东日照模拟)下列关于果酒、果醋和泡菜制作的叙述,正确的是 ( )A.制作果酒时,反复冲洗葡萄以避免杂菌污染B.控制好温度和酸碱度既有利于目的菌的繁殖,又可抑制杂菌的生长C.制作果醋和泡菜的主要微生物是原核生物,呼吸类型相同D.发酵过程中所有材料都需要进行严格的灭菌处理,以免杂菌污染答案 B解析 传统发酵时,果酒制作过程中不能反复冲洗葡萄,以免葡萄皮上的酵母菌丢失,A错误;控制好温度和酸碱度既有利于目的菌的繁殖,又可抑制杂菌的生长,B正确;制作果醋和泡菜的主要微生物分别是醋酸菌、乳酸菌,它们都是原核生物,但呼吸类型不同,醋酸菌是好氧细菌,乳酸菌是厌氧细菌,C错误;传统发酵的操作过程中进行消毒处理,但没有进行严格的灭菌处理,D错误。3.(2021·烟台期末)山东酱豆的制作要经过两次发酵。第一阶段以大豆为主要原料,利用毛霉、曲霉或细菌的作用,分解大豆蛋白质。第二阶段以蔬菜与发酵过的大豆为主,进行乳酸发酵。下列叙述正确的是( )A.第一阶段在空气中发酵时保湿,有利于霉菌的菌丝生长B.第二阶段定期通入空气有利于乳酸菌活动C.毛霉、曲霉产生的蛋白酶能促进大豆蛋白质、脂肪分解,可以丰富营养成分D.乳酸发酵能促进蔬菜中纤维素水解,损失了营养答案 A解析 第一阶段在空气中利用毛霉、曲霉或细菌的作用,发酵时保湿,有利于霉菌的菌丝生长,A正确;第二阶段密封有利于乳酸菌活动,B错误;毛霉等微生物产生的蛋白酶可以将大豆中的蛋白质分解成小分子的肽和氨基酸,C错误;乳酸发酵能促进蔬菜中纤维素水解,有利于人们食用后消化吸收,没有损失营养,D错误。4.(不定项)(2022·山东烟台调研)利用卷心菜发酵制作泡菜的过程中,乳酸菌、酵母菌细胞数量和pH的变化如图所示。下列叙述不正确的是( )A.酵母菌和乳酸菌均有核膜包被的细胞核B.发酵初期乳酸菌建立了明显的菌种优势C.前6天pH下降主要由乳酸菌代谢引起D.发酵中期酵母菌通过有氧呼吸为细胞增殖提供能量答案 AD解析 乳酸菌是原核生物,细胞内没有核膜包被的细胞核,A错误;根据题图中乳酸菌和酵母菌的数量变化曲线对比分析可知,发酵初期乳酸菌远多于酵母菌,所以乳酸菌成了明显的优势菌种,B正确;结合曲线图分析,前6天,由于乳酸菌远多于酵母菌,其产生的乳酸会降低培养液的pH,C正确;由于整个发酵过程都是在无氧条件下进行的,在发酵中期,酵母菌只能通过无氧呼吸为细胞增殖提供能量,D错误。考点二 发酵工程及应用5.(2022·辽宁大连模拟)发酵工程在现代生物工程中的地位越来越重要。下列有关发酵过程的叙述,错误的是( )A.密闭式发酵罐的设计成功使大规模生产发酵产品得以实现B.要随时取样,检测培养液的细菌数目、产物浓度等,以了解发酵进程C.在发酵过程中不需要向装置中再添加必需的营养组分D.要严格控制温度、pH、溶解氧等发酵条件答案 C解析 在发酵过程中需要向装置中添加必需的营养组分,C错误。6.(不定项)(2022·菏泽期末)与传统发酵技术相比,发酵工程的产品种类更加丰富,产量和质量明显提高。下列有关说法正确的是( )A.发酵工程与传统发酵技术最大的区别就是前者可以利用微生物来进行发酵B.发酵工程的产品主要包括微生物的代谢物、酶及菌体本身C.在发酵工程的发酵环节中,发酵条件变化不仅会影响微生物的生长繁殖,也会影响微生物的代谢途径D.通过发酵工程可以从微生物细胞中提取单细胞蛋白答案 BC解析 发酵工程与传统发酵技术都需要利用微生物来进行发酵,A错误;单细胞蛋白是指利用发酵工程获得的大量的微生物菌体,D错误。7.(2022·山师大附中调研)从传统发酵技术到发酵工程,发酵技术的发展为人们提供了丰富多样的食品和药物等。下列相关叙述错误的是( )A.醋酸菌能以酵母菌的某种代谢产物为原料合成醋酸B.无氧条件下利用大肠杆菌发酵大规模生产青霉素C.腐乳味道鲜美是因为毛霉等产生的蛋白酶将蛋白质分解为氨基酸和小分子的肽D.甜面酱、酱油、豆豉等都是利用传统发酵技术制作的食品答案 B解析 醋酸菌在缺乏糖源时,能以酒精为原料合成醋酸,A正确;青霉素由青霉菌合成,青霉菌为需氧型生物,需在有氧条件下发酵,另外,青霉素对许多细菌具有较强的杀伤性,不宜用大肠杆菌生产青霉素,B错误;毛霉等产生的蛋白酶可将豆腐中的蛋白质分解为氨基酸和小分子的肽,使腐乳味道鲜美、易于消化吸收,C正确;除泡菜、果酒、果醋、腐乳外,甜面酱、酱油、豆豉等也是利用传统发酵技术制作的食品,D正确。8.(2022·辽宁大连模拟)陈醋是我国发明的传统调味品之一,酿制及食用已有3 000多年历史。陈醋生产工艺流程如图所示。(1)在糖化阶段添加淀粉酶制剂需要控制反应温度,这是因为_________________________________________________。(2)在酒精发酵阶段需添加酵母菌,在操作过程中,发酵罐先通气,后密闭。先通气的目的是______________________________________________。技术员定时抽取发酵液,向发酵液中滴加酸性重铬酸钾溶液,以是否呈现 色来判断是否有酒精产生,若要使检验的结果更有说服力,应该 。(3)利用醋酸菌获得醋酸的条件有两种情况,一是在 时,将糖分解成醋酸;二是在缺少糖源时,利用酒精生成醋酸。(4)研究表明,在陈醋的酿造过程中,起主导作用的是醋酸菌,而乳酸菌也存在于醋醅中,其代谢产生的乳酸是影响陈醋风味的重要因素。成熟醋醅中乳酸菌的种类明显减少,主要原因是发酵后期 (至少写出2种)等环境因素的变化, ,淘汰了部分乳酸菌种类。答案 (1)酶在最适温度下催化能力最强 (2)让酵母菌进行有氧呼吸大量繁殖,有利于密闭发酵时获得更多的酒精 灰绿 设计对照实验 (3)氧气和糖源都充足 (4)氧气、营养物质、pH 加剧了不同种乳酸菌之间的种间竞争解析 (1)分析流程图可知,糖化阶段就是淀粉在淀粉酶作用下水解产生葡萄糖的过程,酶在最适温度下活性最强,因此在糖化阶段添加酶制剂需要控制反应温度。(2)酵母菌属于兼性厌氧型微生物,在有氧条件下能够大量繁殖,在无氧条件下进行无氧呼吸产生酒精。因此在酒精发酵阶段,发酵罐先通气,后密闭。通气的目的是让酵母菌进行有氧呼吸大量繁殖,有利于密闭时获得更多的酒精。酸性条件下重铬酸钾与酒精反应呈灰绿色,故可滴加酸性重铬酸钾溶液观察是否呈现灰绿色来判断是否有酒精产生,若要使检验的结果更有说服力,应该设计对照实验。(3)利用醋酸菌获得醋酸的条件有两种情况,一是在氧气和糖源都充足时,醋酸菌将糖分解成醋酸;二是在缺少糖源时,醋酸菌利用酒精生成醋酸。(4)成熟醋醅中乳酸菌的种类明显减少,主要原因是发酵后期氧气、营养物质、pH等环境因素的变化,加剧了不同种乳酸菌之间的种间竞争,淘汰了部分乳酸菌种类。9.(2022·山东部分重点中学模拟)泡菜在我国历史悠久,流传广泛,是人们喜爱的开胃食品。泡菜的制作离不开乳酸菌。请回答下列问题:(1)欲用新鲜的泡菜滤液分离纯化乳酸菌,首先需要对泡菜滤液进行 后涂平板,以便分离得到单菌落。分离纯化所用固体培养基中因含有碳酸钙而不透明,乳酸菌代谢过程中产生的乳酸能溶解培养基中的碳酸钙,故分离纯化时应挑选出具有 的菌落作为候选菌。(2)在泡菜制作过程中,需要加入一定量的食盐。如果食盐加入过多,会导致所制作的泡菜咸而不酸,其原因是_______________________________________。(3)在泡菜制作过程中,密封发酵坛的目的是 。在泡菜制作过程中,向发酵坛中加入香辛料的主要作用是 。(4)为了身体健康,应少吃泡菜,这是因为泡菜中含有较多的亚硝酸盐。测定亚硝酸盐含量时,从泡菜坛中取样后应迅速封坛,其目的是_________________。答案 (1)梯度稀释 透明圈 (2)食盐浓度过高会抑制乳酸菌的发酵 (3)给乳酸菌发酵提供无氧环境 调制泡菜的风味 (4)防止泡菜被污染解析 (1)由于泡菜滤液中乳酸菌的浓度高,直接取泡菜滤液培养乳酸菌很难分离得到单菌落,故分离纯化乳酸菌时,首先需要用无菌水对泡菜滤液进行梯度稀释。由于乳酸菌代谢过程中产生的乳酸可以溶解培养基中的碳酸钙,从而形成透明圈,故应挑选出培养基中具有透明圈的菌落作为候选菌。(2)盐水浓度过大会抑制乳酸菌发酵,导致产生的乳酸过少。(3)因为乳酸菌进行无氧呼吸产生乳酸,所以为了给乳酸菌发酵提供无氧环境,发酵坛需要密封。香辛料可以调制泡菜的风味。(4)测定亚硝酸盐含量时,从泡菜坛中取样后应迅速封坛,防止泡菜被污染。10.(2022·山东济宁期中)如图是传统发酵技术的部分制作装置及操作步骤示意图。请据图回答下列问题:(1)A和B装置中,适用于果醋制作的是 ,判断的理由是_______________________________________________________________。(2)在葡萄酒的自然发酵过程中,酵母菌主要来源于 。(3)醋酸菌是一种好氧细菌,只有当条件适宜时,才能进行旺盛的生理活动。当 都充足时,醋酸菌可将糖分解成醋酸;在缺少糖源时,醋酸菌可将乙醇转化为 ,再进一步转变为醋酸。(4)进行果酒制作时,A装置中的发酵液不能装满,从微生物代谢的角度分析,其目的是 ,该发酵需要的温度条件是 ℃。(5)C装置是制作 的装置,其中在发酵坛盖沿上加水的目的是________________________________________________________________。答案 (1)B 该装置可不断通气,以满足制作果醋时醋酸菌对氧气的需求 (2)附着在葡萄皮上的野生酵母菌 (3)氧气和糖源 乙醛 (4)满足酵母菌进行有氧呼吸时对氧气的需求 18~30 (5)泡菜 增强密封性,创造无氧环境解析 (1)A装置属于密封装置,B装置有通气孔,A和B装置中,适用于果醋制作的是B装置,因为醋酸菌是好氧细菌,发酵容器需要设有通气孔。(2)在葡萄酒的自然发酵过程中,酵母菌主要来源于附着在葡萄皮上的野生酵母菌。(3)醋酸菌是一种好氧细菌,只有当条件适宜时,才能进行旺盛的生理活动。当糖源和氧气都充足时,醋酸菌可将糖分解成醋酸;在缺少糖源的条件下,醋酸菌可将乙醇转化为乙醛,再进一步转变为醋酸。(4)A装置中的发酵液不能装满,因为果酒制作初期,酵母菌要进行有氧呼吸产生能量以满足自身大量繁殖所需,酵母菌酒精发酵需要的温度条件是18~30 ℃。(5)C装置是制作泡菜的装置,其中在发酵坛盖沿上加水的目的是增强密封性,创造无氧环境。11.(2022·长沙一中调研)人类利用微生物发酵制作果酒、果醋的历史源远流长。如图为果酒、果醋制作流程和分离纯化菌种的方法,据图回答下列问题。(1)家庭制作果酒时,选择新鲜的葡萄冲洗,应特别注意不能 ,以防止葡萄皮上的菌种流失。在冲洗之 (填“前”或“后”)去梗,其目的是 。(2)制作葡萄酒和葡萄醋所用的主要微生物的代谢类型分别是________________________________________________________。(3)酒精发酵时,每隔一段时间需要拧松瓶盖或打开气阀,目的是________________________________________________________________。该过程中检测酒精产生时可用溶有重铬酸钾的 (填“稀盐酸”或“浓硫酸”)溶液。(4)为了提高产品的品质,需要人工培养纯净的菌种。图2中获得酒精发酵所需要的纯净菌种的方法是 ,操作结束时,仍需要对接种工具进行灼烧的目的是________________________________。答案 (1)反复冲洗 后 防止杂菌污染 (2)异养兼性厌氧型、异养需氧型 (3)防止产生过多的CO2引起爆炸 浓硫酸 (4)平板划线法 及时杀死接种工具上残留的菌种,避免细菌污染环境和感染操作者(合理即可)解析 (1)家庭制作果酒时,菌种来自新鲜的葡萄皮,为防止葡萄皮上的菌种流失,应特别注意不能反复冲洗。在冲洗之后去梗,其目的是防止杂菌污染。(2)制作葡萄酒所用的主要微生物是酵母菌,其代谢类型是异养兼性厌氧型,制作葡萄醋的菌种是醋酸菌,其代谢类型是异养需氧型。(3)酒精发酵时会产生CO2,过多的CO2会使发酵瓶中气压升高,严重时会引起爆炸。橙色的重铬酸钾在酸性条件下与乙醇(酒精)发生化学反应,变成灰绿色,可据此检测酒精,因稀盐酸与重铬酸钾会发生反应,所以在操作中可用溶有重铬酸钾的浓硫酸溶液。(4)为了提高产品的品质,需要人工培养纯净的菌种。图2表示平板划线法,划线操作结束时,仍需要对接种工具进行灼烧,目的是及时杀死接种工具上残留的菌种,避免细菌污染环境和感染操作者。12.(2021·潍坊一中期末)豆豉,古代称为“幽菽”,是一种以大豆为原料利用毛霉、曲霉或者细菌等微生物发酵制成的食品,是我国传统饮食文化的重要组成部分,在《齐民要术》、《本草纲目》等都有记载。研究人员用酪蛋白、牛肉膏、磷酸氢二钾、溴麝香草酚蓝等配制了培养基,对传统豆豉发酵过程中的微生物进行分离纯化,成功的筛选出了能高产蛋白酶的芽孢杆菌菌株,过程如下图所示。(1)该实验制备固体培养基时,通常需要在液体培养基中加入 。接种前,科研人员随机取若干制备的空白平板先培养一段时间,这样做的目的是 。(2)初选时常用 法进行分离,培养前需要梯度稀释的目的是 。(3)酪蛋白在固体培养基中溶解性差,导致配制的培养基不透明。在培养基中加入酪蛋白的作用是 ,从功能上说这种培养基属于 培养基。(4)富集培养可以迅速增加芽孢杆菌的数量,培养过程宜选用液体培养基的原因是 。答案 (1)琼脂 检测制备的空白平板是否被污染 (2)稀释涂布平板 (使聚集的微生物分散成单个细胞)便于获得单菌落 (3)提供营养物质和鉴别筛选产蛋白酶的菌株 鉴别 (4)能增大菌体与培养基的接触面积,为菌株的生长和繁殖提供更多的营养和空间解析 (1)要制备固体培养基,需要加入琼脂。随机取若干制备的空白平板先培养一段时间,可以检测制备的空白平板是否被污染。(2)常用稀释涂布平板法进行初选分离,梯度稀释便于获得单菌落。(3)酪蛋白可以提供营养物质,且可以鉴别筛选产蛋白酶的菌株。该培养基属于鉴别培养基。(4)液体培养基可以增大菌体与培养基的接触面积,为菌株的生长和繁殖提供更多的营养和空间。内容要求——明考向近年考情——知规律(1)举例说明日常生活中的某些食品是运用传统发酵技术生产的;(2)阐明发酵工程利用微生物进行发酵来生产特定的产物;(3)举例说明发酵工程在医药、食品及其他工农业生产上的应用;(4)利用乳酸菌发酵制作泡菜(活动);(5)利用酵母菌、醋酸菌分别制作果酒和果醋(活动)。2021·湖北卷(3)、2021·辽宁卷(8)、2021·全国乙卷(37)、2020全国卷Ⅲ(37)选择性必修3 P6“探究·实践”
相关资料
更多

