所属成套资源:高考专区化学二轮专题同步练习全册
统考版高考化学复习高频考点分层集训第三单元金属及其化合物检测3金属及其化合物含答案
展开这是一份统考版高考化学复习高频考点分层集训第三单元金属及其化合物检测3金属及其化合物含答案,共15页。试卷主要包含了选择题,非选择题等内容,欢迎下载使用。
1.化学已深入我们的生活,下列有关说法不正确的是( )
A.PM2.5含有的铅、镉、铬、钒等对人体有害的元素是金属元素
B.铝与Fe2O3发生铝热反应,反应后固体物质增重
C.“熬胆矾铁釜,久之亦化为铜”,该过程发生了置换反应
D.古剑“沈卢”“以剂钢为刃,柔铁为茎干,不尔则多断折”,“剂钢”指的是铁的合金
2.下列有关金属的工业制法中,正确的是( )
A.制钠:以海水为原料制得精盐,再电解纯净的NaCl溶液
B.制铁:以铁矿石为原料,CO还原得铁
C.制镁:以海水为原料,经一系列过程制得氧化镁固体,H2还原得镁
D.制铝:从铝土矿中获得氧化铝再得到氯化铝固体,电解熔融的氯化铝得铝
3.“类推”这种思维方法在化学学习与研究中有时会产生错误结论,因此类推的结论最终要经过实践的检验才能确定其是否正确。下列几种类推结论中错误的是( )
①钠与水反应生成NaOH和H2;所有金属与水反应都生成碱和H2
②铁露置在空气中一段时间后会生锈;性质更活泼的铝不能稳定存在于空气中
③Al(OH)3、Cu(OH)2受热易分解;Fe(OH)3受热也易分解
④不能用电解熔融的AlCl3来制取金属铝,也不能用电解熔融的MgCl2来制取金属镁
A.①④ B.②④
C.①②④ D.①②③④
4.元素及其化合物丰富了物质世界。下列说法正确的是( )
A.铜在冷的浓硫酸中会钝化,所以把铜放入冷的浓硫酸中无明显现象
B.NaOH溶液和AlCl3溶液相互滴加的现象不同
C.金属比非金属易失电子,所以金属可以置换非金属,而非金属不能置换金属
D.Al与热水反应困难,故活泼性不及Al的金属在任何条件下均不能与H2O发生反应
5.下列实验现象与对应结论均正确的是( )
6.陈述Ⅰ和Ⅱ均正确且具有因果关系的是( )
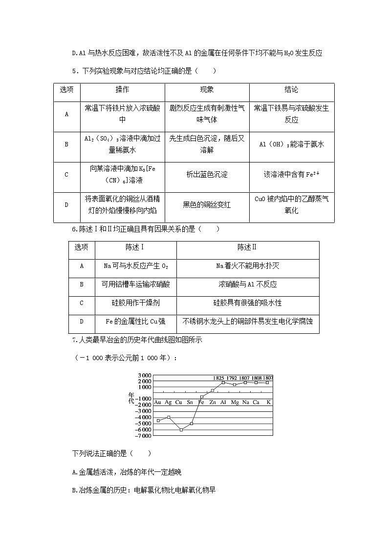
7.人类最早冶金的历史年代曲线图如图所示
(-1 000表示公元前1 000年):
下列说法正确的是( )
A.金属越活泼,冶炼的年代一定越晚
B.冶炼金属的历史:电解氯化物比电解氧化物早
C.自然界中铜元素以游离态形式存在,故铜的冶炼年代最早
D.金属氧化物(如Al2O3、Cu2O)也属于金属材料
8.下列实验操作、现象、结论均正确的是( )
9.下列现象或事实、解释都正确的是( )
10.下列有关物质用途的说法中,不正确的是( )
A.三氧化二铁常用作红色油漆和涂料
B.强化木地板表面的氧化铝具有耐磨与阻燃的作用
C.铜的金属活动性比铁弱,可在海轮外壳上装若干铜块以减缓其腐蚀
D.Mg在空气中燃烧时发出耀眼的白光,可用于制造信号弹
11.向HCl、AlCl3混合溶液中逐滴加入NaOH溶液,生成沉淀的量随NaOH溶液加入量的变化关系如图所示,则下列离子组在对应的溶液中一定能大量共存的是( )
A.M点对应的溶液中:K+、Fe2+、SO eq \\al(\s\up11(2-),\s\d4(4)) 、NO eq \\al(\s\up11(-),\s\d4(3))
B.N点对应的溶液中:K+、NH eq \\al(\s\up11(+),\s\d4(4)) 、Cl-、CO eq \\al(\s\up11(2-),\s\d4(3))
C.S点对应的溶液中:Na+、SO eq \\al(\s\up11(2-),\s\d4(4)) 、HCO eq \\al(\s\up11(-),\s\d4(3)) 、NO eq \\al(\s\up11(-),\s\d4(3))
D.R点对应的溶液中:Na+、SO eq \\al(\s\up11(2-),\s\d4(4)) 、Cl-、NO eq \\al(\s\up11(-),\s\d4(3))
12.下列叙述正确的是( )
①Na2O与Na2O2都能和水反应生成碱,它们都是碱性氧化物
②Na2CO3溶液和NaHCO3溶液都能跟CaCl2溶液反应得到白色沉淀
③钠在常温下不容易被氧化
④Na2O2可作供氧剂,而Na2O不行
⑤向石蕊试液中加入Na2O2粉末,溶液先变蓝后褪色,并有气泡生成
⑥钠与浓NH4Cl溶液反应,放出的气体中含H2和NH3
A.都正确 B.②③④⑤
C.②⑤⑥ D.④⑤⑥
13.下列化学实验事实及其解释不正确的是( )
A.滴有酚酞的NaHCO3溶液呈浅红色,微热后红色加深,是因为NaHCO3分解生成了Na2CO3
B.钠保存在煤油中,是因为煤油不与钠发生反应,钠比煤油密度大,煤油可以使钠隔绝空气和水蒸气
C.用洁净的玻璃管向包有Na2O2的脱脂棉吹气,脱脂棉燃烧,说明CO2、H2O与Na2O2的反应是放热反应
D.钠长期暴露在空气中的产物是Na2CO3,原因是钠与氧气生成的Na2O与水和二氧化碳反应
14.某化合物M由两种常见的元素组成,为了测定其组成进行如下实验:
M的化学式可能为( )
A.Cu2S B.CuS
C.FeS2 D.Fe3S4
15.下列实验中,对应的现象以及结论都正确且两者具有因果关系的是( )
二、非选择题(本题共55分)
16.(13分)某班同学用如下实验探究Fe2+、Fe3+的性质。回答下列问题:
(1)分别取一定量氯化铁、氯化亚铁固体,均配制成0.1 ml·L-1的溶液。在FeCl2溶液中需加入少量铁屑,其目的是_________________________________________________。
(2)甲组同学取2 mL FeCl2溶液,加入几滴氯水,再加入1滴KSCN溶液,溶液变红,说明Cl2可将Fe2+氧化。FeCl2溶液与氯水反应的离子方程式为________________________________________________________________________。
(3)乙组同学认为甲组的实验不够严谨,该组同学在2 mL FeCl2溶液中先加入0.5 mL煤油,再于液面下依次加入几滴氯水和1滴KSCN溶液,溶液变红,煤油的作用是
________________________________________________________________________。
(4)丙组同学取10 mL 0.1 ml·L-1 KI溶液,加入6 mL 0.1 ml·L-1FeCl3溶液混合。分别取2 mL此溶液于3支试管中进行如下实验:
①第一支试管中加入1 mL CCl4充分振荡、静置,CCl4层显紫色;
②第二支试管中加入1滴K3[Fe(CN)6]溶液,生成蓝色沉淀;
③第三支试管中加入1滴KSCN溶液,溶液变红。
实验②检验的离子是 (填离子符号);实验①和③说明:在I-过量的情况下,溶液中仍含有 (填离子符号),由此可以证明该氧化还原反应为 。
(5)丁组同学向盛有H2O2溶液的试管中加入几滴酸化的FeCl2溶液,溶液变成棕黄色,发生反应的离子方程式为 ;一段时间后,溶液中有气泡出现,并放热,随后有红褐色沉淀生成。产生气泡的原因是 ;生成沉淀的原因是 (用平衡移动原理解释)。
17.(15分)我国化工专家侯德榜的“侯氏制碱法”曾为世界制碱工业做出了突出贡献,他以饱和食盐水、NH3、CO2为原料先制得NaHCO3,进而生产出纯碱。回答下列问题:
某探究活动小组根据上述制碱原理,进行碳酸氢钠的制备实验,同学们各自设计方案进行实验。一位同学将二氧化碳气体通入含氨的饱和食盐水中制备碳酸氢钠,实验装置如图所示(图中夹持、固定用的仪器未画出)。
(1)装置甲中用稀盐酸与CaCO3反应制备CO2,发现CaCO3与稀盐酸不能接触,再加稀盐酸时,发现试剂瓶中的稀盐酸已用完,为使反应能顺利进行,可向长颈漏斗中加入的试剂是 (填序号)。
A.稀硫酸 B.CCl4 C.苯 D.稀硝酸
(2)乙装置中的试剂是 ;丁装置中稀硫酸的作用是________________________________________________________________________。
(3)另一位同学用图中戊装置(其他装置未画出)进行实验。实验时,须先从 管通入 (填化学式)气体。
(4)有同学建议在戊装置的b管下端连接己装置,理由是________________________________________________________________________。
(5)下表中所列出的是相关物质在不同温度下的溶解度数据(g/100 g水):
参照表中数据,请分析丙、戊装置中使用冷却水或者冰水的原因: 。
(6)该小组同学为了测定丙中所得晶体中碳酸氢钠的纯度(假设晶体中不含碳酸盐杂质),将晶体充分干燥后,称量质量为w g。再将晶体加热到质量不再变化时,称量所得粉末质量为m g。然后进行如图所示实验:
①在操作Ⅱ中,为了判断加入氯化钙溶液是否过量,其中正确的是 (填序号)。
a.在加入氯化钙溶液后,振荡、静置,向溶液中继续加入少量氯化钙溶液
b.在加入氯化钙溶液后,振荡、静置,向溶液中再加入少量碳酸钠溶液
c.在加入氯化钙溶液后,振荡、静置,取上层清液再加入少量碳酸钠溶液
②所得晶体中碳酸氢钠的纯度为____________________________________________。
18.(13分)铝是一种应用广泛的金属,工业上用Al2O3和冰晶石(Na3AlF6)混合熔融电解制得。
①铝土矿的主要成分是Al2O3和SiO2等。从铝土矿中提炼Al2O3的流程如下:
②以萤石(CaF2)和纯碱为原料制备冰晶石的流程如下:
回答下列问题:
(1)写出反应1的化学方程式:
________________________________________________________________________,
________________________________________________________________________;
(2)滤液Ⅰ中加入CaO生成的沉淀是 ,反应2的离子方程式为
________________________________________________________________________;
(3)E可作为建筑材料,C是 ,写出由D制备冰晶石的化学方程式:
________________________________________________________________________;
(4)电解制铝的化学方程式是__________________________________________,
以石墨为电极,阳极产生的混合气体的成分是 。
19.(14分)铜及其化合物在生产生活中有广泛应用,铜在化合物中的常见化合价有+1、+2。已知Cu2O与稀硫酸反应,溶液呈蓝色。
(1)工业上可用Cu2S+O2 eq \(=====,\s\up7(△)) 2Cu+SO2反应制取粗铜,该反应中 元素被还原。
(2)将少量铜丝放入适量的稀硫酸中,温度控制在50 ℃,加入H2O2溶液,一段时间后,升温到60 ℃,再反应一段时间后可制得硫酸铜,该反应的离子方程式为 。温度控制在50~60 ℃的原因除了加快反应速率外,还有 。在CuSO4溶液中加入一定量的Na2SO3和NaCl溶液加热,生成CuCl沉淀,写出生成CuCl的离子方程式:_________________________________________________。
(3)现向Cu、Cu2O和CuO组成的混合物中,加入2 L 0.6 ml·L-1 HNO3溶液恰好使混合物溶解,同时收集到4 480 mL NO气体(标准状况)。Cu2O与稀硝酸反应的离子方程式为________________________________________________________________________。
若将上述混合物用足量的H2加热还原,所得到固体的质量为 g。若混合物中含0.2 ml Cu,将该混合物与稀硫酸充分反应,消耗H2SO4的物质的量为 ml。
单元检测3 金属及其化合物
1.B 铝与氧化铁发生铝热反应,由质量守恒定律知,反应前后固体质量不变(因为反应物、产物均为固体)。
2.B 工业制钠是电解熔融NaCl:2NaCl(熔融) eq \(=====,\s\up7(电解)) 2Na+Cl2↑,而电解NaCl溶液:2NaCl+2H2O eq \(=====,\s\up7(电解)) 2NaOH+H2↑+Cl2↑得不到钠,故A错误;工业制铁是用CO还原铁矿石:3CO+Fe2O3 eq \(=====,\s\up7(高温)) 2Fe+3CO2,故B正确;工业制镁是电解熔融MgCl2:MgCl2(熔融) eq \(=====,\s\up7(电解)) Mg+Cl2↑,故C错误;工业制铝是电解熔融Al2O3:2Al2O3(熔融) eq \(=====,\s\up11(电解),\s\d4(冰晶石)) 4Al+3O2↑,AlCl3是共价化合物,在熔融状态下不导电,故D错误。
3.C ①活泼金属钠与水反应生成NaOH和H2,金属与水反应不一定生成碱,如Fe与水蒸气在高温下反应生成Fe3O4和H2,错误;②铁露置在空气中一段时间后会生锈,是因为发生了电化学腐蚀,金属铝在空气中和O2反应表面生成一层致密的氧化铝薄膜,阻止O2与内部铝反应,所以铝能稳定存在于空气中,错误;③难溶性碱受热易分解,所以Fe(OH)3受热也易分解,正确;④AlCl3是共价化合物,熔融状态下不导电,故不能用电解熔融的AlCl3来制取金属铝,MgCl2是离子化合物,熔融状态下导电,能用电解熔融的MgCl2来制取金属镁,错误。
4.B A.铜与冷的浓硫酸不反应,不是因为铜与浓硫酸发生钝化,错误;B.氢氧化钠溶液滴入氯化铝溶液中开始有沉淀生成然后沉淀逐渐消失,而把氯化铝滴入氢氧化钠溶液中,开始无沉淀生成然后逐渐产生沉淀,但不会消失,正确;C.金属比非金属易失电子,但非金属可以置换金属,如C与CuO的反应,错误;D.Al与热水反应困难,但活泼性不如Al的Fe与水蒸气在高温条件下能反应生成四氧化三铁和氢气,错误。
5.C A中现象错误,常温下铁遇浓H2SO4会钝化,但无明显现象;B中现象和结论均错误,Al(OH)3不溶于氨水中;D中结论错误,应是CuO被乙醇蒸气还原。
6.C A项,Na与水反应产生H2,陈述Ⅰ不正确;B项,浓硝酸使Al在常温下发生钝化,陈述Ⅱ不正确;C项,硅胶具有很强的吸水性,所以可用作干燥剂;D项,Fe的金属性比Cu强,因此发生电化学腐蚀时,不锈钢水龙头上的铜部件作正极,更不易被腐蚀,陈述Ⅱ不正确。故选C。
7.B A项,由题图可知,铜冶炼的年代比银和金早,而铜比银和金活泼,错误;B项,金属氯化物的沸点一般比金属氧化物低,在冶炼初期会选择电解金属氯化物,正确;C项,自然界中铜以化合态存在,错误;D项,金属材料指的是金属元素或以金属元素为主构成的具有金属特性的材料的统称,金属氧化物不是金属材料,错误。故选B。
8.C A项,铜粉加入硫酸铁溶液中发生反应:Cu+2Fe3+===Cu2++2Fe2+,Cu的活泼性不如铁,所以不能置换出铁单质,错误;B项,即便原溶液中不含Fe3+,加入双氧水后,Fe2+也会被氧化为Fe3+,滴入KSCN溶液后溶液变为红色,错误;C项,向AlCl3溶液中滴加NaOH溶液直至过量,先生成Al(OH)3沉淀,之后Al(OH)3又和NaOH反应生成盐和水,说明Al(OH)3具有酸性,正确;D项,过氧化钠与水反应可以生成碱性物质NaOH,不能证明过氧化钠呈碱性,错误。故选C。
9.B 因为Mg可在CO2中燃烧生成MgO和C,故金属镁着火不能用泡沫灭火器灭火,A错误;K2FeO4具有强氧化性,可杀菌消毒,其还原产物Fe3+水解得到的Fe(OH)3胶体具有吸附性,能净水,则K2FeO4可用于自来水的消毒和净化,B正确;铜锈的主要成分是铜在空气中与氧气、水、二氧化碳反应生成的碱式碳酸铜,属于盐类,可溶于盐酸,C错误;常温下,将铁片浸入足量的浓硫酸中,铁的表面被氧化,形成了一层致密的氧化膜,阻止了内部金属进一步反应,故铁片不溶解,D错误。
10.C 三氧化二铁是红棕色粉末,常用作红色油漆和涂料,故A正确;氧化铝的熔点高、硬度大,是一种比较好的耐火材料,故强化木地板表面的氧化铝具有耐磨与阻燃的作用,故B正确;铜的金属活动性比铁弱,形成原电池时Cu为正极,Fe为负极,会加速海轮外壳的腐蚀,故C错误;Mg在空气中燃烧时发出耀眼的白光,明亮显眼,可用于制造信号弹,故D正确。
11.D 滴加NaOH溶液时,O→N是NaOH与HCl反应,由N点开始到曲线的最高点是NaOH与AlCl3反应生成Al(OH)3沉淀,由最高点到右边最低点是NaOH与Al(OH)3反应生成NaAlO2,据此分析。M点时盐酸未完全反应,则溶液显酸性,Fe2+与NO eq \\al(\s\up11(-),\s\d4(3)) 在酸性条件下会发生氧化还原反应,不能大量共存,A错误;N点时盐酸与NaOH恰好完全反应,溶液中含有大量Na+、Al3+和Cl-,Al3+、CO eq \\al(\s\up11(2-),\s\d4(3)) 发生双水解,不能大量共存,B错误;S点时AlCl3与NaOH未完全反应,Al3+与HCO eq \\al(\s\up11(-),\s\d4(3)) 易发生双水解反应而不能大量共存,C错误;R点时Al(OH)3与NaOH未完全反应,溶液中存在Na+、AlO eq \\al(\s\up11(-),\s\d4(2)) 和Cl-,与SO eq \\al(\s\up11(2-),\s\d4(4)) 、NO eq \\al(\s\up11(-),\s\d4(3)) 均不反应,所给离子能大量共存,D正确。
12.D 过氧化钠属于过氧化物,不属于碱性氧化物,①错误;NaHCO3溶液和CaCl2溶液不发生反应,②错误;钠是活泼金属,易与空气中的氧气反应,③错误;过氧化钠与水、CO2反应均能放出氧气,Na2O与水(或CO2)反应生成氢氧化钠(或Na2CO3),不生成O2,④正确;Na2O2与水反应生成NaOH和O2,NaOH使石蕊变蓝,Na2O2具有强氧化性而使溶液褪色,⑤正确;Na与H2O反应生成H2和NaOH,NaOH与NH eq \\al(\s\up11(+),\s\d4(4)) 反应有NH3生成,⑥正确。
13.A 对NaHCO3溶液微热,HCO eq \\al(\s\up11(-),\s\d4(3)) 水解程度增大,溶液碱性增强,A错误。
14.A 由题意并结合选项可知,1.60 g M在高温下反应生成的气体是二氧化硫,二氧化硫被双氧水氧化为硫酸,根据滴定过程消耗的氢氧化钠,可以求出n(S)=n(SO2)=n(H2SO4)= eq \f(1,2) n(NaOH)= eq \f(1,2) ×20.00×10-3 L×0.1 ml·L-1× eq \f(250 mL,25.00 mL) =0.01 ml,所以m(S)=0.32 g,则m(金属)=1.6 g-0.32 g=1.28 g,假若是铜,则n(Cu)=0.02 ml,M可能为Cu2S;假若是铁,则n(Fe)=0.023 ml,没有与之对应的选项。
15.D A项,稀硝酸中加入过量铁粉,产物是Fe2+,滴加KSCN溶液,不会出现血红色;B项,将铜粉加入1.0 ml·L-1 Fe2(SO4)3溶液中,溶液变蓝,发生了反应:2Fe3++Cu===2Fe2++Cu2+,说明氧化性Fe3+>Cu2+,没有黑色固体出现;C项,用坩埚钳夹住一小块用砂纸仔细打磨过的铝箔在酒精灯上加热,铝箔表面的铝和空气中的氧气反应生成Al2O3,Al2O3熔点高,包裹着熔化的铝,熔化后的液态铝不会滴落下来;D项,将0.1 ml·L-1 MgSO4溶液滴入NaOH溶液至不再有沉淀产生,说明NaOH已反应完全,再滴加0.1 ml·L-1 CuSO4溶液,白色沉淀变为浅蓝色沉淀,说明Cu(OH)2的溶度积比Mg(OH)2的小。
16.答案:(1)防止Fe2+被氧化 (2)2Fe2++Cl2===2Fe3++2Cl- (3)隔绝空气(排除氧气对实验的影响) (4)Fe2+ Fe3+ 可逆反应 (5)2Fe2++H2O2+2H+===2Fe3++2H2O Fe3+催化H2O2分解产生O2 H2O2分解反应放热,促进Fe3+的水解平衡正向移动
解析:(1)Fe2+易被空气中的O2氧化为Fe3+,加入少量铁屑,可防止Fe2+被氧化。
(2)Cl2可将Fe2+氧化,反应的离子方程式为2Fe2++Cl2===2Fe3++2Cl-。
(3)Fe2+易被空气中的O2氧化,加入煤油,覆盖在溶液上面,阻止空气进入溶液干扰实验。
(4)实验②加入K3[Fe(CN)6]溶液,生成蓝色沉淀,说明含有Fe2+;实验①和③说明在I-过量的情况下,溶液中仍含有Fe3+,证明该反应为可逆反应。
(5)H2O2溶液中加入酸化的FeCl2溶液,溶液变成棕黄色,说明Fe2+被H2O2氧化成Fe3+,同时生成的Fe3+对H2O2的分解有催化作用,H2O2的分解反应放热,又对Fe3+的水解起促进作用。
17.答案:(1)BD (2)饱和NaHCO3溶液 吸收未反应挥发出的NH3
(3)a NH3 (4)增大气体与溶液接触面积,提高CO2吸收率
(5)温度越低,碳酸氢钠的溶解度越小,便于析出 (6)①a ② eq \f(168n,w) %
解析:(1)A项,碳酸钙与稀硫酸反应生成的硫酸钙微溶,硫酸钙附着于碳酸钙固体表面,阻止反应进行,错误;B项,四氯化碳密度比水大,不溶于水,因此可以加入四氯化碳,使盐酸在四氯化碳上层,能够与碳酸钙接触,正确;C项,苯的密度比水小,不溶于水,处于盐酸的上层,盐酸仍然不能与碳酸钙接触,起不到作用,错误;D项,稀硝酸也能和碳酸钙反应生成二氧化碳,因此为使反应能顺利进行,可向长颈漏斗中加入稀硝酸,正确。
(2)盐酸具有挥发性,挥发出的氯化氢气体对后续反应有影响,因此可使混合气体通过饱和碳酸氢钠溶液,既除去了氯化氢气体,又增加了二氧化碳气体的量;丁装置中,反应后多余的氨气可以被稀硫酸吸收。
(3)氨气极易溶于水,为防止倒吸,实验时,须先从a管通入氨气,形成碱性溶液,增大CO2的吸收量。
(4)己装置为多孔球泡,其作用是增大气体与溶液接触面积,提高CO2吸收率。
(5)分析图表信息可知,温度越低,碳酸氢钠的溶解度越小,且比氯化铵和氯化钠的溶解度都小,因此降低溶液温度利于碳酸氢钠的析出。
(6)①氯化钙与碳酸钠反应生成碳酸钙和氯化钠,加入氯化钙溶液后,振荡、静置,向溶液中继续加入少量氯化钙溶液,若不出现白色沉淀,证明氯化钙过量,反之,氯化钙不足量,a正确;b、c操作由于加入了Na2CO3,会影响后续CO eq \\al(\s\up11(2-),\s\d4(3)) 的定量测定,b、c错误。
②过程中涉及反应的化学方程式为①2NaHCO3 eq \(=====,\s\up7(△)) Na2CO3+CO2↑+H2O,Na2CO3+CaCl2===CaCO3↓+2NaCl,得到的碳酸钙经过过滤、洗涤、干燥后称量;设样品中碳酸氢钠的质量为x g,由上述两式可得关系式:2NaHCO3~CaCO3;据此列方程: eq \f(84×2,x g) = eq \f(100,n g) ,解得x= eq \f(168n,100) ,所以碳酸氢钠的质量分数为 eq \f(x g,w g) ×100%= eq \f(168n,100w) ×100%= eq \f(168n,w) %。
18.答案:(1)2NaOH+SiO2===Na2SiO3+H2O 2NaOH+Al2O3===2NaAlO2+H2O
(2)CaSiO3 2AlO eq \\al(\s\up11(-),\s\d4(2)) +CO2+3H2O===2Al(OH)3↓+CO eq \\al(\s\up11(2-),\s\d4(3)) 或AlO eq \\al(\s\up11(-),\s\d4(2)) +CO2+2H2O===Al(OH)3↓+HCO eq \\al(\s\up11(-),\s\d4(3))
(3)浓H2SO4 12HF+3Na2CO3+2Al(OH)3===2Na3AlF6+3CO2+9H2O
(4)2Al2O3(熔融) eq \(=====,\s\up11(电解),\s\d4(冰晶石)) 4Al+3O2↑ O2、CO2(或CO)
解析:
①原料:铝土矿,主要成分:Al2O3和SiO2等;获取Al2O3:
②原料:萤石(CaF2)和纯碱;
获取Na3AlF6:CaF2 eq \(――→,\s\up11(浓H2SO4),\s\d4(△)) HF eq \(―――――――――→,\s\up7(Na2CO3、Al(OH)3)) Na3AlF6
(1)二氧化硅与氢氧化钠反应生成硅酸钠与水,反应的化学方程式为2NaOH+SiO2===Na2SiO3+H2O;氧化铝与氢氧化钠反应生成偏铝酸钠与水,化学方程式为2NaOH+Al2O3===2NaAlO2+H2O。
(2)滤液Ⅰ中含有硅酸钠、偏铝酸钠,加入CaO,与水反应生成氢氧化钙,氢氧化钙与硅酸钠反应生成硅酸钙沉淀;由工艺流程可知,B为氢氧化铝,故气体A为二氧化碳,滤液Ⅱ的溶质主要是偏铝酸钠,通入二氧化碳后,生成氢氧化铝沉淀与碳酸钠,反应的离子方程式为2AlO eq \\al(\s\up11(-),\s\d4(2)) +CO2+3H2O===2Al(OH)3↓+CO eq \\al(\s\up11(2-),\s\d4(3)) 或AlO eq \\al(\s\up11(-),\s\d4(2)) +CO2+2H2O=Al(OH)3↓+HCO eq \\al(\s\up11(-),\s\d4(3)) 。
(3)由工艺流程可知,气体D中含有F元素,应为HF,结合E为建筑材料,推知应是CaSO4,C为浓硫酸,根据元素守恒,可知HF与碳酸钠、氢氧化铝反应生成冰晶石,同时生成二氧化碳、水,化学方程式为12HF+3Na2CO3+2Al(OH)3===2Na3AlF6+3CO2+9H2O。
(4)电解熔融的氧化铝生成铝与氧气,化学方程式为2Al2O3(熔融) eq \(=====,\s\up11(电解),\s\d4(冰晶石)) 4Al+3O2↑,阳极生成氧气,部分氧气在高温下可以与石墨反应生成二氧化碳(或CO),故阳极气体有O2、CO2(或CO)。
19.答案:(1)铜、氧 (2)Cu+H2O2+2H+===Cu2++2H2O 防止H2O2分解 2Cu2++2Cl-+SO eq \\al(\s\up11(2-),\s\d4(3)) +H2O eq \(=====,\s\up7(△)) 2CuCl↓+SO eq \\al(\s\up11(2-),\s\d4(4)) +2H+
(3)3Cu2O+2NO eq \\al(\s\up11(-),\s\d4(3)) +14H+===6Cu2++2NO↑+7H2O 32 0.2
解析:(1)在该反应中铜、氧元素的化合价降低,得到电子,被还原。(3)Cu2O与稀硝酸反应的离子方程式是3Cu2O+2NO eq \\al(\s\up11(-),\s\d4(3)) +14H+===6Cu2++2NO↑+7H2O。硝酸发生反应后氮元素的存在形式是Cu(NO3)2和NO,由2 L×0.6 ml·L-1=2n[Cu(NO3)2]+4.480 L÷22.4 L·ml-1得n[Cu(NO3)2]=0.5 ml,n(Cu2+)=0.5 ml,所以若将上述混合物用足量的H2加热还原,所得到固体的质量为0.5 ml×64 g·ml-1=32 g。若混合物中含0.2 ml Cu,则根据铜原子守恒可得:2n(Cu2O)+n(CuO)=0.3 ml;根据得失电子守恒可得:2n(Cu)+2n(Cu2O)=3×(4.480 L÷22.4 L·ml-1),解得n(CuO)=0.1 ml,n(Cu2O)=0.1 ml,消耗H2SO4的物质的量为0.1 ml+0.1 ml=0.2 ml。选项
操作
现象
结论
A
常温下将铁片放入浓硫酸中
剧烈反应生成有刺激性气味气体
常温下铁易与浓硫酸发生反应
B
Al2(SO4)3溶液中滴加过量稀氨水
先生成白色沉淀,随后又溶解
Al(OH)3能溶于氨水
C
向某溶液中滴加K3[Fe(CN)6]溶液
析出蓝色沉淀
该溶液中含有Fe2+
D
将表面氧化的铜丝从酒精灯的外焰慢慢移向内焰
黑色的铜丝变红
CuO被内焰中的乙醇蒸气氧化
选项
陈述Ⅰ
陈述Ⅱ
A
Na可与水反应产生O2
Na着火不能用水扑灭
B
可用铝槽车运输浓硝酸
浓硝酸与Al不反应
C
硅胶用作干燥剂
硅胶具有很强的吸水性
D
Fe的金属性比Cu强
不锈钢水龙头上的铜部件易发生电化学腐蚀
选项
实验操作
现象
结论
A
将铜粉加入Fe2(SO4)3溶液中
溶液变蓝,有黑色固体出现
Cu置换出了Fe
B
向盛有FeSO4溶液的试管中滴入双氧水,然后滴入KSCN溶液
滴入KSCN溶液后溶液变为红色
原FeSO4溶液中含有Fe3+
C
向AlCl3溶液中滴加NaOH溶液直至过量
先有沉淀生成,后沉淀溶解
Al(OH)3具有酸性
D
向紫色石蕊试液中加入过量的Na2O2固体
溶液变成蓝色
Na2O2呈
碱性
选项
现象或事实
解释
A
金属镁着火不能用泡沫灭火器灭火
燃烧生成的MgO与CO2反应
B
K2FeO4用于自来水的消毒和净化
K2FeO4具有强氧化性,可杀菌消毒,其还原产物Fe3+水解得到的Fe(OH)3胶体能净水
C
古代青铜器表面有铜锈,可放入盐酸中浸泡除锈
铜锈是铜在空气中缓慢氧化生成的氧化物,可溶于盐酸
D
常温下,将铁片浸入足量的浓硫酸中,铁片不溶解
常温下,铁与浓硫酸一定没有发生化学反应
选项
实验
现象
结论
A
将稀硝酸加入过量铁粉中,充分反应后滴加KSCN溶液
有气体生成,溶液呈血红色
稀硝酸将Fe氧化为Fe3+
B
将铜粉加入1.0 ml·L-1 Fe2(SO4)3溶液中
溶液变蓝、有黑色固体出现
金属铁比铜活泼
C
用坩埚钳夹住一小块用砂纸仔细打磨过的铝箔在酒精灯上加热
熔化后的液态铝滴落下来
金属铝的熔点较低
D
将0.1 ml·L-1 MgSO4溶液滴入NaOH溶液至不再有沉淀产生,再滴加0.1 ml·L-1 CuSO4 溶液
先有白色沉淀生成,后变为浅蓝色沉淀
Cu(OH)2的溶度积比Mg(OH)2的小
相关试卷
这是一份统考版高考化学复习高频考点分层集训第四单元非金属及其化合物课练12氮及其化合物含答案,共17页。
这是一份统考版高考化学复习高频考点分层集训第四单元非金属及其化合物课练11硫及其化合物含答案,共18页。试卷主要包含了对下列事实的解释正确的是等内容,欢迎下载使用。
这是一份统考版高考化学复习高频考点分层集训第四单元非金属及其化合物课练10氯及其化合物含答案,共17页。试卷主要包含了化学来源于生活,也服务于生活,下列关于卤素等内容,欢迎下载使用。

