所属成套资源:【通用版】2023届高考化学考点剖析专题卷 (含解析)
【通用版】2023届高考化学考点剖析专题卷 专题十二 化学实验
展开
这是一份【通用版】2023届高考化学考点剖析专题卷 专题十二 化学实验,共20页。试卷主要包含了11等内容,欢迎下载使用。
【通用版】专题十二 化学实验
考点37 化学实验常用仪器及基本操作(2、4、5、20题)
考点38 物质的分离和提纯(1、6、10、16、26题)
考点39 物质的检验、鉴别和制备(9、11、12、14、18、21~25、27、29题)
考点40 实验方案的设计与评价(3、7、8、13、15、17、19、28题)
考试时间 :90分钟 满分:100分
一、选择题(本题共25小题,每小题2分,共50分。在每小题给出的四个选项中,只有一项是最符合题目要求的。)
1.下列说法不合理的是( )
A.《开宝本草》中记载的提纯方法:“……所在山泽,冬月地上有霜,扫取以水淋汁后,乃煎炼而成”, 涉及的操作有溶解、蒸发、结晶
B.东晋葛洪《肘后备急方》中记载“青蒿一握。以水二升渍,绞取汁,尽服之”。与“渍”和“绞”原理相近的是浸泡和过滤
C.《本草衍义》中对精制砒霜过程有如下叙述:“取砒之法,将生砒就置火上,以器覆之,令砒烟上飞着覆器,遂凝结累然下垂如乳,尖长者为胜,平短者次之。”文中涉及的操作方法是升华
D. “酸坏之酒皆可蒸烧,复烧二次价值数倍也”。该方法也可以分离乙酸乙酯和碳酸钠溶液
2.下列实验装置或操作能达到相应实验目的的是( )
A.①② B.②③ C.③④ D.②④
3.安全重于泰山,在实验室点燃可燃物时更要注意安全。如图是某同学设计的一个耐燃性气体安全点燃装置(夹持装置已略去),对此装置的评价和使用错误的是( )
A.用此装置点燃可燃性气体可防止爆炸的发生
B.此装置适用于难溶于水的可燃性气体的点燃
C.此装置防止气体爆炸的原理是使导管内的气体与燃着的气体不直接接触
D.实验时水槽中水量的多少不会影响实验效果
4.下列实验操作规范且能达到实验目的的是选项实验目的是( )
选项
实验目的
实验操作
A
取25.00mL酸性高锰酸钾溶液
在规格为50 mL的酸式滴定管中装入酸性高锰酸钾溶液,调整初始读数为 25.00 mL,将剩余溶液放入锥形瓶中
B
制备氢氧化铁胶体
将饱和硫酸铁溶液加入沸水中继续煮沸至液体呈红褐色
C
测定次氯酸钠溶液的pH
用玻璃棒蘸取待测液,点在干燥的pH试纸上
D
配制氯化亚铁溶液
将氯化亚铁固体溶于蒸馏水中,并加入少量盐酸和还原铁粉
A.A B.B C.C D.D
5.下列有关实验操作的叙述正确的是( )
A.检验某溶液中是否含有时,应取少量该溶液,依次加入溶液和稀盐酸
B.用容量瓶配制溶液,定容时仰视刻度线,所配溶液浓度偏大
C.向沸腾的蒸馏水中逐滴滴加饱和溶液,至液体呈红褐色时制得胶体
D.粗盐的提纯实验中,加入沉淀剂后过滤,滤液在坩埚中蒸发结晶,出现晶膜时停止加热
6.下列有机物分离提纯的方法正确的是( )
A.除去苯中少量苯酚:加入适量浓溴水,过滤
B.除去乙烷中少量的乙烯:把混合气体通入酸性溶液中
C.除去乙醇中的乙醚:蒸馏
D.提纯蛋白质时可先加入溶液,过滤后再加水重新溶解
7.根据下列实验操作及实验现象推出的实验结论错误的是( )
实验操作
实验现象
实验结论
A
先向某溶液中滴加少量氯水,再滴加淀粉溶液
溶液变为蓝色
则原溶液中一定含
B
向某溶液中加铜和浓硫酸并加热
试管口有红棕色气体 产生
原溶液中可能含有
C
向某钾盐中滴加浓盐酸,将产生的气体通入品红溶液中
品红溶液褪色
该钾盐可能为或
D
将溴乙烷与氢氧化钠的乙醇溶液共热产生的气体通入酸性高锰酸钾溶液中
酸性高锰酸钾溶液褪色
不能验证溴乙烷与氢氧化钠的乙醇溶液共热生成了乙烯
A.A B.B C.C D.D
8.下列实验方案不能达到实验目的的是( )
选项
实验方案
实验目的
A
将含有HCl杂质的通入饱和溶液中
除去中的HCl
B
将一定量的和NaCl的混合液加热浓缩至有晶体析出,趁热过滤
分离出NaCl晶体
C
在含有少量的酸性溶液中加入足量MgO并过滤
除去酸性溶液中的
D
在含有少量的NaCl溶液中加入足量AgCl并过滤
除去NaCl溶液中的
A.A B.B C.C D.D
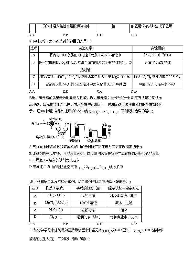
9.碳、硫元素的质量分数影响钢铁性能。碳、硫元素质量分数的一种测定方法是将钢铁样品中碳、硫元素转化为气体,再用装置进行测定。一种测定碳元素质量分数的装置如图所示。 已知对钢铁样品处理后的气体中含有、、。下列说法错误的是( )
A.气体a通过装置B和装置C的目的是排除二氧化硫对二氧化碳测定的干扰
B.计算钢铁样品中碳元素的质量分数,应测量的数据是吸收二氧化碳前后吸收瓶的质量
C.干燥瓶I中装入的试剂为碱石灰
D.干燥瓶Ⅱ的目的是防止空气中和进入吸收瓶中
10.下列物质中杂质的检验试剂、除杂试剂与除杂方法都正确的是( )
选项
物质(杂质)
杂质的检验试剂
除杂试剂与除杂方法
A
()
品红溶液
NaOH溶液、洗气
B
()
NaOH溶液
氨水、过滤
C
NaCl()
淀粉溶液
加热
D
(HCl)
湿润的pH试纸
饱和食盐水、洗气
A.A B.B C.C D.D
11.某化学学习小组利用如图所示装置来制备无水或NaH(已知:、NaH遇水都能迅速发生反应)。下列说法错误的是( )
A.制备无水:装置A中的试剂可能是高锰酸钾
B.点燃装置D处酒精灯之前需排尽装置中的空气
C.装置C中的试剂为浓硫酸
D.制备无水和NaH时装置E中碱石灰的作用完全相同
12.用制溴苯的废催化剂(主要含及少量溴、苯)为原料,制取无水和溴的苯溶液,选用的方法能达到相应实验目的的是( )
A.用装置①及其试剂制取氯气③④
B.用装置②氧化溶液中的溴离子
C.用装置③分离出溶液,而不能选用装置④分离
D.用装置⑤将溶液蒸发至干,可得无水
13.根据下列实验操作和现象所得到的实验结论正确的是( )
选项
实验操作和现象
实验结论
A
将植物油加入溴的苯溶液中,振荡、静置后溴的苯溶液褪色
植物油中可能含有碳碳双键
B
将加热分解产生的气体通入溶液中,产生白色沉淀
能与溶液反应
C
向溶液中加入过量HI溶液,充分反应后,再滴加KSCN溶液,溶液未变红
氧化性:
D
从装有过氧化钠的试剂瓶中取一定量固体于试管中,然后加入溶液,产生白色沉淀
过氧化钠变质产生碳酸钠
A.A B.B C.C D.D
14.有机物M(分子式:)是隐形飞机上吸波材料的主要成分。某化学兴趣小组为验证其组成元素进行了如下实验:将少量样品放入A的燃烧管中,通入足量,用电炉加热使其充分燃烧并将燃烧产物依次通入余下装置(夹持仪器已略去)。下列说法正确的是( )
A.燃烧管中放入CuO可确保碳元素被完全氧化成
B.使品红褪色的原理与相同
C.D中溶液可以是NaOH、或溴水
D.去掉装置E后一定达不到实验目的
15.室温下进行下列实验,根据实验操作和现象,所得到的结论正确的是( )
选项
实验操作和现象
结论
A
乙醇钠的水溶液是强碱性
结合的能力强
B
将某溶液滴在淀粉-KI试纸上,试纸变蓝
原溶液中一定含有
C
向和KSCN的混合溶液中滴入硝酸酸化的溶液,溶液变红
氧化性:
D
向盛有2 mL一定浓度的溶液的试管中,滴入5滴2的KI溶液,产生黄色沉淀
发生了水解
A.A B.B C.C D. D
16.下列各物质含少量杂质,除去这些杂质应选用的试剂或操作方法不正确的是( )
选项
物质
杂质
除杂应选用的试剂或操作方法
A
溶液
加入溶液,并过滤
B
溶液
加入过量铁粉,并过滤
C
粉末
溶解,过滤
D
依次通过盛NaOH溶液和浓硫酸的洗气瓶
A.A
B.B
C.C
D.D
17.钡盐生产过程中排出大量的钡泥[主要含有等],由该钡泥制取硝酸钡的工艺流程如下:
已知废渣中含有。下列说法错误的是( )
A.“酸溶”时的不溶物成分主要为硅酸和硫酸钡
B.为了加快反应速率,“酸溶”时,可采取搅拌、高温等措施
C.“中和Ⅰ”加入的X可选用
D.废渣经过加工可用来生产油漆或涂料
18.下列离子的检验方法合理的是( )
A.向某溶液中滴入KSCN溶液呈红色,说明原溶液中不含
B.向某溶液中通入,然后再加入KSCN溶液变红色,说明原溶液中含有
C.向某溶液中加入KSCN溶液呈红色,说明原溶液中含有
D.向某溶液中加入NaOH溶液得白色沉淀,又观察到沉淀颜色逐渐变为红褐色,说明原溶液中含有,不含有
19.下列操作不能达到实验目的的是( )
目的
操作
A
除去苯中少量的苯酚
加入适量NaOH溶液,振荡、静置、分液
B
证明酸性:碳酸>苯酚
将盐酸与混合产生的气体直接通入苯酚钠溶液
C
除去碱式滴定管胶管内的气泡
将胶管稍向上弯曲,挤压胶管内玻璃球将气泡排出
D
配制用于检验醛基的氢氧化铜悬浊液
向试管中加入2mL10%NaOH溶液,再滴加数滴2%溶液,振荡
A.A B.B C.C D.D
20.化学是一门以实验为基础的学科,下列实验操作、实验现象与实验结论都合理的是( )
选项
实验操作
实验现象
实验结论
A
向某一无色溶液中滴加硝酸酸化的溶液
产生白色沉淀
溶液中一定含有
B
向酸性溶液中通入
溶液褪色
具有漂白性
C
向某溶液中加入NaOH溶液并加热,将湿润的红色石蕊试纸放在试管口
湿润红色石蕊试纸变蓝
该溶液中存在
D
向pH试纸上滴加一滴浓硫酸
试纸先变红后变黑
浓硫酸具有强氧化性
A. A B. B C. C D. D
21.下列说法不正确的是( )
A.将湿润的淀粉碘化钾试纸靠近集气瓶瓶口,若试纸迅速变蓝证明氯气已集满
B.将氯气通入冷的消石灰中可制得以次氯酸钙为有效成分的漂白粉
C.将气体通入紫色石蕊溶液中,可以看到石蕊溶液先变红后褪色
D.取少量晶体放入试管中,再加入适量NaOH溶液,加热,在试管口用蘸有浓盐酸的玻璃棒检验,有白烟,则可证明该晶体中含有
22.下列试剂可以用来区分乙醇、乙酸和氢氧化钠溶液的是( )
A.氧气
B.酸性溶液
C.溶液
D.紫色石蕊溶液
23.下列装置能达到实验目的是( )
A.熔化 B.验证氧化性
C.实验室制取 D.保存液溴
24.是一种常见的化肥,其溶解度随着温度的升高而增大,某工厂用石膏、、和制备的工艺流程如图:
下列说法正确的是( )
A.通入和的顺序可以互换
B.操作2为将滤液蒸发浓缩、冷却结晶、过滤、洗涤、干燥,可得
C.步骤②中反应的离子方程式为
D.通入的和均应过量,且工艺流程中可循环利用
25.某溶液仅含中的4种离子,所含离子的物质的量均为 1mol。若向该溶液中加入过量的稀硫酸,有气泡产生,且溶液中阴离子种类不变(不考虑水的电离)。下列说法错误的是( )
A. 该溶液中所含的离子是:
B. 若向该溶液中加入过量的稀硫酸和 KSCN溶液,溶液显红色
C. 若向该溶液中加入过量的稀硫酸,产生的气体遇空气能变成红棕色
D. 若向该溶液中加入足量的 NaOH溶液,充分反应后,过滤、洗涤、灼烧,最终所得固体的质量为 72g
二、非选择题(本题共4小题,共50分。)
26.(12分)某同学设计如下实验方案,以分离KCl和两种固体混合物,试回答下列问题:
供选试剂:溶液、溶液、溶液、盐酸
(1)操作②的名称是________,试剂a是________(填化学式)。
(2)加入试剂b所发生反应的化学方程式为________。
(3)用分离出的固体B配制100mL 0.5mol/L的溶液B,现有可供选择的仪器:A.胶头滴管;B.烧瓶;C.烧杯;D.药匙;E.量筒;F.托盘天平。回答下列问题:
①用托盘天平称得固体B的质量是________g。
②配制溶液B时,上述仪器中一定不需要使用的有________(填字母),还缺少的仪器有________ (写仪器名称)。
③如下情况使所配溶液B的物质的量浓度偏高的是________。
a.某同学在定容观察液面时俯视
b.容量瓶清洗后没有干燥
c.在移液时不慎有少量液体流到容量瓶外
27.(12分)叠氮化钠是一种防腐剂和分析试剂,在有机合成和汽车行业也有重要应用。学习小组对叠氮化钠的制备和产品纯度测定进行相关探究。
查阅资料:
Ⅰ.氨基钠熔点为208℃,易潮解和氧化;有强氧化性,不与酸、碱反应;叠氮酸不稳定,易分解爆炸
Ⅱ.,。
回答下列问题:
(1)制备
①按气流方向,上述装置合理的连接顺序为____________________(填仪器接口字母)。
②实验时E中生成沉淀,反应的化学方程式为____________________
③C处充分反应后,停止加热,需继续进行的操作为________,其目的为_______________。
(2)用如图所示装置测定产品纯度
①仪器F的名称为_______________;其中反应的离子方程式为________________________。
②管q的作用为________________。
③若G的初始读数为、末读数为,本实验条件下气体摩尔体积为,则产品中的质量分数为________________。
28.(14分)铟(In)作为一种稀有贵金属在很多高新领域有广泛应用,随着铟的应用越来越广泛,人类对铟的需求量日益增加,有效富集回收铟的技术也越来越受到重视。回收处理含铟废渣[In的质量分数为9.8%,同时含有杂质]是提高铟回收率的主要途径之一。
提示:①溶液中一些金属离子水解生成氢氧化物沉淀时的pH如表:
金属离子
开始沉淀pH
2.0
2.9
7.15
沉淀完全pH
3.2
5.0
8.15
②“浸渣Ⅰ”的主要成分为、。
(1)“操作Ⅲ”的名称为________。
(2)“浸出渣a”的主要成分为________(填化学式)。
(3)加入铁粉净化的最佳工艺控制溶液中硫酸含量为68.6,则此时硫酸的物质的量________,“还原渣”的主要浓度为成分为Tl和Sn,写出反应生成Tl的离子方程式:________。
(4)加入试剂X调节pH的范围为________至________,可选择的试剂X为________(填字母)。
A.
B.
C.稀硫酸
D.稀硝酸
(5)“沉渣”中加入稀硫酸发生反应的化学方程式为________。
(6)通过加入铝置换出的海绵铟中铟的质量分数达到96.04%。通过以上途径回收铟的总损耗率约为2%,回收效率非常高。某企业每月可产生此种含铟废渣1600kg,利用上述技术手段,理论上可获得海绵铟的质量为________kg。
29.(12分)1-溴丙烷是一种重要的有机合成中间体,实验室制备1-溴丙烷的主要反应如下∶
Ⅰ.;
Ⅱ.
可能用到的相关数据如下∶
相对分子质量
密度
沸点/℃
水中溶解性
正丙醇
60
0.896
97.1
溶
正丙醚
102
0.74
90
几乎不溶
1-溴丙烷
123
1.36
71
不溶
实验室制备少量1-溴丙烷的主要步骤如下∶
步骤1∶在仪器A中加入搅拌磁子、12.00g正丙醇及20.0mL水,冰水冷却下缓慢加入28.0mL浓硫酸;冷却至室温,搅拌下加入24.00gNaBr。
步骤2∶如图所示搭建实验装置,缓慢加热,直到无油状物馏出为止。
步骤3∶将馏出液转入分液漏斗,分出有机相。
步骤4∶将分出的有机相转入分液漏斗,依次用12.0mL、12.0mL5%溶液和12.0mL洗涤,分液。
步骤5∶将有机相再蒸馏,收集馏出液,得到纯净的1-溴丙烷14.76g。
(1)仪器A的名称是_______,加热A前,需先从_______(填"a"或"b")口向A中通入水。加入搅拌磁子的目的是搅拌和_______。
(2)步骤1中将浓硫酸与20.0mL水相混的主要目的是_______。
(3)步骤2中需向接收瓶内加入少量冰水并置于冰水浴中的目的是_______。
(4)步骤4加入12.0mL,5%溶液洗涤的化学方程式为_____,振摇后静置,粗产物应从分液漏斗的____(填"上"或"下")口分离出。
(5)步骤5再蒸馏需控制的合适温度为_______℃左右。
答案以及解析
1.答案:D
解析:“扫取以水淋汁”是加水溶解,“煎炼”是对溶液进行蒸发结晶,A正确。“青蒿一握……尽服之”意思是取一把青蒿,用水浸泡,过滤后服用,所以采用了浸泡和过滤操作,B正确。砒霜精制的方法是将砒霜加热,使砒霜升华,再在上面覆盖的冷凝器上凝华,所以采用的方法是升华,C正确。“酸坏之酒”含有杂质,“皆可蒸烧”,即采用蒸馏分离。分离乙酸乙酯和碳酸钠溶液,可采用分液的方法,D错误。
2.答案:C
解析:滴有硫氰化钾溶液的硫酸铁溶液显红色,二氧化硫可与发生氧化还原反应,铁离子转化为亚铁离子,溶液红色褪去,体现二氧化硫的还原性,与二氧化硫的漂白性无关,故①错误;含有水蒸气的一氯甲烷是气体混合物,题图中装置被浓硫酸密封,气体无法通过,无法实现干燥,故②错误;氯气通入硫化钠溶液中,将硫离子氧化为硫单质,是氧化剂,S为氧化产物,氧化性:,元素的非金属性越强,其单质的氧化性越强测非金属性:,故③正确;在涂抹凡士林时不能将旋塞的小孔堵住,故涂抹在旋塞a端和旋塞套内的c端,故④正确。故C项符合题意。
3.答案:D
解析:A项,该装置中,在漏斗上端点燃可燃性气体,若气体不纯会在漏斗内被引爆,由于不纯气体的量较少,不会产生危险,同时导气管口在水面下,水将被点燃的不纯气体和导气管中未被点燃的不纯气体隔开,可以防止爆炸,正确;B项,被点燃的气体和未被点燃的气体被水隔开,此装置适用于难溶于水的可燃性气体的点燃,正确;C项,此装置能防止爆炸的原因是水将导管内气体与燃着的气体隔开,不直接接触,正确;D项,若水槽中的水量较少,没有没过漏斗边缘,导管内气体与燃着的气体不能隔开,会引起爆炸,影响实验效果,错误。
4.答案:D
解析:A项,酸性高锰酸钾溶液具有强氧化性,可用酸式滴定管量取,酸式滴定管50.00 mL刻度线以下部分还有酸性高锰酸钾溶液,故调整初始读数为25.00 mL后,将剩余溶液放入锥形瓶中,量取的溶液体积大于25.00 mL,错误。B项,将饱和氯化铁溶液加入沸水中继续煮 沸至液体呈红褐色,可得到氢氧化铁胶体,若用硫酸铁,水解后溶液中产生,不能挥发出去,易与反应,无法得到稳定的氢氧化铁胶体,错误。C项,次氯酸钠溶液具有漂白性, 不能用pH试纸测其pH,可用pH计测定,错误。D项,向氯化亚铁溶 液中加入盐酸的目的是抑制亚铁离子的水解,加入还原铁粉的目的是防止亚铁离子被氧化,正确。
5.答案:C
解析:向溶液中依次加入溶液和稀盐酸,出现白色沉淀,溶液中不一定含有,可能含有等,正确的操作是向溶液中先滴加足量稀盐酸,无现象,再滴加溶液,如果出现白色沉淀,则未知溶液中含有,故A错误;用容量瓶配制溶液,定容时仰视刻度线,导致容量瓶中溶液的体积偏大,则所配溶液浓度偏小,故B错误; 制备氢氧化铁胶体的方法是向沸水中滴加饱和氯化铁溶液,加热至液体呈红褐色,故C正确;粗盐的提纯实验中,加入沉淀剂后过滤,滤液应该在蒸发皿中蒸发结晶,出现大量晶体、剩余少量液体时停止加热,故D错误。
6.答案:C
解析:苯酚与浓溴水反应生成的三溴苯酚能溶于苯中,且浓溴水中的溴也能溶于苯中,A错误;将混合气体通入酸性溶液中,乙烯会被氧化为,使乙烷中混入了新的杂质气体,B错误;乙醇和乙醚的沸点不同,且相差较大,可以采用蒸馏的方法分离,C正确;由于是重金属盐,会使蛋白质变性,变性后的蛋白质不能溶于水,故不能用于提纯蛋白质,D错误。
7.答案:A
解析:A项,若原溶液中含,也会出现题述现象,错误;B项,试管口有红棕色气体产生,则该红棕色气体是,说明铜和也发生了反应,生成的NO被氧化成,则原溶液中可能含有,正确;C 项,、均能使品红溶液褪色,因此该钾盐可以是等,正确;D项,溴乙烷与氢氧化钠的乙醇溶液共热,挥发出来的乙醇蒸气也能使酸性高锰酸钾溶液褪色,不能验证反应一定生成了乙烯,正确。
8.答案:A
解析:溶液也能吸收,达不到分离提纯的目的,应该用饱和溶液吸收中的HCl, A错误; 由于在较高温度下,和NaCl的溶解度相差较大,可采用加热浓缩、冷却结晶、过滤的方法分离,B正确;MgO和酸反应促进水解生成,通过过滤即可除去酸性溶液中的杂质,C正确;和AgCl反应生成沉淀和NaCl,过滤除去和剩余的AgCl,即可除去NaCl 溶液中的,D正确。
9.答案:C
解析:装置B可氧化二氧化硫、装置C可吸收二氧化硫,所以气体a通过装置B和装置C的目的是排除二氧化硫对二氧化碳测定的干扰, 故A正确;计算钢铁样品中碳元素的质量分数需要测定吸收的二氧化碳的质量,吸收二氧化碳的质量=吸收二氧化碳前后吸收瓶的质量差,故B正确;若干燥瓶I中装入的试剂为碱石灰,二氧化碳也会被吸收,就无法计算二氧化碳的质量,故C错误;吸收瓶只能吸收气体a中的二氧化碳,若无干燥瓶Ⅱ ,空气中和会进入吸收瓶中,对的测定造成干扰,故D正确。
10.答案:C
解析:可使品红溶液褪色而不能,用品红溶液可鉴别和,但二者均与NaOH溶液反应,不能用NaOH溶液除去中的,错误。B项,、与少量NaOH反应分别生成、沉淀,但NaOH过量时沉淀溶解而沉淀不溶解,故可用NaOH溶液检验的存在,但氨水与、反应均产生白色沉淀,且、均不溶于氨水,故不能用氨水除去,错误。C项,淀粉溶液遇变成蓝色,受热易升华,正确。D项,与湿润的pH试纸中的反应生成HCl和HClO,且HClO具有漂白性,无法用湿润的pH试纸检验中的HCl,HCl易溶于水,而在饱和食盐水中的溶解度很小,故可用饱和食盐水除去中的HCl,错误。
11.答案:D
解析:金属铝和氯气反应可制备氯化铝,则装置A为氯气的发生装置, 浓盐酸和高锰酸钾在常温下反应生成氯气,A项正确;铝和钠易被氧气氧化而变质,同时在加热前要验纯,因此,点燃装置D处酒精灯之前需排尽装置中的空气,B项正确;金属钠和氢气反应可以得到 氢化钠,所以制备氢化钠时,装置A为氢气的发生装置,装置B用于除去氢气中的HCl气体,试剂为氢氧化钠溶液,装置C为干燥装置, 试剂为浓硫酸,制备氯化铝时,装置B用于除去氯气中的HCl气体, 试剂为饱和食盐水,装置C的作用是除去气体中的水蒸气,试剂为浓硫酸,C项正确;制备氯化铝时,氯化铝易水解,氯气会污染空气,装置E中的碱石灰可吸收水和氯气,而制备氢化钠时,装置E中的碱石灰用于吸收水,作用不完全相同,D项错误。
12.答案:C
解析:1 mol/L的盐酸是稀盐酸,实验室用浓盐酸和二氧化锰加热制取氯气,稀盐酸与二氧化锰不反应,无法制取氯气,选项A错误;用氯气氧化溴离子时,气体应该遵循“长进短出”原则,所以该装置错误,不能达到实验目的,选项B错误;有机溶剂将溴萃取后,用装置 ③分离出溶液,而不能选用装置④分离,选项C正确;加热氯化铁溶液时水解生成氢氧化铁,升高温度促进水解,为防止水解,应在氯化氢氛围中加热蒸干氯化铁溶液,选项D错误。
13.答案:A
解析:若植物油中含有碳碳双键,将植物油加入溴的苯溶液中,振荡,碳碳双键与溴单质发生加成反应,静置后,溶液褪色,A项正确;受热分解产生和,将和同时通入溶液中,会产生沉淀(),故不能与溶液反应,B项错误;向溶液中加入过量HI溶液,和均能氧化,再滴加KSCN溶液,溶液未变红,不能比较和的氧化性强弱,C项错误;过氧化钠与水反应产生NaOH,NaOH与反应产生白色沉淀,不能说明过氧化钠变质产生碳酸钠,D项错误。
14.答案:A
解析:燃烧管中放入CuO,可使生成的CO转化为,确保碳元素被完全氧化成,A项正确;使品红褪色是由于与有色物质化合生成了无色物质,加热还可恢复原色,而氯气使品红褪色是由于氯气与水反应生成的次氯酸具有强氧化性,是不可逆的褪色,二者漂白原理不同,B项错误;D装置的作用是除去气体,防止其干扰二氧化碳气体的检验,如果用NaOH溶液,、都会与NaOH溶液反应,C项错误;E装置是为了检验是否除净,如果没有E装置,D中药品足量也能达到实验目的,D项错误。
15.答案:A
解析:溶液中电离出的水解生成与,使溶液呈强碱性:,所以结合的能力强,故A正确;能氧化碘离子的不止氯气,其他强氧化剂如溴单质、氧气以及双氧水等都能将碘离子氧化成碘单质,从而使淀粉-KI试纸变蓝,故B错误;滴加硝酸酸化的硝酸银溶液中含有硝酸,硝酸能将亚铁离子氧化成铁离子,从而使KSCN溶液变红,所以不能得出氧化性:,故C错误;向盛有2mL一定浓度的溶液的试管中,滴入5滴2的KI溶液,产生黄色沉淀,黄色沉淀的成分为AgI,说明溶液含有,即发生电离,而不是水解,故D错误。
16.答案:A
解析:加入氯化铁溶液,生成KCl,引入新杂质,故A错误;铁与反应可置换出铜,然后过滤,可除去杂质,故B正确;碳酸钙不溶于水,可溶于水,可用过滤的方法提纯,故C正确;二氧化碳与氢氧化钠溶液反应,可除去杂质,干燥后得到纯净的氢气,故D正确。
17.答案:B
解析:“酸溶”时与硝酸反应生成硅酸,与硝酸反应生成,A说法正确;由于硝酸易挥发和分解,所以不能采用高温的措施加快反应速率,B说法错误;利用调节pH不引入新的杂质,C说法正确;废渣中含有, 分解得到的可用来生成油漆或涂料,D说法正确。
18.答案:C
解析:①与生成红色;
②遇到生成白色沉淀;
③遇到生成红褐色沉淀。
A项中现象可以证明存在,但无法确定是否存在,错误;
B项中现象可以证明通入后存在,但原溶液是只存在,还是只存在或、均含有,不能确定,错误;转化为红褐色时会干扰其他白色沉淀的观察,所以当含的溶液中含有其他能与碱生成白色沉淀的离子时,也同样出现D项所述现象,D项错误。
19.答案:B
解析:A项,苯酚与氢氧化钠反应生成可溶于水的苯酚钠,而苯不溶于氢氧化钠溶液,可用分液法分离,能达到实验目的;B项,盐酸具有挥发性,可与苯酚钠反应生成苯酚,干扰实验,不能达到实验目的;D项,配制新制氢氧化铜悬浊液,应使氢氧化钠过量,该项能达到实验目的。
20.答案:C
解析:A.酸性溶液中硝酸根离子可氧化亚硫酸根离子,由实验和现象可知,原无色溶液中不一定含有, A错误;B.酸性高锰酸钾可氧化二氧化硫,溶液褪色,可知二氧化硫具有还原性,B错误;C.氨气可使湿润的红色石蕊试纸变蓝,由实验和现象可知,溶液中存在,C正确;
D.浓硫酸使pH试纸中H、O元素以水的形式脱出,浓硫酸的脱水性使试纸最后变黑,D错误;
故选C。
21.答案:C
解析:试纸迅速变蓝表明瓶口处有大量氯气,证明氯气已集满,A正确;氯气与反应可得到、,B正确;为结合性漂白,只能漂白某些特定的指示剂,如品红,不能漂白石蕊试液,C错误;与作用生成,与HCl作用生成晶体,扩散在空气中形成白烟,可证明该晶体含有,D正确。
22.答案:D
解析:A项,氧气不能用来区分乙醇、乙酸和氢氧化钠溶液;B项,酸性溶液能和乙醇反应,溶液褪色,但乙酸、氢氧化钠溶液分别与酸性溶液混合,均无明显现象,故无法区分;C项,溶液和乙酸反应会生成气体,但乙醇、NaOH溶液分别与溶液混合,均无明显现象,故无法区分; D项,乙醇和紫色石蕊溶液混合,无明显现象,乙酸能使紫色石蕊溶液变红,NaOH溶液能使紫色石蕊溶液变蓝,故可以区分。
23.答案:B
解析:A. 瓷坩埚中含有二氧化硅,高温下熔融碳酸钠与二氧化硅反应,不能用瓷坩埚熔化碳酸钠,可选用铁坩埚,故A错误;
B. 硫离子反应生成的硫化氢,硫化氢与反应生成S单质,反应中被还原,表现了还原性,故B正确;
C. 收集氨气的试管应该塞适量的棉花,图示装置不合理,故C错误;
D. 液溴能够腐蚀橡胶,不能用橡皮塞,故D错误;
24.答案:B
解析:由于微溶于水,易溶于水,应先通入足量,使溶液呈碱性,然后再通入适量,反应的化学方程式为,通入和的顺序不可以互换,A项错误;向硫酸钙悬浊液中通入足量的氨气,使溶液呈碱性,再通入适量的二氧化碳利于反应的进行,硫酸钙与氨气、水和二氧化碳反应生成了硫酸铵和碳酸钙沉淀.操作2是溶液中得到溶质固体的过程,需要蒸发浓缩、冷却结晶、过滤、洗涤、干燥等,可得,B项正确;硫酸钙与氨气、水和二氧化碳反应生成了硫酸铵和碳酸钙沉淀,物质发生的主要化学反应为,反应的离子方程式为,C项错误;反应过程中二氧化碳参与反应生成硫酸铵和碳酸钙,碳酸钙分解生成二氧化碳,工艺流程中产生的可循环利用,通入足量,通适量二氧化碳,否则碳酸钙溶解,D项错误。
25.答案:D
解析:加入过量的稀硫酸,有气泡产生,且溶液中阴离子种类不变,气体只能为NO,为之间氧化还原反应生成的,由于阴离子种类不变,则原溶液中一定存在,那么一定不能存在钡离子,又溶液中含有四种离子,所含离子的物质的量均为1mol,根据由电荷守恒,一定还含有带一个单位正电荷的阳离子,即一定含有,A、该溶液中所含的离子是:,故A正确; B、该溶液中加入硫酸,硝酸根离子在酸性条件下具有氧化性,将亚铁离子氧化成铁离子,铁离子与KSCN溶液反应显血红色,故B正确;C、依据反应,一氧化氮不稳定,遇到空气迅速变为红棕色,得知:产生的气体在空气中能变成红棕色,故C正确;D、若向该溶液中加入足量的NaOH溶液,充分反应后,过滤、洗涤、灼烧,最终所得固体为氧化铁,其质量为:0.5mol×160g/mol=80g,故D错误;故选D.
26.答案:(1)过滤 ;
(2)
(3)①10.4②B;100mL容量瓶、玻璃棒③a
解析:(1)操作②为固体和液体的分离,为过滤操作,试剂a是溶液,用于除去氯化钡,故答案为:过滤;;
(2)沉淀加入盐酸可生成溶液,反应的化学方程式为,故答案为:;
(3)①固体B的质量是0.1L×0.5mol/L×208g/mol=10.4g,故答案为:10.4;②固体配制溶液,称量后溶解、定容等,不需要烧瓶,还缺少的仪器有100mL容量瓶、玻璃棒,故答案为:B;100mL容量瓶、玻璃棒;③a.某同学在定容观察液面时俯视,则V偏小,由可知,c偏大,故选; b.容量瓶清洗后没有干燥,n、V均不变,c无影响,故b不选;C.在移液时不慎有少量液体流到容量瓶外,n偏小,由可知,c偏小,故c不选;故答案为:a。
27.答案:(1)① afg(或gf)debch
②
③ 继续通入至三颈瓶冷却后,关闭分液漏斗活塞;防止E中液体倒吸入B中
(2) ①蒸馏烧瓶;
② 平衡压强、使液体容易流下;减小测定气体体积时的误差
③ ×100%
解析:
28.答案:(1)过滤
(2)
(3)0.7;
(4)5.0;7.15;B
(5)
(6)160
解析:由流程可知,加水溶解含铟废渣,“浸渣Ⅰ”的主要成分为、;加稀硫酸酸浸,不溶解,为浸出渣a的主要成分,浸出液中含有等阳离子,加入铁粉,一方面将还原为,另一方面置换出Sn和Tl单质,加入调pH使沉淀而不沉淀,过滤后得到的“沉渣”中主要含有,用稀硫酸溶解,得到,最后加入Al进行置换,得到海绵铟,由此分析解答。
(3)硫酸溶液中硫酸含量为68.6,其物质的量浓度为;加入铁粉可与反应置换出Tl,离子方程式为。
(4)加入试剂X的目的是调pH使沉淀而不沉淀,根据表格中和沉淀的pH,调节pH的范围为5.0至7.15;如果选择调节,则会生成氢氧化铁杂质,考虑到不能带入杂质,应选择调节pH。
(6)设可得海绵In的质量为x,根据元素守恒可得关系式:
,解得。
29.答案:(1) 直形冷凝管;b;防止液体暴沸
(2)将浓硫酸稀释,防止浓硫酸氧化
(3)冷凝收集1-溴丙烷,并起到液封1-溴丙烷减少其挥发的作用
(4);下
(5)71
相关试卷
这是一份【通用版】2023届高考化学考点剖析专题卷 专题十四 有机化学基础,共23页。试卷主要包含了22~28题)等内容,欢迎下载使用。
这是一份【通用版】2023届高考化学考点剖析专题卷 专题十三 物质的结构与性质,共19页。试卷主要包含了10等内容,欢迎下载使用。
这是一份【通用版】2023届高考化学考点剖析专题卷 专题九 化学反应速率与化学平衡,共20页。试卷主要包含了11等内容,欢迎下载使用。

