高考数学二轮复习专题五统计与概率专题突破练19统计与概率解答题含解析
展开
这是一份高考数学二轮复习专题五统计与概率专题突破练19统计与概率解答题含解析,共12页。试卷主要包含了01);,2,∑i=19tiyi=183,产品质量是企业的生命线,02-×5=13,643>5,5+62等内容,欢迎下载使用。
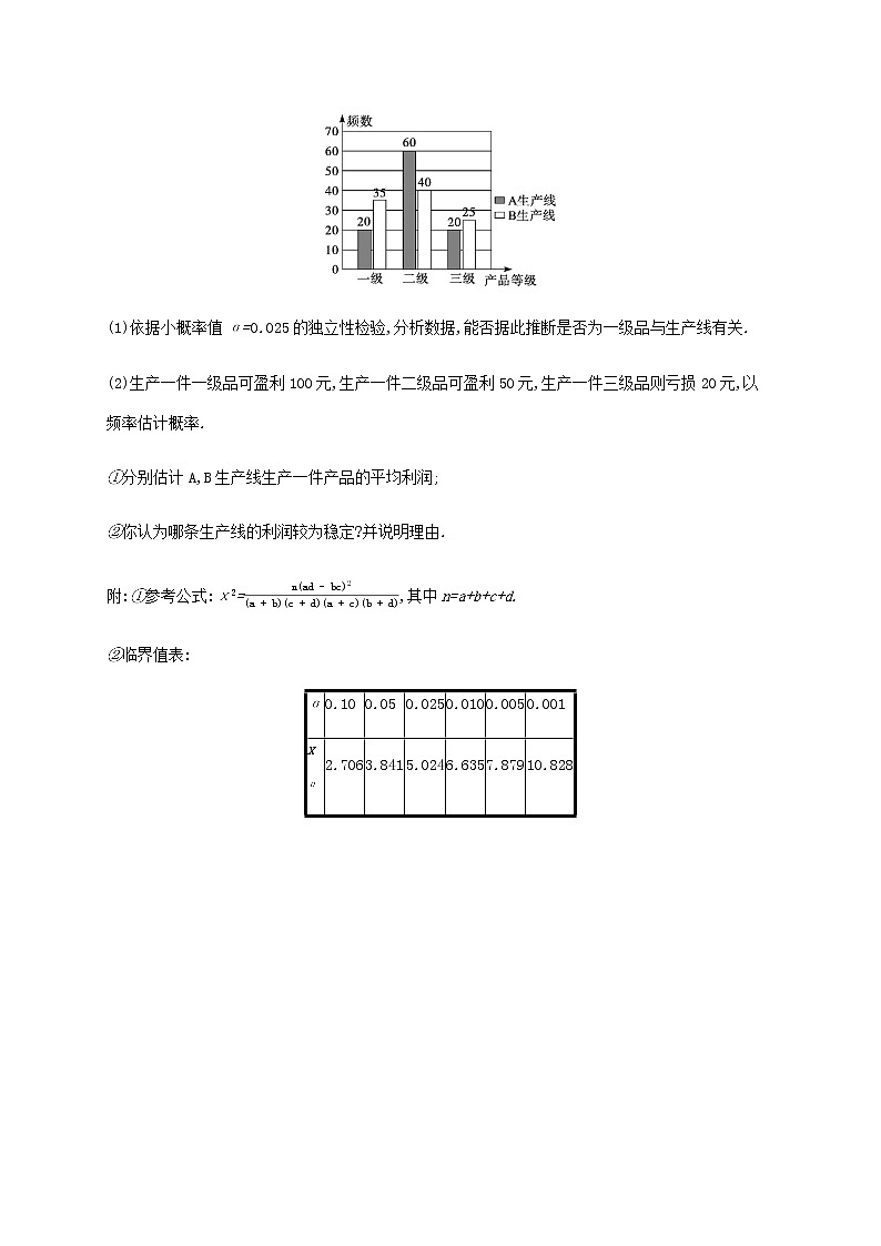
专题突破练19 统计与概率解答题1.(2021·广东广州二模改编)根据相关统计,2010年以后中国贫困人口规模呈逐年下降趋势,2011~2019年全国农村贫困发生率的散点图如下:注:年份代码1~9分别对应年份2011年~2019年.(1)求y关于t的经验回归方程(系数精确到0.01);(2)已知某贫困地区的农民人均年纯收入X(单位:万元)满足正态分布N(1.6,0.36),若该地区约有97.72%的农民人均纯收入高于该地区最低人均年纯收入标准,则该地区最低人均年纯收入标准大约为多少万元?参考数据与公式:yi=54.2,tiyi=183.6.经验回归直线t+的斜率和截距的最小二乘估计分别为.若随机变量X服从正态分布N(μ,σ2),则P(μ-σ≤X≤μ+σ)≈0.682 7,P(μ-2σ≤X≤μ+2σ)≈0.954 5,P(μ-3σ≤X≤μ+3σ)≈0.997 3. 2.(2021·湖北黄冈适应性考试改编)产品质量是企业的生命线.为提高产品质量,企业非常重视产品生产线的质量.某企业引进了生产同一种产品的A,B两条生产线,为比较两条生产线的质量,从A,B生产线生产的产品中各自随机抽取了100件产品进行检测,把产品等级结果和频数制成了如图的统计图.(1)依据小概率值α=0.025的独立性检验,分析数据,能否据此推断是否为一级品与生产线有关.(2)生产一件一级品可盈利100元,生产一件二级品可盈利50元,生产一件三级品则亏损20元,以频率估计概率.①分别估计A,B生产线生产一件产品的平均利润;②你认为哪条生产线的利润较为稳定?并说明理由.附:①参考公式:χ2=,其中n=a+b+c+d.②临界值表:α0.100.050.0250.0100.0050.001xα2.7063.8415.0246.6357.87910.828 3.(2021·福建宁德模拟改编)某工厂为了检测一批新生产的零件是否合格,从中随机抽测100个零件的长度d(单位:mm).该样本数据分组如下:[57,58),[58,59),[59,60),[60,61),[61,62),[62,63],得到如图所示的频率分布直方图.经检测,样本中d大于61的零件有13个,长度分别为61.1,61.1,61.2,61.2,61.3,61.5,61.6,61.6,61.8,61.9,62.1,62.2,62.6.(1)求频率分布直方图中a,b,c的值及该样本的平均长度(结果精确到1 mm,同一组数据用该区间的中点值作代表);(2)视该批次样本的频率为总体的概率,从工厂生产的这批新零件中随机选取3个,记ξ为抽取的零件长度在[59,61)的个数,求ξ的分布列和数学期望;(3)若变量X满足|P(μ-σ≤X≤μ+σ)-0.682 7|<0.03且|P(μ-2σ≤X≤μ+2σ)-0.954 5|≤0.03,则称变量X满足近似于正态分布N(μ,σ2)的概率分布.如果这批样本的长度d满足近似于正态分布N(,12)的概率分布,则认为这批零件是合格的,将顺利出厂;否则不能出厂.请问,能否让该批零件出厂? 4.(2021·山东潍坊期末)在一个系统中,每一个设备能正常工作的概率称为设备的可靠度,而系统能正常工作的概率称为系统的可靠度,为了增加系统的可靠度,人们经常使用“备用冗余设备”(即正在使用的设备出故障时才启动的设备).已知某计算机网络服务器系统采用的是“一用两备”(即一台正常设备,两台备用设备)的配置,这三台设备中,只要有一台能正常工作,计算机网络就不会断掉.设三台设备的可靠度均为r(0<r<1),它们之间相互不影响.(1)要使系统的可靠度不低于0.992,求r的最小值;(2)当r=0.9时,求能正常工作的设备数X的分布列;(3)已知某高科技产业园当前的计算机网络中每台设备的可靠度是0.7,根据以往经验可知,计算机网络断掉可能给该产业园带来约50万元的经济损失.为减少对该产业园带来的经济损失,有以下两种方案:方案1:更换部分设备的硬件,使得每台设备的可靠度维持在0.9,更新设备硬件总费用为8万元;方案2:对系统的设备进行维护,使得设备可靠度维持在0.8,设备维护总费用为5万元.请从期望损失最小的角度判断决策部门该如何决策? 专题突破练19 统计与概率解答题1.解 (1)=5,6.02,-1.46,=6.02-(-1.46)×5=13.32.故y关于t的经验回归方程为=-1.46t+13.32.(2)因为P(μ-2σ≤X≤μ+2σ)≈0.954 5,所以P(X>μ-2σ)=0.954 5+=0.977 25.因为某贫困地区的农民人均年纯收入X满足正态分布N(1.6,0.36),所以μ=1.6,σ=0.6,μ-2σ=0.4,P(X>0.4)=0.977 25,故该地区最低人均年纯收入标准大约为0.4万元.2.解 (1)根据已知数据可建立列联表如下:生产线是否一级品合计一级品非一级品A2080100B3565100合计55145200 零假设为H0:是否为一级品与生产线无关.χ2=5.643>5.024=x0.025,依据小概率值α=0.025的独立性检验,推断H0不成立,即认为是否为一级品与生产线有关.(2)A生产线生产一件产品为一、二、三级品的概率分别为记A生产线生产一件产品的利润为X,则X的取值为100,50,-20,其分布列为X10050-20P B生产线生产一件产品为一、二、三级品的概率分别为记B生产线生产一件产品的利润为Y,则Y的取值为100,50,-20,其分布列为Y10050-20P ①E(X)=100+50+(-20)=46,E(Y)=100+50+(-20)=50.故A,B生产线生产一件产品的平均利润分别为46元、50元.②D(X)=(100-46)2+(50-46)2+(-20-46)2=1464.D(Y)=(100-50)2+(50-50)2+(-20-50)2=2100.因为D(X)<D(Y),所以A生产线的利润更为稳定.3.解 (1)由题意可得P(61≤d<62)==0.1,P(62≤d≤63)==0.03,P(59≤d<60)=P(60≤d<61)=(1-2×0.03-0.14-0.1)=0.35,所以a==0.03,b==0.1,c==0.35.=(57.5+62.5)×0.03+58.5×0.14+(59.5+60.5)×0.35+61.5×0.1=59.94≈60.(2)由(1)可知从该工厂生产的新零件中随机选取1件,长度d在(59,61]的概率P=2×0.35=0.7,且随机变量ξ服从二项分布ξ~B(3,0.7),所以P(ξ=0)=(1-0.7)3=0.027,P(ξ=1)=0.7×(1-0.7)2=0.189,P(ξ=2)=0.72×(1-0.7)=0.441,P(ξ=3)=0.73=0.343,所以随机变量ξ的分布列为ξ0123P0.0270.1890.4410.343 E(ξ)=0×0.027+1×0.189+2×0.441+3×0.343=2.1.(3)由(1)及题意可知=60,σ=1.所以P(-σ≤X-σ)=P(59≤X≤61)=0.7.|P(-σ≤X+σ)-0.6827|=|0.7-0.6827|=0.0173≤0.03,P(-2σ≤X-2σ)=P(58≤X≤62)=0.14+0.35+0.35+0.1=0.94,|P(-2σ≤X+2σ)-0.9545|=|0.94-0.9545|=0.0145≤0.03.所以这批新零件的长度d满足近似于正态分布N(,12)的概率分布.所以能让该批零件出厂.4.解 (1)要使系统的可靠度不低于0.992,则P(X≥1)=1-P(X<1)=1-P(X=0)=1-(1-r)3≥0.992,解得r≥0.8,故r的最小值为0.8.(2)X为正常工作的设备数,由题意可知,X~B(3,r),P(X=0)=0.90×(1-0.9)3=0.001,P(X=1)=0.91×(1-0.9)2=0.027,P(X=2)=0.92×(1-0.9)1=0.243,P(X=3)=0.93×(1-0.9)0=0.729,从而X的分布列为X0123P0.0010.0270.2430.729 (3)设方案1、方案2的总损失分别为X1,X2,采用方案1,更换部分设备的硬件,使得设备可靠度达到0.9,由(2)可知计算机网络断掉的概率为0.001,不断掉的概率为0.999,故E(X1)=80000+0.001×500000=80500元.采用方案2,对系统的设备进行维护,使得设备可靠度维持在0.8,由(1)可知计算机网络断掉的概率为0.008,故E(X2)=50000+0.008×500000=54000元,因此,从期望损失最小的角度,决策部门应选择方案2.
相关试卷
这是一份新高考数学二轮复习专题突破练19统计与概率解答题含答案,共7页。试卷主要包含了6,∑i=172=7,,635=x0等内容,欢迎下载使用。
这是一份适用于新高考新教材广西专版2024届高考数学二轮总复习专题突破练19统计与概率解答题,共4页。试卷主要包含了6,2=7,,635=x0等内容,欢迎下载使用。
这是一份高考数学二轮复习核心专题讲练:统计与概率第4讲 统计与概率综合解答题(含解析),共52页。试卷主要包含了,且规定计分规则如表,关于月份x的数据如表等内容,欢迎下载使用。

