初中物理沪教版九年级上册第七章 电路7.2 欧姆定律 电阻知识点教案设计
展开初三物理秋季班
教师 |
| 日期 |
| ||
学生 |
| ||||
课程编号 |
| 课型 | 同步 | ||
课题 | 电学实验 | ||||
教学目标 | |||||
1.掌握电功电功率的基础知识 2.掌握电功、电功率的计算方法 3.掌握伏安法测电阻的方式方法
| |||||
教学重难点 | |||||
1.伏安法测电阻方法(考试要求B;出题频率一般) 2.小灯泡电功率的测量和计算(考试要求C;出题频率高) 3.实验中电路动态变化和故障的判断(考试要求C;出题频率高)
| |||||
教学安排 | |||||
| 版块 | 时长 | |||
1 | 考点汇聚 | 25分钟 | |||
2 | 典型例题 | 25分钟 | |||
3 | 考点链接 | 30分钟 | |||
4 | 课堂总结 | 15分钟 | |||
5 | 课后作业 | 30分钟 | |||
…… |
|
| |||
电路故障通常考查只有两个用电器的电路,且在电源电压不变的情况下,电路中有一处故障或两处故障,一般情况下发生在电阻或电灯上。电路的连接方式:串联和并联。电路故障只有两种情况:短路和断路。
一、 测小灯泡电功率实验要点
实验原理 | P=UI P=UI | ||||||||||||||||||||
实验电路原理图 | |||||||||||||||||||||
滑动变阻器的作用 | (1)闭合电键前,滑片处在阻值最大的位置,起到保护电路的作用。 (2)使小灯泡两端的电压为额定电压。 | ||||||||||||||||||||
数据记录表 |
|
整体思路:
(1)连接好电路,刚闭合电建时,滑动变阻器连入电路的阻值最大,此时电路中的电流最小,根据分压关系,滑动变阻器两端的电压最大,而小灯泡两端的电压最小;
(2)不同电流对应不同的电压,三次电压,三次电流不能相互混淆,需要一一对应
(3)滑动变阻器连入电路的电阻为零,此时电路中的电流最大,小灯泡两端的电压最大,为电源电压,而滑动变阻器两端的电压为零;
(4)注意一些题目中的特殊语句(如:“实验步骤正确,闭合电键”:一般表示闭合电键时滑动变阻器连入电路的电阻最大。“变阻器滑片移动时,电压表示数变小,电流表示数也变大”:电压表没有测小灯泡电压等)。
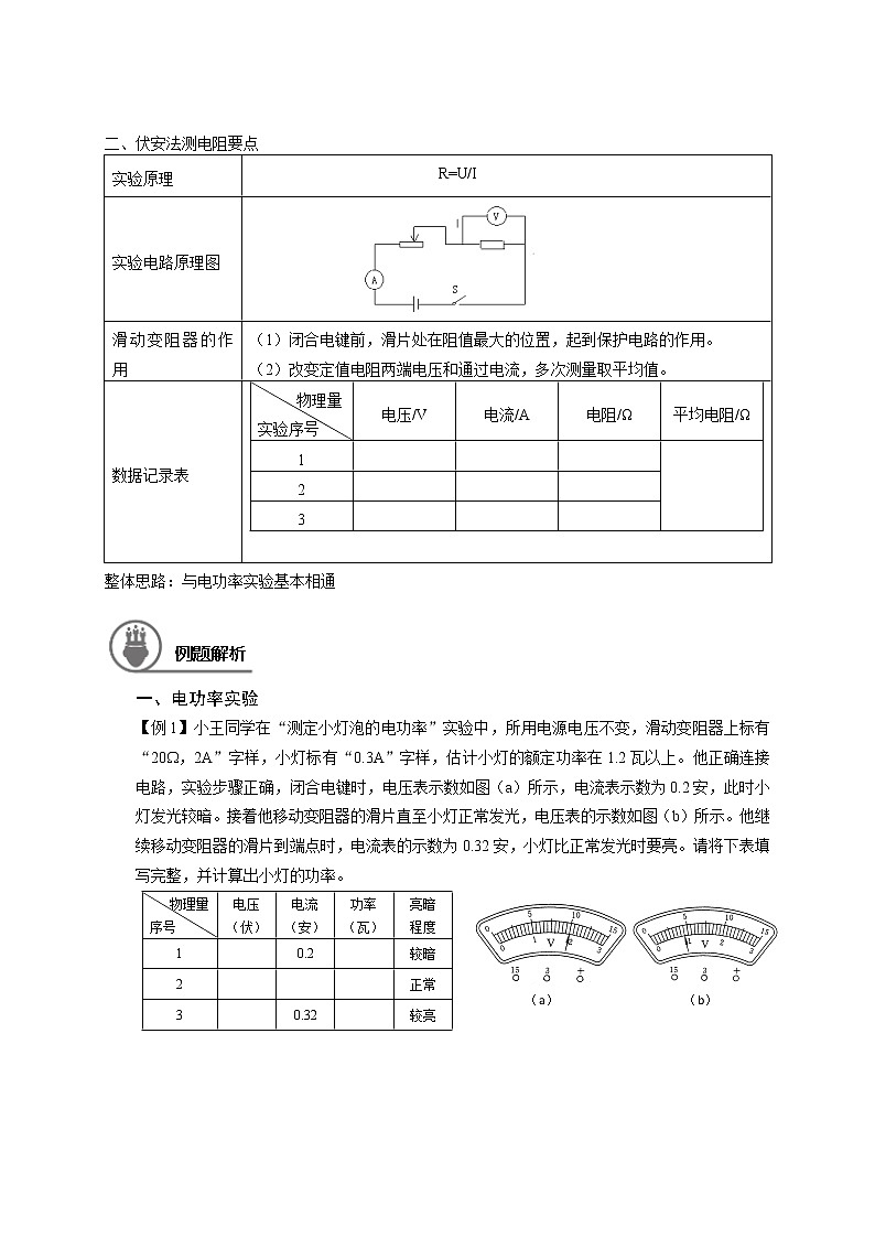
二、伏安法测电阻要点
实验原理 | P=UI R=U/I | ||||||||||||||||||
实验电路原理图 | |||||||||||||||||||
滑动变阻器的作用 | (1)闭合电键前,滑片处在阻值最大的位置,起到保护电路的作用。 (2)改变定值电阻两端电压和通过电流,多次测量取平均值。 | ||||||||||||||||||
数据记录表 |
|
整体思路:与电功率实验基本相通
一、电功率实验
【例1】小王同学在“测定小灯泡的电功率”实验中,所用电源电压不变,滑动变阻器上标有“20,2A”字样,小灯标有“0.3A”字样,估计小灯的额定功率在1.2瓦以上。他正确连接电路,实验步骤正确,闭合电键时,电压表示数如图(a)所示,电流表示数为0.2安,此时小灯发光较暗。接着他移动变阻器的滑片直至小灯正常发光,电压表的示数如图(b)所示。他继续移动变阻器的滑片到端点时,电流表的示数为0.32安,小灯比正常发光时要亮。请将下表填写完整,并计算出小灯的功率。
物理量 序号 | 电压 (伏) | 电流 (安) | 功率 (瓦) | 亮暗 程度 |
1 |
| 0.2 |
| 较暗 |
2 |
|
|
| 正常 |
3 |
| 0.32 |
| 较亮 |
二、伏安法测电阻
【例1】在“用电流表、电压表测电阻”的实验中,小明同学按图14连接电路进行实验。电源电压保持不变,所用滑动变阻器上标有“20,2A”字样。
(1)在闭合电键S前,他应将滑动变阻器的滑片置于图中________端。(选填“A”或“B”)
物理量 序号 | 电压 (伏) | 电流 (安) | 电阻 (欧) |
1 | 1.7 | 0.14 |
|
2 | 2.5 |
|
|
3 |
| 0.36 |
|
(2)他实验步骤正确,刚闭合电键时,将电压表、电流表的示数记录在序号1中。接着,他移动滑片到中点位置(即滑动变阻器接入电路的电阻为10欧),将电压表的示数2.5伏记录在序号2中。当他将滑片移动到A端时,将电流表的示数0.36安记录在序号3中。
请在上表中将该同学尚未记录的数据填写完整,并计算出电阻值。(计算电阻时,精确到0.1欧)
三、正确实物连接
【例1】在如图所示的电路中,电源电压恒定不变,当滑动变阻器R接入电路的电阻增大时,通过它的电流减小而它两端的电压却增大,它消耗的电功率是增大还是减小呢?
请你用笔画线代替导线将图中的各种器材连成小华进行实验时的电路。
【例2】某小组同学做“测定小灯电功率”的实验,老师为他们提供的器材如图所示,干电池是新的。小灯泡标有“2.5V”,滑动变阻器有“5Ω,1A”“20Ω,2A”二种规格。
(1)在图所示的电路中,二根导线尚未连接,请用笔线代替导线在图中正确连接。________要求:滑片在最右端时阻值最大。(用2B铅笔在答题纸的相应位置连线)
(2)正确连接电路,实验步骤正确,闭合电键后,发现小灯发光较亮,电压表和电流表如图所示。小组同学经过思考发现了问题,对实验器材进行了适当的调整。然后重新实验,闭合电键,移动滑动变阻器的滑片,发现滑片在中点位置时,小灯正常发光。你认为他们对实验器材可能做了怎样的调整________________。小灯正常发光时,变阻器连入的电阻为________欧,小灯正常发光的电流为________安,小灯的额定功率为________瓦。
三、实验故障
【例1】某实验小组使用如图(a)所示器材来测定小灯泡的额定功率,待测小灯泡的规格为额定电压2.5伏,额定功率不大于1瓦。
(1)请你帮助他们在图(a)中,用笔画线代替导线将实物图连线补充完整。
(2)电键闭合前,滑动变阻器的滑片应移到_______端(选填“左”或“右”),这样做能对电路起保护作用,在实验过程中滑动变阻器的另一个作用是
(3)若电键闭合后,小灯泡不亮,电流表示数为零,电压表示数超出所选量程,产生此现象可能的原因是(4)排除电路故障后,同学们按正确的实验步骤继续操作,移动滑片,当____________时,小灯正常发光,电流表示数如图(b)所示,则小灯泡的额定功率是_______瓦。
四、电功率求电源电压
【例1】小明同学做“测定小灯泡的功率”实验,电源电压是1.5伏的整数倍(即电源由几节干电池串联组成),滑动变阻器标有“50Ω2A”字样,小灯标有“0.3A”字样,且额定电压为“3.8V”、“4.5V”和“6.3V”中的一个,额定功率在1.0瓦~1.9瓦之间。他正确连接电路,闭合电键后,移动滑动变阻器的滑片,当观察到电流表的示数为____________安时,小灯正常发光,发现滑片在中点附近某位置。
② 画出实验电路图:________________________。(画在答题卡相应位置上)
②请根据相关信息计算出小灯的额定功率。_______________________(需写出计算过程)
1、小华同学做“测定小灯泡的电功率”实验,电源电压为6伏且保持不变,滑动变阻器标有“2A,10Ω”的字样,所用小灯泡是额定电压为“2.2V”和“2.5V”中的一个。
①小华连接的电路如图(a)所示,图中尚有一根导线未连接,请用笔线代替导线在图中正确连接,______________(用2B铅笔在答题纸的相应位置连线)
②闭合电键后,移动滑动变阻器的滑片,发现滑片在中点附近某位置时,小灯泡正常发光,此时电流表的示数如图(b)所示,则该实验中所用小灯泡的额定功率为___________瓦。接着,小华又移动滑动变阻器的滑片,发现小灯泡发出耀眼的亮光,则此时小灯泡的电功率__________额定功率(选填“小于”、“等于”或“大于”),可判断他是将滑片向变阻器的__________端移动(选填“左”或“右”)。
2、小海同学在“测定小灯泡功率”的实验中,电源电压6伏且保持不变,滑动变阻器上标有“20Ω2A”的字样,所用小灯泡的额定电压为3.8伏,额定功率在1.5瓦以内。他电路连接正确,实验步骤正确。
(1)请在图中的圆圈内填上适当的电表符号。
(2)当滑动变阻器的滑片P移在b端时,他闭合电键S,发现电流表示数为0.18安,但电压表无示数,把电压表换一个量程,仍无示数,出现这种现象的原因可能是____________________。该同学经过思考、分析后,重新进行实验,移动滑片P,当小灯泡正常发光时,电流表示数如图(B)所示,则小灯的额定功率为__________瓦。此时滑动变阻器连在电路中的电阻为________欧。(保留一位小数)
3、在“测定小灯泡的电功率”实验中,小红同学所用电源电压不变,小灯标有“2.5V”字样。她正确连接电路,实验步骤正确,闭合电键时,电压表、电流表的示数分别为1.3伏和0.16安。然后她将滑动变阻器的滑片移动到中点位置时,发现小灯正常发光。接着她将滑片移动到另一端,发现小灯闪亮一下熄灭了,此时电流表的示数为_______安,而电压表的示数如图(a)所示。于是她更换电压表量程,发现电压表的示数如图(b)所示,则电源电压为_______伏,滑动变阻器的最大阻值为_______欧,小灯的额定功率为_______瓦。
4、小明做“测定小灯泡的电功率”实验时,所用小灯标有“2.5V”字样,滑动变阻器标有“20,2A”字样。
(1)小明连接的电路如图所示,图中还有一根导线尚未连接,请用笔画线代替导线补上,补上后要求:闭合电键S,滑动变阻器的滑片P向右移动时,电流表示数变大。____________(用2B铅笔在答题纸的相应位置连线)
(2)连接电路后,按正确的步骤开始实验,闭合电键时,发现电压表有示数而电流表无示数,若电路中只有一处故障且只发生在小灯或滑动变阻器上,则电路故障一定是____________。小明排除故障后又重新开始刚才的实验,闭合电键S时,观察到电压表、电流表的示数分别为2伏和0.2安。当移动变阻器的滑片至变阻器的某一位置时,小灯正常发光,此时电流表示数如图所示,则电源电压为_________伏,小灯的额定功率为__________瓦。
5、在做“测定小灯泡的电功率”实验中,电源由几节干电池组成(即电源电压为1.5伏的整数倍且保持不变),待测小灯泡标有“2.2伏”字样,滑动变阻器标有“50Ω,1A”的字样。
①实验电路如图(a)所示,请在图中的○内填入电表,使之成为正确的电路。(用2B铅笔在答题纸的相应位置答题)
②实验中,正确连接电路,且操作正确。闭合电键S后,发现电流表示数如图(b)所示,但小灯泡不发光。那么接下来合适的实验操作应该是__________(选填序号)
(a)移动滑动变阻器的滑片,继续实验。
(b)检查电路是否短路,替换同一规格的小灯泡。
(c)检查电路是否断路,替换同一规格的小灯泡。
③实验中,当电压表示数为__________伏,小灯泡正常发光,此时电流表的指针位于图(b)刻度板的中央,小灯泡的额定功率为__________瓦。本实验所用电源的电压为__________伏。
6、在“伏安法”测量导体电阻的实验中,某同学连接的实物电路如图甲所示。
(1)请指出图甲中两处错误:①________________________;②___________________________。
(2)实验中,某次电流表示数如图乙所示,应记为________安,此时导体两端的电压为2伏,则该导体的电阻为__________欧。
7、在“测定小灯泡的电功率”实验中,电源电压为几节干电池组成的电池组,选用的滑动变阻器上标有“20Ω,2A”字样,小灯标有“0.3安”字样。某小组同学按正确的电路进行实验。
①甲同学连接好电路,闭合电键后发现小灯泡不亮,电流表无示数,但电压表有示数。出现这种故障的原因可能是_________。
②乙同学连接好电路,闭合电键后发现小灯泡比正常工作时亮,这说明他在闭合电键前没有将滑动变阻器的滑片滑到_______________的位置。
③丙同学正确连接电路,且实验步骤正确。闭合电键后,电流表与电压表的示数分别如图所示,则此时电路中的电流为_________安,电源电压为_________伏。将滑动变阻器的滑片移到中点时,该灯恰好正常发光,小灯的额定功率为_________瓦。
8、小明同学做“测定小灯泡的电功率”的实验,实验器材齐全且完好,所测小灯上标有“2.5V”字样,所用电源电压保持不变。
.①小明正确串联实验器材,并将滑片放置于变阻器的一端,然后将电压表并联在电路中。闭合电键后,两电表的示数如图所示。接着移动滑动变阻器的滑片,观察到电压表的示数逐渐变小,直到为零。
请在下边方框画出小明同学连接的实验电路图。
②经过思考,小明重新实验,他正确连接电路,操作步骤正确,闭台电键后,发现电压表的示数为2伏,则此时小灯的实际功率为__________瓦。
③本实验所用的电源电压为__________伏,滑动变阻器的最大阻值为__________欧。
1、滑动变阻器的作用是什么?
2、如何确定电路是否连接正确?
3、如何选取适合的量程进行精确的电功率测量?
1、在“测定小灯泡的电功率”实验中,所用电源的电压为4.5伏。小灯泡L标有“3.8V”字样,滑动变阻器标有“1Α,20Ω”字样。
①小王设计的电路如图16所示,其中还有一根导线尚未连接,请用笔线代替导线在图中正确连接。____________(用2B铅笔在答题纸的相应位置连线)
②小张同学按图正确连接电路,闭合电键时,观察到灯泡L闪亮一下后立即熄灭,原因可能是_______________________________________。
③小徐同学正确连接电路,实验操作规范。闭合电键后移动滑片,发现小灯亮度增加、电流表示数增大、电压表示数始终为零的现象。经教师检测发现该电压表的“15V”一档量程已损坏,“3V”一档量程完好。经小组同学讨论后,大家认为只要在测量过程中稍作调整,利用这些器材和这个电路,也能测出小灯的额定功率等。你认为他们调整的方法是___________________________________。
④小吴同学正确连接电路,实验操作规范。闭合电键后,记录的电压表示数和电流表示数如上表所示。由上表可知,灯泡L的额定功率为________瓦。
2、在“用电流表、电压表测电阻”的实验中,回答下列问题:
(1)实验的目的为:伏安法测电阻,要求多次测量,____________________。
(2)实验的原理为:__________。
(3)在图所示的电路中,标出电压表和电流表的“+”、“-”接线柱;
(4)根据图所示的电路,你认为如何实现多次测量:__________________________________。
(5)如果某同学设计了如下的记录表格,已经有二次实验数据填入了表格内,第三次的实验数据从图测得中读取,并填入表格中;
(6)计算每次测得的电阻值,计算电阻的平均值,填入表格中。
实验序号 | 电压 (伏) | 电流 (安) | 电阻 (欧) | R的阻值 (欧) |
1 | 0.7 | 0.14 |
|
|
2 | 1.5 | 0.30 |
| |
3 |
|
|
|
3、甲、乙两同学分别做“测定小灯泡的电功率”实验,他们使用的器材中,电源电压相同且不变,滑动变阻器上都标有“20Ω,2A”字样,待测的两个小灯额定电流均为0.35安。甲同学正确连接电路,闭合电键后,移动滑动变阻器的滑片,当小灯正常发光时,电压表的示数如图(a)所示,此时滑动变阻器的滑片恰好在中点(即它接入电路的电阻为10欧)。乙同学连接电路后,闭合电键,移动滑动变阻器的滑片,当小灯正常发光时,电压表示数如图(b)所示,且观察到乙同学的小灯比甲同学的小灯亮。
(1)请画出乙同学连接的电路图___________;(用2B铅笔在答题纸的相应位置作图)
(2)甲同学所测小灯的额定功率P额甲=___________瓦;
(3)求乙同学所测小灯的额定功率P额乙(需写出计算过程)
4、根据“用电流表、电压表测电阻”的实验,完成下列要求。
(1)在如图所示的电路中,有一根导线尚未连接,请用笔画线代替导线在图中正确连接。________(用2B铅笔在答题纸的相应位置连接)
(2)实验所用滑动变阻器标有“10Ω,1A”字样,电源电压不变,所有元件均完好。移动变阻器滑片至中点时(即变阻器连入电路的电阻为5欧),电流表的示数为0.3安,电压表的示数如图所示,则待测电阻两端的电压为_________伏,待测电阻的阻值为________欧,电源电压为________伏。
(3)继续实验,测出电阻值分别为10.1欧和10.2欧,可求得电阻的平均值为_________欧。(计算电阻时,精确到0.1欧)
5、小华同学做“测定小灯泡的电功率”实验,实验器材齐全并完好,其中:电源电压为6伏且不变,待用滑动变阻器有两种规格(分别标有“10Ω,2A”、“20Ω,2A”的字样),所用小灯是额定电压为“2.2V”、“3.8V”和“4.5V”中的一个,估计小灯的额定功率在1.8瓦以内。
小华连接电路,闭合电键后,移动变阻器的滑片,他发现当滑片在中点附近某位置时,小灯接近正常发光,此时电流表、电压表的示数如图所示。当他确定小灯的额定电压后,稍许移动了滑片的位置使小灯正常发光,此时电流表指针的位置恰好跟图中电流表指针的位置相差一格。
(1)求图中电流表的示数。
(2)求小灯可能的额定功率并计算说明所用变阻器的规格。
6、小华同学做“测定小灯泡的电功率”实验,小灯上标有“2.2V”字样。小华连接好电路,将滑动变阻器的滑片置于阻值最大处,闭合电键,观察到小灯发出明亮的光,电压表的示数如图所示,移动滑动变阻器的滑片电流表示数发生改变。请判断出现这种现象的原因可能是_________________。
小华发现了问题,他用原有的实验器材重新连接电路进行实验,如图所示,图中尚有二根导线未连接,请用笔线代替导线在图中正确连接,要求如果滑片向右移动,电流表示数变大。_________(用2B铅笔在答题纸的相应位置连线)。
小华按规范的步骤操作,闭合电键,发现电流表示数为0.26安,电压表的示数为1.7伏,当小灯正常发光时,滑动变阻器的滑片恰好位于中点位置,则此时滑动变阻器连入电路的电阻为________欧,此时电流表的示数为_________安,小灯的额定功率为_________瓦。
8、在“用电流表、电压表测电阻”的实验中。电源电压为6V保持不变,所用滑动变阻器上标有“20Ω,2A”字样。
(1)小明连接的实物电路为图,其中有一根导线未连接,请用笔线代替导线在图中正确连接,要求:当滑片向左移时,电压表示数变大。_______(用2B铅笔在答题纸的相应位置连线)
(2)小明按图所示电路实验,在某次测量时,滑动变阻器接入电路的阻值恰好为10Ω,电压表的示数如图所示,则电阻Rx两端的电压为_______伏,通过电阻的电流为_______安,此时测得电阻Rx的阻值为_______欧。
沪教版初中物理九年级下学期专题复习知识点专练-17-情景归纳 学案: 这是一份沪教版初中物理九年级下学期专题复习知识点专练-17-情景归纳 学案,共20页。
沪教版初中物理九年级下学期专题复习知识点专练-14-电学计算(二) 学案: 这是一份沪教版初中物理九年级下学期专题复习知识点专练-14-电学计算(二) 学案,共16页。学案主要包含了所涉及的公式,电路特点,选择替换电阻的通用原则等内容,欢迎下载使用。
沪教版初中物理九年级下学期专题复习知识点专练-13-电学计算(一) 学案: 这是一份沪教版初中物理九年级下学期专题复习知识点专练-13-电学计算(一) 学案,共17页。学案主要包含了所涉及的公式,电路特点,解题注意点等内容,欢迎下载使用。

