人教版中考物理重点知识点专项练习压力和压强(含答案解析)
展开A.安全锤的锤头很尖B.压路机的碾子很重
C.载重汽车的车轮宽且多D.注射器的针头很尖
题二:图中的推土机有宽大的履带和锋利的土铲,那么_________是为了减小压强,锋利的土铲是为了________________。直接坐在木椅上感觉很硬、很不舒服,可以使自己坐得舒服些的办法和道理是______________________________________________________。
题三:在“探究实心圆柱体对地面的压强与哪些因素有关”的实验中,某中学一小组的同学们认为此压强跟圆柱体的密度ρ、高度h、圆柱体底面积S是有关的,但有怎样的关系看法不同,于是在老师的帮助下,小组的同学们从实验室里挑选了由不同密度的合金材料制成、高度和横截面积不同、质量分布均匀的实心圆柱体做实验,测出实心圆柱体竖直放置时(如图所示)对水平桌面上海绵的压下深度,实验记录见下表。
(1)该小组同学是通过_________来判断压强大小的;
(2)分析实验1、2或4、5可以得出:当圆柱体的材料密度相同时,实心圆柱体对水平地面的压强与圆柱体的_________________有关。
(3)分析_________可以得出,当圆柱体的密度相同时,实心圆柱体对水平地面的压强与底面积无关。
(4)此探究过程用到的科学探究方法有_________、_________。
(5)实验结束之后,同学们在老师的指导下,以某一合金甲圆柱体为研究对象,推导它对海绵的压强大小的表达式(已知合金的密度为ρ,长方体铁块的高度为h,底面积为S),表达式为________________。
(6)上面推导出的表达式________(选填“能”或“不能”)应用于各类固体的压强的计算。
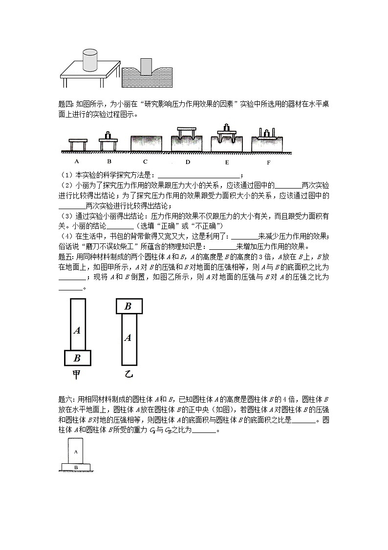
题四:如图所示,为小丽在“研究影响压力作用效果的因素”实验中所选用的器材在水平桌面上进行的实验过程图示。
(1)本实验的科学探究方法是:________________________;
(2)小丽为了探究压力作用的效果跟压力大小的关系,应该通过图中的________两次实验进行比较得出结论;为了探究压力作用的效果跟受力面积大小的关系,应该通过图中的________两次实验进行比较得出结论;
(3)通过实验小丽得出结论:压力作用的效果不仅跟压力的大小有关,而且跟受力面积有关。小丽的结论________(选填“正确”或“不正确”)
(4)在生活中,书包的背带做得又宽又大,这是利用了:________来减少压力作用的效果;俗话说“磨刀不误砍柴工”所蕴含的物理知识是:________来增加压力作用的效果。
题五:用同种材料制成的两个圆柱体A和B,A的高度是B的高度的3倍,A放在B上,B放在地面上,如图甲所示,A对B的压强和B对地面的压强相等,则A与B的底面积之比为________;现将A和B倒置,如图乙所示,则A对地面的压强与B对A的压强之比为_______。
题六:用相同材料制成的圆柱体A和B,已知圆柱体A的高度是圆柱体B的4倍,圆柱体B放在水平地面上,圆柱体A放在圆柱体B的正中央(如图),若圆柱体A对圆柱体B的压强和圆柱体B对地的压强相等,则圆柱体A的底面积与圆柱体B的底面积之比是_______。圆柱体A和圆柱体B所受的重力GA与GB之比为_______。
题七:把两端开口的玻璃管的下方用一薄塑料片托住(塑料片重量不计),放入水面下16cm处,然后向管内缓慢倒入密度为0.8×103kg/m3的煤油,当塑料片开始下沉时,煤油在管内的高度是()
A.12.8cmB.8cmC.20cmD.16cm
题八:如图所示,在烧杯内装有某种液体,A为两端开口的玻璃管,B为轻质塑料片,B在液面下的深度为15cm.向A管内缓缓注入水,当塑料片恰好脱落时,A管内水柱高12cm,则烧杯内的液体的密度是_______g/cm3.
题九:一未装满橙汁的密闭杯子,先正立放在桌面上(如图A),然后反过来倒立在桌面上(如图B),两次放置橙汁对杯底的压强分别是pA和pB,密闭杯子对桌面的压力分别是FA和FB,密闭杯子对桌面的压强分别是p1和p2,则pA______pB,FA______FB,p1______p2.(选填“=”或“<”或“>”)
题十:如图所示,A、B为两个形状、体积相同的密闭容器,都装满水,放在水平桌面上,则它们底面受到液体的压力FA______FB;它们对桌面的压强pA′______pB′(以上两空均填“<”、“>”或“=”)。
题十一:小敏同学利用如图装置探究“液体内部压强的特点”(乙和丙容器中装的是同种液体)
(1)实验中,首先必须检查压强计能否正常使用,若用手指不论轻压还是重压探头的橡皮膜,发现U形管两边液柱的高度差变化都很小,则说明该压强计的气密性_____(选填“好”或“差”),调节好压强计后,U形管两边液面相平。
(2)小敏把探头分别浸入到甲、乙图中的两种液体(水和酒精)中,发现图甲中U形管两边液柱的高度差比图乙小。由此,他判断图甲中的液体是酒精,他的判断是_____(选填“正确”或“错误”);接着他改变图乙中探头的深度,其探究情况如图丙所示。
(3)比较图_____,得出探头浸入液体的深度_____(选填“越深”或“越浅”),U形管两边液柱的高度差就越大,表示液体的压强就越_____。
(4)小敏发现在同种液体中,探头所处深度相同时,只改变探头的方向,U形管两边液柱的高度差不变,表明_______________________________________________。
题十二:在“研究液体压强”的实验中,进行了如图所示的操作.
(1)为了顺利完成实验,除图中画出的器材外,还需要用到的测量仪器_____;
(2)比较图中代号为_____、_____、_____的三个图,可得到的结论是:在同一深度,液体向各个方向的压强相等;
(3)比较_____、_____两图,可以知道:在深度相同的情况下,不同液体的压强还与它的密度有关,液体的密度越大,压强_____;
(4)比较B、D、E三个图,可以看出:______________________________。
题十三:下列有关对“大气压”的叙述,正确的是()
A.马德堡半球实验有力地证明了大气压的存在
B.晴天、阴雨天等天气的变化也会影响大气压
C.大气压的大小与大气的密度有关,离地面越高的地方,大气压也越大
D.标准大气压的数值约为1.01×105Pa
题十四:对下列与压强有关的事例.解释不正确的是()
A.用吸管喝饮料利用了大气压强
B.高压锅是利用液体的沸点随气压增大而升高的原理制造的
C.水坝下部比上部建造的宽是因为液体压强随着深度的增加而减小
D.坐沙发比坐木凳舒服,利用了增大受力面积来减小压强的道理
题十五:将烧瓶内的水加热至沸腾后移去火焰,水会停止沸腾。迅速塞上瓶塞,把烧瓶倒置并向瓶底浇冷水(如图),你会观察到烧瓶内的水又沸腾起来,产生这一现象的原因是()
A.瓶内气体温度升高,压强增大,水的沸点降低
B.瓶内气体温度降低,压强减小,水的沸点降低
C.瓶内气体温度降低,压强减小,水的沸点升高
D.瓶内气体温度升高,压强减小,水的沸点升高
题十六:如图所示,在薄皮铁桶内放些水,烧开后把开口堵住,再浇上冷水,发现皮桶变扁了,这是____________作用的结果;高山上普通锅煮不熟饭,是因为高度越高,大气压强就越_______(选填“高”或“低”),锅内水的沸点____100℃(选填“小于”、“等于”或“大于”)。
题十七:当火车驶进车站时,如果车站上的乘客站在安全线和火车之间,则乘客与火车之间的空气流速将_____,空气压强将_____,容易引发危险。(都选填“变大”“不变”或“变小”)
题十八:“清风不识字、何故乱翻书”诗句中清风能翻书,是因为风使书表面上空气流动速度_____而导致书上表面压强_____。(选填“增大”或“减小”)
参考答案
题一:C
详解:A、安全锤的锤头很尖,是在压力一定时,减小受力面积增大对玻璃的压强,容易砸碎玻璃,不符合题意;
B、压路机装有很重的碾子,在受力面积一定时,增大压力来增大碾子对路面的压强,不符合题意;
C、载重汽车的车轮宽且多,在压力一定时,增大受力面积来减小汽车对路面的压强,保护路面,符合题意;
D、注射器的针头很尖,是在压力一定时,减小受力面积来增大压强,容易扎进去,不符合题意。故选C.
题二:宽大的履带;增大压强;在木椅上放座垫;在压力一定时,增大了受力面积,减小了压强,坐得更舒服些
详解:推土机有宽大的履带和锋利的土铲,宽大的履带是为了在压力一定时,通过增大受力面积来减小压强;锋利的土铲是为了在压力一定时,通过减小受力面积来增大压强;
直接坐在木椅上感觉很硬、很不舒服是因为压强太大,为了使自己坐得舒服些可以在木椅上放座垫,这样在压力一定时,增大了受力面积,减小了压强,坐得更舒服些。
题三:(1)海绵被压下深度;(2)高度;(3)2、3或5、6;(4)控制变量法;转换法;
(5)p=ρgh;(6)不能
详解:(1)由题意可知,该小组同学是通过海绵被压下深度来判断压强大小的,这是转换法的运用;
(2)分析实验1、2或4、5可以看出,圆柱体的材料密度相同,高度不同,对水平面的压强不同,故可得出结论:当圆柱体的材料密度相同时,实心圆柱体对水平地面的压强与圆柱体的高度有关;
(3)当圆柱体的密度相同时,实心圆柱体对水平地面的压强与底面积无关,要求圆柱体的密度相同,对水平面的压强也相同,而底面积必须不同,故序号2、3或5、6符合要求;
(4)此探究过程用到的科学探究方法有控制变量法、转换法。
(5)已知合金的密度为ρ,长方体铁块的高度为h,底面积为S,由压强的公式推导过程为:.
(6)从实验条件可以看出p=ρgh这一公式只适用于质量分布均匀的实心柱状物体,不能应用于各类
固体的压强的计算。
题四:(1)控制变量法、转换法;(2)D、E;E、F;(3)正确;(4)增加受力面积;减少受力面积
详解:(1)探究影响压力作用效果的因素实验,应用了控制变量法与转换法;
(2)探究压力作用的效果跟压力大小的关系,应控制受力面积相同而压力大小不同,由图示实验可知,应选择图D、E两次实验进行比较得出结论;为了探究压力作用的效果跟受力面积大小的关系,应控制物体间的压力相等而受力面积不同,应该通过图中的E、F两次实验进行比较得出结论;
(3)由图D、E所示实验可知,受力面积相同而物体间的压力不同,压力作用效果不同,由此可知,压力作用效果与压力大小有关,由图E、F所示实验可知,物体间的压力相同而受力面积不同,压力作用效果不同,由此可知,压力作用效果与受力面积有关。综上可知,小丽的结论是正确的;
(4)书包的背带做得又宽又大,这是利用了:增加受力面积来减少压力作用的效果;俗话说“磨刀不误砍柴工”所蕴含的物理知识是:减少受力面积来增加压力作用的效果。
题五:2:3;3:1
详解:(1)A对B的压强,
B对地的压强,
因为pA=pB,
①
又因为hA=3hB,
所以②
①②整理可得,
(2)现将A和B倒置,则A对地面的压强
B对A的压强,
.
题六:3:4;3:1
详解:(1)根据题意可知,hA=4hB,两圆柱体的密度相同,设它们的密度均为ρ;
圆柱体A对圆柱体B的压强:
;
圆柱体B对地的压力等于两个圆柱体的总重力,则圆柱体B对地的压强:
;
已知pA对B=pB对地,
所以①
将hA=4hB代入①式可得:
②
整理②式解得:;
(2)根据G=mg和m=ρV可得,圆柱体A和圆柱体B所受的重力之比:
.
题七:C
详解:当塑料片刚好下沉时p水=p煤油,即ρ水gh1=ρ煤油gh2,
则煤油在管内的高度:.
故选C.
题八:0.8
详解:因玻璃管内外压强相等时,塑料片B恰好脱落,
所以,由p=ρgh可得:ρ水gh水=ρ液gh液,
则烧杯内的液体的密度:
.
题九:>;=;>
详解:不论正立还是倒立,杯中装的都是橙汁,液体密度相同,由图可知,倒立时的深度较小,根据p=ρgh可知,倒放时对杯底的压强较小,即pA>pB.
静止放在水平桌面上,压力等于重力,重力不变则压力不变,即FA=FB;
倒立时受力面积增大,根据可知压强减小,即p1>p2.
题十:<;>
详解:(1)因为A、B密闭容器为两个形状、体积相同,盛满水,
所以水深度相同,由液体压强公式p=ρgh得:pA=pB;
因为SA<SB,根据F=pS可知,它们底面受到液体的压力FA<FB;
(2)正放时,容器A对桌面的压力等于容器和液体的重力之和;
倒放时,容器B对桌面的压力也等于容器和液体的重力之和,
所以压力相等,即FA′=FB′;
∵容器的两个底面A和B面积不等:SA<SB;
根据公式可知,pA′>pB′.
题十一:(1)差;(2)错误;(3)乙、丙;越深;大;(4)在同种液体的同一深度处,液体内部向各个方向的压强相等
详解:(1)若用手指不论轻压还是重压橡皮膜时,发现U形管两边液柱的高度差变化都很小,则说明该压强计的气密性差;
(2)小敏把探头分别浸入到甲、乙图中的两种液体(水和酒精)中,由图可知,没有控制探头所在的深度相同,所以不能通过液体压强的大小来比较液体密度的大小,故他的判断是错误的;
(3)研究液体压强与深度的关系时,应控制液体密度相同,改变深度,故小敏应该比较图乙、丙;探头浸入液体的深度越深,U形管两边液柱的高度差就越大,表示液体的压强就越大;
(4)在同种液体中,探头所处深度相同时,只改变探头的方向,U型管两边的液面高度差相同,说明在同种液体的同一深度处,液体内部向各个方向的压强相等。
题十二:(1)刻度尺;(2)A;B;C;(3)E;F;越大;
(4)在液体密度相同时,深度越深、压强越大
详解:(1)实验中为了准确比较压强计的金属盒浸入液体的深度,应增加一把刻度尺;
(2)各次实验中,符合“同种液体、同一深度”的实验序号是A、B、C,说明此时液体向各个方向压强相等;
(3)E、F两个图中深度相同,液体的密度不同,U形管中液面的高度差也不同,故可得出:不同液体的压强还与它的密度有关,液体的密度越大,压强越大;
(4)比较B、D、E三个图,可以看出,液体的密度相同,深度不同,且深度越深、U形管中液面高度差越大,故可得出:在液体密度相同时,深度越深、压强越大。
题十三:ABD
详解:A、马德堡半球实验有力地证明了大气压的存在,同时也说明大气压是很大的,故A正确;
B、大气压受天气的影响,故晴天、阴雨天等天气的变化也会影响大气压,故B正确;
C、大气压的大小与大气的密度有关,离地面越高的地方,大气的密度越小,大气压也越小,而不是越大,故C错误;
D、标准大气压的数值约为1.01×105Pa,故D正确。故选ABD.
题十四:C
详解:A、吸管吸饮料时,用力吸时,管内压强减小,饮料在大气压的作用下被压入嘴里,故A正确;
B、高压锅是利用液体的沸点随气压增大而升高的原理制造的,故B正确;
C、水坝的形状上窄下宽是因为液体的压强随着深度的增加而增大,故C错误;
D、坐沙发比坐木凳舒服,是利用在压力一定的情况下,通过增大受力面积来减小压强,故D正确。故选C.
题十五:B
详解:水停止沸腾后,迅速塞上瓶塞,把烧瓶倒置并向瓶底浇冷水,会看到烧瓶中的水重新沸腾。因为当向瓶底浇冷水时,瓶内气体温度突然降低,瓶内的水蒸汽遇冷液化,气压减小,瓶内液面上方气压减小,导致沸点降低,所以水重新沸腾起来。故选B.
题十六:大气压;低;小于
详解:(1)在薄皮铁桶内放些水,烧开后把开口堵住,再浇上冷水,桶内气体遇冷收缩,气体压强减小,在外界大气压强的作用下,薄皮铁桶被压扁了,因此该现象证明了大气压强的存在;
(2)高山上普通锅煮不熟饭,是因为高度越高,大气压强越低,普通锅锅内水的沸点小于100℃.
题十七:变大;变小
详解:当火车驶过车站时,安全线以内的地方空气流速增大,空气压强减小;人外侧受到的压强大于内侧受到的压强,人被压向列车,引发危险。
题十八:增大;减小
详解:风吹过书页的上表面时,使书表面上空气流动速度增大,而导致书上表面压强减小,而书页下表面的压强不变,在上下压强差的作用下,书页会向上翻,故有“清风不识字、何故乱翻书”之说。
序号
物体
底面积/cm2
高度/cm
海绵被压下深度/cm
1
合金甲圆柱体A
10
5
0.5
2
合金甲圆柱体B
10
10
1
3
合金甲圆柱体C
20
10
1
4
合金乙圆柱体A
10
5
1.5
5
合金乙圆柱体B
10
10
3
6
合金乙圆柱体C
20
10
3
考点09 压力 压强 备战中考物理一轮复习知识点+练习(含答案解析): 这是一份考点09 压力 压强 备战中考物理一轮复习知识点+练习(含答案解析),文件包含专题09压力压强备战中考物理一轮复习知识点+练习含答案解析docx、专题09压力压强备战中考物理一轮复习知识点+练习docx等2份试卷配套教学资源,其中试卷共40页, 欢迎下载使用。
人教版中考物理重点知识点专项练习浮力上(含答案解析): 这是一份人教版中考物理重点知识点专项练习浮力上(含答案解析),共9页。试卷主要包含了0×103kg/m3),48N,5g等内容,欢迎下载使用。
苏科版八年级下册压强当堂检测题: 这是一份苏科版八年级下册压强当堂检测题,共3页。试卷主要包含了压强,使冰爪很容易的插入冰雪中等内容,欢迎下载使用。

