2022年河南省洛阳市新前程美语学校中考物理模拟试卷(二)
展开
2022年河南省洛阳市新前程美语学校中考物理模拟试卷(二)
- 年月日,我国“天问一号”火星探测器所携带的“祝融号”火星车及其着陆组合体首次着陆火星取得成功。“祝融号”火星车是依靠其机身两侧闪蝶形太阳能电池翼提供能量的,太阳能来源于太阳内部氢原子核在超高温下发生______,释放出的巨大核能;太阳能属于______选填“可再生”或“不可再生”能源。
- 某种昆虫靠翅膀的振动发声。如果这种昆虫的翅膀在内振动了次,人类______选填“能”或“不能”听到该频率的声音。“蝉噪林逾静,鸟鸣山更幽。”人们通过______区分夏虫与鸟发出的声音。
- 汽油机和柴油机在构造上相似,又略有不同.汽油机汽缸顶部有一个______ ,柴油机汽缸顶部是一个______ 一台四冲程汽油机,每完成个冲程,飞轮要转______ 圈.
- 用如图所示滑轮组拉动物体在粗糙的水平面上运动,不计绳和滑轮的自重。当为时,物体在水平面上做匀速直线运动,此时物体受到地面的摩擦力为,则滑轮组的机械效率是______;当增大到时,物体受到地面的摩擦力为______。
- 灯泡标有“”,灯泡标有“”,不考虑温度影响,将它们串联在电路中,在保证电路安全的情况下,总电压最大为______,此时灯泡______更亮,若两灯丝材料、长度相等,______的灯丝更粗选填“”或“”。
- 现在,体育成绩也要计入中考的总分,因此,我们在学习书本知识的同时也需要积极锻炼来提高体育成绩。很多学校都开展了大课间活动,听到校园广播的音乐响起,大家都会到操场锻炼:或跑步、或跳绳、或掷实心球、或做操为了规范有序地开展大课间活动,还有老师指导活动的开展,有些老师还会和学生一起跑步。请找出一个与以上情景有关的物理信息,并指出对应的物理知识,不得与示例重复。
- 示例:物理信息:音乐响起,到操场锻炼
- 物理知识:声音可以传递信息
- 作答:物理信息:______
- 物理知识:______
- 下列有关导体、绝缘体、半导体和超导体的知识中正确的是
A. 一般情况下,铜、铁、橡胶都是导体
B. 玻璃、塑料、大地都是绝缘体
C. 发光二极管简称是由半导体材料制成的
D. 有一些材料,导电性能介于导体和绝缘体之间,常常称做超导体
- 中国的古诗词中蕴含了丰富的光学知识,下列说法正确的是
A. “峰多巧障日,江远欲浮天”,山峰遮住太阳是由于光的折射
B. “掬水月在手,弄花香满衣”,水中月亮的形成是由于光的反射
C. “潭清疑水浅,荷动知鱼散”,清澈的潭水看上去很浅是由于光的直线传播
D. “绿树阴浓夏日长,楼台倒影入池塘”,“绿树阴”中绿树的影子是平面镜成像所致
- 关于温度、热量和内能,下列说法中正确的是
A. 温度高的物体内能不一定大
B. 物体温度升高,所含热量增多
C. 只要物体的温度不变,内能就一定不变
D. 物体温度越高,放出的热量越多
- 如图所示,将橡皮泥捏成实心小球放入水中,小球沉入水底,再将同样一块橡皮泥捏成小船放在水中使其漂浮。关于橡皮泥小球和小船受到的浮力,下列说法正确的是
A. 橡皮泥小球受到的浮力等于自身的重力
B. 橡皮泥小球受到的浮力大于自身的重力
C. 橡皮泥小船受到的浮力等于橡皮泥小球受到的浮力
D. 橡皮泥小船受到的浮力大于橡皮泥小球受到的浮力
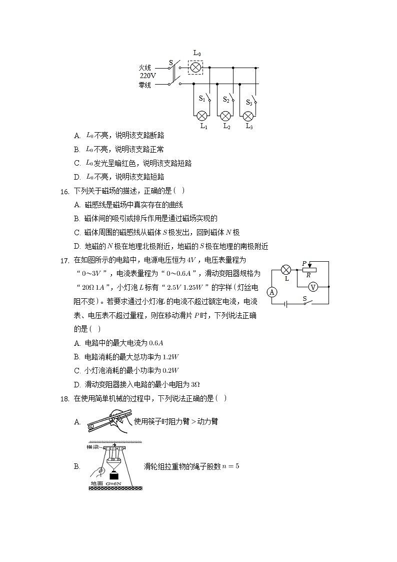
- 电工师傅常用一只额定电压为的灯泡检验灯泡取代保险丝来检查新安装的照明电路中每个支路的情况,如图所示。当闭合后,再分别闭合、、每次只闭合其中之一时,试判断下列的选项正确的是
A. 不亮,说明该支路断路
B. 不亮,说明该支路正常
C. 发光呈暗红色,说明该支路短路
D. 不亮,说明该支路短路
- 下列关于磁场的描述,正确的是
A. 磁感线是磁场中真实存在的曲线
B. 磁体间的吸引或排斥作用是通过磁场实现的
C. 磁体周围的磁感线从磁体极发出,回到磁体极
D. 地磁的极在地理北极附近,地磁的极在地理的南极附近
- 在如图所示的电路中,电源电压恒为,电压表量程为“”,电流表量程为“”,滑动变阻器规格为“”,小灯泡标有“”的字样灯丝电阻不变。若要求通过小灯泡的电流不超过额定电流,电流表、电压表不超过量程,则在移动滑片时,下列说法正确的是
A. 电路中的最大电流为
B. 电路消耗的最大总功率为
C. 小灯泡消耗的最小功率为
D. 滑动变阻器接入电路的最小电阻为
- 在使用简单机械的过程中,下列说法正确的是
A. 使用筷子时阻力臂动力臂
B. 滑轮组拉重物的绳子股数
C. 使杠杆平衡两次拉力
D. 拉重的物体,拉力
- 如图所示,重的货物随小车在拉力的作用下一起向右做匀速直线运动,请在图中画出货物所受力的示意图。
- 当开关闭合后,螺线管的极如图所示,请在图中标出电源的正、负极和放置于螺线管正上方小磁针的、极.
|
- 在探究“凸透镜成像规律”的实验中
- 为了使蜡烛的像出现在光屏的中央,应调整蜡烛,凸透镜和光屏,使它们的中心在______
- 如图甲所示,在蜡烛在光屏上成倒立,等大的像,则凸透镜的焦距______,若保持凸透镜的位置不变,将蜡烛逐渐靠近凸透镜,要使光屏上仍能得到清晰的像,光屏应______选填“靠近”“远离”凸透镜
- 如图乙所示,将蜡烛放在点的位置,若切除凸透镜中间的阴影部分,再将剩余部分靠拢合在一起,蜡烛能成______个像
- 如图是研究牛顿第一定律的实验,请回答:
- 三次实验中让小车从斜面同一高度由静止开始滑下,是为了使它在平面上开始运动的______相同。
- 实验结论是:平面越光滑,小车受到的摩擦力越______,速度减小得越______。
- 根据实验结论,可推理得出:运动的小车如所受的阻力为零,小车将做______运动。
- 汽车在快速行驶过程中,突然前方有行人横穿马路,司机紧急刹车,坐在副驾驶位置的人幸亏系着安全带,才没有破窗飞出。请你解释这一现象。
- 答:刹车前人和车都是______的。刹车后车速突然减慢,坐在副驾驶位置的人由于具有______,要保持原来的运动状态。因此,若不系安全带就可能会破窗飞出。
- 如图甲所示,在“探究通过导体的电流与导体两端的电压的关系”实验中,某小组选用两节新干电池为电源,规格为“”的滑动变阻器等器材进行实验:
实验次数 | |||||
电压 | |||||
电流 |
连接电路时开关应该______。
在做实验时,要求保持______不变,通过移动______改变电阻两端的电压,观察电流大小的变化。
闭合开关,发现电压表无示数,电流表有示数但没超出量程,则产生故障的原因可能是电阻______选填“断路”或“短路”。
排除故障后,闭合开关,移动滑动变阻器的滑片,若电流表示数如图乙所示,其读数为______。
改变滑动变阻器滑片的位置,测得多组对应的电压、电流值,如表所示。由测得数据可知,当电阻一定时,导体中的电流与导体两端电压成______,导体电阻为______结果保留一位小数。
进行实验时,该小组发现:调节滑动变阻器无法使电压表示数为,为了解决这个问题,可采取的方法是______写出一种即可。
- 小明利用酒精灯烧开水,他将初温为的水加热到沸腾标准大气压。水烧开后,他通过测量发现共消耗了的酒精。求:
- 水吸收的热量为多少?
- 酒精完全燃烧放出的热量为多少?
- 酒精灯烧水时的效率为多少?
- 如图所示是某品牌电炖锅的内部简化电路图,电炖锅上有和两挡功率,挡位可自动调节。其工作过程是:按下开关,自动选择挡将汤煮至,然后自动跳至挡进行保温慢炖。设汤的初温为,质量为,汤的比热容为,求:
- 若电炖锅将汤从初温加热至,在此过程中汤吸收的热量是多少?
- 不考虑热损失,将汤从初温加热至,需要加热多长时间?
- 保温时的功率是多少?
答案和解析
1.【答案】
聚变 可再生
【解析】
解:在太阳内部,太阳之所以能发光发热,实质相当于无数个的氢弹爆炸而造成的,即氢原子核在超高温下发生聚变释放核能;对于人类来说太阳能是可以再生的,故它是可再生能源。
故答案为:聚变;可再生。
太阳内部时时刻刻都在发生核聚变,太阳能是可再生能源。
本题考查了核聚变和能源的分类,基础题,难度较低。
2.【答案】
能 音色
【解析】
解:频率是指每秒振动的次数,由题可知这种昆虫的翅膀每秒振动的次数为:次,则该昆虫翅膀振动的频率为,人耳可听到的频率范围是,因此人类可以听到该频率的声音;
音色是声音的特色,一般不同的发声体的音色不同,因此人们通过音色区分夏虫与鸟发出的声音。
故答案为:能;音色。
频率是指每秒钟振动的次数,据此得出该昆虫翅膀振动的频率;人耳可以听到的频率范围是;
音色是指声音的特色,与发声体的材质和结构有关,一般不同的发声体的音色不同。
本题考查了对频率和音色的理解,属于基础题,难度不大。
3.【答案】
火花塞;喷油嘴;
【解析】
解:
汽油机和柴油机在构造上的区别是:汽油机顶部有一个火花塞,柴油机顶部有一个喷油嘴;
四冲程汽油机,每完成个冲程,飞轮要转圈.
故答案为:火花塞;喷油嘴;.
柴油机和汽油机的结构区别:汽油机在吸气冲程中吸入了汽油和空气的混合气体,在压缩冲程中,机械能转化为内能,内能增大,温度升高,汽油机气缸顶端有个火花塞,此时火花塞喷出电火花,点燃汽油,产生高温高压的燃气推动活塞做功.
四冲程内燃机完成四个冲程,飞轮转周.
掌握汽油机和柴油机的相同点和不同点及热机的工作原理是重点.
4.【答案】
【解析】
解:克服摩擦力做的功为有用功:;
由图可知:,绳子自由端移动的距离,做的总功:,
滑轮组的机械效率:;
当拉力改变时,由于接触面的粗糙程度和物体对地面的压力不变,所以滑动摩擦力大小不变仍为。
故答案为:;。
克服摩擦力做的功为有用功,根据功的公式得出做的有用功;由图可知绳子的有效段数,根据得出绳子自由端移动的距离,得出总功的表达式,根据出滑轮组的机械效率;
影响滑动摩擦力大小因素有两个:压力大小和接触面的粗糙程度,据此分析。
本题考查功的公式、机械效率公式的运用及影响滑动摩擦力大小的因素,关键是明确克服摩擦力做的功为有用功。
5.【答案】
【解析】
解:由可得,两灯泡的额定电流分别为:
,,
由可得,两灯泡的电阻分别为:
,,
因串联电路中各处的电流相等,在保证电路安全的情况下,电路中最大电流为,
因串联电路中总电阻等于各分电阻之和,
所以,该电路的最大总电压:
;
因串联电路中各处的电流相等,且,根据可知,灯泡的实际功率大,
由于灯泡的亮度取决于灯泡的实际功率,所以此时灯泡更亮;
导体的材料、长度相同时,横截面积越大越粗,电阻越小,
已知,若两灯丝材料、长度相等,则灯丝更粗。
故答案为:;;。
已知两灯泡的额定电压和额定功率,根据求出两灯的额定电流,再根据欧姆定律求出两灯泡的电阻;两灯串联后通过它们的电流相等,要保证电路安全,电路中的最大电流为两灯额定电流的较小值,根据电阻的串联和欧姆定律求出电路两端的电压,根据比较两灯泡的实际功率,即可判断灯泡的亮度。
导体的材料、长度相同时,横截面积越大越粗,电阻越小。
本题考查了串联电路的特点和欧姆定律、电功率公式的灵活应用,关键是知道串联电路中各处的电流相等。
6.【答案】
掷实心球 力可以改变物体的运动状态
【解析】
解:物理信息:跑步;物理知识:运动和静止是相对的;
物理信息:跳绳;物理知识:重力的方向是竖直向下的;
物理信息:掷实心球;物理知识:一切物体都有惯性;
物理信息:掷实心球;物理知识:力可以改变物体的运动状态。
故答案为:掷实心球;力可以改变物体的运动状态。
仔细阅读材料,找出关键词句提供的物理信息,并运用相关物理知识作出解释。
能从材料中找出相关的信息,并能用物理知识进行解释,是解答此类问题的关键,题目设计体现了物理知识与日常生活的密切联系。
7.【答案】
【解析】
【分析】
本题考查了学生对导体、绝缘体、半导体以及超导体的了解,属于基础知识的考查,比较简单。
【解答】
A、一般情况下,铜、铁是导体,橡胶是绝缘体,故A错误;
B、玻璃、塑料是绝缘体,大地是导体,故B错误;
C、发光二极管是由半导体材料制成的,故C正确;
D、有一些材料,导电性能介于导体和绝缘体之间,常常称做半导体,不是超导体,故D错误。
故选:。
8.【答案】
【解析】
解:、“峰多巧障日,江远欲浮天”中的山峰遮住太阳,是由于光的直线传播造成的,故A错误;
B、水中的“月亮”是天上的月亮在水中的倒影,属于平面镜成像,是由于光的反射形成的,故B正确;
C、“潭清疑水浅”是因为水中物体的光斜射到水面上进入空气中时会发生折射现象,折射光线远离法线,我们逆着折射光线看水中的物体时,物体好像变浅了,故C错误;
D、“绿树阴”中绿树的影子是由光沿直线传播过程中,遇到不透明物体,阻挡了光的传播,在其后边形成的一个黑色的区域,故D错误。
故选:。
光在同种、均匀、透明介质中沿直线传播,产生的现象有小孔成像、激光准直、影子的形成、日食和月食等;
光传播到两种介质的表面上时会发生光的反射现象,例如水面上出现岸上物体的倒影、平面镜成像、玻璃等光滑物体反光都是光的反射形成的;
光在同种不均匀介质中传播或者从一种介质斜射入另一种介质时,就会出现光的折射现象,例如水池底变浅、水中筷子变弯、海市蜃楼、凸透镜成像等都是光的折射形成的。
此题通过古诗词中描述的不同光学现象考查了学生对光的反射、光的直线传播及光的折射的理解,在学习中要注意区分,并要学会用所学知识解释有关的物理现象。
9.【答案】
【解析】
解:
A、内能的大小与物体的质量、温度和状态有关,若温度高的物体质量很小,其内能也有可能较小,故A正确;
B、热量是一个过程量,不能说物体含有多少热量,故B错误;
C、物体温度不变,其内能也可能改变,例如:晶体在熔化过程中,吸收热量,温度不变,但内能增加,故C错误;
D、由可知,放出热量与物质的比热容、质量和降低的温度有关,因此温度高的物体,放出的热量不一定多,故D错误。
故选:。
内能的大小与物体的质量、温度和状态有关;
热量是一个过程量,不能说物体含有多少热量;
物体的内能发生变化,可能表现在物体的温度变化,也可能是状态的变化;
根据分析放出热量与温度的关系。
此题考查了热量的理解、内能的影响因素、影响放出热量的因素等知识,是一道综合题。
10.【答案】
【解析】
解:橡皮泥小球在水中下沉,受到的浮力小于自身的重力;橡皮泥小船在水中漂浮,受到的浮力等于自身的重力;所以橡皮泥小船受到的浮力大于橡皮泥小球受到的浮力,故D正确。
故选:。
漂浮时浮力等于橡皮泥的重力,下沉时浮力小于橡皮泥的重力。
本题考查物体漂浮和下沉时浮力和重力的关系,属于基础题。
11.【答案】
【解析】
解:
、不亮,说明该支路不能形成通路,发生了断路,故A正确,BD错误。
C、发光呈暗红色,说明检验灯得到的电压小于,该支路是正常,故C错误。
故选:。
检验灯安在保险丝处后,当只有一个开关闭合时,若该支路灯正常,则检验灯与支路灯串联,得到的电压小于,实际功率小于额定功率,发暗红色光,若支路灯短路,则检验灯的电压为额定电压,正常发光,若支路断路,则检验灯不亮。
本题考查了用检验灯检查电路的故障。应根据检验灯的三种状态来分析。
12.【答案】
【解析】
【分析】
本题涉及到磁场、磁感线、磁体之间相互作用的原因、地磁场等等,综合性较强,但是这些知识不是太深,只要掌握基础知识,还是能顺利解答的。
磁体周围存在着磁场,磁场看不见,摸不到,为了研究磁场,画了一些带箭头的曲线来描述磁场,这样的曲线就是磁感线,这些曲线根本不存在。磁体之间的相互作用,都是通过磁场来完成的。
地球是一个大磁体,地磁极在地理北极附近,地磁的极在地理的南极附近。
对于磁体,其外部的磁感线是从极指向极;其内部是由极指向极。
【解答】
A、磁感线是人们为了方便研究磁场,在磁体周围画的带箭头的曲线,这些曲线在磁场中根本不存在。故A错误;
B、磁场的基本性质是对其中的磁体有磁力作用,磁体间的吸引或排斥作用是通过磁场实现的,故B正确;
C、对于磁体,其外部的磁感线是从极指向极;其内部是由极指向极,故C错误;
D、地球是一个大磁体,地磁极在地理北极附近,地磁的极在地理的南极附近,故D错误;
故选:。
13.【答案】
【解析】
解:、闭合开关,灯泡和滑动变阻器串联,电流表测量电路电流,电压表测量滑动变阻器两端的电压。
小灯泡标有“”的字样灯丝电阻不变,根据可知电路中的最大电流,故A错误;
B、电路消耗的最大总功率,故B错误;
C、根据欧姆定律可知小灯泡的电阻;
电压表量程为“”,根据串联电路的电压特点可知小灯泡两端的电压最小为,小灯泡消耗的最小功率,故C正确;
D、灯泡正常发光时,根据串联电路的电压特点可知滑动变阻器两端的最小电压,根据欧姆定律可知滑动变阻器接入电路的最小电阻,故D正确。
故选:。
A、闭合开关,灯泡和滑动变阻器串联,电流表测量电路电流,电压表测量滑动变阻器两端的电压。
小灯泡标有“”的字样灯丝电阻不变,根据可知电路中的最大电流;
B、已知电源电压和电路中的最大电流,根据得出电路消耗的最大总功率;
C、根据欧姆定律可知小灯泡的电阻;
电压表量程为“”,根据串联电路的电压特点可知小灯泡两端最小电压,根据可知小灯泡消耗的最小功率;
D、灯泡正常发光时,根据串联电路的电压特点可知滑动变阻器两端的最小电压,根据欧姆定律可知滑动变阻器接入电路的最小电阻。
本题考查串联电路的特点、欧姆定律的应用和电功率的计算,综合性较强。
14.【答案】
【解析】
解:
A、使用筷子时动力臂小于阻力臂,为费力杠杆,故A正确;
B、由图可知,直接从动滑轮上引出的绳子股数,即滑轮组拉重物的绳子股数,故B错误。
C、弹簧测力计由竖直方向逐渐向左转动时,阻力和阻力臂不变,动力臂变小,根据杠杆的平衡条件可知,动力变大,所以,故C正确;
D、由图可知,动滑轮拉着物体在水平面上移动,物体受到水平向左的拉力和水平向右的摩擦力的作用,这两个力是一对平衡力,大小相等;使用动滑轮可以省一半的力,故F,故D错误。
故选:。
根据筷子使用时动力臂与阻力臂的大小关系确定杠杆类型;
使用滑轮组时,承担物重的绳子股数是指直接从动滑轮上引出的绳子股数;
由杠杆平衡条件可知,在阻力和阻力臂不变时,动力臂越小,动力越大;
水平使用动滑轮拉动物体时,拉力大小等于物体受到摩擦力的二分之一。
本题考查了杠杆分类、杠杆的平衡条件的应用、水平使用动滑轮拉力的计算、使用滑轮组承担物重绳子股数的判定,属于基础题目。
15.【答案】
解:货物做匀速直线运动,处于平衡状态,受到竖直向下的重力和竖直向上的支持力,与是一对平衡力,它们大小相等,都为,方向相反,且作用在同一直线上,作用点在物体的重心,重力从重心竖直向下画,符号为;支持力从重心竖直向上画,符号为,注意两个力长度相同,如图所示:
【解析】
货物做匀速直线运动,处于平衡状态,受到竖直向下的重力和竖直向上的支持力,与是一对平衡力,它们大小相等,方向相反,且作用在同一直线上,作用点在物体的重心,然后做出所受力的示意图。
本题考查了力的示意图的画法,注意物体处于平衡状态,在水平面上做匀速直线运动时不受水平方向上的阻力。
16.【答案】
解:
通电螺线管的左侧为极,因同名磁极相互排斥、异名磁极相互吸引,则可知小磁针的左侧为极,右端为极;
由右手螺旋定则可知,电流由右侧流入,故电源的右端为正极,左端为负极.故答案如图所示:
【解析】
知道通电螺线管的极性,则由磁极间的相互规律可判断出小磁针稳定后的、极,再由右手螺旋定则可判断出电流的方向及电源的极性.
本题考查右手螺旋定则及磁极间的相互作用,要求学生不但要会由右手螺旋定则判断磁极的方向,还要会由右手螺旋定则判断电流方向.
17.【答案】
同一高度;
;远离;
【解析】
解:做凸透镜成像实验,要使烛焰的焰心,凸透镜的光心,光屏的中心三者位于同一高度,目的是使像成在光屏的中央;
蜡烛到凸透镜的距离为时,光屏上呈现一个倒立等大的像,则,所以;当烛焰逐渐靠近凸透镜时,由于物距变小,像距变大,所以应将光屏远离凸透镜,光屏上才会重新出现清晰的像;
因为凸透镜中间厚,边缘薄,切去中间部分后再将剩余部分靠拢合在一起,还相当于凸透镜,只是凸透镜变薄,仍然成一个像。
故答案为:同一高度;;远离;。
做凸透镜成像实验应在光具座上依次放置蜡烛,凸透镜,光屏,凸透镜必须位于蜡烛和光屏之间。使它们的中心大致在同一高度上,目的是成像在光屏的中心,便于测出物距和像距;
掌握凸透镜成像的规律,知道当物距等于倍焦距时,成倒立等大的实像;根据凸透镜成实像时,遵循物近像远像变大的特点进行判断;
此题是探究凸透镜成像的实验,考查了学生对实验操作的要求,为使像成在光屏的中央,应使凸透镜、烛焰、光屏的中心大致在同一高度处,同时还考查了凸透镜成像的规律及应用,要注意理解应用。
18.【答案】
速度 小 慢 匀速直线 运动 惯性
【解析】
解:该实验要比较的是小车在阻力不同的路面上滑行的距离,这样就要求我们控制变量:初速度,而从同一点滑下,可以保证每次到达水平面的速度相同;
分析三个不同水平面上,我们就可以发现,三个小车主要不同为距离的不同,而产生这种现象的主要原因是因为所受阻力的不同,所以小车在木板表面上滑行的最远;小车在毛巾表面上速度变化得最快;
由三个水平面上距离的不同我们可以通过合理外推,想象到,如果物体不受阻力,小车速度将不再发生改变,它将作匀速直线运动;
刹车前人和车都是运动的,刹车后车速突然减慢,坐在副驾驶位置的人由于具有惯性要保持原来的运动状态。因此,若不系安全带就可能会破窗飞出。
故答案为:速度;小;慢;匀速直线;运动;惯性。
实验中控制小车从同一高度由静止开始下滑目的是使小车到达水平面时具有相同速度;
平面越光滑,小车受到的阻力越小,速度减小的越慢;
根据实验结论,可推理得出结论;
利用惯性定律解释不系安全带的后果。
本题考查理想实验,应理解理想实验的控制变量法,同时体会如何从实验中得出结论,以及合理的外推得出物理规律的思想。
19.【答案】
断开 电阻 滑动变阻器的滑片 短路 正比 减小电源电压
【解析】
解:为了保护电路,连接电路时开关应断开;
根据控制变量法,在做实验时,要求保持电阻不变,通过移动滑动变阻器的滑片改变电阻两端的电压,观察电流大小的变化;
电压表无示数,可能是与电压表并联的支路短路,或与电压表并联的支路以外的电路断路了,而电流表有示数,说明电路不是断路,因此故障可能是与电压表并联的定值电阻短路了;
由图乙可知,电流表的量程为,分度值为,示数为;
根据表中数据可知:导体两端的电压增大,通过导体的电流也增大,通过导体的电流与导体两端的电压的比值保持不变,故得出的结论:在电阻一定时,通过导体的电流与导体两端的电压成正比;
由可知,导体电阻:;
进行实验时,该小组发现:调节滑动变阻器无法使电压表示数为,即电压表示数大于;说明电源过高,可适当减小电源电压,或在电路中串联一个电阻分压。
故答案为:断开;电阻;滑动变阻器的滑片;短路;;正比;;减小电源电压。
为了保护电路,连接电路时开关应断开;
根据控制变量法,探究电流与电压的关系时,需要保持电阻不变,改变定值电阻两端的电压,据此分析;
电压表无示数,可能是与电压表并联的支路短路,或与电压表并联的支路以外的电路断路了,电流表有示数,说明电路不是断路,据此分析;
根据图乙电流表所选量程确定分度值读数;
分析表中电流与电压的关系得出结论;由表中数据根据求出导体的电阻;
调节滑动变阻器无法使电压表示数为,即电压表示数大于;说明电源过高,可适当减小电源电压,据此分析措施。
本题探究通过导体的电流与导体两端的电压的关系,考查注意事项、故障分析、电流表读数、欧姆定律和控制变量法的应用、数据处理及对实验器材的要求。
20.【答案】
解:一个标准大气压下水的沸点是,水吸收的热量:
;
酒精完全燃烧释放的热量:
;
酒精灯烧水的热效率:
。
答:水吸收的热量为;
酒精完全燃烧放出的热量为;
此过程中酒精灯烧水的效率为。
【解析】
一个标准大气压下水的沸点是,知道水的比热容、质量、初温,根据公式求出水吸收的热量。
根据公式求出酒精完全燃烧释放的热量。
水吸收的热量和酒精完全燃烧放出热量的比值即为烧水的效率。
本题考查学生对吸热公式和燃料燃烧放出热量公式、能量利用率公式的理解与运用,比较典型的计算题,难度不大。
21.【答案】
解:汤从初温加热至吸收的热量:
;
因为不考虑热损失,所以,
由可知:;
由电路图可知,开关接时电路为的简单电路,开关接时、串联,
因串联电路中总电阻大于任何一个分电阻,
所以,开关接时,电路的总电阻最小,由可知,电路的功率最大,电炖锅处于加热状态,
则加热时,有电阻丝的阻值:;
而保温时,根据可知,电路中的电流为:,
此时,的功率:。
答:若电炖锅将汤从初温加热至,在此过程中汤吸收的热量是;
不考虑热摸失,将汤从初温加热至,需要加热;
保温时的功率是。
【解析】
知道汤的比热容、质量、初温和末温,根据求出在此过程中汤吸收的热量;
不考虑热损失,有,再根据求出加热的时间;
由电路图可知,开关接时,电路为的简单电路,开关接时、串联,根据电阻的串联比较两种情况下电路的总电阻关系,根据可知,电路的电阻最小,电路的功率最大,电炖锅处于加热状态,反之处于保温状态,根据求出发热电阻丝的阻值;根据可计算保温时的电流大小,然后由计算的功率。
本题考查了串联电路的特点和电功率公式、吸热公式、电功公式的应用,分清电炖锅处于不同状态时电路的连接方式是关键。
2022年河南省洛阳市偃师市新前程美语学校中考物理模拟试卷(word版含答案): 这是一份2022年河南省洛阳市偃师市新前程美语学校中考物理模拟试卷(word版含答案),共19页。试卷主要包含了单选题,多选题,填空题,作图题,实验探究题,计算题等内容,欢迎下载使用。
2022年河南省洛阳市偃师市新前程美语学校中招物理模拟试卷(word版含答案): 这是一份2022年河南省洛阳市偃师市新前程美语学校中招物理模拟试卷(word版含答案),共19页。试卷主要包含了所示的实验,下列说法正确的是等内容,欢迎下载使用。
2022年河南省洛阳市偃师市新前程美语学校九年级物理中招模拟试卷: 这是一份2022年河南省洛阳市偃师市新前程美语学校九年级物理中招模拟试卷,共9页。试卷主要包含了下列估测的数据中最符合实际的是,下列有关力和运动说法正确的是等内容,欢迎下载使用。

