2020届九年级中考物理一轮复习知识点提高训练卷:影响电阻大小的因素
展开
这是一份2020届九年级中考物理一轮复习知识点提高训练卷:影响电阻大小的因素,共18页。试卷主要包含了实验和探究等内容,欢迎下载使用。
影响电阻大小的因素
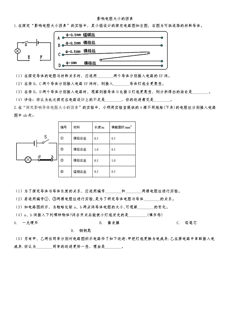
1.在探究“影响电阻大小因素”的实验中,某小组设计的探究电路图如左图,右图为可供选择的材料导体。
(1)在探究导体的电阻与材料关系时,应选用________两个导体分别接入电路的EF间。
(2)在将B,C两个导体分别接入电路EF间时,则接入________导体灯泡会更亮些。
(3)在将B,D两个导体分别接入电路时,观察到接导体D比接B灯泡更亮些,则分析得出的结论是________。
(4)评估:你认为此次探究在电路设计上的不足是________,你的改进意见是________。
2.在“探究影响导体电阻大小的因素”的实验中,小明用实验室提供的4根不同规格(下表)的电阻丝分别接入电路图中ab处:
(1)为了探究导体与导体长度的关系,应选用编号________和________两根电阻丝进行实验。
(2)若选用编号①、③两根电阻丝进行实验,是为了研究导体电阻与导体________的关系。
(3)如电路图所示,为粗略比较a、b两点间导体电阻的大小,可观察________的变化。
(4)a、b间接入下列哪种物体?闭合开关后能使小灯泡发光的是_________(填字母)
A. 一元硬币 B. 橡皮擦 C. 铅笔芯 D. 铜钥匙
(5)另有甲、乙两位同学分别对电路图所示电路作了如下改进:甲把灯泡更换为电流表:乙在原电路中串联接入电流表.你认为________同学的改进更好一些,理由是________。
3.如图是小明做“探究影响导体电阻大小的因素”实验所采用的电路,a、b、c、d是四根合金丝,用一只电压表分别测出它们两端的电压,得到的一次实验部分数据如表所示.
(1)四根合金丝串联在电路中,它们两端的电压之比等于它们的________之比,为探究导体电阻与横截面积的关系,应比较合金丝a和________两端的电压,合金丝d两端电压如图所示,示数为________V;
(2)在得到上表数据的过程中,________(选填“能”或“不能”)改变滑动变阻器滑片的位置,为得到更可靠的实验结论,应多次实验,每次实验测量合金丝两端电压之前,需进行的一项实验操作是________.
(3)关于导体电阻与长度的关系,小明还进行了理论探究:某金属丝电阻为R,长度为L若把n根这样的电阻丝串联在电路中,则总长度为nL,总电阻为________,从而得到导体电阻与长度的关系,依此关系,上表中合金丝b两端的电压应该为________ V.
4.在探究影响导体电阻大小的因素时,小明作出了如下猜想:
导体的电阻可能与①导体的长度有关、②导体的横截面积有关、③导体的材料有关.
实验室提供了4根电阻丝,其规格、材料如下表所示.
(1)按照图所示“探究影响导体电阻大小因素”的实验电路,在M、N之间分别接上不同的导体,则通过观察________来比较导体电阻的大小.
(2)为了验证上述猜想①,应该选用编号________两根电阻丝分别接入电路进行实验.
(3)分别将A和D两电阻丝接入电路中M、N两点间,电流表示数不相同,由此,初步得到的结论是:当长度和横截面积相同时,导体电阻跟________有关.
(4)要进一步研究导体材料的导电性能,就需要测量导体的电阻,小明的实验方案和操作过程均正确,两表的连接和示数下图所示.但通过观察发现电流表指针偏转过小,这样会导致实验误差________,解决这一问题的措施是________.
5.某实验小组利用如图所示的电路探究“影响导体电阻大小的因素”的实验,将a、b、c、d四段导体分别接入电路。经过测量,得到下表所示数据。
(1)实验中,通过比较电路中________的大小,判断导体电阻的大小;
(2)为探究导体电阻与导体材料的关系,应控制________和________相同,选取材料不同的导体进行实验;
(3)选取导体________(填导体代号)对比可知:导体电阻大小与导体横截面积有关。
6.在探究影响导体电阻大小的因素时,小兵、小红两位同学作出了如下猜想:
①导体的电阻与导体的长度有关
②导体的电阻越导体的横截面积有关
③导体的电阻与导体的材料有关
实验室提供了4根电阻丝,规格、材料如下表
编号
材料
长度/m
横截面积/mm2
A
镍铬合金
0.5
0.5
B
镍铬合金
1.0
0.5
C
镍铬合金
0.5
1.0
D
锰铜合金
0.5
0.5
为了验证上述猜想,他们设计了如下图所示的实验电路。
(1)为了验证上述猜想①,应该选用编号为________两根电阻丝进行实验;如果选用编号为A、C两根电阻丝进行实验,是为了验证猜想________(填序号);如果选用编号为A、D两根电阻丝进行实验,是为了验证猜想________(填序号)。
(2)分别将A和D两电阻丝接入电路中M、N两点间时,电流表示数不相同,由此,初步得到的结论是:________。
(3)有同学认为:可以去掉电流表根据灯泡亮度的变化来判断接入的电阻丝的变化情况。老师指出:此实验中这种方法不可取。这是因为________。
7.某学习小组在探讨影响导体电阻大小因素时,找资料发现在导体材料和粗细相同时,其电阻与长度成正比,即可以用下述表达式表示:R=kx,其中k为比例常数,x为导体的长度,于是他们用下面的器材:电压恒定的电源、开关、粗细均匀镍铬合金丝、电压表等及图示电路来探究此问题,图中AB为镍铬合金丝,P为活动端,右侧为实物连线图。
(1)他们的实验方法是控制了 ________不变。
(2)调节镍铬合金丝上的滑动片,电压表的示数________(填“能”或“不能”)反映导体AP间电阻的变化,理由________。
(3)要完成此实验,除了记录电压表示数外,还需要的测量器材是________。
8.小明、小红和小亮在做“探究影响导体电阻大小的因素”实验时,做出了如下猜想.
猜想一:导体的电阻可能与导体的长度有关.
猜想二:导体的电阻可能与导体的横截面积有关.
猜想三:导体的电阻可能与导体的材料有关.
实验室提供了4根电阻丝,其规格、材料如表所示:
(1)如图所示电路,闭合开关后,在M、N之间分别接上不同导体,通过观察相关现象来比较导体电阻大小,小明、小红和小亮对图中的电路设计提出了自己的观点:
小明认为:电流表是多余的,观察灯泡的亮度就可以判断导体电阻的大小.
小红认为:灯泡是多余的,根据电流表示数的变化就可以判断导体电阻的大小.
小亮认为:灯泡和电流表同时使用更好,因为灯泡可以保护电路,从而防止烧坏电流表.
你赞同________(填“小明”“小红”或“小亮”)的观点.
(2)为了验证猜想二,可依次把M、N跟________(填“A,B,C,D”)的两端相连,闭合开关,记下电流表的示数,分析比较这两根电阻丝电阻的大小.
(3)依次把M、N跟电阻丝A、B的两端连接,闭合开关,电流表的示数不同,分析比较A、B两根电阻丝电阻的大小,可探究电阻跟________的关系,其结论是________.
(4)小丽在探究同样的课题时,手边只有一根电阻丝,那么,她利用这根电阻丝和上述电路,不能够完成猜想________(填“一”“二”或“三”)的实验验证.
(5)以上方法在研究物理问题时经常用到,被称为控制变量法.下列4个实验中没有用到此方法的是________.
A. 探究动能的大小与什么因素有关 B. 探究影响压力作用效果的因素实验
C. 探究平面镜成像的特点实验 D. 探究影响摩擦力大小的因素实验
9.实验和探究:
小芳同学在探究“决定导体电阻大小的因素”时,做出了如下猜想:
猜想①:导体的电阻与导体的材料有关;
猜想②:导体的电阻与导体的长度有关;
猜想③:导体的电阻与导体的横截面积有关。
如表所示:请完成下列填空(只填序号):
序号
材料
长度(m)
横截面积(mm2)
A
镍铬合金
0.8
0.5
B
锰铜
0.8
1
C
锰铜
0.8
0.5
D
锰铜
1.2
0.5
(1)要验证猜想①,应选择的两段导体是________。
(2)选择B、C两段导体,是要验证猜想________。
(3)选择导体C、D,是要验证猜想________。
(4)在研究时发现导体的电阻大小是无法直接观察的,可以通过观察电流表的示数变化来判断导体电阻的大小变化,这里用到了________法。
10.某学习小组在探讨影响导体电阻大小的因素时,找资料发现在导体材料和粗细相同时,其电阻大小与长度成正比,即可以用下述表达式表示:R=kx , 其中k为比例常数,x为导体的长度,于是他们用下面的器材:电压不变的电源、开关、粗细均匀的镍铬合金丝、电压表等及图甲所示电路来探究此问题,图甲中AB为镍铬合金丝,P为活动端,图甲为实物连线图.
(1)他们的实验方法是控制了________不变.
(2)调节镍铬合金丝上的滑动片,电压表的示数________(填“能”或“不能”)反映导体AP间电阻的变化,理由: ________.
(3)要完成此实验,除了记录电压表示数外,还需要的测量器材是________.
(4)为反映AP间电阻的变化,还可以________.
(5)实验结束后,另一小组同学进一步研究导体的电阻与温度的关系的实验如图丙所示,当用酒精灯缓慢地对钨丝加热时,将观察到灵敏电流计的示数________(填“变大”“变小”或“不变”),这个实验说明了________.
11.某物理兴趣小组的同学为探究导体电阻与导体长度和横截面积之间的定量关系,设计了如图甲所示的电路,实验时他们将所选的两种金属丝接入电路1和2的位置,通过比较电压表的示数来比较电阻丝的大小,现有几根康铜合金丝和镍铬合金丝,其规格如下表所示:
(1)在探究导体电阻与导体长度之间的定量关系时,他们将编号为________两根金属丝对应接入电路1和2的位置,当发现电压表示数U1:U2=1:2时,可得出结论: ________。
(2)在探究过程中,如果将编号为A和C两根金属丝接入电路1和2的位置,则他们想探究的是导体电阻与________之间的定量关系,
12.做“决定电阻大小的因素”的实验,其中1、3为锰铜丝,2、4为镍铬丝,它们中的第3根横截面积为2S,其它根横截面积为S。
(1)为了研究电阻与导体材料有关,应将导线________和导线________先后接入电路A、B两点之间。
(2)为了研究电阻与导体的长度有关,应将导线________和导线________先后接入电路A、B两点间。
(3)为了研究电阻与导体________的关系, 应将导线1和导线3先后接入电路A、B两点间。
13.在探究影响导体电阻大小的因素时,同学们提出如下猜想:
① 导体的电阻与导体的长度有关
② 导体的电阻与导体的横截面积有关
③ 导体的电阻与导体的材料有关
实验室提供了4根电阻丝,规格、材料如下表
(1)为了验证上述猜想,同学们设计了如图所示的实验电路。在M、N之间分别接上不同的导体,通过观察________来比较导体电阻的大小,在比较电阻大小时运用的科学研究方法是________法。
(2)为了验证上述猜想①,应该选用编号为________的两根电阻丝分别接入电路进行实验。
(3)分别将A和C两电阻丝接入电路中M、N两点间,发现C接入电路时电流表示数较大,由此可知:当材料和长度相同时,导体横截面积越________,电阻越大。
(4)为了探究电阻大小与导体材料的关系,导体D的长度应为________m。
14.小禹在复习“探究导体的电阻与哪些因素有关”的实验时,产生了一些疑惑:实验中为什么选择不常见的镍铬合金丝作为研究的导体,而不选用常见的铜丝?难道选用铜丝会不利于探究?带着这些思考,小禹决定进行实验验证:
(1)连接电路时,开关必须处于________状态。
(2)为了能够更好地反映出电阻的变化,小禹可以在如图所示的电路中接入________。
(3)实验中,选择一根带鳄鱼夹子的导线,主要是为了方便改变电阻丝的________。
(4)分别用铜丝、镍铬合金丝进行实验,记录实验结果于下表,对比实验记录,发现用________作为研究的导体时,实验现象不明显。镍铬丝1接上电路后,电阻值是3Ω,把镍铬丝1从电路上撤下来后,镍铬丝1 的电阻值为________ 。
(5)通过实验,小禹解开了心中的疑惑,并进一步理解了滑动变阻器的原理及其在电学实验中的作用。如在如图所示,是小禹进一步“探究电流与电阻的关系”的实验电路。电源还是两节干电池。闭合开关后,小禹发现电流表有示数,但较小;电压表示数小于3V。移动滑片P,电流表、电压表示数都不改变。造成这样一现象的原因是:________。
处理好故障后,小禹将电阻R由5Ω换成10Ω后,电压表的示数将________(填写“变大”、“不变”或“变小”),为保持电阻R两端电压不变,则应向________(选填“上”或“下”)端移动滑片P。
15.探究“电阻的大小与哪些因素有关”的实验。现将A、B、C、D四种规格(见下表)的导线分别接在电路中进行比较。
材料
导线
长度/m
横截面积/mm2
锰铜合金
A
1
0.8
B
1
1.2
C
0.5
0.8
镍铬合金
D
0.5
0.8
(1)要探究电阻与导体横截面积的关系,应选择________和________导线,得出的结论是________
(2)若选择C和D导线,探究的是电阻与________的关系;
(3)如图所示,将所选的合金丝依次接在a、b两点间,闭合开关后,可以根据电流表的示数的变化,间接得到各合金丝电阻大小关系,这种研究问题的方法叫做________。
(4)每次更换合金丝能否调节滑动变阻器的滑片________(填“”能“”或“”否“”)滑动变阻器对电路起________作用。
16.在“探究影响导体电阻大小的因素”时,某实验小组想利用图所示的电路分别对导体电阻跟它的长度、橫截面积、材料有关的猜想进行实验验证:
(1)为验证“导体电阻跟长度有关”,下表中可选用的三种导体是________(填导体代号);
(2)若实验中将电路中的电流表更换为小灯泡,通过观察________也可以判断导体电阻大小,但不足之处是________。
参考答案
1.在探究“影响电阻大小因素”的实验中,某小组设计的探究电路图如左图,右图为可供选择的材料导体。
(1)在探究导体的电阻与材料关系时,应选用________两个导体分别接入电路的EF间。
(2)在将B,C两个导体分别接入电路EF间时,则接入________导体灯泡会更亮些。
(3)在将B,D两个导体分别接入电路时,观察到接导体D比接B灯泡更亮些,则分析得出的结论是________。
(4)评估:你认为此次探究在电路设计上的不足是________,你的改进意见是________。
【答案】(1)AB
(2)B
(3)在材料、长度相同的情况下,横截面积越大,导体的电阻越小
(4)不能准确的比较出电阻相差不大的电阻丝的电阻大小;在原电路中串联一个电流表
2.在“探究影响导体电阻大小的因素”的实验中,小明用实验室提供的4根不同规格(下表)的电阻丝分别接入电路图中ab处:
(1)为了探究导体与导体长度的关系,应选用编号________和________两根电阻丝进行实验。
(2)若选用编号①、③两根电阻丝进行实验,是为了研究导体电阻与导体________的关系。
(3)如电路图所示,为粗略比较a、b两点间导体电阻的大小,可观察________的变化。
(4)a、b间接入下列哪种物体?闭合开关后能使小灯泡发光的是_________(填字母)
A. 一元硬币 B. 橡皮擦 C. 铅笔芯 D. 铜钥匙
(5)另有甲、乙两位同学分别对电路图所示电路作了如下改进:甲把灯泡更换为电流表:乙在原电路中串联接入电流表.你认为________同学的改进更好一些,理由是________。
【答案】(1)①;②;(2)横截面积;(3)小灯泡亮度;(4)A,C,D;(5)乙;能保护电路
3.如图是小明做“探究影响导体电阻大小的因素”实验所采用的电路,a、b、c、d是四根合金丝,用一只电压表分别测出它们两端的电压,得到的一次实验部分数据如表所示.
(1)四根合金丝串联在电路中,它们两端的电压之比等于它们的________之比,为探究导体电阻与横截面积的关系,应比较合金丝a和________两端的电压,合金丝d两端电压如图所示,示数为________V;
(2)在得到上表数据的过程中,________(选填“能”或“不能”)改变滑动变阻器滑片的位置,为得到更可靠的实验结论,应多次实验,每次实验测量合金丝两端电压之前,需进行的一项实验操作是________.
(3)关于导体电阻与长度的关系,小明还进行了理论探究:某金属丝电阻为R,长度为L若把n根这样的电阻丝串联在电路中,则总长度为nL,总电阻为________,从而得到导体电阻与长度的关系,依此关系,上表中合金丝b两端的电压应该为________ V.
【答案】(1)电阻;c;0.4;(2)不能;调节滑动变阻器的滑片到不同的位置;(3)nR;2
4.在探究影响导体电阻大小的因素时,小明作出了如下猜想:
导体的电阻可能与①导体的长度有关、②导体的横截面积有关、③导体的材料有关.
实验室提供了4根电阻丝,其规格、材料如下表所示.
(1)按照图所示“探究影响导体电阻大小因素”的实验电路,在M、N之间分别接上不同的导体,则通过观察________来比较导体电阻的大小.
(2)为了验证上述猜想①,应该选用编号________两根电阻丝分别接入电路进行实验.
(3)分别将A和D两电阻丝接入电路中M、N两点间,电流表示数不相同,由此,初步得到的结论是:当长度和横截面积相同时,导体电阻跟________有关.
(4)要进一步研究导体材料的导电性能,就需要测量导体的电阻,小明的实验方案和操作过程均正确,两表的连接和示数下图所示.但通过观察发现电流表指针偏转过小,这样会导致实验误差________,解决这一问题的措施是________.
【答案】(1)电流表示数;(2)AB;(3)材料;(4)偏大(较大);电流表3的接线柱换成0.6的接线柱
5.某实验小组利用如图所示的电路探究“影响导体电阻大小的因素”的实验,将a、b、c、d四段导体分别接入电路。经过测量,得到下表所示数据。
(1)实验中,通过比较电路中________的大小,判断导体电阻的大小;
(2)为探究导体电阻与导体材料的关系,应控制________和________相同,选取材料不同的导体进行实验;
(3)选取导体________(填导体代号)对比可知:导体电阻大小与导体横截面积有关。
【答案】(1)电流(或电流表示数)
(2)长度;横截面积
(3)b、c
6.在探究影响导体电阻大小的因素时,小兵、小红两位同学作出了如下猜想:
①导体的电阻与导体的长度有关
②导体的电阻越导体的横截面积有关
③导体的电阻与导体的材料有关
实验室提供了4根电阻丝,规格、材料如下表
编号
材料
长度/m
横截面积/mm2
A
镍铬合金
0.5
0.5
B
镍铬合金
1.0
0.5
C
镍铬合金
0.5
1.0
D
锰铜合金
0.5
0.5
为了验证上述猜想,他们设计了如下图所示的实验电路。
(1)为了验证上述猜想①,应该选用编号为________两根电阻丝进行实验;如果选用编号为A、C两根电阻丝进行实验,是为了验证猜想________(填序号);如果选用编号为A、D两根电阻丝进行实验,是为了验证猜想________(填序号)。
(2)分别将A和D两电阻丝接入电路中M、N两点间时,电流表示数不相同,由此,初步得到的结论是:________。
(3)有同学认为:可以去掉电流表根据灯泡亮度的变化来判断接入的电阻丝的变化情况。老师指出:此实验中这种方法不可取。这是因为________。
【答案】(1)A. B;②;③
(2)导体的电阻与导体的材料有关
(3)因为电源电压一定时,所选电阻丝的阻值相差太小,灯泡亮度变化不明显
7.某学习小组在探讨影响导体电阻大小因素时,找资料发现在导体材料和粗细相同时,其电阻与长度成正比,即可以用下述表达式表示:R=kx,其中k为比例常数,x为导体的长度,于是他们用下面的器材:电压恒定的电源、开关、粗细均匀镍铬合金丝、电压表等及图示电路来探究此问题,图中AB为镍铬合金丝,P为活动端,右侧为实物连线图。
(1)他们的实验方法是控制了 ________不变。
(2)调节镍铬合金丝上的滑动片,电压表的示数________(填“能”或“不能”)反映导体AP间电阻的变化,理由________。
(3)要完成此实验,除了记录电压表示数外,还需要的测量器材是________。
【答案】(1)电流的大小;(2)能;导体的电阻的大小等于导体两端的电压与通过导体的电流的比,即 ;(3)电流表
8.小明、小红和小亮在做“探究影响导体电阻大小的因素”实验时,做出了如下猜想.
猜想一:导体的电阻可能与导体的长度有关.
猜想二:导体的电阻可能与导体的横截面积有关.
猜想三:导体的电阻可能与导体的材料有关.
实验室提供了4根电阻丝,其规格、材料如表所示:
(1)如图所示电路,闭合开关后,在M、N之间分别接上不同导体,通过观察相关现象来比较导体电阻大小,小明、小红和小亮对图中的电路设计提出了自己的观点:
小明认为:电流表是多余的,观察灯泡的亮度就可以判断导体电阻的大小.
小红认为:灯泡是多余的,根据电流表示数的变化就可以判断导体电阻的大小.
小亮认为:灯泡和电流表同时使用更好,因为灯泡可以保护电路,从而防止烧坏电流表.
你赞同________(填“小明”“小红”或“小亮”)的观点.
(2)为了验证猜想二,可依次把M、N跟________(填“A,B,C,D”)的两端相连,闭合开关,记下电流表的示数,分析比较这两根电阻丝电阻的大小.
(3)依次把M、N跟电阻丝A、B的两端连接,闭合开关,电流表的示数不同,分析比较A、B两根电阻丝电阻的大小,可探究电阻跟________的关系,其结论是________.
(4)小丽在探究同样的课题时,手边只有一根电阻丝,那么,她利用这根电阻丝和上述电路,不能够完成猜想________(填“一”“二”或“三”)的实验验证.
(5)以上方法在研究物理问题时经常用到,被称为控制变量法.下列4个实验中没有用到此方法的是________.
A. 探究动能的大小与什么因素有关 B. 探究影响压力作用效果的因素实验
C. 探究平面镜成像的特点实验 D. 探究影响摩擦力大小的因素实验
【答案】(1)小亮;(2)A、C;(3)导体长度;当材料和横截面积相同时,导体越长电阻越大;(4)三;(5)C
9.实验和探究:
小芳同学在探究“决定导体电阻大小的因素”时,做出了如下猜想:
猜想①:导体的电阻与导体的材料有关;
猜想②:导体的电阻与导体的长度有关;
猜想③:导体的电阻与导体的横截面积有关。
如表所示:请完成下列填空(只填序号):
序号
材料
长度(m)
横截面积(mm2)
A
镍铬合金
0.8
0.5
B
锰铜
0.8
1
C
锰铜
0.8
0.5
D
锰铜
1.2
0.5
(1)要验证猜想①,应选择的两段导体是________。
(2)选择B、C两段导体,是要验证猜想________。
(3)选择导体C、D,是要验证猜想________。
(4)在研究时发现导体的电阻大小是无法直接观察的,可以通过观察电流表的示数变化来判断导体电阻的大小变化,这里用到了________法。
【答案】(1)A、C;(2)③;(3)②;(4)转换
10.某学习小组在探讨影响导体电阻大小的因素时,找资料发现在导体材料和粗细相同时,其电阻大小与长度成正比,即可以用下述表达式表示:R=kx , 其中k为比例常数,x为导体的长度,于是他们用下面的器材:电压不变的电源、开关、粗细均匀的镍铬合金丝、电压表等及图甲所示电路来探究此问题,图甲中AB为镍铬合金丝,P为活动端,图甲为实物连线图.
(1)他们的实验方法是控制了________不变.
(2)调节镍铬合金丝上的滑动片,电压表的示数________(填“能”或“不能”)反映导体AP间电阻的变化,理由: ________.
(3)要完成此实验,除了记录电压表示数外,还需要的测量器材是________.
(4)为反映AP间电阻的变化,还可以________.
(5)实验结束后,另一小组同学进一步研究导体的电阻与温度的关系的实验如图丙所示,当用酒精灯缓慢地对钨丝加热时,将观察到灵敏电流计的示数________(填“变大”“变小”或“不变”),这个实验说明了________.
【答案】(1)材料和横截面积
(2)能;电阻越大,分担的电压越大
(3)刻度尺
(4)在电路中串联一个电流表
(5)变小;导体的电阻跟温度有关(或钨丝的电阻随温度的升高而增大)
11.某物理兴趣小组的同学为探究导体电阻与导体长度和横截面积之间的定量关系,设计了如图甲所示的电路,实验时他们将所选的两种金属丝接入电路1和2的位置,通过比较电压表的示数来比较电阻丝的大小,现有几根康铜合金丝和镍铬合金丝,其规格如下表所示:
(1)在探究导体电阻与导体长度之间的定量关系时,他们将编号为________两根金属丝对应接入电路1和2的位置,当发现电压表示数U1:U2=1:2时,可得出结论: ________。
(2)在探究过程中,如果将编号为A和C两根金属丝接入电路1和2的位置,则他们想探究的是导体电阻与________之间的定量关系,
【答案】(1)A、B;当其它条件相同时,导体的电阻与长度成正比;(2)导体横截面积
12.做“决定电阻大小的因素”的实验,其中1、3为锰铜丝,2、4为镍铬丝,它们中的第3根横截面积为2S,其它根横截面积为S。
(1)为了研究电阻与导体材料有关,应将导线________和导线________先后接入电路A、B两点之间。
(2)为了研究电阻与导体的长度有关,应将导线________和导线________先后接入电路A、B两点间。
(3)为了研究电阻与导体________的关系, 应将导线1和导线3先后接入电路A、B两点间。
【答案】(1)1;2;(2)2;4;(3)横截面积
13.在探究影响导体电阻大小的因素时,同学们提出如下猜想:
① 导体的电阻与导体的长度有关
② 导体的电阻与导体的横截面积有关
③ 导体的电阻与导体的材料有关
实验室提供了4根电阻丝,规格、材料如下表
(1)为了验证上述猜想,同学们设计了如图所示的实验电路。在M、N之间分别接上不同的导体,通过观察________来比较导体电阻的大小,在比较电阻大小时运用的科学研究方法是________法。
(2)为了验证上述猜想①,应该选用编号为________的两根电阻丝分别接入电路进行实验。
(3)分别将A和C两电阻丝接入电路中M、N两点间,发现C接入电路时电流表示数较大,由此可知:当材料和长度相同时,导体横截面积越________,电阻越大。
(4)为了探究电阻大小与导体材料的关系,导体D的长度应为________m。
【答案】(1)电流表的示数;转换;(2)A、B;(3)小;(4)0.5
14.小禹在复习“探究导体的电阻与哪些因素有关”的实验时,产生了一些疑惑:实验中为什么选择不常见的镍铬合金丝作为研究的导体,而不选用常见的铜丝?难道选用铜丝会不利于探究?带着这些思考,小禹决定进行实验验证:
(1)连接电路时,开关必须处于________状态。
(2)为了能够更好地反映出电阻的变化,小禹可以在如图所示的电路中接入________。
(3)实验中,选择一根带鳄鱼夹子的导线,主要是为了方便改变电阻丝的________。
(4)分别用铜丝、镍铬合金丝进行实验,记录实验结果于下表,对比实验记录,发现用________作为研究的导体时,实验现象不明显。镍铬丝1接上电路后,电阻值是3Ω,把镍铬丝1从电路上撤下来后,镍铬丝1 的电阻值为________ 。
(5)通过实验,小禹解开了心中的疑惑,并进一步理解了滑动变阻器的原理及其在电学实验中的作用。如在如图所示,是小禹进一步“探究电流与电阻的关系”的实验电路。电源还是两节干电池。闭合开关后,小禹发现电流表有示数,但较小;电压表示数小于3V。移动滑片P,电流表、电压表示数都不改变。造成这样一现象的原因是:________。
处理好故障后,小禹将电阻R由5Ω换成10Ω后,电压表的示数将________(填写“变大”、“不变”或“变小”),为保持电阻R两端电压不变,则应向________(选填“上”或“下”)端移动滑片P。
【答案】(1)断开
(2)电流表
(3)长度
(4)铜丝;3Ω
(5)变阻器接了下面两个接线柱(把R’接成了定值电阻);变大;上
15.探究“电阻的大小与哪些因素有关”的实验。现将A、B、C、D四种规格(见下表)的导线分别接在电路中进行比较。
材料
导线
长度/m
横截面积/mm2
锰铜合金
A
1
0.8
B
1
1.2
C
0.5
0.8
镍铬合金
D
0.5
0.8
(1)要探究电阻与导体横截面积的关系,应选择________和________导线,得出的结论是________
(2)若选择C和D导线,探究的是电阻与________的关系;
(3)如图所示,将所选的合金丝依次接在a、b两点间,闭合开关后,可以根据电流表的示数的变化,间接得到各合金丝电阻大小关系,这种研究问题的方法叫做________。
(4)每次更换合金丝能否调节滑动变阻器的滑片________(填“”能“”或“”否“”)滑动变阻器对电路起________作用。
【答案】(1)A;B;在材料、长度相同时,横截面积越大,电阻越小;(2)材料;(3)转换法;(4)能;控制电阻两端电压不变
16.在“探究影响导体电阻大小的因素”时,某实验小组想利用图所示的电路分别对导体电阻跟它的长度、橫截面积、材料有关的猜想进行实验验证:
(1)为验证“导体电阻跟长度有关”,下表中可选用的三种导体是________(填导体代号);
(2)若实验中将电路中的电流表更换为小灯泡,通过观察________也可以判断导体电阻大小,但不足之处是________。
【答案】(1)B、D、E;(2)灯泡的亮度;当电路中电阻变化不大时,只凭灯泡的亮暗不易区分
相关试卷
这是一份中考物理一轮复习知识点提高训练卷:光现象 (含答案),共16页。试卷主要包含了平面镜所成像的大小决定于,29s=11等内容,欢迎下载使用。
这是一份中考物理一轮复习知识点提高训练卷:功与功率 (含答案),共14页。试卷主要包含了一辆轿车的质量是1,4m,即等内容,欢迎下载使用。
这是一份2020届九年级中考物理一轮复习知识点提高训练卷:内能,共16页。试卷主要包含了一个物体的内能增加了,表明等内容,欢迎下载使用。

