资料中包含下列文件,点击文件名可预览资料内容
还剩32页未读,
继续阅读
所属成套资源:备战2022年浙江新高考一轮复习化学考点一遍过
成套系列资料,整套一键下载
考点29 物质的检验与鉴别、分离与提纯——备战2022年浙江新高考一轮复习化学考点一遍过
展开
考点29 物质的检验与鉴别、分离与提纯
一、物质的检验与鉴别
1.物质的常用鉴别方案
(1)多种试剂分步鉴别法
通常待测物都是无色溶液或白色固体。无色溶液一般用酸碱指示剂分成酸性、中性、碱性几组;白色固体一般可加水,根据溶解性分组,每一组中根据物质的特性再选择合适的鉴别试剂。
(2)用一种试剂鉴别
①先分析被鉴别物质的水溶性、密度、溶液的酸碱性,确定能否选用水或指示剂进行鉴别。
②在鉴别多种酸、碱、盐的溶液时,可依据“相反原理”确定试剂进行鉴别。即被鉴别的溶液多数呈酸性时,可选用碱或水解呈碱性的盐溶液作试剂;若被鉴别的溶液多数呈碱性时,可选用酸或水解呈酸性的盐溶液作试剂。
(3)不用任何试剂鉴别多种物质
①观察法
先利用待鉴别物质的颜色、特殊气味、挥发的雾等特征现象鉴别出个别物质,再利用这种物质去鉴别其他各种物质。
常见有色离子:Cu2+(蓝色)、Fe2+(浅绿色)、Fe3+(棕黄色)、MnO(紫红色)、Cr2O(橙色)、CrO(黄色)、Cr3+(绿色)、[Fe(CN)6]3-(黄色)。
常见挥发性酸:浓盐酸、浓硝酸(打开瓶塞可看到白雾)。
②加热法
如果待鉴别物质通过加热发生有特征现象的反应,如有气体放出、颜色改变、升华等,则首先鉴别出来,再利用这一物质去鉴别其他物质,依次鉴别,可达到鉴别出各物质的目的。
③互滴法
利用两种液体互相滴加时现象不同而鉴别。
常考的互滴法:Na2CO3溶液和稀盐酸、AgNO3溶液和稀氨水等。
(4)利用逐一检出的方法鉴别
首先利用两种物质(或溶液)之间的特征反应鉴别出两种物质(或溶液),再利用其中一种或两种作试剂依次鉴别出其他的物质(或溶液)。
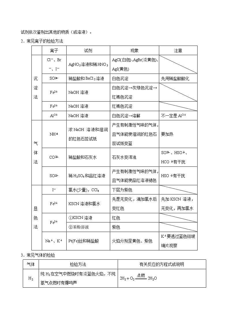
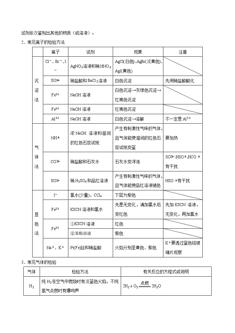
2.常见离子的检验方法
离子
试剂
现象
注意
沉淀法
Cl-、Br-、I-
AgNO3溶液和稀HNO3
AgCl(白色)、AgBr(淡黄色)、AgI(黄色)
SO
稀盐酸和BaCl2溶液
白色沉淀
先用稀盐酸酸化
Fe2+
NaOH溶液
白色沉淀→灰绿色沉淀→红褐色沉淀
Fe3+
NaOH溶液
红褐色沉淀
Al3+
NaOH溶液
白色沉淀→溶解
不一定是Al3+
气体法
NH
浓NaOH溶液和湿润的红色石蕊试纸
产生有刺激性气味的气体,且气体能使湿润的红色石蕊试纸变蓝
要加热
CO
稀盐酸和石灰水
石灰水变浑浊
SO、HSO、HCO有干扰
SO
稀H2SO4和品红溶液
产生有刺激性气味的气体,且气体能使品红溶液褪色
HSO有干扰
显色法
I-
氯水(少量),CCl4
下层为紫色
Fe2+
KSCN溶液和氯水
先是无变化,滴加氯水后变红色
先加KSCN溶液,无变化,再加氯水
Fe3+
①KSCN溶液
红色
②苯酚溶液
紫色
Na+、K+
Pt(Fe)丝和稀盐酸
火焰分别呈黄色、紫色
K+要透过蓝色钴玻璃片观察
3.常见气体的检验
气体
检验方法
有关反应的方程式或说明
H2
纯H2在空气中燃烧时有淡蓝色火焰,不纯氢气点燃时有爆鸣声
2H2+O22H2O
O2
可使带火星的木条复燃
C+O2CO2
Cl2
使湿润的碘化钾淀粉试纸变蓝
2KI+Cl2===2KCl+I2(淀粉遇I2变蓝)
NH3
①能使湿润的红色石蕊试纸变蓝
②用蘸浓盐酸的玻璃棒靠近,产生白烟
①NH3+H2ONH3·H2ONH+OH-
②NH3+HCl===NH4Cl
SO2
使品红溶液褪色,加热,又变红色
SO2有漂白性
CO2
①能使燃着的木条熄灭
②能使澄清的石灰水变浑浊
Ca2++2OH-+CO2===CaCO3↓+H2O
NO
无色气体,在空气中变为红棕色
2NO+O2===2NO2
NO2
①红棕色、有刺激性气味的气体
②能使湿润的蓝色石蕊试纸变红
③溶于水后生成无色气体和无色溶液
3NO2+H2O===2HNO3+NO
4.《实验化学》课题典例
(1)牙膏的主要成分及其功能
名称
主要成分
功能
摩擦剂
磷酸钙或碳酸钙、氢氧化铝、二氧化硅等
占牙膏成分的50%左右;用于增强牙膏的摩擦作用和去污效果,能有效去除牙齿表面的污渍、食物残渣等
发泡剂
十二烷基硫酸钠
形成泡沫以起乳化、分散残留物,增强消除口腔污垢的作用
保湿剂
甘油和水
使牙膏保持湿润
增稠剂
角叉胶或羧甲基纤维素钠
防止牙膏分离出水分,同时使牙膏具有适宜的黏度,易于从牙膏管中挤出成型
防腐剂
安息酸钠
抑制牙膏中微生物的生长
增香剂甜味剂
香精、糖精
改善牙膏的口感
着色剂
二氧化钛、食用色素
使牙膏变白或呈现不同的颜色
氟化物
氟化钠或一氟磷酸钠
主要用于预防龋齿
(2)牙膏中的碳酸钙、甘油的检验原理
①碳酸钙检验的化学方程式CaCO3+2HCl===CaCl2+H2O+CO2↑。
②甘油的检验
牙膏中的甘油与新制氢氧化铜悬浊液反应生成绛蓝色的溶液,化学方程式为
③牙膏主要成分的检验流程
5.火柴头中硫元素、氯元素的检验
(1)火柴起火的原理
安全火柴的火柴盒侧面涂有红磷(发火剂)和Sb2S3(易燃物)等,火柴头上的物质一般是KClO3、MnO2等氧化剂和易燃物如硫等。当两者摩擦时,因摩擦产生的热使与氯酸钾等接触的红磷燃烧,并引起火柴头上的易燃物燃烧,生成一定量的SO2。
(2)火柴头中硫元素、氯元素的检验
①硫元素的检验
火柴头中含有单质硫,燃烧后生成SO2,可使酸性KMnO4溶液、溴水、品红溶液等褪色。
Ⅰ.通入稀的浅红色酸性KMnO4溶液中,溶液由浅红色褪为无色,反应方程式为5SO2+2KMnO4+2H2O===K2SO4+2MnSO4+2H2SO4。
Ⅱ.通入淡黄绿色氯水中,溶液由淡黄绿色褪为无色,反应方程式为SO2+Cl2+2H2O===H2SO4+2HCl。
Ⅲ.通入无色的氢硫酸溶液中,溶液变浑浊,反应方程式为SO2+2H2S===3S↓+2H2O。
Ⅳ.将二氧化硫气体通入品红溶液中,溶液变为无色,加热时溶液又变为红色。
②氯元素的检验
Ⅰ.检验燃烧后生成的Cl-:火柴头中含有KClO3,点燃后KClO3转化为KCl,可用AgNO3溶液检验。
化学反应:2KClO32KCl+3O2↑,KCl+AgNO3===AgCl↓+KNO3。
Ⅱ.直接检验ClO:KClO3直接与AgNO3溶液、稀硝酸和NaNO2溶液反应。
离子反应为ClO+3NO+Ag+===AgCl↓+3NO。
6.亚硝酸钠的性质与鉴别
(1)物理性质:白色或淡黄色晶体,有咸味易溶于水,溶解时吸热,有毒性。
(2)化学性质:在亚硝酸钠中,氮的化合价为+3,处于中间价态。
①氧化性:如亚硝酸钠与碘化钾反应可生成单质碘,反应的离子方程式是2NO+2I-+4H+===2NO↑+I2+2H2O。
析出的碘可以使淀粉溶液变蓝,据此可以检验NO的存在;亚硝酸钠与FeCl2溶液反应的离子方程式是NO+Fe2++2H+===NO↑+Fe3++H2O。
②还原性:与强氧化性物质反应时表现出还原性。如亚硝酸钠与K2Cr2O7酸性溶液反应时,溶液由橙色变为绿色。离子方程式:Cr2O+3NO+8H+===3NO+2Cr3++4H2O。
(3)亚硝酸钠和氯化钠的鉴别
实验方案
现象与结论
1
淀粉碘化钾溶液
溶液变蓝色的为NaNO2
2
Fe2+盐溶液
溶液由浅绿变为黄棕色的为NaNO2
3
AgNO3溶液+稀硝酸
有白色沉淀生成的为NaCl
4
用pH试纸测pH
pH>7的是NaNO2
二、物质的分离与提纯
1.分离与提纯
(1)混合物的分离是根据混合物中各组分的物理性质或化学性质的差异,通过一定的物理变化或化学变化将混合物分成各组分的纯净物。
(2)混合物的提纯是根据混合物中各组分的物理性质或化学性质的差异,通过一定的物理变化或化学变化将混合物中的杂质除去。
分离和提纯的要求不同,设计操作步骤时一定要加以区别。
2.物质的分离与提纯的基本方法
(1)物理方法
方法、装置
适用范围
操作要点
固(不溶)液分离,如除去粗盐中的泥沙
①滤纸用水润湿后紧贴漏斗壁,滤纸边缘低于漏斗口上沿;过滤时加入漏斗的溶液液面低于滤纸边缘,即“一贴二低”;
②过滤时,烧杯尖嘴与玻璃棒接触;玻璃棒靠在三层滤纸处;漏斗下端尖嘴紧靠烧杯内壁即“三靠”;
③洗涤时,蒸馏水面高于沉淀,通常浸洗三次
减压过滤(抽滤)
用安装在吸滤瓶上铺有滤纸的布氏漏斗过滤,吸滤瓶支管与抽气装置连接,过滤在减低的压力下进行,滤液在内外压差作用下透过滤纸流下,实现分离。减压过滤装置包括瓷质的布氏漏斗、吸滤瓶、安全瓶和抽气泵。
热过滤
溶质在温度下降时会大量结晶析出(不希望结晶析出)
将普通漏斗放置于铜制的热漏斗内,热漏斗内装有热水以维持溶液的温度。内部的玻璃漏斗的颈部要尽量短些,以免过滤时溶液在漏斗颈内停留过久,散热降温,析出晶体使装置堵塞
利用物质在同一溶剂中溶解度不同,进行固固(均溶)分离
①蒸发皿可直接加热,固定在铁架台的铁环上;②加热时用玻璃棒不断搅动,防止液体溅出,蒸发皿出现较多固体时停止加热,利用余热将溶液蒸干
蒸馏法
分离沸点不同的液体混合物,如从石油中分离出各馏分
①温度计水银球放在烧瓶支管口附近;②冷凝管横放时应“头高尾低”,保证冷凝液自然流下,冷却水流向与蒸气相反;③蒸馏烧瓶中要放入沸石或碎瓷片以防暴沸
萃取分液法
将两种互不相溶的液体分开,如用CCl4萃取碘水中的I2
①将溶液注入分液漏斗中,溶液总量不超过其容积的,两手握住分液漏斗倒转并反复用力振荡;②把分液漏斗放在铁架台的铁圈中静置、分层;③打开上口塞子,旋开下部的活塞,使下层液体流出,上层液体从上口倒出
洗气法
气气分离法(杂质气体在试剂中溶解或与试剂反应),如用饱和食盐水除去Cl2中的HCl
将混合气体通入洗气瓶,导气管“长”进“短”出
渗析法
用半透膜使离子或小分子从胶体中分离出来,如用渗析的方法除去淀粉胶体中的NaCl溶液
将要提纯的胶体装入半透膜中,将半透膜袋系好,浸入蒸馏水中,渗析的时间要充分
升华法
分离易升华与不易升华的物质
应与物质的分解变化区分
盐析法
将胶体从混合物中分离出来,如向硬脂酸钠溶液中加入食盐;向鸡蛋白溶液中加入饱和(NH4)2SO4溶液
①注意无机盐的选择;②少量盐(如NaCl、Na2SO4等)能促进蛋白质的溶解,重金属盐使蛋白质变性;③盐析后过滤;④盐析是物理变化
纸层析法(分离Fe3+和Cu2+)
纸层析以滤纸作为惰性支持物。滤纸纤维上的羟基具有亲水性,它所吸附的水作为固定相,通常把不与水混溶的有机溶剂作为流动相。
Cu2+和Fe3+的分离
将含有Cu2+、Fe3+的溶液涂在滤纸一端,并在这一端用丙酮和盐酸作展开剂,在滤纸的毛细作用下,展开剂携带待分离的物质沿滤纸纤维向上移动,由于Cu2+、Fe3+的移动速度不同,一段时间后,Cu2+、Fe3+距起点距离不同,从而达到分离的目的,Cu2+、Fe3+可用氨熏显色。
(2)物质分离提纯的化学方法
方法
适用条件
举例
加热法
混合物中混有热稳定性差的物质时,可直接加热,使热稳定性差的物质分解而分离出去
纯碱中混有小苏打
洗气法
将气体混合物通过洗气装置而除去杂质气体
让混合气体通过盛有饱和食盐水的洗气瓶除去Cl2中的少量HCl
沉淀法
在混合物中加入某试剂,使杂质离子以沉淀形式分离出去的方法
加适量AgNO3溶液除去KNO3溶液中的KCl
转化法
不能通过一次反应达到分离的目的时,要经过转化为其他物质才能分离,然后将转化物质恢复为原物质
分离Fe3+和Al3+时,可加入过量的NaOH溶液,生成Fe(OH)3沉淀和Na[Al(OH)4]溶液,过滤后,向Fe(OH)3中加入盐酸重新生成Fe3+,向Na[Al(OH)4]中通入过量CO2,生成Al(OH)3沉淀,过滤后向Al(OH)3中加入盐酸重新生成Al3+
酸碱法
被提纯物质不与酸碱反应,而杂质可与酸碱发生反应
用盐酸除去SiO2中的石灰石;用NaOH溶液除去铁粉中的铝粉
氧化还原法
①对混合物中混有的还原性杂质,可加入适当的氧化剂使其被氧化为被提纯物质
②对混合物中混有的氧化性杂质,可加入适当的还原剂将其还原为被提纯物质
将过量铁粉加入混有FeCl3的FeCl2溶液中,振荡、过滤,可除去FeCl3杂质
调节pH法
通过加入试剂来调节溶液的pH,使溶液中某种成分沉淀分离的方法
CaCl2溶液中含有FeCl3杂质,由于FeCl3水解,溶液呈酸性,可采用调节溶液pH的方法将Fe3+沉淀,为此可加CaO或Ca(OH)2或CaCO3等
电解法
利用电解原理来分离、提纯物质
电解精炼铜
离子交换法
利用离子交换剂提纯物质
软化硬水
3.海带中碘元素的分离及检验
(1)实验原理
海带样品灼烧后,灰分中加水后,碘元素以I-的形式进入溶液,利用适量新制氯水或双氧水等氧化剂将I-转化为I2,用淀粉检验I2,用CCl4萃取并分液来分离I2。
(2)实验过程
实验步骤
实验现象
实验结论
①称量:称取3 g干燥的海带放入坩埚中
②灼烧:灼烧使海带灰化,冷却,将灰分转移至小烧杯
③溶解并过滤:加30 mL蒸馏水,煮沸,过滤得滤液
溶液无色
④氧化:在滤液中加适量H2SO4溶液,再加入适量H2O2溶液或新制氯水
溶液变黄色
I-被氧化成I2
⑤检验:取少量混合液,加入少量淀粉
溶液变蓝色
海带中含有碘元素
⑥萃取:向剩余混合液中加入2 mL CCl4
溶液分两层
I2从水层转移到CCl4层
(3)碘元素在整个实验过程中的变化:
→→→→
4.硝酸钾晶体的制备
(1)实验原理
用转化法制备硝酸钾的根本理论依据是:当溶于水中的各种离子可组成多种物质时,在降温结晶过程中,达到饱和的物质先析出。
转化法制备KNO3的理论依据
转化法制备KNO3的化学方程式为NaNO3+KClKNO3+NaCl,这是一个平衡移动的过程,利用NaCl的结晶控制化学反应的方向。
制备原理
①NaNO3、KNO3、NaCl、KCl四种盐的溶解度在不同温度下的差别是非常显著的。NaCl的溶解度随温度变化不大,NaNO3、KCl有明显变化,而硝酸钾的溶解度随温度的升高急剧增大。
②加热蒸发时的一系列变化:
(2)实验过程
①固体溶解
称取20 g硝酸钠和17 g氯化钾放入100 mL小烧杯中,加35 mL蒸馏水,加热至沸腾并不断搅拌,在小烧杯外壁标注液面位置。
实验现象:固体溶解。
实验结论与解释:加入的NaNO3与KCl的物质的量相等,加热搅拌的目的是加快固体溶解。
②蒸发、热过滤
继续加热、搅拌,使溶液蒸发浓缩,当溶液体积减小到约为原来的一半时,迅速趁热过滤。承接滤液的烧杯应预先加2 mL蒸馏水。
实验现象:蒸发浓缩时有晶体逐渐析出。
实验结论与解释:析出的晶体为NaCl,加入2 mL蒸馏水的目的是防止降温时滤液中的NaCl达到饱和而析出。
③冷却、减压过滤
待滤液冷却至室温,进行减压过滤得到较干燥的粗产品硝酸钾晶体,称量其质量为m1。
④重结晶
留下约0.1 g粗产品,其余按粗产品、水的质量比2∶1混合,配成溶液,加热、搅拌。待溶液冷却至室温后进行抽滤,得到纯度较高的KNO3晶体。
⑤称重
称出重结晶后产品的质量m2。分别取0.1 g粗产品和重结晶后得到的KNO3晶体放入两支小试管中,各加入2 mL蒸馏水配成溶液。
⑥检验Cl-
向⑤中溶液中分别滴入1滴1 mol·L-1的HNO3溶液酸化,再各滴入2滴0.1 mol·L-1 AgNO3溶液。
实验现象:加粗产品的小试管中产生明显的浑浊现象。
实验结论与解释:粗产品中仍含有Cl-。
(3)影响晶粒生成的条件
晶体颗粒的大小与结晶条件有关。溶质的溶解度越小,或溶液的浓度越高,或溶剂的蒸发速度越快,或溶液冷却得越快,析出的晶粒就越细小;反之,可得到较大的晶体颗粒。
当溶液发生过饱和现象时,振荡容器、用玻璃棒搅拌、轻轻地摩擦器壁或投入几粒晶体(晶种),都可促使晶体析出。
(4)常用两种过滤方法
①常压过滤:用内衬滤纸的锥形玻璃漏斗过滤,滤液靠自身的重力透过滤纸流下,实现分离。
②减压过滤(抽滤):用安装在吸滤瓶上铺有滤纸的布氏漏斗过滤,吸滤瓶支管与抽气装置连接,过滤在减低的压力下进行,滤液在内外压差作用下透过滤纸流下,实现分离。减压过滤装置包括瓷质的布氏漏斗、吸滤瓶、安全瓶和抽气泵(如图)。
减压过滤装置示意图
5.用纸层析法分离铁离子和铜离子
(1)纸层析法分离铁离子和铜离子的基本原理
纸层析以滤纸作为惰性支持物。滤纸纤维上的羟基具有亲水性,它所吸附的水作为固定相,通常把不与水混溶的有机溶剂作为流动相。
由于吸附在滤纸上的样品的各组分在水或有机溶剂中的溶解能力各不相同,各组分会在两相之间产生不同的分配现象。亲脂性强的成分在流动相中分配得多一些,随流动相移动的速度就快一些;而亲水性强的成分在固定相中分配得多一些,随流动相移动的速度就慢一些。这样,性质不同的组分就分离在滤纸的不同位置上。
将含有Cu2+、Fe3+的溶液涂在滤纸一端,并在这一端用丙酮和盐酸作展开剂,在滤纸的毛细作用下,展开剂携带待分离的物质沿滤纸纤维向上移动,由于Cu2+、Fe3+的移动速度不同,一段时间后,Cu2+、Fe3+距起点距离不同,从而达到分离的目的,Cu2+、Fe3+可用氨熏显色。
(2)实验过程
①装置制作
取一支配有合适橡胶塞的大试管,在橡胶塞的下部用小刀切开一条缝,插入回形针以夹持滤纸条,在距其末端约2 cm处用铅笔画一个小圆点作为原点。
②点层析试样
各取饱和FeCl3溶液和饱和CuSO4溶液1 mL于表面皿中,混合后作为层析试样。用毛细管蘸取试样在滤纸条的原点处点样,晾干后再点,并将晾干的滤纸条夹持在橡胶塞下面的回形针上。
③配制展开剂
另取一支试管,加入9 mL丙酮和1 mL 6 mol·L-1盐酸,混合均匀,作为展开剂。
④层析操作
用滴管吸取一定量展开剂,小心地注入大试管底部,注意不要沾到试管壁。将橡胶塞和点有试样的滤纸条慢慢伸入试管内,使纸条末端浸入展开剂中约0.5 cm,注意不要让试样点接触展开剂。塞紧橡胶塞,将大试管垂直静置。
实验现象:约3~5 min后,展开剂上升至滤纸条的上端。
⑤显色反应
FeCl3和CuSO4混合液经展开后得到不同颜色的色斑。为使观察效果更明显,采用氨熏显色。
⑥分离
若要将层析分离物质提取出来,可将滤纸上的分离物质的斑点剪下,浸于有关溶剂中,可提取纸上的层析物。
考向一 离子的检验
典例1 下列关于离子检验的说法正确的是
A.检验溶液中是否含有Ba2+:取少量待测液,向其中加入少量稀硫酸,若有白色沉淀产生,则溶液中含有Ba2+
B.检验用硫酸亚铁制得的硫酸铁中是否含有硫酸亚铁,可选用的试剂是酸性KMnO4溶液
C.检验溶液中是否含有CO:取少量待测液,向其中加入适量稀盐酸,观察是否有大量气泡产生
D.在未知溶液中滴加BaCl2溶液出现白色沉淀,加稀硝酸,沉淀不溶解,说明该未知溶液中存在SO或SO
【解析】如果溶液中含有Ca2+、Ag+等,向其中加入少量稀硫酸,会有硫酸钙、硫酸银等白色沉淀产生,所以不能确定溶液中含有Ba2+,故A项错误;硫酸亚铁可将酸性KMnO4还原而使酸性KMnO4溶液褪色,故B项正确;HCO、SO、HSO遇稀盐酸也可产生大量气泡,故C项错误;若存在Ag+,加入BaCl2溶液会产生氯化银白色沉淀,D项错误。
【答案】B
1.下列关于物质或离子检验的叙述正确的是
A.在溶液中加KSCN,溶液显红色,证明原溶液中有Fe3+,无Fe2+
B.气体通过无水CuSO4,粉末变蓝,证明原气体中含有水蒸气
C.灼烧白色粉末,火焰呈黄色,证明原粉末中有Na+,无K+
D.将气体通入澄清石灰水中,溶液变浑浊,证明原气体是CO2
【答案】B
【解析】在溶液中加KSCN,溶液显红色,只能证明一定存在Fe3+,不能证明是否含有Fe2+,A错误;无水CuSO4遇水生成CuSO4·5H2O,固体由白色变为蓝色,B正确;灼烧白色粉末,火焰呈黄色,能够证明原粉末中含有Na+,无法证明是否含有K+,因为要观察钾的火焰颜色,必须透过蓝色钴玻璃滤去黄光,排除钠的干扰,C错误;能使澄清石灰水变浑浊的气体不一定是CO2,SO2也可以,D错误。
考向二 物质的鉴别方法
典例1 写出下列两组试剂的鉴别方法。要求写出操作步骤、现象和结论。
(1)Na2CO3与NaHCO3固体。
(2)AlCl3与MgCl2溶液。
【解析】(1)分别取固体少许于试管中,加热,固体量减少,且有气体生成的为NaHCO3,无明显现象的为Na2CO3
(2)分别取溶液少许于试管中,逐滴加入NaOH溶液至过量,先有白色沉淀,后白色沉淀又逐渐溶解至消失的为AlCl3溶液,白色沉淀不溶解的为MgCl2溶液
【答案】(1)分别取固体少许于试管中,加热,固体量减少,且有气体生成的为NaHCO3,无明显现象的为Na2CO3
(2)分别取溶液少许于试管中,逐滴加入NaOH溶液至过量,先有白色沉淀,后白色沉淀又逐渐溶解至消失的为AlCl3溶液,白色沉淀不溶解的为MgCl2溶液
2.烧瓶中的溶液经蒸发浓缩、冷却结晶即可析出Na2S2O3·5H2O,其中可能含有Na2SO3、Na2SO4等杂质。利用所给试剂设计实验,检测该结晶中是否存在Na2SO4,简要说明实验操作、现象和结论:________________________。
已知Na2S2O3·5H2O遇酸易分解:S2O+2H+===S↓+SO2↑+H2O
供选择的试剂:稀盐酸、稀硫酸、稀硝酸、BaCl2溶液、AgNO3溶液
【答案】取少量产品溶于足量稀盐酸,静置,取上层溶液(或过滤,取滤液),滴加BaCl2溶液,若出现沉淀则说明含有Na2SO4杂质(合理即可)
【解析】Na2S2O3和Na2SO3的存在对SO的检验有干扰,要先除去。根据题给信息,可先加入过量的稀盐酸将二者除去。
检验与鉴别题的一般答题模板
(1)分别取固体少许于试管中加热或加入……试剂,现象是……,是……物质。
(2)分别取固体少许于试管中溶于水形成溶液,加……试剂,现象是……,是……物质。
(3)分别取溶液少许于试管中,分别加入……试剂,现象是……,为……物质。
(4)分别取溶液少许于试管中,分别加入……试剂,现象是……,继续加入……试剂,现象是……,为……物质。
考向三 分离、提纯的原理与方法
典例1 下表中除去物质中杂质选用的试剂或操作方法正确的一组是
序号
物质
杂质
除去杂质选用的试剂或操作方法
①
KNO3溶液
KOH
加入适量FeCl3溶液,并过滤
②
FeSO4溶液
CuSO4
加入过量铁粉,并过滤
③
H2
CO2
通过盛有足量NaOH溶液的洗气瓶,再通过盛有浓硫酸的洗气瓶
④
NaNO3
CaCO3
溶解、过滤、蒸发
A.①②③ B.①③④
C.②③④ D.①②④
【解析】加入氯化铁会引入杂质Cl-,故①不正确;加入铁粉置换出铜,通过过滤除去铜及过量的铁粉,故②正确;利用氢氧化钠溶液吸收二氧化碳气体,再用浓硫酸干燥氢气,故③正确;碳酸钙不溶于水,溶解后过滤,再蒸发即可得到纯净的NaNO3,故④正确。
【答案】C
3.下列实验中,所采取的分离方法与对应原理都正确的是
选项
目的
分离方法
原理
A
除去KCl中的MnO2
蒸发结晶
溶解度不同
B
除去碘中的NaCl
加热、升华
NaCl的熔点高,碘易升华
C
分离KNO3和NaCl
重结晶
KNO3的溶解度大于NaCl
D
分离食用油和汽油
分液
食用油和汽油的密度不同
【答案】B
【解析】除去KCl中的MnO2应采用过滤的方法,A错误;碘易升华,加热可分离,B正确;利用重结晶方法分离KNO3和NaCl是利用KNO3的溶解度受温度的影响大于NaCl,C错误;食用油和汽油互溶,因沸点不同而用蒸馏的方法分离,D错误。
混合物分离、提纯的物理方法归纳
考向四 分离仪器或装置的识别和选择
典例1 用下列实验装置进行相应实验,能完成实验的是
A.用图1所示装置从Fe(OH)3胶体中过滤出Fe(OH)3胶粒
B.用图2所示装置蒸发掉CuCl2溶液中部分水制得CuCl2·2H2O晶体
C.用图3所示装置从CH3OH与C2H5OH的混合物中分离出乙醇
D.用图4所示装置从C2H5OH与C2H5OOCCH3的混合物中分离出乙酸乙酯
【解析】A、胶体能透过滤纸,错误;B、氯化铜溶液中铜离子水解,水解吸热,加热促进水解,且生成氯化氢易挥发,因此蒸发氯化铜溶液,得不到氯化铜晶体,错误;C、乙醇与甲醇互溶,但乙醇与甲醇的沸点相差较大,蒸馏可实现分离,正确;D、乙酸乙酯易溶在乙醇中,不能分液分离,错误。
【答案】C
4.下列实验中,所选装置不合理的是
A.分离Na2CO3溶液和CH3COOC2H5,选④
B.用CCl4提取碘水中的碘,选③
C.用FeCl2溶液吸收Cl2选⑤
D.粗盐提纯,选①和②
【答案】A
【解析】Na2CO3溶液和CH3COOC2H5不互溶且分层应选装置③进行分液,A不合理;用CCl4提取碘水中的碘应采用萃取和分液的方法,选装置③,B合理;用FeCl2溶液吸收Cl2,应用洗气瓶且“长进短出”,选⑤,C合理;粗盐提纯需要过滤和蒸发,D合理。
分离、提纯的创新装置
1.过滤装置的创新——抽滤
由于水流的作用,使图1装置a、b中气体的压强减小,故使过滤速率加快。
2.蒸馏装置的创新
图2,由于冷凝管竖立,使液体混合物能冷凝回流,若以此容器作反应容器,可使反应物能循环利用,提高了反应物的转化率。
3.洗气装置的创新——双耳球吸收法
由于双耳球上端球形容器的容积较大,能有效地防止倒吸。故该装置既能除去气体中的气态杂质,又能防止倒吸。
考向五 物质分离、提纯的实验方案及流程分析
典例1 某化学兴趣小组从含有KI、KNO3等成分的工业废水中回收I2和KNO3,其流程如下:
下列说法正确的是
A.步骤1中有机相应从分液漏斗下端放出,无机相从上口倒出
B.步骤2使用的玻璃仪器有蒸馏烧瓶、酒精灯、牛角管、球形冷凝管、锥形瓶
C.步骤3可在如图装置中完成
D.步骤4中,将溶液蒸发至只剩少量水时,用余热将晶体蒸干
【解析】步骤1为萃取分液操作,苯的密度比水小,故有机相应从分液漏斗上口倒出,A项错误;步骤2为蒸馏,应选用直形冷凝管,球形冷凝管一般用于冷凝回流,B项错误;步骤3为升华,用图中装置能较好地控制温度,C项正确;步骤4为蒸发结晶,由于KNO3的溶解度随温度变化比较大,应采用蒸发浓缩、冷却结晶的方法,因此加热至有少量晶体出现就可停止加热,D项错误。
【答案】C
5.如图所示为从固体混合物中分离X的两种方案,请根据方案1和方案2指出下列说法中合理的是
A.可以选用方案1分离碳酸氢钠中含有的氯化铵
B.方案1中的残留物应该具有的性质是受热易挥发
C.方案2中加入的试剂一定能够与除X外的物质发生化学反应
D.方案2中加入NaOH溶液可以分离出SiO2和Fe2O3混合物中的Fe2O3
【答案】D
【解析】①加热法分离提纯固体混合物应满足的条件:一种物质受热易挥发或分解,另一物质受热不挥发或难分解。②加试剂法分离(过滤)提纯固体混合物应满足的条件:所加试剂能达到让一种物质形成溶液,而另一物质形成难溶物的状态。A项中碳酸氢钠、氯化铵受热均易分解,故用方案1不能将两物质分离开,错误;B项方案1中的残留物应该具有受热时不挥发或难分解的性质,错误;C项方案2中加入的试剂可能不与除X外的物质发生化学反应 ,如加水进行溶解分离,错误;D项中SiO2与NaOH溶液反应生成Na2SiO3溶解而分离,正确。
过滤操作中“三个”答题模板
(1)检验沉淀完全:静置取上层液→加沉淀剂→有无沉淀→结论。
(2)沉淀洗涤:向漏斗内加蒸馏水至浸没沉淀,静置使水自然流出,重复操作2~3次。
(3)沉淀洗净:取少量最后一次洗涤液于试管中,加入×××,若无×××现象,则证明×××离子已经洗净(或证明已经洗涤干净)。
一、单选题
1.下列装置或操作能达到实验目的的是
A.用甲装置制取氯气 B.用乙装置除去氯气中的HCl气体
C.用丙装置分离苯和水 D.用丁装置分离乙酸与乙醇
【答案】C
【详解】
A.实验室制备Cl2是用MnO2和浓盐酸共热,甲装置中没有加热装置,无法制取氯气,A不合题意;
B.由于Cl2也能与NaOH反应,故除去氯气中的HCl气体应用饱和食盐水,且应通过洗气瓶,B不合题意;
C.苯与水互不相溶的两种液体,可以用分液的操作进行分离,C符合题意;
D.进行蒸馏操作时温度计水银球应该在蒸馏烧瓶支管口,D不合题意;
故答案为:C。
2.下列有关有机物的鉴别、分离、提纯的说法中错误的是( )
A.乙酸和乙酸乙酯可用Na2CO3溶液加以区别
B.蛋白质的盐析可用于分离和提纯蛋白质
C.因为乙酸乙酯和乙醇的密度不同,所以用分液的方法分离乙酸乙酯和乙醇
D.因为丁醇与乙醚的沸点相差较大,所以用蒸馏的方法除去丁醇中的乙醚
【答案】C
【详解】
A.乙酸可与碳酸钠反应生成二氧化碳气体,乙酸乙酯不溶于饱和碳酸钠溶液,可用碳酸钠溶液加以区别,故A正确;
B.蛋白质在饱和硫酸钠、氯化铵等溶液中溶解度较小,为可逆过程,可用盐析的方法提纯,故B正确;
C.乙酸乙酯和乙醇混溶,应用蒸馏的方法分离,故C错误;
D.沸点相差较大的液体混合物,可用蒸馏的方法分离,故D正确;
答案选C。
3.用化学沉淀法去除粗盐中的杂质离子,包括粗盐溶解、加沉淀剂、过滤、调节pH、蒸发结晶等步骤。下列说法错误的是
A.沉淀剂的添加顺序可以是NaOH溶液、BaCl2溶液、Na2CO3溶液
B.向滤液中滴加盐酸,调节pH至滤液呈中性
C.蒸发结晶时,当蒸发皿中出现较多固体时,停止加热,利用余热将滤液蒸干
D.溶解、过滤、蒸发结晶等过程都使用玻璃棒搅拌溶液
【答案】D
【分析】
粗盐中含有CaCl2、MgCl2、Na2SO4等可溶性杂质,利用Na2CO3除去Ca2+、利用NaOH除去Mg2+、利用BaCl2除去SO42-,除杂时,各试剂必须加过量,就会引入新的杂质,因此Na2CO3还可以除去过量的BaCl2引入的Ba2+,因此试剂的添加顺序中Na2CO3需要在BaCl2的后面添加。过滤,除去沉淀,调节pH至中性。
【详解】
A.首先加入NaOH去除粗盐中的Mg2+和少量Ca2+,然后加入BaCl2去除粗盐中是SO42-,最后加入Na2CO3可以去除粗盐中的Ca2+和上一步加入的过量的Ba2+,A正确;
B.滴加盐酸使溶液呈中性,说明溶液中溶质为NaCl,B正确;
C.蒸发时,当蒸发皿中出现较多固体时,停止加热,利用余热将滤液蒸干,C正确;
D.过滤过程中玻璃棒的作用为引流,D错误;
故选D。
4.如图所示是分离混合物时常用的仪器,从左至右,可以进行的混合物分离操作分别是( )
A.蒸馏、蒸发、萃取、过滤 B.过滤、蒸发、萃取、蒸馏
C.萃取、过滤、蒸馏、蒸发 D.蒸馏、过滤、萃取、蒸发
【答案】D
【详解】
图示仪器从左至右分别为蒸馏烧瓶用于蒸馏操作、漏斗用于过滤操作、分液漏斗用于分液、萃取操作和蒸发皿用于蒸发操作,故可以进行的混合物分离操作分别为蒸馏、过滤、萃取分液、蒸发,故答案为:D。
5.下列实验中,所选装置或实验设计合理的是
A.用图①所示装置可以除去Na2CO3溶液中的CaCO3杂质
B.用乙醇提取溴水中的溴选择图②所示装置
C.用图③所示装置可以分离乙醇水溶液
D.用装置④将SnCl2溶液蒸干制备SnCl2晶体
【答案】A
【详解】
A选项,碳酸钙难溶于水,因此用图①所示装置可以除去Na2CO3溶液中的CaCO3杂质,故A符合题意;
B选项,乙醇与水互溶,则乙醇不能作溴水的萃取剂,故B不符合题意;
C选项,用图③所示装置可以分离乙醇水溶液,要使用温度计,故C不符合题意;
D选项,Sn2+要水解,用装置④将SnCl2溶液蒸干不能制备SnCl2晶体,故D不符合题意。
综上所述,答案为A。
6.下列有关实验说法中,不正确的是( )
A.利用纸层析法分离Fe3+、Cu2+时,氨熏显色后上方出现红棕色斑点,下方出现深蓝色斑点
B.可用AgNO3溶液和稀HNO3区分NaCl、NaNO2和NaNO3
C.在“镀锌铁皮的镀层厚度的测定”实验中,将镀锌铁皮放人稀硫酸,待产生气泡的速率显著减小时,可以判断锌镀层已反应完全
D.溶质的溶解度小,溶液的浓度高,可析出较大晶粒
【答案】D
【详解】
A.Fe3+是亲脂性强的成分,在流动相中分配的多一些,随流动相移动的速度快一些,而Cu2+是亲水性强的成分,在固定相中分配的多一些,随流动相移动的速度慢一些,从而使Fe3+和Cu2+得到分离,所以氨熏显色后上方出现棕色斑点,下方出现蓝色斑点,故A正确;
B.AgNO3溶液与NaCl、NaNO2溶液发生反应,分别产生白色沉淀AgCl,加稀硝酸不溶解;淡黄色沉淀AgNO2,加稀硝酸溶解;AgNO3溶液与NaNO3不反应,所以可用AgNO3溶液和稀HNO3区分NaCl、NaNO2和NaNO3,故B正确;
C.锌、铁和稀硫酸构成原电池,锌作负极,铁作正极,原电池能加快锌被腐蚀的速率,铁的活泼性小于锌,且只有铁时不能构成原电池,所以生成氢气的速率减小,所以当产生氢气的速率突然减小,可以判断锌镀层已反应完全,故C正确;
D.溶质的溶解度小,溶液的浓度越低,越不容易析出晶粒,故D错误;
故答案:D。
7.实验室用渗析的方法分离淀粉和食盐的混合液,其装置如图所示。Na+与Cl-能穿过半透膜进入烧杯,而淀粉高分子则留在半透膜袋中。下列分离混合物的方法中,与渗析操作的原理相似的是
A.用萃取分液的方法分离溴和水
B.用层析的方法分离溶液中的Cu2+和Fe3+
C.用蒸馏的方法分离甲醇和乙醇
D.用过滤的方法分离碳酸钙固体和氯化钙溶液
【答案】D
【详解】
A.萃取是利用物质在两种互不相溶的溶剂中溶解度的不同,使物质从一种溶剂内转移到另外一种溶剂中而提取出来的过程,和渗析原理不同,故A错误;
B.层析利用物质在固定相与流动相之间不同的分配比例,达到分离目的技术,和渗析原理不同,故B错误;
C.蒸馏是利用混合液体或液-固体系中各组分沸点不同,使低沸点组分蒸发,再冷凝以分离整个组分的操作过程,是蒸发和冷凝两种单元操作的联合,和渗析原理不同,故C错误;
D.过滤是用滤纸或其他多孔材料分离悬浮在液体或气体中固体颗粒、有害物质的一种方法,与渗析相似,故D正确;
故选D。
8.下列实验操作不能达到实验目的的是( )
A.用加热的方法除去碳酸钠固体中的碳酸氢钠
B.加热蒸干溶液,可以得到CuCl2晶体
C.放在流动的蒸馏水中可除去半透膜中蛋白质溶液里混有的(NH4)2SO4
D.鉴别NaBr和KI溶液,可分别加新制氯水后,用CCl4萃取
【答案】B
【详解】
A.加热时NaHCO3分解生成了Na2CO3:2NaHCO3Na2CO3+H2O+CO2↑,A项正确;
B.CuCl2属于强酸弱碱盐,在溶液中Cu2+发生水解生成Cu(OH)2,盐类的水解反应是一个吸热反应,加热,水解平衡右移,同时由于生成的HCl的大量挥发,促进水解平衡进一步向右移动,所以直接蒸干CuCl2溶液得到的主要是Cu(OH)2,不能得到CuCl2晶体,B项错误;
C.利用胶体粒子不能透过半透膜,小分子、离子可以透过半透膜的性质差异,采用渗析法对胶体进行提纯,C项正确;
D.氯水与NaBr、NaI分别反应,生成了溴单质和碘单质,两种卤素单质溶解在CCl4中,呈现不同的颜色,可以区别,D项正确;
所以答案选择B项。
9.下列实验装置(部分夹持装置已略去)可以达到对应实验目的的是
A.制备氢氧化铁胶体 B.分离乙酸乙酯和饱和Na2CO3溶液
C.除去CO2中的少量HCl D.收集NO2
【答案】B
【详解】
A.制备氢氧化铁胶体的方法是将饱和氯化铁溶液滴加到沸水中至产生红棕色时停止加热,不能用氢氧化钠溶液,否则生成氢氧化铁沉淀,故A错误;
B.乙酸乙酯和饱和Na2CO3溶液不互溶且分层,可用分液的方法分离,故B正确;
C.若用饱和碳酸钠溶液吸收氯化氢,二氧化碳也可与碳酸钠反应,除去CO2中的少量HCl应用饱和碳酸氢钠溶液,故C错误,
D.NO2的密度比空气大,收集时应长进短出,NO2为大气污染物用氢氧化钠溶液处理尾气时易发生倒吸,应再安装一个防倒吸装置,故D错误;
答案选B。
10.下列实验方案中,可以达到实验目的的是
选项
实验目的
实验方案
A
除去苯中混有的苯酚
加入适量的溴水充分反应后过滤
B
检验Fe2+溶液中是否含有Fe3+
向待测液中滴加几滴铁氰化钾溶液
C
除去粗盐中含有Mg2+、Ca2+、SO42-的试剂加入顺序
向该溶液中先加入NaOH溶液、再加BaCl2溶液,最后加碳酸钠溶液
D
检验SO2中是否含有HCl
将产生的气体通入HNO3酸化的AgNO3溶液中
A.A B.B C.C D.D
【答案】C
【详解】
A. 苯酚与溴水生成的三溴苯酚溶于苯,无法除去杂质,且引进了新的杂质溴,A项错误;
B. 铁氰化钾溶液用于检验亚铁离子,无法检测铁离子,B项错误;
C. NaOH溶液可以除去Mg2+、再加稍过量的BaCl2溶液可以除去SO42-,最后加碳酸钠溶液可以除去Ca2+和过量的Ba2+,到达除杂目的,C项正确;
D. HNO3会氧化二氧化硫为硫酸根,硫酸根与银离子反应生成微溶的硫酸银白色沉淀,与氯化银无法区分,D项错误;
答案选C。
11.茶文化在我国具有悠久的历史,下列叙述正确的是
A.制紫砂壶等陶瓷茶具的主要原料是纯碱、石灰石、石英砂
B.茶汤常呈黄色,说明茶叶中蕴含丰富的铁元素
C.食用适量茶叶不但可以刺激肠胃蠕动,还能获取人体必需的葡萄糖
D.《茶疏》中对泡青茶的过程有如下记载:“治壶、投茶、出浴、淋壶、烫杯、酾茶……”,其中涉及到的化学实验基本操作有溶解、萃取、过滤
【答案】D
【详解】
A.陶瓷的主要原料是以黏土等无机非金属矿物为原料,经高温烧制而成,纯碱、石灰石、石英砂是普通玻璃的原料,故A错误;
B.茶汤常呈黄色的原因是茶叶中的可溶性有机物质被氧化而发生颜色变化,与铁元素无关,故B错误;
C.茶叶中含有纤维素,可以促进肠胃蠕动,但人体内没有纤维素水解所需要的酶,不能获取人体必需的葡萄糖,故C错误;
D. “治壶、投茶、出浴、淋壶、烫杯、蘸茶”其中涉及到的化学实验基本操作有溶解、萃取、过滤,故D正确;
答案选:D。
12.实验室回收废水中苯酚的过程如图所示。下列说法不正确的是( )
A.操作Ⅰ为萃取,分液,萃取剂也可以用选用
B.苯酚钠在苯中的溶解度比在水中的小
C.操作Ⅱ中得到的苯,可在操作Ⅰ中循环使用
D.操作Ⅲ中要用蒸馏方法分离出苯酚
【答案】D
【分析】
整个实验过程为,用苯萃取废水中的苯酚,进行分液得到苯酚的苯溶液,再加入氢氧化钠溶液,苯酚与氢氧化钠反应得到苯酚钠,苯与苯酚钠溶液不互溶,再进行分液操作,得到苯与苯酚钠溶液,苯可以循环利用,苯酚钠溶液中加入盐酸得到苯酚,经过分液操作进行分离得到苯酚。
【详解】
A.操作Ⅰ为用苯萃取废水中的苯酚,进行分液得到苯酚的苯溶液,萃取剂也可以用选用,A项正确;
B.苯酚钠属于钠盐,钠盐易溶于水,所以苯酚钠在苯中的溶解度比在水中的小,B项正确;
C.操作Ⅱ中得到的苯,可继续萃取废水中的苯酚,可以循环使用,C项正确;
D.操作Ⅲ中用分液方法分离出苯酚,因为只含有苯酚一种有机溶剂,D项错误;
答案选D。
13.过氧化钙晶体(CaO2·8H2O)常用作医药消毒剂,以轻质碳酸钙为原料,按如下方法制备:下列说法错误的是( )
轻质CaCO3CaCl2溶液白色晶体目标产物
A.步骤①,煮沸可以除去溶解的CO2、HCl
B.步的②,H2O2作氧化剂、氨水用以调节溶液的pH
C.步骤①②,过滤时若用玻璃捧搅动,可能会导致滤纸破损
D.步骤③,醇洗可减少晶体损失且加速晶体干燥
【答案】B
【分析】
由制备流程图可知,碳酸钙与盐酸反应,加热煮沸是为了除去多余的盐酸和溶解的少量二氧化碳,滤液含氯化钙,加入氨水和双氧水在冰浴条件下发生反应CaCl2+H2O2+2NH3·H2OCaO2·8H2O+2NH4Cl,过滤得到白色晶体,最后洗涤得目标产物。
【详解】
A.步骤①碳酸钙与盐酸反应,生成氯化钙、二氧化碳和水,煮沸可以除去溶解的CO2、HCl,故A正确;
B.步骤②,向滤液氯化钙溶液中加入氨水和双氧水在冰浴条件下发生反应CaCl2+H2O2+2NH3·H2OCaO2·8H2O+2NH4Cl,反应中各元素化合价没有发生变化,此反应不是氧化还原反应,故B错误;
C.步骤①②,过滤时若用玻璃捧搅动,可能会导致滤纸破损,故C正确;
D.过氧化钙晶体微溶于水,不溶于乙醇,醇洗可减少晶体损失且加速晶体干燥,故D正确;
故答案为B。
14.用适当浓度的盐酸、NaCl溶液、氨水、铁粉和葡萄糖溶液可按照如图方法从某含有Cu2+、Ag+的溶液中回收Cu和Ag(图中标注的试剂和物质均不同)。
下列说法错误的是( )
A.试剂1是NaCl溶液,其发生反应的离子方程式为Ag++Cl- =AgCl↓
B.试剂2是Fe粉,物质2→Cu的离子反应为Fe+Cu2+ =Fe2+ +Cu
C.试剂3发生反应的离子方程式为AgCl+2NH3∙H2O=[Ag(NH3)2]++Cl-+2H2O
D.分离1、2、3的操作都是过滤;[Ag(NH3)2]+溶液与试剂4反应需加热
【答案】B
【分析】
在含有Cu2+、Ag+的混合溶液,加入试剂1,得到物质1和物质3,向物质1中加入过量Fe粉,经一系列反应产生Cu单质,则物质1中含有Cu2+,加入的试剂1将原混合物中的Ag+转化为沉淀,该试剂中含有Cl-,为NaCl溶液,物质3是AgCl。向含有Cu2+的溶液中加入过量Fe粉,发生反应:Fe+Cu2+=Fe2++Cu,过滤分离得到物质2中含Cu及过量的Fe,再向物质2中加入稀盐酸,Fe与HCl发生置换反应变为FeCl2进入溶液,Cu仍然是固体,通过过滤、洗涤可分离得到Cu单质,则试剂2是盐酸。物质3是AgCl,向其中加入氨水得到银氨溶液,试剂3为氨水,向银氨溶液中加入葡萄糖溶液,水浴加热,发生银镜反应,得到Ag单质。
【详解】
根据上述分析可知:试剂1为NaCl溶液,试剂2是HCl,试剂3是氨水,试剂4是葡萄糖溶液,物质1是CuCl2,物质2是Fe、Cu混合物,物质3是AgCl。
A.试剂1是NaCl溶液,Cl-与Ag+反应产生AgCl沉淀,该反应的离子方程式为:Ag++Cl- =AgCl↓,A正确;
B.试剂2是盐酸,物质2是Fe、Cu混合物,物质2→Cu的离子反应为Fe+2H+ =Fe2+ +H2↑,B错误;
C.试剂3是氨水,与AgCl发生反应产生银氨溶液,反应的离子方程式为AgCl+2NH3∙H2O=[Ag(NH3)2]++Cl-+2H2O,C正确;
D.分离1、2、3都是分离难溶性固体与可溶性液体混合物的操作,操作名称都是过滤;试剂4是葡萄糖溶液,葡萄糖分子中含有醛基,与[Ag(NH3)2]+溶液水浴加热发生银镜反应产生Ag单质,D正确;
故合理选项是B。
二、多选题
15.碘酸钾(KIO3)是重要的食品添加剂,某化学兴趣小组查阅资料得知,HIO3与KIO3均为白色固体,能溶于水,难溶于部分有机溶剂,且KIO3在碱性条件下易被ClO氧化为KIO4,于是设计了以下路线制备碘酸钾。下列有关说法正确的是
A.浓盐酸在反应中体现了氧化性
B.加入CCl4目的是萃取I2
C.加入KOH前,应先对原溶液加热煮沸
D.系列操作包括:加入乙醇溶液、搅拌、静置、过滤、洗涤、干燥
【答案】CD
【分析】
将浓盐酸和KClO3混合制得的Cl2通入I2的CCl4和水的液态混合物中,Cl2氧化I2得到HIO3,经分液后向含HIO3的水溶液中加入KOH,经中和生成KIO3,向溶液中加入乙醇溶液、搅拌、静置、过滤、洗涤、干燥最终得到KIO3固体。
【详解】
A.浓盐酸和KClO3混合制得的Cl2的同时,还有产物KCl,此反应中体现了盐酸的还原性和酸性,故A错误;
B.Cl2和I2在水中溶解度小,且氯气可溶于水,会降低转化过程中氯气的利用率,转化过程中加入CCl4的作用是增大I2和Cl2的溶解量,提高Cl2的利用率,故B错误;
C.中和之前溶液中存在较多Cl2,通过加热煮沸可以除去Cl2,避免中和时Cl2转化为ClO-,进一步将氧化为,从而导致KIO3产量下降,故C正确;
D.KIO3在乙醇中的溶解度较低,加入适量乙醇可以使KIO3从溶液中析出,故往中和后的溶液中加入适量乙醇,经搅拌、静置、过滤、洗涤、干燥等操作,得到白色固体,故D正确;
故答案为CD。
三、非选择题
16.二草酸合铜( II )酸钾晶体{K2[Cu(C2O4)2]· 2H2O},微溶于冷水,可溶于热水,微溶于酒精,干燥时较为稳定,加热时易分解。
(Ⅰ)用氧化铜和草酸为原料制备二草酸合铜(II)酸钾晶体的流程如下:
已知:H2C2O4CO↑+CO2↑+H2O。回答下列问题:
(1)将 H2C2O4晶体加入去离子水中,微热,溶解过程中温度不能太高,原因是_____。
(2)将 CuO 与 KHC2O4的混合液在 50°C 下充分反应,该反应的化学方程式为_____。
(3)50 °C 时,加热至反应充分后的操作是_____(填字母)。
A 放于冰水中冷却后过滤 B 自然冷却后过滤 C 趁热过滤 D 蒸发浓缩、冷却后过滤
(Ⅱ)以CuSO4· 5H2O 晶体和 K2C2O4固体为原料制备二草酸合铜( II )酸钾晶体。
实验步骤:将 CuSO4· 5H2O 晶体和 K2C2O4固体分别用去离子水溶解后,将 K2C2O4溶液逐滴加入硫酸铜溶液中,有晶体析出后放在冰水中冷却,过滤,用酒精洗涤,在水浴锅上炒干。炒时不断搅拌,得到产品。
(4)用酒精而不用冷水洗涤的目的是_____
(Ⅲ)产品纯度的测定:准确称取制得的晶体试样 ag 溶于 NH3·H2O 中,并加水定容至 250mL,取试样溶液 25.00mL,再加入 10 mL 的稀硫酸,用 b mol· L-1的 KMnO4标准液滴定,消耗 KMnO4标准液 V mL。
(5)滴定时,下列滴定方式中,最合理的是_____(填字母)。 (夹持部分略去)
A B C
(6)若在接近滴定终点时,用少量蒸馏水将锥形瓶内壁冲洗一下,再继续滴定至终点,实验结果会_____(填“偏大”偏小”或“无影响”)。
【答案】温度过高,草酸会分解 CuO + 2KHC2O4K2[Cu(C2O4)2]+H2O C 酒精易于挥发,便于干燥二草酸合铜(Ⅱ )酸钾晶体 B 无影响
【分析】
草酸晶体加水、微热,然后加入碳酸钾固体,可生成KHC2O4,CuO和KHC2O4二者混合在50°C水浴加热,趁热,过滤,滤液经蒸发浓缩、冷却结晶可得到K2[Cu (C2O4) 2] ·2H2O, 以此解答该题;
【详解】
(1)由题意可知,草酸加热易分解,所以将 H2C2O4晶体加入去离子水中,微热,溶解过程中温度不能太高,故答案为:温度过高,草酸会分解;
(2) 将 CuO 与 KHC2O4的混合液在 50°C 下充分反应,该反应的化学方程式为CuO + 2KHC2O4K2[Cu(C2O4)2]+H2O,故答案为:CuO + 2KHC2O4K2[Cu(C2O4)2]+H2O;
(3) 滤液中含有二草酸合铜(Ⅱ )酸钾,二草酸合铜( Ⅱ)酸钾微溶于冷水,可溶于热水,可以判断操作应是趁热过滤,故选C;
(4)根据题意可知,二草酸合铜(Ⅱ )酸钾微溶于冷水,微溶于酒精,干燥时较为稳定,所以用酒精洗涤,故答案为:酒精易于挥发,便于干燥二草酸合铜(Ⅱ )酸钾晶体;
(5)A.碱式滴定管的乳胶管会被高锰酸钾腐蚀,A不合理;
B.根据题意,用高锰酸钾标准液滴定试样,高锰酸钾应用酸式滴定管盛装,B合理;
C.根据题意,是用高锰酸钾溶液滴定试样,不是用试样滴加高锰酸钾,C不合理;
故选B;
(6) 用少量蒸馏水将锥形瓶内壁冲洗一下, 溶质的物质的量不变,则滴定结果无影响,故答案为:无影响。
17.新能源汽车的核心部件是锂离子电池,常用磷酸亚铁锂(LiFePO4)做电极材料。对LiFePO4废旧电极(含杂质Al、石墨粉)回收并获得高纯Li2CO3的工业流程图如图:
资料:碳酸锂在水中溶解度:
(1)过程i研磨粉碎的目的是__________。
(2)过程ii加入足量NaOH溶液的作用(用反应方程式表示)___________。
(3)过程iii采用不同氧化剂分别进行实验,均采用Li含量为3.7%的原料,控制pH为3.5,浸取1.5h后,实验结果如表所示:
①实验2中,NaClO3与盐酸反应生成黄绿色气体,大大增加了酸和氧化剂的用量,该反应的离子方程式为__________。
②综合考虑Li+的浸出率及环保因素,选择的氧化剂最好为___________。
③过程iii得到的浸出液循环两次的目的是________。
(4)浸出液中存在大量和,已知:+H+,+H+,结合平衡移动原理,解释过程iv得到磷酸铁晶体的原因____________。
(5)简述过程vi的操作___________。
【答案】可增大接触面积,加快反应速率 2Al+2NaOH+2H2O=2NaAlO2+3H2↑ ClO+5Cl-+6H+=3Cl2↑+3H2O H2O2 提高浸出液中Li+ 浓度(或提高氧化剂和酸的利用率/节约后续纯碱的用量) CO结合H+,c(H+)减小,H2POHPO+H+,HPOPO+H+,两个电离平衡均向右移动,c(PO)增大,与Fe3+结合形成磷酸铁晶体 用热水洗涤,干燥
【分析】
LiFePO4废旧电极(含杂质Al、石墨粉)研磨后加入氢氧化钠溶液,Al与NaOH溶液反应生成偏铝酸钠,所以滤液1含有NaAlO2,滤渣1含有LiFePO4和石墨粉;滤渣中加入盐酸、氧化剂可氧化亚铁离子生成铁离子,两次循环提高浸出率,滤渣2为石墨粉,浸出液含有铁离子、锂离子,滤液中加入30%碳酸钠溶液可生成FePO4•2H2O,此时滤液2中主要含有锂离子,加入饱和碳酸钠溶解并加热,可生成Li2CO3粗品,用热水洗涤,干燥得到高纯Li2CO3,以此解答该题。
【详解】
(1)粉碎样品,可增大接触面积,加快反应速率;
(2)废旧电极含有铝,可与氢氧化钠溶液反应,则加入氢氧化钠溶液,可溶解Al,使其分离出去,反应方程式为2Al+2NaOH+2H2O=2NaAlO2+3H2↑;
(3)①实验2中,NaClO3与盐酸反应生成黄绿色气体,应为氯气,说明氯酸钠和盐酸发生了归中反应,根据电子守恒和元素守恒可得离子方程式为ClO+5Cl-+6H+=3Cl2↑+3H2O;
②实验2生成氯气污染空气,增加了酸和氧化剂的用量,实验1与实验3比,Li+的浸出率较高,所以最终选择H2O2作为氧化剂;
③过程iii得到的浸出液循环两次,可提高浸出液中Li+ 浓度(或提高氧化剂和酸的利用率/节约后续纯碱的用量);
(4)要得到过程iv得到磷酸铁晶体,应使PO溶液浓度增大,则应使H2POHPO+H+,HPOPO+H+平衡正向移动,可加入与H+反应的物质,加入碳酸钠后CO结合H+,c(H+)减小,H2POHPO+H+,HPOPO+H+,两个电离平衡均向右移动,c(PO)增大,与Fe3+结合形成磷酸铁晶体;
(5)由表中数据可知碳酸锂在温度较高时溶解度较小,则可用热水洗涤,然后干燥可得到高纯碳酸锂。
18.用含有Al2O3、SiO2和少量FeO•xFe2O3的铝灰制备Al2(SO4)3•18H2O,工艺流程如下:
(一定条件下,MnO4-可与Mn2+反应生成MnO2)
已知:生成氢氧化物沉淀的PH
(1)H2SO4溶解Al2O3的离子方程式是____________。
(2)检验滤液中还存在Fe2+的方法是______________。
(3)“除杂”环节有如下几个步骤:(I)向滤液中加入过量KMnO4溶液,调节溶液的pH为3.2 (II)加热,产生大量棕色沉淀,静置,上层溶液呈紫红色;(Ⅲ)加入MnSO4至紫红色消失,过滤。
①步骤I 的目的是:_________;调节溶液的pH为3.2的目的是__________。
②向步骤II的沉淀中加入浓HCl并加热,有黄绿色气体生成,写出其反应方程式______。
③步骤Ⅲ中加入MnSO4的目的是__________(用离子反应方程式表示)
(4)从多次循环使用后母液中可回收的主要物质是________(填化学式)。
【答案】Al2O3+6H+=2Al3++3H2O 取少量滤液于试管,滴加酸性KMnO4溶液,KMnO4溶液褪色,则说明有Fe2+ 将Fe2+氧化为Fe3+ 调节pH值使铁完全沉淀 MnO2+4HClMnCl2+Cl2↑+2H2O Mn2++MnO4-+2H2O=MnO2+4H+ K2SO4
【详解】
(1)硫酸溶解氧化铝生成硫酸铝和水,反应的离子方程式为:Al2O3 + 6H+ = 2Al3+ + 3H2O;
(2)酸性KMnO4溶液与Fe2+反应,MnO4-被还原成Mn2+,溶液褪色;
(3)①向滤液中加入过量KMnO4溶液,目的是Fe2+氧化为Fe3+,依据图表数据分析可知,Fe3+开始沉淀和沉淀完全的溶液pH为1.5﹣2.8,Al3+和Fe2+开始沉淀的溶液pH大于3,所以调节溶液的pH约为3,可以使Fe3+全部沉淀,Al3+不沉淀,达到分离;②一定条件下,MnO4﹣可与Mn2+反应生成MnO2.①向Ⅲ的沉淀中加入浓HCl并加热,MnO2 + 4HCl(浓)= MnCl2 + Cl2↑+ 2H2O;②MnO4﹣可与Mn2+反应生成MnO2,过滤除去,所以可以利用MnSO4溶液和KMnO4溶液反应生成MnO2,把过量MnO4﹣除去;
19.以冶铜工厂预处理过的污泥渣(主要成分为 CuO 和 Cu)为原料制备 CuSO4•5H2O 晶体的流程如下 :
已知:①CuO在氨水作用下可以生成 Cu(NH3)4(OH)2
②CuSO4•5 H2O 加热到 4 5℃时开始失水。
请回答:
(1)步骤 l 中,空气的主要作用是____。
(2)下列关于步骤II说法不正确的是____。
A.操作 1 可选择倾析法过滤, 玻璃棒的作用是: 先搅拌, 再引流
B.操作 1 应趁热过滤, 要防止液体 1 中的溶质因冷却而析出
C.操作 1 为抽滤,在加入需抽滤的物质时,用玻璃棒引流液体, 玻璃棒底端需紧贴在滤纸上
D.抽滤时,布氏漏斗的底部斜口面需正对抽滤瓶的抽气口处, 是为了提高抽滤的速率
(3)液体 1 通过步骤 III 与步骤IV可得到CuSO4•5 H2O 晶体 。
①蒸氨过程的生成物均是由两种元素组成的化合物, 则除氨外其余产物的化学式为_____。
②步骤IV中包含多步操作, 将下列步骤按正确的步骤排序(必要时步骤可重复选)。_____→得到固体物质→ ____ →将液体放于蒸发皿中加热→ ____→_____→_____→_____ →得到晶体
a.过滤 b.用玻璃棒不断搅拌溶液 c.用足量稀硫酸溶解固体 d.停止加热 e.至溶液表面析出晶膜
(4)步骤1中分别选用氨水、氨水-碳酸铵混合溶液氨浸时, 铜元素回收率随温度变化如图所示。
①浸取液为氨水时,反应温度控制为 55℃,温度过高铜元素回收率降低的原因是_______。
②浸取液为氨水一碳酸铵混合溶液时,铜元素回收率受温度影响较小的原因可能是______。
(5)为了提高 CuSO4晶体的产率, 实验室还采用以下方法: 将CuSO4 溶液转移至蒸馏烧瓶中, 加入适量冰醋酸, 通过下图所示的装置获取晶体。
①加入适量乙酸的目的是:_____。
②图中接真空泵的作用是:______。
【答案】氧化污泥中的铜单质 ABCD ①CuO、H2O a c b e d a 温度过高 , 导致氨水浓度降低 溶液中除了一水合氨外, 还有大量的存在 , 存在水解平衡, 温度变化时, 因平衡发生移动, NH3•H2O浓度变化程度小 调节溶液pH, 防止形成碱性物质(碱式盐或氢氧化铜)或抑制水解 抽气,减压, 防止蒸发溶剂时温度过高而使晶体失水
【分析】
污泥渣中Cu和CuO、氧气、氨水可以生成Cu(NH3)4(OH)2,过滤除去难溶固体,蒸氨过程的生成物均是由两种元素组成的化合物,则除氨外其余产物是氧化铜、水;氧化铜和硫酸反应生成硫酸铜,蒸发浓缩、冷却结晶、过滤、洗涤,可得CuSO4•5H2O晶体;
【详解】
(1)步骤 l 中,Cu和氧气、氨水反应生成Cu(NH3)4(OH)2,空气的主要作用是氧化污泥中的铜单质;
(2) A.操作 1 可选择倾析法过滤,倾析法可以避免沉淀过早堵塞滤纸小孔而影响过滤速度, 为使大多数固体留在烧杯中,不用玻璃棒搅拌烧杯中的液体,故A错误;
B.温度越高,氨气的溶解度越小,故B错误;
C.操作 1 为抽滤,在加入需抽滤的物质时,使抽滤的物质匀分布在整个滤纸面上,故C错误;
D.抽滤时,布氏漏斗的底部斜口面需正对抽滤瓶的抽气口处,防止布氏漏斗下端液体被吸进减压水泵里,故D错误;
选ABCD;
(3)①蒸氨过程的生成物均是由两种元素组成的化合物, 根据元素守恒,则除氨外其余产物的化学式为CuO、H2O;
②步骤IV中包含多步操作,过滤(a)→得到固体物质→用足量稀硫酸溶解固体(c)→将液体放于蒸发皿中加热→用玻璃棒不断搅拌溶液(b)→至溶液表面析出晶膜(e)→停止加热(d)→过滤 (a)→得到晶体;
(4)①氨气的溶解度随温度升高而降低,温度过高 ,导致氨水浓度降低,所以浸取液为氨水时,反应温度控制为55℃,温度过高铜元素回收率降低。
②浸取液为氨水一碳酸铵混合溶液时,除了一水合氨外, 还有大量的存在 , 存在水解平衡, 温度变化时, 因平衡发生移动,NH3•H2O浓度变化程度小,所以浸取液为氨水一碳酸铵混合溶液时,铜元素回收率受温度影响较小;
(5)①酸可抑制铜离子水解,加入适量乙酸的目的是调节溶液pH,防止铜离子水解;
②CuSO4•5 H2O加热到 4 5℃时开始失水,图中接真空泵抽气、减压,防止蒸发溶剂时温度过高而使晶体失水。
20.以磷石膏(主要成分是CaSO4,含少量的Al2O3、SiO2等杂质)为原料制备Na2SO4、CaBr2·2H2O和NH4Cl等产品的工艺流程如图:
请回答:
(1)反应釜1中SO的浸出率与加料速度、反应温度的关系如图所示:
①反应的最佳条件为__。
②其它条件相同时,SO浸出率随反应温度升高反而下降的原因是___。
(2)实验室里模拟上述煅烧操作,下列仪器中有用到的是__。
A.瓷坩埚 B.铁坩埚 C.泥三角 D.酒精喷灯
(3)反应釜2中进行的反应是__(用化学方程式表示)。
(4)反应釜3中完成反应后,分离硫酸钠、氯化铵的操作:在90℃左右蒸发浓缩至较多晶体析出,马上___得到Na2SO4粗品;同时,将热滤液冷却至35℃左右、趁热过滤或冷却至35~40℃过滤,得NH4Cl粗品(Na2SO4、NH4Cl的溶解度如图所示)。
【答案】加料速度为36g·min-1、反应温度为40℃ 温度高于40℃时,(NH4)2CO3受热分解 BCD 3CaO+2NH3·H2O+3Br2=3CaBr2+N2+5H2O或3CaO+2NH3+3Br2=3CaBr2+N2+3H2O 趁热过滤
【分析】
由流程图可知,磷石膏经净化、分级除去Al2O3、SiO2等杂质后,再浆,浆料中的硫酸钙在反应釜1中与碳酸铵溶液反应生成硫酸铵和碳酸钙,过滤后得到含有硫酸铵的滤液和含有碳酸钙的滤渣;碳酸钙煅烧生成氧化钙和二氧化碳,在反应釜2中氧化钙与氨水、溴蒸汽反应生成溴化钙、氮气和水,溴化钙溶液经蒸发结晶制得CaBr2·2H2O晶体;在反应釜3中,硫酸铵和氯化钠反应生成硫酸钠和氯化铵,在90℃左右蒸发浓缩至较多晶体析出,马上趁热过滤得到Na2SO4粗品;同时,将热滤液冷却至35℃左右、趁热过滤或冷却至35~40℃过滤,得NH4Cl粗品。
【详解】
(1)①由图像可知,当加料速度为36g·min-1、反应温度为40℃时,硫酸根的浸出率最大,则最佳条件为加料速度为36g·min-1、反应温度为40℃,故答案为:加料速度为36g·min-1、反应温度为40℃;
②温度高于40℃时,碳酸铵受热易发生分解反应生成氨气、二氧化碳和水,溶液中碳酸根离子浓度减小,导致SO浸出率降低,故答案为:温度高于40℃时,(NH4)2CO3受热分解;
(2)煅烧操作为在坩埚中碳酸钙高温煅烧分解生成氧化钙,由于氧化钙与瓷坩埚中二氧化硅反应,则煅烧时选用的仪器有铁坩埚、三脚架、泥三角、酒精喷灯、坩埚钳,故答案为:BCD;
(3)反应釜2中发生的反应为氧化钙与氨水、溴蒸汽反应生成溴化钙、氮气和水,反应的化学方程式为3CaO+2NH3·H2O+3Br2=3CaBr2+N2+5H2O或3CaO+2NH3+3Br2=3CaBr2+N2+3H2O,故答案为:3CaO+2NH3·H2O+3Br2=3CaBr2+N2+5H2O或3CaO+2NH3+3Br2=3CaBr2+N2+3H2O;
(4)根据溶解度曲线分析可知,随着温度升高,硫酸钠的溶解度降低,而氯化铵的溶解度升高,则分离硫酸钠、氯化铵的操作为在90℃左右蒸发浓缩至较多晶体析出,马上趁热过滤得到Na2SO4粗品;同时,将热滤液冷却至35℃左右、趁热过滤或冷却至35~40℃过滤,得NH4Cl粗品,故答案为:趁热过滤。
21.某化学兴趣小组设计实验制备苯甲酸异丙酯,其反应原理为
用如图所示装置进行实验:
物质的性质数据如表所示:
物质
相对分子质量
密度/(g·cm-3)
沸点/℃
水溶性
苯甲酸
122
1.27
249
微溶
异丙醇
60
0.79
82
易溶
苯甲酸异丙酯
164
1.08
218
不溶
实验步骤:
步骤ⅰ:在图甲干燥的仪器a中加入38.1 g苯甲酸、30 mL异丙醇和15 mL浓硫酸,再加入几粒沸石;
步骤ⅱ:加热至70 ℃左右保持恒温半小时;
步骤ⅲ:将图甲的仪器a中液体进行如下操作得到粗产品:
步骤ⅳ:将粗产品用图乙所示装置进行精制。
试回答下列问题:
(1)步骤ⅰ中加入三种试剂的先后顺序一定错误的是___________(填字母)。
A.异丙醇、苯甲酸、浓硫酸
B.浓硫酸、异丙醇、苯甲酸
C.异丙醇、浓硫酸、苯甲酸
(2)图甲中仪器a的名称为___________,判断酯化反应达到平衡的现象_____________。加入的苯甲酸和异丙醇中,需过量的是___________,目的是___________。
(3)本实验一般采用水浴加热,因为温度过高会使产率___________(填“增大”“减小”或“不变”)。
(4)操作Ⅰ中第二次水洗的目的是___________,操作Ⅱ中加入无水硫酸镁的作用为___________。
(5)步骤ⅳ所用的装置中冷却水的进口为___________(填字母),操作时应收集218 ℃的馏分,如果温度计水银球偏上,则收集的精制产品中可能混有的杂质为___________(填物质名称)。
(6)如果得到的苯甲酸异丙酯的质量为40.930 g。则该实验的产率为___________%(保留2位有效数字)。
【答案】B 三颈烧瓶(或三口烧瓶) 油水分离器中水面保持稳定 异丙醇 有利于酯化反应向正反应方向进行,提高苯甲酸的转化率 减小 除去残留的碳酸钠 除去残留的水 g 苯甲酸 80
【详解】
(1) 浓硫酸密度大,和其他液态物质混合时应注意实验安全,一般都是将浓硫酸沿玻璃棒或容器内壁缓缓注入其他液体中,边注入边搅拌,所以酯化反应实验中,一般先加入密度最小的醇,再加入羧酸,最后加入浓硫酸(其中浓硫酸和羧酸顺序可以颠倒),故B错误。
(2) 根据图示仪器构造分析A为三颈烧瓶;该反应为可逆反应,所以其中一种物质过量,既可以使平衡向正反应方向移动,又可以提高另外一种物质的转化率,使异丙醇稍过量有利于酯化反应向正反应方向进行,提高苯甲酸的转化率;油水分离器中水层高低的变化可以显示生成物水的量,据此可以判断酯化反应是否达到平衡;故答案为:三颈烧瓶(或三口烧瓶)、油水分离器中水面保持稳定、异丙醇。
(3) 异丙醇沸点低,易挥发损耗,所以温度过高会使产率减小,故答案为:减小。
(4)第一次水洗主要是除去异丙醇和硫酸等水溶性杂质,用饱和碳酸钠溶液洗主要是除去硫酸和苯甲酸等酸性杂质,而第二次水洗,则是为了除去残留的碳酸钠,操作Ⅱ中加入无水硫酸镁是为了除去残留的水,故答案为:除去残留的碳酸钠、除去残留的水。
(5)冷凝管中冷凝水应下进上出,所以装置中冷却水的进口为g;如果蒸馏时温度计的水银球偏上,则蒸馏烧瓶支管口处温度比温度计所测量的温度高,会有沸点较高的杂质逸出。故答案为:g、苯甲酸。
(6)38.1 g苯甲酸的物质的量为,30 mL异丙醇的物质的量为,苯甲酸不足,所以苯甲酸异丙酯的理论产量为,如果得到苯甲酸异丙酯的质量为40.930 g,则产率为,故答案为:80。
浙江真题题组
1. (2020年7月浙江选考).下列有关实验说法不正确的是( )
A.萃取时,向盛有溴水的分液漏斗中加入,振荡、静置分层后,打开旋塞,先将水层放出
B.做焰色试验前,铂丝用稀盐酸清洗并灼烧至火焰呈无色
C.乙醇、苯等有机溶剂易被引燃,使用时须远离明火,用毕立即塞紧瓶塞
D.可用溶液和稀区分、和
【答案】A.CCl4的密度比水的密度大,故萃取Br2时,向盛有溴水的分液漏斗中加入CCl4,振荡、静置分层,打开旋塞,先将CCl4层放出,A操作错误;
B.做焰色试验前,先将铂丝用稀盐酸清洗并灼烧至无色的目的是排除铂丝上粘有其它金属元素,防止对待检测金属元素的检测造成干扰,B操作正确
C.乙醇、苯等有机溶剂属于易燃物品,故使用时必须远离明火和热源,用毕立即塞紧瓶塞,防止失火,C操作正确;
D.氯化银、亚硝酸银都是难溶于水的白色固体,所以硝酸银滴入氯化钠溶液和亚硝酸钠溶液中都有白色沉淀生成,但是氯化银不溶于稀硝酸,而亚硝酸银溶于稀硝酸;硝酸银溶液滴入硝酸钠溶液中没有明显现象,故D操作正确。
答案选A。
2.(2020年1月浙江选考).下列有关实验说法,不正确的是( )
A.碱液不慎溅到手上,先用大量水冲洗,再用饱和硼酸溶液洗,最后用水冲洗
B.和的混合物经溶解、过滤,洗涤、干燥,可分离出
C.用容量瓶配制溶液,定容时若加水超过刻度线,立即用滴管吸出多余液体
D.火柴头的浸泡液中滴加溶液,稀和溶液,可检验火柴头是否含有氯元素
【答案】C
A. 若皮肤不慎沾上少量碱液,应先用大量水冲洗,再用2%醋酸溶液或饱和硼酸溶液洗,避免皮肤受损,故A正确;
B.二氧化锰不溶于水,氯化钾可溶于水,所以混合物经溶解、过滤,洗涤、干燥,可分离出,故B正确;
C.滴管吸出的液体中含有溶质,因此会导致所配溶液浓度偏小,正确操作应该是重新配制,故C错误;
D. 火柴头中含有KClO3,检验氯元素,应把ClO3-还原为4Cl-,酸性条件下,NO2-具有还原性,向少量的火柴头浸泡液中滴加AgNO3、稀HNO3和NaNO2,发生的离子反应为:ClO3-+3NO2-+Ag+═AgCl↓+3NO3-,出现白色沉淀,证明含有氯元素,故D正确;
故答案为C。
3.(2020年1月浙江选考).下列说法不正确的是( )
A.强酸、强碱、重金属盐等可使蛋白质变性
B.用新制氢氧化铜悬浊液(必要时可加热)能鉴别甲酸、乙醇、乙醛
C.乙酸乙酯中混有的乙酸,可加入足量的饱和溶液,经分液除去
D.向苯和苯酚的混合液中加入浓溴水,充分反应后过滤,可除去苯中少量的苯酚
【答案】D
A. 强酸、强碱、加热、重金属盐及某些有机物例如甲醛等可使蛋白质发生变性,变性为不可逆反应,故A正确;
B.甲酸为弱酸可与氢氧化铜发生中和反应,溶液显蓝色;乙醇无现象;乙醛和新制氢氧化铜悬浊液在加热条件下会生成砖红色沉淀,故B正确;
C.饱和的碳酸钠溶液可以与乙酸发生反应,且会与乙酸乙酯分层,故C正确;
D.溴易溶于苯,应向苯和苯酚的混合溶液中加入NaOH溶液,充分反应分液,以除去苯中少量苯酚,故D错误;
故答案为D。
4.[2021年4月浙江选考]下列说法不正确的是
A.蒸馏时可通过加碎瓷片防暴沸
B.可用精密pH试纸区分pH=5.1和pH=5.6的两种NH4Cl溶液
C.用加水后再分液的方法可将苯和四氯化碳分离
D.根据燃烧产生的气味,可区分棉纤绵和蛋白质纤维
【答案】C
【解析】A.加热液体至沸腾时,必须要在反应容器内加碎瓷片,防止暴沸,否则出现暴沸将会很危险,A项正确;B.精密pH试纸可以将pH值精确到小数点后一位,所以可以区分pH=5.1和pH=5.6的两种NH4Cl溶液,B项正确;C.苯和四氯化碳互相溶解,均难溶于水,因而加水不影响苯和四氯化碳的互溶体系,不可以分液,可采用蒸馏分离,C项错误;D. 棉纤绵成分是纤维素,蛋白质纤维成分是蛋白质,蛋白质燃烧时会产生烧焦羽毛的气味,因而可以用燃烧法区别,D项正确。故答案选C。
5.[2021年4月浙江选考]白色固体混合物A,含有KCl、CaCO3、Na2CO3、Na2SiO3、CuSO4中的几种,常温常压下进行如下实验。
下列推断不正确的是
A.无色溶液B的pH≥7
B.白色固体F的主要成分是H2SiO3
C.混合物A中有Na2SiO3、CuSO4和CaCO3
D.在无色溶液B中加HNO3酸化,无沉淀;再滴加AgNO3,若有白色沉淀生成,说明混合物A中有KCl
【答案】C
【解析】白色固体混合物A加水得无色溶液B和固体C,B中肯定不含Cu2+,但结合固体C加过量硝酸,产生蓝色溶液,说明A到B的过程中Cu2+转化为沉淀,A中必含有CuSO4,又结合固体C中加过量硝酸后得到白色固体F,说明A中必含有Na2SiO3,而且固体C与硝酸反应可得无色气体,该气体只能是CO2,可能是CaCO3和硝酸反应,也可能是Cu2+和CO32-双水解得到的碱式碳酸铜与硝酸反应生成的,因此,不能确定碳酸钙和碳酸钠是否一定存在,但两者至少存在一种。
A.无色溶液B成分复杂,若B中只含有KCl,则 pH=7;若含有Na2CO3或硅酸钠或两者均有,则CO32-和硅酸根离子水解使溶液显碱性,pH>7,故无色溶液pH≥7,A项正确;
B.白色固体F难溶于硝酸,说明F为H2SiO3,B项正确;
C.固体C加入硝酸得无色气体,该气体只能是CO2,可能是CaCO3生成的,也可能是Na2CO3与硫酸铜反应生成的碱式碳酸铜再与硝酸反应生成的CO2,因此,固体C中不一定含有CaCO3,C项错误;
D.检验Cl-可用硝酸酸化的AgNO3溶液,所以证明A含有KCl,证明Cl-即可,D项正确。故答案选C。
6.[2018年11月浙江选考]下列实验合理的是
A.用湿润的pH试纸测定CH3COONa溶液的pH
B.用蒸馏的方法分离乙醇(沸点为78.3℃)和苯(沸点为80.1℃)的混合物
C.用淀粉-KI试纸鉴别碘水和FeCl3溶液
D.用Na2CO3溶液鉴别CaCl2溶液、NaCl溶液和稀硫酸
【答案】C
【解析】白色固体混合物A加水得无色溶液B和固体C,B中肯定不含Cu2+,但结合固体C加过量硝酸,产生蓝色溶液,说明A到B的过程中Cu2+转化为沉淀,A中必含有CuSO4,又结合固体C中加过量硝酸后得到白色固体F,说明A中必含有Na2SiO3,而且固体C与硝酸反应可得无色气体,该气体只能是CO2,可能是CaCO3和硝酸反应,也可能是Cu2+和CO32-双水解得到的碱式碳酸铜与硝酸反应生成的,因此,不能确定碳酸钙和碳酸钠是否一定存在,但两者至少存在一种。
A.无色溶液B成分复杂,若B中只含有KCl,则 pH=7;若含有Na2CO3或硅酸钠或两者均有,则CO32-和硅酸根离子水解使溶液显碱性,pH>7,故无色溶液pH≥7,A项正确;
B.白色固体F难溶于硝酸,说明F为H2SiO3,B项正确;
C.固体C加入硝酸得无色气体,该气体只能是CO2,可能是CaCO3生成的,也可能是Na2CO3与硫酸铜反应生成的碱式碳酸铜再与硝酸反应生成的CO2,因此,固体C中不一定含有CaCO3,C项错误;
D.检验Cl-可用硝酸酸化的AgNO3溶液,所以证明A含有KCl,证明Cl-即可,D项正确。故答案选C。
7.[2018年11月浙江选考]通过实验得出的结论正确的是
A.将某固体试样完全溶于盐酸,再滴加Ba(NO3)2溶液,出现白色沉淀,则该固体试样中存在SO42-
B.将某固体试样完全溶于盐酸,再滴加KSCN溶液,没有出现血红色,则该固体试样中不存在Fe3+
C.在某固体试样加水后的溶液中,滴加NaOH溶液,没有产生使湿润红色石蕊试纸变蓝的气体,该固体试样中仍可能存在NH4+
D.在某固体试样加水后的上层清液中,滴加盐酸出现白色沉淀,再加NaOH溶液沉淀溶解,则该固体试样中存在SiO32-
【答案】C
【解析】A、当固体中含有SO32-时,在酸性条件下滴加Ba(NO3)2溶液会被氧化生成硫酸根离子,看到相同现象,故不一定是SO42-,选项A错误;B、若固体为FeCl3和Fe的混合物时,也有相同的现象,故固体试样中可能存在Fe3+,选项B错误;C、检验NH4+为加NaOH溶液,加热,产生使湿润红色石蕊试纸变蓝的气体,选项中没有加热,故不能确定有没有铵根离子,选项C正确;D、盐酸出现白色沉淀,再加NaOH溶液沉淀溶解可能原固体中有AlO2-,不一定为SiO32-,选项D错误。答案选C。
8.[2018浙江4月选考]下列操作或试剂的选择不合理的是
A.可用蒸发结晶的方法从碘水中提取砷单质
B.可用灼烧法除去氧化制中混有的铜粉
C.可用硫酸鉴别碳酸钠、硅酸钠和硫酸钠
D.可用含氢氧化钠的氢氧化铜悬浊液鉴别乙醇、乙醛和乙酸
【答案】A
【解析】A项,碘单质不易溶于水,易溶于有机溶液,一般使用萃取来提纯,故A项错误;
B项,Cu与氧气反应生成氧化铜,则灼烧可除去杂质,故B项正确;
C项,硫酸与碳酸钠反应生成气体,与硅酸钠反应会有沉淀生成,易于分辨,故C项正确;
D项,乙醇、乙醛和乙酸分别与氢氧化钠的氢氧化铜悬浊液混合加热的现象为:无现象、砖红色沉淀、蓝色溶液,现象不同可鉴别,故D项正确。
综上所述,本题正确答案为A。
9.[2021年11月浙江选考]下列方法(必要时可加热)不合理的是
A.用澄清石灰水鉴别CO和CO2
B.用水鉴别苯和四氯化碳
C.用Ba(OH)2溶液鉴别NH4Cl、(NH4)2SO4和K2SO4
D.用淀粉碘化钾试纸鉴别碘水和溴水
【答案】D
【解析】A.用澄清石灰水与CO不反应,与CO2能够反应生成碳酸钙沉淀,溶液变浑浊,能够鉴别,故A不选;B.苯和四氯化碳均不溶于水,但苯的密度小于水,四氯化碳的密度大于水,能够鉴别,故B不选;C.Ba(OH)2与NH4Cl加热时有刺激性气味的气体放出,与(NH4)2SO4加热时生成白色沉淀和刺激性气味的气体,与K2SO4反应生成白色沉淀,现象各不相同,能够鉴别,故C不选;D. 淀粉碘化钾试纸遇到碘水和溴水均变成蓝色,现象相同,不能鉴别,故D选;故选D。
10.[2021年11月浙江选考]取某固体样品,进行如下实验
①取一定量的样品,加足量水充分溶解,过滤得到滤液和滤渣;
②取少量滤液,加入BaCl2溶液,有白色沉淀产生;
③取少量滤渣,加入稀盐酸,滤渣全部溶解,同时有气体产生。
根据上述实验现象,该固体样品的成分可能是
A.K2SO4、Ba(OH)2、Na2CO3 B.Na2CO3、AgNO3、KNO3
C.K2CO3、NaCl、Ba(NO3)2 D.KNO3、MgCl2、NaOH
【答案】C
【解析】A.K2SO4、Ba(OH)2、Na2CO3硫酸钡和碳酸钡沉淀,硫酸钡不溶于水盐酸,不符合③,故A错误;B.Na2CO3、AgNO3、KNO3三者能够反应生成碳酸银沉淀,与盐酸反应会生成氯化银沉淀,不符合③,故B错误;C.K2CO3、NaCl、Ba(NO3)2三者能够反应生成碳酸钡沉淀,滤液中可能含有碳酸根离子,加入氯化钡溶液生成白色沉淀,滤渣碳酸钡能够与盐酸反应放出二氧化碳而溶解,符合上述实验过程,故C正确;D. KNO3、MgCl2、NaOH三者能够反应生成氢氧化镁沉淀,氢氧化镁与盐酸反应没有气体放出,不符合③,故D错误;故选C。
11.[2021年4月浙江选考]某固体混合物中可能含有:K+、Na+、Cl-、CO32-、SO42-等离子,将该固体溶解所得到的溶液进行了如下实验:
下列说法正确的是
A.该混合物一定是K2CO3和NaCl B.该混合物可能是Na2CO3和KCl
C.该混合物可能是Na2SO4和Na2CO3 D.该混合物一定是Na2CO3和NaCl
【答案】B
【解析】焰色反应显黄色,说明一定存在钠离子,可能有钾离子。加入过量的硝酸钡溶液产生白色沉淀,白色沉淀完全溶解在盐酸中,说明一定存在碳酸根,不存在硫酸根。滤液中加入硝酸酸化的硝酸银得到白色沉淀,说明含有氯离子,即一定存在Na+、Cl-、CO32-,一定不存在SO42-,可能含有K+,答案选B。
12.[2021年10月浙江选考]下列说法正确的是
A.用过滤的方法可以除去食盐水中的泥沙
B.酒精灯加热烧瓶时不用垫石棉网
C.氯化氢气体能使干燥的蓝色石蕊试纸变红
D.盛放氢氧化钠溶液的玻璃瓶,可以使用橡胶塞或玻璃塞
【答案】A
【解析】A、食盐水中的泥沙是难溶物质,分离不溶物和溶液可用过滤的方法,选项A正确;B、酒精灯加热烧瓶时需要垫石棉网,选项B错误;C、氯化氢气体不能使干燥的蓝色石蕊试纸变红,选项C错误;D、二氧化硅能和氢氧化钠反应生成硅酸钠,硅酸钠是黏性的物质,能把玻璃塞黏住,所以不能盛放在用玻璃塞的玻璃瓶中,选项D错误。答案选A。
全国真题题组
1. (2020年山东高考).实验室分离Fe3+和Al3+的流程如下:
知Fe3+在浓盐酸中生成黄色配离子[FeCl4]-,该配离子在乙醚(Et2O,沸点34.6℃)中生成缔合物 。下列说法错误的是
A.萃取振荡时,分液漏斗下口应倾斜向下
B.分液时,应先将下层液体由分液漏斗下口放出
C.分液后水相为无色,说明已达到分离目的
D.蒸馏时选用直形冷凝管
【答案】A
【解析】A.萃取振荡时,分液漏斗下口应倾斜向上,A错误;
B.分液时,密度大的液体在下层,密度小的液体在上层,下层液体由分液漏斗下口放出,下层液体放完后,密度小的上层液体从分液漏斗上口倒出,B正确;
C.Fe3+在浓盐酸中生成黄色配离子,该离子在乙醚中生成缔合物,乙醚与水不互溶,故分液后水相为无色,则水相中不再含有Fe3+,说明已经达到分离目的,C正确;
D.蒸馏时选用直形冷凝管,能使馏分全部转移到锥形瓶中,而不会残留在冷凝管中,D正确;
答案选A。
2. (2020年山东高考).下列操作不能达到实验目的的是
目的
操作
A
除去苯中少量的苯酚
加入适量NaOH溶液,振荡、静置、分液
B
证明酸性:碳酸>苯酚
将盐酸与NaHCO3混合产生的气体直接通入苯酚钠溶液
C
除去碱式滴定管胶管内的气泡
将尖嘴垂直向下,挤压胶管内玻璃球将气泡排出
D
配制用于检验醛基的氢氧化铜悬浊液
向试管中加入2mL10%NaOH溶液,再滴加数滴2%CuSO4溶液,振荡
A.A B.B C.C D.D
【答案】BC
【解析】A. 苯酚可与氢氧化钠溶液反应生成可溶于水的苯酚钠,最后与苯混合后互不相溶,分层,该操作能达到实验目的,故A正确;
B. 盐酸易挥发,若将盐酸与碳酸氢钠溶液混合产生的气体直接通入苯酚钠,可能挥发的HCl会与苯酚钠反应生成常温下难溶于水的苯酚,不能证明是二氧化碳与其发生的反应,达不到实验目的,应该先除去二氧化碳中可能挥发的HCl再进行实验操作,故B错误;
C. 除去碱式滴定管胶管内气泡时,尖嘴不应该垂直向下,应向上挤压橡胶管,利用空气排出,该实验操作达不到实验目的,故C错误;
D. 为检验醛基,配制氢氧化铜悬浊液时,碱需过量,保证醛基是在碱性条件下发生反应,该操作可达到实验目的,故D正确;
答案选BC。
3.[2021新课标Ⅲ]离子交换法净化水过程如图所示。下列说法中错误的是
A.经过阳离子交换树脂后,水中阳离子的总数不变
B.水中的 、、Cl−通过阴离子树脂后被除去
C.通过净化处理后,水的导电性降低
D.阴离子树脂填充段存在反应H++OH−H2O
【答案】A
【解析】离子交换树脂净化水的原理是:当含有Na+、Ca2+、Mg2+等阳离子及SO42-、Cl-、NO3-等阴离子的原水通过阳离子交换树脂时,水中的阳离子为树脂所吸附,而树脂上可交换的阳离子H+则被交换到水中,并和水中的阴离子组成相应的无机酸;当含有无机酸的水再通过阴离子交换树脂时,水中的阴离子也为树脂所吸附,树脂上可交换的阴离子OH-也被交换到水中,同时与水中的H+离子结合成水,则
A、根据电荷守恒可知经过阳离子交换树脂后,水中阳离子总数增加,A错误;B、根据以上分析可知水中的SO42-、Cl-、NO3-等阴离子通过阴离子交换树脂被除去,B正确;C、通过净化处理后,溶液中离子的浓度降低,导电性降低,C正确;D、根据以上分析可知阴离子交换树脂填充段存在反应H++OH-=H2O,D正确;答案选A。
4.[2018海南卷]下列分离方法正确的是
A.回收水溶液中的I2:加入乙酸,分液,蒸发
B.回收含有KCl的MnO2:加水溶解,过滤,干燥
C.除去氨气中的水蒸气:通过盛有P2O5的干燥管
D.除去乙醇中的水,加入无水氯化钙,蒸馏。
【答案】B
【解析】A.乙酸能溶于水,不能用分液方法分开,不符合题意;B.氯化钾能溶于水,而二氧化锰不溶于水,故可通过过滤除去,符合题意;C. P2O5为酸性氧化物,能跟碱性物质发生反应,故不能用来吸收氨气,不符合题意;D. 无水氯化钙能与乙醇形成络合物,除去乙醇中的水,不能用无水氯化钙,应加氧化钙,蒸馏,不符合题意;故答案选B。
【点睛】本题为分离、除杂题,解题时要明确除杂、提纯要求:能除去杂质,不能与期望所得产物发生反应,不能引入新的杂质。
5.[2018新课标Ⅰ]磷酸亚铁锂(LiFePO4)电池是新能源汽车的动力电池之一。采用湿法冶金工艺回收废旧硫酸亚铁锂电池正极片中的金属,其流程如下:
下列叙述错误的是
A.合理处理废旧电池有利于保护环境和资源再利用
B.从“正极片”中可回收的金属元素有Al、Fe、Li
C.“沉淀”反应的金属离子为Fe3+
D.上述流程中可用硫酸钠代替碳酸钠
【答案】D
【解析】分析:正极片碱溶时铝转化为偏铝酸钠,滤渣中含有磷酸亚铁锂,加入硫酸和硝酸酸溶,过滤后滤渣是炭黑,得到含Li、P、Fe的滤液,加入碱液生成氢氧化铁沉淀,滤液中加入碳酸钠生成含锂的沉淀,据此解答。A、废旧电池中含有重金属,随意排放容易污染环境,因此合理处理废旧电池有利于保护环境和资源再利用,A正确;B、根据流程的转化可知从正极片中可回收的金属元素有Al、Fe、Li,B正确;C、得到含Li、P、Fe的滤液,加入碱液生成氢氧化铁沉淀,因此“沉淀”反应的金属离子是Fe3+,C正确;D、硫酸锂能溶于水,因此上述流程中不能用硫酸钠代替碳酸钠,D错误。答案选D。
6.[2021北京]下列中草药煎制步骤中,属于过滤操作的是
A.冷水浸泡
B.加热煎制
C.箅渣取液
D.灌装保存
【答案】C
【解析】A、冷水浸泡属于物质的溶解,A错误;B、加热煎制属于加热,B错误;C、箅渣取液属于过滤操作,C正确;D、灌装保存是液体转移,D错误。答案选C。
7.[2021北京]在一定条件下,甲苯可生成二甲苯混合物和苯。有关物质的沸点、熔点如下:
对二甲苯
邻二甲苯
间二甲苯
苯
沸点/℃
138
144
139
80
熔点/℃
13
−25
−47
6
下列说法不正确的是
A.该反应属于取代反应
B.甲苯的沸点高于144 ℃
C.用蒸馏的方法可将苯从反应所得产物中首先分离出来
D.从二甲苯混合物中,用冷却结晶的方法可将对二甲苯分离出来
【答案】B
【解析】A、甲苯变二甲苯是甲苯苯环上的氢原子被甲基代替,属于取代反应,A正确;B、甲苯的相对分子质量比二甲苯小,故沸点比二甲苯低,B错误;C、苯的沸点与二甲苯的沸点相差较大,可以用蒸馏的方法分离,C正确;D、因为对二甲苯的熔点较高,冷却后容易形成固体,所以能用冷却结晶的方法分离出来,D正确。答案选B。
8.[2021上海]实验室提纯含少量氯化钠杂质的硝酸钾的过程如图所示。下列分析正确的是
A.操作Ⅰ是过滤,将固体分离除去
B.操作Ⅱ是加热浓缩,趁热过滤,除去杂质氯化钠
C.操作Ⅲ是过滤、洗涤,将硝酸钾晶体从溶液中分离出来
D.操作Ⅰ~Ⅲ总共需两次过滤
【答案】C
【解析】KNO3中混有NaCl应提纯KNO3,将它们都溶于水,并降温结晶。因为KNO3的溶解度随温度的升高而升高,NaCl的溶解度随温度的升高而基本无明显变化。则有,操作Ⅰ是在烧杯中加水溶解,操作Ⅱ是蒸发浓缩,得到较高温度下的KNO3饱和溶液,操作Ⅲ为冷却结晶,利用溶解度差异使KNO3结晶析出,过滤,洗涤,干燥得到KNO3晶体。故选C。
一、物质的检验与鉴别
1.物质的常用鉴别方案
(1)多种试剂分步鉴别法
通常待测物都是无色溶液或白色固体。无色溶液一般用酸碱指示剂分成酸性、中性、碱性几组;白色固体一般可加水,根据溶解性分组,每一组中根据物质的特性再选择合适的鉴别试剂。
(2)用一种试剂鉴别
①先分析被鉴别物质的水溶性、密度、溶液的酸碱性,确定能否选用水或指示剂进行鉴别。
②在鉴别多种酸、碱、盐的溶液时,可依据“相反原理”确定试剂进行鉴别。即被鉴别的溶液多数呈酸性时,可选用碱或水解呈碱性的盐溶液作试剂;若被鉴别的溶液多数呈碱性时,可选用酸或水解呈酸性的盐溶液作试剂。
(3)不用任何试剂鉴别多种物质
①观察法
先利用待鉴别物质的颜色、特殊气味、挥发的雾等特征现象鉴别出个别物质,再利用这种物质去鉴别其他各种物质。
常见有色离子:Cu2+(蓝色)、Fe2+(浅绿色)、Fe3+(棕黄色)、MnO(紫红色)、Cr2O(橙色)、CrO(黄色)、Cr3+(绿色)、[Fe(CN)6]3-(黄色)。
常见挥发性酸:浓盐酸、浓硝酸(打开瓶塞可看到白雾)。
②加热法
如果待鉴别物质通过加热发生有特征现象的反应,如有气体放出、颜色改变、升华等,则首先鉴别出来,再利用这一物质去鉴别其他物质,依次鉴别,可达到鉴别出各物质的目的。
③互滴法
利用两种液体互相滴加时现象不同而鉴别。
常考的互滴法:Na2CO3溶液和稀盐酸、AgNO3溶液和稀氨水等。
(4)利用逐一检出的方法鉴别
首先利用两种物质(或溶液)之间的特征反应鉴别出两种物质(或溶液),再利用其中一种或两种作试剂依次鉴别出其他的物质(或溶液)。
2.常见离子的检验方法
离子
试剂
现象
注意
沉淀法
Cl-、Br-、I-
AgNO3溶液和稀HNO3
AgCl(白色)、AgBr(淡黄色)、AgI(黄色)
SO
稀盐酸和BaCl2溶液
白色沉淀
先用稀盐酸酸化
Fe2+
NaOH溶液
白色沉淀→灰绿色沉淀→红褐色沉淀
Fe3+
NaOH溶液
红褐色沉淀
Al3+
NaOH溶液
白色沉淀→溶解
不一定是Al3+
气体法
NH
浓NaOH溶液和湿润的红色石蕊试纸
产生有刺激性气味的气体,且气体能使湿润的红色石蕊试纸变蓝
要加热
CO
稀盐酸和石灰水
石灰水变浑浊
SO、HSO、HCO有干扰
SO
稀H2SO4和品红溶液
产生有刺激性气味的气体,且气体能使品红溶液褪色
HSO有干扰
显色法
I-
氯水(少量),CCl4
下层为紫色
Fe2+
KSCN溶液和氯水
先是无变化,滴加氯水后变红色
先加KSCN溶液,无变化,再加氯水
Fe3+
①KSCN溶液
红色
②苯酚溶液
紫色
Na+、K+
Pt(Fe)丝和稀盐酸
火焰分别呈黄色、紫色
K+要透过蓝色钴玻璃片观察
3.常见气体的检验
气体
检验方法
有关反应的方程式或说明
H2
纯H2在空气中燃烧时有淡蓝色火焰,不纯氢气点燃时有爆鸣声
2H2+O22H2O
O2
可使带火星的木条复燃
C+O2CO2
Cl2
使湿润的碘化钾淀粉试纸变蓝
2KI+Cl2===2KCl+I2(淀粉遇I2变蓝)
NH3
①能使湿润的红色石蕊试纸变蓝
②用蘸浓盐酸的玻璃棒靠近,产生白烟
①NH3+H2ONH3·H2ONH+OH-
②NH3+HCl===NH4Cl
SO2
使品红溶液褪色,加热,又变红色
SO2有漂白性
CO2
①能使燃着的木条熄灭
②能使澄清的石灰水变浑浊
Ca2++2OH-+CO2===CaCO3↓+H2O
NO
无色气体,在空气中变为红棕色
2NO+O2===2NO2
NO2
①红棕色、有刺激性气味的气体
②能使湿润的蓝色石蕊试纸变红
③溶于水后生成无色气体和无色溶液
3NO2+H2O===2HNO3+NO
4.《实验化学》课题典例
(1)牙膏的主要成分及其功能
名称
主要成分
功能
摩擦剂
磷酸钙或碳酸钙、氢氧化铝、二氧化硅等
占牙膏成分的50%左右;用于增强牙膏的摩擦作用和去污效果,能有效去除牙齿表面的污渍、食物残渣等
发泡剂
十二烷基硫酸钠
形成泡沫以起乳化、分散残留物,增强消除口腔污垢的作用
保湿剂
甘油和水
使牙膏保持湿润
增稠剂
角叉胶或羧甲基纤维素钠
防止牙膏分离出水分,同时使牙膏具有适宜的黏度,易于从牙膏管中挤出成型
防腐剂
安息酸钠
抑制牙膏中微生物的生长
增香剂甜味剂
香精、糖精
改善牙膏的口感
着色剂
二氧化钛、食用色素
使牙膏变白或呈现不同的颜色
氟化物
氟化钠或一氟磷酸钠
主要用于预防龋齿
(2)牙膏中的碳酸钙、甘油的检验原理
①碳酸钙检验的化学方程式CaCO3+2HCl===CaCl2+H2O+CO2↑。
②甘油的检验
牙膏中的甘油与新制氢氧化铜悬浊液反应生成绛蓝色的溶液,化学方程式为
③牙膏主要成分的检验流程
5.火柴头中硫元素、氯元素的检验
(1)火柴起火的原理
安全火柴的火柴盒侧面涂有红磷(发火剂)和Sb2S3(易燃物)等,火柴头上的物质一般是KClO3、MnO2等氧化剂和易燃物如硫等。当两者摩擦时,因摩擦产生的热使与氯酸钾等接触的红磷燃烧,并引起火柴头上的易燃物燃烧,生成一定量的SO2。
(2)火柴头中硫元素、氯元素的检验
①硫元素的检验
火柴头中含有单质硫,燃烧后生成SO2,可使酸性KMnO4溶液、溴水、品红溶液等褪色。
Ⅰ.通入稀的浅红色酸性KMnO4溶液中,溶液由浅红色褪为无色,反应方程式为5SO2+2KMnO4+2H2O===K2SO4+2MnSO4+2H2SO4。
Ⅱ.通入淡黄绿色氯水中,溶液由淡黄绿色褪为无色,反应方程式为SO2+Cl2+2H2O===H2SO4+2HCl。
Ⅲ.通入无色的氢硫酸溶液中,溶液变浑浊,反应方程式为SO2+2H2S===3S↓+2H2O。
Ⅳ.将二氧化硫气体通入品红溶液中,溶液变为无色,加热时溶液又变为红色。
②氯元素的检验
Ⅰ.检验燃烧后生成的Cl-:火柴头中含有KClO3,点燃后KClO3转化为KCl,可用AgNO3溶液检验。
化学反应:2KClO32KCl+3O2↑,KCl+AgNO3===AgCl↓+KNO3。
Ⅱ.直接检验ClO:KClO3直接与AgNO3溶液、稀硝酸和NaNO2溶液反应。
离子反应为ClO+3NO+Ag+===AgCl↓+3NO。
6.亚硝酸钠的性质与鉴别
(1)物理性质:白色或淡黄色晶体,有咸味易溶于水,溶解时吸热,有毒性。
(2)化学性质:在亚硝酸钠中,氮的化合价为+3,处于中间价态。
①氧化性:如亚硝酸钠与碘化钾反应可生成单质碘,反应的离子方程式是2NO+2I-+4H+===2NO↑+I2+2H2O。
析出的碘可以使淀粉溶液变蓝,据此可以检验NO的存在;亚硝酸钠与FeCl2溶液反应的离子方程式是NO+Fe2++2H+===NO↑+Fe3++H2O。
②还原性:与强氧化性物质反应时表现出还原性。如亚硝酸钠与K2Cr2O7酸性溶液反应时,溶液由橙色变为绿色。离子方程式:Cr2O+3NO+8H+===3NO+2Cr3++4H2O。
(3)亚硝酸钠和氯化钠的鉴别
实验方案
现象与结论
1
淀粉碘化钾溶液
溶液变蓝色的为NaNO2
2
Fe2+盐溶液
溶液由浅绿变为黄棕色的为NaNO2
3
AgNO3溶液+稀硝酸
有白色沉淀生成的为NaCl
4
用pH试纸测pH
pH>7的是NaNO2
二、物质的分离与提纯
1.分离与提纯
(1)混合物的分离是根据混合物中各组分的物理性质或化学性质的差异,通过一定的物理变化或化学变化将混合物分成各组分的纯净物。
(2)混合物的提纯是根据混合物中各组分的物理性质或化学性质的差异,通过一定的物理变化或化学变化将混合物中的杂质除去。
分离和提纯的要求不同,设计操作步骤时一定要加以区别。
2.物质的分离与提纯的基本方法
(1)物理方法
方法、装置
适用范围
操作要点
固(不溶)液分离,如除去粗盐中的泥沙
①滤纸用水润湿后紧贴漏斗壁,滤纸边缘低于漏斗口上沿;过滤时加入漏斗的溶液液面低于滤纸边缘,即“一贴二低”;
②过滤时,烧杯尖嘴与玻璃棒接触;玻璃棒靠在三层滤纸处;漏斗下端尖嘴紧靠烧杯内壁即“三靠”;
③洗涤时,蒸馏水面高于沉淀,通常浸洗三次
减压过滤(抽滤)
用安装在吸滤瓶上铺有滤纸的布氏漏斗过滤,吸滤瓶支管与抽气装置连接,过滤在减低的压力下进行,滤液在内外压差作用下透过滤纸流下,实现分离。减压过滤装置包括瓷质的布氏漏斗、吸滤瓶、安全瓶和抽气泵。
热过滤
溶质在温度下降时会大量结晶析出(不希望结晶析出)
将普通漏斗放置于铜制的热漏斗内,热漏斗内装有热水以维持溶液的温度。内部的玻璃漏斗的颈部要尽量短些,以免过滤时溶液在漏斗颈内停留过久,散热降温,析出晶体使装置堵塞
利用物质在同一溶剂中溶解度不同,进行固固(均溶)分离
①蒸发皿可直接加热,固定在铁架台的铁环上;②加热时用玻璃棒不断搅动,防止液体溅出,蒸发皿出现较多固体时停止加热,利用余热将溶液蒸干
蒸馏法
分离沸点不同的液体混合物,如从石油中分离出各馏分
①温度计水银球放在烧瓶支管口附近;②冷凝管横放时应“头高尾低”,保证冷凝液自然流下,冷却水流向与蒸气相反;③蒸馏烧瓶中要放入沸石或碎瓷片以防暴沸
萃取分液法
将两种互不相溶的液体分开,如用CCl4萃取碘水中的I2
①将溶液注入分液漏斗中,溶液总量不超过其容积的,两手握住分液漏斗倒转并反复用力振荡;②把分液漏斗放在铁架台的铁圈中静置、分层;③打开上口塞子,旋开下部的活塞,使下层液体流出,上层液体从上口倒出
洗气法
气气分离法(杂质气体在试剂中溶解或与试剂反应),如用饱和食盐水除去Cl2中的HCl
将混合气体通入洗气瓶,导气管“长”进“短”出
渗析法
用半透膜使离子或小分子从胶体中分离出来,如用渗析的方法除去淀粉胶体中的NaCl溶液
将要提纯的胶体装入半透膜中,将半透膜袋系好,浸入蒸馏水中,渗析的时间要充分
升华法
分离易升华与不易升华的物质
应与物质的分解变化区分
盐析法
将胶体从混合物中分离出来,如向硬脂酸钠溶液中加入食盐;向鸡蛋白溶液中加入饱和(NH4)2SO4溶液
①注意无机盐的选择;②少量盐(如NaCl、Na2SO4等)能促进蛋白质的溶解,重金属盐使蛋白质变性;③盐析后过滤;④盐析是物理变化
纸层析法(分离Fe3+和Cu2+)
纸层析以滤纸作为惰性支持物。滤纸纤维上的羟基具有亲水性,它所吸附的水作为固定相,通常把不与水混溶的有机溶剂作为流动相。
Cu2+和Fe3+的分离
将含有Cu2+、Fe3+的溶液涂在滤纸一端,并在这一端用丙酮和盐酸作展开剂,在滤纸的毛细作用下,展开剂携带待分离的物质沿滤纸纤维向上移动,由于Cu2+、Fe3+的移动速度不同,一段时间后,Cu2+、Fe3+距起点距离不同,从而达到分离的目的,Cu2+、Fe3+可用氨熏显色。
(2)物质分离提纯的化学方法
方法
适用条件
举例
加热法
混合物中混有热稳定性差的物质时,可直接加热,使热稳定性差的物质分解而分离出去
纯碱中混有小苏打
洗气法
将气体混合物通过洗气装置而除去杂质气体
让混合气体通过盛有饱和食盐水的洗气瓶除去Cl2中的少量HCl
沉淀法
在混合物中加入某试剂,使杂质离子以沉淀形式分离出去的方法
加适量AgNO3溶液除去KNO3溶液中的KCl
转化法
不能通过一次反应达到分离的目的时,要经过转化为其他物质才能分离,然后将转化物质恢复为原物质
分离Fe3+和Al3+时,可加入过量的NaOH溶液,生成Fe(OH)3沉淀和Na[Al(OH)4]溶液,过滤后,向Fe(OH)3中加入盐酸重新生成Fe3+,向Na[Al(OH)4]中通入过量CO2,生成Al(OH)3沉淀,过滤后向Al(OH)3中加入盐酸重新生成Al3+
酸碱法
被提纯物质不与酸碱反应,而杂质可与酸碱发生反应
用盐酸除去SiO2中的石灰石;用NaOH溶液除去铁粉中的铝粉
氧化还原法
①对混合物中混有的还原性杂质,可加入适当的氧化剂使其被氧化为被提纯物质
②对混合物中混有的氧化性杂质,可加入适当的还原剂将其还原为被提纯物质
将过量铁粉加入混有FeCl3的FeCl2溶液中,振荡、过滤,可除去FeCl3杂质
调节pH法
通过加入试剂来调节溶液的pH,使溶液中某种成分沉淀分离的方法
CaCl2溶液中含有FeCl3杂质,由于FeCl3水解,溶液呈酸性,可采用调节溶液pH的方法将Fe3+沉淀,为此可加CaO或Ca(OH)2或CaCO3等
电解法
利用电解原理来分离、提纯物质
电解精炼铜
离子交换法
利用离子交换剂提纯物质
软化硬水
3.海带中碘元素的分离及检验
(1)实验原理
海带样品灼烧后,灰分中加水后,碘元素以I-的形式进入溶液,利用适量新制氯水或双氧水等氧化剂将I-转化为I2,用淀粉检验I2,用CCl4萃取并分液来分离I2。
(2)实验过程
实验步骤
实验现象
实验结论
①称量:称取3 g干燥的海带放入坩埚中
②灼烧:灼烧使海带灰化,冷却,将灰分转移至小烧杯
③溶解并过滤:加30 mL蒸馏水,煮沸,过滤得滤液
溶液无色
④氧化:在滤液中加适量H2SO4溶液,再加入适量H2O2溶液或新制氯水
溶液变黄色
I-被氧化成I2
⑤检验:取少量混合液,加入少量淀粉
溶液变蓝色
海带中含有碘元素
⑥萃取:向剩余混合液中加入2 mL CCl4
溶液分两层
I2从水层转移到CCl4层
(3)碘元素在整个实验过程中的变化:
→→→→
4.硝酸钾晶体的制备
(1)实验原理
用转化法制备硝酸钾的根本理论依据是:当溶于水中的各种离子可组成多种物质时,在降温结晶过程中,达到饱和的物质先析出。
转化法制备KNO3的理论依据
转化法制备KNO3的化学方程式为NaNO3+KClKNO3+NaCl,这是一个平衡移动的过程,利用NaCl的结晶控制化学反应的方向。
制备原理
①NaNO3、KNO3、NaCl、KCl四种盐的溶解度在不同温度下的差别是非常显著的。NaCl的溶解度随温度变化不大,NaNO3、KCl有明显变化,而硝酸钾的溶解度随温度的升高急剧增大。
②加热蒸发时的一系列变化:
(2)实验过程
①固体溶解
称取20 g硝酸钠和17 g氯化钾放入100 mL小烧杯中,加35 mL蒸馏水,加热至沸腾并不断搅拌,在小烧杯外壁标注液面位置。
实验现象:固体溶解。
实验结论与解释:加入的NaNO3与KCl的物质的量相等,加热搅拌的目的是加快固体溶解。
②蒸发、热过滤
继续加热、搅拌,使溶液蒸发浓缩,当溶液体积减小到约为原来的一半时,迅速趁热过滤。承接滤液的烧杯应预先加2 mL蒸馏水。
实验现象:蒸发浓缩时有晶体逐渐析出。
实验结论与解释:析出的晶体为NaCl,加入2 mL蒸馏水的目的是防止降温时滤液中的NaCl达到饱和而析出。
③冷却、减压过滤
待滤液冷却至室温,进行减压过滤得到较干燥的粗产品硝酸钾晶体,称量其质量为m1。
④重结晶
留下约0.1 g粗产品,其余按粗产品、水的质量比2∶1混合,配成溶液,加热、搅拌。待溶液冷却至室温后进行抽滤,得到纯度较高的KNO3晶体。
⑤称重
称出重结晶后产品的质量m2。分别取0.1 g粗产品和重结晶后得到的KNO3晶体放入两支小试管中,各加入2 mL蒸馏水配成溶液。
⑥检验Cl-
向⑤中溶液中分别滴入1滴1 mol·L-1的HNO3溶液酸化,再各滴入2滴0.1 mol·L-1 AgNO3溶液。
实验现象:加粗产品的小试管中产生明显的浑浊现象。
实验结论与解释:粗产品中仍含有Cl-。
(3)影响晶粒生成的条件
晶体颗粒的大小与结晶条件有关。溶质的溶解度越小,或溶液的浓度越高,或溶剂的蒸发速度越快,或溶液冷却得越快,析出的晶粒就越细小;反之,可得到较大的晶体颗粒。
当溶液发生过饱和现象时,振荡容器、用玻璃棒搅拌、轻轻地摩擦器壁或投入几粒晶体(晶种),都可促使晶体析出。
(4)常用两种过滤方法
①常压过滤:用内衬滤纸的锥形玻璃漏斗过滤,滤液靠自身的重力透过滤纸流下,实现分离。
②减压过滤(抽滤):用安装在吸滤瓶上铺有滤纸的布氏漏斗过滤,吸滤瓶支管与抽气装置连接,过滤在减低的压力下进行,滤液在内外压差作用下透过滤纸流下,实现分离。减压过滤装置包括瓷质的布氏漏斗、吸滤瓶、安全瓶和抽气泵(如图)。
减压过滤装置示意图
5.用纸层析法分离铁离子和铜离子
(1)纸层析法分离铁离子和铜离子的基本原理
纸层析以滤纸作为惰性支持物。滤纸纤维上的羟基具有亲水性,它所吸附的水作为固定相,通常把不与水混溶的有机溶剂作为流动相。
由于吸附在滤纸上的样品的各组分在水或有机溶剂中的溶解能力各不相同,各组分会在两相之间产生不同的分配现象。亲脂性强的成分在流动相中分配得多一些,随流动相移动的速度就快一些;而亲水性强的成分在固定相中分配得多一些,随流动相移动的速度就慢一些。这样,性质不同的组分就分离在滤纸的不同位置上。
将含有Cu2+、Fe3+的溶液涂在滤纸一端,并在这一端用丙酮和盐酸作展开剂,在滤纸的毛细作用下,展开剂携带待分离的物质沿滤纸纤维向上移动,由于Cu2+、Fe3+的移动速度不同,一段时间后,Cu2+、Fe3+距起点距离不同,从而达到分离的目的,Cu2+、Fe3+可用氨熏显色。
(2)实验过程
①装置制作
取一支配有合适橡胶塞的大试管,在橡胶塞的下部用小刀切开一条缝,插入回形针以夹持滤纸条,在距其末端约2 cm处用铅笔画一个小圆点作为原点。
②点层析试样
各取饱和FeCl3溶液和饱和CuSO4溶液1 mL于表面皿中,混合后作为层析试样。用毛细管蘸取试样在滤纸条的原点处点样,晾干后再点,并将晾干的滤纸条夹持在橡胶塞下面的回形针上。
③配制展开剂
另取一支试管,加入9 mL丙酮和1 mL 6 mol·L-1盐酸,混合均匀,作为展开剂。
④层析操作
用滴管吸取一定量展开剂,小心地注入大试管底部,注意不要沾到试管壁。将橡胶塞和点有试样的滤纸条慢慢伸入试管内,使纸条末端浸入展开剂中约0.5 cm,注意不要让试样点接触展开剂。塞紧橡胶塞,将大试管垂直静置。
实验现象:约3~5 min后,展开剂上升至滤纸条的上端。
⑤显色反应
FeCl3和CuSO4混合液经展开后得到不同颜色的色斑。为使观察效果更明显,采用氨熏显色。
⑥分离
若要将层析分离物质提取出来,可将滤纸上的分离物质的斑点剪下,浸于有关溶剂中,可提取纸上的层析物。
考向一 离子的检验
典例1 下列关于离子检验的说法正确的是
A.检验溶液中是否含有Ba2+:取少量待测液,向其中加入少量稀硫酸,若有白色沉淀产生,则溶液中含有Ba2+
B.检验用硫酸亚铁制得的硫酸铁中是否含有硫酸亚铁,可选用的试剂是酸性KMnO4溶液
C.检验溶液中是否含有CO:取少量待测液,向其中加入适量稀盐酸,观察是否有大量气泡产生
D.在未知溶液中滴加BaCl2溶液出现白色沉淀,加稀硝酸,沉淀不溶解,说明该未知溶液中存在SO或SO
【解析】如果溶液中含有Ca2+、Ag+等,向其中加入少量稀硫酸,会有硫酸钙、硫酸银等白色沉淀产生,所以不能确定溶液中含有Ba2+,故A项错误;硫酸亚铁可将酸性KMnO4还原而使酸性KMnO4溶液褪色,故B项正确;HCO、SO、HSO遇稀盐酸也可产生大量气泡,故C项错误;若存在Ag+,加入BaCl2溶液会产生氯化银白色沉淀,D项错误。
【答案】B
1.下列关于物质或离子检验的叙述正确的是
A.在溶液中加KSCN,溶液显红色,证明原溶液中有Fe3+,无Fe2+
B.气体通过无水CuSO4,粉末变蓝,证明原气体中含有水蒸气
C.灼烧白色粉末,火焰呈黄色,证明原粉末中有Na+,无K+
D.将气体通入澄清石灰水中,溶液变浑浊,证明原气体是CO2
【答案】B
【解析】在溶液中加KSCN,溶液显红色,只能证明一定存在Fe3+,不能证明是否含有Fe2+,A错误;无水CuSO4遇水生成CuSO4·5H2O,固体由白色变为蓝色,B正确;灼烧白色粉末,火焰呈黄色,能够证明原粉末中含有Na+,无法证明是否含有K+,因为要观察钾的火焰颜色,必须透过蓝色钴玻璃滤去黄光,排除钠的干扰,C错误;能使澄清石灰水变浑浊的气体不一定是CO2,SO2也可以,D错误。
考向二 物质的鉴别方法
典例1 写出下列两组试剂的鉴别方法。要求写出操作步骤、现象和结论。
(1)Na2CO3与NaHCO3固体。
(2)AlCl3与MgCl2溶液。
【解析】(1)分别取固体少许于试管中,加热,固体量减少,且有气体生成的为NaHCO3,无明显现象的为Na2CO3
(2)分别取溶液少许于试管中,逐滴加入NaOH溶液至过量,先有白色沉淀,后白色沉淀又逐渐溶解至消失的为AlCl3溶液,白色沉淀不溶解的为MgCl2溶液
【答案】(1)分别取固体少许于试管中,加热,固体量减少,且有气体生成的为NaHCO3,无明显现象的为Na2CO3
(2)分别取溶液少许于试管中,逐滴加入NaOH溶液至过量,先有白色沉淀,后白色沉淀又逐渐溶解至消失的为AlCl3溶液,白色沉淀不溶解的为MgCl2溶液
2.烧瓶中的溶液经蒸发浓缩、冷却结晶即可析出Na2S2O3·5H2O,其中可能含有Na2SO3、Na2SO4等杂质。利用所给试剂设计实验,检测该结晶中是否存在Na2SO4,简要说明实验操作、现象和结论:________________________。
已知Na2S2O3·5H2O遇酸易分解:S2O+2H+===S↓+SO2↑+H2O
供选择的试剂:稀盐酸、稀硫酸、稀硝酸、BaCl2溶液、AgNO3溶液
【答案】取少量产品溶于足量稀盐酸,静置,取上层溶液(或过滤,取滤液),滴加BaCl2溶液,若出现沉淀则说明含有Na2SO4杂质(合理即可)
【解析】Na2S2O3和Na2SO3的存在对SO的检验有干扰,要先除去。根据题给信息,可先加入过量的稀盐酸将二者除去。
检验与鉴别题的一般答题模板
(1)分别取固体少许于试管中加热或加入……试剂,现象是……,是……物质。
(2)分别取固体少许于试管中溶于水形成溶液,加……试剂,现象是……,是……物质。
(3)分别取溶液少许于试管中,分别加入……试剂,现象是……,为……物质。
(4)分别取溶液少许于试管中,分别加入……试剂,现象是……,继续加入……试剂,现象是……,为……物质。
考向三 分离、提纯的原理与方法
典例1 下表中除去物质中杂质选用的试剂或操作方法正确的一组是
序号
物质
杂质
除去杂质选用的试剂或操作方法
①
KNO3溶液
KOH
加入适量FeCl3溶液,并过滤
②
FeSO4溶液
CuSO4
加入过量铁粉,并过滤
③
H2
CO2
通过盛有足量NaOH溶液的洗气瓶,再通过盛有浓硫酸的洗气瓶
④
NaNO3
CaCO3
溶解、过滤、蒸发
A.①②③ B.①③④
C.②③④ D.①②④
【解析】加入氯化铁会引入杂质Cl-,故①不正确;加入铁粉置换出铜,通过过滤除去铜及过量的铁粉,故②正确;利用氢氧化钠溶液吸收二氧化碳气体,再用浓硫酸干燥氢气,故③正确;碳酸钙不溶于水,溶解后过滤,再蒸发即可得到纯净的NaNO3,故④正确。
【答案】C
3.下列实验中,所采取的分离方法与对应原理都正确的是
选项
目的
分离方法
原理
A
除去KCl中的MnO2
蒸发结晶
溶解度不同
B
除去碘中的NaCl
加热、升华
NaCl的熔点高,碘易升华
C
分离KNO3和NaCl
重结晶
KNO3的溶解度大于NaCl
D
分离食用油和汽油
分液
食用油和汽油的密度不同
【答案】B
【解析】除去KCl中的MnO2应采用过滤的方法,A错误;碘易升华,加热可分离,B正确;利用重结晶方法分离KNO3和NaCl是利用KNO3的溶解度受温度的影响大于NaCl,C错误;食用油和汽油互溶,因沸点不同而用蒸馏的方法分离,D错误。
混合物分离、提纯的物理方法归纳
考向四 分离仪器或装置的识别和选择
典例1 用下列实验装置进行相应实验,能完成实验的是
A.用图1所示装置从Fe(OH)3胶体中过滤出Fe(OH)3胶粒
B.用图2所示装置蒸发掉CuCl2溶液中部分水制得CuCl2·2H2O晶体
C.用图3所示装置从CH3OH与C2H5OH的混合物中分离出乙醇
D.用图4所示装置从C2H5OH与C2H5OOCCH3的混合物中分离出乙酸乙酯
【解析】A、胶体能透过滤纸,错误;B、氯化铜溶液中铜离子水解,水解吸热,加热促进水解,且生成氯化氢易挥发,因此蒸发氯化铜溶液,得不到氯化铜晶体,错误;C、乙醇与甲醇互溶,但乙醇与甲醇的沸点相差较大,蒸馏可实现分离,正确;D、乙酸乙酯易溶在乙醇中,不能分液分离,错误。
【答案】C
4.下列实验中,所选装置不合理的是
A.分离Na2CO3溶液和CH3COOC2H5,选④
B.用CCl4提取碘水中的碘,选③
C.用FeCl2溶液吸收Cl2选⑤
D.粗盐提纯,选①和②
【答案】A
【解析】Na2CO3溶液和CH3COOC2H5不互溶且分层应选装置③进行分液,A不合理;用CCl4提取碘水中的碘应采用萃取和分液的方法,选装置③,B合理;用FeCl2溶液吸收Cl2,应用洗气瓶且“长进短出”,选⑤,C合理;粗盐提纯需要过滤和蒸发,D合理。
分离、提纯的创新装置
1.过滤装置的创新——抽滤
由于水流的作用,使图1装置a、b中气体的压强减小,故使过滤速率加快。
2.蒸馏装置的创新
图2,由于冷凝管竖立,使液体混合物能冷凝回流,若以此容器作反应容器,可使反应物能循环利用,提高了反应物的转化率。
3.洗气装置的创新——双耳球吸收法
由于双耳球上端球形容器的容积较大,能有效地防止倒吸。故该装置既能除去气体中的气态杂质,又能防止倒吸。
考向五 物质分离、提纯的实验方案及流程分析
典例1 某化学兴趣小组从含有KI、KNO3等成分的工业废水中回收I2和KNO3,其流程如下:
下列说法正确的是
A.步骤1中有机相应从分液漏斗下端放出,无机相从上口倒出
B.步骤2使用的玻璃仪器有蒸馏烧瓶、酒精灯、牛角管、球形冷凝管、锥形瓶
C.步骤3可在如图装置中完成
D.步骤4中,将溶液蒸发至只剩少量水时,用余热将晶体蒸干
【解析】步骤1为萃取分液操作,苯的密度比水小,故有机相应从分液漏斗上口倒出,A项错误;步骤2为蒸馏,应选用直形冷凝管,球形冷凝管一般用于冷凝回流,B项错误;步骤3为升华,用图中装置能较好地控制温度,C项正确;步骤4为蒸发结晶,由于KNO3的溶解度随温度变化比较大,应采用蒸发浓缩、冷却结晶的方法,因此加热至有少量晶体出现就可停止加热,D项错误。
【答案】C
5.如图所示为从固体混合物中分离X的两种方案,请根据方案1和方案2指出下列说法中合理的是
A.可以选用方案1分离碳酸氢钠中含有的氯化铵
B.方案1中的残留物应该具有的性质是受热易挥发
C.方案2中加入的试剂一定能够与除X外的物质发生化学反应
D.方案2中加入NaOH溶液可以分离出SiO2和Fe2O3混合物中的Fe2O3
【答案】D
【解析】①加热法分离提纯固体混合物应满足的条件:一种物质受热易挥发或分解,另一物质受热不挥发或难分解。②加试剂法分离(过滤)提纯固体混合物应满足的条件:所加试剂能达到让一种物质形成溶液,而另一物质形成难溶物的状态。A项中碳酸氢钠、氯化铵受热均易分解,故用方案1不能将两物质分离开,错误;B项方案1中的残留物应该具有受热时不挥发或难分解的性质,错误;C项方案2中加入的试剂可能不与除X外的物质发生化学反应 ,如加水进行溶解分离,错误;D项中SiO2与NaOH溶液反应生成Na2SiO3溶解而分离,正确。
过滤操作中“三个”答题模板
(1)检验沉淀完全:静置取上层液→加沉淀剂→有无沉淀→结论。
(2)沉淀洗涤:向漏斗内加蒸馏水至浸没沉淀,静置使水自然流出,重复操作2~3次。
(3)沉淀洗净:取少量最后一次洗涤液于试管中,加入×××,若无×××现象,则证明×××离子已经洗净(或证明已经洗涤干净)。
一、单选题
1.下列装置或操作能达到实验目的的是
A.用甲装置制取氯气 B.用乙装置除去氯气中的HCl气体
C.用丙装置分离苯和水 D.用丁装置分离乙酸与乙醇
【答案】C
【详解】
A.实验室制备Cl2是用MnO2和浓盐酸共热,甲装置中没有加热装置,无法制取氯气,A不合题意;
B.由于Cl2也能与NaOH反应,故除去氯气中的HCl气体应用饱和食盐水,且应通过洗气瓶,B不合题意;
C.苯与水互不相溶的两种液体,可以用分液的操作进行分离,C符合题意;
D.进行蒸馏操作时温度计水银球应该在蒸馏烧瓶支管口,D不合题意;
故答案为:C。
2.下列有关有机物的鉴别、分离、提纯的说法中错误的是( )
A.乙酸和乙酸乙酯可用Na2CO3溶液加以区别
B.蛋白质的盐析可用于分离和提纯蛋白质
C.因为乙酸乙酯和乙醇的密度不同,所以用分液的方法分离乙酸乙酯和乙醇
D.因为丁醇与乙醚的沸点相差较大,所以用蒸馏的方法除去丁醇中的乙醚
【答案】C
【详解】
A.乙酸可与碳酸钠反应生成二氧化碳气体,乙酸乙酯不溶于饱和碳酸钠溶液,可用碳酸钠溶液加以区别,故A正确;
B.蛋白质在饱和硫酸钠、氯化铵等溶液中溶解度较小,为可逆过程,可用盐析的方法提纯,故B正确;
C.乙酸乙酯和乙醇混溶,应用蒸馏的方法分离,故C错误;
D.沸点相差较大的液体混合物,可用蒸馏的方法分离,故D正确;
答案选C。
3.用化学沉淀法去除粗盐中的杂质离子,包括粗盐溶解、加沉淀剂、过滤、调节pH、蒸发结晶等步骤。下列说法错误的是
A.沉淀剂的添加顺序可以是NaOH溶液、BaCl2溶液、Na2CO3溶液
B.向滤液中滴加盐酸,调节pH至滤液呈中性
C.蒸发结晶时,当蒸发皿中出现较多固体时,停止加热,利用余热将滤液蒸干
D.溶解、过滤、蒸发结晶等过程都使用玻璃棒搅拌溶液
【答案】D
【分析】
粗盐中含有CaCl2、MgCl2、Na2SO4等可溶性杂质,利用Na2CO3除去Ca2+、利用NaOH除去Mg2+、利用BaCl2除去SO42-,除杂时,各试剂必须加过量,就会引入新的杂质,因此Na2CO3还可以除去过量的BaCl2引入的Ba2+,因此试剂的添加顺序中Na2CO3需要在BaCl2的后面添加。过滤,除去沉淀,调节pH至中性。
【详解】
A.首先加入NaOH去除粗盐中的Mg2+和少量Ca2+,然后加入BaCl2去除粗盐中是SO42-,最后加入Na2CO3可以去除粗盐中的Ca2+和上一步加入的过量的Ba2+,A正确;
B.滴加盐酸使溶液呈中性,说明溶液中溶质为NaCl,B正确;
C.蒸发时,当蒸发皿中出现较多固体时,停止加热,利用余热将滤液蒸干,C正确;
D.过滤过程中玻璃棒的作用为引流,D错误;
故选D。
4.如图所示是分离混合物时常用的仪器,从左至右,可以进行的混合物分离操作分别是( )
A.蒸馏、蒸发、萃取、过滤 B.过滤、蒸发、萃取、蒸馏
C.萃取、过滤、蒸馏、蒸发 D.蒸馏、过滤、萃取、蒸发
【答案】D
【详解】
图示仪器从左至右分别为蒸馏烧瓶用于蒸馏操作、漏斗用于过滤操作、分液漏斗用于分液、萃取操作和蒸发皿用于蒸发操作,故可以进行的混合物分离操作分别为蒸馏、过滤、萃取分液、蒸发,故答案为:D。
5.下列实验中,所选装置或实验设计合理的是
A.用图①所示装置可以除去Na2CO3溶液中的CaCO3杂质
B.用乙醇提取溴水中的溴选择图②所示装置
C.用图③所示装置可以分离乙醇水溶液
D.用装置④将SnCl2溶液蒸干制备SnCl2晶体
【答案】A
【详解】
A选项,碳酸钙难溶于水,因此用图①所示装置可以除去Na2CO3溶液中的CaCO3杂质,故A符合题意;
B选项,乙醇与水互溶,则乙醇不能作溴水的萃取剂,故B不符合题意;
C选项,用图③所示装置可以分离乙醇水溶液,要使用温度计,故C不符合题意;
D选项,Sn2+要水解,用装置④将SnCl2溶液蒸干不能制备SnCl2晶体,故D不符合题意。
综上所述,答案为A。
6.下列有关实验说法中,不正确的是( )
A.利用纸层析法分离Fe3+、Cu2+时,氨熏显色后上方出现红棕色斑点,下方出现深蓝色斑点
B.可用AgNO3溶液和稀HNO3区分NaCl、NaNO2和NaNO3
C.在“镀锌铁皮的镀层厚度的测定”实验中,将镀锌铁皮放人稀硫酸,待产生气泡的速率显著减小时,可以判断锌镀层已反应完全
D.溶质的溶解度小,溶液的浓度高,可析出较大晶粒
【答案】D
【详解】
A.Fe3+是亲脂性强的成分,在流动相中分配的多一些,随流动相移动的速度快一些,而Cu2+是亲水性强的成分,在固定相中分配的多一些,随流动相移动的速度慢一些,从而使Fe3+和Cu2+得到分离,所以氨熏显色后上方出现棕色斑点,下方出现蓝色斑点,故A正确;
B.AgNO3溶液与NaCl、NaNO2溶液发生反应,分别产生白色沉淀AgCl,加稀硝酸不溶解;淡黄色沉淀AgNO2,加稀硝酸溶解;AgNO3溶液与NaNO3不反应,所以可用AgNO3溶液和稀HNO3区分NaCl、NaNO2和NaNO3,故B正确;
C.锌、铁和稀硫酸构成原电池,锌作负极,铁作正极,原电池能加快锌被腐蚀的速率,铁的活泼性小于锌,且只有铁时不能构成原电池,所以生成氢气的速率减小,所以当产生氢气的速率突然减小,可以判断锌镀层已反应完全,故C正确;
D.溶质的溶解度小,溶液的浓度越低,越不容易析出晶粒,故D错误;
故答案:D。
7.实验室用渗析的方法分离淀粉和食盐的混合液,其装置如图所示。Na+与Cl-能穿过半透膜进入烧杯,而淀粉高分子则留在半透膜袋中。下列分离混合物的方法中,与渗析操作的原理相似的是
A.用萃取分液的方法分离溴和水
B.用层析的方法分离溶液中的Cu2+和Fe3+
C.用蒸馏的方法分离甲醇和乙醇
D.用过滤的方法分离碳酸钙固体和氯化钙溶液
【答案】D
【详解】
A.萃取是利用物质在两种互不相溶的溶剂中溶解度的不同,使物质从一种溶剂内转移到另外一种溶剂中而提取出来的过程,和渗析原理不同,故A错误;
B.层析利用物质在固定相与流动相之间不同的分配比例,达到分离目的技术,和渗析原理不同,故B错误;
C.蒸馏是利用混合液体或液-固体系中各组分沸点不同,使低沸点组分蒸发,再冷凝以分离整个组分的操作过程,是蒸发和冷凝两种单元操作的联合,和渗析原理不同,故C错误;
D.过滤是用滤纸或其他多孔材料分离悬浮在液体或气体中固体颗粒、有害物质的一种方法,与渗析相似,故D正确;
故选D。
8.下列实验操作不能达到实验目的的是( )
A.用加热的方法除去碳酸钠固体中的碳酸氢钠
B.加热蒸干溶液,可以得到CuCl2晶体
C.放在流动的蒸馏水中可除去半透膜中蛋白质溶液里混有的(NH4)2SO4
D.鉴别NaBr和KI溶液,可分别加新制氯水后,用CCl4萃取
【答案】B
【详解】
A.加热时NaHCO3分解生成了Na2CO3:2NaHCO3Na2CO3+H2O+CO2↑,A项正确;
B.CuCl2属于强酸弱碱盐,在溶液中Cu2+发生水解生成Cu(OH)2,盐类的水解反应是一个吸热反应,加热,水解平衡右移,同时由于生成的HCl的大量挥发,促进水解平衡进一步向右移动,所以直接蒸干CuCl2溶液得到的主要是Cu(OH)2,不能得到CuCl2晶体,B项错误;
C.利用胶体粒子不能透过半透膜,小分子、离子可以透过半透膜的性质差异,采用渗析法对胶体进行提纯,C项正确;
D.氯水与NaBr、NaI分别反应,生成了溴单质和碘单质,两种卤素单质溶解在CCl4中,呈现不同的颜色,可以区别,D项正确;
所以答案选择B项。
9.下列实验装置(部分夹持装置已略去)可以达到对应实验目的的是
A.制备氢氧化铁胶体 B.分离乙酸乙酯和饱和Na2CO3溶液
C.除去CO2中的少量HCl D.收集NO2
【答案】B
【详解】
A.制备氢氧化铁胶体的方法是将饱和氯化铁溶液滴加到沸水中至产生红棕色时停止加热,不能用氢氧化钠溶液,否则生成氢氧化铁沉淀,故A错误;
B.乙酸乙酯和饱和Na2CO3溶液不互溶且分层,可用分液的方法分离,故B正确;
C.若用饱和碳酸钠溶液吸收氯化氢,二氧化碳也可与碳酸钠反应,除去CO2中的少量HCl应用饱和碳酸氢钠溶液,故C错误,
D.NO2的密度比空气大,收集时应长进短出,NO2为大气污染物用氢氧化钠溶液处理尾气时易发生倒吸,应再安装一个防倒吸装置,故D错误;
答案选B。
10.下列实验方案中,可以达到实验目的的是
选项
实验目的
实验方案
A
除去苯中混有的苯酚
加入适量的溴水充分反应后过滤
B
检验Fe2+溶液中是否含有Fe3+
向待测液中滴加几滴铁氰化钾溶液
C
除去粗盐中含有Mg2+、Ca2+、SO42-的试剂加入顺序
向该溶液中先加入NaOH溶液、再加BaCl2溶液,最后加碳酸钠溶液
D
检验SO2中是否含有HCl
将产生的气体通入HNO3酸化的AgNO3溶液中
A.A B.B C.C D.D
【答案】C
【详解】
A. 苯酚与溴水生成的三溴苯酚溶于苯,无法除去杂质,且引进了新的杂质溴,A项错误;
B. 铁氰化钾溶液用于检验亚铁离子,无法检测铁离子,B项错误;
C. NaOH溶液可以除去Mg2+、再加稍过量的BaCl2溶液可以除去SO42-,最后加碳酸钠溶液可以除去Ca2+和过量的Ba2+,到达除杂目的,C项正确;
D. HNO3会氧化二氧化硫为硫酸根,硫酸根与银离子反应生成微溶的硫酸银白色沉淀,与氯化银无法区分,D项错误;
答案选C。
11.茶文化在我国具有悠久的历史,下列叙述正确的是
A.制紫砂壶等陶瓷茶具的主要原料是纯碱、石灰石、石英砂
B.茶汤常呈黄色,说明茶叶中蕴含丰富的铁元素
C.食用适量茶叶不但可以刺激肠胃蠕动,还能获取人体必需的葡萄糖
D.《茶疏》中对泡青茶的过程有如下记载:“治壶、投茶、出浴、淋壶、烫杯、酾茶……”,其中涉及到的化学实验基本操作有溶解、萃取、过滤
【答案】D
【详解】
A.陶瓷的主要原料是以黏土等无机非金属矿物为原料,经高温烧制而成,纯碱、石灰石、石英砂是普通玻璃的原料,故A错误;
B.茶汤常呈黄色的原因是茶叶中的可溶性有机物质被氧化而发生颜色变化,与铁元素无关,故B错误;
C.茶叶中含有纤维素,可以促进肠胃蠕动,但人体内没有纤维素水解所需要的酶,不能获取人体必需的葡萄糖,故C错误;
D. “治壶、投茶、出浴、淋壶、烫杯、蘸茶”其中涉及到的化学实验基本操作有溶解、萃取、过滤,故D正确;
答案选:D。
12.实验室回收废水中苯酚的过程如图所示。下列说法不正确的是( )
A.操作Ⅰ为萃取,分液,萃取剂也可以用选用
B.苯酚钠在苯中的溶解度比在水中的小
C.操作Ⅱ中得到的苯,可在操作Ⅰ中循环使用
D.操作Ⅲ中要用蒸馏方法分离出苯酚
【答案】D
【分析】
整个实验过程为,用苯萃取废水中的苯酚,进行分液得到苯酚的苯溶液,再加入氢氧化钠溶液,苯酚与氢氧化钠反应得到苯酚钠,苯与苯酚钠溶液不互溶,再进行分液操作,得到苯与苯酚钠溶液,苯可以循环利用,苯酚钠溶液中加入盐酸得到苯酚,经过分液操作进行分离得到苯酚。
【详解】
A.操作Ⅰ为用苯萃取废水中的苯酚,进行分液得到苯酚的苯溶液,萃取剂也可以用选用,A项正确;
B.苯酚钠属于钠盐,钠盐易溶于水,所以苯酚钠在苯中的溶解度比在水中的小,B项正确;
C.操作Ⅱ中得到的苯,可继续萃取废水中的苯酚,可以循环使用,C项正确;
D.操作Ⅲ中用分液方法分离出苯酚,因为只含有苯酚一种有机溶剂,D项错误;
答案选D。
13.过氧化钙晶体(CaO2·8H2O)常用作医药消毒剂,以轻质碳酸钙为原料,按如下方法制备:下列说法错误的是( )
轻质CaCO3CaCl2溶液白色晶体目标产物
A.步骤①,煮沸可以除去溶解的CO2、HCl
B.步的②,H2O2作氧化剂、氨水用以调节溶液的pH
C.步骤①②,过滤时若用玻璃捧搅动,可能会导致滤纸破损
D.步骤③,醇洗可减少晶体损失且加速晶体干燥
【答案】B
【分析】
由制备流程图可知,碳酸钙与盐酸反应,加热煮沸是为了除去多余的盐酸和溶解的少量二氧化碳,滤液含氯化钙,加入氨水和双氧水在冰浴条件下发生反应CaCl2+H2O2+2NH3·H2OCaO2·8H2O+2NH4Cl,过滤得到白色晶体,最后洗涤得目标产物。
【详解】
A.步骤①碳酸钙与盐酸反应,生成氯化钙、二氧化碳和水,煮沸可以除去溶解的CO2、HCl,故A正确;
B.步骤②,向滤液氯化钙溶液中加入氨水和双氧水在冰浴条件下发生反应CaCl2+H2O2+2NH3·H2OCaO2·8H2O+2NH4Cl,反应中各元素化合价没有发生变化,此反应不是氧化还原反应,故B错误;
C.步骤①②,过滤时若用玻璃捧搅动,可能会导致滤纸破损,故C正确;
D.过氧化钙晶体微溶于水,不溶于乙醇,醇洗可减少晶体损失且加速晶体干燥,故D正确;
故答案为B。
14.用适当浓度的盐酸、NaCl溶液、氨水、铁粉和葡萄糖溶液可按照如图方法从某含有Cu2+、Ag+的溶液中回收Cu和Ag(图中标注的试剂和物质均不同)。
下列说法错误的是( )
A.试剂1是NaCl溶液,其发生反应的离子方程式为Ag++Cl- =AgCl↓
B.试剂2是Fe粉,物质2→Cu的离子反应为Fe+Cu2+ =Fe2+ +Cu
C.试剂3发生反应的离子方程式为AgCl+2NH3∙H2O=[Ag(NH3)2]++Cl-+2H2O
D.分离1、2、3的操作都是过滤;[Ag(NH3)2]+溶液与试剂4反应需加热
【答案】B
【分析】
在含有Cu2+、Ag+的混合溶液,加入试剂1,得到物质1和物质3,向物质1中加入过量Fe粉,经一系列反应产生Cu单质,则物质1中含有Cu2+,加入的试剂1将原混合物中的Ag+转化为沉淀,该试剂中含有Cl-,为NaCl溶液,物质3是AgCl。向含有Cu2+的溶液中加入过量Fe粉,发生反应:Fe+Cu2+=Fe2++Cu,过滤分离得到物质2中含Cu及过量的Fe,再向物质2中加入稀盐酸,Fe与HCl发生置换反应变为FeCl2进入溶液,Cu仍然是固体,通过过滤、洗涤可分离得到Cu单质,则试剂2是盐酸。物质3是AgCl,向其中加入氨水得到银氨溶液,试剂3为氨水,向银氨溶液中加入葡萄糖溶液,水浴加热,发生银镜反应,得到Ag单质。
【详解】
根据上述分析可知:试剂1为NaCl溶液,试剂2是HCl,试剂3是氨水,试剂4是葡萄糖溶液,物质1是CuCl2,物质2是Fe、Cu混合物,物质3是AgCl。
A.试剂1是NaCl溶液,Cl-与Ag+反应产生AgCl沉淀,该反应的离子方程式为:Ag++Cl- =AgCl↓,A正确;
B.试剂2是盐酸,物质2是Fe、Cu混合物,物质2→Cu的离子反应为Fe+2H+ =Fe2+ +H2↑,B错误;
C.试剂3是氨水,与AgCl发生反应产生银氨溶液,反应的离子方程式为AgCl+2NH3∙H2O=[Ag(NH3)2]++Cl-+2H2O,C正确;
D.分离1、2、3都是分离难溶性固体与可溶性液体混合物的操作,操作名称都是过滤;试剂4是葡萄糖溶液,葡萄糖分子中含有醛基,与[Ag(NH3)2]+溶液水浴加热发生银镜反应产生Ag单质,D正确;
故合理选项是B。
二、多选题
15.碘酸钾(KIO3)是重要的食品添加剂,某化学兴趣小组查阅资料得知,HIO3与KIO3均为白色固体,能溶于水,难溶于部分有机溶剂,且KIO3在碱性条件下易被ClO氧化为KIO4,于是设计了以下路线制备碘酸钾。下列有关说法正确的是
A.浓盐酸在反应中体现了氧化性
B.加入CCl4目的是萃取I2
C.加入KOH前,应先对原溶液加热煮沸
D.系列操作包括:加入乙醇溶液、搅拌、静置、过滤、洗涤、干燥
【答案】CD
【分析】
将浓盐酸和KClO3混合制得的Cl2通入I2的CCl4和水的液态混合物中,Cl2氧化I2得到HIO3,经分液后向含HIO3的水溶液中加入KOH,经中和生成KIO3,向溶液中加入乙醇溶液、搅拌、静置、过滤、洗涤、干燥最终得到KIO3固体。
【详解】
A.浓盐酸和KClO3混合制得的Cl2的同时,还有产物KCl,此反应中体现了盐酸的还原性和酸性,故A错误;
B.Cl2和I2在水中溶解度小,且氯气可溶于水,会降低转化过程中氯气的利用率,转化过程中加入CCl4的作用是增大I2和Cl2的溶解量,提高Cl2的利用率,故B错误;
C.中和之前溶液中存在较多Cl2,通过加热煮沸可以除去Cl2,避免中和时Cl2转化为ClO-,进一步将氧化为,从而导致KIO3产量下降,故C正确;
D.KIO3在乙醇中的溶解度较低,加入适量乙醇可以使KIO3从溶液中析出,故往中和后的溶液中加入适量乙醇,经搅拌、静置、过滤、洗涤、干燥等操作,得到白色固体,故D正确;
故答案为CD。
三、非选择题
16.二草酸合铜( II )酸钾晶体{K2[Cu(C2O4)2]· 2H2O},微溶于冷水,可溶于热水,微溶于酒精,干燥时较为稳定,加热时易分解。
(Ⅰ)用氧化铜和草酸为原料制备二草酸合铜(II)酸钾晶体的流程如下:
已知:H2C2O4CO↑+CO2↑+H2O。回答下列问题:
(1)将 H2C2O4晶体加入去离子水中,微热,溶解过程中温度不能太高,原因是_____。
(2)将 CuO 与 KHC2O4的混合液在 50°C 下充分反应,该反应的化学方程式为_____。
(3)50 °C 时,加热至反应充分后的操作是_____(填字母)。
A 放于冰水中冷却后过滤 B 自然冷却后过滤 C 趁热过滤 D 蒸发浓缩、冷却后过滤
(Ⅱ)以CuSO4· 5H2O 晶体和 K2C2O4固体为原料制备二草酸合铜( II )酸钾晶体。
实验步骤:将 CuSO4· 5H2O 晶体和 K2C2O4固体分别用去离子水溶解后,将 K2C2O4溶液逐滴加入硫酸铜溶液中,有晶体析出后放在冰水中冷却,过滤,用酒精洗涤,在水浴锅上炒干。炒时不断搅拌,得到产品。
(4)用酒精而不用冷水洗涤的目的是_____
(Ⅲ)产品纯度的测定:准确称取制得的晶体试样 ag 溶于 NH3·H2O 中,并加水定容至 250mL,取试样溶液 25.00mL,再加入 10 mL 的稀硫酸,用 b mol· L-1的 KMnO4标准液滴定,消耗 KMnO4标准液 V mL。
(5)滴定时,下列滴定方式中,最合理的是_____(填字母)。 (夹持部分略去)
A B C
(6)若在接近滴定终点时,用少量蒸馏水将锥形瓶内壁冲洗一下,再继续滴定至终点,实验结果会_____(填“偏大”偏小”或“无影响”)。
【答案】温度过高,草酸会分解 CuO + 2KHC2O4K2[Cu(C2O4)2]+H2O C 酒精易于挥发,便于干燥二草酸合铜(Ⅱ )酸钾晶体 B 无影响
【分析】
草酸晶体加水、微热,然后加入碳酸钾固体,可生成KHC2O4,CuO和KHC2O4二者混合在50°C水浴加热,趁热,过滤,滤液经蒸发浓缩、冷却结晶可得到K2[Cu (C2O4) 2] ·2H2O, 以此解答该题;
【详解】
(1)由题意可知,草酸加热易分解,所以将 H2C2O4晶体加入去离子水中,微热,溶解过程中温度不能太高,故答案为:温度过高,草酸会分解;
(2) 将 CuO 与 KHC2O4的混合液在 50°C 下充分反应,该反应的化学方程式为CuO + 2KHC2O4K2[Cu(C2O4)2]+H2O,故答案为:CuO + 2KHC2O4K2[Cu(C2O4)2]+H2O;
(3) 滤液中含有二草酸合铜(Ⅱ )酸钾,二草酸合铜( Ⅱ)酸钾微溶于冷水,可溶于热水,可以判断操作应是趁热过滤,故选C;
(4)根据题意可知,二草酸合铜(Ⅱ )酸钾微溶于冷水,微溶于酒精,干燥时较为稳定,所以用酒精洗涤,故答案为:酒精易于挥发,便于干燥二草酸合铜(Ⅱ )酸钾晶体;
(5)A.碱式滴定管的乳胶管会被高锰酸钾腐蚀,A不合理;
B.根据题意,用高锰酸钾标准液滴定试样,高锰酸钾应用酸式滴定管盛装,B合理;
C.根据题意,是用高锰酸钾溶液滴定试样,不是用试样滴加高锰酸钾,C不合理;
故选B;
(6) 用少量蒸馏水将锥形瓶内壁冲洗一下, 溶质的物质的量不变,则滴定结果无影响,故答案为:无影响。
17.新能源汽车的核心部件是锂离子电池,常用磷酸亚铁锂(LiFePO4)做电极材料。对LiFePO4废旧电极(含杂质Al、石墨粉)回收并获得高纯Li2CO3的工业流程图如图:
资料:碳酸锂在水中溶解度:
(1)过程i研磨粉碎的目的是__________。
(2)过程ii加入足量NaOH溶液的作用(用反应方程式表示)___________。
(3)过程iii采用不同氧化剂分别进行实验,均采用Li含量为3.7%的原料,控制pH为3.5,浸取1.5h后,实验结果如表所示:
①实验2中,NaClO3与盐酸反应生成黄绿色气体,大大增加了酸和氧化剂的用量,该反应的离子方程式为__________。
②综合考虑Li+的浸出率及环保因素,选择的氧化剂最好为___________。
③过程iii得到的浸出液循环两次的目的是________。
(4)浸出液中存在大量和,已知:+H+,+H+,结合平衡移动原理,解释过程iv得到磷酸铁晶体的原因____________。
(5)简述过程vi的操作___________。
【答案】可增大接触面积,加快反应速率 2Al+2NaOH+2H2O=2NaAlO2+3H2↑ ClO+5Cl-+6H+=3Cl2↑+3H2O H2O2 提高浸出液中Li+ 浓度(或提高氧化剂和酸的利用率/节约后续纯碱的用量) CO结合H+,c(H+)减小,H2POHPO+H+,HPOPO+H+,两个电离平衡均向右移动,c(PO)增大,与Fe3+结合形成磷酸铁晶体 用热水洗涤,干燥
【分析】
LiFePO4废旧电极(含杂质Al、石墨粉)研磨后加入氢氧化钠溶液,Al与NaOH溶液反应生成偏铝酸钠,所以滤液1含有NaAlO2,滤渣1含有LiFePO4和石墨粉;滤渣中加入盐酸、氧化剂可氧化亚铁离子生成铁离子,两次循环提高浸出率,滤渣2为石墨粉,浸出液含有铁离子、锂离子,滤液中加入30%碳酸钠溶液可生成FePO4•2H2O,此时滤液2中主要含有锂离子,加入饱和碳酸钠溶解并加热,可生成Li2CO3粗品,用热水洗涤,干燥得到高纯Li2CO3,以此解答该题。
【详解】
(1)粉碎样品,可增大接触面积,加快反应速率;
(2)废旧电极含有铝,可与氢氧化钠溶液反应,则加入氢氧化钠溶液,可溶解Al,使其分离出去,反应方程式为2Al+2NaOH+2H2O=2NaAlO2+3H2↑;
(3)①实验2中,NaClO3与盐酸反应生成黄绿色气体,应为氯气,说明氯酸钠和盐酸发生了归中反应,根据电子守恒和元素守恒可得离子方程式为ClO+5Cl-+6H+=3Cl2↑+3H2O;
②实验2生成氯气污染空气,增加了酸和氧化剂的用量,实验1与实验3比,Li+的浸出率较高,所以最终选择H2O2作为氧化剂;
③过程iii得到的浸出液循环两次,可提高浸出液中Li+ 浓度(或提高氧化剂和酸的利用率/节约后续纯碱的用量);
(4)要得到过程iv得到磷酸铁晶体,应使PO溶液浓度增大,则应使H2POHPO+H+,HPOPO+H+平衡正向移动,可加入与H+反应的物质,加入碳酸钠后CO结合H+,c(H+)减小,H2POHPO+H+,HPOPO+H+,两个电离平衡均向右移动,c(PO)增大,与Fe3+结合形成磷酸铁晶体;
(5)由表中数据可知碳酸锂在温度较高时溶解度较小,则可用热水洗涤,然后干燥可得到高纯碳酸锂。
18.用含有Al2O3、SiO2和少量FeO•xFe2O3的铝灰制备Al2(SO4)3•18H2O,工艺流程如下:
(一定条件下,MnO4-可与Mn2+反应生成MnO2)
已知:生成氢氧化物沉淀的PH
(1)H2SO4溶解Al2O3的离子方程式是____________。
(2)检验滤液中还存在Fe2+的方法是______________。
(3)“除杂”环节有如下几个步骤:(I)向滤液中加入过量KMnO4溶液,调节溶液的pH为3.2 (II)加热,产生大量棕色沉淀,静置,上层溶液呈紫红色;(Ⅲ)加入MnSO4至紫红色消失,过滤。
①步骤I 的目的是:_________;调节溶液的pH为3.2的目的是__________。
②向步骤II的沉淀中加入浓HCl并加热,有黄绿色气体生成,写出其反应方程式______。
③步骤Ⅲ中加入MnSO4的目的是__________(用离子反应方程式表示)
(4)从多次循环使用后母液中可回收的主要物质是________(填化学式)。
【答案】Al2O3+6H+=2Al3++3H2O 取少量滤液于试管,滴加酸性KMnO4溶液,KMnO4溶液褪色,则说明有Fe2+ 将Fe2+氧化为Fe3+ 调节pH值使铁完全沉淀 MnO2+4HClMnCl2+Cl2↑+2H2O Mn2++MnO4-+2H2O=MnO2+4H+ K2SO4
【详解】
(1)硫酸溶解氧化铝生成硫酸铝和水,反应的离子方程式为:Al2O3 + 6H+ = 2Al3+ + 3H2O;
(2)酸性KMnO4溶液与Fe2+反应,MnO4-被还原成Mn2+,溶液褪色;
(3)①向滤液中加入过量KMnO4溶液,目的是Fe2+氧化为Fe3+,依据图表数据分析可知,Fe3+开始沉淀和沉淀完全的溶液pH为1.5﹣2.8,Al3+和Fe2+开始沉淀的溶液pH大于3,所以调节溶液的pH约为3,可以使Fe3+全部沉淀,Al3+不沉淀,达到分离;②一定条件下,MnO4﹣可与Mn2+反应生成MnO2.①向Ⅲ的沉淀中加入浓HCl并加热,MnO2 + 4HCl(浓)= MnCl2 + Cl2↑+ 2H2O;②MnO4﹣可与Mn2+反应生成MnO2,过滤除去,所以可以利用MnSO4溶液和KMnO4溶液反应生成MnO2,把过量MnO4﹣除去;
19.以冶铜工厂预处理过的污泥渣(主要成分为 CuO 和 Cu)为原料制备 CuSO4•5H2O 晶体的流程如下 :
已知:①CuO在氨水作用下可以生成 Cu(NH3)4(OH)2
②CuSO4•5 H2O 加热到 4 5℃时开始失水。
请回答:
(1)步骤 l 中,空气的主要作用是____。
(2)下列关于步骤II说法不正确的是____。
A.操作 1 可选择倾析法过滤, 玻璃棒的作用是: 先搅拌, 再引流
B.操作 1 应趁热过滤, 要防止液体 1 中的溶质因冷却而析出
C.操作 1 为抽滤,在加入需抽滤的物质时,用玻璃棒引流液体, 玻璃棒底端需紧贴在滤纸上
D.抽滤时,布氏漏斗的底部斜口面需正对抽滤瓶的抽气口处, 是为了提高抽滤的速率
(3)液体 1 通过步骤 III 与步骤IV可得到CuSO4•5 H2O 晶体 。
①蒸氨过程的生成物均是由两种元素组成的化合物, 则除氨外其余产物的化学式为_____。
②步骤IV中包含多步操作, 将下列步骤按正确的步骤排序(必要时步骤可重复选)。_____→得到固体物质→ ____ →将液体放于蒸发皿中加热→ ____→_____→_____→_____ →得到晶体
a.过滤 b.用玻璃棒不断搅拌溶液 c.用足量稀硫酸溶解固体 d.停止加热 e.至溶液表面析出晶膜
(4)步骤1中分别选用氨水、氨水-碳酸铵混合溶液氨浸时, 铜元素回收率随温度变化如图所示。
①浸取液为氨水时,反应温度控制为 55℃,温度过高铜元素回收率降低的原因是_______。
②浸取液为氨水一碳酸铵混合溶液时,铜元素回收率受温度影响较小的原因可能是______。
(5)为了提高 CuSO4晶体的产率, 实验室还采用以下方法: 将CuSO4 溶液转移至蒸馏烧瓶中, 加入适量冰醋酸, 通过下图所示的装置获取晶体。
①加入适量乙酸的目的是:_____。
②图中接真空泵的作用是:______。
【答案】氧化污泥中的铜单质 ABCD ①CuO、H2O a c b e d a 温度过高 , 导致氨水浓度降低 溶液中除了一水合氨外, 还有大量的存在 , 存在水解平衡, 温度变化时, 因平衡发生移动, NH3•H2O浓度变化程度小 调节溶液pH, 防止形成碱性物质(碱式盐或氢氧化铜)或抑制水解 抽气,减压, 防止蒸发溶剂时温度过高而使晶体失水
【分析】
污泥渣中Cu和CuO、氧气、氨水可以生成Cu(NH3)4(OH)2,过滤除去难溶固体,蒸氨过程的生成物均是由两种元素组成的化合物,则除氨外其余产物是氧化铜、水;氧化铜和硫酸反应生成硫酸铜,蒸发浓缩、冷却结晶、过滤、洗涤,可得CuSO4•5H2O晶体;
【详解】
(1)步骤 l 中,Cu和氧气、氨水反应生成Cu(NH3)4(OH)2,空气的主要作用是氧化污泥中的铜单质;
(2) A.操作 1 可选择倾析法过滤,倾析法可以避免沉淀过早堵塞滤纸小孔而影响过滤速度, 为使大多数固体留在烧杯中,不用玻璃棒搅拌烧杯中的液体,故A错误;
B.温度越高,氨气的溶解度越小,故B错误;
C.操作 1 为抽滤,在加入需抽滤的物质时,使抽滤的物质匀分布在整个滤纸面上,故C错误;
D.抽滤时,布氏漏斗的底部斜口面需正对抽滤瓶的抽气口处,防止布氏漏斗下端液体被吸进减压水泵里,故D错误;
选ABCD;
(3)①蒸氨过程的生成物均是由两种元素组成的化合物, 根据元素守恒,则除氨外其余产物的化学式为CuO、H2O;
②步骤IV中包含多步操作,过滤(a)→得到固体物质→用足量稀硫酸溶解固体(c)→将液体放于蒸发皿中加热→用玻璃棒不断搅拌溶液(b)→至溶液表面析出晶膜(e)→停止加热(d)→过滤 (a)→得到晶体;
(4)①氨气的溶解度随温度升高而降低,温度过高 ,导致氨水浓度降低,所以浸取液为氨水时,反应温度控制为55℃,温度过高铜元素回收率降低。
②浸取液为氨水一碳酸铵混合溶液时,除了一水合氨外, 还有大量的存在 , 存在水解平衡, 温度变化时, 因平衡发生移动,NH3•H2O浓度变化程度小,所以浸取液为氨水一碳酸铵混合溶液时,铜元素回收率受温度影响较小;
(5)①酸可抑制铜离子水解,加入适量乙酸的目的是调节溶液pH,防止铜离子水解;
②CuSO4•5 H2O加热到 4 5℃时开始失水,图中接真空泵抽气、减压,防止蒸发溶剂时温度过高而使晶体失水。
20.以磷石膏(主要成分是CaSO4,含少量的Al2O3、SiO2等杂质)为原料制备Na2SO4、CaBr2·2H2O和NH4Cl等产品的工艺流程如图:
请回答:
(1)反应釜1中SO的浸出率与加料速度、反应温度的关系如图所示:
①反应的最佳条件为__。
②其它条件相同时,SO浸出率随反应温度升高反而下降的原因是___。
(2)实验室里模拟上述煅烧操作,下列仪器中有用到的是__。
A.瓷坩埚 B.铁坩埚 C.泥三角 D.酒精喷灯
(3)反应釜2中进行的反应是__(用化学方程式表示)。
(4)反应釜3中完成反应后,分离硫酸钠、氯化铵的操作:在90℃左右蒸发浓缩至较多晶体析出,马上___得到Na2SO4粗品;同时,将热滤液冷却至35℃左右、趁热过滤或冷却至35~40℃过滤,得NH4Cl粗品(Na2SO4、NH4Cl的溶解度如图所示)。
【答案】加料速度为36g·min-1、反应温度为40℃ 温度高于40℃时,(NH4)2CO3受热分解 BCD 3CaO+2NH3·H2O+3Br2=3CaBr2+N2+5H2O或3CaO+2NH3+3Br2=3CaBr2+N2+3H2O 趁热过滤
【分析】
由流程图可知,磷石膏经净化、分级除去Al2O3、SiO2等杂质后,再浆,浆料中的硫酸钙在反应釜1中与碳酸铵溶液反应生成硫酸铵和碳酸钙,过滤后得到含有硫酸铵的滤液和含有碳酸钙的滤渣;碳酸钙煅烧生成氧化钙和二氧化碳,在反应釜2中氧化钙与氨水、溴蒸汽反应生成溴化钙、氮气和水,溴化钙溶液经蒸发结晶制得CaBr2·2H2O晶体;在反应釜3中,硫酸铵和氯化钠反应生成硫酸钠和氯化铵,在90℃左右蒸发浓缩至较多晶体析出,马上趁热过滤得到Na2SO4粗品;同时,将热滤液冷却至35℃左右、趁热过滤或冷却至35~40℃过滤,得NH4Cl粗品。
【详解】
(1)①由图像可知,当加料速度为36g·min-1、反应温度为40℃时,硫酸根的浸出率最大,则最佳条件为加料速度为36g·min-1、反应温度为40℃,故答案为:加料速度为36g·min-1、反应温度为40℃;
②温度高于40℃时,碳酸铵受热易发生分解反应生成氨气、二氧化碳和水,溶液中碳酸根离子浓度减小,导致SO浸出率降低,故答案为:温度高于40℃时,(NH4)2CO3受热分解;
(2)煅烧操作为在坩埚中碳酸钙高温煅烧分解生成氧化钙,由于氧化钙与瓷坩埚中二氧化硅反应,则煅烧时选用的仪器有铁坩埚、三脚架、泥三角、酒精喷灯、坩埚钳,故答案为:BCD;
(3)反应釜2中发生的反应为氧化钙与氨水、溴蒸汽反应生成溴化钙、氮气和水,反应的化学方程式为3CaO+2NH3·H2O+3Br2=3CaBr2+N2+5H2O或3CaO+2NH3+3Br2=3CaBr2+N2+3H2O,故答案为:3CaO+2NH3·H2O+3Br2=3CaBr2+N2+5H2O或3CaO+2NH3+3Br2=3CaBr2+N2+3H2O;
(4)根据溶解度曲线分析可知,随着温度升高,硫酸钠的溶解度降低,而氯化铵的溶解度升高,则分离硫酸钠、氯化铵的操作为在90℃左右蒸发浓缩至较多晶体析出,马上趁热过滤得到Na2SO4粗品;同时,将热滤液冷却至35℃左右、趁热过滤或冷却至35~40℃过滤,得NH4Cl粗品,故答案为:趁热过滤。
21.某化学兴趣小组设计实验制备苯甲酸异丙酯,其反应原理为
用如图所示装置进行实验:
物质的性质数据如表所示:
物质
相对分子质量
密度/(g·cm-3)
沸点/℃
水溶性
苯甲酸
122
1.27
249
微溶
异丙醇
60
0.79
82
易溶
苯甲酸异丙酯
164
1.08
218
不溶
实验步骤:
步骤ⅰ:在图甲干燥的仪器a中加入38.1 g苯甲酸、30 mL异丙醇和15 mL浓硫酸,再加入几粒沸石;
步骤ⅱ:加热至70 ℃左右保持恒温半小时;
步骤ⅲ:将图甲的仪器a中液体进行如下操作得到粗产品:
步骤ⅳ:将粗产品用图乙所示装置进行精制。
试回答下列问题:
(1)步骤ⅰ中加入三种试剂的先后顺序一定错误的是___________(填字母)。
A.异丙醇、苯甲酸、浓硫酸
B.浓硫酸、异丙醇、苯甲酸
C.异丙醇、浓硫酸、苯甲酸
(2)图甲中仪器a的名称为___________,判断酯化反应达到平衡的现象_____________。加入的苯甲酸和异丙醇中,需过量的是___________,目的是___________。
(3)本实验一般采用水浴加热,因为温度过高会使产率___________(填“增大”“减小”或“不变”)。
(4)操作Ⅰ中第二次水洗的目的是___________,操作Ⅱ中加入无水硫酸镁的作用为___________。
(5)步骤ⅳ所用的装置中冷却水的进口为___________(填字母),操作时应收集218 ℃的馏分,如果温度计水银球偏上,则收集的精制产品中可能混有的杂质为___________(填物质名称)。
(6)如果得到的苯甲酸异丙酯的质量为40.930 g。则该实验的产率为___________%(保留2位有效数字)。
【答案】B 三颈烧瓶(或三口烧瓶) 油水分离器中水面保持稳定 异丙醇 有利于酯化反应向正反应方向进行,提高苯甲酸的转化率 减小 除去残留的碳酸钠 除去残留的水 g 苯甲酸 80
【详解】
(1) 浓硫酸密度大,和其他液态物质混合时应注意实验安全,一般都是将浓硫酸沿玻璃棒或容器内壁缓缓注入其他液体中,边注入边搅拌,所以酯化反应实验中,一般先加入密度最小的醇,再加入羧酸,最后加入浓硫酸(其中浓硫酸和羧酸顺序可以颠倒),故B错误。
(2) 根据图示仪器构造分析A为三颈烧瓶;该反应为可逆反应,所以其中一种物质过量,既可以使平衡向正反应方向移动,又可以提高另外一种物质的转化率,使异丙醇稍过量有利于酯化反应向正反应方向进行,提高苯甲酸的转化率;油水分离器中水层高低的变化可以显示生成物水的量,据此可以判断酯化反应是否达到平衡;故答案为:三颈烧瓶(或三口烧瓶)、油水分离器中水面保持稳定、异丙醇。
(3) 异丙醇沸点低,易挥发损耗,所以温度过高会使产率减小,故答案为:减小。
(4)第一次水洗主要是除去异丙醇和硫酸等水溶性杂质,用饱和碳酸钠溶液洗主要是除去硫酸和苯甲酸等酸性杂质,而第二次水洗,则是为了除去残留的碳酸钠,操作Ⅱ中加入无水硫酸镁是为了除去残留的水,故答案为:除去残留的碳酸钠、除去残留的水。
(5)冷凝管中冷凝水应下进上出,所以装置中冷却水的进口为g;如果蒸馏时温度计的水银球偏上,则蒸馏烧瓶支管口处温度比温度计所测量的温度高,会有沸点较高的杂质逸出。故答案为:g、苯甲酸。
(6)38.1 g苯甲酸的物质的量为,30 mL异丙醇的物质的量为,苯甲酸不足,所以苯甲酸异丙酯的理论产量为,如果得到苯甲酸异丙酯的质量为40.930 g,则产率为,故答案为:80。
浙江真题题组
1. (2020年7月浙江选考).下列有关实验说法不正确的是( )
A.萃取时,向盛有溴水的分液漏斗中加入,振荡、静置分层后,打开旋塞,先将水层放出
B.做焰色试验前,铂丝用稀盐酸清洗并灼烧至火焰呈无色
C.乙醇、苯等有机溶剂易被引燃,使用时须远离明火,用毕立即塞紧瓶塞
D.可用溶液和稀区分、和
【答案】A.CCl4的密度比水的密度大,故萃取Br2时,向盛有溴水的分液漏斗中加入CCl4,振荡、静置分层,打开旋塞,先将CCl4层放出,A操作错误;
B.做焰色试验前,先将铂丝用稀盐酸清洗并灼烧至无色的目的是排除铂丝上粘有其它金属元素,防止对待检测金属元素的检测造成干扰,B操作正确
C.乙醇、苯等有机溶剂属于易燃物品,故使用时必须远离明火和热源,用毕立即塞紧瓶塞,防止失火,C操作正确;
D.氯化银、亚硝酸银都是难溶于水的白色固体,所以硝酸银滴入氯化钠溶液和亚硝酸钠溶液中都有白色沉淀生成,但是氯化银不溶于稀硝酸,而亚硝酸银溶于稀硝酸;硝酸银溶液滴入硝酸钠溶液中没有明显现象,故D操作正确。
答案选A。
2.(2020年1月浙江选考).下列有关实验说法,不正确的是( )
A.碱液不慎溅到手上,先用大量水冲洗,再用饱和硼酸溶液洗,最后用水冲洗
B.和的混合物经溶解、过滤,洗涤、干燥,可分离出
C.用容量瓶配制溶液,定容时若加水超过刻度线,立即用滴管吸出多余液体
D.火柴头的浸泡液中滴加溶液,稀和溶液,可检验火柴头是否含有氯元素
【答案】C
A. 若皮肤不慎沾上少量碱液,应先用大量水冲洗,再用2%醋酸溶液或饱和硼酸溶液洗,避免皮肤受损,故A正确;
B.二氧化锰不溶于水,氯化钾可溶于水,所以混合物经溶解、过滤,洗涤、干燥,可分离出,故B正确;
C.滴管吸出的液体中含有溶质,因此会导致所配溶液浓度偏小,正确操作应该是重新配制,故C错误;
D. 火柴头中含有KClO3,检验氯元素,应把ClO3-还原为4Cl-,酸性条件下,NO2-具有还原性,向少量的火柴头浸泡液中滴加AgNO3、稀HNO3和NaNO2,发生的离子反应为:ClO3-+3NO2-+Ag+═AgCl↓+3NO3-,出现白色沉淀,证明含有氯元素,故D正确;
故答案为C。
3.(2020年1月浙江选考).下列说法不正确的是( )
A.强酸、强碱、重金属盐等可使蛋白质变性
B.用新制氢氧化铜悬浊液(必要时可加热)能鉴别甲酸、乙醇、乙醛
C.乙酸乙酯中混有的乙酸,可加入足量的饱和溶液,经分液除去
D.向苯和苯酚的混合液中加入浓溴水,充分反应后过滤,可除去苯中少量的苯酚
【答案】D
A. 强酸、强碱、加热、重金属盐及某些有机物例如甲醛等可使蛋白质发生变性,变性为不可逆反应,故A正确;
B.甲酸为弱酸可与氢氧化铜发生中和反应,溶液显蓝色;乙醇无现象;乙醛和新制氢氧化铜悬浊液在加热条件下会生成砖红色沉淀,故B正确;
C.饱和的碳酸钠溶液可以与乙酸发生反应,且会与乙酸乙酯分层,故C正确;
D.溴易溶于苯,应向苯和苯酚的混合溶液中加入NaOH溶液,充分反应分液,以除去苯中少量苯酚,故D错误;
故答案为D。
4.[2021年4月浙江选考]下列说法不正确的是
A.蒸馏时可通过加碎瓷片防暴沸
B.可用精密pH试纸区分pH=5.1和pH=5.6的两种NH4Cl溶液
C.用加水后再分液的方法可将苯和四氯化碳分离
D.根据燃烧产生的气味,可区分棉纤绵和蛋白质纤维
【答案】C
【解析】A.加热液体至沸腾时,必须要在反应容器内加碎瓷片,防止暴沸,否则出现暴沸将会很危险,A项正确;B.精密pH试纸可以将pH值精确到小数点后一位,所以可以区分pH=5.1和pH=5.6的两种NH4Cl溶液,B项正确;C.苯和四氯化碳互相溶解,均难溶于水,因而加水不影响苯和四氯化碳的互溶体系,不可以分液,可采用蒸馏分离,C项错误;D. 棉纤绵成分是纤维素,蛋白质纤维成分是蛋白质,蛋白质燃烧时会产生烧焦羽毛的气味,因而可以用燃烧法区别,D项正确。故答案选C。
5.[2021年4月浙江选考]白色固体混合物A,含有KCl、CaCO3、Na2CO3、Na2SiO3、CuSO4中的几种,常温常压下进行如下实验。
下列推断不正确的是
A.无色溶液B的pH≥7
B.白色固体F的主要成分是H2SiO3
C.混合物A中有Na2SiO3、CuSO4和CaCO3
D.在无色溶液B中加HNO3酸化,无沉淀;再滴加AgNO3,若有白色沉淀生成,说明混合物A中有KCl
【答案】C
【解析】白色固体混合物A加水得无色溶液B和固体C,B中肯定不含Cu2+,但结合固体C加过量硝酸,产生蓝色溶液,说明A到B的过程中Cu2+转化为沉淀,A中必含有CuSO4,又结合固体C中加过量硝酸后得到白色固体F,说明A中必含有Na2SiO3,而且固体C与硝酸反应可得无色气体,该气体只能是CO2,可能是CaCO3和硝酸反应,也可能是Cu2+和CO32-双水解得到的碱式碳酸铜与硝酸反应生成的,因此,不能确定碳酸钙和碳酸钠是否一定存在,但两者至少存在一种。
A.无色溶液B成分复杂,若B中只含有KCl,则 pH=7;若含有Na2CO3或硅酸钠或两者均有,则CO32-和硅酸根离子水解使溶液显碱性,pH>7,故无色溶液pH≥7,A项正确;
B.白色固体F难溶于硝酸,说明F为H2SiO3,B项正确;
C.固体C加入硝酸得无色气体,该气体只能是CO2,可能是CaCO3生成的,也可能是Na2CO3与硫酸铜反应生成的碱式碳酸铜再与硝酸反应生成的CO2,因此,固体C中不一定含有CaCO3,C项错误;
D.检验Cl-可用硝酸酸化的AgNO3溶液,所以证明A含有KCl,证明Cl-即可,D项正确。故答案选C。
6.[2018年11月浙江选考]下列实验合理的是
A.用湿润的pH试纸测定CH3COONa溶液的pH
B.用蒸馏的方法分离乙醇(沸点为78.3℃)和苯(沸点为80.1℃)的混合物
C.用淀粉-KI试纸鉴别碘水和FeCl3溶液
D.用Na2CO3溶液鉴别CaCl2溶液、NaCl溶液和稀硫酸
【答案】C
【解析】白色固体混合物A加水得无色溶液B和固体C,B中肯定不含Cu2+,但结合固体C加过量硝酸,产生蓝色溶液,说明A到B的过程中Cu2+转化为沉淀,A中必含有CuSO4,又结合固体C中加过量硝酸后得到白色固体F,说明A中必含有Na2SiO3,而且固体C与硝酸反应可得无色气体,该气体只能是CO2,可能是CaCO3和硝酸反应,也可能是Cu2+和CO32-双水解得到的碱式碳酸铜与硝酸反应生成的,因此,不能确定碳酸钙和碳酸钠是否一定存在,但两者至少存在一种。
A.无色溶液B成分复杂,若B中只含有KCl,则 pH=7;若含有Na2CO3或硅酸钠或两者均有,则CO32-和硅酸根离子水解使溶液显碱性,pH>7,故无色溶液pH≥7,A项正确;
B.白色固体F难溶于硝酸,说明F为H2SiO3,B项正确;
C.固体C加入硝酸得无色气体,该气体只能是CO2,可能是CaCO3生成的,也可能是Na2CO3与硫酸铜反应生成的碱式碳酸铜再与硝酸反应生成的CO2,因此,固体C中不一定含有CaCO3,C项错误;
D.检验Cl-可用硝酸酸化的AgNO3溶液,所以证明A含有KCl,证明Cl-即可,D项正确。故答案选C。
7.[2018年11月浙江选考]通过实验得出的结论正确的是
A.将某固体试样完全溶于盐酸,再滴加Ba(NO3)2溶液,出现白色沉淀,则该固体试样中存在SO42-
B.将某固体试样完全溶于盐酸,再滴加KSCN溶液,没有出现血红色,则该固体试样中不存在Fe3+
C.在某固体试样加水后的溶液中,滴加NaOH溶液,没有产生使湿润红色石蕊试纸变蓝的气体,该固体试样中仍可能存在NH4+
D.在某固体试样加水后的上层清液中,滴加盐酸出现白色沉淀,再加NaOH溶液沉淀溶解,则该固体试样中存在SiO32-
【答案】C
【解析】A、当固体中含有SO32-时,在酸性条件下滴加Ba(NO3)2溶液会被氧化生成硫酸根离子,看到相同现象,故不一定是SO42-,选项A错误;B、若固体为FeCl3和Fe的混合物时,也有相同的现象,故固体试样中可能存在Fe3+,选项B错误;C、检验NH4+为加NaOH溶液,加热,产生使湿润红色石蕊试纸变蓝的气体,选项中没有加热,故不能确定有没有铵根离子,选项C正确;D、盐酸出现白色沉淀,再加NaOH溶液沉淀溶解可能原固体中有AlO2-,不一定为SiO32-,选项D错误。答案选C。
8.[2018浙江4月选考]下列操作或试剂的选择不合理的是
A.可用蒸发结晶的方法从碘水中提取砷单质
B.可用灼烧法除去氧化制中混有的铜粉
C.可用硫酸鉴别碳酸钠、硅酸钠和硫酸钠
D.可用含氢氧化钠的氢氧化铜悬浊液鉴别乙醇、乙醛和乙酸
【答案】A
【解析】A项,碘单质不易溶于水,易溶于有机溶液,一般使用萃取来提纯,故A项错误;
B项,Cu与氧气反应生成氧化铜,则灼烧可除去杂质,故B项正确;
C项,硫酸与碳酸钠反应生成气体,与硅酸钠反应会有沉淀生成,易于分辨,故C项正确;
D项,乙醇、乙醛和乙酸分别与氢氧化钠的氢氧化铜悬浊液混合加热的现象为:无现象、砖红色沉淀、蓝色溶液,现象不同可鉴别,故D项正确。
综上所述,本题正确答案为A。
9.[2021年11月浙江选考]下列方法(必要时可加热)不合理的是
A.用澄清石灰水鉴别CO和CO2
B.用水鉴别苯和四氯化碳
C.用Ba(OH)2溶液鉴别NH4Cl、(NH4)2SO4和K2SO4
D.用淀粉碘化钾试纸鉴别碘水和溴水
【答案】D
【解析】A.用澄清石灰水与CO不反应,与CO2能够反应生成碳酸钙沉淀,溶液变浑浊,能够鉴别,故A不选;B.苯和四氯化碳均不溶于水,但苯的密度小于水,四氯化碳的密度大于水,能够鉴别,故B不选;C.Ba(OH)2与NH4Cl加热时有刺激性气味的气体放出,与(NH4)2SO4加热时生成白色沉淀和刺激性气味的气体,与K2SO4反应生成白色沉淀,现象各不相同,能够鉴别,故C不选;D. 淀粉碘化钾试纸遇到碘水和溴水均变成蓝色,现象相同,不能鉴别,故D选;故选D。
10.[2021年11月浙江选考]取某固体样品,进行如下实验
①取一定量的样品,加足量水充分溶解,过滤得到滤液和滤渣;
②取少量滤液,加入BaCl2溶液,有白色沉淀产生;
③取少量滤渣,加入稀盐酸,滤渣全部溶解,同时有气体产生。
根据上述实验现象,该固体样品的成分可能是
A.K2SO4、Ba(OH)2、Na2CO3 B.Na2CO3、AgNO3、KNO3
C.K2CO3、NaCl、Ba(NO3)2 D.KNO3、MgCl2、NaOH
【答案】C
【解析】A.K2SO4、Ba(OH)2、Na2CO3硫酸钡和碳酸钡沉淀,硫酸钡不溶于水盐酸,不符合③,故A错误;B.Na2CO3、AgNO3、KNO3三者能够反应生成碳酸银沉淀,与盐酸反应会生成氯化银沉淀,不符合③,故B错误;C.K2CO3、NaCl、Ba(NO3)2三者能够反应生成碳酸钡沉淀,滤液中可能含有碳酸根离子,加入氯化钡溶液生成白色沉淀,滤渣碳酸钡能够与盐酸反应放出二氧化碳而溶解,符合上述实验过程,故C正确;D. KNO3、MgCl2、NaOH三者能够反应生成氢氧化镁沉淀,氢氧化镁与盐酸反应没有气体放出,不符合③,故D错误;故选C。
11.[2021年4月浙江选考]某固体混合物中可能含有:K+、Na+、Cl-、CO32-、SO42-等离子,将该固体溶解所得到的溶液进行了如下实验:
下列说法正确的是
A.该混合物一定是K2CO3和NaCl B.该混合物可能是Na2CO3和KCl
C.该混合物可能是Na2SO4和Na2CO3 D.该混合物一定是Na2CO3和NaCl
【答案】B
【解析】焰色反应显黄色,说明一定存在钠离子,可能有钾离子。加入过量的硝酸钡溶液产生白色沉淀,白色沉淀完全溶解在盐酸中,说明一定存在碳酸根,不存在硫酸根。滤液中加入硝酸酸化的硝酸银得到白色沉淀,说明含有氯离子,即一定存在Na+、Cl-、CO32-,一定不存在SO42-,可能含有K+,答案选B。
12.[2021年10月浙江选考]下列说法正确的是
A.用过滤的方法可以除去食盐水中的泥沙
B.酒精灯加热烧瓶时不用垫石棉网
C.氯化氢气体能使干燥的蓝色石蕊试纸变红
D.盛放氢氧化钠溶液的玻璃瓶,可以使用橡胶塞或玻璃塞
【答案】A
【解析】A、食盐水中的泥沙是难溶物质,分离不溶物和溶液可用过滤的方法,选项A正确;B、酒精灯加热烧瓶时需要垫石棉网,选项B错误;C、氯化氢气体不能使干燥的蓝色石蕊试纸变红,选项C错误;D、二氧化硅能和氢氧化钠反应生成硅酸钠,硅酸钠是黏性的物质,能把玻璃塞黏住,所以不能盛放在用玻璃塞的玻璃瓶中,选项D错误。答案选A。
全国真题题组
1. (2020年山东高考).实验室分离Fe3+和Al3+的流程如下:
知Fe3+在浓盐酸中生成黄色配离子[FeCl4]-,该配离子在乙醚(Et2O,沸点34.6℃)中生成缔合物 。下列说法错误的是
A.萃取振荡时,分液漏斗下口应倾斜向下
B.分液时,应先将下层液体由分液漏斗下口放出
C.分液后水相为无色,说明已达到分离目的
D.蒸馏时选用直形冷凝管
【答案】A
【解析】A.萃取振荡时,分液漏斗下口应倾斜向上,A错误;
B.分液时,密度大的液体在下层,密度小的液体在上层,下层液体由分液漏斗下口放出,下层液体放完后,密度小的上层液体从分液漏斗上口倒出,B正确;
C.Fe3+在浓盐酸中生成黄色配离子,该离子在乙醚中生成缔合物,乙醚与水不互溶,故分液后水相为无色,则水相中不再含有Fe3+,说明已经达到分离目的,C正确;
D.蒸馏时选用直形冷凝管,能使馏分全部转移到锥形瓶中,而不会残留在冷凝管中,D正确;
答案选A。
2. (2020年山东高考).下列操作不能达到实验目的的是
目的
操作
A
除去苯中少量的苯酚
加入适量NaOH溶液,振荡、静置、分液
B
证明酸性:碳酸>苯酚
将盐酸与NaHCO3混合产生的气体直接通入苯酚钠溶液
C
除去碱式滴定管胶管内的气泡
将尖嘴垂直向下,挤压胶管内玻璃球将气泡排出
D
配制用于检验醛基的氢氧化铜悬浊液
向试管中加入2mL10%NaOH溶液,再滴加数滴2%CuSO4溶液,振荡
A.A B.B C.C D.D
【答案】BC
【解析】A. 苯酚可与氢氧化钠溶液反应生成可溶于水的苯酚钠,最后与苯混合后互不相溶,分层,该操作能达到实验目的,故A正确;
B. 盐酸易挥发,若将盐酸与碳酸氢钠溶液混合产生的气体直接通入苯酚钠,可能挥发的HCl会与苯酚钠反应生成常温下难溶于水的苯酚,不能证明是二氧化碳与其发生的反应,达不到实验目的,应该先除去二氧化碳中可能挥发的HCl再进行实验操作,故B错误;
C. 除去碱式滴定管胶管内气泡时,尖嘴不应该垂直向下,应向上挤压橡胶管,利用空气排出,该实验操作达不到实验目的,故C错误;
D. 为检验醛基,配制氢氧化铜悬浊液时,碱需过量,保证醛基是在碱性条件下发生反应,该操作可达到实验目的,故D正确;
答案选BC。
3.[2021新课标Ⅲ]离子交换法净化水过程如图所示。下列说法中错误的是
A.经过阳离子交换树脂后,水中阳离子的总数不变
B.水中的 、、Cl−通过阴离子树脂后被除去
C.通过净化处理后,水的导电性降低
D.阴离子树脂填充段存在反应H++OH−H2O
【答案】A
【解析】离子交换树脂净化水的原理是:当含有Na+、Ca2+、Mg2+等阳离子及SO42-、Cl-、NO3-等阴离子的原水通过阳离子交换树脂时,水中的阳离子为树脂所吸附,而树脂上可交换的阳离子H+则被交换到水中,并和水中的阴离子组成相应的无机酸;当含有无机酸的水再通过阴离子交换树脂时,水中的阴离子也为树脂所吸附,树脂上可交换的阴离子OH-也被交换到水中,同时与水中的H+离子结合成水,则
A、根据电荷守恒可知经过阳离子交换树脂后,水中阳离子总数增加,A错误;B、根据以上分析可知水中的SO42-、Cl-、NO3-等阴离子通过阴离子交换树脂被除去,B正确;C、通过净化处理后,溶液中离子的浓度降低,导电性降低,C正确;D、根据以上分析可知阴离子交换树脂填充段存在反应H++OH-=H2O,D正确;答案选A。
4.[2018海南卷]下列分离方法正确的是
A.回收水溶液中的I2:加入乙酸,分液,蒸发
B.回收含有KCl的MnO2:加水溶解,过滤,干燥
C.除去氨气中的水蒸气:通过盛有P2O5的干燥管
D.除去乙醇中的水,加入无水氯化钙,蒸馏。
【答案】B
【解析】A.乙酸能溶于水,不能用分液方法分开,不符合题意;B.氯化钾能溶于水,而二氧化锰不溶于水,故可通过过滤除去,符合题意;C. P2O5为酸性氧化物,能跟碱性物质发生反应,故不能用来吸收氨气,不符合题意;D. 无水氯化钙能与乙醇形成络合物,除去乙醇中的水,不能用无水氯化钙,应加氧化钙,蒸馏,不符合题意;故答案选B。
【点睛】本题为分离、除杂题,解题时要明确除杂、提纯要求:能除去杂质,不能与期望所得产物发生反应,不能引入新的杂质。
5.[2018新课标Ⅰ]磷酸亚铁锂(LiFePO4)电池是新能源汽车的动力电池之一。采用湿法冶金工艺回收废旧硫酸亚铁锂电池正极片中的金属,其流程如下:
下列叙述错误的是
A.合理处理废旧电池有利于保护环境和资源再利用
B.从“正极片”中可回收的金属元素有Al、Fe、Li
C.“沉淀”反应的金属离子为Fe3+
D.上述流程中可用硫酸钠代替碳酸钠
【答案】D
【解析】分析:正极片碱溶时铝转化为偏铝酸钠,滤渣中含有磷酸亚铁锂,加入硫酸和硝酸酸溶,过滤后滤渣是炭黑,得到含Li、P、Fe的滤液,加入碱液生成氢氧化铁沉淀,滤液中加入碳酸钠生成含锂的沉淀,据此解答。A、废旧电池中含有重金属,随意排放容易污染环境,因此合理处理废旧电池有利于保护环境和资源再利用,A正确;B、根据流程的转化可知从正极片中可回收的金属元素有Al、Fe、Li,B正确;C、得到含Li、P、Fe的滤液,加入碱液生成氢氧化铁沉淀,因此“沉淀”反应的金属离子是Fe3+,C正确;D、硫酸锂能溶于水,因此上述流程中不能用硫酸钠代替碳酸钠,D错误。答案选D。
6.[2021北京]下列中草药煎制步骤中,属于过滤操作的是
A.冷水浸泡
B.加热煎制
C.箅渣取液
D.灌装保存
【答案】C
【解析】A、冷水浸泡属于物质的溶解,A错误;B、加热煎制属于加热,B错误;C、箅渣取液属于过滤操作,C正确;D、灌装保存是液体转移,D错误。答案选C。
7.[2021北京]在一定条件下,甲苯可生成二甲苯混合物和苯。有关物质的沸点、熔点如下:
对二甲苯
邻二甲苯
间二甲苯
苯
沸点/℃
138
144
139
80
熔点/℃
13
−25
−47
6
下列说法不正确的是
A.该反应属于取代反应
B.甲苯的沸点高于144 ℃
C.用蒸馏的方法可将苯从反应所得产物中首先分离出来
D.从二甲苯混合物中,用冷却结晶的方法可将对二甲苯分离出来
【答案】B
【解析】A、甲苯变二甲苯是甲苯苯环上的氢原子被甲基代替,属于取代反应,A正确;B、甲苯的相对分子质量比二甲苯小,故沸点比二甲苯低,B错误;C、苯的沸点与二甲苯的沸点相差较大,可以用蒸馏的方法分离,C正确;D、因为对二甲苯的熔点较高,冷却后容易形成固体,所以能用冷却结晶的方法分离出来,D正确。答案选B。
8.[2021上海]实验室提纯含少量氯化钠杂质的硝酸钾的过程如图所示。下列分析正确的是
A.操作Ⅰ是过滤,将固体分离除去
B.操作Ⅱ是加热浓缩,趁热过滤,除去杂质氯化钠
C.操作Ⅲ是过滤、洗涤,将硝酸钾晶体从溶液中分离出来
D.操作Ⅰ~Ⅲ总共需两次过滤
【答案】C
【解析】KNO3中混有NaCl应提纯KNO3,将它们都溶于水,并降温结晶。因为KNO3的溶解度随温度的升高而升高,NaCl的溶解度随温度的升高而基本无明显变化。则有,操作Ⅰ是在烧杯中加水溶解,操作Ⅱ是蒸发浓缩,得到较高温度下的KNO3饱和溶液,操作Ⅲ为冷却结晶,利用溶解度差异使KNO3结晶析出,过滤,洗涤,干燥得到KNO3晶体。故选C。
相关资料
更多

