2022年中考物理一轮复习强化训练:测量物质的密度
展开
这是一份2022年中考物理一轮复习强化训练:测量物质的密度,共10页。试卷主要包含了小明想测量石榴汁的密度等内容,欢迎下载使用。
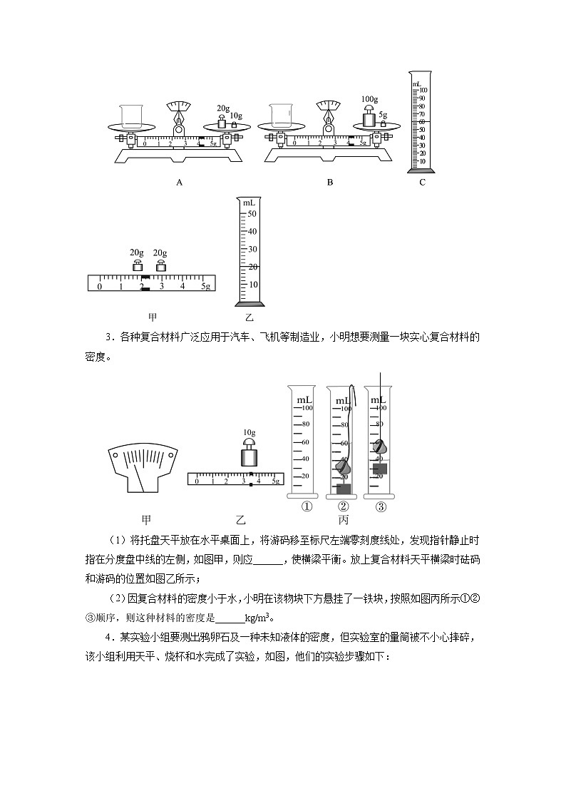
测量物质的密度 1.2021年初夏,我市部分山区在精准扶贫政策扶持下种植的大樱桃喜获丰收,小明想知道大樱桃的密度,他用天平和量筒进行了如下实验。(1)把天平放在水平桌面上,先将____________后,再调节天平横梁平衡。(2)测量大樱桃的质量时,将最小为5g的砝码放在天平右盘中后,分度盘指针如图甲所示。此时应____________,使横梁平衡,横梁平衡后,所用砝码和游码的位置如图乙所示,则大樱桃的质量为_________g。(3)用细线拴住大樱桃并放入装有适量水的量筒中,水面上升到如图丙所示位置。接着将大樱桃提出后,量筒中的水面下降到60mL刻度线处,则大樱桃的体积为________cm3,大樱桃的密度为_________kg/m3。(4)小明所测大樱桃的密度_________(选填“大于”“小于”或“等于”)真实值。2.在测量盐水的密度时,小玲、小亮分别进行了如下实验:(1)小玲将天平放在水平台上,游码放在标尺的______处,在调节天平平衡时,发现指针偏向分度盘的右侧,此时应将平衡螺母向______调,使横梁平衡。(2)小玲的实验过程如下:①用已调节好的天平测出空烧杯的质量为20g;②再往烧杯中倒入适量的盐水,天平平衡时,砝码的质量和游码的位置如图甲所示,则烧杯与盐水的总质量为______g;③把烧杯中的盐水倒入量筒中,如图乙所示,盐水的体积为______mL,盐水的密度为______kg/m3;④由于往量筒中倒盐水时不可能倒尽,因此按小玲设计的步骤测出的盐水密度值将______(选填“偏大”或“偏小”)。(3)小亮同学采用了如图的操作步骤,避免了小玲实验中所造成的误差,他的操作顺序是______(请重新排列ABC的顺序)。 3.各种复合材料广泛应用于汽车、飞机等制造业,小明想要测量一块实心复合材料的密度。(1)将托盘天平放在水平桌面上,将游码移至标尺左端零刻度线处,发现指针静止时指在分度盘中线的左侧,如图甲,则应______,使横梁平衡。放上复合材料天平横梁时砝码和游码的位置如图乙所示;(2)因复合材料的密度小于水,小明在该物块下方悬挂了一铁块,按照如图丙所示①②③顺序,则这种材料的密度是______kg/m3。4.某实验小组要测出鸦卵石及一种未知液体的密度,但实验室的量筒被不小心摔碎,该小组利用天平、烧杯和水完成了实验,如图,他们的实验步骤如下:(1)将天平放在水平桌面上,把游码拨至称量标尺________发现横梁稳定时指针偏向分度盘的右侧,要使横梁在水平位置平衡,应将平衡螺母往_______(选填“左”或“右”)调。(2)用调好的天平分别测出鹅卵石的质量31.8g和空烧杯的质量是90g。(3)如图甲所示,往烧杯倒入适量的水,把鹅卵石轻轻放入烧杯中,立刻用油性笔在烧杯壁记下此时水面位置为M,然后放在天平左盘,如图丙所示,测出质量为________g。(4)将鹅卵石从水中取出后,再往烧杯中缓慢加水,使水面上升至记号M,如图乙所示,用天平测出杯和水的总质量为142g,此时杯中水的质量为_______g,体积为_______cm3。(5)根据所测数据计算出鹅卵石的密度为___________kg/m3,其物理意义为___________。(6)本实验需测量多组数据的原因是___________。(7)若考虑鹅卵石的吸水性,则导致所测密度___________。(选填“偏大”、“不变”或“偏小”)5.小明同学还想测量纪念中华人民共和国成立70周年双色铜合金纪念币的密度,如甲图所示,设计方案如下:(1)用调好的天平测量质量时,操作情景如图乙所示,错误之处是______。改正错误后,测出10枚纪念币的质量为m;(2)但他发现纪念币放不进所选量筒,改用如丙图所示的方法测纪念币的体积,请将部分实验步骤补充完整:①把10枚纪念币放入烧杯中,往烧杯中加入适量的水,使10枚纪念币全部浸没,并在水面位置上作标记,然后缓慢取出纪念币;②再往量筒装入适量的水,如丁图(右)所示记下体积V1;③然后将量筒的水缓慢倒入取出纪念币的烧杯中,______,视线应该按照______(选填“A”“B”“C”)读出量筒里剩余水如丁图(左)的体积为V2;(3)用密度公式计算出纪念币的密度ρ=______(用上述步骤中物理量符号表示),所测密度比真实值______(选填“偏大”或“偏小”)。6.小明想测量石榴汁的密度【实验步骤】①他将天平放在水平桌面上,把游码移至标尺左端0刻度线处,发现指针指在分度盘的左侧,应将平衡螺母向___________调,使天平横梁平衡。将空烧杯放在调好的天平上,测出其质量为40g;②在烧杯中倒入适量的石榴汁,将其放在天平左盘上,在右盘内添加砝码,当放入最小的5g砝码时,天平右端下沉,接下来应该___________,直到天平平衡。天平平衡后如图甲所示,则烧杯和石榴汁的总质量为___________g;③将烧杯中的石榴汁倒入量筒中,液面位置如图乙所示,则量筒中石榴汁的体积为___________cm3;④用上述测得的数据计算出石榴汁的密度为___________kg/m3。【分析与交流】(1)小华认为,小明在步骤③中,由于烧杯中的石榴汁有残留,会使密度的测量结果___________(选填“偏大”或“偏小”)。(2)小华在实验中先测出了空烧杯的质量m1,倒入石榴汁后测出其总质量m2,将石榴汁倒入量筒的过程中,发现由于石榴汁较多,无法全部倒完,他及时停止了操作,读出此时量筒中石榴汁的体积V,再测出剩余石榴汁和烧杯的总质量m3,请写出石榴汁密度的表达式 ρ=___________(用字母表示)。7.靳依钟同学学习了密度的测量后,想用天平和量筒测量石块的密度。(1)靳依钟同学把天平放在水平桌面上,然后调节______;使天平横梁在水平位置平衡,如图甲所示,请你指出靳依钟同学调节天平横梁平衡的过程中遗漏的操作步骤______;(2)完成遗漏的操作步骤后,为了调节横梁平衡,她需要向______(选填“左”或“右”)调节平衡螺母;(3)当天平平衡后,靳依钟同学将石块放在左盘,砝码放在右盘,调节游码天平再次平衡时右盘砝码和游码如图乙所示,石块的质量为______g;由图丙和图丁可知石块的体积是______cm3。(4)本次验中,若发现20g砝码有些磨损,游码与其它砝码都准确,则所测石块密度______(选填“偏大”、“偏小”或“不变”);(5)靳依钟同学利用石块测量未知液体的密度。已知石块不吸水,石块密度为ρ石(此时已更换新砝码)①先用天平称量烧杯和适量液体的质量m1,在液面处标记a,如图甲所示;②然后将石块轻轻放入烧杯中,在液面处标记b,调平天平后读数m2。如图乙所示;③将石块取出(假设取出石块时,外表面不带出液体),添加该液体至标记b,用天平测得质量为m3。如图丙所示;则该液体的密度的表达式ρ=______。若步骤③取出石块时,石块外表面带有少量液体,则所测液体密度______(选填“偏大”,“偏小”或“不变”)。8.某测量小组在“测量牛奶密度”的实验中,进行了如下的步骤:(1)先将牛奶倒入量筒,如图甲所示,读数正确的是______同学,(选填“甲”、“乙”或“丙”)则牛奶的体积为______cm3;接着将天平放在水平台面上,将游码移至称量标尺左端的零刻度线上,发现指针静止时,指针偏右,则应将平衡螺母向______(填“左“或“右”)调节使横梁平衡;(2)但在测量时出现了图乙所示的做法,请你指出该同学在天平使用中存在错误______;(3)用调节好的天平测出空烧杯的质量为29.8g,然后将量筒中的牛奶倒入烧杯,用天平测量烧杯和牛奶的总质量,天平平衡时如图丙所示,烧杯和牛奶的总质量为______g;(4)根据以上实验数据计算出牛奶的密度为______kg/m3,用该方法测得的密度比真实值偏______;(5)小华认为不用量筒也能测量出牛奶的密度,他进行了如下实验操作:①调好天平,用天平测出空烧杯质量为m0;②在烧杯中装满水,用天平测出烧杯和水的总质量为m1;③把烧杯中的水倒尽,再装满牛奶,用天平测出烧杯和牛奶的总质量为m2。则牛奶的密度表达式ρ=________(已知水的密度为ρ水)。9.小明有一块月亮形状、不吸水的小饰品,下面是他和同学共同利用学过的物理知识测其密度时进行的操作和分析:(1)小明首先取来托盘天平放在___________上,并移动游码至标尺左端的零刻度处。随后发现天平的左盘低、右盘高,他应将平衡螺母向___________(选填“左”,“右”)调节;(2)接着他们按照以下实验步骤进行实验:①天平平衡后,小明把小饰品轻轻放入烧杯中,并一起放在天平左盘上,用___________向右盘中加减砝码,使天平平衡,如图甲所示,此时的质量是___________g;②取出小饰品,往该烧杯中加入适是的水,用调节好的天平测量烧杯和水的质量,天平再次平衡、如图乙所示;③将小饰品缓慢地放入烧杯,浸没在水中并沉底。待水面稳定后,在水面到达的位置处作标记A,用调节好的天平测量烧杯、水和小饰品的质量,天平平衡后如图丙所示;④从烧杯的水中取出小饰品,再往烧杯内加水,直到水面到达所作标记A处为止,用调节好的天平测量烧杯、水的质量,如图丁所示;(3)根据上述实验步骤可知这个小饰品的质量为________g,密度为________kg/m3。(4)小明与同学讨论交流后得到以下两个观点:从以上(2)的4个实验步骤中可以省去________(填序号)的操作,仍能计算出小饰品的密度;第④步骤中,从烧杯水中取出小饰品时带走一部分水,则小饰品密度的测量值和真实值相比_______(选填“偏大”、“偏小”或“不变”)。10.小开发现外婆家的盐蛋咸淡适中恰到好处,猜想可能和盐水的密度有关,他和小侨分别测量外婆家用来腌制盐蛋的盐水密度。(1)实验前,小开将托盘天平放在水平工作台上,游码移到标尺的______处,指针静止在图甲所示位置,此时应将右端的平衡螺母向______(选填“左”或“右”)调节,使天平平衡;(2)小开首先将盛有适量盐水的烧杯放在天平的左盘,天平重新平衡时,右盘所加砝码及游码位置如图乙所示,烧杯和盐水的总质量为______g。然后将烧杯中的部分盐水倒入量筒,测得烧杯和剩余盐水的总质量为45.6g;观察到量筒内的盐水液面如图丙所示,量筒内的盐水体积为______cm3。根据这个实验步骤和测量的数据,小开计算出了这种盐水的密度为______g/cm3;(3)小侨利用电子秤测量该盐水密度,他进行了以下实验操作:①取密度为9g/cm3的合金块,用电子秤测得其质量为90.0g(图丁);②将合金块放入溢水杯中后,向溢水杯中注满盐水,测得溢水杯、盐水、合金块的总质量为111.0g(图戊)。取出合金块,向溢水杯中补满盐水,测得溢水杯和盐水的总质量为31.5g(图己);③根据以上数据,计算出这种盐水的密度为______g/cm3。若测量后发现仅在图戊和图己两次测量中,此电子秤的每次测量值均比真实值小1g,则这样测得的盐水密度与真实值相比会______(选填“偏大”、“不变”或“偏小”);(4)小侨用正确的实验数据重新计算了盐水密度,对比小开和小侨的实验,发现小开实验测出的密度误差较大,主要原因是______。11.小明利用天平和最简测量食用油的密度。(1)把天平放在______桌面上, 将游码移至标尺左端的______处,发现指针静止时位置如图甲所示,此时应将平衡螺母向______ (选填“左” 或“右”)调节,使天平横梁水平平衡;(2)天平调节平衡后,测出空烧杯的质量为24g,在烧杯中倒入遭量的食用油,测出烧杯和食用油的总质量如图乙所示,则总质量为______g,再将烧杯中的食用油全部倒入空量筒中,如图丙所示,则食用油的密度为______kg/m3;(3)将食用油倒入量筒中时,有部分食用油附在烧杯内壁,由此导致测得的食用油的密度______ (选填 “偏大”或“偏小”);(4)小明认真思考,认为不用量筒也能测出食用油的密度,操作如下:①用天平测出空烧杯的质量m1;②在烧杯中装满水,测出烧杯和水的总质量m2;③将烧杯中的水全部倒出并擦干后,再装满食用油,测出烧杯和食用油的总质量m3。则食用油的密度: 油=______ (用 m1、m2、 m3和水表示)。12.为确定某种金属块的密度,某实验小组进行了如下探究:(1)调节天平平衡。将天平放在___________桌面上,把游码移到标尺左端零刻度线处,发现指针指在分度盘左侧,要使天平平衡,应将平衡螺母向___________(选填“左”或“右”)调;(2)用天平测量金属块的质量。当天平平衡时,放在右盘中的砝码和游码的位置如图甲所示,则金属块的质量m为___________g;(3)用量筒测量金属块的体积。将水倒入量筒,液面达到的位置如图乙所示,再把金属块完全浸没在量筒的水中,水面升高,如图丙所示,则该金属块的体积V为___________;(4)根据测量结果可知该金属块的密度为___________;(5)若实验中不小心把量筒打碎了,某同学用烧杯代替量筒继续做实验,其探究步骤如下:①往烧杯倒入适量的水,把一个质量为的金属块放入烧杯中,发现金属块沉入水中,如图丁所示,用油性笔记下___________;②用天平测出烧杯、水和金属块的总质量;③将金属块从水中取出,再往烧杯中缓慢加水,使水面上升至M处,如图戊所示;④用天平测出烧杯和水的总质量;⑤已知水的密度为ρ,则金属块密度的表达式为:___________(请用、、和ρ符号表示)。 参考答案1.游码移到标尺的零刻线处 取下5g砝码并向右移动游码 10.4 10 小于2.零刻线 左 42 20 1.1×103 偏大 BCA3.将平衡螺母向右调节 4.零刻度线 左 161.8 52 52 2.65×103 减小误差 不变5.称量时调节了平衡螺母 直至水面到达标记处 B 偏小6.右 将5g的砝码取下,再向右移动游码 62.4 20 1.12×103 偏大 7.调节平衡螺母直至天平平衡 应该先将游码移动到标尺左端的零刻度线处 右 27 10 偏大 ρ石 偏大8.乙 40 左 测量过程中调节平衡螺母 73.8 1.1×103 小 9.水平桌面 右 镊子 122 52 ① 不变10.零刻度线##零刻度 右 77.4 30 1.06 1.05 不变 测量盐水的体积误差较大11. 水平 零刻度线 左 61.2 偏大 12.水平 右 39 12 3.24×103 水面位置M
相关试卷
这是一份_2024年中考物理一轮专题复习:+测量物质的密度实验,共9页。试卷主要包含了小文发现等内容,欢迎下载使用。
这是一份中考物理一轮复习强化训练——测量物质的密度 (含答案),共16页。试卷主要包含了2kg的水,2g等内容,欢迎下载使用。
这是一份初中物理中考复习 备战2020中考物理章节强化训练——测量物质的密度,共16页。试卷主要包含了2kg的水,2g等内容,欢迎下载使用。

