2020-2021学年山东省济南外国语学校高三(下)月考化学试卷(3月份)
展开
这是一份2020-2021学年山东省济南外国语学校高三(下)月考化学试卷(3月份),共25页。
2020-2021学年山东省济南外国语学校高三(下)月考化学试卷(3月份)
1. 分子式为C3H4Cl2的链状化合物(包括顺反异构)有( )
A. 5种 B. 6种 C. 7种 D. 8种
2. 下列有关溶液(室温下)的说法正确的是( )
A. Na2CO3和NaHCO3形成的混合溶液中:2c(Na+)=3[c(CO32−)+c(HCO3−)+c(H2CO3)]
B. 0.10mol⋅L−1NaHSO3溶液中通入NH3至溶液pH=7:c(Na+)>c(NH4+)>c(SO32−)
C. 物质的量浓度相等的①(NH4)2SO4溶液、②NH4HCO3溶液、③NH4Cl溶液、④(NH4)2Fe(SO4)2溶液中,c(NH4+)的大小关系:④>①>②>③
D. 0.10mol⋅L−1CH3COONa溶液中通入HCl至溶液pH=7:c(Na+)>c(CH3COOH)=c(Cl−)
3. 两体积相同的密闭容器中均充入1mol X和1mol Y,分别于300℃和500℃开始发生反应:X(g)+Y(g)⇌3Z(g),Z的含量(Z%)随时间t的变化如图所示,已知在t3时刻改变了某一实验条件。相关判断正确的是( )
A. 曲线a是500℃时的图象 B. t3时刻可能是降低了温度
C. 正反应是吸热反应 D. t3时刻可能是增大了压强
4. 中学化学中很多“规律”都有其适用范围,下列根据有关“规律”推出的结论正确的是( )
选项
规律
结论
A
溶解度小的沉淀易向溶解度更小的沉淀转化
ZnS 沉淀中滴加CuSO4溶液可以得到CuS 沉淀
B
较强酸可以制取较弱酸
次氯酸溶液无法制取盐酸
C
反应物浓度越大,反应速率越快
常温下,相同的铝片中分别加入足量的浓、稀硝酸,浓硝酸中铝片先溶解完
D
结构和组成相似的物质,沸点随相对分子质量增大而升高
NH3的沸点低于PH3
A. A B. B C. C D. D
5. 已知下列四组实验:
①向KMnO4晶体上滴加浓盐酸,产生氯气;
②向FeCl2溶液中通入少量氯气,溶液变黄色;
③向FeCl2溶液中加入少量溴水,溶液变黄色;
④分别取实验②和实验③中生成的溶液,分别滴在淀粉KI试纸上,试纸都变蓝色.
则下列判断不正确的是( )
A. 实验①能够证明Cl−具有还原性
B. 上述实验能够证明氧化性:Cl2>Br2
C. 上述实验能够证明氧化性:MnO4−>Cl2>Fe3+>I2
D. 由上述实验不能判断氯气能使湿润的淀粉KI试纸变蓝
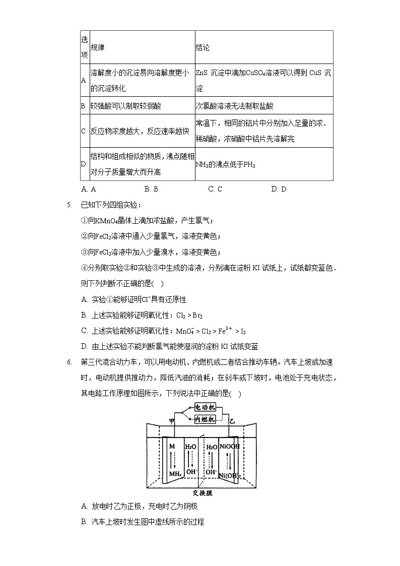
6. 第三代混合动力车,可以用电动机、内燃机或二者结合推动车辆。汽车上坡或加速时,电动机提供推动力,降低汽油的消耗;在刹车或下坡时,电池处于充电状态,其电路工作原理如图所示,下列说法中正确的是( )
A. 放电时乙为正极,充电时乙为阴极
B. 汽车上坡时发生图中虚线所示的过程
C. 放电时负极的电极反应式为:MHn−ne−=M+nH+
D. 电池充电时,OH−由甲侧向乙侧移动
7. 能正确表示下列反应的离子方程式是( )
A. 向碳酸氢钙溶液中滴入过量澄清石灰水:Ca2++2HCO3−+2OH−=CaCO3↓+CO32−+2H2O
B. NH4HSO3溶液与足量的NaOH溶液混合加热:NH4++HSO3−+2OH−−△NH3↑+SO32−+2H2O
C. 向NaHSO4溶液中逐滴加入Ba(OH)2溶液至溶液呈中性:H++SO42−+Ba2++OH−=BaSO4↓+H2O
D. 向KIO3与KI混合溶液中加入醋酸发生反应生成I2:IO3−+5I−+6H+=3I2+3H2O
8. 根据实验操作和现象所得出的结论正确的是( )
选项
实验操作
实验现象
结论
A
将盐酸滴入NaHCO3溶液中
有气泡产生
氯的非金属性比碳的强
B
用pH试纸分别测定0.1mol⋅L−1的Na2SO3溶液和0.1mol⋅L−1的NaHSO3溶液的pH
Na2SO3溶液的pH约为10
NaHSO3溶液的pH约为5
HSO3−结合H+的能力比SO32−强
C
分别将乙烯与SO2通入酸性KMnO4溶液中
KMnO4溶液均褪色
两种气体使酸性KMnO4溶液褪色的原理相同
D
向2ml0.1mol⋅L−1MgCl2溶液中加入5ml0.1mol⋅L−1NaOH溶液,出现白色沉淀后,继续滴入几滴FeCl3浓溶液,静置
出现红褐色沉淀
同温下,Ksp[Mg(OH)2]>Ksp[Fe(OH)3]
A. A B. B C. C D. D
9. 下列反应对应的离子方程式正确的是( )
A. 向碘化亚铁溶液中加入少量溴水:2I−+Br2=I2+2Br−
B. 磁性氧化铁溶于盐酸:Fe3O4+8H+=3Fe3++4H2O
C. 硫化亚铁溶于稀硝酸:Fe2++NO3−+4H+=Fe3++NO↑+2H2O
D. 向氯化铁溶液中加入少量硫化钠:2Fe3++3S2−+6H2O=2Fe(OH)3↓+3H2S↑
10. 下列离子方程式正确的是( )
A. 将8.96L(标准状况)CO2通入100mL3mol⋅L−1NaOH溶液中:3CO2+4OH−=CO32−+2HCO3−+H2O
B. Fe3O4与足量稀HNO3反应:3Fe3O4+28H++NO3−=9Fe3++NO↑+14H2O
C. 用铜棒作阳极、炭棒作阴极电解饱和氯化钠溶液:
D. 硫酸铝溶液和过量的氢氧化钡溶液混合Al3++2SO42−+2Ba2++4OH−=AlO2−+2BaSO4↓+2H2O
11. 下列溶液中有关物质的量浓度关系正确的是( )
A. 0.1mol⋅L−1NaHCO3溶液:c(Na+)>c(HCO3−)>c(CO32−)>c(H2CO3)
B. 0.1mol⋅L−1NaHCO3溶液与0.1mol⋅L−1NaOH溶液等体积混合:c(Na+)=2c(CO32−)+c(HCO3−)+2c(H2CO3)
C. 0.1mol⋅L−1NaHCO3溶液与0.2mol⋅L−1NaOH溶液等体积混合:c(Na+)>c(OH−)>0.05mol⋅L−1>c(CO32−)>c(HCO3−)
D. 0.2mol⋅L−1NaHCO3溶液与0.1mol⋅L−1NaOH溶液等体积混合:c(CO32−)+2c(OH−)=c(HCO3−)+3c(H2CO3)+2c(H+)
12. 已知C−C单键可以绕键轴旋转,其结构简式可表示为CH3−−CH3的烃,下列说法中正确的是( )
A. 该烃是苯的同系物
B. 分子中最多有6个碳原子处于同一直线上
C. 该烃的一氯代物最多有四种
D. 分子中至少有10个碳原子处于同一平面上
13. 常温下,向10mL0.1mol⋅L−1的CH3COOH溶液中逐滴加入0.1mol⋅L−1NaOH溶液,所得滴定曲线如图所示.下列说法一定正确的是( )
A. A点的pH为1
B. B点时:2c(H+)+c(CH3COOH)=2c(OH−)+c(CH3COO−)
C. 在A→B之间:c(CH3COO−)>c(Na+)>c(H+)>c(OH−)
D. C点时:c(H+)+c(Na+)=c(OH−)+c(CH3COO−)
14. m g铜与足量浓H2SO4共热时完全反应,在标准状况下生成n L气体,则被还原的H2SO4的量是( )
A. m32mol B. m64mol C. 98n22.4mol D. 196m22.4mol
15. 下列各表述与示意图一致的是( )
A. 图①表示10mL0.01mol⋅L−1 KMnO4 酸性溶液与过量的0.1mol⋅L−1 H2C2O4溶液混 合时,n(Mn2+)随时间的变化
B. 图②中a、b曲线分别表示反应CH2=CH2 (g)+H2(g)→CH3CH3(g);△H”、“=”或“”、“=”或“k(无碘)
B.第一步对总反应速率起决定作用
C.第二步活化能比第三步大
D.I2浓度与N2O分解速率无关
答案和解析
1.【答案】C
【解析】解:C3H6的链状同分异构体,只有一种结构:CH3−CH=CH2;由于CH3−CH=CH2含有三种氢,所以有三种一氯代物:ClCH2−CH=CH2、CH3−CCl=CH2、CH3−CH=CHCl;再分别以上述每一种产物为母体,根据第2个Cl原子的位置,CH2Cl−CH=CH2 的取代产物分别为:Cl2CH−CH=CH2,ClCH2−CCl=CH2,ClCH2−CH=CHCl(顺反异构2种)CH3−CCl=CHCl(顺反异构2种),共有6种;CH3−CH=CHCl的二氯取代产物为:CH3−CH=CCl2有1种;
所以,分子式为C3H4Cl2链状有机物的同分异构体共有7种。
故选:C。
含有两个或两个以上取代基的同分异构体书写,先分析母体对称性找出被1个取代基取代的产物种类,然后再分析各种一取代物的对称性,看第2个取代基可进入的位置,据此分析解答。
题考查同分异构体的书写,为高频考点,掌握有机物结构的确定是做题的关键,侧重学生分析能力和解答能力的考查,注意有机物的同分异构体的书写方法,题目难度不大。
2.【答案】D
【解析】解:A.等物质的量的Na2CO3和NaHCO3形成的混合溶液中存在物料守恒,即2n(Na)=3n(C),溶液中的物料守恒为:2c(Na+)=3[c(CO32−)+c(HCO3−)+c(H2CO3)],Na2CO3和NaHCO3形成的混合溶液的量未知,则不能判断离子浓度大小,故A错误;
B.溶液中钠离子与S原子物质的量之比为1:1,而铵根离子与部分亚硫酸根结合,故c(Na+)>c(NH4+),由物料守恒可知,c(Na+)=c(SO32−)+c(HSO3−)+c(H2SO3),溶液呈中性,由电荷守恒可得:c(Na+)+c(NH4+)=2c(SO32−)+c(HSO3−),联立可得:c(NH4+)+c(H2SO3)=c(SO32−),c(SO32−)>c(NH4+),故B错误;
C.物质的量浓度相等的这几种铵盐,化学式中NH4+个数越多,溶液中c(NH4+)越大,根据化学式知c(NH4+):①、④大于②、③;Fe2+抑制NH4+水解、HCO3−促进NH4+水解,所以c(NH4+):④>①>③>②,故C错误;
D.溶液pH=7,则溶液呈中性,c(H+)=c(OH−),溶液中存在电荷守恒为:c(H+)+c(Na+)=c(OH−)+c(Cl−)+c(CH3COO−),则c(Na+)=c(Cl−)+c(CH3COO−),所以c(Na+)>c(Cl−),溶液中存在物料守恒为:c(Na+)=c(CH3COO−)+c(CH3COOH),根据物料守恒、电荷守恒得c(CH3COOH)=c(Cl−),所以溶液中存在c(Na+)>c(CH3COOH)=c(Cl−),故D正确;
故选:D。
A.等物质的量的Na2CO3和NaHCO3形成的混合溶液中存在物料守恒,即2n(Na)=3n(C);
B.溶液中钠离子与S原子物质的量之比为1:1,而铵根离子与部分亚硫酸根结合,由物料守恒可知,c(Na+)=c(SO32−)+c(HSO3−)+c(H2SO3),溶液呈中性,由电荷守恒可得:c(Na+)+c(NH4+)=2c(SO32−)+c(HSO3−),联立判断;
C.物质的量浓度相等的这几种铵盐,化学式中NH4+个数越多,溶液中c(NH4+)越大;化学式中NH4+个数相等时,其水解程度越大,溶液中c(NH4+)越小;
D.溶液pH=7,则溶液呈中性,c(H+)=c(OH−),溶液中存在电荷守恒为:c(H+)+c(Na+)=c(OH−)+c(Cl−)+c(CH3COO−),则c(Na+)=c(Cl−)+c(CH3COO−),所以c(Na+)>c(Cl−),溶液中存在物料守恒为:c(Na+)=c(CH3COO−)+c(CH3COOH),根据物料守恒和电荷守恒判断。
本题考查离子浓度大小比较,侧重考查分析判断及知识综合应用能力,明确溶液中溶质成分及其性质、溶液酸碱性是解本题关键,注意电荷守恒和物料守恒的灵活应用。
3.【答案】B
【解析】
【分析】
本题考查了产物百分含量与温度、压强的关系,根据曲线变化趋势与温度的关系、压强的关系分析解答,题目难度不大。
【解答】
根据“先拐先平数值大”知,a的温度小于b;升高温度,Z的含量减小,说明正反应是放热反应;t3时刻,Z的含量增大,平衡向正反应方向移动,可以采用降低温度、减小压强的方法;
A.根据“先拐先平数值大”知,a的温度小于b,所以曲线a是300℃时的图象,故A错误;
B.a的温度小于b,升高温度,Z的含量减小,说明正反应是放热反应,t3时刻改变条件,Z的含量增大,平衡向正反应方向移动,所以可能是降低了温度或减小压强,故B正确;
C.a的温度小于b,升高温度,Z的含量减小,说明正反应是放热反应,逆反应是吸热反应,故C错误;
D.如果t3时刻增大压强,则平衡向逆反应方向移动,Z的含量减小,实际上Z的含量增大,所以可能是减小了压强,故D错误;
故选B。
4.【答案】A
【解析】解:A.ZnS沉淀中滴加CuSO4溶液,发生沉淀的转化,溶解度小的沉淀易向溶解度更小的沉淀转化,从而生成CuS更难溶的沉淀,故A正确;
B.HClO光照分解生成HCl,则弱酸可以制取强酸,但一般为较强酸可以制取较弱酸,故B错误;
C.常温下,铝遇浓硝酸发生钝化,则常温下,相同的铝片中分别加入足量的浓、稀硝酸,稀硝酸中铝片先溶解完,但一般为反应物浓度越大,反应速率越快,故C错误;
D.氨气中含氢键,沸点高于PH3,对不含氢键的,且结构和组成相似的物质,沸点随相对分子质量增大而升高,故D错误;
故选:A。
A.ZnS沉淀中滴加CuSO4溶液,发生沉淀的转化;
B.HClO光照分解生成HCl;
C.常温下,铝遇浓硝酸发生钝化;
D.氨气中含氢键.
本题涉及规律的应用及特例分析,把握HClO的性质、钝化、氢键及沉淀转化等知识点为解答的关键,注重高考高频考点的考查,题目难度不大,易错选项是D.
5.【答案】B
【解析】解:A、高锰酸钾能将浓盐酸氧化为氯气,高锰酸钾做氧化剂,HCl作还原剂,证明Cl−具有还原性,故A正确;
B、氯气能将亚铁离子氧化为三价铁,氯气做氧化剂,溴水将亚铁离子氧化为三价铁,溴单质做氧化剂,说明氧化性:Cl2>Fe3+,Br2>Fe3+,但是不能证明氧化性:Cl2>Br2,故B错误;
C、高锰酸钾能将浓盐酸氧化为氯气,高锰酸钾做氧化剂,氯气是氧化产物,每个反应的氧化剂的氧化性大于氧化产物的氧化性,所以氧化性MnO4−>Cl2,氯气能将亚铁离子氧化为三价铁,氯气做氧化剂,所以氧化性Cl2>Fe3+,三价铁将碘离子氧化为单质碘,二价铁是还原产物,单质碘是氧化产物,所以氧化性F3+>I2,则能够证明氧化性:MnO4−>Cl2>Fe3+>I2,故C正确;
D、向FeCl2溶液中通入少量氯气,溶液变黄色生成Fe3+,取实验②生成的溶液,滴在淀粉KI试纸上,试纸变蓝色,是因为F3+与碘离子反应生成I2,不能判断氯气能使湿润的淀粉KI试纸变蓝,故D正确.
故选B.
高锰酸钾能将浓盐酸氧化为氯气,高锰酸钾做氧化剂,浓盐酸做还原剂;
氯气能将亚铁离子氧化为三价铁,氯气做氧化剂,亚铁离子做还原剂;
三价铁将碘离子氧化为单质碘,三价铁是氧化剂,单质碘是氧化产物,
溴水将亚铁离子氧化为三价铁,溴单质做氧化剂,亚铁离子做还原剂;
氧化还原反应中氧化剂的氧化性大于氧化产物的氧化性,
还原剂的还原性大于还原产物的还原性.
本题考查氧化还原反应,把握氧化还原反应中氧化剂的氧化性大于氧化产物的氧化性是解答本题的关键,题目难度中等.
6.【答案】D
【解析】解:A、根据汽车上坡或加速时,电动机提供推动力可知:甲为负极、乙为正极,电池充电时是电解池,甲电极是阴极,乙是阳极,故A错误;
B、汽车上坡时电动机在工作,发生图中实线所示的过程,故B错误;
C、放电时负极发生氧化反应,电极反应式为MHn−ne−+nOH−=M+nH2O,故C错误;
D、电池充电时是电解池,电解池中的甲电极是阴极,乙是阳极,所以OH−由甲侧向乙侧移动,故D正确;
故选:D。
A、电池充电时为电解池,乙电极是阳极,放电时为原电池的正极;
B、汽车上坡时电动机在工作,发生图中实线所示的过程;
C、放电时负极发生氧化反应;
D、电池充电时是电解池,电解池中的甲电极是阴极,乙是阳极,根据阳离子移向阴极,阴离子移向阳极判断。
本题考查原电池和电解池的工作原理,明确混合动力车的工作原理和电极的判定是解题的关键,注意结合图片信息或电解质溶液书写电极反应式,题目难度中等。
7.【答案】B
【解析】解:A.向碳酸氢钙溶液中滴入过量澄清石灰水,反应生成碳酸钙沉淀和水,正确的离子方程式为:Ca2++HCO3−+OH−=CaCO3↓+H2O,故A错误;
B.NH4HSO3溶液与足量的NaOH溶液混合加热,反应生成氨气、亚硫酸钠和水,反应的离子方程式为:NH4++HSO3−+2OH−−△NH3↑+SO32−+2H2O,故B正确;
C.向NaHSO4溶液中逐滴加入Ba(OH)2溶液至溶液呈中性,亚硫酸钠与氢氧化钡按照物质的量2:1反应,正确的离子方程式为:2H++SO42−+Ba2++2OH−=BaSO4↓+2H2O,故C错误;
D.KIO3与KI混合溶液中加入醋酸发生反应生成I2,醋酸不能拆开,正确的离子方程式为:IO3−+5I−+6CH3COOH=3I2+6CH3COO−+3H2O,故D错误;
故选:B。
A.澄清石灰水过量,钙离子过量,反应产物中不会存在碳酸根离子;
B.氢氧化钠足量,铵根离子和亚硫酸氢根离子都参与反应;
C.溶液显示中性,硫酸氢钠与氢氧化钡按照物质的量2:1反应,离子方程式按照氢氧化钡的化学式书写;
D.醋酸为弱酸,离子方程式中醋酸不能拆开,需要保留分子式.
本题考查了离子方程式的正误判断,该题是高考中的高频题,属于中等难度的试题,注意掌握离子方程式的书写原则,明确离子方程式正误判断常用方法:检查反应能否发生,检查反应物、生成物是否正确,检查各物质拆分是否正确,如难溶物、弱电解质等需要保留化学式,检查是否符合守恒关系(如:质量守恒和电荷守恒等)、检查是否符合原化学方程式等.
8.【答案】C
【解析】解:A.盐酸为无氧酸,不能利用酸性比较非金属性,故A错误;
B.NaHSO3溶液的pH约为5,可知电离大于水解,而Na2SO3溶液水解显碱性,则HSO3−结合H+的能力不如SO32−强,故B错误;
C.乙烯与SO2均使高锰酸钾褪色,均发生氧化还原反应,故C正确;
D.NaOH过量,均为沉淀的生成,不能比较Ksp,故D错误;
故选:C。
A.盐酸为无氧酸;
B.NaHSO3溶液的pH约为5,可知电离大于水解,而Na2SO3溶液水解显碱性;
C.乙烯与SO2均使高锰酸钾褪色;
D.NaOH过量,均为沉淀的生成。
本题考查化学实验方案的评价,为高考常见题型,把握物质的性质、非金属性比较、盐类水解、沉淀生成、实验技能为解答的关键,侧重分析与实验能力的考查,注意实验的评价性分析,选项B为解答的易错点,题目难度不大。
9.【答案】A
【解析】解:A、向碘化亚铁溶液中加入少量溴水,溴单质氧化碘离子,离子方程式为2I−+Br2=I2+2Br−,故A正确;
B、磁性氧化铁溶于盐酸生成三价铁离子和二价铁离子:Fe3O4+8H+=2Fe3++Fe2++4H2O,故B错误;
C、硫化亚铁溶于稀硝酸:FeS+NO3−+4H+=Fe3++NO↑+S+2H2O,故C错误;
D、向氯化铁溶液中加入少量硫化钠发生氧化还原反应,离子方程式为:2Fe3++S2−=S↓+2Fe2+;故D错误;
故选:A。
A、依据离子的还原性强弱为I−>Fe2+>Br−,分析判断;
B、四氧化三铁溶于盐酸生成产物中有二价铁离子;
C、硫化亚铁难溶于水,硫元素也可以被硝酸氧化;
D、三价铁离子具有氧化性能氧化硫离子;
本题考查离子方程式的书写和注意问题,主要考查氧化还原反应的离子反应,关键是三价铁离子和硫离子发生氧化还原反应。
10.【答案】B
【解析】解:A.n(CO2)=8.96L22.4L/mol=0.4mol,n(NaOH)=3mol/L×0.1L=0.3mol,n(CO2):n(NaOH)=0.4mol:0.3mol=4:3>1,则反应产物为碳酸氢钠,正确的离子方程式为:CO2+OH−=HCO3−,故A错误;
B.Fe3O4与足量稀HNO3反应的离子方程式为:3Fe3O4+28H++NO3−=9Fe3++NO↑+14H2O,故B正确;
C.用铜棒作阳极、碳棒作阴极电解饱和氯化钠溶液,活性电极铜参加反应,总反应为:,故C错误;
D.硫酸铝溶液和过量的氢氧化钡溶液混合,离子方程式为:2Al3++3SO42−+3Ba2++6OH−=2AlO2−+3BaSO4↓+4H2O,故D错误;
故选:B。
A.8.96L(标准状况)CO2的物质的量为:n(CO2)=8.96L22.4L/mol=0.4mol,n(NaOH)=3mol/L×0.1L=0.3mol,n(CO2):n(NaOH)=0.4mol:0.3mol=4:3>1,二氧化碳过量,反应生成碳酸氢钠;
B.稀硝酸足量,反应生成硝酸铁、一氧化氮和水;
C.铜棒为阳极,阳极铜放电,氯离子不放电;
D.氢氧化钡过量,离子方程式按照硫酸铝的化学式组成书写。
本题考查离子方程式的判断,为高考的高频题,注意掌握离子方程式的书写原则,明确离子方程式正误判断方法:检查反应能否发生,检查反应物、生成物是否正确,检查各物质拆分是否正确,如难溶物、弱电解质等需要保留化学式,检查是否符合原化学方程式等,D为易错点,题目难度不大。
11.【答案】CD
【解析】解:A.NaHCO3溶液呈碱性,HCO3−水解程度大于电离程度,则c(H2CO3)>c(CO32−),故A错误;
B.Na2CO3溶液中存在物料守恒,为c(Na+)=2c(CO32−)+2c(HCO3−)+2c(H2CO3),故B错误;
C、向0.1mol⋅L−1NaHCO3溶液中加入等体积0.2mol⋅L−1NaOH溶液后,相当于0.05mol⋅L−1的Na2CO3溶液和0.05mol⋅L−1NaOH溶液的混合液,由于Na2CO3的水解呈碱性,所以c(Na+)>c(OH−)>0.05mol⋅L−1>c(CO32−)>c(HCO3−),故C正确;
D、向0.2mol⋅L−1NaHCO3溶液中加入等体积0.1mol⋅L−1NaOH溶液后,相当于0.05mol⋅L−1的Na2CO3溶液和0.05mol⋅L−1NaHCO3溶液的混合液,根据电荷守恒可知:c(Na+)=2c(CO32−)+c(HCO3−)+c(OH−)−c(H+).…①,而物料守恒可知:2c(Na+)=3c(CO32−)+3c(HCO3−)+3c(H2CO3)…②,将①代入②,可得:c(CO32−)+2c(OH−)=c(HCO3−)+3c(H2CO3)+2c(H+),故D正确;
故选:CD.
A.NaHCO3溶液呈碱性,HCO3−水解程度大于电离程度;
B、0.1mol⋅L−1NaHCO3溶液与0.1mol⋅L−1NaOH溶液等体积混合,恰好完全反应生成单一的碳酸钠;
C、向0.1mol⋅L−1NaHCO3溶液中加入等体积0.2mol⋅L−1NaOH溶液后,相当于0.05mol⋅L−1的Na2CO3溶液和0.05mol⋅L−1NaOH溶液的混合液,由于Na2CO3的水解,导致氢氧根离子浓度大于0.05mol⋅L−1,而碳酸根离子浓度小于0.05mol⋅L−1;
D、向0.2mol⋅L−1NaHCO3溶液中加入等体积0.1mol⋅L−1NaOH溶液后,相当于0.05mol⋅L−1的Na2CO3溶液和0.05mol⋅L−1NaHCO3溶液的混合液,根据物料守恒和电荷守恒分析解答.
本题考查离子浓度大小的比较,结合盐的水解综合分析离子浓度的变化情况,学生要学会将守恒知识在解这类题中的应用,有一定的难度.
12.【答案】A
【解析】解:A、烃CH3−−CH3,中只含有1个苯环,侧链是甲基,属于苯的同系物,故A正确;
B、苯环是平面正六边形,甲基C原子处于苯中H原子位置,所以2个甲基C原子与2个甲基连接的苯环碳原子处于同一直线,所以对二甲苯有4个碳原子处于同一直线上,故B错误;
C、对二甲苯是对称结构,分子中只有2种H原子,甲基1种,苯环上1种,所以其一氯代物有2种同分异构体,故C错误;
D、甲基与苯环平面结构通过单键相连,甲基的C原子处于苯的H原子位置,所以处于苯环这个平面,所以有8个碳原子共面,单键可以旋转,通过旋转碳碳单键可以使甲基中的1个H原子处于苯环平面内,所以分子中最多有14个原子共面。故D错误。
故选:A。
A、苯的同系物只含有1个苯环,且侧链是烷基.
B、根据苯的平面正六边形结构.
C、利用等效H原子判断,有几种H原子就有几种一氯代物.
D、根据苯的平面形结构,及甲烷的四面体结构判断.
考查有机物的结构,见的有机化合物中甲烷是正四面体结构,乙烯和苯是平面型结构,乙炔是直线型结构,在此基础上进行共线、共面的判断.
13.【答案】BD
【解析】解:A.醋酸是弱电解质,所以0.1mol/L的醋酸溶液中c(H+)1,故A错误;
B.任何电解质溶液中都存在电荷守恒和物料守恒,醋酸和NaOH浓度相等,醋酸体积是NaOH的二倍,所以存在2c(Na+)=c(CH3COOH)+c(CH3COO−),根据电荷守恒得c(H+)+c(Na+)=c(OH−)+c(CH3COO−)、根据物料守恒得2c(Na+)=c(CH3COOH)+c(CH3COO−),所以得2c(H+)+c(CH3COOH)=2c(OH−)+c(CH3COO−),故B正确;
C.A−B之间,如果NaOH的量很少,可能存在c(Na+)1.
本题考查较为综合,为高考常见题型,侧重于学生的分析能力的考查,注意把握反应中的能量变化及图象的含义即可解答,对学生能力要求较高,难度中等.
16.【答案】(1) ;4p
(2)BD
(3)Ga
相关试卷
这是一份深圳外国语学校2023届高三第7次月考化学试卷(含答案),共16页。试卷主要包含了单选题,填空题等内容,欢迎下载使用。
这是一份山东省济南外国语学校2022-2023学年高一化学上学期12月月考试题(Word版附解析),共19页。试卷主要包含了 分类思想是研究化学的常用方法, 将1,03等内容,欢迎下载使用。
这是一份2020济南外国语学校高三寒假测试(三)化学试题扫描版含答案,共11页。

