2021年中考物理微专题复习 专题05 中考光学五类重点实验问题(学生版)
展开专题05 光学五类重点实验问题
知识点1:光的直线传播规律实验
本实验在中考中常从以下几方面进行考查:
1.光源:能够自行 发光 的物体叫光源。
2.光沿直线传播的规律:光在均匀介质中是沿直线传播的。
3.光速:光在真空中速度为3×10m/s;光在空气中传播速度约等于真空中的速度。
4.用光的直线传播可解释影子的形成、小孔成像、日食等。
知识点2:探究光的反射定律实验
本实验在中考中常从以下几方面进行考查:
1.入射角(反射角)是指入射光线(反射光线)与法线的夹角。
2.如果想探究反射光线与入射光线是否在同一平面内,应如何操作?将纸板沿中轴ON向后折,观察在纸板B上是否有反射光线。
3.如果让光线逆着OF的方向射向镜面,会发现反射光线沿着OE方向射出,这表明:在反射现象中,光路是可逆的。4.理想模型法:用带箭头的直线表示光的传播路径和方向。
5.量角器的作用:测量反射角和入射角的大小。
6.从纸板不同方向都能看到光的传播路径原因是:光在纸板上发生了漫反射。
7.多次改变入射角大小并进行多次实验的目的:保证实验结论具有普遍性。
8.光的反射定律:在反射现象中,反射光线,入射光线,法线在同一平面内,反射光线,入射光线分居法线两侧;反射角等于入射角。
知识点3:探究平面镜成像特点实验
在中考试题中常从以下几个方面考查:
1.实验器材:薄玻璃板、两个完全相同的蜡烛、火柴、刻度尺、一张白纸、 笔。
2.操作步骤:实验时,将白纸铺在水平桌面上,将玻璃板竖直放在白纸上,点燃蜡烛法现玻璃板的后面有蜡烛的像,为了确定像的位置具体做法是移动另一侧未点燃的蜡烛,直至与像完全重合,用笔在白纸上做出标记。
3.如何确定像的虚实?将未点燃的蜡烛拿走,拿一个光屏放在该处不透过平面镜看光屏上是否有像。
5.得出结论:平面镜成像特点:物与像成正立、等大、左右相反的虚像,物与像对应点的连线垂直平面镜,物与像到平面镜的距离相等。
6.如果在实验中发现两个像,是由于玻璃板太厚导致的。两个像之间的距离由玻璃板的厚度决定
7.玻璃板后面的蜡烛为什么不需要点燃?若点燃后方蜡烛,使像的背景变亮,使像变淡,不便于观察像。
8.为什么用两只完全相同的蜡烛?便于比较物与像之间的大小关系。
9.实验中用玻璃板代替平面镜是因为?用平面镜不便于确定像的位置。
10.玻璃板为什么需要竖直放置?蜡烛能够与像重合,准确确定像的位置。
11.实验方法:等效替代
12.多次测量的目的:使实验结论具有普遍性,避免偶然性。
13.无论怎样移动玻璃板后方的蜡烛,都无法与像完全重合,是因为?玻璃板没有与水平桌面竖直放置。
14.刻度尺的作用?测量物与像到玻璃板距离。
知识点4:光的折射规律实验
在中考试题中通常从以下几个方面考查:
1.实验数据分析;
2.折射角与入射角的大小和变化关系;
3.折射过程中光路是可逆的;
4.实验拓展:全反射现象。
知识点5:探究凸透镜成像规律实验
本实验在中考中常从以下几个方面考查:
1.实验操作:实验时点燃蜡烛,使烛焰中心、凸透镜光心、光屏的中心(即焰心、光心、光屏中心)大致在同一高度,目的是:使烛焰的像成在光屏中央。 实验时发现蜡烛的像呈在光屏的上半部分,要想使像呈在光屏的中心,该如何操作:①向上移动光屏;②向上移动蜡烛;③向下移动凸透镜。
2.如果用手将凸透镜遮住一半,则光屏上依然是一个完整的像,但亮度较暗。
3.若在实验时,无论怎样移动光屏,在光屏都得不到像,可能得原因有:①蜡烛在焦点以内(u<f)②烛焰在焦点上(u=f) ③烛焰、凸透镜、光屏的中心不在同一高度 ④蜡烛到凸透镜的距离稍大于焦距,成像在很远的地方,光具座的光屏无法移到该位置。
4.燃烧的蜡烛不断变短,光屏上的像向上移动,为使像呈在光屏中央,应该将光屏向上移动或蜡烛向上移动或凸透镜向下移动。
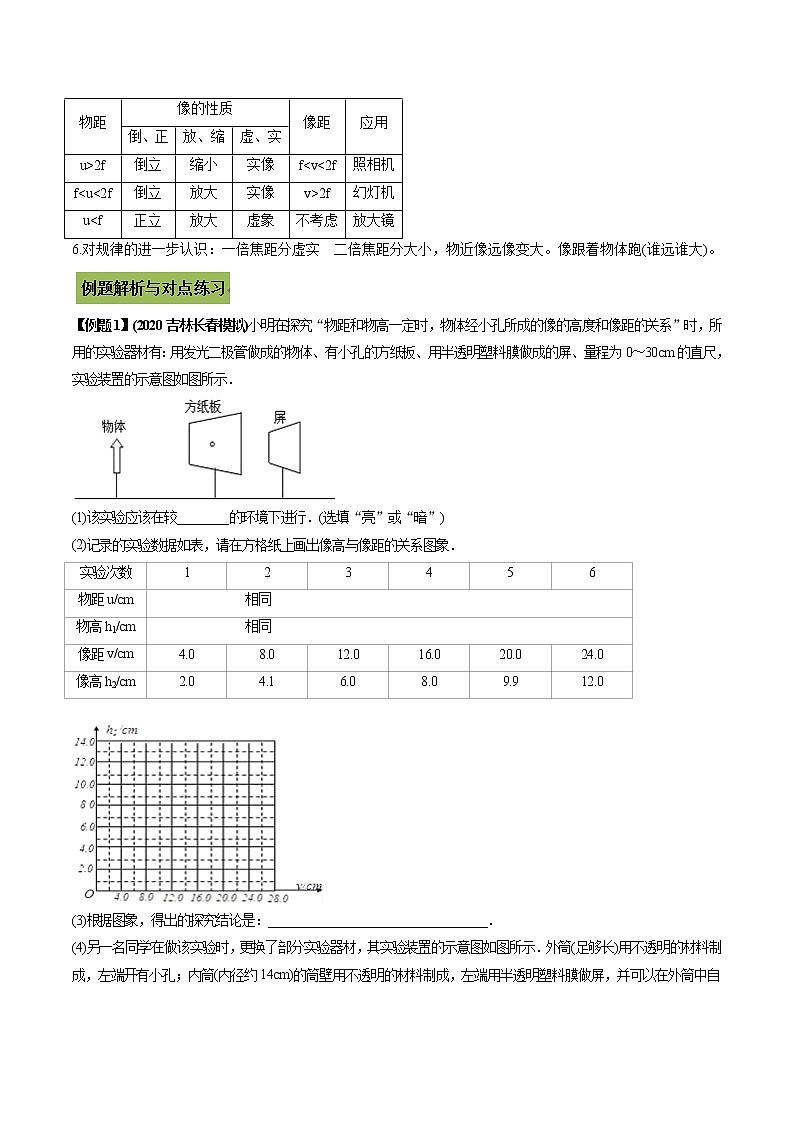
5.实验结论:(凸透镜成像规律)F分虚实,2f大小,实倒虚正,具体见下表。
物距 | 像的性质 | 像距 | 应用 | ||
倒、正 | 放、缩 | 虚、实 | |||
u>2f | 倒立 | 缩小 | 实像 | f<v<2f | 照相机 |
f<u<2f | 倒立 | 放大 | 实像 | v>2f | 幻灯机 |
u<f | 正立 | 放大 | 虚象 | 不考虑 | 放大镜 |
6.对规律的进一步认识:一倍焦距分虚实 二倍焦距分大小,物近像远像变大。像跟着物体跑(谁远谁大)。
【例题1】(2020吉林长春模拟)小明在探究“物距和物高一定时,物体经小孔所成的像的高度和像距的关系”时,所用的实验器材有:用发光二极管做成的物体、有小孔的方纸板、用半透明塑料膜做成的屏、量程为0~30cm的直尺,实验装置的示意图如图所示.
(1)该实验应该在较________的环境下进行.(选填“亮”或“暗”)
(2)记录的实验数据如表,请在方格纸上画出像高与像距的关系图象.
实验次数 | 1 | 2 | 3 | 4 | 5 | 6 |
物距u/cm | 相同 | |||||
物高h1/cm | 相同 | |||||
像距v/cm | 4.0 | 8.0 | 12.0 | 16.0 | 20.0 | 24.0 |
像高h2/cm | 2.0 | 4.1 | 6.0 | 8.0 | 9.9 | 12.0 |
(3)根据图象,得出的探究结论是:__________________________________.
(4)另一名同学在做该实验时,更换了部分实验器材,其实验装置的示意图如图所示.外筒(足够长)用不透明的材料制成,左端开有小孔;内筒(内径约14cm)的筒壁用不透明的材料制成,左端用半透明塑料膜做屏,并可以在外筒中自由地拉出或推入.其他器材不变.和小明所用的装置相比较,请说出该同学用这样的装置做实验的好处和不足.(各写一条即可)
好处: ________________;
不足: ________________.
【对点练习】晴天正午,小明与同学从树荫下走过时,发现地面上有许多大小、形状不同的光斑,如图所示。光斑形状与什么因素有关呢?光斑又是如何形成的呢?对此他们马上进行了探究。他们猜想光斑形状:
a.与树叶形状有关,光斑是树叶的影子;
b.与树叶间空隙形状有关;
c.与树叶间空隙大小有关。
(1)根据所学知识,可确定猜想a__________(选填“合理”或“不合理”)。
(2)为进行探究,他们制作了甲、乙、丙、丁四张带孔卡片,如图所示。其中,甲、乙卡片中小孔的尺寸均为3mm,甲、丙、丁卡片中大孔的尺寸均大于2cm,且丙、丁卡片中大孔尺寸相同。在进行探究时,他们在地上铺上一张白纸,把带孔的卡片置于上方,让太阳光透过卡片上的孔,观察纸面上出现的光斑形状。
若让你在甲、乙、丙、丁四张卡片中选择一张卡片来证实“光斑形状与树叶间空隙形状有关”,应选用_____卡片。
在探究“光斑形状与树叶间空隙大小是否有关”时,小明选用甲卡片进行实验探究,发现白纸上得到四个圆形光斑,由此得出“光斑形状与树叶间空隙大小无关”的结论,这结论__________(选填“可靠”或“不可靠”)。若由你进行探究,你将如何设计带孔的卡片?请在虚线框内画出孔的形状。
(3)通过探究,他们得到了以下结论,其中错误的是__________。
A.通过小孔形成的圆形光斑是像,通过大孔形成的光斑不是像
B.小孔形成的光斑与小孔的形状无关,大孔形成的光斑与大孔的形状有关
C.小孔和大孔所形成的光斑,其大小均与孔到地面的距离有关
D.不管光斑是不是像,它们都是由光的直线传播形成的
【例题2】(2020甘肃天水)“探究光的反射规律”的实验装置如图甲所示,平面镜放在水平桌面上,标有刻度(图中未画出)的白色纸板ABCD能绕垂直于CD的ON轴翻转,在纸板上安装一支可在纸板平面内自由移动的激光笔。
(1)实验前,应将纸板 放置平面镜上;移动激光笔,使入射光束绕入射点O沿逆时针方向转动,可观察到反射光束沿 时针方向转动;
(2)移动激光笔,使入射角为45°,测得反射角也为45°,由此就得出“光反射时,反射角等于入射角”的结论你认为有何不妥之处? ;
(3)如图乙所示,将纸板右半部分绕ON向后翻转任意角度,发现纸板上均无反射光束呈现此现象说明了: ;
(4)在图甲中,若将纸板(连同激光笔)绕CD向后倾斜,此时反射光束 (选填字母符号)。
A.仍在纸板上呈现 B.被纸板挡住 C.在纸板前方
(5)实验结束后,同组的小明和小刚都想从镜子中看到对方的眼睛,而不想让对方看到自己的眼睛,结果他俩谁都没有能做到,你认为没有能做到的原因是 。
【对点练习】如图所示为研究光的反射规律的实验装置,其中O点为入射点,ON为法线。入射光为EO时,反射光为OF。当反射光线、入射光线和法线在同一平面内时,三次实验得到的数据填在如下表格中。
实验次数 | 入射角 | 反射角 |
1 | 600 | 600 |
2 | 500 | 500 |
3 | 300 | 300 |
(1)根据实验数据表格的分析,你能得到的结论是:_____________________________。
(2)想探究反射光线、入射光线和法线是否在同一平面内,应如何操作?______________。
(3)如果让光线逆着OF的方向射向平面镜,会发现反射光线沿着OE方向射出,这个现象表明了:_________________________。
【例题3】(2020山东聊城)利用如图所示的装置“探究平面镜成像的特点”。
提出问题:平面镜成像时,像的位置、大小跟物体的位置、大小有什么关系?
设计和进行实验:
(1)为了便于确定像的位置。要用玻璃板作为平面镜。原因是玻璃板能成像,面且______(只填字母代号)。
A.透过玻璃板可以看见后面的蜡烛
B.玻璃板比平面镜成像更清晰
C.蜡烛经玻璃板可成实像
D.玻璃板只透光不反射光
(2)为了比较像与物体的大小关系,需要选用两根外形_____(选填“相同”或“不同”)的蜡烛;
(3)除图中提供的器材外,实验中还用到一种测量距离的工具,它是______;
(4)在寻找蜡烛A的像的位置时,眼睛应在故有蜡烛______(选填“A”或“B”)的一侧观察。
【对点练习】(2020•吉林模拟)如图是探究平面镜成像特点的实验装置.
(1)选择玻璃板代替平面镜进行实验的目的是 ;
(2)选择完全相同的两支蜡烛进行实验是为了比较像与物的 关系;
(3)实验中移动蜡烛B,直至与蜡烛A的像完全重合,此时蜡烛A到玻璃板的距离是12cm,则蜡烛B到玻璃板的距离是 cm.
【例题4】(2020桂林模拟)在探究光的折射规律的实验中。
(1)为了看清光在水中的传播路径,甲实验小组采取向水中注入几滴牛奶的方法,请分析这样做的原因。___________________________________
(2)乙实验小组将光从空气分别射入水和玻璃,测得数据如下表:
分析表格中的数据,你肯定能 得出一些规律。请写出三条:
① _________________________________。
②_________________________________ 。
③ _________________________________。
(3)小明通过实验研究光从水中射人空气中的现象,如图是他根据实验现象画的光路图,改变入射角的大小,他发现空气中的折射光线与法线的夹角随着入射角的增大而增大。你猜想,当入射角增大到一定程度时,可能出现的现象是什么?_____________________
【对点练习】某同学做探究光的折射特点实验,如图是光从空气射入水中时的光路,实验中发现,入射光线、折射光线和法线在同一平面内,折射光线和入射光线分别位于法线的两侧.通过实验还得到如下数据:
入射角α | 0° | 15° | 30° | 45° | 60° |
反射角β | 0° | 15° | 30° | 45° | 60° |
折射角γ | 0° | 11.3° | 22.1° | 35.4° | 40.9° |
(1)分析表中数据,可得出结论:
①光从空气斜射到水面时,将同时发生______和______现象;
②光从空气斜射到水面时,折射角随入射角的变化关系是:____________________,且折射角_________(大于/等于/小于)入射角.当光从空气垂直射到水面时,折射角等于零.该同学根据上述实验中的发现和结论②总结出了光的折射特点.
(2)请你对该同学通过上述探究实验得出光的折射特点的过程作出评价.是否存在不足?答:______(是/否);请简要说明理由:___________________________________.
【例题5】(2020四川南充)某学习小组“探究凸透镜成像的规律",进行了如下操作:
(1)安装并调节烛焰透镜、光屏,使它们三者中心大致在________;
(2)通过探究,记录并绘制了物距u与像距v之间的关系图像,如图甲所示,则该凸透镜的焦距是___________cm;
(3)当蜡烛放在如图乙所示位置时,调节光屏,可在光屏上得到一个倒立、________的实像,生活中的________(选填"照相机”“投影仪“、“放大镜")就是利用这样的成像原理工作的;
(4)若将透镜的上半部分用不适明的纸板挡住,则光屏上________(选填"能”或“不能”)成完整的像;
(5)在图乙中,小明借来物理老师的眼镜将其放在蜡烛和凸透镜之间,发现光屏上原本清晰的像变模糊了,向右移动光屏,光屏上的像又变清晰,说明老师戴的是________(选填“近视”或“远视")眼镜。
【对点练习】实验“探究凸透镜成像规律”的实验时:所使用的凸透镜焦距是15cm。
(1)当把凸透镜固定在50cm刻度线位置,蜡烛固定在15cm刻度线位置时,光屏应
在 (选填“Ⅰ”、“Ⅱ”或“Ⅲ”)区域内左右移动,才能在光屏上得到清晰的像。若得到清晰的像后,只将光屏和蜡烛的位置对调,则像的大小 。(选填“变小”、“不变”或“变大”)。
(2)把自己的近视眼镜放在上图凸透镜和蜡烛之间,发现光屏上的像变得模糊不清,应该向 凸透镜方向移动光屏(选填“靠近”或“远离”),可再次得到清晰的像,当凸透镜成实像时,物距增大,像距 。(选填“增大”或“减小”)。
(3)在整理器材时,某同学偶然在凸透镜上看到了身后景物的像,它的成像原因是光
的 (填“直线传播”、“反射”或“折射”)。
1.(2020黑龙江龙东农垦森工)(1)在“探究光的反射规律”的实验中,小亮进行如图甲所示的实验,让一束光EO贴着纸板射到平面镜上,将纸板沿ON向后折,此时在NOF面上看不到反射光线,如图乙所示。此实验现象说明 。在甲图中如果让光线逆着OF的方向射向镜面,会看到反射光线沿着OE方向射出,这表明 。
(2)如图丙所示是小亮同学“探究平面镜成像特点”的实验装置,平面镜成像的原理是 。在竖立的玻璃板前A处放一支点燃的蜡烛,可以看到玻璃板的后面出现蜡烛的像,拿一支大小和点燃蜡烛相同的蜡烛在玻璃板后面移动,当移动到A′处时,可以看到它跟像完全重合。由此可以得出的结论是 。经过三次实验后,在白纸上记录像与物的对应点如图丁所示,用刻度尺分别测出其到玻璃板的距离,并进行比较,进一步分析得出结论 。用玻璃板代替平面镜的原因是 ,便于研究平面镜的成像特点。
2.(2020湖北武汉)在探究平面镜成像特点的实验中:
(1)如图甲所示,在水平桌面上铺张大纸,将玻璃板竖立在纸上,沿着玻璃板在纸上画条直线,这条直线代表__________的位置;
(2)把一支点燃的蜡烛A放在玻璃板前面,可以看到它在玻璃板后面的像,再拿一支外形相同但不点燃的蜡烛B,竖立着在玻璃板后面移动,直到看上去蜡烛B跟蜡烛A的像完全重合。若在蜡烛B和玻璃板之间竖直放置一张不透明的白纸,则从C处一定能看到的是____(填“蜡烛B”、“蜡烛A的像”、“蜡烛B的像”或“蜡烛A的像和蜡烛B”);
(3)一束光从空气斜射向这块玻璃,并穿过玻璃进入空气中。请在图乙中画出这束光进入玻璃和离开玻璃后的光线。(要求标出法线)( )
3.(2020湖南常德)如图所示是“探究平面镜成像特点”的实验装置,把一支点燃的蜡烛A放在玻璃板的前面,再拿另一支外形相同的蜡烛B竖立着在玻璃板后面移动,直到看上去跟蜡烛A的像完全重合,这个位置就是像的位置,在白纸上记下A和B的位置。移动点燃的蜡烛,重做多次实验。
(1)实验过程中用玻璃板代替平面镜的目的是_______;
(2)移去蜡烛B,在其位置上竖立光屏,在光屏上_________(选填 “能”或“不能”)承接到蜡烛A的像,说明所成的像是_______像。
(3)将蜡烛A靠近玻璃板,所成像的大小将________。(选填“变大”“变小”或“不变”)。
4.(2020苏州)用如图所示的装置探究平面镜成像特点。
(1)组装器材时,要使玻璃板与水平桌面相互 。实验中选用两只完全相同的棋子A、B,其目的是为了比较像与物 的关系;
(2)若在棋子A的像的位置上放一光屏,光屏上 (能/不能)呈现出像;
(3)若将玻璃板绕底边向棋子B一侧翻转90°,则在此过程中,棋子A的像大小变化情况是 。棋子A顶端与其像之间的距离变化情况是 。
5.(2020山西模拟)如图是“探究光的反射规律”的实验装置,其中ABCD是白色硬纸板制成的光屏,并能沿ON折转,ON垂直于CD。
实验次数 | 1 | 2 | 3 | 4 | 5 | 6 |
入射角 | 60° | 50° | 40° | 30° | 20° | 0° |
反射角 | 60° | 50° | 40° | 60° | 20° | 0° |
(1)实验时,将光屏 放置在平面镜上,让一束光紧贴光屏射向镜面上的O点,可在光屏上看到反射光,如图甲:将光屏右半部分向后折转任意角度,光屏上都看不到反射光,如图乙。说明反射光线、入射光线与法线在 。
(2)某同学的实验数据如上表,其中有一组数据测错了,这组数据是第 次实验的,原因可能是将反射光线与 的夹角当成反射角。
6.(2020岳阳模拟)下图是小芳同学探究“平面镜成像的特点”实验装置。
(1)在实验中用透明的玻璃板代替平面镜,主要是利用玻璃透明的特点,便于 。
(2)在竖立的玻璃板前放一支点燃的蜡烛M,可以看到玻璃板后面出现蜡烛的像。小明拿另一支大小相同的蜡烛N在玻璃板后面移动,直到它跟蜡烛M的像完全重合。由此可以得出的结论是。
(3)实验时,小芳同学应在(填“M”或“N”)侧观察蜡烛M经玻璃板所成的像。
(4)细心的小芳透过玻璃观察蜡烛M的像时,看到在像的后面还有一个较模糊、与像有部分重叠的像,出现两个像的原因是。
(5)经过三次实验,记录的像A'、B'、C'与物A、B、C对应的位置如图乙所示。为了得到更多的实验结论,接下来小明应该进行的操作是:。
7.(2020海南模拟)在探究凸透镜成像规律时,如图甲所示,将A凸透镜固定在光具座上35cm刻线处,将点燃的蜡烛放置在光具座上5cm刻线处,移动光屏,使烛焰在光屏上成清晰的像,由A凸透镜成像中物距和像距的变化关系画出图像如图乙所示;接着他保持蜡烛的位置不变,将凸透镜A换为凸透镜B并保持位置不变,移动光屏,使烛焰在光屏上成清晰的像,如图丙所示.
(1)请根据上述实验现象和凸透镜成像规律判断:凸透镜A的焦距是 cm,凸透镜A的焦距 凸透镜B的焦距(选填“大于”、“小于”或“等于”).
(2)在甲图中,保持凸透镜不动,把蜡烛向右移动5cm,要想在光屏上再次得到清晰的像,应该把光屏向______(选填“左”、“右”)移动一段距离,像将______(选填“变大”、“变小”或“不变”).
(3)图丙所示的实验现象可以说明_______的成像特点(选填“照相机”、“幻灯机”或“放大镜”);若将远视眼镜放在蜡烛与凸透镜之间,光屏上原来清晰的像变模糊了,若保持凸透镜和光屏的位置不动,应使蜡烛________(选填“靠近”、“远离”)凸透镜,则又能在光屏上看到蜡烛清晰的像.
8.(2020江苏徐州模拟)五一期间小红随父亲到宜昌市磨基山公园游玩,小红父亲用照相机拍摄了夷陵长江大桥的清晰照片,小红发现相机中桥的像有点小,提议能否把桥的像拍得更大一些,她父亲便更换相机镜头后在原地又拍摄了一张夷陵长江大桥的清晰照片,如图12甲所示,两次成像的大小不同是什么原因造成的呢?她猜想可能是两个镜头的焦距不同造成的。为了验证这一想法,返校后,她在学校实验室找来了一只蜡烛、焦距分别为5cm和10cm的两个凸透镜、光具座、光屏等器材进行了以下探究:
(1)如图乙所示,她先将f=5cm的凸透镜固定在光具座50cm刻度处,再将蜡烛放在光具座10cm刻度处,移动光屏,使光屏上出现清晰的像,此时的像是一个倒立、_____的实像。
(2)接下来她换用f=10cm的凸透镜,仍然固定在光具座50cm刻度处,为了再次得到清晰的像,她应该保持_______不变,移动________,直到出现清晰的像为止。
(3)对比两次实验中像的大小,发现第二次成的像比第一次稍大,据此小红得出的结论是:_________。
(4)用照相机拍照时,要想成的像更大,除了更换相机镜头外,还可以____________。
中考物理微专题复习专题05中考光学五类重点实验问题学生版: 这是一份中考物理微专题复习专题05中考光学五类重点实验问题学生版,共12页。试卷主要包含了光源,光沿直线传播的规律,光速,量角器的作用,光的反射定律等内容,欢迎下载使用。
中考物理微专题复习专题05中考光学五类重点实验问题教师版含解析: 这是一份中考物理微专题复习专题05中考光学五类重点实验问题教师版含解析,共18页。试卷主要包含了光源,光沿直线传播的规律,光速,量角器的作用,光的反射定律等内容,欢迎下载使用。
中考物理微专题复习专题13中考浮力实验问题学生版: 这是一份中考物理微专题复习专题13中考浮力实验问题学生版,共7页。试卷主要包含了考查方式,必记需要牢记的知识,解答相关实验类问题的答题规则,6N,8N,在“测量物质的密度”实验中等内容,欢迎下载使用。

