2022届高三化学一轮复习实验专题考点细练专题40有机物制备实验探究题含解析
展开专题40 有机物制备实验探究题
填空题(本大题共15小题)
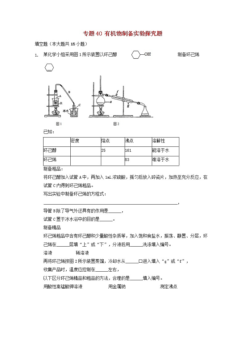
1. 某化学小组采用图1所示装置以环己醇 制备环己烯
已知:
密度
熔点
沸点
溶解性
环己醇
25
161
能溶于水
环己烯
83
难溶于水
制备粗品:
将环己醇加入试管A中,再加入1mL浓硫酸,摇匀后放入碎瓷片,加热至充分反应,在试管C内得到环己烯粗品。
写出实验中制备环己烯的方程式: ,
导管B除了导气外还具有的作用是______,
试管C置于冰水浴中的目的是______。
制备精品
环己烯粗品中含有环己醇和少量酸性杂质等,加入饱和食盐水,振荡、静置、分层,环己烯在______层填“上”或“下”,分液后用______洗涤填入编号。
溶液 稀溶液
再将环己烯按图2所示装置蒸馏,冷却水从______口进入填入“g”或“f”,
收集产品时,温度应控制在______左右,
以下区分环己烯精品和粗品的方法,合理的是______填入编号。
用酸性高锰酸钾溶液 用金属钠 测定沸点
2. 实验室制备溴乙烷的装置和步骤如图:加热装置已略去
实验流程如下图所示:
已知:
溴乙烷的沸点为 ,密度约
乙醇、乙醚等有机物在浓硫酸中会因质子化而溶于浓硫酸,浓硫酸密度约
仪器 A的名称为 ______________________________,冷却水的出水口是________填 a或 。
步骤蒸馏制得的粗产品中含有主要杂质是乙醚,产生这种杂质的原因是___________________________。用化学方程式表示
步骤制备 粗品操作如下,在常温下往粗产品中加入浓硫酸萃取,溶液经分液后得到 粗品。分液时粗品位于 _______________________________________层填”上或下”,下图是萃取、分液的装置,请选择合适的编号,按正确操作顺序完成实验:
倒入溶液和萃取剂 使下层液体慢慢流出上层液体从上口倒出。
打开上口塞子; 塞上上口塞子; 关闭旋塞; 打开旋塞;
倒转分液漏斗振摇; 放在铁圈上静置。
某同学在加入浓硫酸后立即加入 NaBr粉末,发现制得粗产品略显黄色,其可能的原因是 ___。
请设计实验证明产品中含有 Br元素 _____________________________________________________________________。
3. 实验室常用环己醇脱水合成环己烯。实验装置如图。有关实验数据如下表:
相对分子质量
密度
沸点
溶解性
环己醇
100
161
微溶于水
环己烯
82
83
难溶于水
合成反应:在a中加入环己醇,冷却搅动下慢慢加入浓硫酸。c中通入冷却水后,开始缓慢加热a,控制馏出物的温度不超过。当烧瓶中只剩下很少量的残渣并出现阵阵白雾时停止蒸馏。
分离提纯:将e中粗产物倒入分液漏斗中分别用少量碳酸钠溶液和水洗涤,分离后加入无水氯化钙颗粒,静置一段时间后弃去氯化钙,最终通过蒸馏得到纯净环己烯。
仪器c的名称为___________,在合成反应进行之前,圆底烧瓶中还应加入适量的___________。
该合成反应的化学方程式是___________。实验中最容易产生的副产物结构简式为___________。
控制馏出物的温度不超过的目的是___________。
分离提纯过程中加入碳酸钠溶液的作用是___________。
本实验所制得的环己烯的产率为___________
4. 按下列实验步骤回答问题:
在a中加入15mL无水苯和少量铁屑,在b中小心加入液态溴,向a中滴入几滴溴,有白雾产生,继续滴加至液溴滴完装置c的作用是_________________________________________________________________。
液溴滴完后,经过下列步骤分离提纯:
向a中加入10mL水,然后过滤除去未反应的铁屑;
滤液依次用10mL水、的NaOH溶液、10mL水洗涤。
NaOH溶液洗涤的作用是_________________________________________;
向分出的粗溴苯中加入少量的无水氯化钙,静置、过滤。加入氯化钙的目的是_______________________________________
在该实验中,a的容积最适合的是____________。填入正确选项前的字母
A.250mL
经以上分离操作后,粗溴苯中还含有的主要杂质为____________,要进一步提纯,下列操作中必须的是_________________;填入正确选项前的字母
A.萃取 蒸馏 过滤 结晶
5. 乙酰乙酸乙酯是有机合成中非常重要的原料,实验室制备乙酰乙酸乙酯的反应原理、装置示意图和有关数据如下所示:
实验步骤:
合成:向三颈烧瓶中加入无水乙酸乙酯和微量乙醇,迅速加入切细的金属钠。水浴加热反应液,缓慢回流约2h至金属钠全部反应完。停止加热,冷却后向反应混合物中加入乙酸至反应液呈弱酸性。
分离与提纯:
向反应混合物中加入等体积的饱和食盐水,分离得到有机层。
水层用无水乙酸乙酯萃取,分液。
将所得有机层合并,洗涤、干燥、蒸馏得到乙酰乙酸乙酯粗产品。
蒸馏粗产品得到乙酰乙酸乙酯。
迅速加入金属钠的原因是___________________________用化学方程式说明。
球形冷凝管中冷却水从_____填“上”或“下”口进入,上方干燥管中盛有无水,其作用是_________________________。
实验室制备乙酰乙酸乙酯时,通常在无水乙酸乙酯中加入微量的无水乙醇,其作用是_______。
分离与提纯操作中使用的分离仪器是_______。加入饱和食盐水的作用是_____________。
分离与提纯操作用饱和溶液洗涤的目的是____________________。
6. 乙烯是一种重要的化工原料,在实验室里用乙醇与浓硫酸共热制乙烯,常因温度过高而使乙醇和浓硫酸反应生成少量的二氧化硫,有人设计下列实验图以确认上述混合气体中有和。回答下列问题:
、II、III、IV装置可盛放的试剂是I______;II____;III_____;IV______将下列有关试剂的序号填入空格内。
A.品红溶液 溶液 浓硫酸 酸性溶液
能说明气体存在的现象是___________________________________。
确定含有乙烯的现象是_____________________________________________________________
如图是用实验室制得的乙烯与溴水作用制取1,二溴乙烷的部分装置图,根据图示判断下列说法正确的是
A. 装置和装置中都盛有水,其作用相同
B. 装置和装置中都盛有NaOH溶液,其吸收的杂质相同
C. 产物可用分液的方法进行分离,1,二溴乙烷应从分液漏斗的上口倒出
D. 制备乙烯和生成1,二溴乙烷的反应类型分别是消去反应和加成反应
利用溴乙烷发生消去反应也可制得乙烯,某实验小组为检验生成的气体中是否含乙烯设计了以下的装置。请回答:
利用溴乙烷发生消去反应的化学方程式为:
______________________________________________
试管a的作用是 __________________;若省去试管a,试管b中试剂为______________。
7. 1,2二溴乙烷的制备原理是:
一
某课题小组用如图所示的装置制备1,二溴乙烷。
回答下列问题
组装仪器后进行该实验前必须进行的操作是______。
装置B的作用是______。
三颈烧瓶内加入一定量的乙醇一浓硫酸混合液和少量粗砂,其加入粗砂目的是______,仪器E的名称是______。
装置C内发生的主要反应的离子方程式为______。
加热三颈烧瓶前,先将C与D连接处断开,再将三颈烧瓶在石棉网上加热,待温度升到约时,连接C与D,并迅速将A内反应温度升温至,从滴液漏斗中慢慢滴加乙醇一浓硫酸混合液,保持乙烯气体均匀地通入装有液溴和3mL水的D中试管,直至反应结束。
将C与D连接处断开的原因是______,
判断反应结束的现象是______。
将粗品移入分液漏斗,分别用水、氢氧化钠溶液、水洗涤,产品用无水氯化钙干燥,过滤后蒸馏收集馏分,得到,二溴乙烷。1,二溴乙烷的产率为______。
下列操作中,不会导致产物产率降低的是______ 填正确答案的标号
乙烯通入溴水时速率太快 装置E中的NaOH溶液用水代替。
去掉装置D烧杯中的水 实验时没有C装置 中的试管里不加水
8. 醇脱水是合成烯烃的常用方法,实验室合成环己烯的反应和实验装置如下:
可能用到的有关数据如下:
相对分子质量
密度
沸点
溶解性
环己醇
100
161
微溶于水
环己烯
82
83
难溶于水
合成反应:
在a中加入环己醇和2小片碎瓷片,冷却搅动下慢慢加入浓硫酸。b中通入冷却水后,开始缓慢加热a,控制馏出物的温度不超过。
分离提纯:
反应粗产物倒入分液漏斗中分别用少量碳酸钠溶液和水洗涤,分离后加入无水氯化钙颗粒,静置一段时间后弃去氯化钙。最终通过蒸馏得到纯净的环己烯。
装置b的名称是_______________;
加入碎瓷片的作用是____________;如果加热一段时间后发现忘记加瓷片,应该采取的正确操作是____________填正确答案标号。
A.立即补加 冷却后补加 不需初加 重新配料
本实验中最容易产生的副产物的结构简式为_________________。
分液漏斗在使用前必须清洗干净并________。在本实验分离过程中,产物应该从分液漏斗的__________填“上口倒出”或“下口倒出”。
分离提纯过程中加入无水氯化钙的目的是_________________。
在环已烯粗产物蒸馏过程中,不可能用到的仪器有_________填正确答案标号。
A.圆底烧瓶 温度计 吸滤瓶 环形冷凝管 接收器
本实验所得到的环己烯产率是_________填正确答案标号。
A.
9. 乙酰乙酸乙酯在医药上常用于合成维生素B。某化学小组在实验室中用如图装置制备乙酰乙酸乙酯。
已知:
有关物质的性质:
沸点
水中溶解性
乙酸乙酯
难溶
乙酰乙酸乙酯
181
微溶
乙酸
118
易溶
实验步骤:
向三颈烧瓶中加入无水乙酸乙酯,迅速加入切细的金属钠。水浴加热反应液,缓慢回流约2h至金属钠全部反应完。停止加热,冷却后向反应混合物中加入乙酸至反应液呈弱酸性。
向反应混合物中加入等体积的饱和食盐水,分离得到有机层。
水层用5mL无水乙酸乙酯萃取,分液。
将所得有机层合并,洗涤、干燥、蒸馏得到乙酰乙酸乙酯粗产品。
粗产品纯化得到乙酰乙酸乙酯。
回答下列问题:
仪器甲的名称是________,水从________填“上”或“下”口进入。
步骤中加入饱和食盐水的作用是________。
步骤中洗涤时用饱和溶液,目的是________。
步骤中粗产品纯化的操作名称是________。
本实验的产率为________结果保留3位有效数字。
10. 氯苯在染料、医药工业中用于制造苯酚、硝基氯苯、苯胺、硝基酚等有机中间体。实验室中制备氯苯的装置如图所示其中夹持装置已略去,请回答下列问题:
仪器a中盛有固体,仪器b中盛有浓盐酸。打开仪器b中的活塞,使浓盐酸缓缓滴下,可观察到仪器a中的现象是有黄绿色气体生成,固体逐渐溶解。用离子方程式说明产生该现象的原因:________________。
仪器b外侧的玻璃导管的作用是________________。
仪器d内盛有苯、粉末,仪器a中生成的气体经过仪器c进入到仪器d中。
仪器d中的反应需在温度为条件下进行,以减少副反应发生。则仪器d最好采用________加热。
仪器e的作用是________。
该方法制备的氯苯中含有很多杂质,工业生产中,通过水洗除尽、HCl及部分,然后通过碱洗除尽;碱洗后通过分液得到含氯苯的有机混合物,混合物成分及沸点如下表:
有机物
苯
氯苯
邻二氯苯
间二氯苯
对二氯苯
沸点
碱洗前先进行水洗的目的是________。
从该有机混合物中提取氯苯的方法____________________________________
实际工业生产中,苯的流失情况如表所示:
流失项目
蒸气挥发
二氯苯
其他
苯流失量
某次投产中,加入10t苯,则可制得氯苯________t。
11. 某化学小组采用类似制乙酸乙酯的装置如图,以环己醇为原料制备环己烯。
已知:
制备粗品:
将环己醇加入试管A中,再加入浓硫酸,摇匀后放入碎瓷片,缓慢加热至反应完全,在试管C内得到环己烯粗品。
导管B除了导气外还具有的作用是______________________。
试管C置于冰水浴中的目的是________________
制备精品
环己烯粗品中含有环己醇和少量酸性杂质等.加入饱和食盐水,振荡、静置、分层,环己烯在__________层填“上”或“下”,分液后用______ 填入编号洗涤.
溶液 稀 溶液
再将环己烯按如图装置蒸馏,冷水从____口进入。收集产品时,控制温度应在____左右。
以下区分环己烯精品和粗品的方法,合理的是______.
用酸性高锰酸钾溶液 用金属钠 测定沸点.
12. 醇脱水是合成烯烃的常用方法,实验室合成环己烯的反应和实验装置如下:
可能用到的有关数据如下:
相对分子质量
密度
沸点
溶解性
环己醇
100
161
微溶于水
环己烯
82
83
难溶于水
合成反应:在a中加入20g环己醇和2小片碎瓷片,冷却搅动下慢慢加入1mL浓硫酸.b中通入冷却水后,开始缓慢加热a,控制馏出物的温度不超过.
分离提纯:反应粗产物倒入分液漏斗中分别用少量碳酸钠溶液和水洗涤,分离后加入无水氯化钙颗粒,静置一段时间后弃氯化钙.最终通过蒸馏得到纯净环己烯10g.
回答下列问题:
装置b的名称是______
加入碎瓷片的作用是______.
在本实验分离过程中,产物应该从分液漏斗的______
A.上口倒出 下口放出
在本实验合成反应过程中,b中如何通入冷却水______
A.上口流进下口流出 下口流进上口流出
在环己烯粗产物蒸馏过程中,不可能用到的仪器有______填正确答案标号.
A.圆底烧瓶 温度计 蒸发皿 酒精灯 接收器
分离提纯过程中加入无水氧化钙的目是______
本实验中最容易产生的副产物的结构简式为______
本实验所得到的环己烯产率是______结果化成百分数.
13. 某探究小组设计如图所示装置夹持、加热仪器略,模拟工业生产进行制备三氯乙醛的实验.查阅资料,有关信息如下:
制备反应原理:
可能发生的副反应:
三氯乙酸
相关物质的相对分子质量及部分物理性质:
相对分子质量
46
熔点
58
沸点
198
溶解性
与水互溶
可溶于水、乙醇
可溶于水、乙醇、三氯乙醛
微溶于水,可溶于乙醇
仪器A中发生反应的化学方程式为______.
装置B中的试剂是______,若撤去装置B,可能导致装置D中副产物______填化学式的量增加;装置D可采用______加热的方法以控制反应温度在左右.
装置中球形冷凝管的作用为______,写出E中所有可能发生的无机反应的离子方程式______.
反应结束后,有人提出先将D中的混合物冷却到室温,再用过滤的方法分离出你认为此方案是否可行______.
测定产品纯度:称取产品配成待测溶液,加入碘标准溶液,再加入适量溶液,反应完全后,加盐酸调节溶液的pH,立即用溶液滴定至终点.进行三次平行实验,测得消耗溶液则产品的纯度为______计算结果保留三位有效数字.
滴定的反应原理:
为证明三氯乙酸的酸性比乙酸强,某学习小组的同学设计了以下三种方案,你认为能够达到实验目的是______.
分别测定两种酸溶液的pH,三氯乙酸的pH较小
用仪器测量浓度均为的三氯乙酸和乙酸溶液的导电性,测得乙酸溶液的导电性弱
测定等物质的量浓度的两种酸的钠盐溶液的pH,乙酸钠溶液的pH较大.
14. 苯甲酸乙酯稍有水果气味,用于配制香水香精和人造精油,大量用于食品工业中,也可用作有机合成中间体、溶剂等.其制备方法为:
已知:
颜色、状态
沸点
密度
苯甲酸
无色片状晶休
249
苯甲酸乙酯
无色澄清液体
乙醇
无色澄清液体
环己烷
无色澄清液体
苯甲酸在会迅速升华.实验步骤如下:
在圆底烧瓶中加入苯甲酸、25mL乙醇过量、20mL 环己烷,以及4mL浓硫酸,混合均匀并加入沸石,按如图所示装好仪器,控制温度在加热回流反应时环己烷一乙醇水会形成“共沸物”沸点蒸馏出来,再利用分水器不断分离除去反应生成的水,回流环己烷和乙醇.
反应结束,打开旋塞放出分水器中液体后,关闭旋塞.继续加热,至分水器中收集到的液体不再明显增加,停止加热.
将烧瓶内反应液倒人盛有适量水的烧杯中,分批加入至溶液呈中性.
用分液漏斗分出有机层,水层用25mL乙醚萃取分液,然后合并至有机层.加入氯化钙,对粗产物进行蒸馏装置如图所示,低温蒸出乙醚后,继续升温,接收的馏分.
检验合格,测得产品体积为.
在该实验中,圆底烧瓶的容积最适合的是______填入正确选项前的字母.
A.25mL
步骤中沸石的作用是______,使用分水器不断分离除去水的目的是______.
步骤中应控制馏分的温度在______
A.
步骤加入的作用是______;若加入不足,在之后蒸馏时,蒸馏烧瓶中可见到白烟生成,产生该现象的原因是______.
关于步骤中的萃取分液操作叙述正确的是______
A.水溶液中加入乙醚,转移至分液漏斗中,塞上玻璃塞,分液漏斗倒转过来,用力振摇
B.振摇几次后需打开分液漏斗下口的玻璃塞放气
C.经几次振摇并放气后,手持分液漏斗静置待液体分层
D.放出液体时,应打开上口玻璃塞或将玻璃塞上的凹槽对准漏斗口上的小孔
计算本实验的产率为______.
15. 如图是实验室制备1,二溴乙烷并进行一系列相关实验的装置加热及夹持设备已略.
已知:
相关数据列表如表:
乙醇
1,二溴乙烷
乙醚
溴
状态
无色液体
无色液体
无色液体
红棕色液体
密度
沸点
132
熔点
9
水溶性
混溶
难溶
微溶
可溶
请完成下列填空:
实验中应迅速将温度升高到左右的原因是______.
气体发生装置使用连通滴液漏斗的原因______.
安全瓶B在实验中有多重作用,其一可以检查实验进行中B后面的装置中导管是否发生堵塞,请写出发生堵塞时瓶B中的现象______;
装置D中品红溶液的作用是______;
容器C、F中都盛有NaOH溶液,F中NaOH溶液的作用是______;
反应过程中用冷水冷却装置E不能过度冷却如用冰水,其原因是______.
某学生在做此实验时,使用一定量的液溴,当溴全部褪色时,所消耗乙醇和浓硫酸混合液的量,比正常情况下超过许多,如果装置的气密性没有问题,试分析可能的原因______;写出两条即可
除去产物中少量未反应的后,还含有的主要杂质为______,要进一步提纯,下列操作中必须用到的是______填入正确选项前的字母;
A.重结晶 过滤 萃取 蒸馏.
答案和解析
1.【答案】 冷凝 进一步冷却,防止环己烯挥发
上;c
【解析】
【分析】
本题考查了物质制备实验方案设计,醇性质的分析应用,实验现象和原理的分析判断,掌握基础是解题关键,充分考查了学生分析、理解能力及解决实际问题的能力,本题难度中等。
【解答】
环己醇在浓硫酸催化作用下,发生消去反应生成环己烯,发生反应的化学方程式为,
故答案为:;
导管B除了导气外还具有冷凝作用,便于环己烯冷凝,
故答案为:冷凝;
冰水浴的目的是降低环己烯蒸气的温度,使其液化,
故答案为:进一步冷却,防止环己烯挥发;
环己烯是烃类,不溶于氯化钠溶液,且密度比水小,振荡、静置、分层后环己烯在上层,由于分液后环己烯粗品中还含有少量的酸和环己醇,联想:制备乙酸乙酯提纯产物时用溶液洗涤可除去酸,
故答案为:上;c;
为了增加冷凝效果,蒸馏装置要有冷凝管,冷却水从下口进入,冷却水与气体形成逆流,冷凝效果更好,
故答案为:g;
根据表中数据可知,馏分环己烯的沸点为,故收集产品应控制温度在左右,
故答案为:;
区别粗品与精品可加入金属钠,观察是否有气体产生,若无气体,则是精品,混合物没有固定的沸点,而纯净物有固定的沸点,通过测定环己烯粗品和环己烯精品的沸点,可判断产品的纯度,
故答案为:bc。
2.【答案】冷凝管;a
上;bedc
或HBr被浓硫酸氧化变成溴混入产品中
取样于试管中,加入适量NaOH溶液,加热反应完全后,加入足量稀硝酸酸化,再加入溶液,若产生淡黄色沉淀,则证明试样中有Br元素,反之则无
【解析】
【分析】
本题考查有关化学实验知识,难度不大,掌握相关实验原理及物质性质是解答的关键。
【解答】
仪器 A的名称为冷凝管,据蒸馏原理及装置可知冷却水的出水口是a;
产生这种杂质乙醚的原因是升高温度较慢乙醇生成的,故化学方程式为;
分液时粗品位于上层,正确操作顺序bedc;
加入浓硫酸后立即加入 NaBr粉末,发现制得粗产品略显黄色,其可能的原因是NaBr或HBr被浓硫酸氧化变成溴混入产品中;
证明产品中含有 Br元素:取样于试管中,加入适量NaOH溶液,加热反应完全后,加入足量稀硝酸酸化,再加入溶液,若产生淡黄色沉淀,则证明试样中有Br元素,反之则无。
3.【答案】直形冷凝管;碎瓷片或沸石
;
减少环己醇的挥发,提高环己醇的转化率或减少环己醇的挥发,提高环己烯产率
除去产物中等杂质
【解析】
【分析】
本题考查有机物制备实验方案的设计,涉及化学仪器识别、基本操作、物质的分离提纯等知识,题目难度中等,明确实验原理及实验操作是解本题关键,试题培养了学生的分析、理解能力及化学实验能力。
【解答】
装置C的名称是直形冷凝管;在合成反应进行之前,圆底烧瓶中还应加入适量的碎瓷片或沸石防止暴沸;
故答案为:直形冷凝管;碎瓷片或沸石 ;
醇与浓硫酸混合加热可能发生消去反应形成烯烃,该合成反应的化学方程式是 ;也可能发生不同醇分子之间的脱水反应即发生取代反应形成醚。本实验中最容易产生的有机副产物为;
故答案为: ;;
控制馏出物的温度不超过的目的是减少环己醇的挥发,提高环己醇的转化率,
故答案为:减少环己醇的挥发,提高环己醇的转化率;
分离提纯过程中加入碳酸钠溶液的作用是除去产物中等杂质;
故答案为:除去产物中等杂质;
环己醇的物质的量是环己醇,若完全发生消去反应,形成的环己烯的物质的量也是,其质量是环己烯,实际产量是,则本实验所得到的环己烯产率是;
故答案为:。
4.【答案】冷凝回流,提高原料利用率;
除去HBr气体和未反应的或其他合理答案;干燥;
;
苯;B。
【解析】
【分析】
本题考查有机物的制备和提纯实验,掌握苯和液溴在三溴化铁作催化剂的条件下的取代反应,以及实验操作即可解答,难度不大,侧重考查分析能力和实验能力。
【解答】
在三颈烧瓶内发生的反应是 、,反应放热,且苯与液溴易挥发,为提高原料的利用率,用冷凝管冷却蒸汽并回流到三颈烧瓶内;
故答案为:冷凝回流,提高原料利用率;
溴苯提纯的方法是:先水洗,把可溶物溶解在水中,然后过滤除去未反应的铁屑,滤液依次用水、溶液、水洗涤,NaOH溶液把未反应的变成NaBr和NaBrO,溶于水中,同时除去生成的HBr气体;
故答案为:除去HBr气体和未反应的溴单质;
加干燥剂,无水氯化钙能吸收水分,干燥溴苯,
故答案为:干燥;
在该实验中反应物体积共19mL,a的容积最适合的是C,
故答案为:C;
反应后得到的溴苯中溶有少量未反应的苯,利用沸点不同,采取蒸馏的方法分离溴苯与苯,
故答案为:苯;B。
5.【答案】;
下;防止空气中的水蒸气进入反应装置;
乙醇与钠反应生成乙醇钠,乙醇钠作催化剂,加快反应速率;
分液漏斗;盐析,降低乙酰乙酸乙酯在水中的溶解度,有利于分层;
除乙酸;
【解析】
【分析】
本题主要考查有机物的制备实验,题目难度中等,明确实验目的、实验原理为解答关键,注意掌握酯化原理及酯的性质,试题知识点较多,充分考查了学生的分析能力及化学实验能力。
【解答】
钠易被空气中氧气氧化生成,化学方程式为,因此需要迅速加入;
故答案为:;
为增加冷凝效果,球形冷凝管的冷却水从下口进入,从上口出;上方干燥管中盛有无水,其作用是防止空气中的水蒸气进入反应装置;
故答案为:下; 防止空气中的水蒸气进入反应装置;
实验室制备乙酰乙酸乙酯时,装置中有切细的金属钠,加入微量的无水乙醇,其作用是乙醇与钠反应生成乙醇钠,乙醇钠作催化剂,加快反应速率;
故答案为:乙醇与钠反应生成乙醇钠,乙醇钠作催化剂,加快反应速率;
分离互不相溶且密度不同的两种液体对应的操作为分液,使用的分离仪器是分液漏斗;加入饱和食盐水的作用是盐析,降低乙酰乙酸乙酯在水中的溶解度,有利于分层;
故答案为:分液漏斗;盐析,降低乙酰乙酸乙酯在水中的溶解度,有利于分层;
混合后的有机层中含有乙酸,与乙酸反应生成乙酸钠溶于水,乙酸钠难溶于乙酰乙酸乙酯,分离与提纯操作用饱和溶液洗涤的目的是除去乙酸。
故答案为:除乙酸。
6.【答案】;
Ⅰ中品红溶液褪色;
Ⅲ中的品红不褪色,Ⅳ中的酸性高锰酸钾溶液褪色,
;
; 除去挥发出来的乙醇;溴水或溴的四氯化碳溶液。
【解析】
【分析】
本题考查了二氧化硫和乙烯的性质和应用,难度一般,侧重基础知识的考查。
【解答】
二氧化硫可以使品红褪色,所以检验二氧化硫用品红检验,然后通入过量的氢氧化钠溶液中除去二氧化硫,之后用品红溶液检验二氧化硫是否除尽,乙烯能使高锰酸钾褪色,最后用高锰酸钾检验乙烯,所以装入的药品依次为A、B、A、D,
故答案为:;
能说明气体存在的现象是Ⅰ中品红溶液褪色,
故答案为:Ⅰ中品红溶液褪色;
确定含有乙烯的现象是Ⅲ中的品红不褪色,Ⅳ中的酸性高锰酸钾溶液褪色,
故答案为:Ⅲ中的品红不褪色,Ⅳ中的酸性高锰酸钾溶液褪色
装置中水的作用是平衡压强的作用,装置中水的作用是冷却液溴的作用,故A错误;
B. 装置中氢氧化钠除去乙烯中的二氧化硫、二氧化碳杂质,装置中NaOH溶液吸收溴蒸气,故B错误;
C.,二溴乙烷和水不互溶,密度比水大,产物可用分液的方法进行分离,1,二溴乙烷应从分液漏斗的下口倒出,故C错误;
D. 制备乙烯是乙醇的消去反应,生成1,二溴乙烷是乙烯的加成反应,故D正确;
故选D;
溴乙烷和氢氧化钠醇溶液反应生成乙烯、溴化钠和水,化学方程式为,
故答案为:;
乙醇易挥发,但乙醇和水互溶,所以试管中水的作用是除去挥发出来的乙醇;乙烯能和溴水或溴的四氯化碳溶液反应,而乙醇不能,所以若省去试管a,试管b中可用溴水或溴的四氯化碳溶液代替高锰酸钾,
故答案为:除去挥发出来的乙醇;溴水或溴的四氯化碳溶液。
7.【答案】检查装置的气密性 安全瓶,防堵塞 防暴沸 锥形瓶 减少气体对溴水搅动,减少溴蒸气的挥发 D中试管的溴水褪色 d
【解析】解:组装仪器后进行该实验前必须进行的操作是检查装置的气密性,
故答案为:检查装置的气密性;
一旦气体发生堵塞,装置B内的液体进入到长玻璃管内,起到安全瓶的作用,
故答案为:安全瓶,防堵塞;
给液体加热,易产生暴沸现象,所以三颈烧瓶内加入一定量的乙醇一浓硫酸混合液和少量粗砂,其加入粗砂目的是防暴沸;仪器E的名称是锥形瓶,
故答案为:防暴沸;锥形瓶;
乙醇和浓硫酸发生反应,制备出乙烯气体中含有杂质气体二氧化硫,因此混合气体通过氢氧化钠溶液,吸收了二氧化硫,提纯了乙烯;二氧化硫与氢氧化钠溶液反应生成亚硫酸钠和水,离子方程式为,故答案为:;
加热三颈烧瓶前,先将C与D连接处断开,气体就不能进入到装有溴的装置内,减少溴蒸气的挥发,
故答案为:减少气体对溴水搅动,减少溴蒸气的挥发;
乙烯和溴发生加成反应生成无色的溴代烃,当D中试管的溴水褪色后,该反应结束,
故答案为:D中试管的溴水褪色;
溴的物质的量为,根据反应:可知,生成1,二溴乙烷的量为,质量为,则1,二溴乙烷的产率为,
故答案为:;
通气速度过快,反应不充分,将导致产率降低,a错误;装置中的可除去、等杂质,这些杂质若不除去,则会与溴水反应降低产率,水吸收二氧化硫气体的效果差,会导致产物产率降低,b错误;D烧杯中的水起冷却作用,去掉将导致溴挥发加剧,从而使产率降低,c错误;装置F作用是吸收尾气,不影响产物产率,d正确;D中的试管里不加水,溴挥发的多,产物的产率降低,e错误,
故答案为:d。
根据实验装置图可知,装置A中乙醇在浓硫酸条件下加热制得乙烯:,B装置可以防止倒吸;当D堵塞时,气体不畅通,则在B中气体产生的压强将水压入直玻璃管中,甚至溢出玻璃管,装置C中盛有氢氧化钠可以和制取乙烯中产生的杂质气体二氧化硫发生反应,除去乙烯中带出的酸性气体,装置D中乙烯与液溴发生加成反应生成1,二溴乙烷化学方程式为:。
整套装置为密闭系统,应保持装置气密性好;
当D堵塞时,气体不畅通,则在B中气体产生的压强将水压入直玻璃管中,甚至溢出玻璃管;
三颈烧瓶里对液体进行加热,放入少量粗砂防止暴沸;根据仪器的结构和性能确定仪器E的名称;
乙醇和浓硫酸发生反应,制备出乙烯气体中含有杂质气体二氧化硫,二氧化硫与氢氧化钠溶液反应生成亚硫酸钠和水;
刚开始加热三颈烧瓶时,装置A逸出的是热空气,会造成溴蒸气的损失;
反应前的溴水为橙色,完全反应后为无色;
溴的物质的量为,根据反应:可知,生成1,二溴乙烷的量为,质量为,据此计算1,二溴乙烷的产率;
反应不完全,会产率降低,据此分析各选项。
本题考查了制备实验方案的设计、溴乙烷的制取方法,题目难度中等,明确物质的性质及实验原理是设计实验的前提,同时考查了学生分析问题、解决问题的能力。
8.【答案】直形冷凝管;
防液体暴沸;B;
;
检漏;上口倒出;
干燥或除水除醇;
;
【解析】
【分析】
本题考查了物质制备实验方案设计,醇性质的分析应用,实验现象和原理的分析判断,掌握基础是解题关键,题目难度中等。
【解答】
依据装置图分析可知装置b是蒸馏装置中的冷凝器装置,故答案为:直形冷凝管;
碎瓷片的存在可以防止在加热过程中产生暴沸现象,补加碎瓷片时需要待已加热的试液冷却后再加入,故选B,故答案为:防止暴沸;B;
加热过程中,环己醇除可发生消去反应生成环己烯外,还可以发生取代反应,分子间发生脱水反应生成二环己醚为,故答案为:;
由于分液漏斗有活塞开关,故使用前需要检查是否漏液;分液过程中,由于环己烯的密度比水的密度小,故应该从分液漏斗的上口倒出,
故答案为:检漏;上口倒出;
分离提纯过程中加入无水氯化钙的目的是利用无水氯化钙吸收产物中少量的水,故答案为:干燥;
观察题目提供的实验装置图知蒸馏过程中不可能用到吸滤瓶和球形冷凝器管,故选:CD;
环己醇为 ,理论上可以得到 环己烯,其质量为,所以产率,故选 C。
9.【答案】球形冷凝管;下;
盐析,降低乙酰乙酸乙酯在水中的溶解度,有利于分层;
洗去混有的乙酸杂质;
蒸馏;
。
【解析】
【分析】
本题考查有机物的制备实验,难度中等,明确实验目的、实验原理为解答关键,注意掌握酯化原理及酯的性质即可解答。
【解答】
仪器甲为球形冷凝管,为了增强冷凝效果,冷却水从下口进入,上口流出,
故答案为:球形冷凝管;下;
分离互不相溶且密度不同的两种液体对应的操作为分液,加入饱和食盐水的作用是盐析,降低乙酰乙酸乙酯在水中的溶解度,有利于分层,
故答案为:盐析,降低乙酰乙酸乙酯在水中的溶解度,有利于分层;
混合后的有机层中含有乙酸,与乙酸反应生成乙酸钠溶于水,乙酸钠难溶于乙酰乙酸乙酯,分离与提纯操作用饱和溶液洗涤的目的是除去乙酸,
故答案为:洗去混有的乙酸杂质;
步骤中粗产品纯化的操作名称是蒸馏,
故答案为:蒸馏;
无水乙酸乙酯的物质的量为:,乙酰乙酸乙酯的理论产量为,则产率为,
故答案为:。
10.【答案】;
使浓盐酸能顺利滴下或答“平衡仪器a、b内的气压”;
水浴
冷凝、回流;
节约后续碱洗操作时碱的用量,减少生产成本;
蒸馏,收集的馏分;
。
【解析】
【分析】
本题考查有机物制备实验方案,涉及对装置、操作与原理的分析评价以及化学计算等,是对学生综合能力的考查,解题的关键是掌握常见实验知识和元素化合物的相关知识,难度较大。
【解答】
仪器a中盛有晶体,仪器b中盛有浓盐酸,混合生成氯气,离子方程式为:;
故答案为:;
仪器b外侧玻璃导管能平衡仪器a、b内的气压,使浓盐酸能顺利滴下;
故答案为:使浓盐酸能顺利滴下或答“平衡仪器a、b内的气压”;
仪器d中的反应进行过程中,保持温度在,为了受热均匀,便于控制温度,选择水浴加热;
故答案为:水浴;
冷凝管的作用是冷凝、回流;
故答案为:冷凝、回流;
碱洗前先进行水洗的目的是节约后续碱洗操作时碱的用量,减少生产成本;
故答案为:节约后续碱洗操作时碱的用量,减少生产成本;
由图表可知,氯苯的沸点为,故从该有机混合物中提取氯苯的方法为蒸馏,收集左右的馏分;
故答案为:蒸馏,收集的馏分;
苯的总流失量为,故10t苯中参加反应的苯的质量为,由苯与氯苯摩尔质量之比为78:,则10t 苯可制得成品氯苯为:;
故答案为:。
11.【答案】冷凝
冷却,防止环己烯挥发;
上层;c;
;;
。
【解析】
【分析】
本题考查有机物制备的有关实验探究。本题以有机合成为载体综合考查了实验室制环己烯的知识和醇、烃的性质,考查了学生综合运用实验的能力,属于中等难度的试题。答题时注意把握实验原理和方法,特别是实验的基本操作,学习中注意积累。
【解答】
根据制乙烯实验的知识,由于生成的环己烯的沸点为,要得到液态环己烯,导管B除了导气外还具有冷凝作用,便于环己烯冷凝,
故答案为:冷凝环己烯;
冰水浴的目的是进一步冷却,防止环己烯挥发,
所以本题答案为:冷却,防止环己烯挥发;
环己烯是烃类,不溶于氯化钠溶液,且密度比水小,振荡、静置、分层后环己烯在上层,由于分液后环己烯粗品中还含有少量的酸和环己醇,制备乙酸乙酯提纯产物时用溶液洗涤可除去酸,
故答案为:上层;c;
为了增加冷凝效果,蒸馏装置要有冷凝管,冷却水从下口进入,目的是使冷却水与气体形成逆流,冷凝效果更好,蒸馏时需要加入生石灰,是为了把水反应掉,根据表中数据可知,馏分环己烯的沸点为,故收集产品应控制温度在左右
故答案为:g;;
酸性高锰酸钾和烯与醇都能反应,故不可以用,环己烯与钠不反应,而环己醇与钠反应,故可用钠区分,另外区分环己烯粗品与精品可根据混合物没有固定的沸点,而纯净物有固定的沸点,通过测定环己烯粗品和环己烯精品的沸点,也可判断产品的纯度;故bc正确,
故选bc。
12.【答案】冷凝管;防暴沸;A;B;C;除水;;
【解析】解:依据装置图分析可知装置b是蒸馏装置中的冷凝管装置,
故答案为:冷凝管;
碎瓷片具有疏松多孔的结构,能引入汽化中心,碎瓷片的存在可以防止在加热过程中产生暴沸现象,
故答案为:防止暴沸;
分液过程中,由于环己烯的密度比水的密度小,故应该从分液漏斗的上口倒出,
故答案为:A;
为使冷凝管内的蒸气得到充分冷却,在进行冷却时,应使水从冷凝管的下方接口进入,使水克服重力作用充满整个冷凝管,与蒸气逆流,冷却效果好,
故答案为:B;
利用蒸馏方法分离出环己烯,需要圆底烧瓶盛放蒸馏的混合物、需冷凝管冷却蒸气,需温度计测量温度,需接收器、锥形瓶接受环己烯,加热需酒精灯,所以需ABDE仪器,蒸发皿为蒸发结晶仪器,与此实验无关,
故答案为:C;
分离提纯过程中加入无水氯化钙的目的是利用无水氯化钙吸收产物中少量的水,
故答案为:除水;
加热过程中,环己醇除可发生消去反应生成环己烯外,还可以发生取代反应,分子间发生脱水反应生成二环己醚为,
故答案为:;
环己醇物质的量为,理论上可以得到环己烯,其质量为,所以产率,
故答案为:.
依据装置图装置b的特征以及常见仪器的名称分析解答;
碎瓷片的存在可以防止在加热过程中产生暴沸现象;
分液过程中,密度比水的密度小物质需从分液漏斗的上口倒出;
为使水充满冷凝管而达到充分冷却蒸气的目的,水应从冷凝管的下方接口进入;
利用蒸馏方法分离出环己烯,需要圆底烧瓶、冷凝管、温度计、接收器,加热需酒精灯;
无水氯化钙用于吸收产物中少量的水;
加热过程中,环己醇除可发生消去反应生成环己烯外,还可以发生取代反应生成二环己醚;
环己醇为,根据反应方程式,理论上可以得到环己烯,其质量为,根据产率计算.
本题考查了物质制备实验方案设计,醇性质的分析应用,实验现象和原理的分析判断,掌握基础是解题关键,题目难度中等.
13.【答案】浓;饱和食盐水;;水浴;冷凝回流;、;不可行;;abc
【解析】解:二氧化锰与浓盐酸在加热条件下反应生成氯化锰、氯气与水,反应方程式为:浓,
故答案为:浓;
装置用饱和食盐水除去HCl,减少副反应发生,撤去B装置,氯气中混有HCl,增大副反应的发生,导致装置D中副产物增多,控制反应温度在左右,应采取水浴加热,受热均匀,偏于控制温度,
故答案为:饱和食盐水;;水浴;
有机物易挥发性,冷凝回流挥发的有机物;EE装置盛放氢氧化钠溶液,吸收尾气中氯气、HCl防止污染空气,反应离子方程式为:、,
故答案为:冷凝回流;、;
溶于乙醇与,应采取蒸馏方法进行分离,
故答案为:不可行,溶于乙醇与;
根据消耗的计算,剩余的物质的量,与反应的的物质的量为,由可知,的物质的量为,则产品的纯度为,
故答案为:;
分别测定两种酸溶液的pH,三氯乙酸的pH较小,说明三氯乙酸电离程度比乙酸的大,则三氯乙酸的酸性比乙酸的强,故a正确;
用仪器测量浓度均为的三氯乙酸和乙酸溶液的导电性,测得乙酸溶液的导电性弱,三氯乙酸溶液中离子浓度更大,说明三氯乙酸电离程度比乙酸的大,则三氯乙酸的酸性比乙酸的强,故b正确;
测定等物质的量浓度的两种酸的钠盐溶液的pH,乙酸钠溶液的pH较大,说明乙酸钠的水解程度更大,则乙酸的酸性比三氯乙酸的弱,故c正确,
故选:abc.
A装置利用二氧化锰与浓盐酸制备氯气,B装置用饱和食盐水除去HCl,C装置盛放浓硫酸干燥氯气,D中反应制备,E装置盛放氢氧化钠溶液,吸收尾气中氯气、HCl,防止污染空气.
二氧化锰与浓盐酸在加热条件下反应生成氯化锰、氯气与水;
浓盐酸易挥发,制得的氯气中含有氯化氢,用饱和食盐水除去HCl;撤去B装置,增大副反应的发生;控制反应温度在左右,应采取水浴加热;
有机物易挥发性,冷凝回流挥发的有机物;E装置盛放氢氧化钠溶液,吸收尾气中氯气、HCl,氯气与氢氧化钠溶液反应生成氯化钠、次氯酸钠与水,HCl与氢氧化钠反应生成氯化钠与水;
根据溶于乙醇与分析;
根据消耗的计算剩余的物质的量,进而计算与反应的的物质的量,再根据关系式:计算;
酸性越强,电离程度越大,溶液pH越小;
电离程度越大,酸性越强,溶液中离子浓度越大,导电能力越强;
酸性越弱,其钠盐的水解程度越大,溶液pH越大.
本题考查有机物制备、物质含量程度、实验方案设计等,关键是明确反应原理与各装置作用,掌握常用物质分离提纯方法,注意对题目信息的应用,难度中等.
14.【答案】;
防暴沸;使平衡不断地向正向移动;
;
除去苯甲酸乙酯中的苯甲酸;在苯甲酸乙酯中有未除净的苯甲酸,受热至时升华;
;
【解析】
【分析】
本题考查了物质制备方案的设计,题目难度中等,明确制备原理为解答关键,试题涉及酯化反应原理、化学实验基本操作方法、产率的计算、化学平衡的影响因素等知识,注意掌握物质制备方案的设计及评价原则,试题充分考查了学生的分析能力及灵活应用基础知识的能力。
【解答】
烧瓶所能盛放溶液的体积不超过烧瓶体积的,现在加入圆底烧瓶中液体的体积大约为60mL,所以选取烧瓶的体积应该为100mL,
故答案为:C;
步骤中沸石为了防止液体加热煮沸时产生暴沸现象,反应为可逆反应,生成物中有水生成,步骤中使用分水器不断分离除去水,可以使生成物的浓度减小,化学平衡向着正向移动,从而增大了产率,
故答案为:防暴沸;使平衡不断地向正向移动;
温度低于苯甲酸乙酯的沸点时,苯甲酸乙酯不被蒸馏出,要使苯甲酸乙酯不被蒸馏出,则温度应低于苯甲酸乙酯的沸点,所以温度应低于,但要使乙醇和环己烷蒸馏出,所以温度应高于乙醇和环己烷的沸点,
故答案为:C;
加入碳酸钠的目的是除去苯甲酸乙酯中的苯甲酸,若加入的碳酸钠不足,则产品中存在苯甲酸,而苯甲酸在会迅速升华,则蒸馏时会出现白烟现象,
故答案为:除去苯甲酸乙酯中的苯甲酸;在苯甲酸乙酯中有未除净的苯甲酸,受热至时升华;
分液漏斗的使用方法,必须将水溶液中加入乙醚,转移至分液漏斗中,塞上玻璃塞.将分液漏斗倒转过来,用力振摇,而且放出液体时,需将玻璃塞上的凹槽对准漏斗口上的小孔,只有这样液体才能顺利流下,
故选:A D;
苯甲酸的物质的量为:,理论生成的苯甲酸乙酯的质量为,而实际生成苯甲酸乙酯的质量为:,所以实验的产率,
故答案为:。
15.【答案】减少副产物乙醚生成;使连通滴液漏斗里的溶液容易滴下;B中长直玻璃管内有一段液柱上升;验证二氧化硫是否被除尽;吸收挥发的溴蒸气;过渡冷却1,二溴乙烷易凝结成固体而发生堵塞;:浓硫酸将部分乙醇氧化发生副反应生成乙醚乙醇挥发乙烯流速过快,未完全发生加成反应;乙醚;D
【解析】解:由题可知时有副产品乙醚的生成,为了减少副产物乙醚生成,实验中应迅速将温度升高到;
故答案为:减少副产物乙醚生成;
连通滴液漏斗使上下容器中的压强相同,液体容易流下,所以气体发生装置使用连通滴液漏斗的原因使连通滴液漏斗里的溶液容易滴下;
故答案为:使连通滴液漏斗里的溶液容易滴下;
如果E中发生堵塞,B中压强增大,长直玻璃管中液面会上升;
故答案为:B中长直玻璃管内有一段液柱上升;
无水乙醇和浓硫酸混合液制备乙烯时,会有副产物二氧化硫生成,而二氧化硫能使品红褪色,所以用品红溶液检验二氧化硫是否被氢氧化钠吸收完全;
故答案为:验证二氧化硫是否被除尽;
挥发的溴蒸气,能够污染大气,需要进行尾气吸收,用氢氧化钠吸收;
故答案为:吸收挥发的溴蒸气;
液溴易挥发,反应过程中应用冷水冷却装置E,能减少液溴挥发;由表中数据可知1,二溴乙烷的熔点为,如用冰水冷却时温度太低,1,二溴乙烷会凝结为固体,从而导致导管堵塞;
故答案为:过渡冷却1,二溴乙烷易凝结成固体而发生堵塞;
乙醇在浓硫酸作催化剂作用下会有乙醚等副产物生成,反应太剧烈时乙醇部分挥发浓硫酸将部分乙醇氧化,乙烯流速过快,未完全发生加成反应;
故答案为:浓硫酸将部分乙醇氧化发生副反应生成乙醚乙醇挥发乙烯流速过快,未完全发生加成反应;
在制取1,2一二溴乙烷的过程中还会有副产物乙醚生成;除去1,2一二溴乙烷中的乙醚,可以通过蒸馏的方法将二者分离,所以D正确;
故答案为:乙醚;D.
实验室制备1,二溴乙烷流程:装置A中:乙醇在浓硫酸做催化剂、脱水剂条件下发生消去反应生成乙烯,反应方程式:,全瓶b可以防止倒吸;当c堵塞时,气体不畅通,则在b中气体产生的压强将水压入直玻璃管中,甚至溢出玻璃管,装置C中盛有氢氧化钠可以和制取乙烯中产生的杂质气体二氧化硫发生反应,除去乙烯中带出的酸性气体,装置D中品红溶液验证二氧化硫是否被除尽,液溴易挥发,反应过程中应用冷水冷却装置E,能减少液溴挥发,E装置中:乙烯与液溴发生加成反应生成1,二溴乙烷化学方程式为:,反应剩余的溴化氢、溴等有毒,能够污染大气,需要进行尾气吸收,用F吸收,据此分析作答.
本题考查了1,二溴乙烷实验室制取、乙烯的制取、实验装置的理解评价等,注意基础知识的掌握,本题难度中等.
2022届高三化学一轮复习化学实验专题细练29有机物制备实验探究含解析: 这是一份2022届高三化学一轮复习化学实验专题细练29有机物制备实验探究含解析,共22页。试卷主要包含了苯甲酸可用作食品防腐剂,1,2-二溴乙烷的制备原理是,乙苯是主要的化工产品等内容,欢迎下载使用。
2022届高三化学一轮复习实验专题考点细练专题41无机物制备实验探究题含解析: 这是一份2022届高三化学一轮复习实验专题考点细练专题41无机物制备实验探究题含解析,共27页。
2022届高三化学一轮复习实验专题考点细练专题25有机物制备实验选择填空题含解析: 这是一份2022届高三化学一轮复习实验专题考点细练专题25有机物制备实验选择填空题含解析,共26页。试卷主要包含了单选题,实验题等内容,欢迎下载使用。

