高考化学一轮复习第4章非金属及其化合物第4讲硫及其重要化合物训练含解析
展开硫及其重要化合物
1.(2021·天津第一中学检测)下列各组物质混合后,没有明显现象的是( )
①H2S和SO2 ②SO2和SO3 ③SO2和氯水 ④SO3(g)和Cl2 ⑤H2S和SO3(g) ⑥H2S和Cl2
A.①③⑥ B.②④⑤
C.②⑤⑥ D.③④⑤
B [①H2S和SO2混合发生反应,生成单质S和H2O,产生淡黄色固体;②SO2和SO3混合不发生反应,无明显现象;③SO2和氯水混合,发生反应SO2+Cl2+2H2O=== H2SO4+2HCl,氯水褪色;④SO3(g)和Cl2混合不发生反应,无明显现象;⑤H2S和SO3(g)混合,不发生反应,无明显现象;⑥H2S和Cl2混合发生氧化还原反应,生成单质S和HCl,产生淡黄色固体。]
2.(2021·四川成都七中检测)已知①2H2S+SO2===3S+2H2O
②S+2H2SO4(浓)3SO2↑+2H2O
③3S+6KOH===2K2S+K2SO3+3H2O
则下列说法正确的是( )
A.①说明SO2能与酸反应,故SO2具有碱性氧化物的通性
B.②若改用稀硫酸,则放出H2
C.②和③说明硫具有两性元素的性质
D.上述反应说明硫既有氧化性又有还原性
D [①是氧化还原反应,SO2表现氧化性,A项错误;②稀硫酸与S不发生反应,B项错误;②和③均为氧化还原反应,②中S作还原剂,表现还原性,③中S既是氧化剂又是还原剂,表现氧化性和还原性,C项错误,D项正确。]
3.(2021·辽宁大连八中检测)下列有关硫及其化合物的说法正确的是( )
A.SO2、H2SO3均具有还原性,故浓H2SO4均能氧化SO2和H2SO3
B.H2S与浓H2SO4在不同的条件下反应的氧化产物只能是SO2
C.单质氧化物酸或碱盐,能按照上述转化关系直接转化的可以是硫元素
D.硫黄制备硫酸经历两步:SSO3H2SO4
C [浓硫酸中S显+6价,SO2和H2SO3中S显+4价,+4和+6价S处于相邻价态,不发生氧化还原反应,A项错误;H2S和浓硫酸发生氧化还原反应,氧化产物可能是S、SO2等,B项错误;S与O2反应生成SO2,SO2与水反应生成H2SO3,可实现上述转化,C项正确;S与O2点燃生成SO2,不能直接生成SO3,D项错误。]
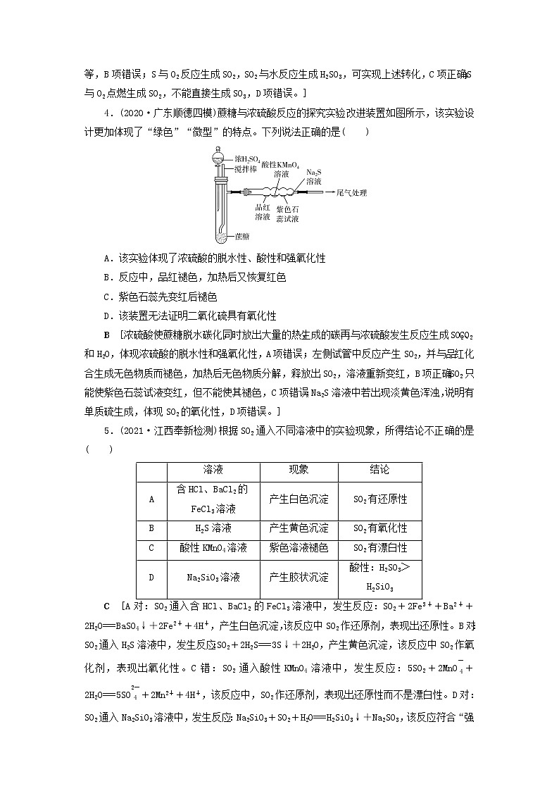
4.(2020·广东顺德四模)蔗糖与浓硫酸反应的探究实验改进装置如图所示,该实验设计更加体现了“绿色”“微型”的特点。下列说法正确的是( )
A.该实验体现了浓硫酸的脱水性、酸性和强氧化性
B.反应中,品红褪色,加热后又恢复红色
C.紫色石蕊先变红后褪色
D.该装置无法证明二氧化硫具有氧化性
B [浓硫酸使蔗糖脱水碳化,同时放出大量的热,生成的碳再与浓硫酸发生反应生成SO2、CO2和H2O,体现浓硫酸的脱水性和强氧化性,A项错误;左侧试管中反应产生SO2,并与品红化合生成无色物质而褪色,加热后无色物质分解,释放出SO2,溶液重新变红,B项正确;SO2只能使紫色石蕊试液变红,但不能使其褪色,C项错误;Na2S溶液中若出现淡黄色浑浊,说明有单质硫生成,体现SO2的氧化性,D项错误。]
5.(2021·江西奉新检测)根据SO2通入不同溶液中的实验现象,所得结论不正确的是( )
| 溶液 | 现象 | 结论 |
A | 含HCl、BaCl2的FeCl3溶液 | 产生白色沉淀 | SO2有还原性 |
B | H2S溶液 | 产生黄色沉淀 | SO2有氧化性 |
C | 酸性KMnO4溶液 | 紫色溶液褪色 | SO2有漂白性 |
D | Na2SiO3溶液 | 产生胶状沉淀 | 酸性:H2SO3>H2SiO3 |
C [A对:SO2通入含HCl、BaCl2的FeCl3溶液中,发生反应:SO2+2Fe3++Ba2++2H2O===BaSO4↓+2Fe2++4H+,产生白色沉淀,该反应中SO2作还原剂,表现出还原性。B对:SO2通入H2S溶液中,发生反应:SO2+2H2S===3S↓+2H2O,产生黄色沉淀,该反应中SO2作氧化剂,表现出氧化性。C错:SO2通入酸性KMnO4溶液中,发生反应:5SO2+2MnO+2H2O===5SO+2Mn2++4H+,该反应中,SO2作还原剂,表现出还原性而不是漂白性。D对:SO2通入Na2SiO3溶液中,发生反应:Na2SiO3+SO2+H2O===H2SiO3↓+Na2SO3,该反应符合“强酸制弱酸”的反应规律,则酸性:H2SO3>H2SiO3。]
6.(2021·安徽江淮联考)木炭在加热时可与浓硫酸发生反应:2H2SO4(浓)+CCO2↑+2SO2↑+2H2O,为了验证该反应的所有产物,设计装置如图所示(夹持装置和加热装置略)。下列有关说法错误的是( )
A.装置B中所盛试剂为无水硫酸铜,目的是检验有无水生成,水只能放在第一步检验
B.为检验有无SO2,装置C中试剂可以是品红或溴水,这两种试剂的检验都利用了SO2的漂白性
C.装置D中试剂可以是酸性KMnO4,目的是除SO2,此反应体现了SO2的还原性
D.装置E中品红是检验SO2是否被除尽,装置F中澄清石灰水是为了检验有无CO2
B [木炭与浓硫酸在加热时反应生成SO2、CO2和H2O(g),检验所有产物,要在B中盛有无水硫酸铜,先检验反应生成的H2O(g),A项正确;SO2使品红溶液褪色是利用了其漂白性,使溴水褪色则体现其还原性,B项错误;装置C中盛有品红,用于检验SO2,装置D中盛有酸性KMnO4溶液,用于除去SO2,发生氧化还原反应,体现SO2的还原性,C项正确;装置E中品红用于检验SO2是否被D中酸性KMnO4溶液全部除尽,F中盛有澄清石灰水,用于检验生成的CO2,若E中品红不褪色,F中石灰水变浑浊,证明反应生成了CO2,D项正确。]
7.(2021·山西六校联考)某化学课题小组将二氧化硫的制备与多个性质实验进行了一体化设计,实验装置如图所示。下列说法不正确的是( )
A.a、b、c中依次盛装70%硫酸、Na2SO3固体、NaOH溶液
B.实验时,湿润的pH试纸、鲜花、品红溶液、KMnO4溶液均褪色,Na2S溶液出现淡黄色沉淀
C.此设计可证明SO2水溶液的酸性,SO2的氧化性、还原性、漂白性
D.点燃酒精灯加热,可证明SO2使品红溶液褪色具有可逆性,使KMnO4溶液褪色不具有可逆性
B [70%硫酸与亚硫酸钠反应生成二氧化硫,多余的二氧化硫气体最后用NaOH溶液吸收,所以a、b、c中依次盛装70%硫酸、Na2SO3固体、NaOH溶液,A项正确;二氧化硫不能漂白pH试纸,二氧化硫与水反应生成亚硫酸,使湿润的pH试纸显红色,所以湿润的pH试纸不褪色,B项错误;SO2水溶液使pH试纸变红说明其水溶液具有酸性,二氧化硫能使鲜花、品红溶液褪色说明有漂白性,使高锰酸钾溶液褪色说明有还原性,与Na2S反应生成S说明有氧化性,C项正确;点燃酒精灯加热,可证明SO2使品红溶液褪色具有可逆性,使KMnO4溶液褪色不具有可逆性,D项正确。]
8.(2021·辽宁沈阳六校联考)实验室为探究铁与浓硫酸(足量)的反应,并验证SO2的性质,设计如图所示装置进行实验,下列说法不正确的是( )
A.装置B中酸性KMnO4溶液逐渐褪色,体现了二氧化硫的还原性
B.实验结束后可向装置A的溶液中滴加KSCN溶液以检验生成的Fe3+
C.装置D中品红溶液褪色可以验证SO2的漂白性
D.实验时将导管a插入浓硫酸中,可防止装置B中的溶液倒吸
B [B中酸性KMnO4溶液逐渐褪色,其原因是SO2被酸性KMnO4溶液氧化成SO,MnO被还原为Mn2+,SO2作还原剂,体现其还原性,A项正确;Fe与浓硫酸在加热时反应生成FeSO4,滴加KSCN溶液不能检验生成的Fe2+,B项错误;D中品红溶液褪色,加热后品红溶液又重新变为红色,证明SO2的漂白性是暂时的、可逆的,C项正确;装置A中导管a插入浓硫酸中,并与大气相通,可保持装置内外压强平衡,有效防止装置B中的溶液倒吸入装置A,D项正确。]
9.(2021·湖北武汉四校联考)葡萄酒中常加入亚硫酸盐作为食品添加剂,为检测某葡萄酒样品中亚硫酸盐的含量(通常以酒样中SO2的量计),某研究小组设计了如下实验(已知还原性:SO>I->Cl-)。
下列说法不正确的是( )
A.若试剂A选择氯水,则试剂B可选择NaOH标准液
B.通入N2和煮沸的目的是为了将产生的气体从溶液中全部赶出
C.葡萄酒中加亚硫酸盐的主要目的是防止氧化,利用了亚硫酸盐的还原性
D.若试剂A选择碱液,调节吸收后溶液为中性,则试剂B可选择I2标准液
A [二氧化硫具有还原性,可以被氯水氧化为硫酸,但是氯水也可以和氢氧化钠反应,所以此时不能选择NaOH标准液,A项错误;根据上述分析知道:通氮气是为了将生成的二氧化硫从溶液中全部赶出,B项正确;SO易被空气中的氧气氧化为SO,葡萄酒中加亚硫酸盐的主要目的是防止葡萄酒被氧化,利用了亚硫酸盐的还原性,C项正确;若试剂A选择碱液,可以和二氧化硫反应得到亚硫酸盐或是亚硫酸氢盐,该盐可以被碘单质氧化为硫酸盐,试剂B可选择I2标准液,D项正确。]
10.(2020·山东潍坊期末)焦亚硫酸钠(Na2S2O5)是葡萄酒中常用的抗氧化剂。一种以硫黄为原料制取Na2S2O5的生产工艺如下:
已知:结晶脱水发生的反应:2NaHSO3===Na2S2O5+H2O。回答下列问题:
(1)Na2S2O5中硫元素的化合价为________。
(2)焚烧炉中反应的化学方程式为__________________________________。
(3)反应器中发生反应的离子方程式为________________________________________。
(4)葡萄酒酿造过程中添加Na2S2O5会放出一种有刺激性气味的气体,该气体是一种食品添加剂。实验室中检验该气体的常用试剂是______________________________。
(5)废水中的硫单质(S8)能与碱反应,化学反应:3S8+48KOH16K2S+8K2SO3+24H2O,反应中氧化剂与还原剂的物质的量之比为________。
解析 (1)Na2S2O5中Na元素显+1价,O元素显-2价,根据化合物中各元素化合价代数和为0推知,S元素显+4价。
(3)结合结晶脱水发生的反应推知,反应器中Na2CO3溶液吸收SO2,生成NaHSO3和CO2,离子方程式为2SO2+CO+H2O===2HSO+CO2。
(5)硫单质(S8)与碱反应中,S8既是氧化剂又是还原剂,K2S是还原产物,K2SO3是氧化产物,根据反应产物的量及S元素守恒推知,氧化剂与还原剂的物质的量之比为16∶8=2∶1。
答案 (1)+4 (2)S+O2SO2
(3)2SO2+CO+H2O===2HSO+CO2
(4)品红溶液 (5)2∶1
11.(2021·黑龙江大庆检测)根据要求完成下列各小题。(a、b为弹簧夹,加热及固定装置已略去)
(1)验证碳、硅非金属性的相对强弱。(已知酸性:亚硫酸>碳酸)
①连接仪器、检验装置气密性、加药品后,打开a,关闭b,然后滴入浓硫酸,加热。
②铜与浓硫酸反应的化学方程式是___________________________________________,装置A中的试剂是__________________。
③能说明碳的非金属性比硅强的实验现象是__________________。
(2)验证SO2的氧化性、还原性和酸性氧化物的通性。
①打开b,关闭a,H2S溶液中有浅黄色沉淀出现。
②BaCl2溶液中无明显现象,将其分成两份,分别滴加下列溶液,将产生的沉淀的化学式填入下表相应位置。
滴加的溶液 | 氯水 | 氨水 |
沉淀的化学式 | ______ | ______ |
写出其中SO2表现还原性并生成沉淀的离子方程式__________________。
答案 (1)②Cu+2H2SO4(浓)CuSO4+SO2↑+2H2O 酸性KMnO4溶液(答案合理即可)
③A中酸性KMnO4溶液没有完全褪色,盛有Na2SiO3溶液的试管中出现白色沉淀
(2)②BaSO4 BaSO3 Ba2++SO2+Cl2+2H2O===BaSO4↓+4H++2Cl-
12.(2021·河南开封模拟)某校合作学习小组的同学设计实验验证Na2SO4与焦炭高温加热后的产物。回答下列问题。
(1)Na2SO4与焦炭反应的实验装置如图所示:
①先通入N2,然后加热,直至反应结束,整个过程中N2的作用是_____________。
②装置B的作用是____________________。
(2)某同学认为气体产物中可能含有CO2、CO及SO2,并进行验证,选用上述实验中的装置A、B和下图所示的部分装置(可以重复选用)进行实验。
①实验装置连接的合理顺序为AB________________________________。
装置H中黑色粉末是________。
②能证明产物中有CO的现象是_______________________________________。
③若含有SO2,E装置的作用是______________________________________________(用化学方程式说明)。
(3)某同学利用如图装置验证固态产物,能证明固态产物中含有Na2S的现象是________________________________________________________________________。
若实验中发现固态产物完全反应后,锥形瓶底部还产生少量黄色沉淀,说明固体产物中除含有Na2S外,还含有少量的____________(填一种可能的物质)。
解析 (1)①碳能够与空气中的氧气反应生成碳的氧化物,为了防止氧气对实验的干扰,先通入N2,然后加热,直至反应结束,可以排出装置中的空气并将生成的气体吹出。②Na2SO4与焦炭高温加热后的产物中可能含有二氧化硫等易溶于水的气体,装置B可以防止倒吸,为安全瓶。
(2)①气体中可能含有CO2、CO及SO2,由于SO2也能使澄清石灰水变浑浊,需要先检验SO2,然后除去SO2后再检验CO2,最后除去CO2后再检验CO,故实验装置的合理连接顺序为A、B、F、E、C、D、G、H、C;一氧化碳具有还原性,可以还原金属氧化物,故装置H中黑色粉末可以是氧化铜。②H中黑色粉末变为红色,其后的C中的澄清石灰水变浑浊,即可证明产物中有CO。③二氧化硫能够与高锰酸钾溶液发生氧化还原反应,反应的化学方程式为5SO2+2KMnO4+2H2O===K2SO4+2MnSO4+2H2SO4。
(3)若存在Na2S,则Na2S能够与硫酸反应生成硫化氢气体,硫化氢与硫酸铜溶液反应生成黑色的硫化铜沉淀;锥形瓶底部还产生少量黄色沉淀,该黄色沉淀是硫单质,可能是硫化氢与+4价的硫的化合物反应生成的,说明固体产物中除含有Na2S外,还可能含有少量的Na2SO3。
答案 (1)①排出装置中的空气并将生成的气体吹出 ②防止倒吸
(2)①FECDGHC CuO ②H中黑色粉末变为红色,其后的C中的澄清石灰水变浑浊 ③5SO2+2KMnO4+2H2O===K2SO4+2MnSO4+2H2SO4
(3)试管中出现黑色沉淀 Na2SO3
人教版高考化学一轮复习第4章非金属及其化合物第3讲硫及其重要化合物含答案: 这是一份人教版高考化学一轮复习第4章非金属及其化合物第3讲硫及其重要化合物含答案
2022高考化学一轮复习第4章非金属及其化合物第5讲氮及其重要化合物训练含解析: 这是一份2022高考化学一轮复习第4章非金属及其化合物第5讲氮及其重要化合物训练含解析,共8页。
高考化学一轮复习第4章非金属及其化合物第5讲氮及其重要化合物训练含解析: 这是一份高考化学一轮复习第4章非金属及其化合物第5讲氮及其重要化合物训练含解析,共8页。

