2021-2022学年黑龙江省绥化市绥棱县克音河乡学校九年级(上)期末物理试卷
展开
2021-2022学年黑龙江省绥化市绥棱县克音河乡学校九年级(上)期末物理试卷
1. 下列对物理量的估计符合生活实际的是( )
A. 一个苹果的质量大约是150g
B. 人体感觉最舒适的气温是36.8℃
C. 一个中学生的身高是165mm
D. 中学生百米赛跑的时间是13.8min
2. 关于分子和物体内能,下列说法正确的是( )
A. 杯子里的水可以任意倒出,说明水分子间没有引力
B. 固体间能扩散,表明固体物质分子是运动的
C. 把0℃的冰块加热熔化成0℃的水,其内能不变
D. 用力搓手,手发热表明手的热量增加了
3. 如图甲,迅速下压活塞,玻璃筒底部的棉花燃烧,图乙是热机的某一冲程,关于这两个过程,下列说法正确的是( )
A. 图乙是热机的压缩冲程
B. 图甲和图乙的能量转化情况相同
C. 图甲中如果没有棉花,实验结论仍然成立
D. 随着技术的进步,图乙热机的效率能达到 100%
4. 摩托车上的热机工作时提供动力的是( )
A. 吸气冲程 B. 压缩冲程 C. 做功冲程 D. 排气冲程
5. 下列现象中,机械能转化为内能的是( )
A. 燃料燃烧 B. 水力发电站
C. 钻木取火 D. 水沸腾时,把壶盖顶起
6. 现代生活离不开电,安全用电至关重要。下列说法正确的是( )
A. 使用试电笔时不能接触笔尾金属体
B. 空气开关“跳闸”,一定是电路短路引起的
C. 电能表是测量电功率的仪表
D. 洗衣机、电冰箱等用电器使用三孔插座是为了让金属外壳接地
7. 下列说法正确的是( )
A. 当加在导体两端的电压改变时,电压与电流的比值也随着改变
B. 用不同的导体研究电流和电压的关系,得到的结论不一样
C. 相同的电压加在电阻不同的导体两端,电流一定相同
D. 同一导体,两端电压越大,通过电流也越大
8. 在如图所示电路中,当闭合开关后,两个电流表指针偏转均为图乙所示,则电阻R1和R2中的电流分别为( )
A. 1.2A,0.24A B. 0.24A,0.96A
C. 0.96A,0.24A D. 0.24A,1.2A
9. 如图所示,用一滑轮组在5s内将一重为200N的物体向上匀速提起2m,不计动滑轮及绳自重,忽略摩擦。下列说法正确的是( )
A. 物体上升的速度是2.5m/s
B. 拉力F大小为100N
C. 拉力F的功率为80W
D. 拉力F的功率为40W
10. 某同学在没有电流表的情况下,利用电压表和已知阻值的定值电阻R0,测量未知电阻Rx阻值,图中可实现测量Rx阻值的正确电路图是( )
A. B.
C. D.
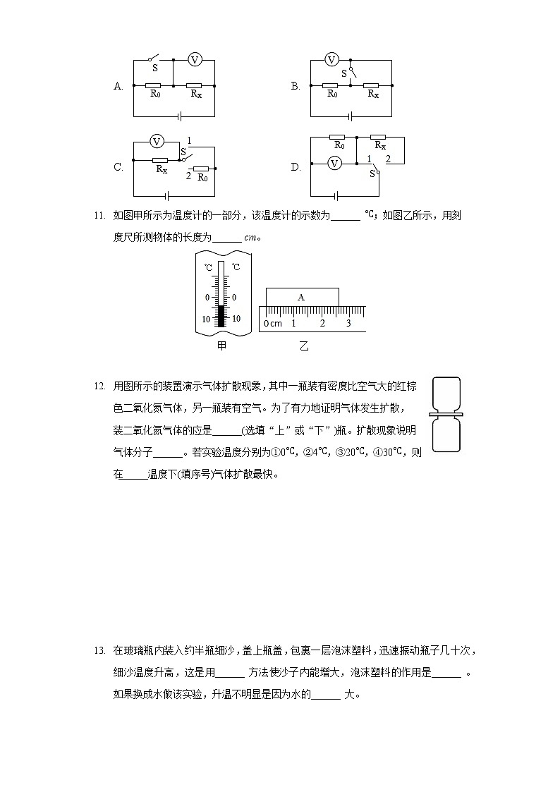
11. 如图甲所示为温度计的一部分,该温度计的示数为______ ℃;如图乙所示,用刻度尺所测物体的长度为______ cm。
12. 用图所示的装置演示气体扩散现象,其中一瓶装有密度比空气大的红棕色二氧化氮气体,另一瓶装有空气。为了有力地证明气体发生扩散,装二氧化氮气体的应是______(选填“上”或“下”)瓶。扩散现象说明气体分子______。若实验温度分别为①0℃,②4℃,③20℃,④30℃,则在______温度下(填序号)气体扩散最快。
13. 在玻璃瓶内装入约半瓶细沙,盖上瓶盖,包裹一层泡沫塑料,迅速振动瓶子几十次,细沙温度升高,这是用______ 方法使沙子内能增大,泡沫塑料的作用是______ 。如果换成水做该实验,升温不明显是因为水的______ 大。
14. 可燃冰,石油、煤都属于______(选填“可“或“不可”)再生能源。若可燃冰的热值为4×107J/m3,完全燃烧1m3的可燃冰可放出的热量是______J,这些热量有60%被水吸收,可把______kg的水从20℃加热到80℃.[水的比热容c=4.2×103J/(kg⋅℃)]
15. 用带电体接触验电器的金属球,金属箔片张开是因为两金属箔片带有______(填“同种”或“异种”)电荷,此时用手接触金属球,两金属箔片闭合了,这说明人体是______(填“导体”或“绝缘体”);若验电器带正电,在这一过程中的电流方向是______(填“从手到金属箔”或“从金属箔到手”)
16. 如图所示的电路中,闭合开关S后,两灯均发光,则甲是______表,乙是______表(均选填“电流”或“电压”)
17. 在家庭电路中不能用湿手触摸开关,是因为在潮湿的情况下,人体的电阻会______,在电压一定的情况下,通过人体的电流会______(两空都填“变大”、“变小”或“不变”)
18. 如图所示,电源电压为4.5V不变,小灯泡的额定电压为2.5V,R1=10Ω.闭合开关S1、S2,将滑动变阻器R2的滑片滑到最左端时,小灯泡正常发光,小灯泡的额定功率为______W.通电5min,电阻R1产生的热量为______J.只闭合开关S1,滑动变阻器R2的滑片从最左端滑到最右端,电压表示数从1.5V变化到3V,滑动变阻器R2的最大阻值为______Ω。
19. 如图所示,电源电压恒为6V,定值电阻R1=20Ω.闭合开关S,电流表A2的示数为0.9A,则电流表A1的示数为______A,定值电阻R2的阻值为______Ω。
20. 如图所示,电源电压不变,R1=2Ω,R2=3Ω,R3=4Ω.只闭合S,电流表A1、A2示数之比为______ ,电压表V1、V2示数之比为______ .再闭合S1、S2,电流表A1、A2示数之比为______ ,电压表V1、V2示数之比为______ .
21. 把螺口灯泡、开关和保险丝正确地接入家庭电路中去。
22. 如图所示,用细绳将重为15N的均匀实心球悬挂于天花板上处于静止状态,画出它所受重力G和拉力F的示意图。
23. 用如图甲所示的电路探究电流与电压关系。
(1)请你用笔画线代替导线,将图甲中的电路连接完整。(要求滑片向左滑动时,变阻器连入电路的电阻变大,且导线不能交叉)
(2)实验时,闭合开关,将滑片移动到某位置,记下电压表和电流表的示数。接下来的操作是______。(填字母)
A.换用另一个定值电阻,将滑片移动到某位置,记下电压表和电流表的示数
B.将滑片移动到另外几个位置,分别记下电压表和电流表的示数
(3)小明根据实验数据画出I−U图象,如图乙所示。分析可知,通过定值电阻的电流与其两端的电压成______。
(4)小明同学还想测量小灯泡的电功率,于是他将上面实验中的定值电阻换成额定电压为2.5V的小灯泡。正确连接电路后,闭合开关,发现小灯泡不亮,电流表无示数,电压表示数接近电源电压,出现这种故障的原因是______。
(5)排除故障后,小明调节滑片,使小灯泡正常发光时,电流表的示数如图丙所示,电流大小为______ A,小灯泡正常发光时的电功率为______ W。
(6)小明通过改变滑动变阻器滑片的位置,多次进行了小灯泡电功率的测量,这样做的目的是______。(填字母)
A.求出灯泡在不同电压下的功率的平均值,这样可以减小误差
B.找出灯泡的亮度与灯泡实际功率之间的关系
24. 某同学设计了如图所示的电路测量未知电阻Rx的阻值。已知R0为定值电阻,R为滑动变阻器。
(1)开关S闭合前,应将滑动变阻器的滑片P置于______端(填“a”或“b”),目的是______。
(2)闭合开关S,调节滑动变阻器,得到电压表V1的示数为U1,电压表V2的示数为U2,则被测的阻值Rx=______。
(3)该同学测量一次后,就计算出了该电阻的阻值,你认为该实验结论的得出______(选填“妥当”或“不妥当”),理由是______。
25. 如图所示,甲、乙、丙三图中的装置完全相同。燃料的质量都是10g,烧杯内的液体质量和初温也相同。
(1)比较不同燃料的热值,应选择______两图进行实验,实验时要观察______(选填“加热的时间”或“升高的温度”)比较两种燃料的热值大小;比较不同物质的比热容,应选择______两图进行实验,实验时通过观察______(选填“加热的时间“或“升高的温度”)反映物体吸热的多少。
(2)比较不同物质的比热容,选用上图合适装置加热相同一段时间后,绘制出温度-时间图像(如上图丁),由图像可看出液体a的比热容______(选填“大于”、“小于”或“等于”)液体b的比热容。
(3)若图甲烧杯中为50mL的水,若10g酒精完全燃烧放出的热量全部被水吸收时,温度计示数升高了20℃,则根据以上数据可以算出酒精的热值,这种方法测出的热值比“标准值”______(选填“偏大”、“偏小”或“一样”)。
26. 在做“探究电流通过导体时产生的热量与什么因素有关”的实验时,小于采用了如图所示的实验装置,两个透明容器中封闭着等量气体,U形管中液面的变化反映了密封空气温度的变化。
(1)给图甲所示装置通电相同时间,发现B玻璃管内液面上升较高,这表明,在______和通电时间相同的情况下,导体的______越大,产生的热量______;
(2)给图乙所示装置通电相同时间,发现A玻璃管内液面上升较高,这表明,在______和通电时间相同的情况下,通过导体的______越大,产生的热量______;
(3)该实验中采用的研究物理问题的方法有______法和转换法。
27. 在“探究影响电阻大小的因素”的实验中,某实验小组同学利用如图所示的电路分别对“导体电阻跟它的材料、长度、横截面积有关”的猜想进行实验验证。实验中使用4根电阻丝,其规格、材料如表所示。
编号
材料
长度/m
横截面积/mm2
电流大小/A
A
锰铜合金
0.5
0.8
0.40
B
镍铬合金
0.5
0.8
0.32
C
镍铬合金
0.5
0.4
0.16
D
镍铬合金
1.0
0.4
0.08
(1)实验中通过观察______来比较电阻的大小,此过程用到的研究方法______。
(2)分别将 C、D两根合金丝接入电路,可初步探究出的结论是______。
(3)分别将______(填编号)两根合金丝接入电路,可初步探究出的结论是:导体的材料、______相同时,横截面积越小,电阻______。
28. 如图所示电路中,电源电压为6V,灯泡L规格为“6V 3W”,其电流与电压的关系如图乙所示。当S、S1、S3闭合,S2断开时,电流表示数为0.5A。
(1)求灯泡L的额定电流;
(2)求定值电阻R1的阻值;
(3)断开S1、S3,闭合S、S2,调节滑片P,使R2的电功率为灯泡的2倍,求此时滑动变阻器接入电路的阻值为多大。
29. 小明的爸爸从商店买回一只电磁炉,并赠送一只可放在上面加热的水壶,该水壶的质量0.8kg,正常使用最多可盛2.5L水,底面积2dm2。
求:(1)该水壶最多可以盛多少kg的水?
(2)该水壶盛最多的水放在电磁炉上烧,水壶对电磁炉的压强是多少?
(3)通常情况下,将一壶水从20℃加热到沸腾需要吸收热量多少?(g=10N/kg,水的比热容是4.2×103J/(kg⋅℃))
答案和解析
1.【答案】A
【解析】解:A.三个苹果的质量在1斤=500g左右,所以一个苹果的质量在150g左右,故A符合生活实际;
B.人感觉比较舒适的温度在23℃左右,36.8℃感觉特别热,故B不符合生活实际;
C.一个中学生的身高约为165cm,C不符合生活实际;
D.中学生百米赛跑的时间约为14s,D不符合生活实际。
故选:A。
首先对题目中的物理量有个初步的了解,对于选项中的单位,可根据需要进行相应的换算或转换,排除与生活实际相差较远的选项,找出符合生活实际的答案。
要对生活实际中物体物理量的大约数值了解,注意观察生活,多思考。
2.【答案】B
【解析】解:
A、杯子里的水可以任意倒出,说明水具有流动性,不能说明分子间没有引力,故A错误;
B、扩散现象表明分子在不停地做无规则运动,固体间能扩散,表明固体物质分子在不停地做无规则运动,故B正确;
C、把0℃的冰块加热熔化成0℃的水,该过程中冰吸收热量,其内能会增加,故C错误;
D、用力搓手,由于需要克服摩擦力做功,所以手发热是通过做功的方式增加手的内能,而不是增加手的热量,故D错误。
故选:B。
(1)液体没有固定的形状,具有流动性;
(2)扩散现象表明分子在不停地做无规则运动;
(3)改变内能的方式:做功和热传递,对物体做功,物体的内能会增加;物体吸收热量,内能会增加。
本题主要考查分子动理论和改变内能的方式,属于识记性内容,难度不大。
3.【答案】C
【解析】解:
A、图乙两个气门关闭,活塞下行,气缸容积增大,是热机的做功冲程,故A错误;
B、图甲是机械能转化为内能,图乙是热机的做功冲程,将内能转化为机械能,二者的能量转化情况不相同,故B错误;
C、图甲在空气压缩引火仪玻璃筒的底部放一小撮干燥的棉絮,用力将活塞迅速向下压,压缩空气做功,使筒内空气内能增大,温度升高,通过棉花的燃烧判断空气内能的变化,没有棉花,实验结论依然成立,故C正确;
D、随着技术的进步,减少了能量的损失,可提高热机效率,但热机的效率不能达到100%,故D错误。
故选:C。
(1)根据气门的关闭和活塞的运行方向判断热机的冲程。
(2)热机的做功冲程中,将内能转化为机械能,据此再与甲图进行比较。
(3)压缩空气做功,空气内能增加,温度升高;
(4)不管技术怎么进步,内燃机的效率都不能达到100%。
解决此类问题要结合改变物体内能的方式、能量的转化、内燃机的原理等进行分析解答,相对比较简单,属于基础题。
4.【答案】C
【解析】解:做功冲程中将燃料燃烧产生的内能转化为机械能,为热机工作提供动力;
故选:C。
在四冲程内燃机的做功冲程中,燃料燃烧产生大量的高温高压的燃气推动活塞做功,将内能转化为机械能。
解决此类问题一定要区分压缩冲程和做功冲程中的能量转化。
5.【答案】C
【解析】解:
A、燃料燃烧是将化学能转化为内能,不符合题意;
B、水力发电是将机械能转化为电能;不符合题意。
C、钻木取火是摩擦生热,是机械能转化为内能;符合题意;
D、水沸腾时,把壶盖顶起将内能转化为机械能;不符合题意;
故选:C。
分析能量转化的规律时,首先分析出每一个过程中变大的能量和变小的能量,然后根据能量转化的规律:减小的能量转化为增大的能量来做出解答。
生活中存在很多机械能和其他形式能的转化的现象。内燃机是内能转化为机械能;发电机是机械能转化为电能;电动机是电能转化为机械能;摩擦生热是机械能转化为内能等等。
6.【答案】D
【解析】解:A、使用试电笔时,手应接触笔尾的金属体,这样才能正确辨别火线和零线。故A错误;
B、家庭电路中空气开关跳闸,是因为电路中的电流过大,可能是用电器的总功率过大引起的,也可能是电路中发生了短路引起的,故B错误;
C、电能表是测量电功的仪表,故C错误;
D、三孔插座的上孔接地线,用电器的金属外壳连接三孔插座的上孔,这样在金属外壳的用电器漏电时,避免出现触电事故,故D正确。
故选:D。
(1)使用试电笔时,手应接触笔尾的金属体,笔尖接触电线;
(2)电路电流过大的原因:一是短路;二是用电器的总功率过大;
(3)电能表是测量电功(消耗电能)的仪表;
(4)三孔插座的接法:上面的孔接地线,左孔接零线,右孔接火线。上孔接地线是为了金属外壳的用电器的金属外壳接地,避免金属外壳的用电器漏电时,发生触电事故。
本题考查的是日常生活中的一些安全用电常识。只要同学们牢记安全用电常识,并正确规范操作,避免危险发生。
7.【答案】D
【解析】解:在研究电流与电压的实验中,对同一导体,改变加在两端的电压,发现通过的电流也随之改变,但电压与电流的比值不变,换其他导体,也能得出同样结论.
故选D.
对同一导体(电阻不变),当两端电压增大时,通过的电流也增大,其比值不变;对其他导体实验,该结论也成立.
导体的电阻取决于导体的长度、横截面积和材料,而与加不加电压、有无电流无关,但可以通过电压和相应的比值求出导体的电阻.
8.【答案】C
【解析】解:由电路图可知,两电阻并联,电流A2测干路电流,A1测R2支路的电流,
因并联电路干路电流大于各支路电流,且两指针的位置相同,
A2的量程为大量程,分度值0.1A,则干路电流:I=IA2=1.2A,
A1量程为小量程,分度值0.02A,则R2中的电流:I2=IA1=0.24A,
故通R1的电流:
I1=I−I2=1.2A−0.24A=0.96A。
故选:C。
由电路图可知,两电阻并联,电流表A2测干路电流,A1测R2支路的电流,根据并联电路的电流特点确定两电流表的量程,并根据分度值读出其大小和求出通过R1的电流。
本题考查了电流表的读数和并联电路的特点,分清电路的连接方式和电流表量程的判读是解决本题的关键。
9.【答案】BC
【解析】解:由图可知,n=2,
A、物体上升的速度:v=ht=2m5s=0.4m/s;故A错误;
B、分析滑轮组,不计动滑轮及绳自重,忽略摩擦。拉力F大小F=12G=12×200N=100N,故B正确;
CD、绳子的速度,,拉力F的功率:P=Wt=Fst=Fv=100N×0.8m/s=80W,故C正确,D错误。
故选:BC。
(1)由图可知,n=2,不计动滑轮及绳自重,忽略摩擦。F=12G;
(2)由v=st可求速度;
(3)绳子的速度,,拉力F的功率利用P=Fv可解。
是一个综合计算题,要求灵活运用速度、功的公式、功率公式,能确定承担物重的绳子股数是关键(直接从动滑轮上引出的绳子股数)。
10.【答案】ACD
【解析】解:
A、当开关闭合时,R0短路,电压表测电源电压,设此时示数为U1,当开关断开时,R0与RX串联,电压表测RX的电压,设此时示数为U2,则此时R0两端的电压为U1−U2。
根据串联电路电流处处相等可列出等式:U1−U2R0=U2Rx,推导得出RX=U2U1−U2R0,故此电路可以测出RX阻值。
B、当开关闭合时,RX被短路,电压表测电源电压,当开关断开时,RX与R0串联,电压表仍测电源电压,无法推导出通过RX的电流,故此电路不能测出RX阻值。
C、当开关掷到1档时,只有RX接入电路,电压表示数等于电源电压,设此时示数为U1,当开关掷到2档时,RX与R0串联,电压表测RX的电压,设此时示数为U2,则此时R0两端电压为U1−U2.根据串联电路电流处处相等可列出等式:U2Rx=U1−U2R0,推导得出RX=U2U1−U2R0,故此电路可以测出RX阻值。
D、当开关掷到1档时,只有R0接入电路,电压表示数等于电源电压,设此时示数为U1,当开关掷到2档时,RX与R0串联,电压表测R0的电压,设此时示数为U2,则此时RX两端电压为U1−U2.根据串联电路电流处处相等可列出等式:U2R0=U1−U2RX,推导得出RX=U1−U2U2R0,故此电路可以测出RX阻值。
故选:ACD。
本题各选项的共同特征都最缺少电流表,利用已知阻值的R0和开关的控制,推导出通过RX中的电流,是分析的关键。
缺少电流表测电阻的问题,要用到数学的推理思维,常以电流处处相等为突破口;如果缺少电压表测电阻,也常以各支路电压相等为突破口。
11.【答案】−42.60
【解析】解:
(1)温度计上10℃之间有10个小格,一个小格代表1℃,所以此体温计的分度值为1℃;液面在0℃以下,示数为−4℃;
(2)刻度尺上1cm之间有10个小格,所以一个小格代表的长度是0.1cm,即此刻度尺的分度值为0.1cm=1mm;物体左侧与0.0cm刻度线对齐,读作0.00cm;右侧与2.6cm刻度线对齐,读作2.60cm,所以物体的长度为L=2.60cm−0.00cm=2.60cm。
故答案为:−4;2.60。
(1)温度计的读数:首先确定零上还是零下,确定每一个大格和每一个小格各代表的示数,从小数字读向大数字;
(2)刻度尺上最小的一格代表的长度是刻度尺的分度值,使用刻度尺测量物体长度之前,要明确其分度值;测量时要观察是否从0刻度线量起,起始端没从0开始,要以某一刻度当作“0”刻度,读出末端刻度值,减去前面的刻度即为物体长度,注意刻度尺要估读到分度值的下一位。
物理中有很多的测量工具,如刻度尺、温度计等,任何一种工具,一定要注意每一个大格和每一个小格各代表多少。刻度尺需要估读到分度值的下一位数字,其他的测量工具不需要估读,读出最接近的数值即可。
12.【答案】下 在不停地做无规则运动 ④
【解析】解:二氧化氮气体的颜色是红棕色的,而且比空气的密度大,因此必须放在下面的瓶子中。将两个瓶口对在一起,二氧化氮气体分子会向空气中运动,所以下面瓶内的气体颜色会变淡,上瓶内的气体颜色会变红。而且温度越高,运动速度越快。
故答案为:下;在不停地做无规则运动;④。
分子在永不停息地做无规则运动,运动速度和温度有关,温度越高速度越快。
本题考查学生对分子运动特点和其相关因素的掌握情况,需要对分子动理论加强记忆方面的训练。
13.【答案】做功 保温 比热容
【解析】解:(1)迅速振动瓶子几十次,细沙温度升高,这是用做功方法使沙子内能增大;
(2)空气、塑料、水瓶塞、泡沫、木头导热性能差,是热的不良导体,泡沫塑料的作用是保温;
(3)水的比热容大,在质量相同、水吸收相同的热量,温度升高的低,温度变化不明显。
故答案为:做功;保温;比热容。
(1)改变内能的方法:做功和热传递;
(2)像金属这样导热性能好的物体称为热的良导体;而像塑料、木头、空气这样导热性能差的物体称为热的不良导体;
(3)相同质量的水和其它物质比较,吸收或放出相同的热量,水的温度升高或降低的少;升高或降低相同的温度,水吸收或放出的热量多。
本题考查改变内能的方式、物体的导热性能以及比热容的有关之知识。
14.【答案】不可 4×10795.2
【解析】解:
(1)可燃冰、石油、煤开发使用后,会越来越少,不可能在短期内从自然界得到补充,所以它们都属于不可再生能源;
(2)1m3天然气完全燃烧产生热量:
;
(3)由题知,水吸收的热量:;
由可得加热水的质量:
。
故答案为:不可;4×107;95.2。
(1)能够短时间内从自然界源源不断得到补充的是可再生能源,短时间内从自然界得不到补充的是不可再生能源;
(2)利用求完全燃烧1m3的天然气放出的热量;
(3)由题知,求出水吸收的热量;再根据公式变形可求得可使多少kg的水从20℃加热至80℃。
本题考查了学生对燃料分类、燃料完全燃烧放热公式、吸热公式和密度公式的掌握和运用,因条件已给出,难度不大。
15.【答案】同种 导体 从金属箔到手
【解析】解:(1)验电器的金属箔片张开是因为两金属箔片带有同种电荷而互相排斥;
(2)用手接触验电器的金属球后金属箔片闭合,说明电荷发生了转移,故该现象说明人体是导体。
(3)验电器上带有正电荷,也就是缺少电子,人接触验电器的金属球时,电子从大地、人体传到金属箔;自由电子定向移动的方向与电流的方向相反,因此瞬间电流的方向从金属箔到手。
故答案为:同种;导体;从金属箔到手。
(1)验电器是根据同种电荷相互排斥制成的。
(2)导体能够将产生的静电导入大地。
(3)发生电荷定向移动时,规定正电荷定向移动的方向与电流的方向相同,负电荷定向移动的方向与电流的方向相反。
本题考查电荷间的相互作用规律、导体和绝缘题的区别,以及电流方向的判断,比较简单。
16.【答案】电流 电压
【解析】解:闭合开关S后,两个灯泡都能发光;若乙是电流表,则灯泡L2会被短路,所以乙是电压表,甲与灯泡L2串联,为电流,则两个灯泡组成并联电路。
故答案为:电流;电压。
电压表与被测用电器并联,并且在电路中相当于开路;电流表与被测用电器串联,并且在电路中相当于导线。
解决本类题的关键是牢记电压表和电流表的正确使用方法,并且能够识别串并联电路。
17.【答案】变小 变大
【解析】解:皮肤在潮湿时人体水分含量变大,水的导电性能较好,所以相当于人体电阻变小;在接触一定电压的电路时,人体电阻变小,根据欧姆定律I=UR知,通过人体的电流会变大。
故答案为:变小,变大。
皮肤在潮湿时考虑人体水分的变化可知电阻的变化,接入电路后考虑人体电压的变化结合欧姆定律可知电流的变化。
本题考查学生对导体电阻的理解和灵活运用欧姆定律的能力。
18.【答案】0.512010
【解析】解:
(1)闭合开关S1、S2,将滑动变阻器R2的滑片滑到最左端时,灯与R1串联,小灯泡正常发光,故灯的电压为2.5V,由串联电路的规律及欧姆定律,电路的电流为:
IL=U−ULR1=4.5V−2.5V10Ω=0.2A,即灯的额定电流,小灯泡的额定功率为:
P=ULIL=2.5V×0.2A=0.5W;
通电5min,电阻R1产生的热量为:Q=W=I2R1t=(0.2A)2×10Ω×5×60s=120J;
(2)只闭合开关S1,灯与变阻器串联后再与R1串联,滑动变阻器R2的滑片在最左端时,电压表测灯的电压,滑片在最右端时,电压表测灯与变阻器的电压,因电压表接在滑片上,故在滑片移动过程中,电流要全部经过电阻丝,即电路的总电阻不变,电路的电流不变;
滑片在最左端时,由串联电路电压的规律及欧姆定律,电路的电流为:
-----①;
滑片在最右端时,由串联电路电压的规律及欧姆定律,电路的电流为:
I=U−U2R1=4.5V−3V10Ω=0.15A----②,
把②代入①得:。
故答案为:0.5;120; 10。
(1)闭合开关S1、S2,将滑动变阻器R2的滑片滑到最左端时,灯与R1串联,根据小灯泡正常发光可知灯的电压为,由串联电路的规律及欧姆定律得出电路的电流即灯的额定电流,根据P=UI得出小灯泡的额定功率;
根据Q=W=I2Rt求出通电5min电阻R1产生的热量;
(2)只闭合开关S1,分析电路的连接及滑片移动到两下端点时电压表测量的电压,因电压表接在滑片上,故在滑片移动过程中,电流要全部经过电阻丝,即电路的总电阻不变,由欧姆定律,电路的电流不变;
滑片在最左、右端时,由串联电路电压的规律及欧姆定律得出电路电路的表达式,从而得出变阻器的最大电阻。
本题考查串联电路的规律及欧姆定律的和电功公式的运用,最后一问是难点,关键是明确电路的电流流向及注意灯的电阻是变化的。为易错题。
19.【答案】0.310
【解析】
【分析】
由电路图可知,R1与R2并联,电流表A1测R1支路的电流,电流表A2测干路电流,根据并联电路的电压特点和欧姆定律求出通过R1即电流表A1的示数,根据并联电路的电流特点求出通过定值电阻R2的电流,再根据欧姆定律求出定值电阻R2的阻值。
本题考查了并联电路的特点和欧姆定律的应用,是一道较为简单的应用题。
【解答】
解:由电路图可知,R1与R2并联,电流表A1测R1支路的电流,电流表A2测干路电流,
因并联电路中各支路两端的电压相等,
所以,通过R1即电流表A1的示数:
I1=UR1=6V20Ω=0.3A,
因并联电路中干路电流等于各支路电流之和,
所以,通过定值电阻R2的电流:
I2=I−I1=0.9A−0.3A=0.6A,
则定值电阻R2的阻值:
R2=UI2=6V0.6A=10Ω。
故答案为:0.3;10。
20.【答案】1:1;1:3;3:5;1:1
【解析】解:(1)只闭合S,R1与R3串联,电流表A1、A2测量电路中的电流,由于根据串联电路中处处电流相等,则电流表A1、A2示数之比为1:1;
电压表测量R1两端的电压,电压表V2测量R1与R3两端的总电压,根据I=UR和串联电路的电阻特点可得:
电压表V1、V2示数之比为U1:U=IR1:I(R1+R3)=R1:(R1+R3)=2Ω:(2Ω+4Ω)=1:3.
(2)再闭合S1、S2,R1与R2并联,电压表V1、V2测量并联电路两端的电压,由于并联电路两端电压相等,所以电压表V1、V2示数之比为1:1;
电流表A1测量R1的电流,电流表A2测量干路电流,根据I=UR和并联电路的电流特点可得:
电流表示数A1、A2之比为I1′:I′=UR1:(UR1+UR2)=1R1:(1R1+1R2)=12Ω:(12Ω+13Ω)=3:5.
故答案为:1:1;1:3;3:5;1:1.
(1)只闭合S,R1与R3串联,根据串联电路处处电流相等即可得出电流表示数之比,根据U=IR即可求出电压之比.
(2)再闭合S1、S2,R1与R2并联,根据并联电路两端电压相等可知电压表示数之比,根据I=UR和并联电路的电流特点可求出电流表示数之比.
本题考查串并联电路的特点和欧姆定律的应用,关键是电路连接方式的判断和电表的测量对象判断.
21.【答案】解:火线先接入保险丝,然后进入开关,再进入灯泡顶端的金属块;零线直接接入螺旋套。
故答案为:
【解析】(1)在火线上只接一根保险丝不是为了节省,而是为了更安全。
(2)火线首先接入保险丝,然后过开关再入灯泡顶端的金属块;零线直接进入灯泡螺旋套。
掌握家庭电路中灯泡、开关、两孔插座、三孔插座、保险丝的接法。
22.【答案】解:重力从重心竖直向下画,标出符号G,拉力从重心竖直向上画,标出符号F,注意两个力大小相等(均为15N),所画线段的长度要相等。如图所示:
【解析】将实心球悬挂于天花板上处于静止状态,球所受的重力和拉力是一对平衡力,作用点都在球的重心上,重力方向竖直向下,拉力方向竖直向上。
作力的示意图,要用一条带箭头的线段表示力,线段的长度表示力的大小,箭头表示力的方向,起点或终点表示力的作用点,是平衡力的长度要相等。
23.【答案】B 正比 小灯泡断路 0.280.7B
【解析】解:(1)要求滑片向左滑动时,变阻器连入电路的电阻变大,所以变阻器应选择右下接线柱串联入电路中,如图所示:
;
(2)探究电流与电压关系的实验,要控制电阻不变,记下电流随电压的变化关系,为得出普遍性的结论,要多次测量,故实验时,闭合开关,将滑片移动到某位置,记下电压表和电流表的示数。接下来的操作是将滑片移动到另外几个位置,分别记下电压表和电流表的示数,故选B;
(3)由图乙知,电阻一定时,通过导体的电流与其两端电压的图象是正比例图象,可知,电阻一定时,通过定值电阻的电流与其两端的电压成正比;
(4)正确连接电路后,闭合开关,发现小灯泡不亮,电流表无示数,说明电路有断路,电压表示数接近电源电压,说明电压表两端接线柱到电源间是通路,所以故障原因是小灯泡断路;
(5)由图丙知电流表的量程为0−0.6A,分度值为0.02A,示数为0.28A
小灯泡正常发光时的电功率为:P=UI=2.5V×0.28A=0.7W;
(6)灯泡在不同电压下的功率不同,求功率的平均值无意义;
小红在实验中进行了多次测量,其测量目的是找出灯泡的亮度与灯泡实际功率之间的关系。故选B。
故答案为:(1)见上图;(2)B;(3)正比;(4)小灯泡断路;(5)0.28;0.7;(6)B。
(1)滑片向左滑动时,变阻器连入电路的电阻变大,据此选择变阻器的接线柱将变阻器串联入电路中;
(2)探究电流与电压关系的实验,要控制电阻不变,记下电流随电压的变化关系,为得出普遍性的结论,要多次测量,据此分析;
(3)根据图象分析得出结论;
(4)小灯泡不亮,电流表无示数,说明电路有断路发生,再根据电压表示数判断故障原因;
(5)根据电流表的量程和分度值读出电流表的示数,根据P=UI算出小灯泡正常发光时的电功率;
(6)本实验中进行了多次测量,其测量目的是找出灯泡的亮度与灯泡实际功率之间的关系。
本题综合考查了探究电流与电压和测量小灯泡的电功率两个实验,考查了实物电路的连接、实验的操作、故障分析、电表读数、电功率计算等,难度适中。
24.【答案】b 保护电路 U2R0U1 不妥当 通过一次实验数据得出的结果误差较大
【解析】解:(1)闭合开关,Rx、R0和R串联,电压表V1测量R0两端的电压,电压表V2测量Rx两端的电压。为保护电路,闭合开关前,滑动变阻器的滑片应置于阻值最大处,即b端;
(2)闭合开关S,调节滑动变阻器,得到电压表V1的示数为U1,根据欧姆定律可知电路中的电流I=U1R0,电压表V2的示数为U2,则被测的阻值Rx=U2I=U2U1R0=U2R0U1;
(3)该同学测量一次后,就计算出了该电阻的阻值,你认为该实验结论的得出不妥当,理由是通过一次实验数据得出的结果误差较大。
故答案为:(1)b;(2)U2R0U1;(3)不妥当;通过一次实验数据得出的结果误差较大。
(1)闭合开关,Rx、R0和R串联,电压表V1测量R0两端的电压,电压表V2测量Rx两端的电压,为保护电路,闭合开关前,滑动变阻器的滑片应置于阻值最大处;
(2)闭合开关S,调节滑动变阻器,得到电压表V1的示数为U1,根据欧姆定律可知电路中的电流和被测的阻值Rx;
(3)该同学测量一次后,就计算出了该电阻的阻值,你认为该实验结论的得出不妥当,理由是通过一次实验数据得出的结果误差较大。
本题为测量未知电阻Rx的阻值的实验,考查注意事项、电阻计算等知识。
25.【答案】甲、乙 升高的温度 甲、丙 加热的时间 小于 偏小
【解析】解:(1)比较不同燃料的热值,应控制被加热液体的种类相同而燃料不同;故应选择甲、乙两图进行实验。根据转换法,同时点燃燃料后,需等待燃料燃尽后然后通过观察比较烧杯内液体升高的温度来比较两种燃料热值大小;
比较不同物质的比热容,应控制物质的质量、燃料相同和加热时间相同而吸热的物质种类不同,故应甲、丙两图进行实验;实验中通过加热时间反映吸收热量的多少;
(2)根据绘制出温度-时间图象(如上图丁),升高相同的温度,b加热时间是长,根据比较吸热能力的第1种方法,液体a的比热容小于液体b的比热容;
(3)在加热的过程中,酒精未完全燃烧及热量散失,使得水吸收的热量偏少,故这种方法测出的热值比“标准值”偏小。
故答案为:(1)甲、乙;升高的温度;甲、丙;加热的时间;(2)小于;(3)偏小。
(1)(2)比较不同燃料的燃烧值,由控制变量法,应控制被加热液体的种类相同而燃料不同,燃料完全燃烧释放的热量可以通过液体温度计示数变化来反应;
比较不同物质的比热容,应控制物质的质量、燃料相同和加热时间相同而吸热的物质种类不同,根据升高的温度变化来研究;实验中通过加热时间反映吸收热量的多少,这是转换法的应用;
比较吸热能力的方法:使相同质量的不同物质吸收相同的热量(即加热相同的时间),比较温度的变化,温度变化小的吸热能力强;
(3)由于酒精未完全燃烧及热量散失,由Q=qm可分析;
本题比较不同燃料的热值和不同物质的比热容,考查控制变量法及转换法的运用、比值法来定义的物理量。
26.【答案】电流 电阻 多 电阻 电流 多 控制变量
【解析】解:(1)电流产生热量的多少是通过U形管液面的高度表现出来的,液面越高说明产生热量越多;
由图知B管的电阻大,液面上升较高说明在电流和通电相同时间,电阻越大,电流通过导体时产生的热量越多;
(2)装置中一个5Ω的电阻与两个5Ω的电阻并联后再串联,根据串联电路的电流特点可知,右端两个电阻的总电流和左端的电阻电流相等,即,两个5Ω的电阻并联,根据并联电路的电流特点知,两电阻阻值相等,则支路中电流相等,I1=I2,所以右边容器中的通过电阻的电流是左侧通过电流的一半,由Q=I2Rt可知,左边容器中的电阻产生的热量多,温度升得较快;
这表明:在相同时间内,电阻相同,电流越大,通过导体时产生的热量越多;
(3)(3)影响电流产生热量的多少的因素有电阻、电流和通电时间,实验中采用的是控制变量法。
故答案为:(1)电流;电阻;多;(2)电阻;电流;多;(3)控制变量。
(1)探究电流产生热量跟电阻关系时,控制通电时间和电流不变;电流产生热量的多少是通过U形管液面的高度表现出来的,液面越高说明产生热量越多;
(2)探究电流产生热量跟通电时间关系时,控制电流和电阻不变;
(3)影响电热大小的因素有多个,实验中采用的是控制变量法。
此题主要考查的是学生对“电流通过导体产生的热量与电阻、电流的关系”实验的理解和掌握,注意控制变量法和转换法的运用。
27.【答案】电流表的示数大小 转换法 导体的材料、横截面积相同时,长度越长,电阻越大 B、C 长度 大
【解析】解:
(1)在该实验中,电阻的大小是通过观察电流表的示数大小来体现的,电流越小说明电阻越大,这种方法是转换法;
(2)由表中数据可知,将C、D两根合金丝接入电路,C、D合金线的材料、横截面积均相同,而长度不同,电流表的示数不同,可初步探究出的结论是导体的材料、横截面积相同时,长度越长,电阻越大;
(3)研究导体的电阻与横截面积的关系时,应控制导体的材料、长度均相同,而横截面积不同,由表中数据可知,应将B、C两根合金丝接入电路;
根据表格中的数据可知,在导体的材料、长度均相同时,横截面积越小,电流越小,则表明其电阻越大。
故答案为:(1)电流表的示数大小;转换法;(2)导体的材料、横截面积相同时,长度越长,电阻越大;(3)B、C;长度;大。
(1)电阻的大小可以通过电流的大小来转换比较,结合给出的实验器材,可以利用电流表的示数来比较;
(2)(3)电阻的大小在不考虑温度的前提下,有三个决定因素:材料、长度、横截面积,因此要研究电阻的大小与每一个因素的具体关系时,要用到控制变量法,即研究电阻的大小与哪个因素有关,就要让这个因素变化,其余的因素都相同。
本题考查了导体电阻的决定因素,解题时注意控制变量法的应用,分析实验数据,根据导体条件的不同及对应的实验数据的不同得出结论,是正确解题的前提与关键。
28.【答案】解:
(1)灯泡L规格为“6V 3W”,是指额定电压为6V、额定功率为3W。
由P=UI可得灯泡L的额定电流:
;
(2)由图甲可得,当S、S1、S3闭合,S2断开时,灯L被短路,滑动变阻器没有连入电路,电路中只有R1,
由欧姆定律可得:
R1=UI=6V0.5A=12Ω;
(3)断开S1、S3,闭合S、S2,灯L与滑动变阻器串联,通过的电流相等,调节滑片P,使R2的电功率为灯泡的2倍,
由P=UI可知:
R2两端的电压、灯L两端电压之比:
U2:UL′=2:1,
因为U2+UL′=U=6V,
所以R2两端的电压为4V、灯L两端电压为2V,
由图乙可知此时通过灯的电流,即电路中的电流:
I′=0.25A,
滑动变阻器连入的电阻:
R2=U2I′=4V0.25A=16Ω。
答:(1)灯泡L的额定电流为0.5A;
(2)定值电阻R1的阻值为12Ω;
(3)此时滑动变阻器接入电路的阻值为16Ω。
【解析】(1)知道灯泡L规格(额定电压、额定功率),利用P=UI求灯泡L的额定电流;
(2)由图甲可得,当S、S1、S3闭合,S2断开时,灯L被短路,滑动变阻器没有连入电路,电路中只有R1,利用欧姆定律求R1的阻值;
(3)由图甲可得,断开S1、S3,闭合S、S2,灯L与滑动变阻器串联,通过的电流相等,调节滑片P,使R2的电功率为灯泡的2倍,利用P=UI求R2两端的电压、灯L两端电压之比,知道电源电压,可求R2两端的电压、灯L两端电压;由图乙可知此时通过灯的电流,即电路中的电流,利用欧姆定律求滑动变阻器连入的电阻。
本题考查了电功率公式、欧姆定律、串联电路特点的应用以及对灯的铭牌含义的理解,分析通过灯的电流与电压图象得出相关信息是关键。
29.【答案】解:(1)水的质量m=ρV=1000kg/m3×2.5×10−3=2.5kg;
答:水的质量为2.5kg;
(2)水壶对电磁炉的压强P=FS=GS=(0.8+2.5)kg×10N/kg2×10−2m2=1650Pa;
答:水壶对电磁炉的压强是1650Pa;
(3)水吸收热量Q=cm△t=4.2×103J/(kg⋅℃)×2.5kg×(100℃−20℃)=8.4×105J。
答:将一壶水从20℃加热到沸腾需要吸收热量8.4×105J。
【解析】(1)已知水的体积和密度,根据公式m=ρV可求水的质量;
(2)水壶对电磁炉的压力等于水壶和水的重力之和;根据公式P=FS可求水壶对电磁炉的压强;
(3)根据公式Q=cm△t可求水吸收的热量。
本题考查质量、压强、热量的计算,关键是公式及其变形的灵活运用,要知道在水平面上物体对水平面的压力等于物体自身的重力。
22,黑龙江省绥化市绥棱县克音河乡学校2023-2024学年九年级上学期第一次月考物理试题(五四学制): 这是一份22,黑龙江省绥化市绥棱县克音河乡学校2023-2024学年九年级上学期第一次月考物理试题(五四学制),共15页。试卷主要包含了考试时间80分钟,全卷共四道大题,总分80分, 下列关于热值的说法正确的是, 如图所示,下列说法正确的是等内容,欢迎下载使用。
黑龙江省绥化市绥棱县克音河学校2023-2024学年九年级上学期期中物理试卷(五四学制): 这是一份黑龙江省绥化市绥棱县克音河学校2023-2024学年九年级上学期期中物理试卷(五四学制),共28页。试卷主要包含了选择题,填空题,作图与实验探究题,综合应用题等内容,欢迎下载使用。
黑龙江省绥化市绥棱县克音河学校2022-2023学年九年级(上)期末物理试卷(五四学制): 这是一份黑龙江省绥化市绥棱县克音河学校2022-2023学年九年级(上)期末物理试卷(五四学制),共28页。试卷主要包含了选择题,填空题,综合应用题等内容,欢迎下载使用。

