2023届初中物理二轮复习专题4.1 实验探究题(声光热)(教师版含解析)(最新)学案
展开专题4.1 实验探究题(声光热)(解析版)
【迎战中考】2021年物理二轮之试卷题型解密(通用版)
1.实验探究题是中考物理试卷中必考内容。实验探究题考查学生对认识自然、探索规律和培养科学严谨的态度的考试题型。实验探究题在中考试卷中占有较大比例,认真做好实验探究题的备考复习,同样是非常重要的一项内容。
2.各地的中考命题针对实验探究问题有着不同程度的偏重,也不可能面面俱到地进行考查,这也就给命题带来了多个角度的可能性。比如同是考查凸透镜成像规律,但由于考查的环节或是角度不同,考查的方式也就明显不同,因此在平时的教学中,要尽可能的引导学生对每个知识点、每个环节要做到理解和掌握。新课程改革以来,各地中考命题中涉及不同版本教材外的物理探究实验逐年在出新。但纵观其考查内容,大都来源于学生生活实际,并且所考核的方法和能力都是学生应了解和掌握的。所以学生进行应考时对此不要产生心理上的障碍,只要抓住方法、应用得当,一般都能轻松解决。
3.纵观历年实验探究题,其规律是力学一道题、电学一道题,光学或热学一道题,有的还涉及到机械运动、声现象或电磁现象等内容。
一、热学
热学部分实验探究主要有晶体熔化规律实验、影响液体蒸发快慢的因素实验、水的沸腾规律实验、物体吸热能力实验。考查热点有:晶体熔化规律实验、水的沸腾实验和物体吸热能力实验。
晶体熔化规律实验
1.实验内容
【实验目的】探究晶体熔化规律。
【实验器材】铁台架、酒精灯、火柴、石棉网、烧杯、试管、晶体(冰块)、温度计、秒表、水。
【实验步骤】一、按图组装器材。
二、把晶体放入试管中,试管放入盛有水的烧杯中。
三、用酒精灯给晶体加热,记录加热开始时间,观察试管内晶体温度变化情况。
四、当晶体开始熔化时记录此时温度和加热时间。
五、继续加热,观察固液共存态时温度变化情况。
六、继续加热,待晶体完全熔化时记录此时温度和加热时间。
七、继续加热,观察液态时的温度变化和加热时间。
八、实验表格
温度(°C)
加热时间(min)
物质形态
固态
固液共存态
液态
九、整理器材。
【实验结论】晶体熔化过程中,给晶体加热,随着温度的升高,当晶体温度达到熔点时,晶体开始熔化;此时处于固液共存态,随着继续加热,固态继续熔化,温度不变;当晶体完全熔化后,液体温度才会升高。晶体熔化曲线如下图。
2.考查内容
考查方向
解答思路
晶体熔化条件
达到熔点、继续吸热
熔化曲线特点
熔化过程中,固液共存态温度不变(曲线水平段)
石棉网、烧杯内放水的作用
受热均匀
确定熔点
熔化曲线水平段对应的温度
温度计的使用注意事项
温度计应放在被测液体中间部位、不能碰器壁、读取温度时不能取出温度计
仪器安装顺序
自下而上
晶体与非晶体的区别
晶体有固定熔点,熔化曲线可反映出来
熔化过程的吸放热
熔化过程吸热(内能增加)
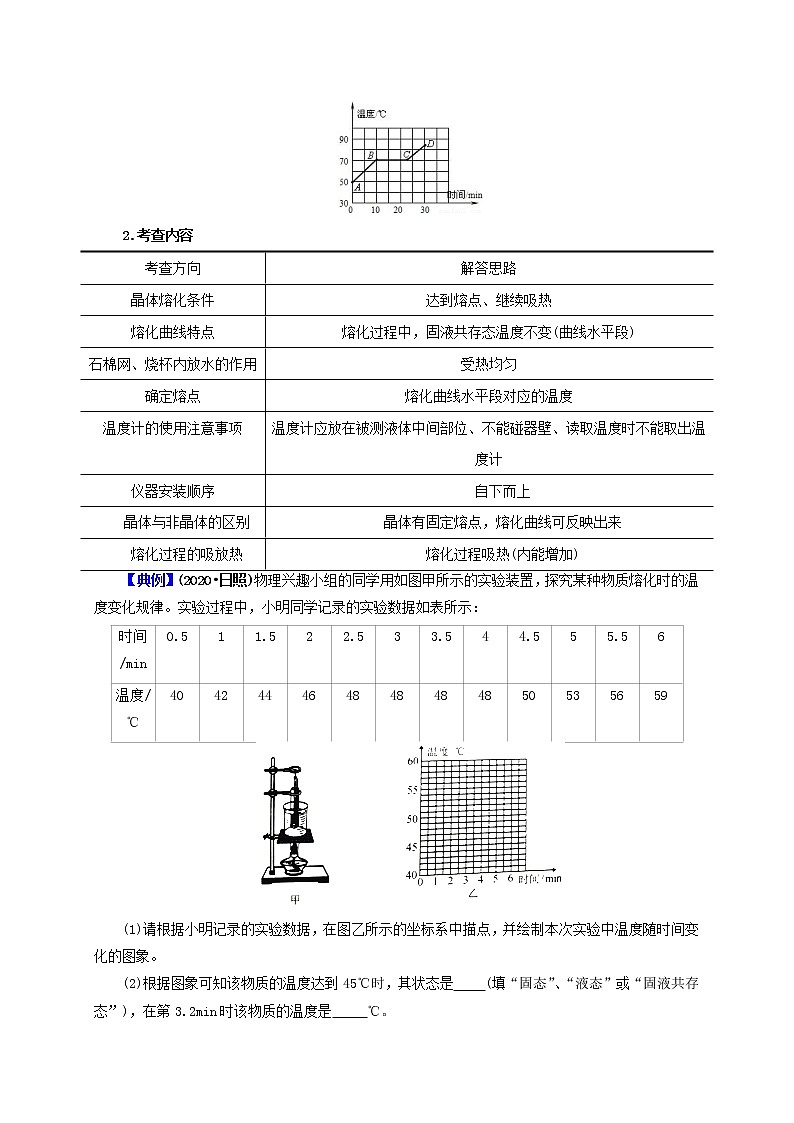
【典例】(2020•日照)物理兴趣小组的同学用如图甲所示的实验装置,探究某种物质熔化时的温度变化规律。实验过程中,小明同学记录的实验数据如表所示:
时间/min
0.5
1
1.5
2
2.5
3
3.5
4
4.5
5
5.5
6
温度/℃
40
42
44
46
48
48
48
48
50
53
56
59
(1)请根据小明记录的实验数据,在图乙所示的坐标系中描点,并绘制本次实验中温度随时间变化的图象。
(2)根据图象可知该物质的温度达到45℃时,其状态是 (填“固态”、“液态”或“固液共存态”),在第3.2min时该物质的温度是 ℃。
(3)实验过程中,同组的丽丽同学每隔1min记录一次温度值,你认为 (填“小明”或“丽丽”)记录的数据更便于找到规律,理由是 。
【答案】(1)如图;(2)固态;48;(3)小明;小明记录的实验数据更多,更精确。
【解析】(1)根据表格中的数据,描点连线得:
(2)由图可知,该物质的温度达到45℃时,还没有熔化,所以其状态是固态;在第3.2min时处于熔化过程,温度保持48℃不变;
(3)实验过程中,同组的丽丽同学每隔1min记录一次温度值,与小明的记录相比,间隔时间过长,小明记录的数据更便于找到规律,因为小明记录的实验数据更多,更精确。
故答案为:(1)如图;(2)固态;48;(3)小明;小明记录的实验数据更多,更精确。
【跟踪练习】
1.(2020•西藏)在“探究固体熔化时温度的变化规律”实验中,实验装置如图(甲)所示,将温度计插入试管后,待温度升至50℃左右开始,每隔大约1min记录一次温度,在固体完全熔化后再记录4~5次,根据记录的数据,在方格纸上以纵轴表示温度,横轴表示时间,描点连线,得到如图(乙)所示的该物质熔化时温度随时间变化的图象。
(1)该物质是 (选填“晶体”或“非晶体”),熔化过程持续了 min;
(2)图中C点物体处于 (选填“固态”、“液态”或“固液共存态”);
(3)图中B点物体的内能 (选填“大于”、“小于”或“等于”)图中D点物体的内能;
(4)某同学把试管中的物质换成水,发现无论怎么加热,试管中的水都不会沸腾,请设计一种可以使试管中的水沸腾的方案: 。(填写一种方案即可)
【答案】(1)晶体;3;(2)固液共存态;(3)小于;(4)烧杯上面加一个盖。
【解析】(1)由图乙可知,2﹣5min内,吸收热量,温度不变,所以该物质为晶体,熔化的时间为5min﹣2min=3min;
(2)图中C点在熔化过程中,处于固液共存状态;
(3)BD段的物质处于熔化过程中,不断吸热,内能增加,温度不变,故物体在B点时具有的内能小于在D点时的内能;
(4)烧杯中的水吸热沸腾后温度不再变化,试管中的水能达到沸点不能继续吸热所以不能沸腾,可以给烧杯上面加一个盖,这样烧杯水面上方气压高,水的沸点高,试管中的水就可以从烧杯中继续吸热,使试管中的水沸腾.
故答案为:(1)晶体;3;(2)固液共存态;(3)小于;(4)烧杯上面加一个盖。
2.(2020•绵阳)探究水凝固时温度的变化规律。取半个易拉罐,装的冰与的食盐的混合物(此混合物是很好的制冷剂),选一只管径较细的试管,盛少许水,把该试管埋入易拉罐的冰与食盐混合物中。正确操作,观测记录水凝固过程中温度随时间变化的数据如下表所示。
时间/mmin
0
1
2
3
4
5
6
7
8
9
10
温度/℃
12
3
1
0
0
0
0
0
0
0
﹣1
回答下列问题:
(1)用温度计测量温度,应将温度计插入 。
A.试管的水中 B.冰与食盐的混合物中 C.空气中
(2)在4min﹣5min时间内,试管中的水 。
A.吸热 B.放热 C.不吸热不放热
(3)根据表中数据可以认为:水的凝固点与冰的熔点 (选填“相同”或“不相同”)。
【答案】(1)A;(2)B;(3)相同。
【解析】(1)本实验是探究水凝固时温度的变化规律,所以用温度计测量温度时,应将温度计插入试管内的水中,故选A;
(2)根据表格中数据,在4min﹣5min时间是水的凝固过程,虽然温度不变,但凝固时一直在放热;
(3)同种物质的熔点和凝固点是相同的,故水的凝固点与冰的熔点相同。
故答案为:(1)A;(2)B;(3)相同。
3.(2020•鞍山)在探究“冰熔化时温度随时间变化规律”的实验中,将装有少量碎冰的试管放入装有适量水的烧杯中,实验装置如图甲所示。[c水=4.2×103J/(kg•℃)]
(1)观察图乙,温度计的示数为 ℃。
(2)某同学根据记录的数据绘制了温度随时间变化的图象(如图丙所示)。由图象可知:冰熔化持续了 min,冰是 。(填“晶体“或“非晶体”)。第4min时,该物质处于 状态,熔化过程为 (填“吸热”或“放热”)过程。
(3)若不考虑热量损失,由图象丙推知,冰的比热容为 J/(kg•℃)。
【答案】(1)﹣2;(2)3;晶体;固液共存;吸收;(3)2.1×103。
【解析】(1)温度计读数时,视线应与液柱的上表面齐平,不能俯视或仰视,故其中正确的是B,此时温度计的示数在0℃以下,分度值是1℃,其示数是﹣2℃;
(2)由图象可知,冰从第2min开始熔化,到第5min完全熔化,共耗时5min﹣2min=3min;冰熔化过程中吸热,温度不变,属于晶体,第4min时,冰处于熔化过程中,以固液共存态存在;
(3)冰的温度从﹣4℃升高到1℃时的加热时间为2min;水从0℃升高到2℃时的加热时间为2min,由于使用同一酒精灯加热,在相同的时间内吸收的热量是相同的;即质量相等的冰和水吸收相同热量,冰升高温度为水升高温度的2倍,由Q吸=cm△t可知冰的比热容为水的比热容的,即:c冰=c水=×4.2×103J/(kg•℃)=2.1×103J/(kg•℃)。
故答案为:(1)﹣2;(2)3;晶体;固液共存;吸收;(3)2.1×103。
4.(2020•盘锦)在“探究固体熔化时温度变化规律”的实验中:
(1)按图甲所示的实验装置组装器材,最后应调整 (填“酒精灯”或“温度计”)的位置。
(2)加热一段时间后,发现试管中不断有液态物质出现,同时温度计示数保持不变,从而确定该物质是 (填“晶体”或“非晶体”)。
(3)该物质全部熔化后继续加热,根据实验数据绘制出熔化后温度计示数随时间变化的图象,如图乙所示。若实验在标准大气压下进行,分析图象可知:试管中的物质 (填“能”或“不能”)沸腾。
(4)另一小组在利用相同的器材进行这一实验时,观察到该物质熔化时温度计示数缓慢上升。
产生这一现象的原因可能是 (填序号)。
①烧杯中的水过多
②对试管内物质不断搅拌
③温度计的玻璃泡碰到了试管壁
【答案】(1)温度计;(2)晶体;(3)不能;(4)③。
【解析】(1)由于要用酒精灯的外焰加热,所以需先固定下面铁圈的高度,最后固定温度计,确保温度计的玻璃泡全部浸没在被测物质中,切不能碰到容器底和容器壁;
(2)该物质熔化过程中吸热,温度不变,属于晶体;
(3)由图乙可知,试管中物质最高温度为100℃,水已经沸腾,该物质不能继续吸热,不能沸腾;
(4)①该物质是晶体,熔化过程中温度不变,烧杯中的水过多,不会影响温度计示数,错误;
②熔化过程中,对试管内物质不断搅拌,可使物质受热均匀,温度计示数不变,错误;
③温度计的玻璃泡碰到了试管壁,相当于直接测量烧杯中水的温度,温度计示数应会上升,正确,故选③。
故答案为:(1)温度计;(2)晶体;(3)不能;(4)③。
5.(2020•沈阳)安安和康康共同探究物质A和物质B熔化时温度的变化规律。
(1)实验所用装置如图甲所示,在安装上有一处明显的错误,其错误之处是 ;
(2)调整好器材后,他们开始实验,如图乙所示,读取温度计示数的方法正确的是 (选填“a”、“b”或“c”)。
(3)在实验过程中,他们每隔1min记录一下物质A和物质B的温度,并把数据记录在表格里。根据表中数据可以判断 (选填“物质A”或“物质B”)是晶体,它在4min﹣7min这段时间内处于 (选填“固态”、“固液共存”或“液态”)状态,在此过程中它的内能 (选填“增大”、“减小”或“不变”)。
物质熔化时温度随时间变化情况的记录表
时间
/min
0
1
2
3
4
5
6
7
8
9
10
11
12
物质
A的温度/℃
40
44
46
48
48
48
48
48
48
48
49
51
54
物质B的温度/℃
60
61
62
63
64
66
67
69
71
74
77
81
85
【答案】(1)试管B碰到了烧杯底;(2)b;(3)物质A;固液共存;增大。
【解析】(1)由图可知,实验所用装置如图甲所示,在安装上有一处明显的错误,其错误之处是试管B碰到了烧杯底;
(2)读数时,视线要与温度计液柱的上表面相平,不能俯视或仰视。所以b方法正确;
(3)A和B两种物质都在不断吸收热量,物质A吸收热量温度保持不变,物质A是晶体;物质B吸收热量温度不断升高,物质B是非晶体。
根据表中数据,物质A吸收热量保持48℃不变,所以A晶体的熔点是48℃。
A晶体的熔点是48℃,它在4min﹣7min这段时间内处于熔化过程,所以它处于固液共存态。在此过程中,不断吸收热量,它的内能增大。
故答案为:(1)试管B碰到了烧杯底;(2)b;(3)物质A;固液共存;增大。
水的沸腾规律实验
1.实验内容
【实验目的】探究水的沸腾规律。
【实验器材】铁台架、酒精灯、火柴、石棉网、烧杯、中心有空的纸板、温度计、秒表、水。
【实验步骤】一、按图组装器材。
二、用酒精灯给水加热并观察温度变化情况。
三、当水温接近90°C时,每分钟记录一次温度,并仔细观察水的沸腾过程。
四、实验表格(1个标准大气压下)
温度(°C)
加热时间(min)
…
五、整理器材。
【实验结论】(1)随着给水加入,谁的温度逐渐升高,当水温达到99°C(本次实验)时,水开始沸腾,此时随着继续加热,水温不变。
(2)水的沸点与当地大气压值有关,气压越高,沸点越高。
2.考查内容
考查方向
解答思路
水沸腾的条件
温度达到沸点,继续吸热
沸腾曲线特点
沸腾前,随着加热,水温升高;当水温达到沸点时,沸腾过程水温不变
如何加快实验进度
用温水或减少水的质量
温度计的使用注意事项
温度计应放在被测液体中间部位、不能碰器壁、读取温度时不能取出温度计
石棉网的作用
受热均匀
酒精灯拿开后水继续沸腾
石棉网有余热
水的沸点不到100°C
压强较低
不能达到沸腾
火力小,水吸收热量小于散热
水沸腾前气泡变化
逐渐变大
安装顺序
自下而上
【典例】(2020•朝阳)利用如图甲所示的装置做“探究水沸腾时温度变化的特点”的实验。
(1)装置图中有一处明显的错误,请指出错误之处: ;
(2)在烧杯上放置一个纸板,其目的是 ;
(3)乙图中a图象是实验小组根据记录绘制的水沸腾图象,根据图象可以得出水沸腾时的特点是 ;当地大气压 (填“高于”、“等于”或“低于”)一标准大气压;
(4)如果减少烧杯中水的质量,水沸腾时图象可能是图乙中的 (填“b”、“c”或“d”)。
【答案】(1)温度计的玻璃泡接触了烧杯底部;(2)减少热量散失,缩短加热时间;(3)继续吸热,温度不变;低于;(4)c。
【解析】(1)由图甲知,装置中明显的错误是:温度计的玻璃泡接触了烧杯底部;
(2)在烧杯上放置一个纸板,其目的是:减少热量散失,缩短加热时间;
(3)由图乙知,水在沸腾时,继续从外界吸热,温度保持在沸点不变;
由图乙知,此时水的沸点为98℃,小于水在一标准大气压下的沸点100℃,因液体的沸点随气压的增大而升高,故当地大气压低于一标准大气压;
(4)因当地大气压不变,水的沸点不变,故减少水的质量时,只是缩短了加热时间,故水沸腾时图象可能是图乙中的c。
故答案为:(1)温度计的玻璃泡接触了烧杯底部;(2)减少热量散失,缩短加热时间;(3)继续吸热,温度不变;低于;(4)c。
【跟踪训练】
1.(2020•锦州)图甲是小白同学探究“水沸腾时温度变化特点”的实验装置。
(1)实验过程中某一时刻温度计的示数如图乙,此时水的温度是 ℃。
(2)实验通过 的方式增加水的内能。
(3)小云同学利用相同的实验装置进行这个实验,他们分别绘制的水的温度和时间关系的曲线如图丙所示。由图象可知:当时的气压 (填“高于”、“低于”或“等于”)标准大气压;水沸腾时的特点是继续吸热, 。他们还发现两次实验时水的初温不同,但水却同时沸腾,造成这种现象的原因是 。
【答案】(1)94;(2)热传递;(3)小于;温度保持不变;水的质量不同。
【解析】(1)该温度计的分度值为1℃,此时水的温度为94℃;
(2)对水加热是通过热传递改变水的内能;
(3)由图象可知此时水的沸点为98℃,低于标准大气压下的100℃,所以此时的大气压低于标准大气压;水沸腾的特点继续吸热,温度保持不变;造成这种现象的原因可能是水的质量不同。
故答案为:(1)94;(2)热传递;(3)小于;温度保持不变;水的质量不同。
2.(2020•淮安)在“观察水的沸腾”实验中,当温度上升到88℃后,每隔1min读一次温度计的示数,直到水沸腾一段时间后停止读数,测得的实验数据如下表所示:
时间t/min
0
1
2
3
4
5
6
7
8
温度T/℃
88
90
94
96
98
98
98
98
(1)2min时温度计的示数如图甲所示,此时温度计的示数是 ℃。
(2)根据表格中的数据,在如图乙的方格纸上画出水的温度T随时间变化的图象。
(3)在5min到8min时间内,要用酒精灯持续加热保持水沸,撤去酒精灯后水很快停止沸腾,这说明水沸腾时需要 热量。
(4)从图象可以看出:实验中水的沸点是 ℃,水在沸腾过程中温度 。
【答案】(1)92;(2)如图;(3)吸收;(4)98;不变。
【解析】(1)温度计的分度值为1℃,且液柱在零刻度线的上方,因此该温度计的示数是92℃;
(2)根据表格中的数据描点,并用平滑的曲线连接起来,如图所示:
(3)当撤去酒精灯后,水很快停止了沸腾,这说明水在沸腾过程中要不断吸热。
(4)由记录的数据可见,水的温度升高到98℃后,就不再变化了,因此此时水的沸点是98℃,并且在沸腾过程中,保持这个温度不变。
故答案为:(1)92;(2)如图;(3)吸收;(4)98;不变。
3.(2020•眉山)为了探究水的沸腾,科学小组进行了下面的实验:
(1)如图甲所示,安装实验器材时,应按照 (选填“自下而上”或“自上而下”)的顺序进行。温度计的示数是 。
(2)加热时,杯底有“气泡”形成,上升到水面破裂,有“白雾”冒出,“白雾”是水蒸气 形成的。由图乙可知,水沸腾过程中不断吸热,温度 (选填“升高”、“降低”或“保持不变”)。
(3)实验结束后,移开酒精灯,发现烧杯内的水没有立即停止沸腾,可能的原因是: 。把水在沸腾的高压锅从灶上拿下来以后,水不再沸腾,但打开锅盖,水又会重新沸腾,原因是 。
【答案】(1)自下而上;75℃;(2)液化;保持不变;(3)石棉网的温度较高,水继续从石棉网吸热;气压减小沸点降低。
【解析】(1)因为要用酒精灯的外焰加热,所以安装器材时,先安装下面器材,再安装上面器材;
温度计的分度值是1℃,示数是75℃;
(2)加热时,杯底有“气泡”形成,上升到水面破裂,有“白雾”冒出,“白雾”是水蒸气遇冷后液化成小水滴;水在沸腾过程中,虽然不断吸热,但温度保持不变。
(3)石棉网的温度高于水的沸点,水继续从石棉网吸热,所以水没有立即停止沸腾。水的沸点与气压有关,气压越低沸点越低,把水在沸腾的高压锅从灶上拿下来以后,水不再沸腾,但打开锅盖,水面上的气压减小,水还能继续沸腾。
故答案为:(1)自下而上;75℃;(2)液化;保持不变;(3)石棉网的温度较高,水继续从石棉网吸热;气压减小沸点降低。
物质吸热能力实验
1.实验内容
【实验目的】探究不同物体的吸热能力。
【实验器材】相同的铁台架、酒精灯、石棉网、烧杯、温度计、搅拌器两套,火柴、秒表、水和另一种液体(如煤油)。
【实验步骤】一、按图组装器材。
二、取质量相同的水和煤油(60g),常温下待温度稳定后(控制两种液体初温相同),测出两种液体的温度,并计入表格。
三、点燃酒精灯,同时给水和煤油加热,加热时间为5分钟,测量此时两种液体温度并计入表格。
四、实验表格(参考数据)
物质种类
质量/g
初温/°C
末温/°C
温升/°C
加热时间(min)
水
60
20
40
20
5
煤油
60
20
56
36
5
…
五、整理器材。
【实验结论】质量相同的水和另一种液体(如煤油),吸收相同的热量,煤油的温度升高较大。
2.考查内容
考查方向
解答思路
两套装置相同目的
在相同时间内,液体吸收热量相同
控制两种装置相同的量
保证实验结论可靠性,酒精灯火焰大小、液体质量和初温
实验方法
控制变量法
两种液体吸收热量能力是通过什么反映的
温度升高值
实验中不停搅拌液体的目的
液体上下温度均匀
如果要使水和煤油的最后温度相同如何操作
给水继续加热
温升相同那种液体吸收热量多
水
哪种液体的吸热能力强
水
表示不同物质吸热能力的物理量
比热容
吸收热量计算
利用比热容公式进行计算
安装顺序
自下而上
【典例】(2020·镇江)在探究不同物质吸热升温的现象实验中∶
(1)小强将天平放在水平桌面上并将游码归零后,若指针静止时位置如图1所示,则他应将平衡螺母向____端调节;调节天平平衡后,为称取质量相等的沙子和水,小强将装有沙子和水的相同烧杯分别放在天平的左、右托盘上,称取完成后,天平平衡时的场景如图2所示,则小强在称取中存在的问题是____。
(2)小强组装的实验装置如图3所示,他在器材安装中的一处错误是____。
(3)实验中某时刻温度计的示数如图4所示,其读数为____℃。
(4)实验结東后,小强根据图5所示的温度随时间变化图像,用三种方法来比较沙子和水吸热升温的快慢,从而建立比热容的概念∶①在相同的时间t内比较温度变化;②在相同的温度变化内比较时间t;③若和t均不同,则可用____来比较沙子和水吸热升温的快慢。在初中物理中,比较物体____的快慢时也用到了上述方法。
【答案】(1)右;(2)游码未在左端零刻度线处;(3)温度计安装位置偏高(或温度计玻璃泡未能与水充分接触);(4)35;(5)(或);(6)运动(或做功)。
【解析】(1)小强将天平放在水平桌面上并将游码归零后,若指针静止时位置如图1所示向左偏,则他应将平衡螺母向右端调节。
天平平衡时的场景如图2所示,则小强在称取中存在的问题是移动游码未在左端零刻度线处,造成沙子和水的质量不同。
(2)小强组装的实验装置如图3所示,他在器材安装中的一处错误是温度计安装位置偏高,或温度计玻璃泡未能与水充分接触。
(3)实验中某时刻温度计的示数如图4所示,刻度值越往上越大,则说明是在零刻度线以上,分度值为1℃,指针位于30℃以上第5个小格处,故其读数为35℃。
(4)实验结東后,小强根据图5所示的温度随时间变化图像,用三种方法来比较沙子和水吸热升温的快慢,从而建立比热容的概念,和t成正比关系,则可用或来比较沙子和水吸热升温的快慢。
在初中物理中,根据速度公式或功率公式,可知比较物体运动或做功的快慢时也用到了上述方法。
【跟踪训练】
1.(2019·济宁)探究物质的吸热能力,通常有两种方案:
方案一:取相同质量的两种物质,吸收相等的热量,比较温度的变化。
方案二:取相同质量的两种物质,升高相同的温度,比较吸收的热量。
(1)为便于开展实验探究,热源相同时,我们将方案中的“吸收的热量”转换为“加热的时间”,通过加热时间的长短可知吸收热量的多少。实验室温度计就是应用这种转换思想测量温度的:当温度升高或降低时,温度计中的液体便膨胀或收缩,从温度计中 的变化便可知温度的变化。
(2)下表是小明探究甲、乙两种液体的吸热能力时记录的实验数据。
液体名称
液体质量
液体初温
液体末温
加热时间
液体吸热情况“多”或“少”
甲
10
30
40
6
多
乙
10
30
40
3
少
①分析表中信息,小明采用的是 (选填“方案一”或“方案二” ;
②分析表中数据,可得出的结论: ;
③如果甲、乙两种液体都可作为发动机冷却液,从物质吸热能力角度考虑,应选 液体作发动机冷却液。
【答案】(1)液柱高度;(2)方案二;甲的吸热能力强;甲。
【解析】(1)实验室温度计就是应用这种转换思想测量温度的:当温度升高或降低时,温度计中的液体便膨胀或收缩,从温度计中液体高度的变化便可知温度的变化;
(2)分析表中信息,质量相同,比较升高相同的温度所用加热时间,故小明采用的是方案二;
分析表中数据知,取相同质量的两种物质,升高相同的温度,甲吸收的热量,可得出的结论是:甲的吸热能力强;
如果甲、乙两种液体都可作为发动机冷却液,从物质吸热能力角度考虑,因甲的比热容大,根据,相同质量的甲乙两种物质升高相同的温度,甲吸热多,故应选甲液体作发动机冷却液。
2.(2018•枣庄)某班同学利用图甲所示的实验装置探究水和煤油的吸热能力。
(1)在图甲中除了所给的实验器材外,还需要的测量工具有天平和 。加热过程中,水和煤油吸收热量的多少是通过 来判断的。
(2)实验中第1、2两个小组记录的实验数据如下表
实验组别
液体
质量/g
初温/℃
末温/℃
加热时间/min
1
水
200
25
40
13.5
煤油
200
25
40
6.5
2
水
200
25
40
12
煤油
200
25
40
5.5
通过分析实验数据,能够得出的结论是: 。
(3)图乙是第1组同学绘制的“吸收热量一时间”和“温度一时间”图象,能正确描述该实验真实情况的图象是 (选填序号)。
(4)使质量相同的水升高相同的温度,加热时间应该相同,但1、2两组的同学在交流实验数据时发现:第1小组的加热时间明显偏长,其原因可能是 。
(5)这两组同学对图甲的装置进行了改进,将分别装有水和煤油的试管放在同一个烧杯中用水加热,如图丙所示,而不是用两个酒精灯分别加热,这样做的好处是 。
【答案】(1)秒表;加热时间长短;(2)质量相同的水和煤油升高相同温度,吸收的热量不同(或质量相同的水和煤油升高相同温度,水吸热的热量多;(3)C;(4)酒精灯的火焰大小不同;(5)在相同时间内水和煤油吸收的热量相同。
【解析】(1)根据转换法,水和煤油吸收热量的多少是通过加热时间的长短来比较吸热多少;故还用到秒表;
(2)通过分析实验数据,能够得出的结论是:
质量相同的水和煤油升高相同温度,吸收的热量不同(或质量相同的水和煤油升高相同温度,水吸热的热量多);
(3)加热时间相同,吸收的热量相同,故AB错误,由表中数据,由(2)知,加热相同时间,水升温慢,故C正确,D错误;
(4)使质量相同的水升高相同的温度,加热时间应该相同,但1、2两组的同学在交流实验数据时发现:第1小组的加热时间明显偏长,其原因可能是:酒精灯的火焰大小不同;
(5)将分别装有水和煤油的试管放在同一个烧杯中用水加热,如图丙所示,而不是用两个酒精灯分别加热,这样做的好处是:在相同时间内水和煤油吸收的热量相同。
故答案为:(1)秒表;加热时间长短;(2)质量相同的水和煤油升高相同温度,吸收的热量不同(或质量相同的水和煤油升高相同温度,水吸热的热量多;(3)C;(4)酒精灯的火焰大小不同;(5)在相同时间内水和煤油吸收的热量相同。
3.(2018•青岛)探究物质的吸热能力。如图,用相同规格的电加热器给质量相等的水和煤油加热,测得数据如下表:
升高的温度t/℃
20
30
40
50
加热水的时间t/s
60
90
120
150
加热煤油的时间t/s
30
45
60
75
①质量相等的水和煤油,升高相同的温度,水比煤油吸收的热量 。
②一定质量的水,在温度升高时吸收的热量与它的 乘积之比,叫做水的比热容。它在数值上等于 质量的水,温度升高1℃所吸收的热量。
【答案】①多;②质量与升高温度;1kg。
【解析】①根据转换法,质量相等的水和煤油,升高相同的温度,水加热时间长,故水比煤油吸收的热量多。
②一定质量的水,在温度升高时吸收的热量与它的质量与升高温度乘积之比,叫做水的比热容。它在数值上等于1kg质量的水,温度升高1℃所吸收的热量。
故答案为:①多;②质量与升高温度;1kg。
二、光学
对光学部分实验探究问题主要包括:光的反射定律实验、平面镜成像规律实验、光的折射定律实验、凸透镜成像规律实验。常考热点有:光的反射定律实验、平面镜成像规律实验、凸透镜成像规律实验。这些问题均属于常考热点,提高认识,找其规律,才能从容备考。
光的反射定律实验
1.实验内容
【实验目的】验证光的反射定律。即:共面(反射光线、入射光线与法线在一个平面内)、分居(反射光线与入射光线分居法线两侧)、等角(反射角等于入射角)和可逆(光路是可逆)。
【实验器材】平面镜一块、激光笔一支、带刻度的折板光屏一块、支架等。
【实验步骤】一、按图组装器材
二、根据图甲沿折板平面用激光笔射出一束光线,观察入射光线和反射光线,并记录入射角和反射角;数据填入表格。
三、改变入射光线方向(入射角)重复上述实验并记录表格。
次数
入射角
反射角
1
2
3
…
四、沿折板中轴(N)将折板F向后转动,观察反射光线是否仍在F上。
五、选择一次实验,沿原反射光线反方向改变入射光线,观察反射光线判断光路可逆性。
六、整理器材。
【实验结论】共面、分居、等角。
2.考查方向
考查方向
解答思路
三线共面
沿折版中轴折转光屏是否还能看见反射光线
分居
观察反射光线、入射光线是否在中轴两侧
等角
通过量角器
可逆
沿原反射光线路径改变入射光线,观察反射光线
漫反射
能看见光线的传播方向说明折板发生了漫反射
实验结论的普遍性
改变入射角(改变入射光线方向),进行多次实验
光线的理想化模型
观察激光笔射出的光线即可构建用带箭头的直线表示光的传播方向和路径
【典例】(2020•天水)“探究光的反射规律”的实验装置如图甲所示,平面镜放在水平桌面上,标有刻度(图中未画出)的白色纸板ABCD能绕垂直于CD的ON轴翻转,在纸板上安装一支可在纸板平面内自由移动的激光笔。
(1)实验前,应将纸板 放置平面镜上;移动激光笔,使入射光束绕入射点O沿逆时针方向转动,可观察到反射光束沿 时针方向转动;
(2)移动激光笔,使入射角为45°,测得反射角也为45°,由此就得出“光反射时,反射角等于入射角”的结论你认为有何不妥之处? ;
(3)如图乙所示,将纸板右半部分绕ON向后翻转任意角度,发现纸板上均无反射光束呈现此现象说明了: ;
(4)在图甲中,若将纸板(连同激光笔)绕CD向后倾斜,此时反射光束 (选填字母符号)。
A.仍在纸板上呈现
B.被纸板挡住
C.在纸板前方
【答案】(1)垂直;顺;(2)一次实验得到的结论具有偶然性;(3)反射光线、入射光线和法线在同一平面内;(4)C。
【解析】(1)白色纸板ACDB应垂直放置于平面镜上,这样反射光线才可以在硬纸板上呈现;
如图甲,移动激光笔,使入射光束绕入射点O沿逆时针方向转动,则入射角增大,反射角也增大,则反射光线会远离法线,即反射光线将会顺时针转动;
(2)因为一次实验具有有很大的偶然性,所以不能只由一组数据就得出结论,应改变入射角的度数进行多次实验。
(3)如图乙所示,将纸板右半部分绕ON向后翻转任意角度,发现纸板上均无反射光束呈现。此现象说明了反射光线、入射光线和法线在同一平面内;
(4)在图甲中,若将纸板(连同激光笔)绕CD向后倾斜,而法线始终垂直于平面镜,则反射光线、入射光线、法线所在的平面也垂直于平面镜,所以可知反射光束在纸板前方,故应选C。
故答案为:(1)垂直;顺;(2)一次实验得到的结论具有偶然性;(3)反射光线、入射光线和法线在同一平面内;(4)C。
【跟踪训练】
1.(2020•河池)探究“光的反射规律”时,某实验小组设计了如图所示的实验。
次数
入射角
反射角
1
60°
60°
2
45°
45°
3
30°
30°
(1)实验中为了使光线能在纸板上显示出来,他们应该采取的操作是 (选填“A”或“B”)。
A.让光束垂直纸板射到O点
B.让光束贴着纸板射到0点
(2)根据上表实验数据得出结论:在光的反射现象中,反射角 入射角。
(3)若将一束光沿FO方向射到O点,光将沿图中的OE方向射出,说明在光的反射现象中光路是 的。
【答案】(1)B;(2)等于;(3)可逆。
【解析】(1)此实验为了使光线能在纸板上显示出来,应该采取的操作是使光束贴着纸板射到O点,即选项B的说法符合题意;
(2)分析表中反射角和入射角的数据可知:光反射时,反射角等于入射角;
(3)若将一束光贴着纸板沿FO方向射到O点,光将沿图中的OE方向射出,该现象说明:在反射时,光路是可逆的;
故答案为:(1)B;(2)等于;(3)可逆。
2.(2020•鄂尔多斯)图甲是小明探究光的反射规律的实验装置图。
(1)该实验中,纸板A、B的作用是 (写出一条即可)。
(2)让入射光线沿FO方向射入,则发现反射光线沿 方向射出。
(3)实验结束后,小明想继续探究平面镜成像的特点,装置如图乙,却发现点燃蜡烛A,在平面镜后移动未点燃的蜡烛B,根本无法透过平面镜看到蜡烛B.小明可用 代替平面镜,让实验顺利完成。
(4)实验结束时,小华将一枚硬币放在竖直的平面镜前,硬币的像在a处,如图丙。现将平面镜移至图丁位置,硬币的成像情况是 (填字母代号)。
A.硬币成像在a处
B.硬币成像在b处
C.硬币成像在c处
D.硬币无法通过平面镜成像
【答案】(1)显示光路;(2)OE;(3)玻璃板;(4)A。
【解析】(1)探究光反射实验时,纸板A、B的作用有两个:①可以通过纸板观察光的传播路径;②还可以探究入射光线、反射光线、法线是否共面;
(2)让入射光线沿FO方向射入,根据光的反射中,光路是可逆的可知,反射光线沿OE方向射出;
(3)因为玻璃板是透明的,能在观察到A棋子像的同时,还可以透过玻璃清楚的看到放在后面的蜡烛B,便于确定像的位置,所以可以用玻璃板来代替平面镜;
(4)平面镜所成的像与物关于平面镜对称,硬币的位置不变,将平面镜平移,平面镜仍在原来像与成像物体对称轴上,像的位置不变,硬币成像仍然在a处,故选A;
故答案为:(1)显示光路;(2)OE;(3)玻璃板;(4)A。
3.(2020•甘南州)“探究光的反射规律”的实验装置如图甲所示,平面镜放在水平桌面上,标有刻度(图中未画出)的白色纸板ABCD能绕垂直于CD的ON轴翻转,在纸板上安装一支可在纸板平面内自由移动的激光笔。
(1)实验前,应将纸板 放置平面镜上;移动激光笔,使入射光束绕入射点O沿逆时针方向转动,可观察到反射光束沿 时针方向转动;
(2)移动激光笔,使入射角为45°,测得反射角也为45°,由此就得出“光反射时,反射角等于入射角”的结论你认为有何不妥之处? ;
(3)如图乙所示,将纸板右半部分绕ON向后翻转任意角度,发现纸板上均无反射光束呈现此现象说明了: ;
(4)在图甲中,若将纸板(连同激光笔)绕CD向后倾斜,此时反射光束 (选填字母符号)。
A.仍在纸板上呈现
B.被纸板挡住
C.在纸板前方
(5)实验结束后,同组的小明和小刚都想从镜子中看到对方的眼睛,而不想让对方看到自己的眼睛,结果他俩谁都没有能做到,你认为没有能做到的原因是 。
【答案】(1)垂直;顺;(2)一次实验得到的结论具有偶然性;(3)反射光线、入射光线和法线在同一平面内;(4)C;(5)反射时,光路是可逆的。
【解析】(1)白色纸板ACDB应垂直放置于平面镜上,这样反射光线才可以在硬纸板上呈现;
如图甲,移动激光笔,使入射光束绕入射点O沿逆时针方向转动,则入射角增大,反射角也增大,则反射光线会远离法线,即反射光线将会顺时针转动;
(2)因为一次实验具有有很大的偶然性,所以不能只由一组数据就得出结论,应改变入射角的度数进行多次实验。
(3)如图乙所示,将纸板右半部分绕ON向后翻转任意角度,发现纸板上均无反射光束呈现。此现象说明了反射光线、入射光线和法线在同一平面内;
(4)在图甲中,若将纸板(连同激光笔)绕CD向后倾斜,而法线始终垂直于平面镜,则反射光线、入射光线、法线所在的平面也垂直于平面镜,所以可知反射光束在纸板前方,故应选C。
(5)因为反射时,光路是可逆的,所以小明和小刚都能从镜子中看到对方的眼睛,而不想让对方看到自己的眼睛是做不到的。
故答案为:(1)垂直;顺;(2)一次实验得到的结论具有偶然性;(3)反射光线、入射光线和法线在同一平面内;(4)C;(5)反射时,光路是可逆的。
4.(2020•湘潭)用如图1所示的装置探究光的反射规律,实验数据如下表:
次数
1
2
3
4
∠i
30°
40°
50°
60°
∠r
30°
40°
50°
60°
(1)图表中∠r表示 (选填“入射”或“反射”)角。
(2)分析实验数据可知:反射角 (选填“大于”、“等于”或“小于”)入射角。
(3)纸板ENF是用两块纸板连接起来的。如图2,把纸板NOF向后折,光沿EO入射在纸板NOF上 (选填“能”或“不能”)看到反射光线。这说明在光的反射现象中,反射光线、入射光线和法线在同一平面内。
(4)在图1中,当光沿FO的方向射向O点时,光会沿着OE的方向射出,说明在反射现象中光路是 的。
【答案】(1)反射;(2)等于;(3)不能;(4)可逆。
【解析】(1)垂直镜面的是法线,射向镜面的光线为入射光线,入射光线与法线的夹角是入射角,由图1知,OF为反射光线,∠r是反射角;
(2)根据表中的数据可以得出结论:反射角等于入射角;
(3)把纸板NOF向前折或向后折,光沿EO入射在纸板NOF上,在纸板NOF上不能看到反射光线,由此得出结论:反射光线、入射光线和法线在同一平面内;
(4)让光沿着FO的方向射向O点,反射光会沿着OE方向射出,这表明,在反射现象中,光路是可逆的。
故答案为:(1)反射;(2)等于;(3)不能;(4)可逆。
5.(2020•河北)在“探究光的反射规律”的实验中,平面镜水平放置,白色纸板竖直立在平面镜上,纸板由E、F两部分组成,可绕竖直接缝ON翻转,如图1所示。
实验次数
入射角
反射角
1
30°
30°
2
45°
45°
3
60°
60°
(1)实验中还需要的器材是: 、激光笔和铅笔。
(2)将一束光贴着纸板E沿AO射到O点,纸板F上会显示出反射光束OB;为探究反射光和入射光是否在同一平面内,下一步的操作是: 。
(3)使光束以不同角度入射进行实验,测量数据如上表所示。由此可得:在反射现象中, 。
(4)如图2所示,已知入射光线与反射光线的夹角为90°,请在图中画出平面镜的位置并标出反射角的度数。
【答案】(1)量角器;(2)将纸板F沿ON向后折(向前折),看其上是否有反射光线;(3)反射角等于入射角;(4)如图。
【解析】(1)因为实验时为了验证光的反射定律,需要测量反射角和入射角的度数,所以必须有量角器;
(2)将纸板F沿ON向后折(向前折),看其上是否有反射光线,转动后,若不能看到反射光线,说明反射光线与入射光线是在同一平面内;
(3)使光束以不同角度入射进行实验,由表格中的数据可知,反射角始终等于入射角;
(4)已知入射光线与反射光线的夹角为90°,由光反射定律知,反射角等于入射角,则反射角等于90°=45°,所以先做出反射光线与入射光线的夹角的平分线,然后再过入射点作这个角平分线的垂线即为平面镜的位置,入射角为入射光线与法线的夹角,反射角为反射光线与法线的夹角。如图
故答案为:(1)量角器;(2)将纸板F沿ON向后折(向前折),看其上是否有反射光线;(3)反射角等于入射角;(4)如图。
平面镜成像规律实验
1.实验内容
【实验目的】探究平面镜成像规律。即等大(像与物大小相等)、等距(像与物到平面镜的距离相等)、对称(像与物相对于平面镜对称)、反向(像与物左右位置相反)、虚像(像是虚像)。
【实验器材】玻璃板一块、相同的蜡烛两支、光屏一块、火柴一盒、刻度尺和支架等。
【实验步骤】一、按图组装器材。在玻璃板的一侧立一支点燃的蜡烛,观察另一侧蜡烛的像。
二、将光屏置于像的位置,不透过光屏观察光屏上有无蜡烛的像。
三、将另一支未点燃的蜡烛置于像的位置,比较两只蜡烛的大小关系。
四、移动蜡烛的位置,观察像的大小有无变化。
五、用刻度尺量出两支蜡烛到平面镜的距离。
六、通过平面镜观察像与物的左右位置关系。
七、重复上述步骤并记录实验数据于表格。
次数
像与物的大小关系
物到平面镜距离(cm)
像到平面镜的距离(cm)
物像连线与平面镜的关系
像与物的左右位置关系
像的
虚实
位置1
位置2
位置3
…
八、整理器材。
【实验结论】等大、等距、对称、反向、虚像。
2.考查内容
考查方向
解答思路
平面镜成像原理
光的反射(镜前可以观察到像,镜后无法看到)
大小关系
两支相同蜡烛为了比较大小关系
点燃蜡烛目的
清楚的观察成像
实验方法
等效替代法
多次实验的目的
实验结论具有普遍性
等距验证
利用刻度尺进行测量
虚像
光屏(物在平面镜中像的位置)无法呈接到像
反向
通过观察可见像与物左右位置相反
实验出现误差
刻度尺与平面镜不垂直、实验装置安装存在问题
【典例】(2020·安顺)在探究“平面镜成像特点“的实验中,器材如下:方格纸、带支架的玻璃板、光屏、两个完全相同的物块。方格纸铺于水平桌面。请回答下列问题:
(1)如图所示,以方格纸的某条线段来确定 底边所在的位置,再将其垂直于方格纸放置。当物块放在玻璃板前,能观察到物块的像,这是光在玻璃表面 形成的;
(2)将光屏放在像的位置,光屏上接收不到像,因此判断平面镜成的是 像(选填:“虚”或“实”);
(3)不断改变物块的位置,另一个相同的物块都能放在玻璃板后相应位置与像完全重合,说明平面镜所成的像与物大小 ;
(4)实验中,使用方格纸可以直接比较像与物到镜面的 关系。
【答案】(1)玻璃板;反射;(2)虚;(3)相等;(4)距离。
【解答】解:(1)以方格纸的某条线段来确定玻璃板底边所在的位置,再将其垂直于方格纸放置。当物块放在玻璃板前,能观察到物块的像,这是光在玻璃表面反射形成的;
(2)因为虚像不能在光屏上承接,所以将光屏放到像的位置,无法直接在光屏上观察到像,说明所成的像是虚像。
(3)不断改变物块的位置,另一个相同的物块都能放在玻璃板后相应位置与像完全重合,说明平面镜所成的像与物大小相等;
(4)实验中,使用方格纸可以直接比较像与物到镜面的距离关系。
故答案为:(1)玻璃板;反射;(2)虚;(3)相等;(4)距离。
【跟踪训练】
1.(2020·齐齐哈尔)小彤同学在“探究平面镜成像特点”实验时:
(1)用玻璃板代替平面镜实验时,会看到两个不重合的像,分别是玻璃板前后两个面反射形成的,为消除此影响可选用 (选填“厚”或“薄”)一些的玻璃板代替平面镜。将玻璃板垂直放置在水平桌面上,这样做是为了便于确定像的 。为了便于比较像与物的大小关系,所用的两只蜡烛A、B,应选择外形 (选填“相同”或“不相同”)的。
(2)将点燃的蜡烛A竖立在玻璃板的前面,将 (选填“点燃”或“不点燃”)的蜡烛B竖立着在玻璃板后面移动,直到看上去蜡烛B跟蜡烛A的像完全重合。
(3)标记蜡烛A、B的位置,测得蜡烛B到镜面的距离 (选填“小于”、“等于”或“大于”)蜡烛A到镜面的距离。
(4)当蜡烛A远离玻璃板时,像会 (选填“靠近”或“远离”)玻璃板,像的大小 (选填“变小”、“不变”或“变大”)。
(5)将光屏竖立在像的位置(与玻璃板平行),光屏上无法呈现蜡烛的像,说明平面镜所成的像是 (选填“虚”或“实”)像。
【答案】(1)薄;位置;相同;(2)不点燃;(3)等于;(4)远离;不变;(5)虚。
【解析】(1)因为厚玻璃板的两个面都可以当作反射面,会出现两个像,影响到实验效果,所以应选用薄玻璃板;
将玻璃板垂直放置在水平桌面上,这样能透过玻璃板观察到像,便于确定像的位置;
为了比较像与物的大小关系,实验中应选择两只完全相同的蜡烛;
(2)如果点燃玻璃板后方的蜡烛B,平面镜则因为光太亮而几乎无法分清镜中的烛焰是像的烛焰还是对面B的烛焰,难以确定像的位置,从而对实验造成影响,所以实验过程中蜡烛B不需要点燃;
(3)标记蜡烛A、B的位置,通过测量可知,B到镜面的距离等于蜡烛A到镜面的距离;
(4)物与像到平面镜的距离相等,因此若将蜡烛A远离玻璃板时,则像将远离玻璃板移动;平面镜中的像的大小跟物体大小有关,跟物体到平面镜的距离无关,所以物体靠近平面镜,像也靠近平面镜,像的大小不变;
(5)将光屏竖立在像的位置(与玻璃板平行),光屏上无法呈现蜡烛的像,由于虚像不能成在光屏上,所以平面镜成的是虚像。
故答案为:(1)薄;位置;相同;(2)不点燃;(3)等于;(4)远离;不变;(5)虚。
2.(2020·天门)在“探究平面镜成像的规律”的实验中,提供如下器材:光具座、刻度尺、一张大白纸、记号笔、两支相同的蜡烛、无色透明薄玻璃板、茶色透明薄玻璃板、光屏。
(1)为了获得较好的实验效果,应选择____透明薄玻璃板;
(2)实验选用器材有两种组合:一种组合除选用玻璃板、蜡烛、光屏外,还选用刻度尺和白纸,白纸既要记录玻璃板的位置,也要记录____;另一种组合除选用玻璃板、蜡烛、光屏外,还选用光具座。这两种组合中光屏的作用是____;
(3)用光具座完成本实验比较方便,因为其上的刻度值便于比较____关系;
(4)实验中,通过多次观察点燃的蜡烛的像与没点燃的蜡烛完全重合的现象,得出“平面镜所成像的大小与物体的大小相等”的结论。这种确定像和物大小关系的研究方法是____。(填字母)
A.转换法 B.控制变量法 C.等效替代法
【答案】(1)茶色;(2)像和物的位置;(3)判断像的虚实;(4)像距与物距(或“像与物到玻璃板的距离”);(5)C。
【解析】(1)无色玻璃透光性太强,容易受到玻璃另一侧物体的干扰,茶色玻璃透光性较差,成像主观感觉比无色玻璃好得多。
(2)探究平面镜成像规律,要探究成像的大小、物和像位置关系,故白纸既要记录玻璃板的位置,也要记录像和物的位置。
实像能用光屏承接,虚像不能用光屏承接,平面镜成像实验时,把光屏放在像的位置,观察光屏上有没有像,来判断像的虚实。
(3)光具座上自带刻度,用光具座完成本实验比较方便,便于比较像距与物距的大小。
(4)通过多次观察点燃的蜡烛的像与没点燃的蜡烛完全重合,从而用没点燃的蜡烛替代点燃的蜡烛的像,这种确定像与物大小关系的方法是等效替代法,故选C。
3.(2020·齐齐哈尔)小彤同学在“探究平面镜成像特点”实验时:
(1)用玻璃板代替平面镜实验时,会看到两个不重合的像,分别是玻璃板前后两个面反射形成的,为消除此影响可选用 (选填“厚”或“薄”)一些的玻璃板代替平面镜。将玻璃板垂直放置在水平桌面上,这样做是为了便于确定像的 。为了便于比较像与物的大小关系,所用的两只蜡烛A、B,应选择外形 (选填“相同”或“不相同”)的。
(2)将点燃的蜡烛A竖立在玻璃板的前面,将 (选填“点燃”或“不点燃”)的蜡烛B竖立着在玻璃板后面移动,直到看上去蜡烛B跟蜡烛A的像完全重合。
(3)标记蜡烛A、B的位置,测得蜡烛B到镜面的距离 (选填“小于”、“等于”或“大于”)蜡烛A到镜面的距离。
(4)当蜡烛A远离玻璃板时,像会 (选填“靠近”或“远离”)玻璃板,像的大小 (选填“变小”、“不变”或“变大”)。
(5)将光屏竖立在像的位置(与玻璃板平行),光屏上无法呈现蜡烛的像,说明平面镜所成的像是 (选填“虚”或“实”)像。
【答案】(1)薄;位置;相同;(2)不点燃;(3)等于;(4)远离;不变;(5)虚。
【解析】(1)因为厚玻璃板的两个面都可以当作反射面,会出现两个像,影响到实验效果,所以应选用薄玻璃板;
将玻璃板垂直放置在水平桌面上,这样能透过玻璃板观察到像,便于确定像的位置;
为了比较像与物的大小关系,实验中应选择两只完全相同的蜡烛;
(2)如果点燃玻璃板后方的蜡烛B,平面镜则因为光太亮而几乎无法分清镜中的烛焰是像的烛焰还是对面B的烛焰,难以确定像的位置,从而对实验造成影响,所以实验过程中蜡烛B不需要点燃;
(3)标记蜡烛A、B的位置,通过测量可知,B到镜面的距离等于蜡烛A到镜面的距离;
(4)物与像到平面镜的距离相等,因此若将蜡烛A远离玻璃板时,则像将远离玻璃板移动;平面镜中的像的大小跟物体大小有关,跟物体到平面镜的距离无关,所以物体靠近平面镜,像也靠近平面镜,像的大小不变;
(5)将光屏竖立在像的位置(与玻璃板平行),光屏上无法呈现蜡烛的像,由于虚像不能成在光屏上,所以平面镜成的是虚像。
故答案为:(1)薄;位置;相同;(2)不点燃;(3)等于;(4)远离;不变;(5)虚。
4.(2020·天门)在“探究平面镜成像的规律”的实验中,提供如下器材:光具座、刻度尺、一张大白纸、记号笔、两支相同的蜡烛、无色透明薄玻璃板、茶色透明薄玻璃板、光屏。
(1)为了获得较好的实验效果,应选择____透明薄玻璃板;
(2)实验选用器材有两种组合:一种组合除选用玻璃板、蜡烛、光屏外,还选用刻度尺和白纸,白纸既要记录玻璃板的位置,也要记录____;另一种组合除选用玻璃板、蜡烛、光屏外,还选用光具座。这两种组合中光屏的作用是____;
(3)用光具座完成本实验比较方便,因为其上的刻度值便于比较____关系;
(4)实验中,通过多次观察点燃的蜡烛的像与没点燃的蜡烛完全重合的现象,得出“平面镜所成像的大小与物体的大小相等”的结论。这种确定像和物大小关系的研究方法是____。(填字母)
A.转换法 B.控制变量法 C.等效替代法
【答案】(1)茶色;(2)像和物的位置;(3)判断像的虚实;(4)像距与物距(或“像与物到玻璃板的距离”);(5)C。
【解析】(1)无色玻璃透光性太强,容易受到玻璃另一侧物体的干扰,茶色玻璃透光性较差,成像主观感觉比无色玻璃好得多。
(2)探究平面镜成像的规律,要探究成像的大小、物和像位置关系,故白纸既要记录玻璃板的位置,也要记录像和物的位置。
实像能用光屏承接,虚像不能用光屏承接,平面镜成像实验时,把光屏放在像的位置,观察光屏上有没有像,来判断像的虚实。
(3)光具座上自带刻度,用光具座完成本实验比较方便,便于比较像距与物距的大小。
(4)通过多次观察点燃的蜡烛的像与没点燃的蜡烛完全重合,从而用没点燃的蜡烛替代点燃的蜡烛的像,这种确定像与物大小关系的方法是等效替代法,故选C。
5.(2020•宁夏)小明利用如图甲所示的实验器材,做“探究平面镜成像的特点”实验:
(1)小明用玻璃板代替平面镜的目的是 。
(2)小明在玻璃板的前面放一支点燃的蜡烛A,还要在玻璃板的后面放一支没有点燃的蜡烛B,对蜡烛A和B的要求是 ,这是为了比较 ;实验中点燃蜡烛A的目的是 。
(3)小明完成实验后,在老师的帮助下对上述实验进行了改进,如图乙所示,他将右侧贴有半透膜的玻璃板用夹子固定在量角器上,把形如“7”的未点燃的生日蜡烛C、D分别插在铺有方格纸的泡沫板的a、b处,透过普通玻璃看不到蜡烛C清晰的像,透过贴膜玻璃能看到蜡烛D清晰的像,他透过贴膜玻璃能看到蜡烛D清晰的像是因为 。
(4)请你说出实验改进后的优点(至少说出两点): 。
【答案】(1)便于确定像的位置;(2)蜡烛A和B完全相同;像和物体大小关系;成像物体更亮,成像更清晰;(3)反射光线多,进入人眼的光线多,感觉像更清晰;(4)玻璃板能竖直放在水平面上;增加像的清晰度。
【解析】(1)小明用玻璃板代替平面镜,眼睛既能看到点燃蜡烛的像,也能看到代替像的蜡烛,便于确定像的位置。
(2)蜡烛A和B完全相同,便于比较像和物体的大小关系;蜡烛A点燃后,射出的光线更多,反射光线更多,人眼感觉像更清晰。
(3)玻璃贴膜后,点燃蜡烛射向玻璃板后,反射光线增加,进入眼睛的光线越多,感觉像越清晰。
(4)玻璃贴膜后,像更清晰,玻璃板固定在量角器上,能使玻璃板竖直放在水平面上,容易找到蜡烛的像。
故答案为:(1)便于确定像的位置;(2)蜡烛A和B完全相同;像和物体大小关系;成像物体更亮,成像更清晰;(3)反射光线多,进入人眼的光线多,感觉像更清晰;(4)玻璃板能竖直放在水平面上;增加像的清晰度。
6.(2020•临沂)小明洗漱时感觉离镜子越近镜中的像越大,这与课本中描述的平面镜成像特点不相符。于是,他用带支架的玻璃板、两支完全相同的蜡烛、刻度尺、白纸、光屏、火柴、铅笔等实验器材进行了探究。
(1)实验探究应在 (选填“较暗”或“较亮”)的环境中进行。
(2)用玻璃板代替平面镜,既能成像又便于确定 。
(3)点燃玻璃板前的蜡烛A,将蜡烛B放在玻璃板后并移动至适当位置,蜡烛B能与蜡烛A的像完全重合,如图所示,多次改变蜡烛A距玻璃板的距离,相应移动蜡烛B后总能与A的像完全重合,这说明平面镜成像的大小与物体到镜面的距离 (选填“有关”或“无关”)。
(4)小明继续探究平面镜成像的其他特点,他将光屏放在蜡烛B的位置,光屏承接不到蜡烛A的像,说明平面镜所成的像是 像。
【答案】(1)较暗;(2)像的位置;(3)无关;(4)虚。
【解析】(1)在比较明亮的环境中,很多物体都在射出光线,干扰人的视线,在较黑暗的环境中,蜡烛是最亮的,蜡烛射向平面镜的光线最多,反射光线最多,进入人眼的光线最多,感觉蜡烛的像最亮。所以应在比较黑暗的环境中进行实验;
(2)因为玻璃板是透明的,能在观察到A蜡烛像的同时,还可以透过玻璃清楚的看到放在后面B蜡烛,便于确定像的位置;
(3)改变蜡烛A到镜面的距离,移动镜后的蜡烛B,发现B总能与A的像完全重合,说明平面镜成像的大小与物体到镜面的距离无关;
(4)因为虚像不能用光屏承接,所以光屏放在蜡烛B的位置上,发现光屏上不能承接到像,说明平面镜成的像是虚像。
故答案为:(1)较暗;(2)像的位置;(3)无关;(4)虚。
凸透镜成像规律实验
1.实验内容
【实验目的】透镜凸透镜成像规律。像与物的大小关系、物距变化成像规律变化、像的虚实。
【实验器材】凸透镜、光具座、蜡烛、光屏、火柴等。
【实验步骤】一、按图组装器材。调整蜡烛、凸透镜、光屏在同一水平线上。
二、将蜡烛放在远处(此时u>2f),移动光屏直至在光屏上成清晰的像;观察像的大小、正立还是倒立,并测量物距和像距;数据记录实验表格。
三、将蜡烛往凸透镜方向移动,使2f>u>f,移动光屏直至在光屏上成清晰的像;观察像的大小、正立还是倒立,并测量物距和像距;数据记录实验表格。
四、将蜡烛继续往凸透镜方向移动,使u=f,移动光屏,看能否成像。
五、将蜡烛继续往凸透镜方向移动,使u
物距与焦距关系
物距(cm)
像的性质
像距(cm)
大小
正倒
虚实
u>2f
u=2f
2f>u>f
u=f
u
七、整理器材。
【实验结论】等大、等距、对称、反向、虚像。
物距
像的性质
像距(cm)
应用
大小
正倒
虚实
u>2f
缩小
倒立
实像
2f
2f>u>f
放大
倒立
实像
v>2f
投影仪
u
正立
虚像
--
放大镜
2.考查内容
考查方向
解答思路
如何测量焦距
一束平行光通过凸透镜后会聚的点即为焦点,可测焦距
保障实验成功
蜡烛、凸透镜不动,移动光屏直至在光屏上成清晰的像
如何判断成虚像
物距小于焦距时,无论怎么移动光屏都无法在光屏上成像
无法成像的原因
蜡烛在焦点上或物距小于焦距、焦距太大成像在光具座外、蜡烛与凸透镜和光屏没有在同一水平线上
成像位置如何移动
可调节蜡烛或凸透镜
蜡烛变短
成像上移
像的明暗变化
用遮光板挡住部分光线,成像完整但像变暗
【典例】(2020·绥化)如图是“探究凸透镜成像的规律”的装置图,凸透镜的焦距是10cm。
(1)点燃蜡烛后,调节烛焰、凸透镜和光屏,使它们的中心在 上。
(2)将实验器材按图中位置放置,光屏上烛焰的像是倒立、 的实像,应用此规律工作的是 。(填“照相机”“投影仪”或“放大镜”)
(3)将图中的凸透镜换成焦距是8cm的凸透镜,保持蜡烛和凸透镜的位置不变,要在光屏上成清晰的像,光屏应向 凸透镜的方向移动。(填“靠近”或“远离”)
(4)实验中,不小心用指尖触摸到了凸透镜,这时光屏上的像 。(填“变暗”“无变化”或“变残缺”)
【答案】(1)同一高度;(2)放大;投影仪;(3)靠近;(4)变暗。
【解析】(1)为了实验的需要,根据实验的要求,将烛焰、凸透镜、光屏三者的中心必须放在同一水平高度上,烛焰的像才能成在光屏的中央;
(2)由图可知,此时的物距为15cm,物距在一倍焦距和二倍焦距之间,成倒立、放大的实像,其应用是投影仪;
(3)将图中的凸透镜换成焦距是8cm的凸透镜,保持蜡烛和凸透镜的位置不变,相当于增大了物距,要在光屏上成清晰的像,需要减小像距,即光屏应向靠近凸透镜的方向移动;
(4)不小心用手指指尖触摸了凸透镜,由于凸透镜的其他部分仍能会聚光线而成像,所以光屏上呈现的仍然是烛焰完整的像;因为此时凸透镜会聚光线的数量减少,所以此时的像比手指指尖触摸前的像要暗一些。
故答案为:(1)同一高度;(2)放大;投影仪;(3)靠近;(4)变暗。
【跟踪训练】
1.(2020·恩施)某实验小组做“探究凸透镜成像规律”的实验。
(1)为使凸透镜所成的像便于观察,该实验的环境光线应该较______(选填“暗”“亮”)为好;
(2)调节好蜡烛、凸透镜、光屏位置,如图所示,在光屏上看到烛焰清晰的像,______(选填“照相机”“投影仪”或“放大镜”)与此时成像原理相同;
(3)把蜡烛稍稍竖直上移,光屏上烛焰的像会竖直______(选填“上”“下”)移;
【答案】(1)暗;(2)照相机;(3)下。
【解析】(1)凸透镜成像时,烛焰比较亮,实验环境应该比较暗,这样对比度比较大,蜡烛的像会更加清晰。
(2)由图可知,物距大于像距,且光屏上能成实像,由凸透镜成像规律可知,此时成倒立缩小的实像,照相机是根据这个原理制成的。
(3)凸透镜成倒立的实像,像和物体的移动方向恰好相反,把蜡烛稍稍竖直上移,光屏上烛焰的像会竖直下移。
2.(2020·荆州)在“探究凸透镜成像的规律”实验中,凸透镜的焦距为10 cm。
(1)如图所示,若不移动蜡烛和凸透镜的位置,要在光屏上得到清晰的像,应将光屏移到标尺刻度的______范围内(选填标号);
A.40~ 50 cm B.50~ 60 cm C.60~ 70 cm D.70~ 80 cm
(2)若将图中蜡烛逐渐远离凸透镜的过程中,所成的像将逐渐变______(“大”或“小”)。利用这个规律可知∶我们在照毕业合影时,如果最边缘的两个同学未进入取景框,则此时摄像师应______(“靠近”或“远离”)我们;
(3)若将蜡烛放在图中离凸透镜8 cm处,此时______(“能”或“不能”)在光屏上找到像。
【答案】(1)B;(2)小;(3)远离;(4)不能。
【解析】(1)凸透镜的焦距为10cm,蜡烛放在15cm刻度线的位置,则物距为
u=40cm-15cm=25cm
大于二倍焦距,此时成倒立缩小的实像;像距在一倍焦距和二倍焦距之间,像应该在标尺刻度的50~ 60 cm之间,故应将光屏移到标尺刻度的50~ 60 cm范围内。
(2)若将图中蜡烛逐渐远离凸透镜的过程中,则物距变大,由凸透镜成像规律知,像将变小,像距也变小,故在照毕业合影时,如果最边缘的两个同学未进入取景框,则此时摄像师应远离我们。
(3)若将蜡烛放在图中离凸透镜8 cm处,此时物距小于焦距,成正立放大的虚像,故不能在光屏上找到像。
3.(2020•葫芦岛)下面是小光“探究凸透镜成像规律”的实验。
(1)点燃蜡烛,调整蜡烛、凸透镜和光屏的高度,使烛焰、凸透镜、光屏三者的中心大致在 。
(2)蜡烛、凸透镜、光屏在光具座上的位置如图所示,此时光屏上出现了烛焰清晰倒立、等大的实像,则此凸透镜的焦距为 cm。
(3)保持蜡烛和透镜位置不变,小光将自己的近视眼镜放在凸透镜与蜡烛之间的合适位置,只将光屏向 (填“左”或“右”)移动,可在光屏上再次得到烛焰清晰的像。
(4)小光移开近视镜,只将蜡烛向 (填“左”或“右”)移动,可以在光屏上得到烛焰清晰倒立、 的实像,生活中的 (填“照相机”“投影仪”或“放大镜”)就是根据这个原理制成的。
【答案】(1)同一高度;( 2 ) 10.0;( 3 )右;( 4 )右;放大;投影仪。
【解析】(1)点燃蜡烛,调整蜡烛、凸透镜和光屏的高度,为了使像成在光屏的中央,使烛焰、凸透镜、光屏三者的中心大致在同一高度;
(2)当u=50.0cm﹣30.0cm=20.0cm时,在另一侧距凸透镜20cm处的光屏上可以得到一个与蜡烛等大的像,所以2f=20.0cm,即f=10.0cm。
(3)近视眼镜是凹透镜,凹透镜对光线有发散作用,所以像的位置延后,为了使光屏上再次呈现清晰的像,应将光屏向右移动;
(4)小光移开近视镜,此时像距大于2倍焦距,只将蜡烛向右移动,物距处于f和2f之间,凸透镜成倒立放大的实像,像距大于2f,幻灯机或投影仪根据这个原理制成
故答案为:(1)同一高度;( 2 ) 10.0;( 3 )右;( 4 )右;放大;投影仪。
4.(2020•沈阳)安安和康康在老师指导下完成“探究凸透镜成像的规律”的实验,实验所用凸透镜的焦距为f=10cm。他们把凸透镜固定在光具座上50cm处,调节蜡烛的烛焰与凸透镜和光屏的中心在同一高度。
(1)如图甲所示,若此时他们想在实验中能用光屏承接到烛焰的实像,光屏在 (选填“50cm~60cm”、“60cm~70cm”或“70cm~100cm”)范围内移动。
(2)他们保持凸透镜位置不变,把蜡烛放在30cm刻度线处,调整光屏到透镜的距离,则在光屏上看到烛焰 (选填“放大”、“缩小”或“等大”)倒立的像。
(3)他们想模拟投影仪的成像原理,康康应在步骤(2)的基础上将蜡烛向 (选填“靠近”或“远离”)凸透镜的方向移动时调节光屏的位置,使烛焰在光屏上成清晰的像。
(4)他们保持凸透镜的位置不变,同时取下光屏,直接用眼睛观察凸透镜成像的各种情况。康康移动蜡烛使它从零刻度线处逐渐靠近凸透镜,同时安安从透镜的右侧透过透镜观察烛焰的像,如图乙是安安整理并记录看到的像的情况,根据你所学的知识,判断最先看到的像的编号是 (选填代表像编号的数字)。
(5)请在图丙中完成从烛焰发出的一束光通过透镜的光路。
【答案】(1)60cm~70cm;(2)等大;(3)靠近;(4)1;(5)如图。
【解析】(1)凸透镜的焦距:f=10cm,如图,物距:u=50cm﹣10cm=40cm,u>2f,f<v<2f,所以光屏在60cm~70cm,光屏上出现清晰的像。
(2)保持凸透镜位置不变,把蜡烛放在30cm刻度线处,物距u=50cm﹣30cm=20cm,u=2f时,成倒立、等大的实像。
(3)凸透镜成像时,f<u<2f时,成倒立、放大的实像,应用于投影仪,所以蜡烛要从30cm刻度线处靠近凸透镜,使蜡烛在30cm~40cm刻度线之间移动,所以蜡烛靠近凸透镜。
(4)康康移动蜡烛使它从零刻度线处逐渐靠近凸透镜,会依次经过u>2f成倒立缩小的实像、u2f成倒立等大的实像、f<u<2f成倒立放大的实像、u<f成正立放大的虚像,又因为探究凸透镜成像时,撤去光屏,眼睛在光屏一侧透过凸透镜观察蜡烛,可以看到实像,也可以看到虚像,所以眼睛依次看到倒立缩小的实像、倒立等大的实像、倒立放大是实像、正立放大的虚像,故选1。
(5)如图,光线过焦点,经凸透镜折射后跟主光轴平行。
故答案为:(1)60cm~70cm;(2)等大;(3)靠近;(4)1;(5)如图。
5.(2020•大连)实验课上,同学们分组探究“物距大于一倍焦距小于二倍焦距时,凸透镜成像的虚实、正倒和大小”。某小组选用的实验器材有:光具座。“F”形LED发光体。凸透镜(焦距为10cm)。光屏和刻度尺(量程为0~30cm)。
(1)第一次实验时,该小组调整好LED发光体、凸透镜和光屏的高度。如图甲所示。将发光体固定在光具座的零刻度线上,通过移动 来达到预设的物距。
(2)调整物距后。移动光屏承接到倒立的实像。该小组发现这个像的高度与发光体很接近,依靠视觉很难比较该像与发光体的大小关系。为了能确定两者的大小关系。则接下来的实验操作是: 。在本次实验中。光屏上的像和凸透镜的位置如图乙所示。则像距v1= cm。
(3)该小组继续进行实验。记录的实验数据如下表。
凸透镜的焦距f=10cm
实验次数
物距u/cm
像的虚实
像的正倒
像的大小
像距v/cm
1
19.0
实像
倒立
放大
v1
2
16.0
实像
倒立
放大
26.9
3
13.0
实像
倒立
放大
43.6
分析表中信息,可以得出的探究结论是: 。
(4)得出结论后。该小组与其他小组进行交流。他们发现其他小组选取了不同焦距的凸透镜进行实验,也得到了与自己相同的结论。这样使该探究的结论更 。
【答案】(1)凸透镜;(2)在光屏上画出一组等距的平行线,使相邻两线的距离等于LED发光体高度d;21.5;(3)物距在一倍焦距和二倍焦距之间时,成倒立、放大的实像,物距越小,像距越大;(4)具有普遍性。
【解析】(1)将发光体固定在光具座的零刻度线上,发光体的位置不变,通过移动凸透镜来达到预设的物距;
(2)像的高度与发光体很接近,这表明像距和物距的大小相接近,所以接下来的实验操作是在光屏上画出一组等距的平行线,使相邻两线的距离等于LED发光体高度d;
由图可知,光具座的分度值为1cm,则v1=21.5cm;
(3)根据表格中的数据可知,物距在一倍焦距和二倍焦距之间时,成倒立、放大的实像,物距越小,像距越大;
(4)其他小组选取了不同焦距的凸透镜进行实验,也得到了与自己相同的结论,通过多次实验,能避免偶然性的发生,使该探究的结论更具有普遍性。
故答案为:(1)凸透镜;(2)在光屏上画出一组等距的平行线,使相邻两线的距离等于LED发光体高度d;21.5;(3)物距在一倍焦距和二倍焦距之间时,成倒立、放大的实像,物距越小,像距越大;(4)具有普遍性。
其他实验探究题
【跟踪训练】
1.(2020•淄博)图中是利用钢尺探究声现象的实验情景。
(1)将钢尺紧压在桌面上,一端伸出桌边。拨动钢尺发出声音,说明声音是 产生的。
(2)保持钢尺伸出桌面的长度不变,用大小不同的力拨动,发出声音的 不同;改变钢尺伸出桌面的长度,用相同的力拨动,发出声音的 不同。
(3)将钢尺伸出桌面的一端对着点燃的蜡烛,拨动钢尺发现烛焰熄灭,说明声音可以传递 。
【答案】物体振动;响度;音调;能量。
【解析】(1)拨动钢尺发出声音,说明声音是物体振动产生的。
(2)保持钢尺伸出桌面的长度不变,用大小不同的力拨动,发出声音的响度不同,因为力度不同,物体的振幅不同,响度则不同。改变钢尺伸出桌面的长度,用相同的力拨动,发出声音的音调不同,因为钢尺伸出桌面的长度不同,振动的频率不同,则音调不同。
(3)拨动钢尺发现烛焰熄灭,说明声音可以传递能量,使烛焰熄灭。
故答案为:物体振动;响度;音调;能量。
2.(2020•枣庄)小强同学在探究声音的产生与传播时,做了下面的实验;
(1)如图甲所示,用悬挂着的乒乓球接触正在发声的音叉,可观察到乒乓球被弹开,这说明了 。
(2)如图乙所示,将正在响铃的闹钟放在玻璃罩内,逐渐抽出其中的空气,将听到响铃的声音 ,并由此推理可以得出 不能传声。
(3)将正在响铃的闹钟用塑料袋包好。放入水中,仍可以听到铃声,说明水可以 。
【答案】(1)声音是由物体的振动产生的;(2)减弱;真空;(3)传声。
【解析】(1)用悬挂着的乒乓球接触正在发声的音叉,乒乓球被弹起,则发声的音叉在振动,说明声音是由发声体振动产生的;
(2)将正在响铃的闹钟放在玻璃罩内,逐渐抽出其中的空气,由于介质的减少,听到的声音的响度也会减小;玻璃罩内被抽成真空,将听不到铃声,这表明声音的传播需要介质,真空不能传声;
(3)将在响铃的闹钟用塑料袋包好,放入水中,仍可以听到铃声,这表明声音能在水中传播,即液体能够传声。
故答案为:(1)声音是由物体的振动产生的;(2)减弱;真空;(3)传声。
3.(2020•常州)如图甲所示,一束太阳光通过三棱镜后,在光屏上呈现彩色光带。
(1)这种现象叫做光的 现象。
(2)把温度计放在色散光带红光的外侧,发现其示数变大,表明该处存在人眼看不见的 。
(3)将蓝底、红字的小纸片放在光屏上蓝光区域,小纸片呈现 底、 字。
(4)由上述实验现象可推知:红光照射下某凸透镜的焦距 (小于/等于/大于)蓝光照射下该凸透镜的焦距。
(5)如图乙所示,当用红光照亮物体E时,在光屏上恰好呈倒立、等大的实像:若改用蓝光照亮物体E时,应将光屏适当向 (左/右)移,才能呈现清晰的 (缩小/等大/放大)的像。
【答案】(1)色散; (2)红外线;(3)蓝; 黑;(4)大于;(5)左; 缩小。
【解析】(1)太阳光经过三棱镜被分解为红、橙、黄、绿、蓝、靛、紫等七种色光的现象叫作光的色散;
(2)红外线具有热效应,处于其中的物体温度会升高;
(3)不透明物体的蓝色部分能够反射蓝光,看起来是蓝色,红色部分不能反射蓝光,看起来是黑色;
(4)由甲图可知,红、橙、黄、绿、蓝、靛、紫等七种色光经过三棱镜后折射角依次变大,因此平行于凸透镜主光轴的这些光线经过凸透镜后,折射角大的光线的先出现会聚点,即焦点,因此焦距短;
(5)红光照射时光屏上成倒立等大的实像,说明此时的物距等于2f,换蓝光照射时,根据(4)中结论可知,此时凸透镜的焦距变小,因此相当于物距变大,即u>2f,像距变小,所以像向透镜移动,我们此时要将光屏向左移动才能再次得到清晰的倒立缩小的像。
故答案为:(1)色散; (2)红外线;(3)蓝; 黑;(4)大于;(5)左; 缩小。
2023届初中物理二轮复习专题6.2 开放题(教师版含解析)(最新)学案: 这是一份2023届初中物理二轮复习专题6.2 开放题(教师版含解析)(最新)学案,共16页。学案主要包含了迎战中考,跟踪练习等内容,欢迎下载使用。
2023届初中物理二轮复习专题4.3 实验探究题(电学)(教师版含解析)(最新)学案: 这是一份2023届初中物理二轮复习专题4.3 实验探究题(电学)(教师版含解析)(最新)学案,共42页。学案主要包含了迎战中考,实验目的,实验器材,实验步骤,实验表格,实验结论,跟踪练习,实验原理等内容,欢迎下载使用。
2023届初中物理二轮复习专题4.1 实验探究题(声光热)(学生版)(最新) 学案: 这是一份2023届初中物理二轮复习专题4.1 实验探究题(声光热)(学生版)(最新) 学案,共27页。学案主要包含了迎战中考,实验目的,实验器材,实验步骤,实验结论,跟踪练习,跟踪训练等内容,欢迎下载使用。

