山东省青岛市胶州市2019-2020学年八年级下学期期中考试物理试题(含答案)
展开(本试题满分:100分,答题时间:60分钟)
说明:
1.本试题分第I卷和第II卷两部分,共25题。第I卷为选择题,共13题,30分;第II卷为非选择题,共12题,70分。
2.所有题目均在答题卡上作答,在试题上作答无效。
第Ⅰ卷(本卷满分30分)
一、单项选择题(本题满分18分,共9个小题,每小题2分):每小题给出的四个选项中,只有一项符合题目要求。
1. 生活中有许多现象都蕴含物理知识。下列说法正确的是
A.一块海绵被压扁后,体积变小,质量变小
B.人在站立和行走时,人对水平地面的压强相等
C.乘坐地铁时抓紧扶手,是为了减小惯性
D.被踢飞的足球,在空中仍受到重力的作用
2.两个鸡蛋相碰,总是一个先破碎,下面说法正确的是
A. 只有未破的鸡蛋受力 B. 只有破了的鸡蛋受力
C. 两只鸡蛋都受力 D. 究竟哪只鸡蛋受力说不清楚
3.如图所示,在“探究二力平衡的条件”时,选质量为10g的卡片作为研究对象。在线的两端分别挂上等质量的重物,对卡片施加两个拉力。为探究这两个力满足什么条件才能平衡,则所挂重物质量合适的是
A.5g
B.10g
C.200g
D.任意质量均可
4.关于重力、 弹力和摩擦力,下列说法中正确的是
A. 因为物体本身就有重力,所以重力没有施力物体
B. 物体受到的重力的方向总是竖直向下
C. 物体间如果有相互作用的弹力,就一定存在摩擦力
D. 摩擦力的方向一定与物体运动的方向相反
5. 玉免二号月球车的车轮做的比较宽大而且表面凹凸不平,是为了
A.减小压强,增大摩擦 B.增大压强,增大摩擦
C.减小压强,减小摩擦 D.增大压强,减小摩擦
6.家用小轿车每个车轮与地面的接触面积为0.01m2,车重1.2×104N,驾驶员及乘客共重
3×103N。在水平地面上小轿车对地面的压强是
A.3.75×105Pa B.3.00×105Pa C.1.50×106Pa D.1.20×106Pa
7. 下列生活中的现象及其解释正确的是
A.啄木鸟的嘴很尖细,可以减小压强,从而凿开树干,捉到躲藏在深处的虫子
B.打开高速行驶的大巴车车窗时,窗帘往外飘,是因为车外空气流速大,压强小
C.水坝修建为上窄下宽是因为液体压强随深度增加而减小
D.珠穆朗玛峰顶的大气压强比胶州市地面的大气压强大
8.我国自主建造的世界上压力最大的8万吨多向模锻压机锻造大型工件时,对工件的压力为8×108N,与工件的接触面积为4m2,则工件承受的压强相当于
A.2km高水柱产生的压强 B.4km高水柱产生的压强
C.8km高水柱产生的压强 D.20km高水柱产生的压强
9.如图所示的各种做法,属于减小摩擦的是
二、不定项选择题(本题满分12分,共4个小题。每小题全选对得3分,漏选得1分,错选或不选得0分):每小题给出的四个选项中,有1~3个选项符合题目要求。
10.下列说法错误的是
A. 压力越大,压强越大
B. 只有静止的物体才有惯性
C. 弹簧测力计必须竖直使用,不得倾斜
D. 牛顿第一定律告诉我们,物体的运动不需要力来维持
11.随着人们生活水平的提高,小汽车已经进入普通百姓家庭,下列关于小汽车的说法正确的是
A.汽车在水平公路上静止时,汽车对地面的压力和地面对汽车的支持力是一对平衡力
B.使用安全带和安全气囊是为了减小惯性
C.汽车在水平公路上匀速直线行驶时,汽车所受牵引力与它受到的阻力是一对平衡力
D.汽车在水平公路上高速行驶时,汽车对地面的压力小于汽车的重力
12. 一物体放在水平桌面上,若压力为F,受力面积为S时,压强为p,那么
A.当压力变为2F、受力面积变为2S时,压强变为2p
B.当压力变为F/2、受力面积变为S/2时,压强为p
C.当压力变为2F、受力面积变为S/2时,压强变为p/4
D.当压力变为F/2、受力面积变为2S时,压强变为p/4
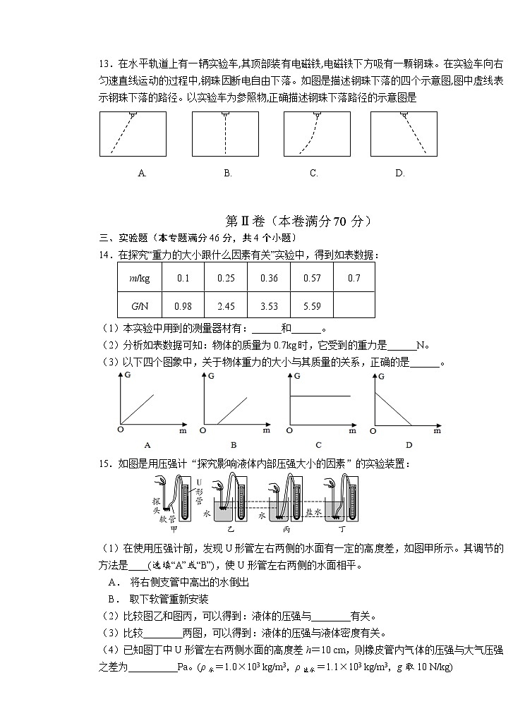
13.在水平轨道上有一辆实验车,其顶部装有电磁铁,电磁铁下方吸有一颗钢珠。在实验车向右匀速直线运动的过程中,钢珠因断电自由下落。如图是描述钢珠下落的四个示意图,图中虚线表示钢珠下落的路径。以实验车为参照物,正确描述钢珠下落路径的示意图是
A. B. C. D.
第Ⅱ卷(本卷满分70分)
三、实验题(本专题满分46分,共4个小题)
14.在探究“重力的大小跟什么因素有关”实验中,得到如表数据:
本实验中用到的测量器材有:______和______。
(2)分析如表数据可知:物体的质量为0.7kg时,它受到的重力是______N。
(3)以下四个图象中,关于物体重力的大小与其质量的关系,正确的是______。
15.如图是用压强计“探究影响液体内部压强大小的因素”的实验装置:
(1)在使用压强计前,发现U形管左右两侧的水面有一定的高度差,如图甲所示。其调节的方法是____(选填“A”或“B”),使U形管左右两侧的水面相平。
A. 将右侧支管中高出的水倒出
B. 取下软管重新安装
(2)比较图乙和图丙,可以得到:液体的压强与________有关。
(3)比较________两图,可以得到:液体的压强与液体密度有关。
(4)已知图丁中U形管左右两侧水面的高度差h=10 cm,则橡皮管内气体的压强与大气压强之差为__________Pa。(ρ水=1.0×103 kg/m3,ρ盐水=1.1×103 kg/m3,g取10 N/kg)
16.在探究“滑动摩擦力大小和哪些因素有关”的实验中:
(1)此实验是根据______原理测出摩擦力大小的。
(2)小明刚开始拉木块时,他的水平拉力逐渐增大,但木块仍静止,木块所受的摩擦力_____(选填“变大”“变小”或“不变”);木块被拉动,且越来越快,小明读出某一时刻弹簧测力计的示数为2 N,他认为这时摩擦力的大小为2 N,他操作中的错误是____________________。
(3)改正错误后,小明完成了探究实验,比较甲、丙两次实验可得出的结论是__________。
(4)小明把木块沿竖直方向截掉一部分后,继续图甲的操作,测得摩擦力减小,由此得出结论:滑动摩擦力的大小随接触面积的减小而减小。他探究过程中存在的问题是______________,改进方法是______________________________________________________________________。
17.探究阻力对运动的影响:
实验器材:小车、斜面、长木板、棉布
(1)步骤:让小车从斜面的 高度由静止自由滑下,使小车分别在 、
面上运动,观察小车 ,并记录在表格中。
(2)结论:当小车受阻力越 ,运动距离越 。
(3)伽利略对类似的实验进行了分析,并进一步推测:如果水平面光滑,小车在运动时不受阻力,则小车将在水平面上 。说明运动的物体 力来维持(选填“需要”、“不需要”)。
(4)牛顿在伽利略等人的研究成果上概括出了牛顿第一定律。该定律
A.能用实验直接验证
B.不能用实验直接验证,所以不能确定这个定律是否正确
C.是在大量经验事实的基础上,通过进一步的推理概括得出的
四、作图题(本专题满分8分,共4个小题)
18.一足球静止在水平地面上,如图所示,画出足球的受力示意图。
19.如图所示,足球在空中飞行,忽略空气阻力,画出足球的受力示意图。
20.如图所示,画出静止在斜面上的木块的受力示意图。
21.如图所示,一铁块吸附在竖直放置的足够长的磁性平板上,在竖直向上拉力F的作用下,铁块竖直向上做匀速直线运动,画出铁块的受力示意图。
五、计算题(本专题满分12分,共3个小题,第22题4分,第23题4分,第24题4分)
22.电动汽车是正在大力推广的新型交通工具,它具有节能、环保的特点,如图,是一辆停放在水平地面上的电动汽车,质量为1.6×103kg,每个轮胎和地面的接触面积为2×10-2m2,g取10N/kg,求:
(1)车对地面的压力。
(2)车对地面的压强。
23.如图,容器中装有深度为10cm,质量为60g的水,放在水平桌面上,已知容器的质量为30g,底面积为5cm2,(ρ水=1×103kg/m3,g=10N/kg),求:
容器底部受到水的压力。
容器对水平桌面的压强。
将如图所示A、B两个正方体物体叠放在水平地面上,已知两物体的边长之比是LA:LB=
2:1,密度之比为ρA:ρB=3:2,求:
(1)A与B的重力之比。
(2)B对A压强与A对地面的压强之比。
六、阅读分析题(本专题满分4分,共1个小题)
25.船只停泊在岸边时,常常将缆绳缠绕在码头的立柱上,为什么缆绳要缠绕多圈呢?某校课外兴趣小组展开了研讨,他们猜想:绕绳的圈数越多,绳和立柱间的摩擦力越大,且摩擦力与绕绳的圈数成正比。为了验证猜想,该兴趣小组的同学设计了如下的实验进行探究:
甲 乙 丙
如图甲所示,将弹簧测力计挂在铁架台上,用棉线将重物挂在弹簧测力计下方,测出其重力为7.6 N,将数据记录在表格中;
如图乙所示,将铁棒固定在铁架台上,将棉线在铁棒上绕1圈,读出弹簧测力计的示数为2.9 N,老师告诉同学们,用重力减去弹簧测力计的示数,就可以算出棉线和铁棒之间的摩擦力,随后同学们算出此时的摩擦力为4.7 N;
逐渐增加棉线在铁棒上的圈数重复实验,直至弹簧测力计的示数接近于0 N,并将有关数据记录在表格中;
(1)棉线绕3圈时,弹簧测力计示数如图丙所示,此时示数为_______ N,棉线与铁棒之前的摩擦是________(选填“静摩擦”或“滑动摩擦”),该摩擦力的大小为_______N;
(2)分析实验数据,在弹簧测力计的示数接近0 N之前,关于摩擦力与绳子缠绕圈数之间关系的探究结论是:____________________________________________________________。
2019-2020学年度第二学期阶段检测
八年级物理参考答案及评分标准
第(I)卷(本卷满分30分)
一、单项选择题(本题满分18分,共9个小题,每小题2分)
二、不定项选择题(本题满分12分,共4个小题。每小题全选对得3分,漏选得1分,错选或不选得0分)
第(Ⅱ)卷 (本卷满分70分)
三、实验题
14.(每空2分,共8分)
(1)弹簧测力计 天平(2)6.86 (3)A
15.(每空2分,共8分)
(1)B (2)深度 (3)丙、丁 (4)1000
16. (每空2分,共12分)
(1)二力平衡 (2)变大 没有拉动木块做匀速直线运动 (3)在压力一定时,接触面越粗糙,摩擦力越大 (4)没有控制压力不变 将木块分别竖放,平放,测放,拉动木块做匀速直线运动
17. (每空2分, 共18分)
(1)同一 木板 棉布 运动的距离 (2)小 远 (3)一直运动 不需要
(4)C
四、作图题(每题2分,共8分)答案略
五、计算题
22.(共4分)
(1)1.6×104N 2分(2)2×105Pa 2分
23.(共4分)
(1)0.5N 2分(2)1.8×103Pa 2分
24. (共4分)
(1)12:1 2分(2)4:13 2分
六、阅读分析题(每空1分, 共4分)
25.(1)0.5 静摩擦 7.1 (2)其他条件相同时,绳子缠绕圈数越多,摩擦力越大
A.鞋底上印有花纹
B.举重前,在手上涂防滑粉
C.自行车的车闸用橡胶制作
D.气垫船底部跟水面之间有一层空气垫
m/kg
0.1
0.25
0.36
0.57
0.7
G/N
0.98
2.45
3.53
5.59
棉线绕的圈数
弹簧测力计的示数F/N
摩擦力的大小f/N
0
7.6
0
1
2.9
4.7
2
1.1
6.5
3
▲
▲
4
0.2
7.4
5
0.1
7.5
题号
1
2
3
4
5
6
7
8
9
答案
D
C
C
B
A
A
B
D
D
题号
10
11
12
13
答案
ABC
CD
BD
B
山东省青岛市胶州市2023-2024学年八年级上学期11月期中物理试题: 这是一份山东省青岛市胶州市2023-2024学年八年级上学期11月期中物理试题,共8页。
山东省青岛市胶州市2019-2020学年九年级下学期期中物理试题: 这是一份山东省青岛市胶州市2019-2020学年九年级下学期期中物理试题,共18页。试卷主要包含了单项选择题,不定项选择题,实验题,作图题,计算题,阅读分析题等内容,欢迎下载使用。
山东省青岛市胶州市2019-2020学年八年级下学期期中物理试题: 这是一份山东省青岛市胶州市2019-2020学年八年级下学期期中物理试题,共15页。试卷主要包含了单项选择题,不定项选择题,实验题,作图题,计算题,阅读分析题等内容,欢迎下载使用。

