人教版 (新课标)选修3第三章 磁场综合与测试练习
展开
这是一份人教版 (新课标)选修3第三章 磁场综合与测试练习,共8页。试卷主要包含了选择题,填空题,解答题等内容,欢迎下载使用。
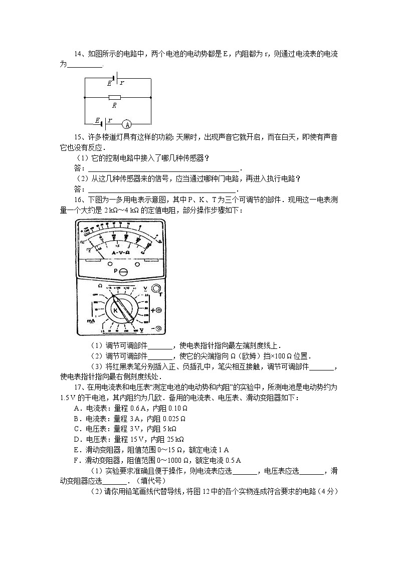
(人教版)2012届高三物理一轮复习同步测试:选 修 3-1 检 测 题一、选择题1、有两个点电荷所带电量的绝对值均为Q,从其中一个电荷上取下ΔQ电量,并加在另一个电荷上,那么它们之间的相互作用与原来相比( )A.一定变大 B.一定变小 C.保持不变 D.由于两电荷电性不确定,无法判断2、两个相同的金属小球,带电量之比为1∶7,相距为r,两球相互接触后再放回原来的位置上,则它们间的库仑力可能为原来的( )A.4/7 B.3/7 C.9/7 D.16/73、如图所示电路中,六个电阻的阻值均相同,由于对称性,电阻R2上无电流流过,已知电阻R6所消耗的电功率为1 W,则六个电阻所消耗的总功率为( ) A.6 W B.5 W C.3 W D.2 W 4、如图所示,电源电动势为E,内阻为r,合上开关S后各电灯恰能正常发光,如果某一时刻电灯L1的灯丝烧断,则( ) A.L3变亮,L2、L4变暗 B.L2、L3变亮,L4变暗 C.L4变亮,L2、L3变暗 D.L3、L4变亮,L2变暗 5、如图所示,平行实线代表电场线,方向未知,带电量为1×10-2 C的正电荷在电场中只受电场力的作用,该电荷由A点移到B点,动能损失0.1 J,若A点电势为-10 V,则( ) A.B点的电势为零B.电场线方向向左C.电荷运动的轨迹可能是图中曲线①D.电荷运动的轨迹可能是图中曲线②6、如图所示,三根长直导线中的电流强度相同,导线b和d的电流方向垂直纸面向外,导线c的电流方向垂直纸面向里,a点为bd连线的中点,ac垂直bd,且ab=ad=ac,则a点处的磁感应强度的方向为( ) A.垂直纸面向外 B.垂直纸面向里 C.沿纸面由a指向c D.沿纸面由a指向d7、如图所示,表示通电导线在磁场内受磁场力作用时F、B、I三者方向间的关系,其中正确的是( )8、如图所示,两条长直导线AB和CD相互垂直,其中AB固定,CD可以以其中心为轴自由转动或平动,彼此相隔一很小距离,当分别通以图示方向的电流时,CD的运动情况是( ) A.顺时针方向转动,同时靠近导线ABB.顺时针方向转动,同时离开导线ABC.逆时针方向转动,同时靠近导线ABD.逆时针方向转动,同时离开导线AB9、如图所示,一个带负电的物体从粗糙斜面顶端滑到斜面底端时的速度为v,若加上一个垂直于纸面指向读者的磁场,物体滑到底端时速度( ) A.大于v B.小于v C.等于v D.不能确定10、如图所示,在oxy区域内充满了垂直纸面向里的匀强磁场,现有一对正负电子以相同速度沿着与x轴成30°角的方向自原点o垂直于磁场方向射入磁场中,则正电子与负电子在磁场中的运动时间之比为( ) A.1:2 B.2:1C. D.1:1 11、两个粒子电量相等,在同一匀强磁场中只在磁场力的作用下做匀速圆周运动,则( )A.若速率相等,则半径必相等 B.若动能相等,则周期必相等C.若质量相等,则周期必相等 D.若动量相等,则半径必相等12、用同一回旋加速器分别对质子()和氦离子()加速后( )A.质子获得的动能大于氦离子获得的动能 B.质子获得的动能等于氦离子获得的动能C.质子获得的动能小于氦离子获得的动能 D.无法判断 二、填空题13、一金属球,原来不带电,现沿球的直径的延长线放置一均匀带电的细杆MN,如图所示,金属球上感应电荷产生的电场在球内直径上a、b、c三点的场强大小分别为Ea、Eb、Ec,三者大小关系为________.14、如图所示的电路中,两个电池的电动势都是E,内阻都为r,则通过电流表的电流为__________.15、许多楼道灯具有这样的功能:天黑时,出现声音它就开启,而在白天,即使有声音它也没有反应.(1)它的控制电路中接入了哪几种传感器?答:___________________________________________.(2)从这几种传感器来的信号,应当通过哪种门电路,再进入执行电路?答:__________________________________________.16、下图为一多用电表示意图,其中P、K、T为三个可调节的部件.现用这一电表测量一个大约是2 kΩ~4 kΩ的定值电阻,部分操作步骤如下: (1)调节可调部件_______,使电表指针指向最左端刻度线上. (2)调节可调部件_______,使它的尖端指向Ω(欧姆)挡×100 Ω位置. (3)将红黑表笔分别插入正、负插孔中,笔尖相互接触,调节可调部件_______,使电表指针指向最右侧刻度线处.17、在用电流表和电压表“测定电池的电动势和内阻”的实验中,所测电池是电动势约为1.5 V的干电池,其内阻约为几欧.备用的电流表、电压表、滑动变阻器如下:A.电流表:量程0.6 A,内阻0.10 ΩB.电流表:量程3 A,内阻0.025 ΩC.电压表:量程3 V,内阻5 kΩD.电压表:量程15 V,内阻25 kΩE.滑动变阻器,阻值范围0~15 Ω,额定电流1 AF.滑动变阻器,阻值范围0~1000 Ω,额定电流0.5 A (1)实验要求准确且便于操作,则电流表应选_______,电压表应选_______,滑动变阻器应选_______.(填代号) (2)请你用铅笔画线代替导线,将图12中的各个实物连成符合要求的电路(4分)三、解答题18、图中,金属棒ab质量m=5g,放在相距l=1m的两根光滑的金属导轨上,磁感应强度B=0.5T,方向竖直向上,电容器的电容C=200μF,电源电动势E=16V,导轨距地面高度h=0.8m.当单刀双掷开关掷向1后,再掷向2,金属棒被抛到水平距离s=6.4cm的地面上,问电容器两端的电压还有多大? 19、如图所示,截面为直角三角形的区域内,有一个具有理想边界的匀强磁场,磁场方向垂直纸面向里,磁感应强度为B,三角形区域的ab边长为L,θ=30°.一个电子从ab边界外侧在ab边中点处与ab成30°角垂直于磁场方向射入场内,已知电子的电荷量为e,质量为m.为使电子能从ac射出,电子入射速度v0应该满足什么条件?20、如图所示电路中,开关闭合后,电源的总功率P总=15W,电源输出功率P出=12W,电阻R1=4 Ω,R2 = 6 Ω,R3 = 0.6 Ω.求: (1)A、B间的电压. (2)电源电动势和内电阻.21、如图所示,有水平向右的匀强电场和垂直纸面向里的匀强磁场,电场强度为E,磁感应强度为B。一根足够长的绝缘杆平行于电场方向固定,杆上套一个质量为m,带电量为+q的环,它与横杆间的动摩擦因数为μ,且,环由静止开始运动,求: (1)环可能达到的最大加速度及此时它的速度 (2)环能达到的最大速度22、如图所示,粒子源S能在图示纸面内的3600范围内发射速率相同,质量为m,电量为-q的粒子,MN是足够大的竖直挡板,S到板的距离为L,挡板左侧充满垂直纸面向里的匀强磁场,磁感应强度为B(重力不计)求: (1)粒子速度至少为多大,才能有粒子到达挡板? (2)若S发射的粒子速率为,则挡板被粒子击中的部分的长度为? 检测题答案1—6 B CD D B ABC D 7—12 D C B B CD B 提示:1、原来电荷间的作用力为F=; 设两球带有同种电荷,且电量分别为Q-ΔQ和Q+ΔQ时,它们之间的库仑力F=k,且为斥力,当两球带有异种电荷,两球带电量分别为Q-ΔQ和-(Q-ΔQ),两球间的作用力为:F=k. 所以无论两电荷的电性如何,它们之间相互作用力与原来相比一定减小. 2、设两球带有同种电荷,且带电量分别为Q和7Q时,它们之间的库仑力F=K且为斥力,两者相互接触后,两球带电量均为4Q(平均分配),两球间的作用力为: F′=K ∴ 两球带有异种电荷时,两球接触后,两球带电量均为3Q(先中和后平均分配),F′=K∴. 3、R2上无电流,可将R2拆去,再利用P=可求解. 5、电荷由A到B,W=ΔEk,WABq=-0.1 J,(UA-UB)×1×10-2=-0.1,UB=0 V即UA<UB,从而可知电场线的方向向左,又因带电粒子为正电荷,受到水平向左的电场力作用,轨迹必向电场力的方向弯曲. 6、由右手螺旋定则得:b导线在a点的磁场方向沿ca方向;d导线在a 点的磁场沿ac方向;c导线在a点的磁场沿ad方向。三者磁感应强度大小相等,矢量合成后沿ad方向,故D正确。 7、由左手定则判断D正确。 8、由右手螺旋定则得AB左侧磁场垂直纸面向外,右侧垂直纸面向里。由左手定则得CD左边受向下的安培力,右边受向上的安培力,故逆时针转动。CD转动后,电流方向与AB电流相同,相互吸引,故同时靠近导线AB。 9、由左手定则得加磁场后,物体受垂直斜面向下的洛伦兹力,所以物体下滑时所受摩擦力增大,克服摩擦力做功增多,故滑到底端时速度小于v 10、由正负电子运动轨迹得正电子运动的圆弧所对圆心角为,负电子运动的圆弧所对圆心角为,由得t1:t2=2:1 11、由和得CD正确12、回旋加速器加速后的粒子获得的速度,粒子动能,所以E1:E2=1:1 13、解析:带电细杆MN在其周围产生电场,在MN的延长线上距离越远,电场越弱.而在金属球内部,当静电平衡后电场强处处为零.这是带电细杆MN所产生的场强与金属球上感应电荷所产生的场强合成而得到的,因此感应电荷所产生的场强与MN所产生的场强大小相等、方向相反,由于c点距带电杆MN最近.MN所产生的电场在c处的场强大于b处和a处的场强,所以金属上感应电荷产生的电场在c处的场强Ec大于在b处的场强Eb及在a处的场强Ea,同理Eb>EA. 答案:Ec>Eb>Ea 14、解析:从图中可看出两个电池是并联的,A表的读数是总电流的一半. 答案: 15(1)光传感器;声传感器.(2)“与”门. 16、(1)P (2)K (3)T 17、(1)ACE (2)如下图连接.答案: 18、设金属棒通过电流的时间为△t,电容器放电电荷量为△Q,金属棒中电流为I,则:△Q=I△t.金属棒受到的安培力为F=BIL=BL.金属棒因通电受到的安培力冲量F△t=m△v=mv 由平抛定律可知: 由上式得BL△Q=,所以 原电荷量是Q=CE=3.2×10-3C 现在电压为U,则Q-△Q=CU ∴ 19、因为磁场只分布于三角形范围内,所以只以实线部分圆弧模拟粒子的运动轨迹如答图所示,可以清晰地看到轨迹A与边ac相切,即为刚好不能从ac边飞出的粒子轨迹.轨迹B相切于bc边,其表示粒子刚好能从ac边飞出的临界状态的轨迹.设轨迹A的圆心为O1,半径为R1,轨迹B的圆心为O2,半径为R2,因v0与ab成30°角,所以v0垂直bc,如图b所示.由几何知识知∠dO1g=30°,在∠O1dg中, . 在△dbe中,de=R2=. 由得两轨迹所对应的粒子速度分别为 则v0应满足. 20、解:(1)R1与R2并联后的阻值 Ω = 2.4 Ω 外电路的总电阻R0 = R12+R3 = 2.4 Ω+0.6 Ω = 3.0 Ω 由P=I2R得干路电流 AB间的电压 UAB = I0R12 = 2.0×2.4 V = 4.8 V (2)由得电源电动势 V = 7.5 V 由得内电阻 Ω-3.0 Ω = 0.75 Ω 21、解:(1)当环受到向上的洛伦兹力等于重力时,将不受摩擦力此时加速度最大 所以有Eq=mamax ① mg= Bv1q ② 即 (2)当环速度最大时,环受向上的洛伦兹力大于重力,环受到的摩擦力等于电场力所以有Bvmaxq=mg+N ① f =Nμ ② f = Eq ③ 联立以上三式得 22、解:(1)挡板上的点到S的距离最小为L,所以要保证有粒子打在板上,粒子圆周运动的半径最小为L/2,此时粒子速度最小,设为v,则有 ,即 (2)当粒子速度为时,粒子圆周运动半径R=L,所以打在挡板上的点与S的距离最大为2R=2L,如图A点。当粒子向右水平射出时刚好能打在档板上如图B点,所以被粒子击中的部分长度为AB=L+
相关试卷
这是一份选修3选修3-1第二章 恒定电流5 焦耳定律精练,共2页。试卷主要包含了关于四个公式等内容,欢迎下载使用。
这是一份物理选修33 欧姆定律巩固练习,共2页。
这是一份2020-2021学年3 欧姆定律同步达标检测题,共3页。试卷主要包含了ACD等内容,欢迎下载使用。

