物理人教版 (新课标)4 电势能和电势课时训练
展开A.沿电场线方向电势逐渐降低
B.电势降低的方向一定是电场线的方向
C.正电荷在只受电场力作用下,一定向电势低的地方运动
D.负电荷在只受电场力的作用下,由静止释放,一定向电势高的地方运动
解析:电场线方向一定是电势降落的方向,反之不一定成立.故A对,B错,若正电荷初速度与电场线向方,则先向电势高的方向做减速运动,再向电势低的地方运动,故C错,D对。
答案:AD
2.某静电场的电场线分布如图1所示,图中P、Q两点的电场强度的大小分别为EP和EQ,电势分别为φP和φQ,则( )
图1
A.EP>EQ,φP>φQ B.EP>EQ,φP<φQ
C.EP<EQ,φP>φQ D.EP<EQ,φP<φQ
解析:根据沿着电场线的方向电势是降落的,可以判断出φP>φQ;根据电场线的疏密表示电场的强弱,可以判断出EP>EQ,故选A。
答案:A
3. 如图2所示,实线是某电场中的一条电场线,虚线是该电场中的两条等势线,由图可以得出的正确结论是( )
A.M点的电势一定高于N点的电势图2
B.M点的场强一定大于N点的场强
C.由M点向N点移动电荷时,电势能的改变量与零电势的选取无关
D.某电荷在M点或N点具有的电势能与零电势的选取无关
解析:沿着电场线电势逐渐降低,所以A正确;根据电场线与等势面垂直,可以作出如图所示电场线,可得EM>EN,则B正确;M、N两点的电势能之差与零电势的选取无关,C正确;而Ep=qφ,所以电势能的大小与零电势的选取有关。
答案:ABC
4.某电场中有M、N两点,它们的电势分别为φM=-10 V、φN=-2 V,则下列说法中错误的是( )
A.M点电势低
B.无论电荷是正还是负,同一电荷在M点的电势能总比在N点电势能小C.将1 C的正电荷从M点移到N点,静电力做8 J功
D.将1 C的负电荷从M点移到N点,静电力做8 J功
解析:电势是标量,正负代表大小,故M点电势低;正电荷在N点时,电势能较高,负电荷在M点时,电势能较高;将1 C的正电荷从M点移至N点,克服静电力做功8 J,将1 C的负电荷从M点移至N点,静电力做功8 J。
答案:BC
5. 如图3所示,实线是一个电场中的电场线,虚线是一个负试探电荷在这个电场中的轨迹,若电荷是从a处运动到b处,以下判断正确的是( )
A.电荷从a到b加速度减小
B.b处电势能大
C.b处电势高
D.电荷在b处速度小图3
解析:b处电场线比a处密,说明b处场强大于a处场强,所以在b处加速度大于在a处加速度,A错;由a到b电场力做负功,电势能增大,B对;试探电荷为负电荷,F的方向指向凹侧,所以电场线方向从疏到密,所以φa>φb,C错;由能量守恒,电势能增加,则动能减小,b点速度小,D对。
答案:BD
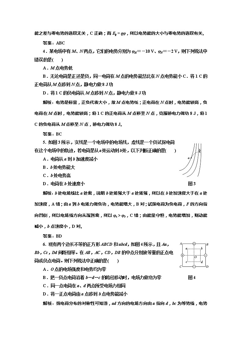
6. 现有两个边长不等的正方形ABCD和abcd,如图4所示,且Aa,Bb,Cc,Dd间距相等。在AB,AC,CD,DB的中点分别放等量的正点电荷或负点电荷。则下列说法中正确的是( )
A.O点的电场强度和电势均为零
B.把一负点电荷沿着b→d→c的路径移动时,电场力做功为零图4
C.同一点电荷在a、d两点所受电场力相同
D.将一正点电荷由a点移到b点电势能减小
解析:据电荷分布的对称性可知道,ad方向的电场方向由a指向d,bc为等势线,电势为零,即bc电势相等,电荷沿着b→d→c的路径移动时,电场力做功为零,选项A错误,B正确;据电荷分布的对称性可知道同一点电荷在a、d两点所受电场力大小、方向均相同,选项C正确;bc为等势线,b、O电势相等,正点电荷由a点到b点可认为是a到O,电场力做正功,电势能减小,选项D正确。
答案:BCD
7. 如图5所示,虚线a、b、c表示电场中的三个等势面与纸平面的交线,且相邻等势面之间的电势差相等。实线为一带正电荷粒子仅在电场力作用下通过该区域时的运动轨迹,M、N是这条轨迹上的两点,则下面说法中正确的是( )
A.三个等势面中,a的电势最高
B.对于M、N两点,带电粒子通过M点时电势能较大图5
C.对于M、N两点,带电粒子通过M点时动能较大
D.带电粒子由M运动到N时,加速度增大
解析:由于带电粒子做曲线运动,因此所受电场力的方向必定指向轨道的凹侧,且和等势面垂直,所以电场线方向是由c指向b再指向a。根据电场线的方向是指电势降低的方向,故φc>φb>φa,选项A错。带正电荷粒子若从N点运动到M点,场强方向与运动方向成锐角,电场力做正功,即电势能减少;若从M点运动到N点,场强方向与运动方向成钝角,电场力做负功,电势能增加,故选项B错。根据能量守恒定律,电荷的动能和电势能之和保持不变,故粒子在M点的动能较大,选项C正确。由于相邻等势面之间电势差相等,因此N点等势面较密,则EN>EM,即qEN>qEM,由牛顿第二定律知,带电粒子从M点运动到N点时,加速度增大,选项D正确。
答案:CD
8.将带电荷量为1×10-8 C的电荷,从无限远处移到电场中的A点,要克服静电力做功1×10-6 J,(取无限远处电势为零)问:
(1)电荷的电势能是增加还是减少?电荷在A点具有多少电势能?
(2)A点的电势是多少?
解析:(1)因静电力做负功,则电荷的电势能增加。因无限远处电势能为零,所以电荷在A点具有的电势能为1×10-6 J。
(2)A点电势为φA=eq \f(EpA,q)=eq \f(1×10-6,1×10-8) V=100 V。
答案:(1)增加 1×10-6 J (2)100 V
9. 如图6所示,在电场强度为E=1×104 N/C、方向水平向右的匀强电场中,用一根长L=1 m的绝缘细杆(质量不计)固定一个质量为m=0.2 kg、电荷量为q=5×10-6 C、带正电的小球。细杆可绕轴O在竖直平面内自由转动。现将杆由水平位置A轻轻释放,在小球运动到最低点B的过程中。图6
(1)电场力对小球做功多少?小球电势能如何变化?
(2)小球在最低点的动能为多少?
解析:(1)电场力做功仅与初末位置有关。
W电=qE·L=5×10-6×1×104×1 J=5×10-2 J。
电场力做正功小球电势能减少。
(2)由动能定理得:mgL+W电=EkB-0
所以EkB=0.2×10×1 J+5×10-2 J=2.05 J。
答案:(1)5×10-2 J 电势能减少 (2)2.05 J
人教版 (新课标)选修32 电动势同步训练题: 这是一份人教版 (新课标)选修32 电动势同步训练题,共4页。试卷主要包含了关于电动势E的说法中正确的是,下列说法中正确的是等内容,欢迎下载使用。
人教版 (新课标)选修3选修3-1第一章 静电场1 电荷及其守恒定律当堂达标检测题: 这是一份人教版 (新课标)选修3选修3-1第一章 静电场1 电荷及其守恒定律当堂达标检测题,共4页。试卷主要包含了关于电荷量,下列说法错误的是,下列说法中正确的是等内容,欢迎下载使用。
物理人教版 (新课标)2 库仑定律同步测试题: 这是一份物理人教版 (新课标)2 库仑定律同步测试题,共4页。试卷主要包含了下列说法正确的是等内容,欢迎下载使用。

