2020-2021学年辽宁省辽阳市灯塔一中九年级(上)期中物理试卷
展开
2020-2021学年辽宁省辽阳市灯塔一中九年级(上)期中物理试卷
1. 如图所示,足球以初速度v沿着凹凸不平的草地从a运动到d,足球( )
A. 在b、d两点动能相等 B. 在a、d两点动能相等
C. 在b点的动能大于在d点的动能 D. 从c到d的过程重力势能减少
2. 如图所示,2018年4月2日8时15分左右,天宫一号目标飞行器进入大气层,绝大部分器件在进入大气层过程中烧蚀销毁,剩余部分落入南太平洋中部区域。天宫一号飞行器在这个过程中,下列说法正确的是( )
A. 动能和重力势能都增加 B. 机械能保持不变
C. 减少的重力势能全部转化成内能 D. 内能是通过做功的方式改变的
3. 关于物质的比热容,下列说法中正确的是( )
A. 比热容是物质的一种属性,只和物质的种类有关
B. 同种物质质量越大比热容就越大
C. 因为水的比热容较大所以比较适合做冷却剂
D. 物质的状态发生变化时其比热容一般不变
4. 如图所示,当开关S1断开,S2接通时,电压表读数为4.5V,当开关S1接通,S2断开时,电压表的示数为2.1V,那么,当S1、S2均断开时,小灯泡L1和L2两端的电压分别为( )
A. 2.1V4.5V B. 2.4V2.1V C. 4.5V6.6V D. 4.5V2.1V
5. 避雷针的尖端不断向空中释放电子,则避雷针中的电流方向是( )
A. 从地面流向尖端 B. 从尖端流向地面
C. 没有电流 D. 无法判定
6. 某同学观察他家里的电动自行车后发现:不管捏紧左边还是右边的车闸,车尾的一盏刹车指示灯均会亮起,而拨动扶手旁向左或向右的转向开关时,车尾只有对应一侧的转向指示灯会亮起,下列指示灯的示意图合理的是
( )
A. B.
C. D.
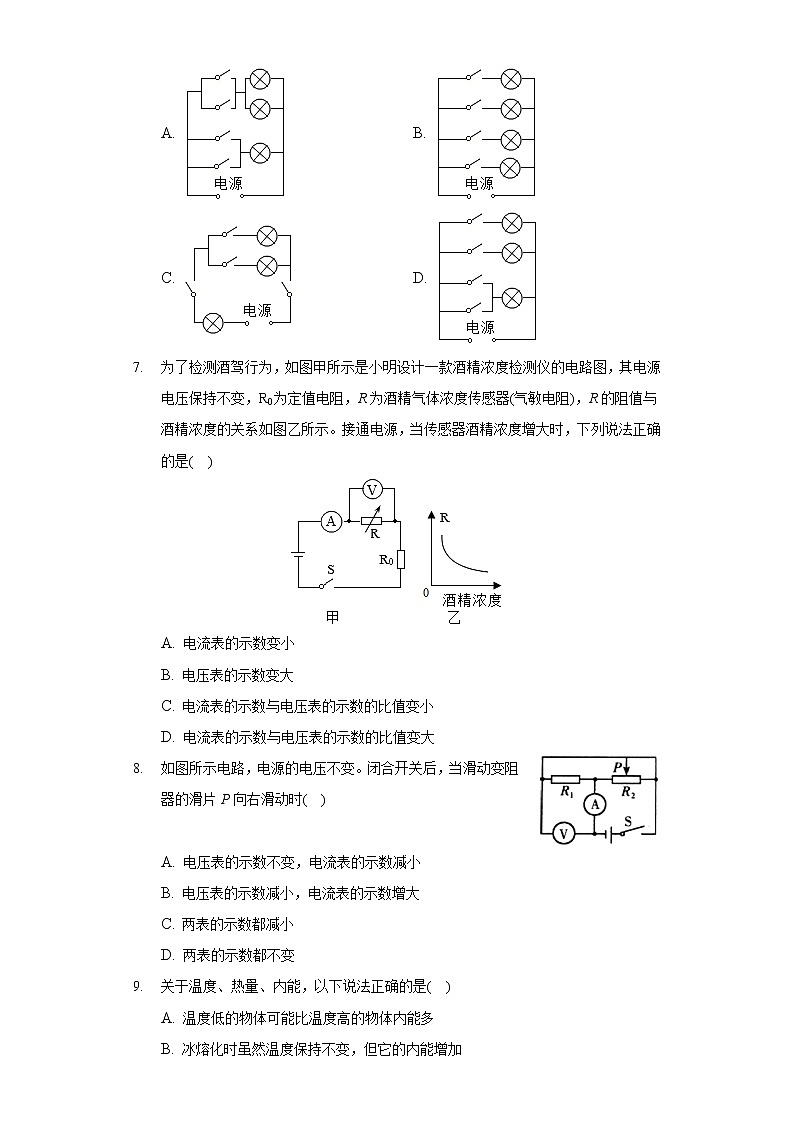
7. 为了检测酒驾行为,如图甲所示是小明设计一款酒精浓度检测仪的电路图,其电源电压保持不变,R0为定值电阻,R为酒精气体浓度传感器(气敏电阻),R的阻值与酒精浓度的关系如图乙所示。接通电源,当传感器酒精浓度增大时,下列说法正确的是( )
A. 电流表的示数变小
B. 电压表的示数变大
C. 电流表的示数与电压表的示数的比值变小
D. 电流表的示数与电压表的示数的比值变大
8. 如图所示电路,电源的电压不变。闭合开关后,当滑动变阻器的滑片P向右滑动时( )
A. 电压表的示数不变,电流表的示数减小
B. 电压表的示数减小,电流表的示数增大
C. 两表的示数都减小
D. 两表的示数都不变
9. 关于温度、热量、内能,以下说法正确的是( )
A. 温度低的物体可能比温度高的物体内能多
B. 冰熔化时虽然温度保持不变,但它的内能增加
C. 物体温度升高,它的热量一定增加
D. 热量总是从内能大的物体向内能小的物体传递
10. 在如图所示的电路中,电源电压不变,闭合开关后,电路正常工作,一段时间后,发现其中一个电压表示数变大,则( )
A. 灯L可能变亮 B. 灯L可能短路 C. R可能断路 D. 灯L可能断路
11. 物理来源于生活,生活中蕴含着物理,关于生活中的物理下列说法中正确的是( )
A. 手机、笔记本电脑、智能电视等电子产品是利用半导体材料制成的
B. 超导材料可应用于电饭锅和远距离输电线
C. 包裹金属导线的绝缘材料不能导电,是因为绝缘材料中没有电子
D. 家庭电路中用铜导线而不用铁导线,是因为铜的导电性能比铁好
12. 如何利用阻值已知的电阻R0和一只电流表或一只电压表,测出未知电阻Rx的阻值,同学们设计了如图所示四种电路,其中可行的方法有(电源电压未知)( )
A. B. C. D.
13. 在体育考试中,小超投出的实心球在空中的运动轨连如图所示。球从最高点到落地点的过程中,重力势能______,忽略空气阻力,球的机械能______(均选填“增加”、“不变”“减小”)。由于水的比热容比沙石或干泥土的比热容大,所以在沿海地区陆地表面的气温比海面的气温昼夜变化______(大/小),因此白天海边的风多是______(从陆地吹向海面/从海面吹向陆地)
14. 向热汤中滴入香油,散发出浓浓的香味,这属于______现象,温度越高,分子热运动越______。固体很难被压缩,是因为固体分子间存在着______。2017国际滑联短道速滑世界杯上海站比赛受到市民的热情关注。如图所示,运动员用力蹬地后便能加速向前。这是因为力可以改变物体的运动状态,此过程中,运动员的动能______(选填“增大”、“不变”或“减小”)。由于与冰面摩擦,冰刀的温度升高,这是通过______方式增加了冰刀的内能。
15. 如图所示,甲为亮度可调的台灯,电位器是调节其亮度的装置;乙为电位器的内部结构示意图,a、b、c是它的三个接线柱,旋钮带动滑片转动。若顺时针旋转旋钮时灯泡发光变亮,则需将________(选填“a和b”“a和c”或“b和c”)接线柱接入电路。关于电位器上电阻丝的材料,应该选用________(选填“铜丝”或“镍铬合金丝”)。
16. 2017年5月18日,我国首次海域可燃冰(天然气水合物)试采成功,实现了历史性突破。可燃冰分布于深海沉积物或陆域永久冻土中,是由天然气与水在高压低温条件下形成的类冰状结晶物质,燃烧后仅会生成少量的二氧化碳和水。根据测算,1立方米可燃冰可以分解释放出160立方米以上的天然气。完全燃烧5立方米可燃冰产生的热量至少为______(天然气热值为3.2×107J/m3)。试写出可燃冰具备的两条优点______、______。
17. 如图所示,将不同的导体分别接到A,B之间,闭合开关,可通过观察、比较______来判断不同导体电阻的大小。若两个导体的电阻差异不大,则可以在电路中串联______,作进一步的判断。
18. 有一个导体,两端的电压为6V时,通过的电流为0.5A,则它的电阻是______Ω;当导体两端的电压为零时,该导体的电阻是______Ω.另有两只定值电阻,甲标有“10Ω1A”,乙标有“15Ω0.6A”,把它们串联在同一电路中,电路中允许通过的最大电流为______A,两端允许加的最大电压为______V。
19. 如图所示,闭合开关S,两电流表示数之比5:3,则R1与R2两端的电压之比U1:U2=______。电阻之比R1:R2=______。
20. 如图所示的电路中,当开关闭合时,灯不发光,电压表示数为0;当开关断开时,灯仍不发光,电压表示数为6V,则电路中故障是灯______(选填“短路”或“断路”),电源两端电压为______V。
21. 如图所示,电源电压保持不变,开关S闭合后,灯L1、L2都能正常工作,甲、乙两个电表的示数之比是2:5,此时灯L1、L2的电阻之比是______,电流之比是______。
22. 如图所示,在电路的O里填上适当的电表符号,要求:使两灯L1、L2并联。
23. 如图按照图甲的电路图,在图乙中连接实物电路,要求选择正确的量程,导线不得相交。
24. 小明对卫生间内的换气扇和照明灯的电路进行了如下改造;控制它们工作的有两个开关,换气扇工作时照明灯一定发光,照明灯发光时换气扇可以不工作。如图的虚线框内已画出了所连接的电源,请你接着完成这部分电路的电路图(换气扇用电动机符号表示)
25. (1)作为文明公民,不应该在公共场所吃有气味的食品。请说明其中的道理。
(2)我们感觉手冷时,可以采用热水袋取暖。请解释这样做的理由。
(3)在生产、生活中,由于摩擦等原因,常常产生静电,静电既可利用也能造成危害。请举一个实例说明静电对人们生活、生产有利的实例。
26. 如图是某太阳能热水器,向其中注入50kg水,阳光照射一段时间后,水温从10℃升高到50℃.水的比热容是4.2×103J/(kg⋅℃)。试求:
(1)这段时间该热水器中的水吸收的热量是多少?
(2)如果这段时间该太阳能热水器接收到太阳辐射的热量是2.8×107J,则这段时间该热
水器的效率是多少?
(3)若用煤燃烧来提供2.8×107J的热量,需完全燃烧多少千克煤?(煤的热值约为3.5×107J/kg)。
27. 随着社会的发展和科技的进步,电路元件在各行得到广泛的应用,其中热敏电阻就是其中之一,热敏电阻的阻值会随温度的改变而改变。如图甲是用热敏电阻测量环境温度的电路,电路中电流表的量程为0∼0.02A,滑动变阻器R的铭牌上标有“150Ω0.3A”字样。Rt为热敏电阻,其阻值随环境温度变化关系如图乙所示,电源电压保持不变。请完成下列小题:
(1)将此电路放入温度为20℃的环境中,闭合开关S,调节滑片P,使滑动变阻器接入电路的电阻R=100Ω,此时电流表的读数为0.01A,求电源电压;
(2)若环境温度为40℃时,要保证整个电路元件的安全,求滑动变阻器接入电路中的最小阻值;
(3)此电路能测量的最高环境温度为多少?
28. 如图所示,在探究物体动能的大小与哪些因素有关时,让同一小车分别从同一斜面的不同高度由静止释放,撞击水平面上同一木块。
(1)本实验探究的是______(木块/小车/斜面)的动能与______的关系,实验中是通过观察______来比较动能大小的;
(2)第一次实验的情景如图甲所示,在进行第二次实验前,应先将撞出的木块______;
(3)若操作正确,第二次实验木块最终的位置如图乙所示,则此实验的结论是:______。
29. 为研究甲、乙、丙三种液体的吸热能力,小明选用了甲、乙、丙三种液体,用相同加热器加热,得到了三种液体的温度变化情况:
加热时间t/min
0
1
2
3
4
甲液体温度/℃
20
30
40
50
60
乙液体温度/℃
38
46
54
62
70
丙液体温度/℃
56
62
68
74
80
(1)小明选用的甲、乙、丙三种液体的______(选填“质量”或“体积”)必须相同;
(2)分析数据可知:______吸热能力最强;
(3)为了研究三种液体的吸热能力,小明还可以设计如下实验方案:用相同加热器加热上述三种液体,使之升高相同的温度,通过比较______判断三种液体的吸热能力。
30. 在探究影响导体电阻大小的因素时,小兵、小红两位同学作出了如下猜想:
①导体的电阻与导体的长度有关
②导体的电阻与导体的横截面积有关
③导体的电阻与导体的材料有关。
实验室提供了4根电阻丝,规格、材料如表。
为了验证上述猜想,他们设计了如图所示的实验电路
序号
材料
长度/m
横截面积/mm2
A
镍铬合金
0.5
0.5
B
镍铬合金
1.0
0.5
C
镍铬合金
0.5
1.0
D
锰铜合金
0.5
0.5
(1)为了验证上述猜想①,应该选用编号为______两根电阻丝进行实验;如果选用编号为A、C两根电阻丝进行实验,是为了验证猜想(填序号);如果选用编号为A、D两根电阻丝进行实验,是为了验证猜想______(填序号)。分别将A和D两电阻丝接入电路中M、N两点间时,电流表示数不相同,由此,初步得到的结论是:长度和横截面积相同时,______。
(2)有同学认为:可以根据灯泡亮度的变化来判断接入的电阻丝的阻值变化情况。老师指出:此实验中这种方法不可取。这是因为电源电压一定时,所选电阻丝的阻值相差太小,灯泡亮度变化______(选填“明显”或“不明显”)。
(3)本实验他们采用的实验方法是______法;
(4)在最近几年,我国城乡许多地区进行了输电线路的改造,将原来细的铝质输电线换成较粗的铝质输电线,这样就______(选填“增大”或“减小”)了输电线的电,从而可以______输电线上的电能损失(选填”增大”或“减小”)
31. 在探究并联电路电流规律的实验中。
(1)为了防止损坏电流表,在不能事先估计电流大小的情况下,应先进行______,以正确选择电流表的量程。
(2)小方连接的部分电路如图所示,请你将电路连接完整。
(3)小方将以上电路连接完后,闭合开关,调节滑动变阻器,发现灯泡L1和L2发光、电流表A1和A2有示数、电流表A示数为零。则电路故障可能是______。
(4)排除故障,进行实验,小方记录了如下数据。
实验次数
L1电流I1/A
L2电流I2/A
干路电流I/A
1
0.1
0.1
0.2
2
0.3
0.3
0.6
3
0.4
0.4
0.8
分析以上实验数据,小方发现通过两条支路的电流总是相等。为了探究这个发现是否具有普遍性,可以______,再进行实验。
32. 小鹏在探究“通过导体的电流与导体两端电压的关系”时,电路如图甲所示,电源电压保持不变,R为定值电阻。
(1)请用笔画线代替导线,将图中的电路按甲图连接完整(要求导线不交叉)
(2)连接电路时,开关应该处于______状态,实验前滑动变阻器的滑片应位于______(选填“A”或“B”)端。滑动变阻器的作用除了保护电路外,还起到了______的作用。
(3)电路连接正确后,闭合开关,发现电压表有示数但电流表无示数,此时出现的故障可能是______(选填字母)。
A.滑动变阻器短路
B.电流表断路
C.电阻R短路
D.电阻R断路
(4)排除故障后,小鹏又取了两个定值电阻,想利用这些器材继续探究“电压不变时,电流与电阻的关系”。实验中所用电阻的阻值分别为5欧、10欧、20欧,电源电压为6V,分别接入三个定值电阻,调节滑动变阻器的滑片,记录数据,得到了如图丙所示的图象。由图象可以得出结论:______。
(5)上述实验中,
①小鹏用5Ω的电阻做完实验后,保持滑动变阻器滑片的位置不变。接着把R换为10Ω的电阻接入电路,闭合开关,应向______(选填“A”或“B”)端移动滑片,直至电压表示数为______V时,读出电流表的示数。
②小鹏又把R换为20Ω的电阻接入电路,闭合开关,无论怎样移动滑片,电压表都不能达到所控制的电压值,是因为______,为完成整个实验,应该选取滑动变阻器______(选填字母)。
A.“50Ω1.0A
B.“30Ω1.0A”
C.“20Ω1.0A”
33. 实验小组完成了“探究串联电路电压规律”的实验后,得到“电源两端电压总大于各用电器两端电压之和”的结论,这与之前“电源两端电压等于各用电器两端电压之和”的猜想不符。老师引导同学们用如图甲所示的电路继续进行了深入探究:
(1)测量电源及灯泡两端电压。电压表接在CD两点,是为了测量灯泡______的电压,闭合开关,电压表的示数(如图乙所示)是______V。
(2)测量电路中导线的电压。测出导线BC间的电压大约为0.05V,由此得知导线分压可能是造成结论与猜想不符的原因。为了能更明显地观察到导线分压的现象,应选择较______(选填:“粗”或“细”)的导线,原因是______。
(3)完成以上步骤后,他们准备测量开关两端的电压,你认为这一步骤是否有必要,理由是______。
答案和解析
1.【答案】C
【解析】解:AC、足球在b点时,足球有一定的速度,足球具有一定的动能,动能不为零;足球在d点时,足球速度为零,足球动能为零。所以足球在b点的动能大于在d点的动能,故A错误,C正确;
B、足球在a点时,足球有一定的速度,足球具有一定的动能,动能不为零;足球在d点时,足球速度为零,足球动能为零。故B错误。
D、足球从c到d的过程中,足球质量不变,高度增大,重力势能不断增大。故D错误。
故选:C。
(1)动能大小跟质量、速度有关。质量一定时,速度越大,动能越大;速度一定时,质量越大,动能越大。
(2)重力势能大跟质量、高度有关。质量一定时,高度越高,重力势能越大;高度一定时,质量越大,重力势能越大。
了解动能和势能的影响因素,根据足球的运动情况可做出判断,难度不大。
2.【答案】D
【解析】解:
A、天宫一号飞行器在进入大气层过程中,速度虽然变大,但质量因烧蚀在不断减小,所以动能不能确定;同时高度降低,重力势能一定减小,故A错误;
B、由于飞行器克服空气的摩擦阻力做功,一部分机械能转化为内能,所以其机械能减小,故B错误;
C、在整个过程中,减少的重力势能会有一部分转化为动能,不能全部转化成内能,故C错误;
D、天宫一号飞行器在进入大气层过程中,与空气发生摩擦,是通过做功的方式改变内能的,故D正确。
故选:D。
(1)动能的影响因素是质量和速度,重力势能的影响因素是质量和高度,机械能等于动能与势能的总和。结合其运动状态可做出判断。
(2)改变物体内能的方法有做功和热传递;对物体做功可将机械能转化为内能。
了解动能、重力势能、机械能的影响因素,会分析做功对机械能和内能转化的影响是解答本题的关键。
3.【答案】C
【解析】A、比热容与物质的种类、状态有关,故A错误;
B、比热容是物质的一种特性,和物体质量的大小没有关系,故B错误;
C、水的比热容较大,和其它物质比较,升高相同温度吸收的热量多,所以水比较适合作为冷却剂,故C正确;
D、比热容与物质的种类、状态有关;状态不同,比热容一般不同,故D错误。
故选:C。
比热容是物质的一种特性,与物体质量、温度高低、吸放热多少都没有关系;比热容是反映不同物质吸放热能力强弱的一个物理量。水的比热容大,说明相同质量的水和其它物质比较,吸收或放出相同的热量,水的温度升高或降低的少;升高或降低相同的温度,水吸收或放出的热量多。
此题考查的是我们对于比热容的理解,我们要知道比热容只与物质的种类和状态有关,与其它因素无关。
4.【答案】B
【解析】解:当开关S1断开、S2闭合时,两灯泡串联,电压表测电源的电压,由题意可知,电源电压U=4.5V;
当S1闭合、S2断开时,两灯泡串联,电压表测L2两端的电压,则U2=2.1V;
两开关都断开时,两灯泡串联,此时L2两端的电压U2=2.1V,
L1两端的电压:U1=U−U2=4.5V−2.1V=2.4V。
故选:B。
判断出开关不同状态时,电压表是并联在了哪个电灯的两端后,由串联电路的电压特点分析计算。
本题考查了电压表的使用和串联电路的电压的特点,分清各种情况下电路的连接方式和电压表所测的电路元件是关键。
5.【答案】B
【解析】解:物理学中规定:把正电荷定向移动的方向规定为电流的方向,避雷针的尖端不断地向空中释放电子,电子运动的方向与电流的方向相反,所以电流的方向应该是从尖端流向地面。
故选:B。
金属导体中的电流,是由自由电子的定向移动形成的,那么它的电流方向就和自由电子的定向移动方向相反。
按照定义,电流的方向与负电荷的定向移动方向相反。
6.【答案】D
【解析】解:不管捏紧左边还是右边的车闸,车尾的一盏刹车指示灯均会亮起,说明这两个开关都能控制指示灯,而且两开关互不影响,即两开关并联;
电动自行车的前后转向灯可以单独工作,所以它们是并联的。拨动扶手旁向左或向右的转向开关时,车尾只有对应一侧的转向指示灯会亮起,说明由两个开关而且一个开关控制一个灯泡,综上分析,只有D选项符合题意。
故选:D。
不管捏紧左边还是右边的车闸,车尾的一盏刹车指示灯均会亮起,可知车尾的一盏刹车指示灯由两个开关控制;
而拨动扶手旁向左或向右的转向开关时,车尾只有对应一侧的转向指示灯会亮起,说明车尾转向指示灯由两个开关分别控制;
然后根据并联电路电流有多条通路,各支路互不影响分析即可。
此题主要考查了串并联电路的区别,首先要掌握串并联电路的特点,关键是看用电器能否单独工作。
7.【答案】D
【解析】解:
由电路图可知,定值电阻R0与气敏电阻R串联,电压表测R两端的电压,电流表测电路中的电流。
由图象可知,当酒精浓度增大,R的阻值变小,电路中的总电阻变小,由I=UR可知,电路中的电流变大,即电流表的示数变大,
由U=IR可知,R0两端的电压变大,
因串联电路中总电压等于各分电压之和,且电源的电压恒定不变,
所以,R两端的电压变小,即电压表的示数变小,故AB错误;
由电压表的示数变小、电流表的示数变大可知,电流表的示数与电压表的示数的比值变大,故C错误、D正确。
故选:D。
由电路图可知,定值电阻R0与气敏电阻R串联,电压表测R两端的电压,电流表测电路中的电流;根据图象可知R的阻值随酒精浓度的变化,根据欧姆定律可知电路中电流的变化和R0两端的电压变化,根据串联电路的电压特点可知电压表示数的变化,进一步可知电压表与电流表示数的比值的变化。
本题考查了串联电路的特点和欧姆定律的应用,关键是根据图象得出R的阻值随酒精浓度的变化。
8.【答案】A
【解析】解:由电路图可知,R1与R2并联,电流表测干路电流,电压表测电源的电压,
因电源的电压不变,
所以,滑片移动时,电压表的示数不变,故BC错误;
因并联电路中各支路独立工作、互不影响,
所以,滑片移动时,通过R1的电流不变,
当滑动变阻器的滑片P向右滑动时,变阻器接入电路中的电阻变大,由I=UR可知,通过R2的电流变小;
因并联电路中干路电流等于各支路电流之和,
所以,干路电流变小,即电流表的示数减小,故A正确、D错误。
故选:A。
由电路图可知,R1与R2并联,电流表测干路电流,电压表测电源的电压,根据电源的电压可知滑片移动时电压表示数的变化,根据并联电路中各支路独立工作、互不影响可知通过R1的电流不变,根据滑片的移动可知接入电路中电阻的变化,根据欧姆定律可知通过R2电流的变化,根据并联电路的电流特点可知干路电流的变化。
本题考查了电路的动态分析,涉及到并联电路的特点和欧姆定律的应用,分清电路的连接方式和电表所测的电路元件是关键。
9.【答案】ABC
【解析】解:A、温度低的物体可能比温度高的物体内能多,因为内能的大小不但和温度有关,还和质量和状态有关。故A正确。
B、物冰熔化时,吸收热量,温度保持不变,但它的内能增加。故B正确。
C、物当物体温度升高时,分子的热运动越剧烈,则分子的动能就越大,从而物体的内能增加。故C正确。
D、热传递的条件是:有温度差;热传递的特点是:高温物体放出热量,低温物体吸收热量,热量从高温物体传给低温物体,但内能小的物体温度可能比内能大的物体温度高,因此热量也可能由内能小的物体传给内能大的物体,故D错误。
故选:ABC。
(1)一切物体都具有内能,内能的大小跟质量、温度、状态有关。
(2)当晶体熔化时,吸收热量,但温度不变,内能增加。
(3)改变物体内能的两种方式:做功和热传递。
(4)热传递的条件是有温度差。
本题主要考查学生对温度、热量与内能关系的理解。解决问题的诀窍是:物体吸热或温度升高,内能一定增大;但物体的内能增大,不一定是由物体吸热或温度升高引起的。
10.【答案】BC
【解析】解:电压表V1测量的是串联电路两端的总电压(电源电压),无论两灯发生什么故障,其示数不变;所以示数变大的电压表应该是V2的示数变大。
A、因电压表V2的示数变大,且电阻和灯泡串联,则灯L两端的电压一定会减小,所以亮度变亮是不可能的,故A不符合题意。
B、若灯L的灯丝短路,则只有电阻接入电路,V2也测量电源电压,示数会变大,故灯L可能短路,符合题意。
C、若电阻R断路,则灯泡与电压表V2串联,因电压表的内阻很大,灯泡不亮,电压表V2测电源电压,故示数会变大,所以电阻R可能断路;符合题意。
D、如果灯L断路,则电压表V2也会断路,示数为零,故灯L不能是断路,故D不符合题意。
故选:BC。
(1)分析电路图,电阻和灯泡串联,电压表V1测量的是串联电路两端的总电压(电源电压),电压表V2测量的是电阻R两端的电压。
(2)电压表V1测量的是串联电路两端的总电压(电源电压),无论两灯发生什么故障,其示数不变;所以示数变大的电压表应该是V2的示数变大,由短路和断路故障进行分析。
本题考查学生对电路的分析能力,知道测量电源电压的电压表示数不会变大;了解灯或电阻发生短路或断路时对电路的影响。
11.【答案】AD
【解析】解:
A、手机、笔记本电脑、智能电视等电子产品是利用半导体材料制成的,故A正确;
B、超导材料的电阻为零,根据焦耳定律可知,当电阻为零时,不会产生热量,所以不能利用超导材料制成电饭锅的电阻丝,但可以应用于远距离输电线,故B错误;
C、包裹金属导线的绝缘体不导电,是因为绝缘材料中几乎没有自由电子,而不是没有电子,故C错误;
D、铜的导电性能比铁的导电性能好(即铜的电阻率小),所以,家庭电路中用铜导线而不用铁导线,故D正确。
故选:AD。
(1)声音和电磁波都能传递信息;
(2)超导现象是导体零电阻现象;
(3)物质的性质决定了它的用途,物质的用途又能反映出它的性质。电阻率的大小是选择导线首先要考虑的;
(4)导体导电是因为含有大量的自由电荷,绝缘体不导电是因为几乎没有自由电荷。
本题是一道综合电磁波知识点的题目,做题时要对照相关的物理知识,仔细分析每一种情况的对错。
12.【答案】BC
【解析】解:
A、开关S1闭合,S2断开时,R0和Rx串联,电流表可以测出通过Rx的电流Ix;再S2闭合时为Rx的简单电路,不能直接或间接测量出Rx的电压,所以不能求出Rx的电阻;故A不可行;
B、开关S0闭合,S接1时电路为R0的简单电路,电流表测电路中的电流,根据欧姆定律求出电源的电压;当S接2时电路为未知电阻Rx的简单电路,电流表测通过Rx的电流Ix,根据Rx=UxIx可求出电阻,故B可行;
C、开关S1和S2都闭合时,R0被短路,电压表测量电源电压U;只闭合S1时,R0和Rx串联,电压表直接测量Rx两端的电压Ux;根据串联电路中总电压等于各分电压之和求出定值电阻两端的电压U0=U−Ux,根据I0=U0R0求出通过定值电阻的电流即为通过Rx电流,根据Rx=UxIx求出电阻,故C可行;
D、开关S0闭合,S接1时和S接2时会造成电压表V的正负接线柱接反,无法正确测出电压,故D不可行.
故选BC.
利用电压表和电流表,结合串、并联电路电流和电压特点以及欧姆定律,直接或间接得出被测电阻两端的电压和电流,根据Rx=UxIx求出电阻,并且要注意电表正负接线柱的连接.
本题考查了电阻的测量,要注意伏安法测电阻的原理为欧姆定律,一定要直接或间接测出电阻两端的电压和通过电阻的电流为目的,然后可由欧姆定律求得电阻的阻值.
13.【答案】减小 不变 大 从海面吹向陆地
【解析】解:实心球从最高点到落地点的过程中,质量不变,速度增大,高度降低,所以动能变大,势能变小,重力势能转化为动能。由于不计空气阻力,球的机械能是守恒的,保持不变。
因为水的比热容比泥土、沙石的比热容大,白天,在太阳照射下陆地和海水吸收相同的热量,海水温度上升慢;陆地吸热后,温度上升快,热空气上升,风从海洋吹向陆地,形成海风;同样的道理,夜晚的风向则正好相反。
故答案为:减小;不变;大;从海面吹向陆地。
影响动能的影响因素是物体的质量和物体运动的速度,影响重力势能的因素是物体的质量和物体的高度,其中动能和势能统称为机械能。在分析各个能量的变化时,根据各自的影响因素进行分析。
根据水的比热容比泥土、沙石的比热容大的特点来分析海陆风和陆海风的形成过程,进一步判断风向的特点。
能根据本题中所描述的抛出情况,结合动能和重力势能的影响因素,判断球的动能、重力势能的变化是解答的关键。
14.【答案】扩散 剧烈 斥力 增大 做功
【解析】解:向热汤中滴入香油,散发出浓浓的香味,这种现象叫扩散现象。温度越高,香味散发的更快些;这说明温度越高,分子的热运动越剧烈;
分子间存在斥力,固体分子间距离较小,所以固体和液体很难被压缩;
运动员的质量不变,速度变大,动能变大;
由于冰刀与冰面摩擦,冰刀的温度升高,这是通过做功的方式增加了冰刀的内能。
故答案为:扩散;剧烈;斥力;增大;做功。
物质是由分子组成的,组成物质的分子不停地做无规则运动,物体温度越高,分子运动越剧烈;构成物质的分子间有间隙,分子间存在相互作用的引力和斥力;
影响动能大小的因素是速度和质量;通过摩擦的方法使物体内能增加的都属于以做功的方式改变内能。
本题考查扩散现象此题应用生活常见现象考查了分子动理论的应用,以及能量的转化是一道基础题。
15.【答案】b和c ;镍铬合金丝
【解析】解:
(1)顺时针旋转旋片时,灯泡变亮,原因是电流变大,电源电压不变,根据欧姆定律可知:电路中电阻变小,则应连接接线柱b、c与灯泡串联后接入电路。
(2)在长度和粗细都相同的情况下,镍铬合金丝的电阻大,这样在移动滑片改变相同的长度时,镍铬合金丝的阻值会有明显的变化,起到明显改变电阻的目的,而用铜丝制作的话,起不到明显改变电阻的目的。
故答案为:b和c;镍铬合金线。
(1)滑动变阻器与灯泡串联,顺时针旋转旋片可以使灯泡亮度增加,则电流变大,电阻变小,据此确定连接方法;
(2)在长度和粗细都相同的情况下,镍铬合金丝的电阻大,这样在移动滑片改变相同的长度时,镍铬合金丝的阻值会有明显的变化。
本题考查了变阻器的连接方法以及变阻器电阻丝的材料特点,属于基础题目。
16.【答案】2.56×1010J;热值大 ;污染小
【解析】解:
(1)1m3的“可燃冰”相当于的天然气的体积为:V=1×160m3=160m3,
完全燃烧5立方米可燃冰产生热量:;
(2)1立方米可燃冰相当于160立方米的天然气,与传统燃料相比,可燃冰的优点是热值大、污染小。
故答案为:2.56×1010J;热值大;污染小。
(1)根据完全燃烧1m3的“可燃冰”释放的能量与160m3天然气相当可求得完全燃烧5m3的“可燃冰”所放出的热量;
(2)可燃冰燃烧的生成物中有害气体少,污染小;热值大。
此题围绕可燃冰展开,考查有关可燃冰的知识。
17.【答案】灯泡亮度 电流表
【解析】解:(1)将不同的导体分别接到A,B之间,闭合开关,可通过观察、比较灯泡亮度来判断不同导体电阻的大小;电阻越大则灯泡越暗。
(2)若两个导体的电阻差异不大,灯泡亮度变化微弱;则可以在电路中串联电流表,根据电流表示数大小来判断电阻的大小,电流表示数越小则电阻越大;
故答案为:灯泡亮度;电流表。
(1)电阻表示导体对电流的阻碍作用,电阻越大则电流越小;
(2)转换法是物理实验常用的方法之一;电阻大小可通过灯泡的亮度或电流表示数大小来体现
明确电阻是导体的一种特性,以及转换法在此实验中的应用,是解答此题的关键。
18.【答案】12120.615
【解析】解:(1)由欧姆定律可得,导体的电阻:R=UI=6V0.5A=12Ω;
电阻是导体的一种特性,当不加电压时电阻不变,还是12Ω;
(2)两只定值电阻串联时,
因串联电路中各处的电流相等,且I1=1A,I2=0.6A,
所以,电路中允许通过的最大电流I=I2=0.6A,
因串联电路中总电阻等于各分电阻之和,
所以,电路中的总电阻:
R=R1+R2=10Ω+15Ω=25Ω,
由I=UR可得,电路两端允许加的最大电压:
U′=IR=0.6A×25Ω=15V。
故答案为:12;12;0.6;15。
(1)知道U、I,根据欧姆定律可以求R,当两端电压变大时,通过的电流变大,但电阻不变;
(2)两电阻串联时通过它们的电流相等,电路中的最大电流为两者允许通过最大电流中较小的,根据电阻的串联求出电路中的总电阻,利用欧姆定律求出电路两端允许加的最大电压。
本题考查了电阻是导体一种特性、串联电路的特点和欧姆定律的应用,要注意两电阻串联时电路中的最大电流为两者允许通过最大电流中较小的。
19.【答案】1:1 3:2
【解析】解:由电路图可知,R1与R2并联,电流表A1测干路电流,电流表A2测R2支路的电流,
因并联电路中各支路两端的电压相等,
所以,R1与R2两端的电压之比为U1:U2=1:1;
因并联电路中干路电流等于各支路电流之和,
所以,通过两电阻的电流之比:
I1I2=IA1−IA2IA2=5−33=23,
由I=UR可得,两电阻的阻值之比:
R1R2=U1I1U2I2=I2I1=32。
故答案为:1:1;3:2。
由电路图可知,R1与R2并联,电流表A1测干路电流,电流表A2测R2支路的电流,根据并联电路的电压特点可知两电阻两端的电压之比,根据并联电路的电流特点求出通过两电阻的电流之比,根据欧姆定律求出两电阻的阻值之比。
本题考查了并联电路的特点和欧姆定律的应用,是一道较为简单的应用题。
20.【答案】短路 6
【解析】解:开关闭合时,灯泡不发光,说明电路断路或灯泡短路,因为电压表示数为0,说明灯泡短路或电阻R断路;
当开关断开时,灯仍不发光,但电压表示数为6V,说明电压表的正负接线柱与电源正负极之间连接是连通的,说明电阻R没有断路,所以故障只能是灯泡L短路;开关断开时,电压表与电阻R串联,电压表测量的是电源电压,即电源电压为6V。
故答案为:短路;6。
开关闭合时,灯泡不发光,说明电路断路或短路,因为电压表示数为0,说明灯泡短路或电阻断路;
当开关断开时,灯仍不发光,电压表示数为6V,说明电压表的正负接线柱与电源正负极之间连接是连通的;据此判断故障的确切位置。
本题考查了学生利用电压表判断电路故障的分析能力,注意电压表等于电源电压,说明电压表的正负接线柱与电源正负极之间连接是连通的。
21.【答案】3:2;1:1
【解析】解:如果乙为电流表将会造成电源短路,如果甲为电流表L2将被短路、不能工作,
因此甲、乙都为电压表,此时灯L1、L2串联连接,电压表甲测量L2两端电压,电压表乙测量电源电压;
因串联电路中总电压等于各分电压之和,
所以,两灯泡两端的电压之比:
,
因串联电路中各处的电流相等,
所以,通过两灯泡的电流之比为1:1,
由I=UR可得,两灯泡的电阻之比:
R1R2=U1IU2I=U1U2=32。
故答案为:3:2;1:1。
根据电压表并联在电路中、电流表串联在电路中确定甲乙仪表的种类,然后根据串联电路的特点和欧姆定律求出两灯泡的电阻之比。
本题考查了电压表和电流表在电路中的作用、串联电路的特点以及欧姆定律的应用,关键是明确甲乙仪表的种类和测量对象。
22.【答案】解:要使两灯并联,从电源正极流出的电流应分别流入灯泡L1、L2,流过两灯泡中的电流应汇合共同流回负极,故与正极相连○里是电流表,中间○里是电压表,上边的○里是电流表,见下图:
【解析】电流表串联在电路中,电压表并联在电路中。要使灯L1、L2并联,必须让两灯分别在两个支路,每个灯都不能在干路。
本题需要知道电压表和电流表的使用外,还要知道电流表电阻很小,相当于导线;电压表电阻很大,相当于断路。
23.【答案】解:从正极依次连接开关、L2、L1回到电源负极,并将电压表并联灯泡L1的两端;因为电源电压为3V,故电压表量程选择0∼3V.如图所示:
【解析】由电路图可知,两灯泡串联,电压表测量灯泡L1两端的电压,开关控制整个电路。
本题考查根据电路图连接实物图,关键是明白电路中各个用电器的连接情况;连接实物图是整个初中物理的难点,也是中考必考内容。
24.【答案】解:
由分析可知,照明灯与换气扇并联,开关S1控制整个电路,开关S2控制换气扇。如下图所示:
【解析】换气扇工作时照明灯一定发光,照明灯发光时换气扇可以不工作,说明它们的连接方式是并联,其中一个开关控制整个电路,一个开关控制换气扇。
本题考查了串、并联电路的设计,关键是会根据用电器并联时可以相互不影响判断照明灯和换气扇是并联。
25.【答案】答:(1)因为组成物质的分子在永不停息的做无规则运动,因此在公共场所吃有气味的食品,食品的气味分子会运动到空气中,影响到周围的人,所以文明公民,不应该在公共场所吃有气味的食品。
(2)感觉手冷时,用热水袋取暖,是人从热水吸收热量,使人的内能增加、温度升高,是通过热传递改变了物体的内能。
(3)利用静电现象的实例:如人们利用静电可以除尘、静电复印等。
【解析】(1)不同物质的分子彼此进入对方的现象叫扩散现象,扩散现象说明了分子在永不停息的做无规则运动。
(2)改变物体内能有两种方式:做功和热传递。做功主要有摩擦生热和压缩气体做功,做功实质是能量的转化,热传递实质是热量从一个物体转移到另一个物体,或者是从一个物体的高温部分传到低温部分。
(3)静电也就是生活中摩擦起电现象产生的,例如用塑料梳子梳头发,塑料梳子和头发之间就会发生摩擦起电现象。空气干燥时,用手接触电视屏幕就会听到噼啪声,这也是摩擦起电现象。
本题考查的知识点比较多,主要考查学生对所学物理知识的综合应用能力。
26.【答案】解:
(1)水吸收的热量:
;
(2)该热水器的效率:
;
(3)若用煤燃烧来提供2.8×107J的热量,由得完全燃烧煤的质量:
。
答:(1)这段时间该热水器中的水吸收的热量是8.4×106J;
(2)这段时间该热水器的效率是30%;
(3)若用煤燃烧来提供2.8×107J的热量,需完全燃烧0.8千克煤。
【解析】(1)已知水的质量、水的初温末温,利用吸热公式计算水吸收的热量(有用能量);
(2)又热水器接收到太阳辐射的热量,该热水器的效率等于水吸收的热量与热水器接收到太阳辐射的热量之比;
(3)知道煤燃烧放出的热量,利用求需完全燃烧煤的质量。
本题考查了学生对吸热公式、燃料完全燃烧放热公式、效率公式的掌握和运用,因条件已给出,难度不大。
27.【答案】解:(1)由图示电路图可知,滑动变阻器与热敏电阻串联,电流表测电路电流,
由图乙所示图象可知,温度为20℃时,热敏电阻阻值为400Ω,
由I=UR可知,电源电压:U=I(Rt+R)=0.01A×(400Ω+100Ω)=5V;
(2)由图乙所示图象可知,温度为40℃时,热敏电阻阻值为200Ω,电路最大电流为0.02A;
由I=UR可知,电路最小电阻:,
根据串联电路总电阻等于各电阻之和可知:
滑动变阻器的最小阻值:;
(3)热敏电阻阻值越小,环境温度最高,电路电流最大为0.02A时,由I=UR可知,
,
根据串联电路总电阻等于各电阻之和可知:
,
由图乙可知其工作的最高环境温度50℃。
答:(1)将此电路放入温度为20℃的环境中,闭合开关S,调节滑片P,使滑动变阻器接入电路的电阻R=100Ω,此时电流表的读数为0.01A,电源电压为5V;
(2)若环境温度为40℃时,要保证整个电路元件的安全,滑动变阻器接入电路中的最小阻值是50Ω;
(3)此电路能测量的最高环境温度为50℃。
【解析】(1)分析清楚电路结构,由图示图象求出热敏电阻阻值,然后由欧姆定律求出电源电压。
(2)由图示图象求出热敏电阻阻值,然后应用串联电路特点与欧姆定律求出滑动变阻器的最小阻值。
(3)小量程电流表A允许通过的电流最大时,电路中的电阻最小,随着温度的升高热敏电阻Rt逐渐减小,当滑动变阻器达到最大阻值时,热敏电阻达到最小阻值,此时热敏电阻正常工作的环境温度达到最高值。
本题是一道关于图象分析和利用欧姆定律进行计算的综合题,能否根据图象分析热敏电阻的变化趋势和正确判断变阻器所处状态跟正常工作的最高环境温度之间的关系是本题的解题关键所在。
28.【答案】(1)小车;速度;木块移动的距离;
(2)恢复到原位置;
(3)在质量相同的情况下,速度越大,动能越大
【解析】解:(1)由图知,两相同小车分别从同一斜面不同高度由静止滑下,小车的质量相同,初速度不同,所以可探究动能与小车的初速度关系;
实验中通过小车推动木块移动的距离来反映动能的大小;
(2)在实验的过程中,通过木块滑动的距离来判定动能的大小,故重新实验时,应把木块恢复到原位置;
(3)由图可知,甲撞击木块移动的距离远,故结论为:在质量相同的情况下,速度越大,动能越大。
故答案为:(1)小车;速度;木块移动的距离;(2)恢复到原位置;(3)在质量相同的情况下,速度越大,动能越大。
(1)动能大小与物体的质量和速度有关,在探究过程中应用控制变量法,并通过小车推动木块做的功来反映动能的大小;
(2)在实验的过程中,通过木块滑动的距离来判定动能的大小,故重新实验时,应控制木块的初始位置相同;
(3)根据图中木块移动的距离分析。
本题是探究影响动能大小的因素的实验,由于动能大小与质量和速度有关,所以实验中要用控制变量法,同时要掌握转换法在实验中的应用。
29.【答案】质量 丙 加热时间
【解析】解:(1)为了验证甲、乙、丙三种液体吸收的热量多少与物质的种类即物质的吸热本领有关,应该控制甲、乙、丙三种液体的质量相等;
(2)由表中数据可知,甲、乙、丙三种液体质量相同,加热时间相同,即使甲、乙、丙三种液体吸收相同的热量,丙升高的温度低,说明丙的吸热能力强;
(2)探究三种液体的比热容实验时,也可以取相同质量的三种液体,用相同的电加热器加热,使三种液体升高相同的温度,比较加热时间的长短。
故答案为:(1)质量; (2)丙;(3)加热时间。
(1)解决这种多因素问题时可利用控制变量法进行分析实验,物体吸收的热量与物质的种类、温度变化和质量有关,实验中要注意控制变量;
(2)比较不同物质的吸热能力强弱,可以使相同质量的不同物质吸收相同的热量比较升高的温度,或使它们升高相同的温度,比较吸收的热量;
(3)探究物质的吸热性能大小时,必须控制物质吸收的热量相等,质量、温度变化相同比较加热时间。
本题考查了探究物质吸热能力实验,实验要应用控制变量法,正确应用控制变量法分析即可正确解题。
30.【答案】AB ② 导体的电阻与导体的材料有关 不明显 控制变量 减小 减小
【解析】解:
(1)由表知:电阻丝a与b的材料、横截面积相同而长度不同,可用a与b验证①导体的电阻与导体的长度有关;
AC两根电阻丝材料与长度相同而长度不同,可用a与c验证②导体的电阻与导体的横截面积有关;
AD两根电阻丝长度与横截面积相同而材料不同,用a与d可验证③导体的电阻与导体的材料有关;
AD两根电阻丝长度与横截面积相同而材料不同,分别将a和d两电阻丝接入电路中M、N两点间时,电流表示数不相同,由此,初步得到的结论是:长度和横截面积相同时,导体的电阻与导体的材料有关。
(2)有同学认为:可以根据灯泡亮度的变化来判断接入的电阻丝阻值的变化情况。老师指出:此实验中这种方法不可取。这是因为电源电压一定时,所选电阻丝的阻值相差太小,灯泡亮度变化不明显。
(3)在探究影响导体电阻大小的因素时,采用的是控制变量法;
(4)细的铝质输电线换成较粗的铝质输电线,导线的横截面积增大了,电阻值减小了,导线上消耗损失的电能也就减小了,从而起到节能的效果。
故答案为:(1)AB;②;导体的电阻与导体的材料有关;(2)不明显;(3)控制变量;(4)减小;减小。
(1)为了验证①导体的电阻与导体的长度有关,应保证导体的材料与横截面积相等,分析所给电阻丝,找出符合要求的电阻丝编号;编号为A、C的两根电阻丝材料与长度都相同,而横截面积不同,利用A、C可验证电阻与横截面积的关系;A、D两电阻丝长度、横截面积相等,而材料不同,利用它们可以研究导体电阻与材料的关系。
(2)电压一定时,由P=U2R可知,导体电阻变化不大时,灯泡的功率变化不大,灯泡的亮暗变化不明显,不能反映电阻变化情况。
(3)根据控制变量法分析;
(4)影响电阻大小的因素有材料、长度和横截面积,当材料和长度都一定时,导线的横截面积越大,导线的电阻值就会越小。
本题是一道实验题,考查了影响导体对电流的阻碍作用与导体的长度和横截面积的关系,解题时注意控制变量法的应用,分析实验数据,根据导体条件的不同及对应的实验数据的不同得出结论,是正确解题的前提与关键。
31.【答案】(1)试触;
(2)如图;
(3)电流表A短路;
(4)更换不同规格的灯泡。
【解析】解:(1)不能估测被测电流情况下,可先用大量程进行试触;
(2)电流从电流表的正接线柱流入,从负接线柱流出,如图:
;
(3)闭合开关,调节滑动变阻器,发现灯泡L1和L2发光、电流表A1和A2有示数,这说明支路中没有故障,干路中出现了短路现象,电流表A示数为零,则故障是电流表A短路;
(4)为了使实验结论更具科学性,普遍性,可以更换不同规格的灯泡进行实验。
故答案为:(1)试触;(2)如图;(3)电流表A短路;(4)更换不同规格的灯泡。
(1)绝不允许不经过用电器而把电流表直接接到电源的两极上,否则因为电流过大而烧坏电流表。另如不能估测被测电流情况下,可先用大量程进行试触;
(2)根据电流表的作用和电流表的连接方法连接电路;
(3)各支路都能正常工作,说明干路出现了短路现象,据此分析;
(4)为了使实验结论更具科学性,普遍性,应该通过改变电源电压或更换支路用电器的办法。
本题考查了探究并联电路电流特点的实验的操作。注意电流表的量程的选择和正负接线柱要接正确,结果要有代表性,就要用不同的规格的电灯,多做几次实验。
32.【答案】断开 A 改变导体两端电压 D 电压一定时,通过导体的电流与导体的电阻成反比 A 2 滑动变阻器的最大阻值过小 A
【解析】解:(1)将电压表并联在定值电阻两端,滑动变阻器要求一上一下连接,如图所示:
(2)连接电路时,开关应该处于断开状态,实验前滑动变阻器的滑片应位于阻值最大处即A端,滑动变阻器的作用除了保护电路外,还起到改变导体两端电压的作用;
(3)电压表有示数,说明电压表与滑动变阻器、电流表、电源是通路;
电流表没有示数,说明电流表、定值电阻、滑动变阻器中有一处是断路的;综合分析可知:电流表、滑动变阻器位置是导通的,所以应为定值电阻断路;故选D;
(4)由图丙知,电流和电阻的积为:U=IR=0.4A×5Ω=0.2A×10Ω=0.1A×20Ω=2V,故图象可以得出结论:
电压一定时,通过导体的电流与导体的电阻成反比;
(5)①根据串联分压原理可知,将定值电阻由5Ω改接成10Ω的电阻,电阻增大,其分得的电压增大;
探究电流与电阻的实验中应控制电压不变,即应保持电阻两端的电压不变,根据串联电路电压的规律可知应增大滑动变阻器分得的电压,由分压原理,应增大滑动变阻器连入电路中的电阻,所以滑片应向A端移动,使电压表的示数为2V;
②小鹏又把R换为20Ω的电阻接入电路,闭合开关,无论怎样移动滑片,电压表都不能达到所控制的电压值,是因为滑动变阻器的最大阻值过小;
电阻两端的电压始终保持2V不变,根据串联电路电压的规律,变阻器分得的电压:
,变阻器分得的电压为电压表示数的4V2V=2倍,根据分压原理,当接入20Ω电阻时,变阻器连入电路中的电阻为:
,故为了完成整个实验,应该选取最大阻值至少40Ω的滑动变阻器,即选A;
故答案为:(1)如上图;(2)断开;A;改变导体两端电压;(3)D;(4)电压一定时,通过导体的电流与导体的电阻成反比;(5)①A;2;②滑动变阻器的最大阻值过小;A。
(1)电压表并联在定值电阻两端,滑动变阻器要求一上一下连接;
(2)连接电路时,开关应断开;连接好电路后,为了保证电路安全,应将滑动变阻器滑片移至阻值的最大处;滑动变阻器的作用除了保护电路外,还起到改变导体两端电压的作用;
(3)闭合开关电流表没有示数,说明电路是断路,电压表有示数,说明与电压表串联的电路是通路;
(4)由图丙知求出电流和电阻的积,分析回答;
(5)①根据控制变量法,研究电流与电阻的关系时,需控制定值电阻的电压相同,当换上大电阻时,根据分压原理确定电压表示数的变化,由串联电路电压的规律结合分压原理确定滑片移动的方向;
②探究电流与电阻的关系,应保持电阻两端的电压不变;根据串联电路电压的规律求出变阻器分得的电压,根据分压原理,求出当接入20Ω电阻时变阻器连入电路中的电阻,确定变阻器的规格。
本题探究“电压不变时,电流与电阻的关系”,考查电路的连接、数据分析、操作过程、控制变量法、对器材的要求等知识。
33.【答案】(1)L1;1.7;
(2)细;在长度和材料相同时,横截面积越小电阻越大,分压大,更容易观察到实验现象;
(3)是;开关容易接触不良,造成电阻变大,分压增多
【解析】
【分析】
本题考查了电压表的使用和读数、影响电阻大小的因素以及探究影响“电源两端电压总大于各用电器两端电压之和”的原因等知识,其中(3)有一定的难度。
(1)电压表在使用过程中与用电器并联,电压表确定其量程与分度值,读出其示数;
(2)影响电阻大小的因素:材料、长度、横截面积、温度;
(3)开关容易接触不良,造成电阻变大,分压增多。
【解答】
(1)电压表接在CD两点,与灯泡L1并联,测量灯泡L1的电压;
闭合开关,电压表的量程为0∼3V,分度值为0.1V,则电压表的示数1.7V;
(2)在长度、材料和温度相同时,横截面积越小电阻越大,故为了能更明显地观察到导线分压的现象,需要选用较细的导线使导线的电阻大,分压多;
(3)是有必要的,开关容易接触不良,造成电阻变大,分压增多,故有必要测量开关两端的电压。
故答案为:(1)L1;1.7;(2)细;在长度和材料相同时,横截面积越小电阻越大,分压大,更容易观察到实验现象;(3)是;开关容易接触不良,造成电阻变大,分压增多。
辽宁省辽阳市2023-2024学年九年级上学期期中物理试卷: 这是一份辽宁省辽阳市2023-2024学年九年级上学期期中物理试卷,共28页。试卷主要包含了选择题,填空题,计算题,实验,综合能力题等内容,欢迎下载使用。
2023年辽宁省辽阳市灯塔市中考一模物理: 这是一份2023年辽宁省辽阳市灯塔市中考一模物理,共8页。
辽宁省辽阳市灯塔市2019-2020学年八年级下学期期末物理试题: 这是一份辽宁省辽阳市灯塔市2019-2020学年八年级下学期期末物理试题,共20页。试卷主要包含了5万吨,【答案】C,【答案】B,【答案】A,【答案】D等内容,欢迎下载使用。

