科粤版九年级上册1.2 化学实验室之旅教案
展开1.2 化学实验室之旅
1.熟悉实验室规则,了解药品的放置规律。
2.认识部分常用仪器,了解它们的用途和使用时的注意事项。
3.学会药品的取用、给物质加热等基本的实验操作。
4.熟悉实验室里取用药品的注意事项。
1.区分仪器是否能加热以及加热的方法。
2.取用、加热固体药品和液体药品的操作和区别。
3.酒精灯的使用
一、化学实验室规则
1.按指定座位就座,并保持室内安静。
2.未经许可,不得擅自动用仪器、设备及材料。
3.实验前,认真检查实验用品是否齐全,发现问题及时报告。
4.实验时,严格遵守操作规则,防止意外事故发生。
5.细心观察实验现象,作好实验记录,写好实验报告。
6.爱护仪器,节约药品,保持实验室整洁。
7.实验完毕,按要求做好清洁卫生工作。
化学药品柜 化学实验室
二、实验室安全知识
1.药品或仪器的安全知识
(1)使用浓酸、浓碱等强腐蚀性药品时,必须特别小心,防止皮肤或衣物被腐蚀。实验中要特别注意保护眼睛,万一眼睛里溅进了稀酸或稀碱溶液,要立即用水冲洗(切不可用手揉眼睛),必要时请医生治疗。
(2)烫伤时,立即用水冲洗烫伤处,再涂上烫伤膏;割伤时,要立即进行消毒、包扎处理。
(3)万一洒出的酒精在桌面上燃烧起来,应立即用湿布盖灭。
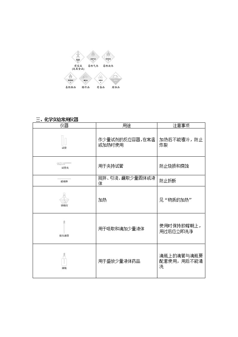
2.实验室各类安全标识
实验室里的药品有的有毒性、有的有腐蚀性,要熟知下列各种标识(如下图所示)。
三、化学实验常用仪器
仪器 | 用途 | 注意事项 |
作少量试剂的反应容器,在常温或加热时使用 | 加热后不能骤冷,防止炸裂 | |
用于夹持试管 | 防止烧损和腐蚀 | |
搅拌、引流、蘸取少量固体或液体 | 防止折断 | |
加热 | 见“物质的加热” | |
用于吸取和滴加少量液体 | 使用时保持胶帽朝上,用过后应立即洗净 | |
用于盛放少量液体药品 | 滴瓶上的滴管与滴瓶要配套使用,用后不能清洗 | |
固定和支持仪器 | 防止水或有腐蚀性的药品接触铁架 | |
作配制溶液和较多量试剂的反应容器,在常温或加热时使用 | 加热时应放置在石棉网上,使受热均匀 | |
用于量取一定体积的液体 | 不能加热,不能做反应容器 | |
收集或贮存少量气体 | 与磨砂玻璃片配套使用 | |
作较多量试剂的反应容器,在常温或加热时使用 | 加热时需要垫上石棉网 | |
用于取用小颗粒或粉末状固体药品 | 用后立即用纸擦拭干净 | |
用于过滤 | 防止下端玻璃管折断 |
四、实验基本操作
1.药品的取用
(1)药品取用规则
①药品取用的“三不”原则
不能用手接触药品,不要把鼻孔凑到容器口去闻药品(特别是气体)的气味,不得尝任何药品的味道。[来源:Z。xx。k.Com]
怎样闻气体的气味呢?
用手轻轻地在瓶口扇动,仅使少量的气体飘入鼻孔。
闻气体时的正确操作
②药品的用量原则
以节约少取为原则,未说明用量的情况下,液体1~2 mL,固体只需盖满试管的底部。
③剩余药品的处理原则
“三不一指定”:剩余药品不能放回原瓶,不能随意丢弃,更不能拿出实验室,要放入指定的容器内。
(2)固体药品的取用
固体药品一般存放在广口瓶中,取用固体药品一般用药匙或纸槽,有些块状药品可以用镊子夹取。
①取用粉末状固体药品
先使试管平放,把盛有药品的药匙或纸槽小心地送入试管底部,然后使试管直立起来,让药品全部落到底部(如下图所示)。
取固体粉末时要“一斜二送三直立”。
②取用块状的药品或密度较大的金属颗粒
把容器平放,把药品或金属颗粒放入容器口以后,再把容器慢慢地竖立起来,使药品或颗粒缓缓地滑到容器底部,以免打破容器底部(如下图所示)。
取块状固体时要“一横二放三慢竖”。
(3)液体药品的取用
液体药品通常放在细口瓶里,取用液体药品一般采用倾倒法、滴加法或量取法。
①倾倒液体药品
先把瓶塞取下,倒放在桌面上(防止药品被污染),然后一手拿起瓶子(注意瓶上的标签应向着手心,以免倒完药品后,残留在瓶口的药液流下来,腐蚀标签),另一手略倾斜地把试管持好。然后使瓶口紧挨着试管口,把液体缓缓地倒入试管里。最后盖紧瓶塞,把瓶子放回原处,并注意使瓶上的标签向外(如下图所示)。
操作要点:
瓶塞倒放口对口,斜倒缓流签向手,轻刮残液塞紧塞,放回原处签朝外。
②用滴管吸取和滴加少量液体
取液后的滴管,应保持橡胶胶帽在上,不能平放或倒持,防止液体倒流,沾污试剂或腐蚀橡胶胶帽。用过的滴管要立即用清水冲洗干净(滴瓶上的滴管不能用水冲洗),以备再用。严禁用未经清洗的滴管再吸取其他液体。向容器里滴加试剂时,要保持滴管竖直在容器口上方,不可把滴管伸入容器内,防止污染试剂或滴管(如下图所示)。
胶头滴管使用时,要注意:“先挤后取悬空滴,不可伸入不可触,取液不平不倒置(或竖直悬空四不要)”。
③用量筒量取用一定量的液体药品
a.操作方法:先用倾倒法倒入液体接近刻度时,改用胶头滴管逐滴滴加直至刻度线;
b.读数时,量筒必须放平,视线与量筒内液体凹液面的最低处保持水平(如下图所示)。
使用量筒时,要“先倒后滴至刻度,平放平视最低处”。
2.给物质加热
酒精灯的火焰分为外焰、内焰和焰心三部分(如下图所示),给物质加热时,应用外焰加热,因为外焰温度最高。
注意区分哪些仪器可以加热,以及加热的方法。
①直接加热仪器:试管、蒸发皿;
②需垫石棉网才能加热的仪器:烧杯、烧瓶、锥形瓶。
③不能加热仪器:集气瓶、水槽、漏斗、量筒、滴瓶等。
(1)酒精灯的使用
①禁止向燃着的酒精灯里添加酒精;
②禁止用酒精灯引燃另一酒精灯;
③熄灭时要用灯帽盖灭,不可用嘴吹。
在使用酒精灯时,要用火柴点燃酒精灯。向灯内添加酒精时,不能超过酒精灯容积的三分之二。
(2)给试管中的固体加热
①试管要用试管夹夹持或固定在铁架台的铁架上,夹于试管中上部,试管口略向下倾斜;
②预热(可移动酒精灯);
③对准试管内被加热的物质加热;
(3)给试管中的液体加热
①试管要用试管夹夹持于试管中上部,试管口与桌面呈45°角,试管口不能对着自己和有人的地方,液体体积不能超过试管容积的1/3;
②预热;
③集中在液体部位加热,还要不时地移动试管。
注意:①用试管夹夹持试管时,要从试管底向上套,夹持在试管的中上部,取下时逆向退出,以免污染试管内的药品。
②加热试管时,一定要使试管受热均匀,以免试管炸裂。
a.试管外壁有水,擦干后再加热;
b.加热时试管不能接触灯芯;
c.烧得很热的试管,不能立即用冷水冲洗(骤冷)。
d.给固体加热时,试管口要略向下倾斜。
3.量筒的使用
(1)量筒的选择:遵循“一次性、最大量程与液体体积接近”的原则,即选取能一次量取全部液体最小规格的量筒。
(2)量筒在使用时分两种情况:
①给定体积的液体,读取数值,液面固定。
a.俯视读数:读数>实际液体体积
b.仰视读数:读数<实际液体体积
②量取一定量的液体,刻度固定。
a.俯视读数:量取的液体体积<要量取的液体体积
b.仰视读数:量取的液体体积>要量取的液体体积
4.玻璃仪器的洗涤
(1)洗净标准:仪器内壁附着的水既不聚成小滴,也不成股流下。
(2)操作要点:以试管为例,先将试管内废液倒入废液缸,注入半试管水,振荡后倒掉,再注水,反复数次;内壁附有不易洗掉的物质时,用试管刷轻轻旋入,刷时转动或上下移动刷子,切勿用力过猛。刷后再清洗。
化学九年级上册1.2 化学实验室之旅公开课教学设计: 这是一份化学九年级上册1.2 化学实验室之旅公开课教学设计,共4页。教案主要包含了知识与技能,过程与方法,情感态度与价值观等内容,欢迎下载使用。
化学九年级上册1.2 化学实验室之旅获奖教学设计: 这是一份化学九年级上册1.2 化学实验室之旅获奖教学设计,共5页。教案主要包含了知识与技能,过程与方法,情感态度与价值观等内容,欢迎下载使用。
科粤版九年级上册1.2 化学实验室之旅教学设计: 这是一份科粤版九年级上册1.2 化学实验室之旅教学设计,共7页。教案主要包含了药品的取用原则,固体药品的取用,液体药品的取用,根据下列仪器回答问题等内容,欢迎下载使用。

