人教版八年级物理上册 专项练习(6)探究凸透镜成像的规律
展开(6)探究凸透镜成像的规律
一、实验题
1.在用光具座研究凸透镜成像规律的实验中:
(1)测量凸透镜的焦距,如图,该凸透镜的焦距为______cm。
(2)将蜡烛、凸透镜、光屏依次从左向右放在光具座上。点燃蜡烛后,调节烛焰、凸透镜、光屏的中心大致在______,目的是______。
(3)当烛焰距凸透镜30 cm时,移动光屏可在光屏上得到一个清晰的倒立实像。生活中使用的______就是利用这一成像规律工作的(填一光学仪器)。
(4)在(3)中移动光屏成清晰像后,拿走光屏,再将蜡烛放在光屏位置处,则此时光屏应放在原来蜡烛的位置才能成清晰的像,此现象说明凸透镜的光路是______的。
(5)在此实验中,如果无论怎样左右移动光屏,在光屏上都不能呈现烛焰的像,可能的原因是:①______;②______。
2.小明用如图所示的装置探究凸透镜成像的规律,已知凸透镜的焦距为10 cm。
(1)仪器摆放时,在实验桌上由左到右依次是________、________和光屏,点燃蜡烛后调整高度,使它们的中心跟蜡烛火焰中心大致在________。
(2)蜡烛、光屏和凸透镜在光具座上的位置如图所示,光屏上成清晰的像(像未画出),该像为倒立、________(选填“放大”或“缩小”)的实像,生活中的________(选填“照相机”“投影仪”或“放大镜”)利用了这个成像原理。
(3)保持蜡烛与光屏在光具座上的位置不动,应将凸透镜移到光具座________cm刻线处,光屏上会再次出现清晰倒立、________(选填“放大”或“缩小”)的实像。
(4)移动蜡烛至45 cm刻度处,移动光屏并观察屏上________(填“成像”或“不成像”)。
(5)将凸透镜重新移到如图所示的位置,若将一个近视眼镜的镜片放在蜡烛和凸透镜之间,发现光屏上的像变模糊了,这时应向________(选填“左”或“右”)移动光屏,才能在光屏上重新出现清晰的像。
(6)小明在光具座70 cm刻线处又放置一个相同的凸透镜,取走光屏。在这两个凸透镜右侧通过凸透镜也可以观察到蜡烛所成的像,生活中的________(选填“显微镜”或“望远镜”)利用了这个成像原理。
(7)小明突然发现镜头上有一只小虫子,请你分析:光屏上将________(“出现”或“不出现”)小虫子的像。
(8)实验完成后小明与同学们交流后有的同学提出用LED灯代替蜡烛,该做法的优点是________________。
3.小明利用如图(a)所示的器材做“探究凸透镜成像规律”的实验。
(1)实验前,应先将烛焰、凸透镜和光屏的中心调节到同一水平高度。小明按要求调好后,将蜡烛放在2倍焦距以外,为了能找到凸透镜成像时像的位置,需要对光屏进行的操作是:________,直到光屏上呈现清晰的像。
(2)由于实验时间较长,烛焰的像即将超出光屏的上边缘,这时可以向上移动________(选填“蜡烛”“凸透镜”或“光屏”),再次使像呈现在光屏中央。
(3)小明摘下眼镜放到凸透镜前,光屏上呈现清晰的像,如图(b)所示。拿走眼镜,需将光屏向凸透镜方向移动,才能在光屏上再次呈现清晰的像,说明小明戴的眼镜对光有________(选填“会聚”或“发散”)作用。此实验中,光屏相当于人眼睛构造中的________。
4.在探究“凸透镜成像规律”的实验中。
(1)如图甲,平行光正对着凸透镜照射,光屏上出现一个最小、最亮的光斑,则凸透镜的焦距________cm;
(2)如图乙,此时光屏上呈现清晰的像(像未画出),若保持凸透镜位置不变,将蜡烛和光屏的位置互换,则光屏上________(选填“能”或“不能”)再次呈现清晰的像;
(3)如图丙,保持蜡烛位置不变,移动透镜至16 cm刻度线处,则人眼在图中________处能观察到蜡烛的像;
(4)实验过程中,如果用不透明的硬纸板挡住凸透镜的上半部分,则光屏上________。
A.只出现烛焰像的上半部分
B.只出现烛焰像的下半部分
C.出现烛焰完整的像,但像更小了
D.出现的像仍然是完整的,且大小不变,只是变暗了
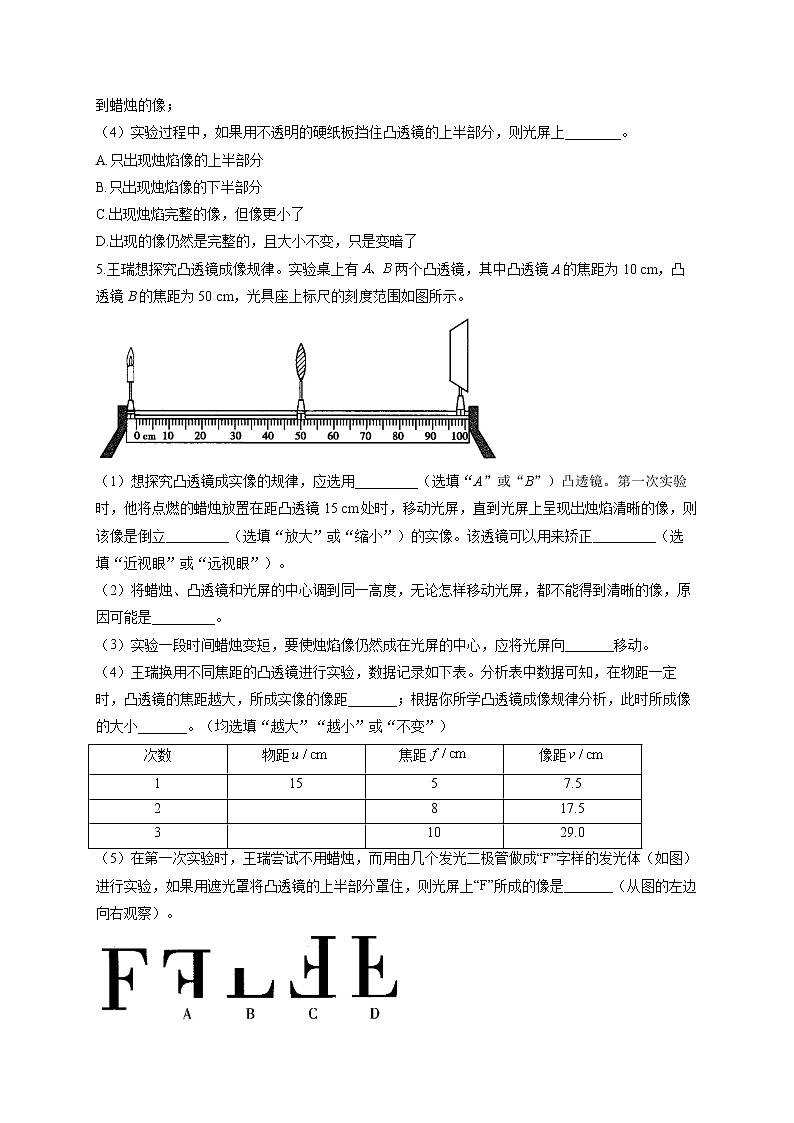
5.王瑞想探究凸透镜成像规律。实验桌上有两个凸透镜,其中凸透镜A的焦距为10 cm,凸透镜B的焦距为50 cm,光具座上标尺的刻度范围如图所示。
(1)想探究凸透镜成实像的规律,应选用_________(选填“A”或“B”)凸透镜。第一次实验时,他将点燃的蜡烛放置在距凸透镜15 cm处时,移动光屏,直到光屏上呈现出烛焰清晰的像,则该像是倒立_________(选填“放大”或“缩小”)的实像。该透镜可以用来矫正_________(选填“近视眼”或“远视眼”)。
(2)将蜡烛、凸透镜和光屏的中心调到同一高度,无论怎样移动光屏,都不能得到清晰的像,原因可能是_________。
(3)实验一段时间蜡烛变短,要使烛焰像仍然成在光屏的中心,应将光屏向_______移动。
(4)王瑞换用不同焦距的凸透镜进行实验,数据记录如下表。分析表中数据可知,在物距一定时,凸透镜的焦距越大,所成实像的像距_______;根据你所学凸透镜成像规律分析,此时所成像的大小_______。(均选填“越大”“越小”或“不变”)
次数 | 物距 | 焦距 | 像距 |
1 | 15 | 5 | 7.5 |
2 |
| 8 | 17.5 |
3 |
| 10 | 29.0 |
(5)在第一次实验时,王瑞尝试不用蜡烛,而用由几个发光二极管做成“F”字样的发光体(如图)进行实验,如果用遮光罩将凸透镜的上半部分罩住,则光屏上“F”所成的像是_______(从图的左边向右观察)。
6.安安和康康在老师的指导下完成了“探究凸透镜成像规律”的实验,实验所用凸透镜的焦距.他们把凸透镜固定在光具座上50 cm刻度线处,调节蜡烛的烛焰、凸透镜和光屏的中心在同一高度.
(1)如图甲所示,若此时他们想在实验中能用光屏承接到烛焰的实像,光屏应在________(选填“50~60 cm”“60~70 cm”或“70~100 cm”)范围内移动.
(2)他们保持凸透镜的位置不变,把蜡烛放在30 cm刻度线处,调整光屏到透镜的距离,则在光屏上看到了烛焰________(选填“放大”“缩小”或“等大”)、倒立的像.
(3)他们想模拟投影仪的成像原理,康康应在步骤(2)的基础上将蜡烛向________(选填“靠近”或“远离”)凸透镜的方向移动,然后调节光屏的位置,使烛焰在光屏上成清晰的像.
(4)他们保持凸透镜的位置不变,同时取下光屏,直接用眼睛观察凸透镜成像的各种情况.康康移动蜡烛使它从零刻度线处逐渐靠近凸透镜,同时安安从透镜的右侧透过透镜观察烛焰的像,如图乙是安安整理并记录的看到的像的情况,根据你所学的知识,判断最先看到的像的编号是________(选填代表像编号的数字).
(5)请在图丙中完成从烛焰发出的一束光通过透镜的光路.
7.小华用自制的水凸透镜(当向水凸透镜里注水时焦距变小,抽水时焦距变大)来探究“凸透镜成像规律”.
(1)如图甲所示,让一束平行于主光轴的光射向水凸透镜,在光屏上出现一个最小最亮的光斑,则此水凸透镜的焦距为______cm.
(2)小华将蜡烛、水凸透镜和光屏调整至图乙所示的位置时,光屏上出现清晰的烛焰像,它的成像原理与______ (照相机/幻灯机/放大镜)的相同,小华接着在蜡烛和光屏位置都不变的情况下,将水凸透镜移至光具座______cm刻度处,再次得到清晰的烛焰像.然后,小华利用注射器从水凸透镜中向外抽少许水,光屏上原来清晰的像变得模糊不清,小华要想重新得到清晰的烛焰像,在蜡烛和水凸透镜的位置都不变的情况下,应将光屏向______(远离/靠近)水凸透镜的方向移动.
(3)若在图乙中烛焰和水凸透镜之间放一片远视眼镜的镜片,则将光屏向______(左/右)移动才能再次看到清晰的像.
(4)将蜡烛移至1倍焦距与2倍焦距之间某处,光屏上成清晰的像.设想烛焰中心以1 cm/s的速度垂直于光具座向下运动,光屏上的像______(向上/向下)移动,移动的速度______ (大于/小于/等于)l cm/s.
参考答案
1.答案:(1)10.0
(2)同一高度;使烛焰的像成在光屏的中心
(3)照相机
(4)可逆
(5)①蜡烛恰好放到焦点上;②蜡烛与凸透镜间的距离小于焦距
解析:(1)由图可知,焦点到透镜的距离即焦距,为10.0 cm;
(2)在做实验的过程中,调整凸透镜和光屏的高度,使烛焰、凸透镜和光屏三者中心大致在同一高度,是为使烛焰的像成在光屏的中心;
(3)当物距为30 cm时,物距大于二倍焦距,此时凸透镜成倒立、缩小的实像,照相机就是利用这个原理制成的;
(4)当时,光屏上成倒立、缩小的实像,如果蜡烛和光屏互换位置,光屏上会得到倒立、放大的实像,说明凸透镜的光路是可逆的;
(5)烛焰、凸透镜和光屏三者的中心若不在同一高度上,所成的像有可能不能呈现在光屏上;从成像规律上考虑:若蜡烛恰好放在焦点上,则不会成像;放在焦点以内,则会成正立、放大的虚像,虚像不会呈现在光屏上。故有以下几种可能:蜡烛恰好放到焦点上;蜡烛与凸透镜间的距离小于焦距;凸透镜、光屏与烛焰三者中心不在同一高度上;光具座不够长。
2.答案:(1)蜡烛;凸透镜;同一高度
(2)缩小;照相机
(3)35;放大
(4)不成像
(5)右
(6)望远镜
(7)不出现
(8)实验现象更明显、便于观察、减少了污染等
解析:(1)探究凸透镜成像的实验时,在桌面上依次放蜡烛、凸透镜和光屏,三者在同一条直线上,三者的中心大致在同一高度,这样做的目的是使像成在光屏的中央;
(2)凸透镜的焦距是10 cm,由图可知,物距,成倒立、缩小的实像,照相机就是利用这一成像规律工作的;
(3)由图可知,物距,像距;蜡烛与光屏在光具座上的位置不动,要在光屏上再次得到清晰的像,此时的像距(即此时的像距与原来的物距相等),根据光路的可逆性,此时的物距,所以此时蜡烛的位置在处,蜡烛位于1倍焦距和2倍焦距之间,所以成倒立、放大的实像,投影仪或幻灯机就是利用此原理制成的;
(4)移动蜡烛至45 cm刻度处,物距小于焦距,成正立、放大的虚像,虚像不能成在光屏上,移动光屏并观察屏上没有像;
(5)若在蜡烛和凸透镜之间合适的位置放一个近视眼镜,使光线发散,为了使光屏上重新呈现清晰的像,光屏应向右移动;
(6)小明在光具座70 cm刻线处又放置一个相同的凸透镜,取走光屏,根据望远镜中物镜的作用是使远处的物体成倒立、缩小的实像,这个倒立、缩小的实像正好落在目镜焦距内的位置,目镜的作用相当于一个放大镜,这个实像经过目镜成一个正立、放大的虚像;
(7)小虫子的位置在1倍焦距之内,成的是正立、放大的虚像,虚像不能被光屏接收,所以在照片上看不到小虫子的像;
(8)蜡烛换成LED灯的优点:实验现象更明显、便于观察、减少了污染等。
3.答案:(1)来回移动光屏
(2)蜡烛(或光屏)
(3)发散;视网膜
解析:(1)将蜡烛放在2倍焦距以外,此时成的是倒立、缩小的实像,像距在一倍焦距和二倍焦距之间,需要来回移动光屏,直到光屏上呈现清晰的像;
(2)由于蜡烛的燃烧,烛焰的高度逐渐降低,根据光线过光心不改变方向,光屏上的像将向上移动,要使像继续成在光屏中央,可以使蜡烛向上移动,或凸透镜向下移动,或光屏向上移动;
(3)摘下眼镜放到凸透镜前,光屏上呈现清晰的像,拿走眼镜,需将光屏向凸透镜方向移动,才能在光屏上再次呈现清晰的像,这表明放上该眼镜时,像推迟会聚,即该眼镜对光线具有发散作用,是凹透镜,凹透镜可以矫正近视眼;此实验中,光屏是接收像的,相当于人眼睛构造中的视网膜。
4.答案:(1)10.0
(2)能
(3)B
(4)D
解析:(1)由图甲可知凸透镜的焦距;
(2)因焦距为10 cm,物距为15 cm,物距在一倍焦距与二倍焦距之间,烛焰可在光屏上成清晰、放大、倒立的实像;若保持凸透镜位置不变,将蜡烛和光屏的位置互换,光屏上成倒立、缩小的清晰实像;
(3)保持蜡烛位置不变,移动透镜至16 cm刻度线处,此时,凸透镜成正立、放大的虚像,虚像与物体同侧,所以应从B处观察;
(4)烛焰上的某一点发出的无数条光线经过凸透镜后成像在光屏上,当遮住凸透镜的上半部分时,烛焰发出的光线被挡住了一部分,但仍有光线通过凸透镜的下半部分而照在光屏上成像,像的大小不变,只不过是通过的光线减少,像的亮度变暗。
5.答案:(1)A;放大;远视眼
(2)物距小于焦距,像是虚像
(3)上
(4)越大;越大
(5)C
解析:(1)当研究凸透镜成像规律:,成倒立、缩小的实像时,像距,那么如果使用B透镜,则光具座不够长,因此使用A凸透镜;第一次实验时,他将点燃的蜡烛放置在距凸透镜15 cm处时,此时物距大于1倍焦距小于2倍焦距,成倒立、放大的实像,移动光屏,就会呈现出烛焰清晰的倒立、放大的实像,凸透镜有会聚作用,可以矫正远视眼;
(2)蜡烛、凸透镜和光屏的中心调到同一高度,仍不能得到清晰的像,这说明此时成的是虚像或者物距小于焦距;
(3)蜡烛燃烧变短,所以像成在了光屏的上方,为了使像仍成在光屏中央,可以将物体向上移动或将凸透镜向下移动或将光屏向上移动;
(4)由表格中数据可知,物距一定,凸透镜的焦距在增大,成像的像距也在增大,根据凸透镜成像的规律,在换用焦距更大的凸透镜时,其实是减小了物距,所以像距增大,成的像也会更大;
(5)用遮光罩将凸透镜的上半部分罩住,只能影响像的亮暗,不影响像的性质,光源“F”放在15 cm处,物距处于1倍和2倍焦距之间,成倒立、放大的实像,与原物体相比,上下颠倒、左右相反,故选C。
6.答案:(1)60~70 cm
(2)等大
(3)靠近
(4)1
(5)如图所示.
解析:(1)凸透镜的焦距:,如题图,物距:,所以光屏在60~70 cm,光屏上出现清晰的像;
(2)保持凸透镜位置不变,把蜡烛放在30 cm刻度线处,物距时,成倒立、等大的实像;
(3)凸透镜成像时,时,成倒立、放大的实像,应用于投影仪,所以蜡烛要从30 cm刻度线处靠近凸透镜,使蜡烛在30~40 cm刻度线之间移动,所以蜡烛靠近凸透镜;
(4)康康移动蜡烛使它从零刻度线处逐渐靠近凸透镜,会依次经过成倒立、缩小的实像,成倒立、等大的实像,成倒立、放大的实像,成正立、放大的虚像,又因为探究凸透镜成像时,撤去光屏,眼睛在光屏一侧透过凸透镜观察蜡烛,可以看到实像,也可以看到虚像,所以眼睛依次看到倒立缩小的实像、倒立等大的实像、倒立放大的实像、正立放大的虚像,故选1;
(5)光线过焦点,经凸透镜折射后跟主光轴平行。
7.答案:(1)10.0(或10)
(2)照相机;25;远离
(3)左
(4)向上;大于
【13】人教版九年级物理中考复习:实验探究凸透镜成像的规律专项训练【含答案】: 这是一份【13】人教版九年级物理中考复习:实验探究凸透镜成像的规律专项训练【含答案】,共3页。
中考物理实验探究凸透镜成像的规律专项练习: 这是一份中考物理实验探究凸透镜成像的规律专项练习,共12页。试卷主要包含了单选题,多选题,填空题,实验探究题,计算题等内容,欢迎下载使用。
初中物理人教版八年级上册第四章 光现象综合与测试课后复习题: 这是一份初中物理人教版八年级上册第四章 光现象综合与测试课后复习题,文件包含专题13光学实验二探究凸透镜成像的规律解析版docx、专题13光学实验二探究凸透镜成像的规律原卷版docx等2份试卷配套教学资源,其中试卷共27页, 欢迎下载使用。

