人教版九年级全册第2节 家庭电路电流过大的原因优秀课时作业
展开
19.2家庭电路中电流过大的原因同步练习人教版初中物理九年级全一册
一、单选题(本大题共10小题,共20.0分)
1. 如图为家庭部分电路示意图,正常发光的电灯突然熄灭,检查保险丝发现完好,再用试电笔先后检测插座的两孔,氖管均发光。由此判断电路故障的原因可能是( )
A. 插座短路 B. 进户的火线断路
C. 进户的零线断路 D. 电灯的灯丝断路
2. 如图所示是现在一般标准住宅户内配电系统方框图。下列说法错误的是( )
A. 若空调正常工作,插座中有两孔使试电笔的氖管发光,可能是某处零线断路了
B. 从安全角度考虑,空气开关应该装在序号为①②的位置,漏电保护器应该装在序号为③④的位置
C. 当站在大地上的人不小心触摸到三孔插座右孔火线时,漏电保护器会迅速切断电流
D. 若空气开关“跳闸”,可能是火线与零线碰在一起发生短路造成的
3. 晚上,某同学家正在工作着的用电器都在正常工作。当他将台灯的插头插入某插座,闭合开关后,家里所有用电器都停止工作,则可能是( )
A. 该插座原来已经短路 B. 台灯灯泡处短路
C. 台灯的插头处短路 D. 台灯开关处短路
4. 下列情况会造成家庭电路中的“空气开关”自动“跳闸”的是( )
A. 开关中的两个线头相碰 B. 双孔插座中的两个线头相碰
C. 灯泡灯丝断了 D. 插头和插座接触不良
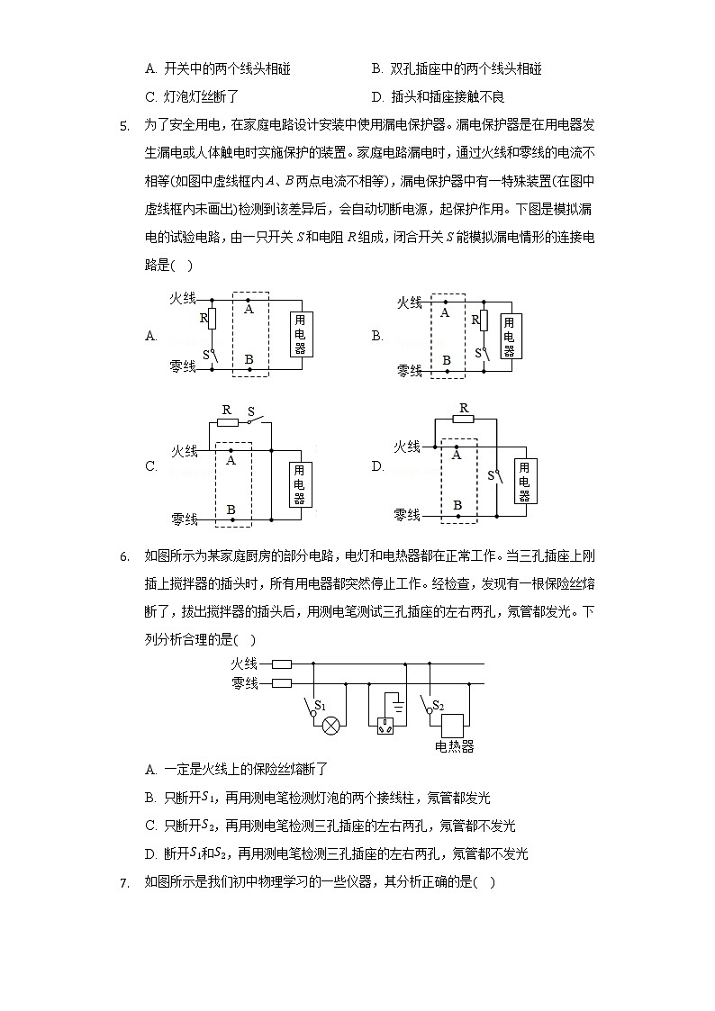
5. 为了安全用电,在家庭电路设计安装中使用漏电保护器。漏电保护器是在用电器发生漏电或人体触电时实施保护的装置。家庭电路漏电时,通过火线和零线的电流不相等(如图中虚线框内A、B两点电流不相等),漏电保护器中有一特殊装置(在图中虚线框内未画出)检测到该差异后,会自动切断电源,起保护作用。下图是模拟漏电的试验电路,由一只开关S和电阻R组成,闭合开关S能模拟漏电情形的连接电路是( )
A. B.
C. D.
6. 如图所示为某家庭厨房的部分电路,电灯和电热器都在正常工作。当三孔插座上刚插上搅拌器的插头时,所有用电器都突然停止工作。经检查,发现有一根保险丝熔断了,拔出搅拌器的插头后,用测电笔测试三孔插座的左右两孔,氖管都发光。下列分析合理的是( )
A. 一定是火线上的保险丝熔断了
B. 只断开S1,再用测电笔检测灯泡的两个接线柱,氖管都发光
C. 只断开S2,再用测电笔检测三孔插座的左右两孔,氖管都不发光
D. 断开S1和S2,再用测电笔检测三孔插座的左右两孔,氖管都不发光
7. 如图所示是我们初中物理学习的一些仪器,其分析正确的是( )
A. 验电器的工作原理是异种电荷互相排斥
B. 水银温度计利用了固体热胀冷缩的原理
C. 空气开关自动断开,一定是该电路某处出现了短路
D. 电能表盘上标有“600Revs/(kW⋅h)“,若某段时间内转盘转了30转,则用电器消耗的电能为0.05kW⋅h
8. 下列关于物理知识的解释说法正确的是( )
A. 炎热的夏天在房间内洒水降温是利用了水的比热容大的特性
B. 运载“嫦娥五号”探测器的火箭选择用液氢作为燃料主要是因为液氢便于储存
C. 超导体的导电性能非常好,可以用作白炽灯的灯丝
D. 用铅锑合金做家庭电路的保险丝是因为铅锑合金的电率阻大、熔点较低
9. 小华将电炉的插头刚插入家里的插座,只见火花一闪,“叭”的一声从插座里冒出黑烟,屋里亮着的电灯和电视都突然熄了。这一现象产生的原因和后果分别是( )
A. 插座短路,电灯被烧坏了 B. 电炉的插头短路,电视被烧坏了
C. 插座短路,保险丝被烧断 D. 电炉的插头短路,保险丝被烧断
10. 家庭电路中下列情形可能引起熔丝熔断的是( )
A. 开关装在零线上 B. 插座的接线是“左火右零”
C. 电器金属外壳未接地 D. 多台大功率用电器同时使用
二、填空题(本大题共5小题,共10.0分)
11. 如图所示是一个家庭电路中常用的五孔插座,试电笔插入 孔(填字母即可)时,试电笔的氖管会发光。小黄同学家的灯不亮了,保险丝和灯泡都完好,他用试电笔检查时发现试电笔的氖管仍能发光,发生此故障的原因是 (选填“火线”或“零线”)有断路。
12. 家庭电路中“超负荷”是指电路中的电流 。出现上述情况时,电路中的熔断器或空气开关会自动切断电路。如图所示是空气开关的原理图,它切断电路是电流的 效应引起的;若空气开关跳闸后再复位,又立刻跳起,这可能是电路中出现 (只需填写一种可能)的现象。
13. 某同学根据家庭电路画了如图所示的电路图,包括插座A和插座D、电灯L,还有开关S,图中元件的接法画错了的是 ;若使测电笔接触E点,则氖管能否发光? 。
14. 家庭电路中通常安装有电能表、空气开关和漏电保护器.如果站在地上的人不小心接触了火线,电流经过人体流入大地, 会迅速切断电流,对人起到保护作用;当家庭电路中电流过大时, 会自动断开,切断电路.
15. 家庭电路中电子式电能表的表盘上标有3200imp/(kW⋅h)字样。将一个电热棒单独接在家庭电路中正常工作12min,电能表指示灯闪烁了320次,上述时间内该电热棒消耗的电能为______J,它的额定功率为______W。新建居民楼电路中,为了避免人不小心接触火线,电流经人体流入大地时发生触电事故,会装上______对人体起到保护作用。
三、作图题(本大题共2小题,共4.0分)
16. 如图,为某家庭电路的局部电路图,为了保证用电安全,请将保险丝、总开关S、及控制灯泡的开关S1连入电路。
17. (1)请将如图所示元件,连接成符合安全用电要求的家庭电路.
(2)在图中的〇里填上适当的电表符号,使之成为正确的电路图.
四、实验探究题(本大题共2小题,共12.0分)
18. 李明在接完如图1的电路,闭合开关后发现无论怎样改变滑动变阻器滑片的位置小灯泡L1都不亮。他想到了家里请来的电工师博在检查电路时所用的“查障器”如图2所示,可以检查家庭电路中电路出现的故障。
(1)李明把塑料尺、金属回形针、铅笔芯、橡皮擦分别接在“查障器”的a、b两端,当接入______或______时,小灯泡会发光。
(2)李明把“查障器”的a、b端分别接入图1电路的不同位置,得到下表的实验结果。
连接位置
小灯泡
L1两端
滑动变阻
器两端
电流表两端
开关两端
(断开)
“查障器”小灯泡L2的发光情况
不亮
亮
亮
不亮
由上述结果可判断电路的故障是______。
(3)小明想用“查障器”检查家中用电器的接地情况。他首先断开家庭电路的总开关把要检查的用电器插头插入三孔插座,再把a端接在用电器的金属外壳上,b端接在地线上,灯亮则表示金属外壳接地良好。依你判断,这种方案______(选填“可行”或“不可行”)。
19. 认识短路的危害和保险丝的作用。
【设计实验】
目的:认识短路的危害
器材:低压电源(直流6 V)、开关、额定电流为1 A的保险丝、额定电压为6 V的灯泡、导线、电流表(0~5 A)
【进行实验】
(1)在图中,C、D间接上一段保险丝,A、B间接入电流表,其他部分连接如图所示。
(2)当开关闭合时,灯泡____________(填“发光”或“不发光”),电流表____________(填“有”或“无”)示数。
(3)断开开关,在B、D间接一根粗铜丝,闭合开关的瞬间,你将会观察到____________。
A.电流表没有读数,灯泡也不亮
B.电流表的指针迅速摆动较大的幅度,灯泡变得非常亮
C.电流表的指针迅速摆动较大的幅度,保险丝熔断
【分析论证】
B、D间接入铜丝时,灯泡被短接,电路中电阻很小。根据欧姆定律知道,闭合开关的瞬间,电路中的电流____________,这时,通过保险丝的电流____________(填“等于”“小于”或“大于”)通过导线的电流,但保险丝的电阻比导线的电阻大很多,根据焦耳定律,在电流相同时,导体中的电流产生的热量跟电阻成____________比,所以保险丝的温度更高,又由于保险丝的____________较低,所以发生了上述现象。
五、计算题(本大题共3小题,共24.0分)
20. 如图所示为一款有高、低温两档的蒸汽电熨斗电路原理图.其工作原理为水升温并汽化成水蒸气,从而熨烫衣服.图中R1、R2为电热丝,其中R2=242Ω(不考虑温度对电阻丝阻值的影响).
(1)分析电路图,闭合S1,当S2 ______时,电熨斗处于高温档;
(2)电熨斗处于低温档时,正常工作功率为1100W,求通过电路的电流是多大?
(3)图中的保险丝是采用熔点较______(选填“高”或“低”)的材料制成的;电熨斗处于低温档时,通电3min,电路中消耗的电功是多少⋅
21. 严寒的冬天,小明把标有“220V 1100W”的电暖器插入插线板的插座。请你通过计算说明:
(1)电暖器正常工作时,通过它的电流是多少?
(2)若插线板上标有“220V 10A”的字样,从安全用电的角度考虑,插线板能否让“220V 750W”的电吹风和上述电暖器同时工作?
(3)小明家的电能表标有“220V 10(20)A”的字样,家里正在使用一台1100W的空调器,一台500W的电熨斗,及一盏40W的日光灯。当小明把一个750W的电吹风插头插进插座时,与电能表配套使用的空气开关“跳闸”,以下判断正确的是______。
A.同时使用的用电器总功率过大,所以空气开关“跳闸”
B.空气开关“跳闸”是因为电吹风发生了断路
C.空调器的功率突然减小
D.电吹风或者其使用的插头短路
22. 现代家庭电器化程度越来越高,用电安全是一个十分突出的问题,下表提供了一组人体电阻的数据:
测量项目
完全干燥时
出汗或非常潮湿时
手与手之间的电阻
5000Ω
200Ω
手与脚之间的电阻
8800Ω
300Ω
手与塑料鞋底之间的电阻
10000Ω
800Ω
如图所示,用电器R接在电压为220V的电源上,消耗的电功率是1100W,电路中还有额定电流为10A的保险丝,则:
(1)只有用电器R接入电路时,通过保险丝的电流是多大?
(2)一个潮湿的人,赤脚站在地面上,由于不小心,手接触了火线,发生触电事故,则通过人体的电流是多少(表格中电阻数据适用于人体)?并分析为什么保险丝不会熔断?
答案和解析
1.【答案】C
【解析】
【分析】
(1)保险丝熔断是电流过大造成的,保险丝完好说明电路不是短路或总功率过大。
(2)家庭电路中出现电路故障时,氖管发光说明该部分一定直接或间接接触火线,找出通路部分,其余部分有可能是断路。
【解答】
保险丝完好说明电路不是短路或总功率过大;
用试电笔先后检测插座的两孔,氖管均发光,说明插座的两孔直接或间接地与火线相连;
试电笔检测插座的右孔时,氖管发光说明和火线接通(如下图蓝线部分);试电笔检测插座的左孔时,氖管发光说明和火线接通(如下图红线部分);
正常发光的电灯突然熄灭,说明是断路,综合分析可知,断路在A点左侧的零线部分,即进户的零线断路,故选C。
故选:C。
2.【答案】B
【解析】解:
A、若空调正常工作,说明火线、空调左侧的零线都没有断路;
若插座中有两孔使试电笔的氖管发光,说明火线正常,且此时插座接零线的左孔也与火线接通,则可能是空调与灯泡之间的零线断路,此时左孔通过灯泡与火线接通(如下图所示),故A正确;
B、漏电保护器只有在电路发生漏电或有人触电时才会切断电源,因此,普通插座处(人可能接触到),即图中的③位置需要接漏电保护器;空气开关兼并总开关和保险丝的作用,可以在电流过大时(发生短路或功率过大时)自动断开以保护电路安全,也可当总开关使用随时切断电流,因此图中的①②④位置应装空气开关,故B错误;
C、当站在大地上的人不小心触摸到三孔插座右孔火线时,电流经过人体流入大地,漏电保护器会迅速切断电流,对人身起到保护作用,故C正确;
D、若空气开关“跳闸”,说明干路中的电流过大,可能是用电器的总功率过大造成的,也可能是火线与零线碰在一起发生短路造成的,故D正确。
故选:B。
(1)插座中有两孔使试电笔的氖管发光,说明这两孔都直接或间接的与火线接通;
(2)空气开关在电路总功率过大或短路时跳闸,从而起到保护作用;家庭电路中,当进户线的火线与零线的电流不相等,且差值达到一定值时,安装在干路上的漏电保护器就会切断电路。
本题考查了家庭电路中故障的判断以及对空气开关和漏电保护器作用的了解,有一定难度。
3.【答案】B
【解析】解:
A、若是插座处原来有短路,则在没有插入台灯之前,电路就已经出现了短路,室内用电器不会正常工作,故A错误;
B、若是台灯灯泡处短路,则在台灯插头插入插座并且闭合台灯开关时,此时电路出现短路,故B正确;
C、若是台灯的插头处有短路,则在台灯插头插入插座时,电路就会出现短路,而不会等到闭合台灯开关时才出现,故C错误;
D、若是开关中的两个接头短路,则无论开关闭合还是断开,灯泡都会发光,也就是说开关失去了控制灯泡通断的作用,由于灯泡一端接火线,另一端接零线,则电路并不会出现短路,故D错误。
故选:B。
室内用电器全部停止工作,表明干路上出现了断路现象;产生电流过大的原因有两个:一是用电器的总功率过大,另一个是发生短路。由生活常识可知,台灯的功率一般比较小。
由台灯插头插入插座,闭合开关,室内用电器全部停止工作可知,是台灯灯座的两个接头短路了。
本题考查对家庭电路故障的分析判断能力,是一道好题,要掌握。
4.【答案】B
【解析】解:A、开关中两线相碰,只是开关不起作用,用电器总是工作,并不是短路,不会引起电流过大,“空气开关”不会自动“跳闸”,故A不符合题意;
B、双孔插座一孔接火线,一孔接零线,两线相碰相当于直接把火线和零线接通,这是短路,会引起电流过大,“空气开关”会自动“跳闸”,故B符合题意;
C、灯丝断了,是断路,电路中没有电流,“空气开关”不会自动“跳闸”,故C不符合题意;
D、插头插座接触不良,是断路,电路中没有电流,“空气开关”不会自动“跳闸”,故D不符合题意。
故选:B。
空气开关自动跳闸的原因是电流过大,引起家庭电路中电流过大的原因有两个,短路或总功率过大。
记住家庭电路中电流过大的现象是保险丝熔断或空气开关跳闸,电流过大的原因是总功率过大或短路,能够在实际情境中判断出是什么原因造成的电流过大。
5.【答案】D
【解析】
【分析】
根据题意可知,漏电保护器在检测到通过虚线框内火线与零线的电流不相等时,会切断电源,否则不会切断电源,据此选择符合题意的电路图。
本题考查了串、并联电路的设计,关键是抓住漏电保护器的工作条件:通过虚线框内火线与零线的电流不相等,然后逐一分析选项即可得出答案。
【解答】
AB、闭合开关S时,通过虚线框内火线和零线的电流相等(通过A、B两点电流相等),此时无法模拟漏电情形,故AB不正确;
C、闭合开关时,虚线框内火线电流仍然等于零线电流,因为导线将电阻R短路,所以闭合开关不影响电路,故C不正确。
D、闭合开关时,通过虚线框内火线的电流小于通过该装置零线的电流(通过A、B两点电流不相等),可以模拟漏电情形,故D正确;
故选:D。
6.【答案】B
【解析】解:
A、原来电灯和电热器都在正常工作,在插上搅拌器的插头后,所有用电器都停止工作,经检查,发现有一根保险丝熔断了;拔出搅拌器的插头后,用测电笔测试插座的两孔,氖管都发光,说明两孔与火线是连通的,所以只可能是零线上的保险丝熔断了,故A不合理;
B、只断开S1,灯泡的两个接线柱通过电热器、开关S2与火线相连,所以再用测电笔检测灯泡的两个接线柱,测电笔的氖管都发光,故B合理;
C、只断开S2,插座的左孔通过灯泡、开关S1与火线相连,插座的右孔与火线相连,所以,用测电笔检测三孔插座的左右两孔时,氖管都发光,故C不合理;
D、断开S1、S2,再用测电笔检测三线插座的左右两孔,只有右孔与火线相连,氖管发光,左孔与火线不相连,氖管不会发光,故D不合理。
故选:B。
(1)保险丝熔断是因为电流过大,电流过大的原因是短路或用电器的总功率过大;
(2)原来电灯和电热器都在正常工作,在插上搅拌器的插头后,所有用电器都停止工作,经检查,发现有一根保险丝熔断了;拔出搅拌器的插头后,用测电笔测试三孔插座的两孔,氖管都发光,说明两孔与火线是连通的,所以只可能是零线上的保险丝熔断了。
本题考查了用测电笔检测电路的故障。在正常情况下,测电笔测火线应亮,测零线应不亮。
7.【答案】D
【解析】解:A、验电器是根据同种电荷相互排斥的原理工作的,故A错误;
B、水银温度计是根据液体的热胀冷缩的性质制成的,故B错误;
C、空气开关“跳闸”,可能是电路出现了短路,也可能是用电器的总功率过大,故C错误;
D、因为电路中每消耗1kW⋅h的电能,指示灯闪烁600次。
所以当电能表上的转盘转过30转时,消耗的电能为W=30r600r/(kW⋅h)=0.05kW⋅h,故D正确;
故选:D。
(1)验电器的工作原理是同种电荷相互排斥;
(2)液体温度计是根据液体的热胀冷缩的性质制成的;
(3)空气开关跳闸是因为电路中电流过大,电流过大的原因是短路或用电器的总功率过大;
(4)600revs/(kW⋅h)的含义是:电路中每消耗1kW⋅h的电能,电能表上的转盘转过600次;根据题目所给条件可求用电器消耗的电能。
本题考查了验电器、水银温度计、安全用电的常识、对电能表铭牌上数据的理解情况,相对比较简单,属于基础知识。
8.【答案】D
【解析】解:A、因水蒸发有致冷作用,使周围空气温度降低,所以夏天洒水是利用了蒸发吸热的道理,故A错误;
B、由于液氢的热值比较大,由Q放=mq得,相同质量的液氢比其他燃料完全燃烧放出的热量多,因此选择液氢作为燃料,故B错误;
C、白炽灯发光原理是电流的热效应,通电后白炽灯灯丝发热发光,由Q=I2Rt可知,当超导体的电阻为零时,产生的热量也为零,所以不会发光,故C错误;
D、保险丝是利用电流的热效应来工作的,当电阻丝的温度升高到某一温度时,自身熔断,并切断电路,从而起到保护电路安全运行的作用,因此保险丝需要用电阻率大、熔点低的铅锑合金制作,故D正确。
故选:D。
(1)水蒸发要从周围空气吸热,使周围的空气温度降低,达到降温的目的;
(2)相同质量的不同燃料相比较,热值越大的燃料完全燃烧,释放出的热量越多;
(3)超导体的电阻为零,利用电流热效应工作的电器设备都不能用超导材料制作;
(4)保险丝是用熔点较低、电阻率较大的铅锑合金制成的,保险丝在电路中起保护电路的作用,防止电路电流过大而发生危险。
本题主要考查知识点较多,考查了蒸发吸热、热值、超导体和保险丝材料的性质,属于综合性题目。
9.【答案】D
【解析】解:若插座短路,则未插入插头之前,保险丝会熔断,电灯和电视机不会工作;
家庭电路中各用电器之间是并联电路,各支路间互不影响,因此当将插头插入插座中时,听到“叭”的一声,同时从插座中冒出一股黑烟,虽然电视机和电灯也都熄灭了,但它们并没有损坏;
当他将插头插入插座中时,听到“叭”的一声,由于此时电炉不工作,不可能引起干路电流过大,所以故障可能是插头短路,此时电路中电流过大,会导致保险丝熔断,故D正确。
故选:D。
保险丝通常安装在火线上,它是由电阻率大、熔点低的铅锑合金制成的;电路中电流过大的原因有两个:短路和用电器的总功率过大。
本题考查对家庭电路故障(短路)的分析判断能力,空气开关断开的原因有两个:总功率过大和发生短路。
10.【答案】D
【解析】解:
A、开关装在零线上不会引起电路中的电流变大,故A错误;
B、插座的零线火线接反,用电器仍然能工作,不会引起电路中电流过大,不会引起熔丝熔断,故B错误;
C、电器金属外壳接地,是为了防止漏电时发生触电事故,电器金属外壳未接地,电器还能工作,不会引起电路中电流过大,不会引起熔丝熔断,故C错误;
D、同时使用大功率电器,电路中用电器总功率过大,会引起电路中电流过大,熔丝熔断;故D正确。
故选:D。
引起家庭电路中电流过大的原因有两个,短路或总功率过大。根据给出情况中的现象,进行判断。
本题考查学生对家庭电路中电流过大原因的掌握情况,需要从具体问题入手,分析原因得出是短路问题还是用电器总功率过大。
11.【答案】B、D
零线
【解析】解: 五孔插座是由两孔插座和三孔插座构成的,试电笔插入B、D孔时,试电笔的氖管会发光;小黄同学家的灯不亮了,保险丝和灯泡都完好,说明电路出现了断路现象,他用试电笔检查时发现试电笔的氖管仍能发光,这表明电路与火线都是接通的,故故障原因是零线有断路。
12.【答案】过大
磁
短路(或总功率过大)
【解析】解:电线都有允许通过的最大电流值,如果电流超过允许通过的最大电流值,则电流会使电线过热容易引起火灾,这就是物理中所说的过载,也就是我们生活中所说的“超负荷”;空气开关的工作原理是当电路中电流过大时,电磁铁会产生较强的磁性从而吸引衔铁,则脱扣器将产生作用使脱扣机构中的锁钩脱开,于是主触点在弹簧的作用下被迅速分断,这是利用电流的磁效应制成的;若空气开关跳闸后再复位,又立刻跳起,这可能是电路中的电流过大造成的,家庭电路中电流过大的原因是短路或总功率过大。
13.【答案】插座A
能
【解析】解:能使氖管发光的是火线,氖管不发光的是零线,由此可以判断上面的线是火线,下面的线是零线。插座A的左右两孔都接在零线上,连接错误。火线首先进入开关,然后进入灯泡,零线直接进入灯泡,连接正确。插座D的左孔直接接零线,右孔直接接火线,连接正确。E点在火线上,若使测电笔接触E点,氖管能发光。
14.【答案】漏电保护器
空气开关
【解析】略
15.【答案】3.6×105 500 漏电保护器
【解析】解:
(1)3200imp/(kW⋅h)表示电路中每消耗1kW⋅h的电能,指示灯闪烁3200次,
指示灯闪烁320次,则电热棒消耗的电能:
W=320imp3200imp/(kW⋅h)=0.1kW⋅h=3.6×105J,
电热棒正常工作时的电功率,即额定功率:
P=Wt=0.1kW⋅h1260h=0.5kW=500W;
(2)如果站在地上的人不小心接触了火线,电流经过人体流入大地,这时通过火线和零线的电流不相等,漏电保护器会迅速切断电路,对人身起到保护作用。
故答案为:3.6×105;500W;漏电保护器。
(1)3200imp/(kW⋅h)表示电路中每消耗1kW⋅h的电能,指示灯闪烁3200次,据此可求指示灯闪烁320次电热棒消耗的电能,再利用P=Wt求电热棒正常工作时的电功率,即额定功率;
(2)漏电保护器的原理是当通过火线和零线的电流不相等时,说明电路的某个地方可能接地漏电,此时漏电保护器就会切断电路。
本题考查了消耗电能、电功率的计算,以及对漏电保护器的作用和工作原理的了解,
16.【答案】
【解析】
【分析】
本题考查了家庭电路中总开关、开关和灯连接方法,属于基础题目。
进户线(火线、零线)首先进入电能表、总开关、保险丝,再到各个用电器。开关控制灯泡时,火线首先进入开关,然后进入灯泡,零线直接进入灯泡。
【解答】
火线、零线进入电能表后,先进总开关,再连接到保险丝;开关和灯的连接:火线首先进入开关,然后进入灯泡,零线直接进入灯泡,如图所示:
。
。
17.【答案】(1)
(2)
【解析】
(1)
【分析】
本题考查家庭电路的连接,在家庭电路中,安装各个元件,不但考虑各元件能使用,更要考虑使用的安全性。
家庭电路中,开关控制灯泡时,火线首先进入开关,再进入灯泡顶端的金属点,零线直接进入灯泡的螺旋套。家庭电路中,三孔插座的上孔接地线,左孔接零线,右孔接火线。
【解答】
火线首先进入开关,再进入灯泡顶端的金属点,零线直接进入灯泡的螺旋套。这样开关既能控制灯泡,又能在灯泡损坏时,断开开关,切断火线,更换灯泡时更安全。三孔插座的上孔接地线,左孔接零线,右孔接火线。当金属外壳的用电器插入三孔插座时,能使金属外壳接地,防止漏电时发生触电事故,如图所示:
;
(2)
【分析】
本题考查了电流表和电压表的使用,知道电流表与被测电路串联,电压表与被测电路并联即可解答。
在电路中,电流表相当于导线,与用电器串联;电压表相当于断路,与用电器并联,据此分析确定。
【解答】
由图可知,最下面的圈串联在干路中,所以一定是电流表,中间的圈与灯泡L2串联,所以也是电流表,而右上角的一个与灯L2并联,是电压表,如图所示:
。
18.【答案】(1)金属回形针;铅笔芯;(2)小灯泡L1断路;(3)可行
【解析】解:
(1)常见的导体包括:人体、大地、各种金属、酸碱盐的溶液等,提供的材料中金属回形针和铅笔芯是导体,因此把它们分别接在“查障器”的a、b两端,小灯泡能发光。
(2)当“查障器”小灯泡L2发光,说明被检测电路为通路;
由表格信息可知:
当“查障器”接在灯泡L1两端时,小灯泡L2不发光,说明电路为断路,即小灯泡L1断路;
当“查障器”接在滑动变阻器两端时,小灯泡L2发光,说明电路为通路,即滑动变阻器没有故障;
当“查障器”接在电流表两端时,小灯泡L2发光,说明电路为通路,即电流表没有故障;
当“查障器”接在开关两端且断开时,小灯泡L2不发光,说明电路为断路,因开关是断开的,故不能判断开关有没有故障;
由上述结果可判断电路的故障是小灯泡L1断路;
(3)小明想用“查障器”检查家中用电器的接地情况,他首先断开家庭电路的总开关把要检查的用电器插头插入三孔插座,再把a端接在用电器的金属外壳上,b端接在地线上;若金属外壳接地良好,查障器会构成闭合回路,灯泡L2会发光,所以这种方案可行。
故答案为:(1)金属回形针;铅笔芯;(2)小灯泡L1断路;(3)可行。
(1)要使小灯泡发光,在金属夹之间必须接入导体,容易导电的物体是导体,不容易导电的物体是绝缘体。
(2)当“查障器”小灯泡L2发光,说明电路为通路;
(3)从灯泡是否发光,可判断这种做法是否可行。
本题是一道综合性题目,包含了导体、故障分析的相关知识,考查内容较多,但是难度不是很大。
19.【答案】【进行实验】(2)发光;有;(3)C;
【分析论证】很大;等于;正;熔点
【解析】
【分析】本题考查了短路的危害和保险丝的作用实验,涉及到电路的不同状态、焦耳定律的应用。本题通过课外实验考查学生的“科学探究”能力。利用所学的知识设计一些仪器或生活用品,是学以致用的表现,其需要灵活应用所学的知识,学生在答题时要慎重。
【进行实验】
(2)通路时,电路中有电流,灯泡能发光;
(3)用铜丝代替灯泡,电路中的电阻变小,电流变大,电流表的指针迅速摆动较大的幅度,保险丝熔断,灯泡不发光;
【分析论证】
B、D间接入铜丝时,灯泡被短接,电路中电阻很小。根据欧姆定律知道,闭合开关的瞬间,电路中的电流瞬间变大;根据串联电路规律,通过保险丝的电流等于通过导线的电流;保险丝是利用电阻率较大的合金材料制成,通过焦耳定律可知:在电流相同时,导体中的电流产生的热量跟电阻的关系,结合保险丝特点进行分析题述的现象的原因。
【解答】【进行实验】
(2)当开关闭合时,由题图可知,这是一个正常工作的电路,灯泡与保险丝串联,所以灯泡发光,电流表有示数;
(3)断开开关,在B、D间接一根粗铜丝,此时灯泡被短接,闭合开关,电流通过保险丝后,直接经电流表回到电源负极,所以闭合开关的瞬间,将会观察到电流表的指针迅速摆动较大的幅度,保险丝熔断,灯泡不发光,故只有C正确;
【分析论证】
B、D间接入铜丝时,灯泡被短接,电路中电阻很小。根据欧姆定律知道,闭合开关的瞬间,电路中的电流很大,这时,根据串联电路的电流关系可知,通过保险丝的电流等于通过导线的电流,但保险丝的电阻比导线的电阻大很多,根据焦耳定律Q=I2Rt可知,在电流相同时,导体中的电流产生的热量跟电阻成正比,所以保险丝的温度更高,又由于保险丝的熔点较低,所以发生了上述现象。
故答案为:
【进行实验】(2)发光;有;(3)C;
【分析论证】很大;等于;正;熔点。
20.【答案】解:(1)电熨斗工作时,电流流过电阻产生热量,对水加热,使水汽化为蒸汽,因此电热丝是利用电流的热效应工作的;由电路图知,闭合S1,当S2闭合时,两电阻丝并联,电路电阻最小,电源电压U一定,由P=U2R可知此时电路功率最大,电熨斗处于高温挡;
(2)由电路图知:当S1闭合,S2断开时,电熨斗处于低温档,此时只有电阻R1接入电路;
通过电路的电流I=PU=1100W220V=5A;
(3)保险丝是采用熔点较低)的材料制成的;
通电t=3min=180s,
电熨斗处于低温档时,通电3min,电路中消耗的电功是:
W=Pt=1100W×180s=1.98×105J。
答:(1)闭合;
(2)电熨斗处于低温档时,通过电路的电流是5A;
(3)低;电熨斗处于低温档时,通电3min,电路中消耗的电功是1.98×105J。
【解析】本题是一道中等题,有一定的难度,主要考查了学生对电流的热效应、电功率的计算及其变形公式的理解和运用能力。
(1)电流流过导体时,导体要发热,这种现象是电流的热效应;电源电压一定,由P=U2R可知,电路电阻越小,功率越大,功率大,电熨斗处于高温挡,根据电路图分析电路结构,判断高温挡时,开关S2的状态;
(2)已知电熨斗的功率,由功率的变形公式I=PU可求出通过电路的电流;
(3)保险丝是采用熔点较低)的材料制成的;电熨斗处于低温档时,通电3min,由W=Pt求出电路中消耗的电功。
21.【答案】D
【解析】解:(1)由P=UI可得,电暖器正常工作时,通过它的电流:I=PU=1100W220V=5A;
(2)由P=UI可得,电吹风正常工作时的电流:I′=P′U=750W220V≈3.41A,
因为电吹风和电暖器是并联连接,因此总电流为:I总=I′+I″=3.41A+5A=8.41A<10A,因此,可以让电吹风和电暖器同时工作;
(3)由电能表上的参数可得,电路中允许的最大功率为:P=UI=220V×20A=4400W;
而家中使用的用电器的总功率为W总=1100W+500W+40W+750W=2390W,远小于电能表的最大功率;故空气开关跳闸不是因为功率过大,而是由于短路引起;
当电熨斗插头插进插座时,空气开关就“跳闸”,则说明是由于电熨斗或者其使用的插头短路,故选D。
答:(1)电暖器正常工作时,通过它的电流是5A;
(2)可以让电饭锅和电暖器同时工作;
(3)D。
(1)根据P=UI求出电暖器正常工作时,通过它的电流;
(2)根据P=UI分别求得电吹风和电暖气的电流,然后与10A比较即可;
(3)家庭电路中电流过大的原因有两个:短路和总功率过大。从上面这两个因素进行分析。
本题考查电功率的计算以及家庭电路故障(短路)的分析判断能力,关键是公式及其变形的灵活运用以及空气开关跳闸的原因有两个:总功率过大和发生短路。
22.【答案】解:
(1)只有用电器R接入电路时,其消耗的电功率是1100W,
由P=UI可得,通过保险丝的电流:
I=PU=1100W220V=5A;
(2)由表中数据在,一个出汗的人赤脚站在地上时的电阻为R人=300Ω,
则通过人体的电流:
I人=UR人=220V300Ω≈0.73A;
因为并联电路中干路电流等于各支路电流之和,
所以,电路中的总电流:
I总=I+I人=5A+0.73A=5.73A<10A,
所以不会熔断熔丝.
答:(1)只有用电器R接入电路时,通过保险丝的电流是5A;
(2)发生触电事故,则通过人体的电流是0.73A;由于通过人体的电流远小于保险丝熔断电流,人已触电保险丝不会熔断.
【解析】(1)知道电源电压和R消耗的电功率,利用P=UI求通过熔丝的电流;
(2)由表中数据得出潮湿时,手与脚之间的电阻,又知道电源电压,利用欧姆定律求通过人体的电流;
根据并联电路电流的规律求出总电流,根据计算出的触电电流与熔丝的熔断电流比较,找出原因.
本题考查了电功率公式、欧姆定律和并联电路特点的应用,关键是从表中获得有效信息,知道保险丝在干路上,通过计算明白“保险丝不会‘救’人命”的原因,增强安全用电意识.
物理九年级全册第1节 家庭电路优秀巩固练习: 这是一份物理九年级全册<a href="/wl/tb_c83790_t7/?tag_id=28" target="_blank">第1节 家庭电路优秀巩固练习</a>,文件包含分层练习人教版初中物理九年级全册192家庭电路中电流过大的原因原卷版docx、分层练习人教版初中物理九年级全册192家庭电路中电流过大的原因解析版docx等2份试卷配套教学资源,其中试卷共20页, 欢迎下载使用。
初中物理人教版九年级全册第2节 家庭电路电流过大的原因练习: 这是一份初中物理人教版九年级全册<a href="/wl/tb_c83792_t7/?tag_id=28" target="_blank">第2节 家庭电路电流过大的原因练习</a>,共7页。试卷主要包含了单选题,填空题,实验题等内容,欢迎下载使用。
人教版九年级全册第1节 家庭电路一课一练: 这是一份人教版九年级全册第1节 家庭电路一课一练,共11页。

