2022届高考物理二轮专题复习学案练习专题五 第18课时 电学实验
展开高考题型1 基本仪器的使用与读数
1.电流表和电压表
2.多用电表的读数及使用
(1)电流的流向
电流从电表的“+”插孔(红表笔)流入,从“-”插孔(黑表笔)流出,即“红进黑出”.
(2)“机械零点”与“欧姆零点”
“机械零点”在表盘刻度左侧“0”位置,调整的是表盘下边中间的定位螺丝;“欧姆零点”在表盘刻度的右侧电阻刻度“0”位置,调整的是欧姆挡的调零旋钮.
(3)倍率选择:使用欧姆挡测电阻时,应使指针位于表盘中间附近,若表头指针偏角过大,则说明所测电阻偏小,应换用小倍率.
(4)使用欧姆表测电阻时,换挡后需重新进行欧姆调零,读数之后要乘以倍率得阻值.
(5)电池用久了,电动势变小,内阻变大,使测量结果偏大.
命题预测
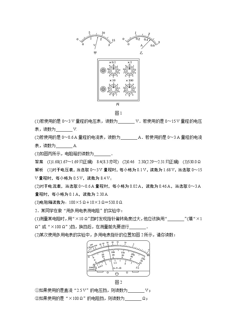
1.如图1所示为电压表和电流表的刻度盘示意图,指针位置分别如图甲、乙所示.
图1
(1)若使用的是0~3 V量程的电压表,读数为________ V.若使用的是0~15 V量程的电压表,读数为________ V.
(2)若使用的是0~0.6 A量程的电流表,读数为________ A.若使用的是0~3 A量程的电流表,读数为________ A.
(3)如图丙所示,电阻箱的读数为________.
答案 (1)1.68(1.67~1.69均正确) 8.4(8.3亦可) (2)0.46 2.30(2.29~2.31均正确) (3)530.0 Ω
解析 (1)对于电压表,当选取0~3 V量程时,每小格为0.1 V,读数为1.68 V,当选取0~15 V量程时,每小格为0.5 V,读数为8.4 V;
(2)对于电流表,当选取0~0.6 A量程时,每小格为0.02 A,读数为0.46 A,当选取0~3 A量程时,每小格为0.1 A,读数为2.30 A.
(3)电阻箱读数为:100×5 Ω+10×3 Ω=530.0 Ω.
2.某同学在做“用多用电表测电阻”的实验中:
(1)测量某电阻时,用“×10 Ω”挡时发现指针偏转角度过大,他应该换用“________”(填“×1 Ω”或“×100 Ω”)挡,换挡后,在测量前先要进行________.
(2)某次使用多用电表的实验中,多用电表指针的位置如图2所示,请你读数:
图2
①如果使用的是直流“2.5 V”的电压挡,则读数为________ V;
②如果使用的是“×100 Ω”的电阻挡,则读数为________ Ω;
③如果使用的是直流“10 mA”的电流挡,则读数为________ mA.
答案 (1)×1 Ω 欧姆调零 (2)①0.80 ②3.0×103 ③3.2
解析 (1)根据欧姆表的工作原理可知,指针的偏转角度过大,说明电阻较小,即所选的倍率过大,应选择“×1 Ω”挡,换挡后在测量前要重新进行欧姆调零.
(2)①如果使用的是直流“2.5 V”的电压挡,则每小格代表0.05 V,读数为16×0.05 V=0.80 V;
②如果使用的是“×100 Ω”的电阻挡,则读数为30×100 Ω=3.0×103 Ω;
③如果使用的是直流“10 mA”的电流挡,则每小格代表0.2 mA,读数为16×0.2 mA=3.2 mA.
高考题型2 与电阻的测量相关的实验
1.常见的电阻测量方法对比
2.滑动变阻器分压式接法与限流式接法的选择
(1)“以小控大用分压,相差无几用限流”
①当采用分压式接法时,一般应选用最大阻值较小、而额定电流较大的滑动变阻器.
②当采用限流式接法时,一般应选用最大阻值比待测电阻稍大或差不多的滑动变阻器.
(2)必须采用分压式接法的三种情况:①要求电压从零开始变化;②滑动变阻器阻值太小,不能起到限流的作用;③限流式接法不能获取有区分度的多组数据.
考题示例
例1 (2020·全国卷Ⅲ·23)已知一热敏电阻当温度从10 ℃升至60 ℃时阻值从几千欧姆降至几百欧姆,某同学利用伏安法测量其阻值随温度的变化关系.所用器材:电源E、开关S、滑动变阻器R(最大阻值为20 Ω)、电压表(可视为理想电表)和毫安表(内阻约为100 Ω).
(1)在图3中所给的器材符号之间画出连线,组成测量电路图.
图3
(2)实验时,将热敏电阻置于温度控制室中,记录不同温度下电压表和毫安表的示数,计算出相应的热敏电阻阻值.若某次测量中电压表和毫安表的示数分别为5.5 V和3.0 mA,则此时热敏电阻的阻值为________ kΩ(保留2位有效数字).实验中得到的该热敏电阻阻值R随温度t变化的曲线如图4(a)所示.
图4
(3)将热敏电阻从温控室取出置于室温下,测得达到热平衡后热敏电阻的阻值为2.2 kΩ.由图(a)求得,此时室温为________ ℃(保留3位有效数字).
(4)利用实验中的热敏电阻可以制作温控报警器,其电路的一部分如图(b)所示.图中,E为直流电源(电动势为10 V,内阻可忽略);当图中的输出电压达到或超过6.0 V时,便触发报警器(图中未画出)报警.若要求开始报警时环境温度为50 ℃,则图中________(填“R1”或“R2”)应使用热敏电阻,另一固定电阻的阻值应为________ kΩ(保留2位有效数字).
答案 (1)见解析图 (2)1.8 (3)25.5 (4)R1 1.2
解析 (1)滑动变阻器最大阻值仅20 Ω,应采用分压式接法,电压表为理想电表,应采用毫安表外接法,测量电路图如图所示.
(2)热敏电阻的阻值R=eq \f(U,I)=eq \f(5.5 V,3.0 mA)≈1.8 kΩ.
(3)根据R-t图像,R=2.2 kΩ时,t约为25.5 ℃.
(4)输出电压变大时,R2两端电压变大,R1两端电压变小.根据R-t图像知,温度升高时热敏电阻的阻值减小,则电路中电流变大,固定电阻两端的电压变大,所以固定电阻应为R2,热敏电阻应为R1,t=50 ℃,R1=0.8 kΩ,根据串联电路中电阻与电压的关系可得eq \f(R1,R2)=eq \f(10-6.0,6.0),解得R2=1.2 kΩ.
例2 (2019·天津卷·9(3))现测定长金属丝的电阻率.
(1)某次用螺旋测微器测量金属丝直径的结果如图5所示,其读数是________mm.
图5
(2)利用下列器材设计一个电路,尽量准确地测量一段金属丝的电阻.这段金属丝的电阻Rx约为100 Ω,画出实验电路图,并标明器材代号.
电源E(电动势10 V,内阻约为10 Ω)
电流表A1(量程0~250 mA,内阻R1=5 Ω)
电流表A2(量程0~300 mA,内阻约为5 Ω)
滑动变阻器R(最大阻值10 Ω,额定电流2 A)
开关S及导线若干
(3)某同学设计方案正确,测量得到电流表A1的读数为I1,电流表A2的读数为I2,则这段金属丝电阻的计算式Rx=________.从设计原理看,则测量值与真实值相比________(填“偏大”“偏小”或“相等”).
答案 (1)0.200(0.196~0.204均可)
(2)如图所示
(3)eq \f(I1R1,I2-I1) 相等
解析 (1)由螺旋测微器的读数规则可知,该金属丝的直径应为0 mm+20.0×0.01 mm=0.200 mm;
(2)对提供的实验器材分析可知,滑动变阻器的总电阻比待测电阻的阻值小得多,因此滑动变阻器应采用分压式接法,由于没有提供电压表,因此可以用内阻已知的电流表充当电压表,即将A1作为电压表,由于A1的内阻已知,因此A2应采用外接法;
(3)由电路图可知,Rx=eq \f(I1R1,I2-I1);由于A1的内阻已知,因此该实验不存在系统误差,因此测量值与真实值相等.
命题预测
3.(2020·陕西汉中市高三期末)LED绿色照明技术已经走进我们的生活.某实验小组要精确测定额定电压为3 V的LED灯正常工作时的电阻,已知该灯正常工作时电阻大约为500 Ω,电学符号与小灯泡电学符号相同.
实验室提供的器材有:
A.电流表A1(量程为0~5 mA,内阻RA1约为3 Ω)
B.电流表A2(量程为0~4 mA,内阻RA2=10 Ω)
C.电压表V(量程为0~10 V,内阻RV=1 000 Ω)
D.定值电阻R1=590 Ω
E.定值电阻R2=990 Ω
F.滑动变阻器R (最大阻值为20 Ω)
G.蓄电池E (电动势为4 V,内阻很小)
H.开关S一只,导线若干
图6
(1)如图6甲所示,请选择合适的器材,电表1为____________,电表2为__________,定值电阻为________ .( 填写器材前的字母序号)
(2)请将图乙中的实物连线补充完整.
(3)请写出测量LED灯正常工作时的电阻表达式:Rx=________________(电表1的读数用a表示,电表2的读数用b表示,其余电学量用题中所对应的电学符号表示)
答案 (1)A B E (2)见解析图 (3)eq \f(bR2+RA2,a-b)
解析 (1)LED灯正常工作时的电流约为ILED=eq \f(ULED,RLED)=eq \f(3,500) A=0.006 A=6 mA,故电表1选用A;要精确测定额定电压为3 V的LED灯正常工作时的电阻,需测量LED灯两端的电压和通过LED灯的电流,由于电压表的量程较大,测量误差较大,不能用已知的电压表测量LED两端的电压,可以将电流表A2与定值电阻串联改装为电压表测量电压,故电表2选用B;要改装成量程为3 V的电压表,需要串联的电阻为:R′=eq \f(ULED,IA2g)-RA2=eq \f(3,0.004) Ω-10 Ω=740 Ω,则定值电阻应选E;
(2)因为滑动变阻器阻值远小于LED的电阻,所以滑动变阻器采用分压式接法.实物连线如图所示:
(3)根据欧姆定律知,灯泡两端的电压ULED=b(R2+RA2),通过灯泡的电流ILED=a-b,所以LED灯正常工作时的电阻Rx=eq \f(ULED,ILED)=eq \f(bR2+RA2,a-b).
4.(2020·黑龙江实验中学测试)灵敏电流计G的量程为500 μA、内阻未知,某小组要将该电流计的量程扩大至5 mA,有下列器材可选:
图7
A.干电池一节
B.电压表V(量程1.5 V,内阻几千欧)
C.滑动变阻器R1(0~100 Ω)
D.电阻箱R2(0~999.9 Ω)
E.开关、导线若干
某同学设计了如下实验:
(1)用如图7所示电路测量电流计和电压表的内阻.
①将R1滑片滑到最左端,断开S2,闭合S1,调节R1,使电流计满偏,此时电压表V的示数为1.0 V;
②将R2调至最大,闭合S2,调节R1、R2,当电压表示数为1.2 V时,电流计的示数为300 μA,R2的阻值为180 Ω.由以上数据可得电压表的内阻RV=________ Ω,电流计的内阻Rg=________ Ω.
(2)用灵敏电流计和电阻箱改装电流表,请在方框中画出改装电路图,此时电阻箱的阻值应调为________ Ω.
答案 (1)①2 000 ②180 (2)见解析图 20
解析 (1)第一步为电压表和电流计串联的电路,由欧姆定律有U1=IgRV
可得RV=eq \f(U1,Ig)=eq \f(1.0,500×10-6) Ω=2 000 Ω
第二步为Rg与R2并联再与RV串联,由电路的电流关系可得eq \f(U2,RV)=I2+eq \f(I2Rg,R2)
代入数据解得Rg=180 Ω
(2)电流计改装成电流表需要利用并联电阻分流,电路图如图所示:
由并联电路的电压关系得(I-Ig)R2′=IgRg
解得R2′=20 Ω,即电阻箱的阻值应调为20 Ω.
高考题型3 电源电动势与内阻的测量
1.电源电动势和内阻的测量方法
2.对实验的两点说明
(1)任何一种实验方法,一定要紧扣闭合电路欧姆定律E=U+Ir,其中最关键的是看电路中如何测量出路端电压U和电路中的总电流I.
(2)利用图像求解电动势和内阻是常用的方法,对于不同的电路设计,一般采用化曲为直的方法,即得到有关电动势和内阻的一次函数关系,再利用图像中的斜率与截距求解.
考题示例
例3 (2020·山东卷·14)实验方案对实验测量的精度有直接的影响,某学习小组对“测量电源的电动势和内阻”的实验方案进行了探究.实验室提供的器材有:
干电池一节(电动势约1.5 V,内阻小于1 Ω);
电压表V(量程3 V,内阻约3 kΩ);
电流表A(量程0.6 A,内阻约1 Ω);
滑动变阻器R(最大阻值为20 Ω);
定值电阻R1(阻值2 Ω);
定值电阻R2(阻值5 Ω);
开关一个,导线若干.
(1)该小组按照图8甲所示的电路进行实验,通过调节滑动变阻器阻值使电流表示数逐渐接近满偏,记录此过程中电压表和电流表的示数,利用实验数据在U-I坐标纸上描点,如图乙所示,结果发现电压表示数的变化范围比较小,出现该现象的主要原因是________.(单选,填正确答案标号)
A.电压表分流
B.干电池内阻较小
C.滑动变阻器最大阻值较小
D.电流表内阻较小
图8
(2)针对电压表示数的变化范围比较小的问题,该小组利用实验室提供的器材改进了实验方案,重新测量得到的数据如下表所示.
请根据实验数据,回答以下问题:
①图9中已标出后3组数据对应的坐标点,请标出前4组数据对应的坐标点并画出U-I图像.
图9
②根据实验数据可知,所选的定值电阻为________(填“R1”或“R2”).
③用笔画线代替导线,请按照改进后的方案,将图10所示实物图连接成完整电路.
图10
答案 (1)B (2)①见解析图(a) ②R1 ③见解析图(c)
解析 (1)电压表示数的变化范围小,原因是外电阻的阻值远大于电源内阻,选项B正确.
(2)①根据数据描点并连成一条直线,如图(a)所示.
②由图像可知E=1.55 V,U=0时I=0.59 A,故r′=eq \f(E,I)≈2.63 Ω,
由于2 Ω
故定值电阻只能是R1.
③先画出原理图,如图(b),然后依据原理图将各仪器依次连接起来,如图(c).
命题预测
5.某同学设计了一个“测定电池的电动势和内阻”的实验,可供选择的器材如下:
A.待测干电池一节
B.电流表A(量程为0~60 mA,内阻RA=18 Ω)
C.电压表V(量程为0~3 V,内阻RV约为3 kΩ)
D.滑动变阻器R1(阻值为0~5 Ω)
E.滑动变阻器R2(阻值为0~30 Ω)
F.定值电阻R3(阻值为2 Ω)
G.定值电阻R4(阻值为10 Ω)
(1)为完成实验,滑动变阻器应该选________,定值电阻应该选________.(填器材后面的代号)
(2)请完善图11(a)中的电路图.
图11
(3)根据图(b)中已描出的点画出U-I图像,由图像得该电池的电动势E=________ V,内阻r=________ Ω.(结果均保留三位有效数字)
答案 (1)R2 R3 (2)见解析图 (3)见解析图 1.49(1.47~1.49均可) 1.05(1.04~1.07均可)
解析 (1)因为电池的内阻较小,约为几欧,故为了能起到控制调节作用,滑动变阻器应选用总阻值为30 Ω的R2;因为给出的电流表量程为0~60 mA,量程偏小,为了能准确测量,可以采用串联定值电阻的方法来减小电流,需要的电阻R=eq \f(1.5 V,60×10-3 A)=25 Ω,两定值电阻均达不到要求,所以应考虑改装电流表,为了让量程变大,应将较小的电阻与电流表并联,电流表改装后的量程为I=Ig+eq \f(IgRA,R3)=60 mA+eq \f(60×18,2) mA=600 mA,符合实验要求.
(2)根据(1)中分析可知,电路图如图所示.
(3)根据已描出的点画出的U -I图像如图所示.设电压表示数为U,电流表示数为I,则根据闭合电路欧姆定律有U=E-10Ir,可知电路的U-I图线与纵轴的交点即为该电池的电动势,故E=1.49 V,图线的斜率k=-10r=eq \f(0.9-1.49,0.056) Ω,则r≈1.05 Ω.
6.(2020·北京市海淀区人大附中高三三模)利用电流表和电压表测定一节干电池的电动势和内电阻.要求尽量减小实验误差.
图12
(1)应该选择的实验电路是图12中的________(选填“甲”或“乙”).
(2)某位同学记录的6组数据如下表所示,其中5组数据的对应点已经标在图丙中的坐标纸上,请标出余下一组数据的对应点,并画出U-I图线.
(3)根据(2)中所画图线可得出干电池的电动势E=________ V,内电阻r=________ Ω.(结果均保留两位有效数字)
(4)若用水果电池做这个实验,其优点是它的内阻比较大,容易测量.那么,如果测定水果电池的电动势和内阻,则测量电路选择甲还是乙?简要说明理由___________________.
(5)某同学进一步用如图丁所示的电路测量电源的电动势和内阻,其中R是电阻箱,定值电阻R0=3 000 Ω,G是理想电流计.改变R的阻值分别读出电流计的读数,作出eq \f(1,R)-eq \f(1,I)图像如图戊所示,由图可求得电源的电动势E=________ V,内电阻r=________ Ω.(结果均保留两位有效数字)
答案 (1)甲 (2)见解析图 (3)1.5 0.83 (4)乙,理由见解析 (5)3.0 1.0
解析 (1)题图甲中测量的电动势和内电阻都偏小,但接近真实值,而题图乙虽然电动势测量准确,但测量的内电阻等于电源内阻与电流表内阻之和,相对误差较大,因此选用甲电路图测量较准确.
(2)描点、连线画出U-I图像,如图所示
(3)由于图像的表达式为U=E-Ir
可知图像在纵轴的截距等于电源电动势,斜率的绝对值等于内阻,因此可得E=1.5 V
r=eq \f(1.5-1.0,0.6) Ω≈0.83 Ω.
(4)水果电池的内阻较大,当内电阻远大于电流表内阻时,若选用题图甲,测得的内电阻等于内电阻与电压表内阻并联之后总电阻,误差较大;而选用题图乙时,测得的内电阻等于电源内阻与电流表串联电阻之和,误差较小.并且乙图测量的电动势是准确的,因此选用乙图更准确.
(5)根据IR0=eq \f(E,R+r)R,整理得eq \f(1,R)=eq \f(E,R0r)·eq \f(1,I)-eq \f(1,r),可得k=eq \f(E,R0r)=eq \f(1,1 000),eq \f(1,r)=1.0,代入数据,整理得E=3.0 V,r=1.0 Ω.
7.在“测定电源的电动势和内阻”的实验中,实验室提供了下列实验器材:
A.干电池两节,每节电动势约为1.5 V,内阻约几欧姆
B.电压表V1、V2,量程均为0~3 V,内阻约为3 kΩ
C.电流表,量程为0~0.6 A,内阻小于1 Ω
D.定值电阻R0,阻值为5 Ω
E.滑动变阻器R,最大阻值为20 Ω
F.导线和开关若干
图13
两位同学分别选用了上述部分实验器材设计了甲、乙两种实验电路.
(1)一同学利用如图13甲所示的电路图组装实验器材进行实验,读出多组U1、I数据,并画出U1-I图像,求出电动势和内阻.这种方案测得的电动势和内阻均偏小,产生该误差的原因是________,这种误差属于________(填“系统误差”或“偶然误差”).
(2)另一同学利用如图乙所示的电路图组装实验器材进行实验,读出多组U1和U2的数据,描绘出U1-U2图像如图丙所示,图线斜率为k,在纵轴上的截距为a,则电源的电动势E=________,内阻r=________.(用k、a、R0表示)
答案 (1)电压表的分流 系统误差 (2)eq \f(a,1-k) eq \f(kR0,1-k)
解析 (1)误差主要来源于电压表的分流作用,使流过内阻的电流不等于流过电流表的电流,这种误差属于系统设计方面的误差,因此属于系统误差.
(2)U1+eq \f(U1-U2,R0)r=E
则U1=eq \f(r,R0+r)U2+eq \f(R0E,R0+r)
故k=eq \f(r,R0+r),a=eq \f(R0E,R0+r)
解得E=eq \f(a,1-k),r=eq \f(kR0,1-k).
高考题型4 其他电学实验
1.“观察电容器的充、放电现象”
(1)理解I-t图线的形状产生的原因,及I-t图线与两坐标轴所围成的面积的物理意义.
(2)会按“四舍五入”法,计算“I-t图线与两坐标轴包围面积”.
(3)会结合电容器两端的电压,计算电容器的电容.
2.“探究影响感应电流方向的因素”
(1)通过实验归纳出影响感应电流方向的因素.
(2)会通过导体运动、磁体运动(磁场变化)或通过改变原线圈中的电流等方式判断出感应电流的方向.
3.“探究变压器原、副线圈电压与匝数的关系”
(1)本实验的科学方法是控制变量法,建议先保持原线圈电压不变,改变副线圈的匝数,研究其对副线圈电压的影响,然后再保持副线圈的匝数不变,研究原线圈的匝数对副线圈电压的影响.
(2)注意人身安全.只能用低压交流电源,电源电压不能超过12 V.
(3)误差分析:线圈绕组的电阻有铜损现象,变压器铁芯内有漏磁,铁芯因涡流发热.
命题预测
8.用下列器材测量电容器的电容:一块多用电表,一台直流稳压电源,一个待测电容器(额定电压16 V),定值电阻R1=100 Ω,定值电阻R2=150 Ω,电流传感器、数据采集器和计算机,单刀双掷开关S,导线若干,实验过程如下:
图14
请完成下列问题:
(1)第1次实验中,电阻R1两端的最大电压U=________ V.利用计算机软件测得i-t曲线和两坐标轴所围的面积为90 mA·s,已知电容器放电时其内阻可以忽略不计,则电容器的电容为C=________ F.
(2)第2次实验中,电流随时间变化的i-t曲线应该是图丙中的虚线________(选填“b”“c”或“d”),判断依据是________.
答案 (1)9 1.00×10-2 (2)c 两次放电电荷量相等,图形与t轴围成的面积相等,另由于R2>R1,开关掷向2瞬间放电电流较小
解析 (1)由题图知,最大电流为Im=90 mA=0.09 A,因此最大电压为Um=ImR1=9 V;曲线下所围的面积表示电容器的带电荷量Q=90 mA·s,根据电容器的定义式可得C=1.00×10-2 F.
(2)根据im=eq \f(Um,R),因第2次实验的最大放电电流小些,但因2次实验中电容器所带电荷量相同,即曲线下所围的面积相等,故电流随时间变化的曲线应该是虚线c.
9.为探究变压器两个线圈的电压关系,张明同学设计如下实验,操作步骤如下:
①将原线圈与副线圈对调,重复进行实验;
②将匝数较多的一组线圈接到学生电源的交流电源输出端上,另一个作为副线圈,接上小灯泡;
③闭合电源开关,用多用电表的交流电压挡分别测量原线圈和副线圈两端的电压;
④将两个线圈套到可拆变压器的铁芯上.
(1)以上操作的合理顺序是________(填步骤前数字序号);
(2)如图15所示,在实验中,两线圈的匝数n1=1 600,n2=400,当将n1做原线圈时,原线圈两端电压为16 V,副线圈两端电压为4 V;n1与n2对调后,原线圈两端电压为8 V时,副线圈两端电压为32 V,那么可初步确定,变压器两个线圈的电压U1、U2与线圈匝数n1、n2的关系是________(填写字母关系式).
图15
答案 (1)④②③① (2)eq \f(U1,U2)=eq \f(n1,n2)
解析 (1)实验中,首先将两个线圈套到可拆变压器的铁芯上;再将匝数较多的一组线圈接到学生电源的交流电源输出端上,另一个作为副线圈,接上小灯泡;闭合电源开关,用多用电表的交流电压挡分别测量原线圈和副线圈两端的电压;最后将原线圈与副线圈对调,重复进行实验.所以操作的合理顺序是④②③①.
(2)根据法拉第电磁感应定律,原、副线圈的磁通量的变化率相同,则感应电动势的大小与匝数成正比,两线圈的匝数n1=1 600,n2=400,当将n1做原线圈时,U1=16 V,副线圈两端电压U2=4 V;当原线圈和副线圈对调后,U1′=8 V时,U2′=32 V,此时U2′对应线圈匝数为n1,而U1′对应线圈匝数为n2;由以上数据可得:eq \f(U1,U2)=eq \f(n1,n2).
专题强化练
[保分基础练]
1.图1为探究影响感应电流方向的因素的实验装置,部分导线已连接.
图1
(1)用笔画线代替导线将图中未完成的电路连接好.
(2)在闭合电键时发现灵敏电流计的指针向右偏了一下,那么合上电键后可能出现的情况有:将原线圈迅速插入副线圈时,灵敏电流计指针将________(选填“向右偏”“向左偏”或“不偏转”).原线圈插入副线圈后,将滑动变阻器触头迅速向右拉时,灵敏电流计指针将________(选填“向右偏”“向左偏”或“不偏转”);断开电键时,灵敏电流计指针将________(选填“向右偏”“向左偏”或“不偏转”).
答案 (1)见解析图 (2)向右偏 向左偏 向左偏
解析 (1)将电源、电键、滑动变阻器、原线圈串联成一个回路,注意滑动变阻器接一上一下两个接线柱,再将灵敏电流计与副线圈串联成另一个回路,电路图如图所示.
(2)在闭合电键时,穿过线圈的磁通量增大,灵敏电流计的指针向右偏转;将原线圈迅速插入副线圈时,穿过线圈的磁通量增加,灵敏电流计指针将向右偏.原线圈插入副线圈后,将滑动变阻器触头迅速向右拉时,线圈中的电流减小,穿过线圈的磁通量减小,灵敏电流计指针将向左偏.断开电键时,线圈中的电流减小,穿过线圈的磁通量减小,灵敏电流计指针将向左偏.
2.(2020·全国卷Ⅰ·22)某同学用伏安法测量一阻值为几十欧姆的电阻Rx,所用电压表的内阻为1 kΩ,电流表内阻为0.5 Ω.该同学采用两种测量方案,一种是将电压表跨接在图2(a)所示电路的O、P两点之间,另一种是跨接在O、Q两点之间.测量得到如图(b)所示的两条U-I图线,其中U与I分别为电压表和电流表的示数.
图2
回答下列问题:
(1)图(b)中标记为Ⅱ的图线是采用电压表跨接在________(填“O、P”或“O、Q”)两点的方案测量得到的.
(2)根据所用实验器材和图(b)可判断,由图线________(填“Ⅰ”或“Ⅱ”)得到的结果更接近待测电阻的真实值,结果为________ Ω(保留1位小数).
(3)考虑到实验中电表内阻的影响,需对(2)中得到的结果进行修正,修正后待测电阻的阻值为________ Ω(保留1位小数).
答案 (1)O、P (2)Ⅰ 50.5 (3)50.0
解析 (1)若通过Rx的电流相等,由题图(b)知图线Ⅰ对应的电压值较大,由R=eq \f(U,I)可知图线Ⅰ所测电阻较大,图线Ⅱ所测电阻较小,则图线Ⅱ是采用电压表跨接在O、P两点的方案测量得到的.
(2)由题图(b)可得图线Ⅰ测得电阻阻值RⅠ=eq \f(3.00-1.00,59.6-20.0×10-3) Ω≈50.5 Ω,图线Ⅱ测得电阻阻值 RⅡ=eq \f(3.00-0.95,63.0-20.0×10-3) Ω≈47.7 Ω,待测电阻阻值约为50 Ω,eq \f(RV,Rx)=eq \f(1 000 Ω,50 Ω)=20,eq \f(Rx,RA)=eq \f(50 Ω,0.5 Ω)=100,因eq \f(RV,Rx)
3.(2020·江苏苏锡常镇四市高三教学情况调研)合金材料的电阻率都比较大,某同学按如下步骤测量一合金金属丝的电阻率.实验操作如下:
(1)用螺旋测微器在该金属丝上三个不同位置测量该金属丝的直径,结果都如图3所示,则该金属丝的直径为__________ mm.
图3
(2)按图4连接测量电路,将滑动变阻器置于最大值,闭合开关,移动滑动变阻器,发现电压表有读数,而电流表读数总为零,已知电流表、电压表以及待测金属丝都是完好的,则电路故障为导线__________断路(用图中导线编号表示).
图4
(3)排除电路故障后,改变滑动头在金属丝上的位置,测出金属丝长度l和接入电路的电阻Rx如下表:
请根据表中的数据,在图5方格纸上作出Rx-l图像.
图5
(4)根据图像及金属丝的直径,计算该金属丝的电阻率ρ=_______ Ω·m(保留两位有效数字).
(5)采用上述测量电路和数据处理方法,电表内阻对该金属丝电阻率测量的影响为________(选填“使结果偏大”“使结果偏小”或“对结果无影响”).
答案 (1)0.380(0.379~0.381) (2) a或c (3)见解析图 (4)9.1×10-6(8.5×10-6~9.9×10-6) (5) 对结果无影响
解析 (1)该金属丝的直径为0 mm+38.0×0.01 mm=0.380 mm
(2)只有a或c发生断路时,电压表相当于测电源电压,此时才会出现电压表有读数,而电流表读数总为零.
(3)Rx-l图像如图所示:
(4)根据公式R=eq \f(ρl,S)得Rx=ρeq \f(l,π\f(d,2)2)+RA=eq \f(4ρ,πd2)l+RA,由(3)中作出的Rx-l图像可知,图像的斜率k=eq \f(4ρ,πd2)=80,代入数据解得ρ≈9.1×10-6 Ω·m;
(5)因为多次测量金属丝长度l和接入电路的电阻,通过画图求斜率求解电阻率,所以电表内阻对该金属丝电阻率测量结果无影响.
[争分提能练]
4.(2020·北京卷·16)用图6所示的甲、乙两种方法测量某电源的电动势和内电阻(约为1 Ω).其中R为电阻箱,电流表的内电阻约为0.1 Ω,电压表的内电阻约为3 kΩ.
图6
(1)利用图甲实验电路测电源的电动势E和内电阻r,所测量的实际是图7中虚线框所示“等效电源”的电动势E′和内电阻r′.若电流表内电阻用RA表示,请你用E、r和RA表示出E′、r′,并简要说明理由.________________________________________________________.
图7
(2)某同学利用图像分析甲、乙两种方法中由电表内电阻引起的实验误差.在图8中,实线是根据实验数据(图甲:U=IR,图乙:I=eq \f(U,R))描点作图得到的U-I图像;虚线是该电源的路端电压U随电流I变化的U-I图像(没有电表内电阻影响的理想情况).
图8
在图中,对应图甲电路分析的U-I图像是________;对应图乙电路分析的U-I图像是________.
(3)综合上述分析,为了减小由电表内电阻引起的实验误差,本实验应选择图中的________(填“甲”或“乙”).
答案 (1)E′=E,r′=r+RA 理由见解析 (2)C A (3)乙
解析 (1)断路时,“等效电源”路端电压的数值E等于其电动势,故E′=E.
电源和电流表串联,则“等效电源”的内电阻r′=r+RA.
(2)题图甲电路中,由于电流表的分压,内电阻的测量值为电源和电流表串联后的总电阻,比实际电源的内电阻大,对应实线斜率的绝对值比虚线的大.但当电流为零时,电流表的内电阻对测量没有影响,实线和虚线重合,故C正确;题图乙电路中,由于电压表的分流,内电阻的测量值为电源和电压表并联后的总电阻,比实际电源的内电阻小,对应实线斜率的绝对值比虚线的小.但当电压为零时,电压表的内电阻对测量没有影响,实线和虚线重合,故A正确.
(3)由实验数据可知,题图甲电路中,测量值r′=r+RA约1.1 Ω,真实值r约1 Ω,相对误差在10%左右;题图乙电路中电压表内电阻较大,分流较小,可忽略,故乙电路的误差较小.
5.(2020·山东省普通高中学业水平等级模拟考试)在研究金属电阻阻值与温度的关系时,为了能够较准确地测出金属电阻的阻值,设计了如图9所示的电路.除了金属电阻Rx外,还提供的实验器材有:学生电源E,灵敏电流计G,滑动变阻器R、RS,定值电阻R1、R2,电阻箱R0,开关S,控温装置,导线若干.
图9
①按照电路图连接好电路后,将R0调至适当数值,R的滑片调至最右端.RS的滑片调至最下端,闭合开关S;
②把R的滑片调至适当位置,调节R0,并逐渐减小RS的阻值,直到RS为零时,电流计G指针不发生偏转,记录R0的阻值和Rx的温度;
③多次改变温度,重复实验;
④实验完毕,整理器材.
根据上述实验回答以下问题:
(1)上述②中,电流计G指针不发生偏转时,a点电势________(选填“大于”“等于”或“小于”)b点电势.
(2)用R0、R1、R2表示Rx,Rx=________.
(3)本实验中RS的作用为__________.
(4)若只考虑系统误差,用该方法测得的Rx的阻值__________(选填“大于”“等于”或“小于”)Rx的真实值.
答案 (1)等于 (2)eq \f(R1,R2)R0 (3) 保护电流计 (4) 等于
解析 (1)当电流计指针不偏转时,没有电流流过电流计,电流计两端电势相等,即a点电势等于b点电势.
(2)电流计指针不偏转,没有电流流过电流计,电桥平衡,由此可知eq \f(Rx,R1)=eq \f(R0,R2),解得Rx=eq \f(R1,R2)R0.
(3)本实验中RS的作用是保护电流计.
(4)若只考虑系统误差,用该方法测得的Rx的阻值等于Rx的真实值.
6.(2020·山东潍坊市二模)某同学要测量毫安电流表的内阻RA和电源的电动势E,实验过程如下:
①选择合适器材连接电路,如图10甲所示;
②断开S2,闭合S1,调节R1的阻值,使电流表满偏;
③保持R1的阻值不变,闭合S2,调节R2,当R2的阻值如图乙所示时,电流表的示数如图丙所示;
④保持S1闭合,断开S2,多次改变R1的阻值,并相应记录电流表的示数.利用记录的R1的阻值和其对应的电流表示数I,作出eq \f(1,I)-R1图线,如图丁所示.
图10
请回答下列问题:
(1)丙图中电流表的读数为________ mA,若忽略S2闭合后电路中总电阻的变化,电流表的内阻RA=________ Ω;
(2)根据图线可求得E=________ V;
(3)电流表的内阻RA的测量值________(选填“>”“<”或“=”)真实值;
(4)为保证实验电路的安全,请写出一条建议:___________________________________.
答案 (1)25.0 4.8 (2)9.1(8.9~9.4) (3)< (4)闭合S1前将R1的阻值调至最大量程
精确度
读数规则
电流表0~3 A
0.1 A
与刻度尺一样,采用eq \f(1,10)估读,读数规则较简单,只需要精确值后加一估读数即可
电压表0~3 V
0.1 V
电流表0~0.6 A
0.02 A
估读位与最小刻度在同一位,采用eq \f(1,2)估读
电压表0~15 V
0.5 V
估读位与最小刻度在同一位,采用eq \f(1,5)估读
名称
电路
测量原理
伏安法
R=eq \f(U,I),“小外小;大内大”(小电阻采用电流表外接法,测量值小于真实值;大电阻采用电流表内接法,测量值大于真实值)
安安法
如果已知的内阻R1,则可测得的内阻R2=eq \f(I1R1,I2)
串联一定值电阻R0后,同样可测得的内阻R2=eq \f(I1R1+R0,I2)
伏伏法
两电表的满偏电流接近时,若已知的内阻R1,则可测出的内阻R2=eq \f(U2,U1)R1
并联一定值电阻R0后,同样可得的内阻R2=eq \f(U2,\f(U1,R1)+\f(U1,R0))
替代法
双掷开关分别与1、2相接,调节电阻箱R1,保证电流表两次读数相等,则R1的读数即等于待测电阻的阻值
半偏法
测量电流表内阻
闭合S1,断开S2,调节R1使G表满偏;闭合S2,只调节R2,使G表半偏(R1≫R2),则R2=R测,R测
使R2=0,闭合S,调节R1使V表满偏;只调节R2使V表半偏(RV≫R1),则R2=R测,R测>R真
电桥法
调节电阻箱R3,当A、B两点的电势相等时,R1和R3两端的电压相等,设为U1,同时R2和Rx两端的电压也相等,设为U2,根据欧姆定律有:eq \f(U1,R1)=eq \f(U2,R2),eq \f(U1,R3)=eq \f(U2,Rx).由以上两式解得:R1·Rx=R2·R3,这就是电桥平衡的条件,由该平衡条件可求出被测电阻Rx的阻值
方案
伏安法
伏阻法
安阻法
原理
E=U+Ir
E=U+eq \f(U,R)r
E=IR+Ir
电路图
关系式
U=E-Ir
eq \f(1,U)=eq \f(r,ER)+eq \f(1,E)
eq \f(1,I)=eq \f(R,E)+eq \f(r,E)
图像
纵轴截距:E
斜率:-r
纵轴截距:eq \f(1,E)
斜率:eq \f(r,E)
纵轴截距:eq \f(r,E)
斜率:eq \f(1,E)
序号
1
2
3
4
5
6
7
I/A
0.08
0.14
0.20
0.26
0.32
0.36
0.40
U/V
1.35
1.20
1.05
0.88
0.73
0.71
0.52
序号
1
2
3
4
5
6
电压U/N
1.45
1.40
1.30
1.25
1.20
1.10
电流I/A
0.06
0.12
0.24
0.26
0.36
0.48
实验次数
实验步骤
第1次
①将电阻R1等器材按照图14甲正确连接电路,将开关S与1端连接,电源向电容器充电
②将开关S掷向2端,测得电流随时间变化的i-t曲线如图乙中的实线a所示
第2次
③用电阻R2替换R1,重复上述实验步骤①②,测得电流随时间变化的i-t曲线如图丙中的某条虚线所示
说明:两次实验中电源输出的直流电压恒定且相同
Rx/Ω
10.0
17.9
26.1
34.0
41.9
l/cm
10
20
30
40
50
2023届高考物理二轮复习专题六第2讲电学实验学案: 这是一份2023届高考物理二轮复习专题六第2讲电学实验学案,共14页。
2023届高考物理二轮复习第19讲电学实验学案(浙江专用): 这是一份2023届高考物理二轮复习第19讲电学实验学案(浙江专用),共40页。
2023届高考物理二轮复习专题八第2讲电学实验及其创新学案: 这是一份2023届高考物理二轮复习专题八第2讲电学实验及其创新学案,共65页。

