高考化学一轮复习课时分层作业二十二化学反应速率含解析新人教版
展开化学反应速率
(建议用时40分钟)
1.下列食品添加剂中,其使用目的与反应速率有关的是( )
A.抗氧化剂 B.调味剂
C.着色剂 D.增稠剂
【解析】选A。抗氧化剂减少食品与氧气的接触,延缓氧化的反应速率,A正确;调味剂是为了增加食品的味道,与速率无关,B错误;着色剂是为了给食品添加某种颜色,与速率无关,C错误;增稠剂是改变物质的浓度,与速率无关,D错误。
2.(2021·济南模拟)在2 L恒容密闭容器中加入4 mol NH3和6 mol O2,发生反应:4NH3(g)+5O2(g)4NO(g)+6H2O(g)。若10 s后剩下2 mol NH3,则0~10 s内O2的平均反应速率是( )
A.0.125 mol·L-1·s-1 B.0.2 mol·L-1·s-1
C.0.25 mol·L-1·s-1 D.0.1 mol·L-1·s-1
【解析】选A。根据题干中的条件,Δn(NH3)=2 mol,Δt=10 s,则v(NH3)====0.1 mol·L-1·s-1,v(O2)=v(NH3)=×0.1 mol·L-1·s-1=0.125 mol·L-1·s-1。
【加固训练—拔高】
(2021·凉山州模拟)反应4A(s)+3B(g)===2C(g)+D(g),经2 min后,B的浓度减少了0.6 mol·L-1。下列反应速率的表示正确的是( )
A.在这2 min内用A表示的反应速率是0.4 mol·L-1·min-1
B.在这2 min内用C表示的反应速率是0.2 mol·L-1·min-1
C.2 min末时的反应速率,用B表示是0.3 mol·L-1·min-1
D.在这2 min内用B表示的反应速率的值是减小的,C表示的反应速率逐渐增大
【解析】选B。A为固体,不能使用浓度变化量表示速率,故A错误;在这2 min内用C表示的反应速率是0.3 mol·L-1·min-1×=0.2 mol·L-1·min-1,故B正确;化学反应速率为平均速率,不能计算瞬时速率,故C错误;速率为正值,2 min内B、C速率的值均增大,故D错误。
3.中国首条“生态马路”在上海复兴路隧道建成,它运用了“光触媒”技术,在路面涂上一种光催化剂涂料,可将汽车尾气中45%的NO和CO转化成N2和CO2。下列对此反应的叙述中正确的是( )
A.使用光催化剂改变NO与CO的转化率
B.使用光催化剂能增大NO的转化率
C.升高温度能加快反应速率
D.改变压强对反应速率无影响
【解析】选C。催化剂可以改变反应速率,但不影响反应的转化率,A、B错误;对气体参加的反应,改变压强可以改变反应速率,D错误。
4.(2021·梧州模拟)在恒容密闭容器中发生反应:3CO(g)+Fe2O3(s)3CO2(g)+2Fe(s),下列说法不正确的是( )
A.增加块状Fe2O3的量,反应速率增大
B.降低温度,反应速率减慢
C.使用催化剂,反应速率增大
D.充入CO,反应速率增大
【解析】选A。增加块状Fe2O3的量,为纯固体,反应速率不变,故A错误;降低温度,活化分子百分数减小,反应速率减慢,故B正确;使用催化剂,活化分子百分数增大,反应速率增大,故C正确;充入CO,反应物浓度增大,反应速率增大,故D正确。
5.在Ag+催化作用下,Cr3+被S2O氧化为Cr2O的机理为
①S2O+2Ag+===2SO+2Ag2+(慢);
②2Cr3++6Ag2++7H2O===6Ag++14H++Cr2O(快)。下列有关说法正确的是 ( )
A.反应速率与Ag+浓度有关
B.Ag2+也是该反应的催化剂
C.Ag+能降低该反应的活化能和焓变
D.②反应决定整个反应的反应速率
【解析】选A。Ag2+为中间产物不是催化剂,B错误;催化剂Ag+不改变焓变,C错误;慢反应决定整个反应速率,D错误。
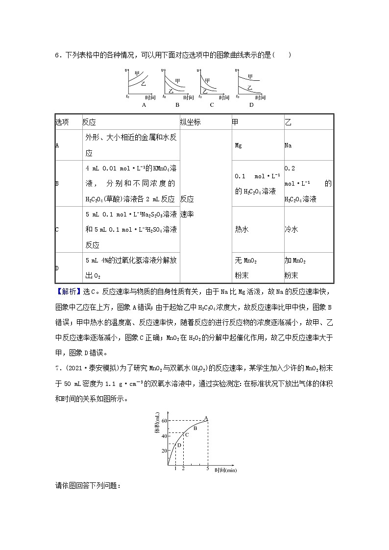
6.下列表格中的各种情况,可以用下面对应选项中的图象曲线表示的是( )
选项 | 反应 | 纵坐标 | 甲 | 乙 |
A | 外形、大小相近的金属和水反应 | 反应 速率 | Mg | Na |
B | 4 mL 0.01 mol·L-1的KMnO4溶液,分别和不同浓度的H2C2O4(草酸)溶液各2 mL反应 | 0.1 mol·L-1的H2C2O4溶液 | 0.2 mol·L-1的H2C2O4溶液 | |
C | 5 mL 0.1 mol·L-1Na2S2O3溶液和5 mL 0.1 mol·L-1H2SO4溶液反应 | 热水 | 冷水 | |
D | 5 mL 4%的过氧化氢溶液分解放出O2 | 无MnO2 粉末 | 加MnO2 粉末 |
【解析】选C。反应速率与物质的自身性质有关,由于Na比Mg活泼,故Na的反应速率快,图象中乙应在上方,图象A错误;由于起始乙中H2C2O4浓度大,故反应速率比甲中快,图象B错误;甲中热水的温度高、反应速率快,随着反应的进行反应物的浓度逐渐减小,故甲、乙中反应速率逐渐减小,图象C正确;MnO2在H2O2的分解中起催化作用,故乙中反应速率大于甲,图象D错误。
7.(2021·泰安模拟)为了研究MnO2与双氧水(H2O2)的反应速率,某学生加入少许的MnO2粉末于50 mL密度为1.1 g·cm-3的双氧水溶液中,通过实验测定:在标准状况下放出气体的体积和时间的关系如图所示。
请依图回答下列问题:
(1)放出一半气体所需要的时间为____________。
(2)A、B、C、D各点反应速率快慢的顺序是________________。
(3)在5min后,收集到的气体体积不再增加,原因是______________________。
(4)过氧化氢溶液的初始物质的量浓度为__________(保留两位小数)。
【解析】(1)由图象可知,当放出一半气体所需要的时间为1 min;(2)反应物浓度大小决定反应速率大小,随着反应的进行,双氧水的浓度逐渐减小,反应速率也随着减小;(3)该反应为不可逆反应,在5 min后,收集到的气体体积不再增加,说明过氧化氢完全分解;
(4)由反应方程式为2H2O22H2O+O2↑可知,该反应为不可逆反应,在5 min后,收集到的气体体积不再增加,说明过氧化氢完全分解,由图象可知,生成氧气的体积为60 mL,
2H2O22H2O+O2↑
2 mol 22.4 L
n(H2O2) 0.06 L
n(H2O2)=≈0.005 36 mol,所以c(H2O2)=
≈0.11 mol·L-1。
答案:(1)1 min (2)D>C>B>A (3)此时双氧水已完全分解 (4)0.11 mol·L-1
【加固训练—拔高】
(2021·宣城模拟)把在空气中久置的铝片5.0 g投入盛有500 mL 0.5 mol·L-1的硫酸溶液的烧杯中,该铝片与硫酸反应产生氢气的速率与反应时间可用如图所示的坐标曲线来表示。
回答下列问题:
(1)曲线由O→a段不产生氢气的原因是________________________,有关反应的离子方程式为________________________。
(2)曲线由a→b段产生氢气的速率较慢的原因是__________________________,有关的化学方程式为________________________________。
(3)曲线由b→c段,产生氢气的速率增加较快的主要原因是_________________________________________。
(4)曲线由c以后,产生氢气的速率逐渐下降的主要原因是________________________。
【解析】(1)曲线由O→a段不产生氢气的原因是铝片表面有氧化铝,硫酸首先与表面的氧化铝反应,有关反应的离子方程式为Al2O3+6H+===2A13++3H2O;(2)曲线由a→b段产生氢气的速率较慢的原因是反应开始,温度较低且只有部分硫酸与铝片作用,有关的化学方程式为2Al+3H2SO4===Al2(SO4)3+3H2↑;(3)曲线由b→c段,产生氢气的速率增加较快的主要原因是铝片与硫酸反应放出热量使溶液温度升高,反应速率加快;(4)曲线由c以后,产生氢气的速率逐渐下降的主要原因是随着反应进行,硫酸浓度变小。
答案:(1)铝片表面有氧化铝,硫酸首先与表面的氧化铝反应 Al2O3+6H+===2A13++3H2O (2)反应开始,温度较低且只有部分硫酸与铝片作用 2Al+3H2SO4===Al2(SO4)3+3H2↑ (3)铝片与硫酸反应放出热量使溶液温度升高,反应速率加快 (4)随着反应进行,硫酸浓度变小
8.(2021·成都模拟)下列措施对增大反应速率明显有效的是( )
A.将炭块磨成炭粉用于燃烧
B.Zn与25%的稀硫酸反应制取H2时,改用98%的浓硫酸
C.在K2SO4与BaCl2两溶液反应时,增大压强
D.Na与无水乙醇反应时增大无水乙醇的用量
【解析】选A。固体的表面积越大,反应速率越大,将炭块磨成炭粉用于燃烧,反应速率增大,故A正确;浓硫酸和锌反应生成二氧化硫气体,故B错误;K2SO4与BaCl2两溶液反应时没有气体参加,而压强只改变有气体参加反应的化学反应速率,增大该反应的压强,反应速率不变,故C错误;增大无水乙醇的用量,反应物的浓度不变,反应速率不变,故D错误。
【加固训练—拔高】
(2021·十堰模拟)欲加快铁片与稀硫酸的反应速率,下列措施不可行的是( )
A.滴入适量的硫酸锌溶液
B.适当增大硫酸的浓度
C.将铁片改成铁粉
D.升高温度
【解析】选A。滴入适量的硫酸锌溶液,硫酸浓度降低,反应速率减小,故A错误;适当增大硫酸的浓度,氢离子浓度增大,反应速率增大,故B正确;将铁片改成铁粉,固体表面积增大,反应速率增大,故C正确;升高温度,活化分子百分数增大,反应速率增大,故D正确。
9.(2021·滁州模拟)冰箱致冷剂氟氯甲烷在高空中受紫外线辐射产生Cl原子,并进行下列反应:Cl+O3(臭氧)―→ClO+O2 ClO+O―→Cl+O2。下列说法不正确的是( )
A.反应将O3转变为O2
B.Cl原子是总反应的催化剂
C.氟氯甲烷是总反应的催化剂
D.Cl原子反复起分解O3的作用
【解析】选C。反应前是臭氧,反应后是氧气,Cl反应前后不变,所以Cl是催化剂,因此总反应为臭氧在Cl原子的催化作用下生成氧气,故A正确;从方程式可以看出,Cl反应前后不变,所以Cl是催化剂,故B正确;从方程式可以看出,Cl反应前后不变,所以Cl是催化剂,氟氯甲烷在高空中受紫外线辐射产生Cl原子而已,故C错误;臭氧在Cl原子的催化作用下生成氧气,Cl是催化剂,反应前后质量不变,Cl原子反复起分解O3的作用,故D正确。
10.(2021年河北适应性测试改编)一定条件下,反应H2(g)+Br2(g)===2HBr(g)的速率方程为v=kcα(H2)cβ(Br2)cγ(HBr),某温度下,该反应在不同浓度下的反应速率如下:
c(H2)/ (mol·L-1) | c(Br2)/ (mol·L-1) | c(HBr)/ (mol·L-1) | 反应 速率 |
0.1 | 0.1 | 2 | v |
0.1 | 0.4 | 2 | 8v |
0.2 | 0.4 | 2 | 16v |
0.4 | 0.1 | 4 | 2v |
0.2 | 0.1 | c | 4v |
根据表中的测定结果,下列结论错误的是( )
A.表中c的值为1
B.α、β、γ的值分别为1、2、-1
C.反应体系的三种物质中,Br2(g)的浓度对反应速率影响最大
D.在反应体系中保持其他物质浓度不变,增大HBr(g)浓度,会使反应速率降低
【解析】选B。速率方程为v=kcα(H2)cβ(Br2)cγ(HBr),将H2、Br2、HBr和速率都代入速率方程可以得到:①v=k×0.1α×0.1β×2γ、②8v=k×0.1α×0.4β×2γ、③16v=k×0.2α×0.4β×2γ、④2v=k×0.4α×0.1β×4γ、由①②得到β=,②③得到α=1,①④得到γ=-1,对于4v=k(0.2)α(0.1)βcγ(HBr)与①,将α=1,β=,γ=-1代入,解得c=1。根据分析,表中c的值为1,故A不符合题意;根据分析,α、β、γ的值分别为1、、-1,故B符合题意;由于v=kcα(H2)cβ(Br2)cγ(HBr),α、β、γ的值分别为1、、-1,则Br2(g)的浓度对反应速率影响最大,故C不符合题意;由于γ=-1,增大HBr(g)浓度,cγ(HBr)减小,在反应体系中保持其他物质浓度不变,会使反应速率降低,故D不符合题意。
11.以表面覆盖Cu2Al2O4的二氧化钛为催化剂,可以将CO2和CH4直接转化成乙酸。在不同温度下催化剂的催化效率与乙酸的生成速率如图所示。下列说法错误的是( )
A.250 ℃时,催化剂的活性最高
B.250~300 ℃时,温度升高而乙酸的生成速率降低的原因是催化剂的催化效率降低
C.300~400 ℃时,乙酸的生成速率升高的原因是催化剂的催化效率增大
D.300~400 ℃时,乙酸的生成速率升高的原因是温度升高
【解析】选C。A.图中250 ℃时乙酸生成速率与催化效率均较大,则工业上制备乙酸最适宜的温度应为250 ℃,故A正确;B.催化剂可加快反应速率,且温度太高使催化剂失去活性,则250~300 ℃时,温度升高而乙酸的生成速率降低的主要原因是催化剂的催化效率降低,故B正确;C.由300~400 ℃可知,乙酸生成速率与催化效率变化不同,催化剂的催化效率越低,乙酸的生成速率越大,故C错误;D.由300~400 ℃可知,催化剂的催化效率降低,则乙酸的生成速率升高的原因是温度升高,故D正确。
12.(2021·威海模拟)生产中可用双氧水氧化法处理电镀含氰废水,某化学兴趣小组模拟该法探究有关因素对破氰反应速率的影响(注:破氰反应是指氧化剂将CN-氧化的反应)。
【相关资料】
①氰化物主要是以CN-和[Fe(CN)6]3-两种形式存在。
②Cu2+可作为双氧水氧化法破氰处理过程中的催化剂;Cu2+在偏碱性条件下对双氧水分解影响较弱,可以忽略不计。
③[Fe(CN)6]3-较CN-难被双氧水氧化,且pH越大,[Fe(CN)6]3-越稳定,越难被氧化。
【实验过程】
在常温下,控制含氰废水样品中总氰的初始浓度和催化剂Cu2+的浓度相同,调节含氰废水样品不同的初始pH和一定浓度双氧水溶液的用量,设计如下对比实验:
(1)请完成以下实验设计表(表中不要留空格)。
实验 序号 | 实验 目的 | 初始 pH | V(废水 样品) /mL | V(CuSO4 溶液)/mL | V(H2O2) /mL | V(H2O) /mL |
① | 参考值 | 7 | 60 | 10 | 10 | 20 |
② | 初始pH 对v的 影响 | 12 | 60 | 10 | 10 | 20 |
③ | ________ | 7 | 60 | ________ | ________ | 10 |
实验测得含氰废水中的总氰浓度[以c(CN-)表示]随时间变化关系如图所示。
(2)实验①中20~60 min时间段反应速率:v(CN-)=________mol·L-1·min-1。
(3)实验①和实验②结果表明,含氰废水的初始pH增大,破氰反应速率减小,其原因可能是___________________________(填一点即可)。
【解析】(1)根据调节含氰废水样品不同的初始pH和一定浓度双氧水溶液的用量设计的实验,所以该实验的目的是探究初始pH和双氧水的浓度对破氰反应速率的影响,故③中V(CuSO4溶液)=10 mL,V(H2O2)=20 mL。
(2)v(CN-)=(1.4-0.7)mol·L-1÷(60-20) min=0.017 5 mol·L-1·min-1。
(3)pH越大[Fe(CN)6]3-越稳定,越难被氧化,反应速率越小;催化剂Cu2+会形成Cu(OH)2沉淀,影响了Cu2+的催化作用(或初始pH增大,[Fe(CN)6]3-较中性和酸性条件下更稳定,难以氧化)。
答案:(1)双氧水的浓度对破氰反应速率的影响
10 20 (2)0.017 5
(3)初始pH增大,催化剂Cu2+会形成Cu(OH)2沉淀,影响了Cu2+的催化作用(或初始pH增大,[Fe(CN)6]3-较中性和酸性条件下更稳定,难以氧化)
高考化学一轮复习课时作业二十三化学反应速率含解析 人教版: 这是一份高考化学一轮复习课时作业二十三化学反应速率含解析 人教版,共9页。试卷主要包含了在恒容密闭容器中发生反应等内容,欢迎下载使用。
二十三化学反应速率 高考化学一轮复习课时作业含解析新人教版: 这是一份二十三化学反应速率 高考化学一轮复习课时作业含解析新人教版,共9页。试卷主要包含了在恒容密闭容器中发生反应等内容,欢迎下载使用。
20化学反应速率 高考化学一轮复习课时作业含解析新人教版: 这是一份20化学反应速率 高考化学一轮复习课时作业含解析新人教版,共9页。试卷主要包含了选择题,非选择题等内容,欢迎下载使用。

