北京课改版八年级全册二、机械运动同步测试题
展开1.下列过程经历的时间最接近1s的是( )
A.普通手表的秒针转一周
B.人正常呼吸一次
C.通常情况下人体心脏跳动一次
D.人步行10m所用的时间
2.某学生在测量记录中忘记写单位,下列哪个数据的单位是mm( )
A.普通课本一张纸的厚度是7
B.茶杯的高度是10
C.物理书的长度是252
D.他自己的身高是16.7
3.关于误差,下列的说法中正确的是( )
A.只要认真测量就可以消除误差
B.多次测量求平均值,可以减小由于测量工具的原因所造成的误差
C.测量物体长度,刻度尺与物体没有放平,使测量值偏大,这属于误差
D.误差是不可避免的,只能尽量减小
4.为迎接中考体育技能测试,体育老师对全班同学进行了一次模拟考试。如图,停表显示的是一位同学跑完400m所用的时间,则该同学跑完400m所用的时间为 s。
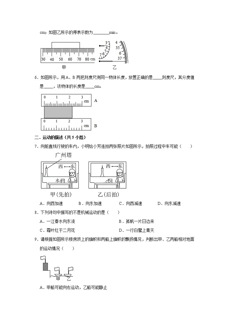
5.如图甲所示是小明用刻度尺测量物体的长度,其中所使用刻度尺的分度值为 ,物体的长度是 ,
cm;如图乙所示的停表示数为 min。
6.如图所示,用A、B两把刻度尺测同一物体长度,放置正确的是 刻度尺,其分度值是 ,该物体的长度是 cm。
二.运动的描述(共5小题)
7.向前直线行驶的车内,小明给小芳连拍两张照片如图所示,拍照过程中车可能( )
A.向西加速B.向东加速C.向西减速D.向东减速
8.下列诗句中描写的不是机械运动的是( )
A.一江春水向东流B.孤帆一片日边来
C.霜叶红于二月花D.一行白鹭上青天
9.请根据如图所示楼房顶上的旗帜和两船上旗帜的飘扬情况,判断出甲、乙两船相对地面的运动情况( )
A.甲船可能向右运动,乙船可能静止
B.甲船一定向右运动,乙船一定向左运动
C.甲船一定向右运动,乙船可能向左运动
D.甲船可能向右运动,乙船一定向左运动
10.停车场内,旅游车和卡车并列同方向停放。旅游车内的小金看着旁边的卡车,感觉旅游车在向后运动,可能发生的是( )
A.旅游车静止,卡车向后运动
B.旅游车向前运动,卡车静止
C.旅游车和卡车都向后运动,卡车运动更快
D.旅游车和卡车都向前运动,旅游车运动更慢
11.如图所示,是班上几个同学送小明乘火车去外地时的情景示意图。当火车徐徐开动时,小明坐在窗边,却看到站台上几个同学渐渐向后退去,他所选择的参照物是 ;以列车为参照物,小明是 ;站台上的同学们看到火车开动了,他们所选择的参照物是 。
三.运动的快慢(共5小题)
12.汽车速度是36千米/小时,优秀短跑运动员的速度是10米/秒,在平直公路上行驶的自行车每分钟通过0.6千米的路程,三者速度相比较( )
A.自行车的速度最大B.短跑运动员速度大
C.汽车速度最大D.三者速度一样大
13.一辆小车在平直的公路上行驶,在第1s内通过了5m,第2s内通过5m,第3s内通过5m,则这辆小车( )
A.在第1s内是做匀速直线运动
B.在这3s内可能做变速直线运动
C.在这3s内都做匀速直线运动
D.只在2s内做匀速直线运动
14.如图所示是新的“龟兔百米赛跑”的S﹣t图像,请根据这幅图像判断下列说法错误的是( )
A.比赛结果是乌龟获胜
B.比赛时,乌龟先出发
C.比赛途中,兔子和乌龟共相遇过三次
D.乌龟在比赛过程中在做匀速直线运动
15.A、B两物体运动的路程之比S1:S2=2:3,所用的时间之比t1:t2=1:2,则A、B的速度之比v1:v2为( )
A.1:3B.3:4C.3:1D.4:3
16.如图所示,“40”表示 ,在遵守交通规则的前提下,从看到这两个标志牌的地方到达“西大桥”,匀速行驶的汽车最快需 min。
四.测量平均速度(共3小题)
17.A地距B地220km,一轿车从A地出发行驶2h后,在中途休息30min继续出发,又过3h到达B地,则轿车从A地到B地的平均速度是( )
A.110km/hB.48.89km/hC.40km/hD.44km/h
18.“频闪摄影”是研究物体运动时常用的一种实验方法,摄影在暗室中进行,闪光灯每隔一定的时间闪光一次,底片就记录下这时物体的位置,如图是甲、乙两个网球从左向右运动时的频闪照片,则下列说法正确的是( )
A.甲球运动的时间比乙球短
B.甲球的运动速度基本保持不变
C.乙球的运动速度越来越小
D.甲、乙两球运动的时间基本相同
19.小宇同学骑自行车在平直的公路上行驶,第1s内通过的路程是2m,前2s内通过的路程是6m,第3s内通过的路程是6m,那么小宇同学在第2s内平均速度是 m/s,全程的平均速度是 m/s。
参考答案
一.长度和时间的测量(共6小题)
1.解:
A、普通手表的秒针转一周的时间是60s,所以A错误;
B、人正常呼吸一次3s左右,所以B错误;
C、通常情况下人体心脏1min跳动70次左右,跳动一次约1s,所以C正确;
D、人步行的速度大约1m/s,步行10m所用的时间大约10s,所以D错误。
故选:C。
2.解:
A、7mm接近一本书的厚度,普通课本一张纸的厚度约为0.07mm左右,故A不符合题意;
B、茶杯的高度是10cm=100mm左右,故B不符合题意;
C、物理书的长度约为25cm左右,即252mm左右,故C符合题意;
D、中学生的身高约为16.7dm=1670mm左右,故D不符合题意。
故选:C。
3.解:A、误差是由于所用仪器和测量方法的限制等因素所造成,它不可避免,只能尽量减小,不可能消除,故A错误。
B、多次测量求平均值可以减小误差,但不包括于测量工具的原因所造成的误差,故B错误。
C、测量物体长度,刻度尺与物体没有放平,使测量值偏大,这属于错误,不是误差,故C错误。
D、误差是客观存在的,只能在条件允许时尽可能的减小,而不可能避免;而错误是由于不正确做法而引起的,是可以避免的,故D正确。
故选:D。
4.解:
由图知:在停表的中间表盘上,1min中间有两个小格,所以一个小格代表0.5min,指针在“1”和“2”之间,偏向“2”一侧,所以分针指示的时间为1min;
在停表的大表盘上,1s之间有10个小格,所以一个小格代表0.1s,指针在39.8s处,所以秒针指示的时间为39.8s,即停表的读数为1min39.8s=99.8s。
故答案为:99.8。
5.解:
(1)由图可知,刻度尺的分度值为1cm,测量的起始刻度不是零刻度,而是40.0cm的刻线,物体的末端对着的刻度线为71.0cm,所以物体的长度即为两刻度值差L=71.0cm﹣40.0cm=31.0cm;
(2)秒表小盘的分度值是0.5min,指针在3min和4min之间,偏过中线;大盘的分度值是0.1s,而大盘指针在37.5s,
因此秒表读数为3min37.5s=3.625min。
故答案为:1cm;31.0;3.625。
6.解:
B刻度尺的刻度线一边没有紧靠被测物体;
A刻度尺两条相邻刻度线之间的距离(分度值)是1mm;
物体的长度是:2.21cm。
故答案为:A;1mm;2.21cm(2.20~2.25cm均可)。
二.运动的描述(共5小题)
7.解:
由图可知:以广州塔为参照物,小芳是向西运动的,所以车是向西行驶的,杯子中是水原来随车一起向西运动,当车突然减速时,杯内的水由于惯性要保持原来较快的速度向西运动,所以会向西溢出,故C正确。
故选:C。
8.解:
A、一江春水向东流,水流是水的位置的变化,是机械运动,故A不合题意;
B、孤帆一片日边来,船的位置在不断变化,是机械运动,故B不合题意;
C、霜叶红于二月花,与物体的位置变化无关,不是机械运动,故C符合题意;
D、一行白鹭上青天,白鹭的位置不断发生变化,是机械运动,故D不合题意。
故选:C。
9.解:图中岸上的旗杆相对于地面是静止的,旗向左飘,说明此时风向左吹;
甲船上的旗子向左,甲有三种可能:一是甲船可能静止,二是甲船可能向右运动,三是甲船可能向左运动但速度小于风速;
乙船上旗帜向右,说明它在向左运动且速度大于风速;
综上所述,只有选项D说法正确。
故选:D。
10.解:
旅游车和卡车并列同方向停放,相对于地面是静止的;
A、旅游车静止,卡车向后运动,以卡车为参照物,旅游车向前运动,故A不可能;
B、卡车静止,旅游车向前运动,以卡车为参照物,旅游车在向前运动,故B不可能;
C、旅游车和卡车都向后运动,卡车运动更快,以卡车为参照物,旅游车在向前运动,故C不可能;
D、旅游车和卡车都向前运动,旅游车运动更慢,以卡车为参照物,旅游车向后运动,故D可能。
故选:D。
11.解:当火车徐徐开动时,小明坐在窗边,却看到站台上几个同学渐渐向后退去,他所选择的参照物是火车,因为站台上的同学相对于火车,位置发生变化;
以列车为参照物,小明相对于列车的位置没有发生变化,所以小明是静止的;
站台上的同学们看到火车开动了,他们所选择的参照物是地面,因为火车相对于地面,位置发生变化。
故答案为:火车;静止的;地面。
三.运动的快慢(共5小题)
12.解:
汽车速度为36km/h,
运动员速度为10m/s=36km/h,
骑自行车速度为v===36km/h,
比较可知三者速度一样大。
故选:D。
13.解:匀速直线运动是指沿着直线且速度不变的运动。是指每时每刻速度均不发生变化,而在第1s内通过了5m,第2s内通过5m,第3s内通过5m,只能够说明在第1s内、第2s内、第3s内的平均速度相等,每时每刻速度可能发生变化,也可能不变。
故选:B。
14.解:
A、全程为100m,跑完全程时,乌龟用的时间长,所以乌龟输了,故A错误;
B、乌龟在0秒时出发,兔子在t1秒出发,所以乌龟先出发,故B正确;
C、路程相同,时间相同时,二者相遇,表现在图像上是两图像的交点,两图像共有三个交点,所以途中相遇三次,故C正确;
D、图像中,乌龟的运动图像为一条直线,所以为匀速直线运动,故D正确。
故选:A。
15.解:v1:v2=:=:=4:3。
故选:D。
16.解:(1)标志牌的含义:40代表从此地到西大桥最大速度不能超过40km/h;8km代表从此地到西大桥的路程是8km。
(2)根据
得==0.2h=12min
故答案为:
从此地到西大桥限速40km/h; 12min
四.测量平均速度(共3小题)
17.解:轿车从A地到B地的总时间:
t=2h+0.5h+3h=5.5h,
轿车从A地到B地的平均速度:
v===40km/h。
故选:C。
18.解:A与D、虽然甲、乙两球运动开始位置相同,在后面出现在同一位置,这只表示它们通过了相同的路程,但甲是摄影5次,乙是摄影3次,所以时间不同,甲球运动的时间比乙球长;故AD选项错误;
B、如图甲,甲球在相等的时间内通过的路程相同,甲球进行的是匀速直线运动。故B选项正确;
C、乙球在相等的时间内通过的路程不同,且在相同的时间里,通过的路程越来越长,即速度是越来越大;故C选项错误。
故选:B。
19.解:(1)第1s内通过的路程是2m,前2s内通过的路程是6m,则第2s内即第2个1s通过的距离为:
s=s2﹣s1=6m﹣2m=4m,
在第2s内平均速度是:
v===4m/s;
(2)前2s内通过的路程是6m,第3s内(第3个1s)通过的路程是6m,故前3s内通过的距离为:
s总=6m+6m=12m,
全程的平均速度是:
v总===4m/s。
故答案为:4;4。
初中物理人教版八年级上册第一章 机械运动综合与测试课时作业: 这是一份初中物理人教版八年级上册第一章 机械运动综合与测试课时作业,共16页。试卷主要包含了下列数据合理的是,如图中表示物体做匀速运动的是等内容,欢迎下载使用。
人教版八年级上册第一章 机械运动综合与测试综合训练题: 这是一份人教版八年级上册第一章 机械运动综合与测试综合训练题,共11页。试卷主要包含了关于误差,下列的说法中正确的是,下列运动中,不属于机械运动的是,关于匀速直线运动速度公式v=等内容,欢迎下载使用。
2021学年第一章 机械运动综合与测试复习练习题: 这是一份2021学年第一章 机械运动综合与测试复习练习题,共15页。试卷主要包含了“纳米等内容,欢迎下载使用。

