2022高考物理一轮复习课时专练 课时跟踪检测(三十四) 电磁感应中的电路和图象问题
展开课时跟踪检测(三十四) 电磁感应中的电路和图象问题
1.(多选)某技术有限公司生产的一款手机无线充电器内部结构示意如图甲所示。假设手机接收线圈获得的电压随时间变化关系如图乙所示,则发射线圈输入的电流随时间变化的关系图象可能是( )
解析:选CD 当手机接收线圈获得的电压为零时,则此时发射线圈的磁通量变化率为零,即it线的切线的斜率为零;同理当手机接收线圈获得的电压为最大时,则此时发射线圈的磁通量变化率为最大,即it线的切线的斜率最大;对比四个图可知,选项C、D正确,A、B错误。
2.如图所示,边长为2l的正方形虚线框内有垂直于纸面向里的匀强磁场。一个边长为l的正方形导线框所在平面与磁场方向垂直,导线框和虚线框的对角线共线。从t=0开始,使导线框从图示位置开始以恒定速度沿对角线方向进入磁场,直到整个导线框离开磁场区域。用I表示导线框中的感应电流,取逆时针方向为正,则下列表示It关系的图象中,大致正确的是( )
解析:选D 从t=0开始,线框的位移从0到l,导线框切割磁感线的有效长度线性增加,感应电流也线性增加;线框的位移从l到2l,线框完全进入磁场,无感应电流;线框的位移从2l到3l,导线框切割磁感线的有效长度线性减少,感应电流也线性减小。D正确。
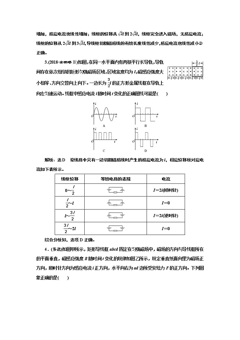
3.(2018·全国卷Ⅱ)如图,在同一水平面内有两根平行长导轨,导轨间存在依次相邻的矩形匀强磁场区域,区域宽度均为l,磁感应强度大小相等、方向交替向上向下。一边长为l的正方形金属线框在导轨上向左匀速运动。线框中感应电流i随时间t变化的正确图线可能是( )
解析:选D 设线路中只有一边切割磁感线时产生的感应电流为i,相应位移所对应电流如下表所示。
线框位移 | 等效电路的连接 | 电流 |
0~ | I=2i(顺时针) | |
~l | I=0 | |
l~ | I=2i(逆时针) | |
~2l | I=0 |
综合分析知,选项D正确。
4.(多选)如图甲所示,矩形导线框abcd固定在匀强磁场中,磁场的方向与导线框所在的平面垂直,磁感应强度B随时间t变化的规律如图乙所示,规定垂直纸面向里为磁场正方向,顺时针方向为感应电流i正方向,水平向右为ad边所受安培力F的正方向。下列图象正确的是( )
解析:选BD 0~1 s内,B增大,Φ增大,由楞次定律可知,感应电流方向是逆时针,为负值;1~3 s内,B减小,Φ减小,由楞次定律可知,感应电流方向是顺时针,为正值;3~4 s内,B减小,Φ减小,同理,感应电流方向为逆时针,为负值,故B正确,A错误;0~1 s内,ad边受安培力方向水平向右,为正值,1~3 s内,ad边受安培力方向水平向左,为负值,2~3 s内,ad也受安培力方向水平向右,为正值,3~4 s内,ad边受安培力方向水平向左,为负值,且每一时间段中,F=BIl,I,l不变,B线性变化,则F也是线性变化,故D正确,C错误。
5.半径为L的圆形边界内分布有垂直圆所在平面的磁场,垂直纸面向里的磁感应强度大小为2B,垂直纸面向外的磁感应强度大小为B,如图所示。AEO为八分之一圆导线框,其总电阻为R,以角速度ω绕O轴逆时针匀速转动。从图中所示位置开始计时,用i表示导线框中的感应电流(顺时针方向为正),线框中感应电流i随时间t变化图象可能是( )
解析:选B 当线框转过0~45°时,产生的感应电流为顺时针方向,电动势E=BωL2+·2BωL2=BωL2,感应电流I=;当线框转过45°~90°时,产生的感应电动势为零,感应电流为零;当线框转过90°~135°时,产生的感应电流为逆时针方向,电动势E=BωL2+·2BωL2=BωL2,感应电流I=;当线框转过135°~180°时,产生的感应电动势为零,感应电流为零;当线框转过180°~225°时,产生的感应电流为顺时针方向,电动势E=·2BωL2=BωL2,感应电流I=;当线框转过225°~270°时,产生的感应电动势为零,感应电流为零;当线框转过270°~315°时,产生的感应电流为逆时针方向,电动势E=·2BωL2=BωL2,感应电流I=;当线框转过315°~360°时,产生的感应电动势为零,感应电流为零,故选B。
6.如图所示,水平面内有一平行金属导轨,导轨光滑且电阻不计。匀强磁场与导轨平面垂直。阻值为R的导体棒垂直于导轨静止放置,且与导轨接触良好。t=0时,将开关S由1掷到2。q、i、v和a分别表示电容器所带的电荷量、棒中的电流、棒的速度和加速度。下列图象正确的是( )
解析:选D 当开关S由1掷到2时,电容器开始放电,此时电流最大,棒受到的安培力最大,加速度最大,此后棒开始运动,产生感应电动势,棒相当于电源,利用右手定则可判断棒的上端为正极,下端为负极;当棒运动一段时间后,电路中的电流逐渐减小,当电容器电压与棒两端电动势相等时,电容器不再放电,电路电流等于零,棒做匀速运动,加速度减为零,所以B、C错误,D正确。因为电容器两极板间有电压,电荷量q=CU不等于零,所以A错误。
7.两个有界匀强磁场如图所示,磁感应强度大小均为B,方向分别垂直于纸面向里和向外,磁场宽度均为L,距磁场区域的左侧L处有一边长为L的正方形导体线框,总电阻为R,且线框平面与磁场方向垂直。现用外力F使线框以速度v匀速穿过磁场区域,以初始位置为计时起点,规定电流沿逆时针方向时的电动势E为正,磁感线垂直纸面向里时磁通量Φ的方向为正,外力F方向向右为正。线框中的磁通量Φ、感应电动势E、外力F和电功率P随时间变化的图象正确的是图中的( )
解析:选D 线框向右运动距离为L时开始进入磁场,磁通量开始增大,当线框全部进入方向垂直向里的磁场时,磁通量达到最大,此后方向垂直向外的磁通量增大,总磁通量减小,当运动到2.5L时,磁通量为零,故选项A错误;当线框进入第一个磁场时,由E=BLv可知,E保持不变,而开始进入第二个磁场时,两边同时切割磁感线,电动势应为2BLv,故选项B错误;因安培力总是与运动方向相反,因此外力F方向应一直向右,故选项C错误;外力F的功率P=Fv,因速度不变,而线框进入第一个磁场时,电流为定值,F也为定值,两边分别在两个磁场中时,电流加倍,回路中总电动势加倍,功率变为原来的4倍,此后从第二个磁场中离开时,安培力应等于线框进入第一个磁场时的安培力,所以功率应等于进入第一个磁场时的功率,故选项D正确。
8.如图甲所示,一边长L=2.5 m、质量m=0.5 kg的正方形金属线框,放在光滑绝缘的水平面上,整个装置处在方向竖直向上、磁感应强度B=0.8 T的匀强磁场中,它的一边与磁场的边界MN重合。在水平力F作用下由静止开始向左运动,经过5 s线框被拉出磁场。测得金属线框中的电流随时间变化的图象如图乙所示,在金属线框被拉出的过程中,
(1)求通过线框的电荷量及线框的总电阻;
(2)分析线框运动性质并写出水平力F随时间变化的表达式;
(3)已知在这5 s内力F做功1.92 J,求在此过程中,线框产生的焦耳热是多少。
解析:(1)根据q=t,由It图象得q=1.25 C
又根据===
得R=4 Ω。
(2)由题图乙可知
感应电流随时间变化的规律:I=0.1t
由感应电流I=可得金属线框的速度随时间也是线性变化的,v==0.2t
可知线框做初速度为0的匀加速直线运动,
加速度a=0.2 m/s2
线框在外力F和安培力F安作用下做匀加速直线运动,
F-F安=ma
又F安=BIL
得F=(0.2t+0.1)N。
(3)5 s时,线框从磁场中拉出时的速度v5=at=1 m/s
由能量守恒得W=Q+mv52
线框中产生的焦耳热Q=W-mv52=1.67 J。
答案:(1)1.25 C 4 Ω (2)初速度为0的匀加速直线运动 F=(0.2t+0.1)N (3)1.67 J
9.(2020·辽宁大连模拟)有一磁场方向竖直向下,磁感应强度B随时间t的变化关系如图甲所示的匀强磁场。现有如图乙所示的直角三角形导线框abc水平放置,放在匀强磁场中保持静止不动。t=0时刻,磁感应强度B的方向垂直纸面向里,设产生的感应电流i顺时针方向为正、竖直边ab所受安培力F的方向水平向左为正。则下面关于F和i随时间t变化的图象正确的是( )
解析:选A 在0~3 s时间内,磁感应强度的大小随时间线性变化,由法拉第电磁感应定律可知,感应电动势恒定,回路中感应电流恒定, 同时由F=BIl知道,电流恒定,安培力与磁感应强度成正比, 又由楞次定律判断出回路中感应电流的方向应为顺时针方向,即正方向, 在3~4 s时间内,磁感应强度恒定,感应电动势等于零,感应电流为零,安培力等于零,故B、C错误,A正确;0~3 s时间内,磁感应强度的大小随时间线性变化,由法拉第电磁感应定律可知,感应电动势恒定,回路中感应电流恒定,故D错误。
10.(多选)如图所示,一个边长为L的正方形线圈置于边界水平的匀强磁场上方L处,磁场宽也为L,方向垂直纸面向里,由静止释放线圈且线圈平面始终与磁场方向垂直。如果从线圈的一条边刚进入磁场开始计时,下列关于通过线圈横截面的电荷量q、感应电流i、线圈运动的加速度a、线圈具有的动能Ek随时间变化的图象中,可能正确的是( )
解析:选ACD 若线圈进入磁场时受到的安培力等于所受的重力,则线圈匀速进入,感应电流恒定,由q=It可知,通过线圈横截面的电荷量均匀增大;线圈离开时,由楞次定律可知,感应电流方向改变,通过线圈横截面的电荷量均匀减小,故A项正确。由于线圈通过磁场时,线圈的宽度与磁场的宽度相等,故始终是一条边做切割磁感线运动,且速度不可能减小到零,所以线圈通过磁场的过程中不可能出现感应电流为零的情况,故B项错误。由于线圈进入磁场时重力也可能大于安培力,继续做加速运动;但速度增大安培力也增大,则加速度减小,当安培力增大到等于重力时,加速度变为零,故C项正确。如果线圈刚进入磁场时安培力就大于重力,则线圈做减速运动,速度减小则安培力减小,最后可能达到平衡,速度不变,动能不变,故D项正确。
11.(2019·广东广州模拟)如图所示,平行长直金属导轨水平放置,间距L=0.4 m,导轨左端接有阻值R=1 Ω的电阻,导体棒垂直放置在导轨上,且接触良好,导体棒及导轨的电阻均不计。导轨间正方形区域Oabc内有方向竖直向下的匀强磁场,磁感应强度的大小B=0.5 T,ac连线与导轨垂直,长度也为L。若使导体棒在导轨上始终以速度v=2 m/s做直线运动,以O为原点、Ob为x轴建立一维坐标系Ox。求:
(1)导体棒进入磁场区域时,回路中感应电流的最大值Im;
(2)导体棒通过磁场区域时,电流i与位置坐标x的关系式。
解析:(1)导体棒在ac位置时感应电动势最大Em=BLv①
感应电流最大值Im=②
代入数值,求得Im=0.4 A。③
(2)导体棒运动至Oac区域,即x≤0.2 m时,
有效长度l=2x④
感应电流i=2x A
导体棒运动至acb区域,即0.2 m≤x≤0.4 m时,有效长度l=2(0.4-x)⑤
感应电动势E=Blv=2Bv(0.4-x) V⑥
感应电流i=(0.8-2x) A⑦
综合④至⑦式,
得i=
答案:(1)0.4 A
(2)i=
12.(2020·泉州模拟)如图甲所示,两根完全相同的光滑平行导轨固定,每根导轨均由两段与水平面成θ=30°的长直导轨和一段圆弧导轨平滑连接而成,导轨两端均连接电阻,阻值R1=R2=2 Ω,导轨间距L=0.6 m。在右侧导轨所在斜面的矩形区域M1M2P2P1内分布有垂直斜面向上的磁场,磁场上下边界M1P1、M2P2的距离d=0.2 m,磁感应强度大小随时间的变化规律如图乙所示。t=0时刻,在右侧导轨斜面上与M1P1距离s=0.1 m处,有一根阻值r=2 Ω的金属棒ab垂直于导轨由静止释放,恰好独立匀速通过整个磁场区域,重力加速度g取10 m/s2,导轨电阻不计。求:
(1)ab在磁场中运动的速度大小v;
(2)在t1=0.1 s时刻和t2=0.25 s时刻电阻R1的电功率之比。
解析:(1)由mgs·sin θ=mv2
得v==1 m/s。
(2)金属棒从释放到运动至M1P1的时间
t==0.2 s
在t1=0.1 s时,金属棒还没进入磁场,
有E1==Ld=0.6 V
此时,R2与金属棒并联后再与R1串联
R串=3 Ω
U1=R1=0.4 V
由题图乙可知,t=0.2 s后磁感应强度大小保持不变,ab经过磁场的时间t′==0.2 s
故在t2=0.25 s时,ab还在磁场中运动,电动势E2=BLv=0.6 V
此时R1与R2并联,R总=3 Ω,得R1两端电压U1′=0.2 V
电功率P=,故在t1=0.1 s和t2=0.25 s时刻电阻R1的电功率比值==4。
答案:(1)1 m/s (2)4
高考物理复习 课时过关题33 电磁感应中的电路和图象问题(含答案解析): 这是一份高考物理复习 课时过关题33 电磁感应中的电路和图象问题(含答案解析),共8页。试卷主要包含了R2消耗的电功率之和相等.则等内容,欢迎下载使用。
高中物理高考 5 题型探究课(一) 电磁感应中的电路和图象问题 题型专练巩固提升: 这是一份高中物理高考 5 题型探究课(一) 电磁感应中的电路和图象问题 题型专练巩固提升,共3页。
高考物理一轮复习专题突破练习10电磁感应中的电路和图象问题含答案: 这是一份高考物理一轮复习专题突破练习10电磁感应中的电路和图象问题含答案,共10页。试卷主要包含了1t等内容,欢迎下载使用。

