高中化学鲁科版 (2019)选择性必修1第3节 电能转化为化学能——电解课后复习题
展开1.用电解氧化法可以在铝制品表面形成致密、耐腐蚀的氧化膜,电解质溶液一般为混合溶液。下列叙述错误的是( )
A.待加工铝质工件为阳极
B.表面生成的致密氧化膜不溶于稀硫酸
C.阴极的电极反应式为
D.硫酸根离子在电解过程中向阳极移动
2.下列关于如图所示装置的叙述中正确的是( )
A.甲、乙装置中的锌片都作负极
B.甲、乙装置中溶液内的都在铜片被还原
C.甲、乙装置中锌片上发生的及应都是还原反应
D.甲装置中铜片上有气泡生成,乙装置中铜片质量减小
3.某同学将电解池工作时电子、离子流动方向及电极种类等信息表示在图中,下列有关分析完全正确的是( )
A.AB.BC.CD.D
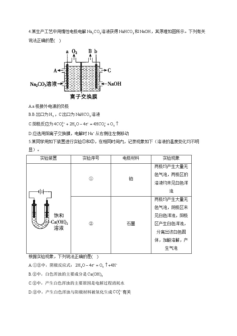
4.某生产工艺中用惰性电极电解溶液获得和NaOH,其原理如图所示。下列有关说法正确的是( )
A.a极接外电源的负极
B.B出口为,C出口为溶液
C.阳极反应为
D.应选用阳离子交换膜,电解时从右侧往左侧移动
5.某同学用如下装置进行实验①和②,在相同时间内,记录现象如下(溶液的温度变化均不明显)。
根据实验现象,下列说法正确的是( )
A.①②中,阴极反应式:
B.②中,白色浑浊的主要成分是
C.②中,产生白色浑浊的主要原因是电解过程消耗水
D.②中,产生白色浑浊与阳极材料被氧化生成有关
6.某课题组设计如图装置模拟“人工光合作用”电化学实验装置。该装置能将和转化为和糖类。下列说法正确的是( )
A.直流电源的b极为负极
B.该装置工作时,由交换膜左侧向右侧迁移
C.电化学催化剂的电极反应式为
D.每生成18.0 g,同时放出13.44 L
7.碳纳米管能够吸附氢气,可做二次电池的碳电极。该电池的电解质溶液为8KOH溶液,下列说法中正确的是( )
A.放电时镍电极发生氧化反应
B.充电时将碳电极与电源的正极相连
C.充电时碳电极反应式为
D.放电时镍电极反应式为
8.溶于海水的主要以4种无机碳形式存在,其中占95%,利用图示装置从海水中提取,有利于减少环境中的温室气体含量。下列说法正确的是( )
A.a室排出的是NaOH、等碱性物质
B.装置中产生的和提取的的体积比约为1:4
C.c室发生的反应为
D.电路中每有0.2ml电子通过时,就有0.2ml阳离子从c室移至b室
参考答案
1.答案:C
解析:铝的阳极氧化法表面处理技术中,金属铝是阳极材料,A正确;电解质溶液中含有硫酸,说明表面生成的致密氧化膜不溶于稀硫酸,B正确;阴极上氢离子发生得电子的还原反应,电极反应式为,C错误;在电解池中,阳离子向阴极移动,阴离子向阳极移动,所以硫酸根离子在电解过程中向阳极移动,D正确。
2.答案:D
解析:乙为电解池装置,锌片为阴极,故A错误;乙为电解池装置,溶液内的在阴极锌片上被还原,故B错误;甲为原电池,锌片为负极,发生氧化反应,故C错误;甲装置中铜片为正极,在铜片上得电子被还原为氢气,乙装置中铜片为阳极,发生氧化反应,铜片质量减小,故D正确。
3.答案:B
解析:根据题图知,该装置有外接电源,所以属于电解池,根据电子流向知,c是负极,d是正极,a是阴极,b是阳极,电解时,电解质溶液中阳离子向阴极移动,阴离子向阳极移动,则Q是阳离子,P是阴离子,故B正确。
4.答案:C
解析:根据题图所示,a极逸出,是溶液中水电离出的失去电子发生氧化反应,故a极为阳极,应接外电源的正极,A错误;阴极反应为,B出口为,C出口为氢氧化钠溶液,B错误;A出口为溶液,阳极反应为,C正确;阳极区的需要向阴极区迁移,应选用阳离子交换膜,电解时从左侧往右侧移动,D错误。
5.答案:D
解析:利用惰性电极电解饱和溶液,在阴极,氢离子得电子生成氢气,电极反应式为,A错误;②中阳极区产生白色浑浊,分离出该白色固体,加酸溶解,产生气泡,说明该白色浑浊的主要成分为碳酸钙,B错误;②中阳极上氢氧根离子失电子生成氧气,氧气与电极材料石墨反应生成二氧化碳,二氧化碳与氢氧化钙反应生成碳酸钙,这是产生白色浑浊的主要原因,C错误,D正确。
6.答案:C
解析:如图所示,转化成,发生了氧化反应,故光催化剂电极为阳极,与阳极相连的b极为正极,A项错误;光催化剂的电极反应式为,电化学催化剂电极为阴极,由交换膜右侧向左侧迁移,B项错误;电化学催化剂电极上发生还原反应,中碳的平均化合价为0价,电极反应式为,C项正确;由于没有注明“标准状况”,故不能计算放出的体积,D项错误。
7.答案:D
解析:根据图中电子流向可知,放电时镍电极为正极,发生还原反应,A项错误;充电时碳电极为阴极,应与外接电源的负极相连, B项错误;充电时碳电极(阴极)的反应式为,C项错误;放电时镍电极反应式为,D项正确。
8.答案:B
解析:a室中电离出的放电产生和,通过阳离子透过膜向b室移动,a室不会产生NaOH、等碱性物质,A错误;a室电极反应为,产生同时产生,与反应,产生,相同条件下,气体的物质的量之比等于其体积之比,因此产生的和提取的的体积比约为1:4,B正确;c室电极与电源负极相连,是电解池的阴极,电极反应为,C错误;电解池中阳离子应向阴极移动,即阳离子由b室移至c室,D错误。
选项
A
B
C
D
a电极
阳极
阴极
阳极
阴极
d电极
正极
正极
负极
负极
Q离子
阳离子
阳离子
阴离子
阴离子
实验装置
实验序号
电极材料
实验现象
①
铂
两极均产生大量无色气泡,两极区的溶液均未见白色浑浊
②
石墨
两极均产生大量无色气泡,阴极区未见白色浑浊,阳极区产生白色浑浊,分离出该白色固体,加酸溶解,产生气泡
高中化学鲁科版 (2019)选择性必修1第3节 电能转化为化学能——电解课后作业题: 这是一份高中化学鲁科版 (2019)选择性必修1第3节 电能转化为化学能——电解课后作业题,共6页。试卷主要包含了电解池中,阳极的电极材料一定,用石墨作电极,电解碘化钾溶液等内容,欢迎下载使用。
高中化学鲁科版 (2019)选择性必修1第3节 电能转化为化学能——电解当堂检测题: 这是一份高中化学鲁科版 (2019)选择性必修1第3节 电能转化为化学能——电解当堂检测题,共7页。试卷主要包含了某同学欲完成反应等内容,欢迎下载使用。
高中化学人教版 (2019)选择性必修1第二节 电解池课时作业: 这是一份高中化学人教版 (2019)选择性必修1第二节 电解池课时作业,共4页。试卷主要包含了单选题,填空题等内容,欢迎下载使用。

