新疆乌鲁木齐市2018年中考化学试题(Word版,含答案)
展开
2018 年乌鲁木齐市初中毕业生学业水平测试
化学、物 理 试 卷(问卷)
注意事项:
1.本试卷分化学和物理两部分,共 8 页。答题可使用计算器。
2.答题前,考生须将自己的姓名、准考证号、考场号、座位号填写在指定的位置上。
3.选择题的每小题选出答案后,用 2B 铅笔把答题卡上对应题目的答案标号涂黑。如需 改动,用橡皮擦干净后,再选涂其它答案标号。非选择题须用黑色字迹的签字笔按照题号顺序 在答题卡上的答题区域内作答。在草稿纸、本问卷上答题无效。
4.作图须用黑色字迹的签字笔。
5.考试结束后,将本试卷和答题卡一并交回。
化学问卷(共 60 分)
可能用到的相对原子质量:H—l C—12 0—16 Na—23
一、选择题(本题共 10 个小题,每小题 2 分,共 20 分。每小题只有一个选项符合题意)
1.2018 年中国环境日的主题是“魅力中国,我是行动者”,每一位同学都应具有环保意识, 成为建设“美丽中国”的行动者,下列做法与之相违背的是
A. 课间集体出操,随手关闭电灯 B. 自带布袋购物 C. 共享单车出行 D. 野外焚烧垃圾
2.下列实验操作正确的是
A. 倾倒液体 B. 点燃酒精灯 C. 读取液体体积 D. 移走蒸发皿
3.下列化学符号或符号中“2”的含义表述正确的是
A. 2H—2 个氢元素 B. O2—2 个氧原子
C. 2N2—2 个氮分子 D. CO2—二氧化碳中含有 2 个氧原子
4.学习化学以后,我们对水有了更全面的认识。下列说法不正确的是
A. 在自来水厂净化水的过程中,发生的变化都是物理变化 B. 煮沸可以降低水的硬度
C. 水是一种氧化物
D. 电解水时在负极得到氢气
5.茶叶中含有维生素 C,其化学式为 C6H8O6。下列说法正确的是
A. 维生素 C 是一种无机化合物 B. 维生素 C 中碳元素的质量分数最大 C. C6H8O6 中碳、氧元素的质量比为 1:1 D. 一个 C6H8O6 分子中含有 20 个原子
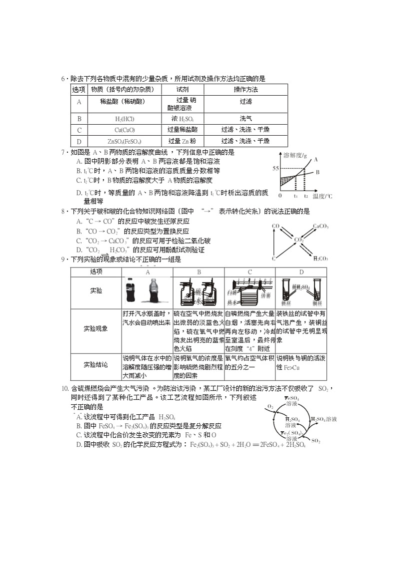
6.除去下列各物质中混有的少量杂质,所用试剂及操作方法均正确的是
选项 | 物质(括号内的为杂质) | 试剂 | 操作方法 |
A | 稀盐酸(稀硝酸) | 过量 硝酸银溶液 | 过滤 |
B | H2(HCl) | 浓 H2SO4 | 洗气 |
C | Cu(CuO) | 过量稀盐酸 | 过滤、洗涤、干燥 |
D | ZnSO4(FeSO4) | 过量 Zn 粉 | 过滤、洗涤、干燥 |
7.如图是 A、B 两物质的溶解度曲线,下列信息中正确的是
A. 图中阴影部分表明 A、B 两溶液都是饱和溶液 B. t1℃时,A、B 两饱和溶液的溶质质量分数相等 C. t2℃时,B 物质的溶解度大于 A 物质的溶解度
D. t2℃时,等质量的 A、B 两饱和溶液降温到 t1℃时析出溶质的质
量相等
8.下列关于碳和碳的化合物知识网络图(图中“→” 表示转化关系)的说法正确的是 A.“C → CO”的反应中碳发生还原反应
B.“CO → CO2”的反应类型为置换反应
C.“CO2 → CaCO3”的反应可用于检验二氧化碳 D.“CO2 H2CO3”的反应可用酚酞试剂验证
9.下列实验的现象或结论不正确的一组是
10. 含硫煤燃烧会产生大气污染。为防治该污染,某工厂设计的新的治污方法不仅吸收了 SO2, 同时还得到了某种化工产品。该工艺流程如图所示,下列叙述
不正确的是
A. 该流程中可得到化工产品 H2SO4
B. 图中 FeSO4 → Fe2(SO4)3 的反应类型是复分解反应 C. 该流程中化合价发生改变的元素为 Fe、S 和 O
D. 图中吸收 SO2 的化学反应方程式为:Fe2(SO4)3 + SO2 + 2H2O == 2FeSO4 + 2H2SO4
二、填空题(本题共 3 个小题,共 20 分)
11.(6 分)化学与科技、社会、文化密切相关。完成下列问题:
(1)右图是我国能源消费结构比例。我国能源消费占比最小的化 石燃料是 ① 。除水能、风能、核能外,人们正在利用和开发的能源 还有 ② 。
(2)端午节是我国重要的传统节日之一。“粽子香,香厨房。艾叶香, 香满堂。”这是描写端午节习俗的民谣。香飘满堂说明分子具有的性
质是 ① 。粽子馅料可用多种食材,包括糯米、瘦肉、花生等,其中富含糖类的是 ② 。
(3)汉语中很多成语都与化学有关。“釜底抽薪”原意是把柴火从锅底抽掉,该方法能 阻断燃烧的原因是 ① 。釜是古代的一种金属锅具,用釜煮熟食物是利用了金属的 ② 性。
12.(8 分)明确宏观现象的微观本质是学习化学的重要思想方法。
(1)如图是钾原子和硫原子的结构示意图,请回答:
i. x 的数值是 。
ii. 钾原子在化学反应中易 电子(填“得到”或“失去”)。
iii. 钾元素和硫元素形成的化合物硫化钾的化学式是 。
(2)右图是硫酸铜溶液与锌粒反应前后溶液中主要离子变化示意图。
i. 锌与硫酸铜溶液发生反应过程中变化的微观粒子是 。
ii. 反应中过量的物质是 (写化学式)。
iii. 该反应的化学方程式为 ① ,反应现象为 ② 。
13(.
6 分)CaCl2 应用广泛,以石灰石(杂质主要是 Fe2O3、MgSO4)为原料生产 CaCl2 的流程如下:
(1)氧化铁和盐酸反应的化学方程式为 。
(2)过滤操作中用到的玻璃仪器有烧杯、玻璃棒和 。
(3)滤液 1 中的溶质有 HCl、FeCl3、MgSO4 和 。
(4)写出滤液 1 中加入 BaCl2 发生的化学反应方程式 。
(5)滤液 2 中加入 Ca(OH)2 可以除去 HCl、MgCl2 和 。
(6)滤液 3 呈碱性,为使溶液 pH 降低,可加入适量的 。
三、实验探究及计算(本题共 3 个小题,共 20 分)
14.(7 分)根据下图所示实验装置回答问题:
(1)标号为 a 的仪器名称是 。
(2)实验室用氯酸钾制取较纯净的氧气,选择的发生装置和收集装置是 ① (填字母),
反应的化学方程式是 ② 。其中氯酸钾中氯元素的化合价是 ③ 。若制得的氧气不纯净,其原 因可能是 ④ 。
(3)实验室用锌粒和稀硫酸反应制取氢气,若用 G 装置收集氢气,气体应从 ① (填“m” 或“n”)处通入。制取二氧化碳可选 B 作为发生装置。如果把 B 中带单孔塞的导管换成 C, 其优点是 ② (写 1 点)。
15.(9 分)超市出现了一种含“污渍爆炸盐”的新产品(如图),能清除衣服上难以清洗的汗 渍、果汁渍。它的特殊的名称让小明对它产生了探究的兴趣。
(1)小明在超市的 区域购买了此产品。
(2)阅读产品标签:“污渍爆炸盐”是一种衣物助洗剂,主
要成分是过碳酸钠,能在瞬间去除洗衣液难以除去的多种顽固污 渍……,本产品不伤衣物,无磷是它的一大优点。含磷洗涤剂对环 境的危害是 。
(3)查阅资料:过碳酸钠(Na2CO4)是白色结晶颗粒,溶于水 会产生碳酸盐和其它化合物。
(4)合理猜想其它化合物为:
i. NaOH;ii. H2O2;iii. NaOH 和 H2O2;小明做出以上猜想的理论依据是 。
(5)实验设计:探究“污渍爆炸盐”水溶液的成分,完成下列表格。 已知:Mg(OH)2 是难溶于水的白色固体。
实验步骤 | 实验现象 | 实验结论 |
步骤 1:取少量“污渍爆炸盐”于烧杯中,加入足 量蒸馏水,充分搅拌。 |
固体完全溶解,形成无色溶液 |
|
步骤 2:取少量步骤 1 形成的溶液于试管中,再加 入 ① , 振荡,静置。 |
白色沉淀 |
含有 Na2CO3 |
步骤 3:取少量步骤 2 试管中的上层清液于另一支 试管中,再滴加少量 MgCl2 溶液,振荡。 |
无明显现象 |
② |
步骤 4:另取一支试管,加入少量步骤 1 形成的溶 液,再加入 ③ , 将带火星木条伸入试管中。 |
④ |
含有 H2O2 |
(6)实验结论:猜想 ① 正确。写出过碳酸钠与水反应的化学方程式: ② 。
△
16.(4 分)碳酸氢钠用于焙制糕点,在 270℃时分解 2NaHCO3=Na2CO3+H2O+CO2 ↑。现取
NaHCO3 16.8g,在敞口容器中加热到质量不再改变。计算容器中剩余固体物质的质量(计算结 果保留一位小数)。
2022年新疆乌鲁木齐市沙依巴克区中考三模化学试题(PDF版 无答案): 这是一份2022年新疆乌鲁木齐市沙依巴克区中考三模化学试题(PDF版 无答案),共4页。
2023年新疆乌鲁木齐市中考二模化学试题: 这是一份2023年新疆乌鲁木齐市中考二模化学试题,共4页。
2023年新疆乌鲁木齐市中考一模化学试题: 这是一份2023年新疆乌鲁木齐市中考一模化学试题,共4页。

