2020年吉林省中考物理试卷
展开
2020年吉林省中考物理试卷
题号
一
二
三
四
五
六
总分
得分
一、单选题(本大题共6小题,共12.0分)
1. 2020年6月21日,我国迎来一次天象奇观--“金边日食”。日食的形成原因是( )
A. 光的直线传播 B. 光的反射 C. 光的折射 D. 光的色散
2. 冬捕时,刚打捞上来的鱼,体表的水会迅速结冰。冰的形成属于( )
A. 汽化 B. 液化 C. 凝固 D. 凝华
3. 如图所示,能正确地测出小灯泡L2电流的电路是( )
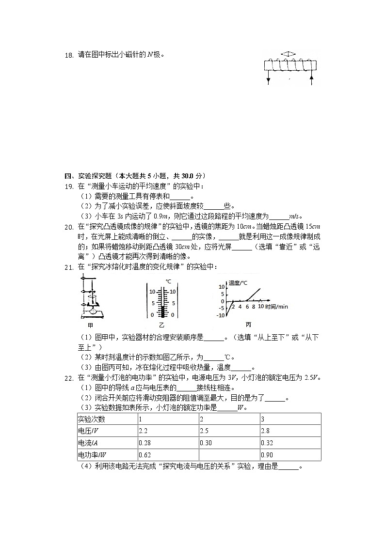
A. B.
C. D.
4. 下列与中学生实际最相符的数据是( )
A. 体重约为50N B. 正常体温约为36.5℃
C. 手掌宽度约为20cm D. 百米赛跑成绩约为60s
5. 下列做法中,属于防止惯性带来危害的是( )
A. 行车时要保持车距 B. 跳远时要快速助跑
C. 拍打衣服除去灰尘 D. 将盆中的水泼出去
6. 如图所示。电源电压不变。闭合开关后,将滑动变阻器的滑片向右移动时,电路中( )
A. 电流表的示数变大 B. 电压表的示数不变
C. 电路的总电阻变小 D. 小灯泡的亮度变暗
二、填空题(本大题共9小题,共18.0分)
7. 漫步湖边,看到水中的“鱼儿”,是由于光的______形成的______像。
8. 如图所示,松花江上,鼓声阵阵,百舸争流。鼓声是由鼓面的______产生的。船桨是一种______杠杆。
9. 如图是人们常用的插线板。可以用______来判断插孔接的是火线还是零线;当把三脚插头插入三孔插座中时,用电器的金属外壳就会与______相连。以防止触电事故的发生。
10. 如图是小明同学设计的简易实验装置,用手握住烧瓶的外壁,会看到液柱向左移动。这是因为空气受热膨胀对液柱做功,将______能转化为机械能,此时瓶中空气的密度______。
11. 2020年6月23日我国北斗三号最后一颗全球组网卫是成功发射。卫星使用大阳能电池板供电,大阳能属于______能源;北斗卫星导航系统通过发射和接收______,将为全球用户提供全天候、全天时的定位,导航和授时服务。
12. 小明同学在山顶喝完矿泉水后拧紧瓶盖,把空矿泉水瓶带回山底时发现瓶子变瘪了。此现象说明大气压随______而变化。同时说明力可以改变物体的______。
13. 如图所示,是家中晾衣服的场地。免钉晾衣杆是通过调节长度使其两端紧紧压在墙面上,与墙面间产生______力,从而不会掉落。湿衣服变干了,是______现象。
14. 如图是某电热水壶铭牌上的部分信息。该电热水壶在额定电压下工作100s。消耗的电能是______J;它是利用电流的______效应工作的。
15. 如图所示,用200N的拉力F把300N的重物匀速提升2m,此对拉力F所做的功为______J.该动滑轮的机械效率为______。
三、作图题(本大题共3小题,共6.0分)
16. 请在图中画出北京冬奥会吉祥物所受重力的示意图。
17. 请在图中画出入射光线AO的反射光线。
18. 请在图中标出小磁针的N极。
四、实验探究题(本大题共5小题,共30.0分)
19. 在“测量小车运动的平均速度”的实验中:
(1)需要的测量工具有停表和______。
(2)为了减小实验误差,应使斜面坡度较______些。
(3)小车在3s内运动了0.9m,则它通过这段路程的平均速度为______m/s。
20. 在“探究凸透镜成像的规律”的实验中,透镜的焦距为10cm。当蜡烛距凸透镜15cm时,在光屏上能成清晰的倒立、______的实像,______就是利用这一成像规律制成的;如果将蜡烛移动到距凸透镜30cm处,应将光屏______(选填“靠近”或“远离”)凸透镜才能再次得到清晰的像。
21. 在“探究冰熔化时温度的变化规律”的实验中:
(1)图甲中,实验器材的合理安装顺序是______。(选填“从上至下”或“从下至上”)
(2)某时刻温度计的示数如图乙所示,为______℃。
(3)由图丙可知,冰在熔化过程中吸收热量,温度______。
22. 在“测量小灯泡的电功率”的实验中,电源电压为3V,小灯泡的额定电压为2.5V。
(1)图中的导线a应与电压表的______接线柱相连。
(2)闭合开关前应将滑动变阻器的阻值调至最大,目的是为了______。
(3)实验数据如表所示,小灯泡的额定功率是______W。
实验次数
1
2
3
电压/V
2.2
2.5
2.8
电流/A
0.28
0.30
0.32
电功率/W
0.62
0.90
(4)利用该电路无法完成“探究电流与电压的关系”实验,理由是______。
23. 在“探究浮力的大小跟哪些因素有关”的实验中,实验过程如图所示,其中弹簧测力计示数的大小关系是:F1>F2>F3,F3<F4,水的密度用ρ水表示。
(1)比较______两图可知,浮力的大小跟物体排开液体的体积有关。
(2)比较丙、丁两图可知,浮力的大小跟______有关。
(3)分析甲、丙两图可得,物体浸没在水中时受到的浮力F浮=______,物体的密度ρ物=______。
(4)深入分析丙、丁两图,比较水对烧杯底的压强p水,和某液体对烧杯底的压强p液的大小关系,则p水______p液。
五、简答题(本大题共1小题,共5.0分)
24. 电冰箱内冷冻室的压缩机(电动机)和冷藏室的照明灯是串联的还是并联的?并说出判断的理由。
六、计算题(本大题共4小题,共32.0分)
25. 如图所示,电源电压不变,R2的电阻为20Ω,闭合开关后,电压表的示数为2V,电流表的示数为0.2A。
求:(1)R1的电阻;
(2)电源电压。
26. 放在水平桌面上的玻璃杯,质量为0.4kg,与桌面的接触面积为2×10-3m2。
求:(1)玻璃杯受到的重力;
(2)玻璃杯对桌面的压强。(g取10N/kg)
27. 使用酒精湿巾擦手时,人们会闻到酒精的气味。请用分子动理论观点解释发生这种现象的原因。
28. 如图所示,在两个靠得较近的小车上分别放一根条形磁体,松手后,两个小车同时向相反方向运动。请写出此情境中涉及到的两个物理知识。
答案和解析
1.【答案】A
【解析】解:当太阳、月球、地球位于同一直线上,月球处于太阳与地球之间时,沿直线传播的太阳光被不透明的月球挡住,在月球的后面阳光照不到的地球上,形成影,在地球上看不到太阳,便形成日食。故A正确,BCD错误。
故选:A。
根据光在同一均匀介质中是沿直线传播的分析解答;日食是光的直线传播的一个实例。
本题主要考查的是光在同种均匀介质中沿直线传播现象的应用,知道日食的成因是本题的解题关键,我们要能够根据我们所学的物理知识来解释生活中的物理现象。
2.【答案】C
【解析】解:冰是鱼表面的水遇冷凝固形成的,故ABD错误、C正确。
故选:C。
物质由气态直接变为固态叫凝华,物质由固态直接变为气态叫升华;由气态变为液态叫液化,由液态变为气态叫汽化;由固态变为液态叫熔化,由液态变为固态叫凝固。
本题考查学生对生活中物态变化的分析,分析生活中的热现象属于哪种物态变化,关键要看清物态变化前后,物质各处于什么状态。
3.【答案】C
【解析】解:A、由图示电路图可知,电流表正负接线柱接反了,也没与L2串联,故不能测出小灯泡L2的电流,故A错误;
B、由图示电路图可知,电流表测量的是两灯泡并联后的总电流,不能测出通过小灯泡L2的电流,故B错误;
C、由图示电路图可知,电流表与小灯泡L2串联,且电流从正极流入,负极流出,测量通过小灯泡L2的电流,故C正确;
D、由图示电路图可知,电流表与小灯泡L2并联,测量的是通过小灯泡L1的电流,不能测出通过小灯泡L2的电流,故D错误。
故选:C。
根据电流表与被测用电器并联,并且流入电流表的电流必须从正接线柱流入,负接线柱流出对四个选项逐一分析,即可找出正确选项。
本题考查电流表的正确使用方法的辨别情况,本题的关键是观察电流表的连接方式和正负接线柱的接法。
4.【答案】B
【解析】解:A、中学生的质量在50kg左右,受到的重力大约为G=mg=50kg×10N/kg=500N左右,故A不符合实际;
B、正常情况下,人的体温在36℃~37℃之间,变化幅度很小,故B符合实际;
C、中学生手掌宽度在8cm左右,故C不符合实际;
D、中学生百米成绩一般在16s左右,故D不符合实际。
故选:B。
不同物理量的估算,有的需要凭借生活经验,有的需要简单的计算,有的要进行单位的换算,最后判断最符合实际的是哪一个。
物理与社会生活联系紧密,多了解一些生活中的常见量的值可帮助我们更好地学好物理,同时也能让物理更好地为生活服务。
5.【答案】A
【解析】解:
A、行车时要保持车距防止遇到紧急情况,车由于惯性仍要保持原来的运动状态,不能马上停下来,易发生追尾事故,是防止惯性带来的危害,故A符合题意;
B、助跑的目的是让运动员在起跳前有一个较大的速度,起跳时,人由于惯性还要保持他起跳前的速度,从而能跳的更远,这是利用了惯性,故B不合题意;
C、拍打衣服前,衣服和灰尘一起静止,当拍打时,衣服运动,灰尘由于惯性还要保持原来的静止状态,所以灰尘从衣服上掉下来,是利用惯性,故C不合题意;
D、将盆中的水泼出去,水不再受到力的作用,但由于惯性,仍要保持原来的运动状态,从而将水泼出,是利用惯性,故D不合题意。
故选:A。
惯性是指任何物体都有保持原来运动状态的性质;我们可以利用惯性,有时候要注意防止惯性带来的危害,注意区分。
知道任何物体在任何情况下都具有惯性,会用惯性知识解释生活中相关的现象。
6.【答案】B
【解析】解:
ABC、由图知,灯泡与滑动变阻器并联,电压表测电源电压,则滑片向右移动时,电压表示数不变,故B正确;
电流表测通过变阻器的电流,将滑动变阻器的滑片向右移动时,变阻器连入电路的电阻变大,由欧姆定律I=可知,通过变阻器的电流变小,即电流表的示数变小,故A错误;
变阻器连入电路的电阻变大,根据并联电路电阻的规律可知,电路的总电阻也变大,故C错误;
D、因并联电路各支路互不影响,所以滑片向右移动时,通过灯的电流和实际功率不变,则灯的亮度不变,故D错误。
故选:B。
ABC、由图知,灯泡与滑动变阻器并联,电压表测电源电压,因电源电压不变,据此可知电压表示数的变化;
电流表测通过变阻器的电流,将滑动变阻器的滑片向右移动时,分析变阻器连入电路的电阻变化,由欧姆定律I=确定通过变阻器的电流变化;
根据并联电路电阻的规律分析电路的总电阻变化;
D、根据并联电路各支路互不影响分析灯的亮度的变化。
本题为电路变化综合题,考查了并联电路的规律及欧姆定律的应用。
7.【答案】折 虚
【解析】解:鱼儿是在水中的实际物体,是由于光线从水中通过空气折射进入了人的眼睛,我们看到水中的鱼,其实看到的是鱼的虚像,是由光的折射形成的。
故答案为:折;虚。
我们看到水中的物体,其实看到的是物体的虚像,是由光的折射形成的。
此题主要考查了光的折射现象,属于基础题目,难度不大。
8.【答案】振动 费力
【解析】解:(1)声音是由物体的振动产生的,鼓声是由于鼓面振动产生的;
(2)因为船桨在使用过程中,动力臂小于阻力臂,所以是费力杠杆,但省距离。
故答案为:振动;费力。
(1)声音是由物体的振动产生的,振动停止,声音也停止;
(2)先判断杠杆在使用过程中,动力臂和阻力臂的大小关系,再判断它是属于哪种类型的杠杆。
此题考查了声音的产生和杠杆的分类,是基础知识的应用,难度较小。
9.【答案】测电笔 大地
【解析】解:(1)在家庭电路中,用测电笔来辨别火线和零线;
(3)使用三角插头和三孔插座,多出的那个孔是用来接地线的,当用电器的三脚插头插入时,用电器的金属外壳通过三孔插座与大地相连通,如果金属外壳漏电,地线将人体短路,防止触电事故的发生。
故答案为:测电笔;大地。
(1)在家庭电路中,用测电笔来辨别火线和零线;
(2)三孔插座中间多出的那个孔是用来接地线的,当用电器的三脚插头插入时,用电器的金属外壳通过三孔插座与大地相连通,如果金属外壳漏电,地线将人体短路,防止人触电。
本题考查零线与火线的辨别,使用三孔插座的目的,难度不大。
10.【答案】内 变小
【解析】解:用手握住烧瓶的外壁,烧瓶内的空气受热膨胀对液柱做功,将内能转化为机械能,故会看到液柱向左移动。
此过程中,烧瓶内空气的质量不变,体积变大,根据ρ=可知,此时瓶中空气的密度变小。
故答案为:内;变小。
(1)做功和热传递都可以改变物体的内能。
(2)根据ρ=分析,判断此时瓶中空气的密度变化。
此题考查做功改变物体的内能、密度公式的应用,属于基础题目,难度不大。
11.【答案】可再生 电磁波
【解析】解:(1)大阳能属于可以从自然界直接获取的,属于可再生能源;
(2)电磁波可以在真空真空中传播,并且能传递信息,我国研发的北斗卫星导航系统是利用电磁波提供导航服务的。
故答案为:可再生;电磁波。
(1)太阳能可以源源不断的从自然界获取,属于可再生能源;
(2)人们日常生活中用的电视信号、手机信号以及卫星通信都是利用电磁波传递信息的。
此题考查了能源的分类及电磁波的应用,是一道联系实际的应用题,难度不大。
12.【答案】高度 形状
【解析】解:小明同学在山顶喝完矿泉水后拧紧瓶盖,瓶内外压强相同,把空矿泉水瓶带回山底时发现瓶子变瘪了,说明瓶内压强小于瓶外压强,可以判断山顶压强小于山下压强,所以大气压随高度增加而减小。
到山下瓶内压强小于瓶外压强,瓶内外的受力面积相同,所以瓶外空气对瓶子的压力大于瓶内空气对瓶子的压力,所以把瓶子压瘪,所以力改变了瓶子的形状。
故答案为:高度;形状。
(1)大气压跟高度有关,高度越高,气压越低。
(2)力的作用效果:力使物体发生形变;力改变物体运动状态。
本题通过喝完水的空矿泉水瓶子考查了气压和高度的关系、力的作用效果等,还要注意装水的瓶子不要随意丢在山上,是因为形成水凸透镜对光线有会聚作用,容易出现火灾。
13.【答案】摩擦 汽化(蒸发)
【解析】解:免钉晾衣杆通过调节长度两端紧紧压在墙面上,晾衣杆与墙面有相对运动趋势时,会产生摩擦力阻碍相对运动趋势,所以不会掉落;
湿衣服变干了是因为衣服中液态水通过蒸发(汽化)方式变成了气体水蒸气。
故答案为:摩擦;汽化(蒸发)。
(1)产生摩擦力的条件:①两物体接触且相互挤压;②表面粗糙;③有相对运动或相对运动趋势;
(2)物质由液态变为气体过程叫汽化;汽化有两种方式:蒸发、沸腾。
本题考查摩擦力产生的条件和汽化现象;相对静止的物体间摩擦力是静摩擦,往往需要通过受力分析找出。
14.【答案】1.5×105 热
【解析】解:①由铭牌信息知,电热水壶的额定功率为1500W,
由P=得,该电热水壶消耗的电能:
W=Pt=1500W×100s=1.5×105J;
②电热水壶的工作部分是发热体,它是利用电流的热效应工作的。
故答案为:1.5×105;热。
①根据W=Pt求出电热水壶消耗的电能;
②电流通过导体时产生热量的现象叫做电流的热效应。
此题主要考查的是学生对电能计算公式和电流热效应的掌握和应用,难度不大。
15.【答案】800 75%
【解析】解:
(1)由图知,使用的是动滑轮,n=2,拉力端移动距离s=2h=2×2m=4m,
拉力F做的总功:
W总=Fs=200N×4m=800J,
(2)所做的有用功:
W有用=Gh=300N×2m=600J,
动滑轮的机械效率:
η==×100%=75%。
故答案为:800;75%。
(1)由图知,使用的是动滑轮,n=2,拉力端移动距离s=2h,利用W=Fs求拉力F做的总功;
(2)利用W=Gh求做的有用功,动滑轮的机械效率等于有用功与总功之比。
本题考查了使用动滑轮时有用功、总功、机械效率的计算,明确有用功、总功的含义是关键。
16.【答案】解:
吉祥物的重心在其几何中心、在O点,从重心沿竖直向下的方向画一条带箭头的线段,并用符号G表示。如图所示:
【解析】首先找出力的作用点,重力的作用点即重心在物体的几何中心;然后确定力的方向,重力的方向是竖直向下的;最后用一条带箭头的线段表示力的方向。
画力的示意图,就是用一条带箭头线段表示出力的三要素,所以要先正确分析力的大小、方向和作用点,再根据力的示意图的要求作出力的示意图,要注意在线段末端标出重力G。
17.【答案】解:过入射点O垂直于镜面作出法线,根据反射光线和入射光线分居法线的两侧,反射角等于入射角,在法线左侧做出反射光线OB,如图所示:
【解析】光的反射定律:反射光线、入射光线、法线在同一平面内,反射光线和入射光线分居法线的两侧,反射角等于入射角。
根据反射定律作图时,关键是熟练掌握光的反射定律的内容,并搞清反射角与入射角的概念。
18.【答案】解:由图知,电流从螺线管的右端流入、左端流出,根据安培定则,用右手握住螺线管,四指指向电流方向,大拇指所指的方向是N极,则通电螺线管的左端是N极,右端是S极;又因为同名磁极相互排斥,异名磁极相互吸引,所以小磁针的左端为S级,右端为N极,如图所示。
故答案为:如上图。
【解析】知道电流方向,根据安培定则可以判断通电螺线管的磁极,再根据磁极间的作用规律判断小磁针的磁极。
针对此类习题,小磁针的磁极、通电螺线管的磁极、磁感线方向、电流方向,知道其中任意一者,都能判断其它几者。
19.【答案】刻度尺 小 0.3
【解析】解:(1)“测平均速度”的实验原理为v=,实验中需要用停表测量时间,用刻度尺测量路程;
(2)实验时为了便于计时,需使小车在下滑的过程中速度慢些,因此应使斜面的坡度较小些;
(3)通过这段路程的平均速度为:
v===0.3m/s。
故答案为:(1)刻度尺;(2)小;(3)0.3。
(1)“测平均速度”的实验原理:v=,实验中需要用停表测量时间,用刻度尺测量路程;
(2)若要计时方便,应让下车下滑速度慢些,运动的时间长些;
(3)用公式v=计算平均速度。
“测小车的平均速度”的实验,一定学会读出路程和时间,按平均速度的定义代入v=出平均速度,计算过程中注意路程和时间的统一。
20.【答案】放大 投影仪 靠近
【解析】解:蜡烛距凸透镜15cm时,满足2f>u>f条件,成倒立、放大的实像;投影仪是利用该原理工作的;
将蜡烛移动到距凸透镜30cm处,物距变大,像距变小,像变小,光屏应靠近凸透镜,才能再次得到清晰的像。
故答案为:放大;投影仪;靠近。
(1)根据物距与像距关系判断凸透镜成像的性质;
(2)凸透镜成实像时,物近像远像变大。
凸透镜成像规律及应用:
①u>2f,成倒立、缩小的实像,2f>v>f(物距大于像距),应用:照相机、摄像机;
②u=2f,成倒立、等大的实像,v=2f(物距等于像距),应用:求焦距;
③2f>u>f,成倒立、放大的实像,v>2f(物距小于像距),应用:投影仪、幻灯机;
④u=f,平行光束,不成像,应用:制作平行光源;
⑤u<f,成正立、放大的虚像,应用:放大镜。
21.【答案】由下至上 3 不变
【解析】解:
(1)在使用酒精灯时,需要用其外焰加热,所以要先根据酒精灯确定铁圈的位置。又因为使用温度计时,温度计的玻璃泡要完全浸没在液体中,但不能碰到容器底和容器壁,所以要根据温度计的长度确定横杆的位置,因此按照“由下至上”安装实验装置;
(2)由图可知,温度计的分度值是1℃,温度计的读数是3℃。
(3)根据图象可判断冰的熔化过程中吸收热量,温度不变。
故答案为:(1)由下至上;(2)3;(3)不变。
(1)要正确解决此题,需要掌握酒精灯与温度计的使用规则。要用酒精灯的外焰加热,温度计的玻璃泡要完全浸没在被测液体中,但不能碰到容器壁和容器底;利用水浴法加热,能使物体受热均匀;
(2)温度计读数要看清量程和分度值,根据液柱位置读数,分清零上还是零下;
(3)根据图象可判断冰的熔化过程中吸收热量,温度不变。
本题考查了在探究“物质的熔化特点”的实验中,温度计的读数方法,温度-时间图象的分析等知识,有一定综合性,难度适中。
22.【答案】3 保护电路 0.75 灯的电阻随温度的变化而变化
【解析】解:(1)小灯泡的额定电压为2.5V,故图中的导线a应与电压表的3接线柱相连。
(2)闭合开关前应将滑动变阻器的阻值调至最大,目的是为了保护电路;
(3)小灯泡在额定电压下的电流为0.3A,灯的额定功率是:
P=UI=2.5V×0.3A=0.75 W;
(4)探究电流与电压的关系时,要控制电阻的大小不变,而灯的电阻随温度的变化而变化,故不能研究。
故答案为:
(1)3;(2)保护电路;(3)0.75;(4)灯的电阻随温度的变化而变化。
(1)根据小灯泡的额定电压为2.5V确定电压表的连接;
(2)为了保护电路,闭合开关前应将滑动变阻器的阻值调至最大;
(3)小灯泡在额定电压正确发光,由表中数据,根据P=UI求出灯的额定功率;
(4)探究电流与电压的关系时,要控制电阻的大小不变,据此分析。
本题测量小灯泡的电功率,考查电路连接、注意事项、额定功率计算和控制变量法的运用。
23.【答案】乙丙 液体的密度 F3-F1 <
【解析】解:
(1)要探究浮力的大小跟物体排开液体体积的关系,需要控制液体的密度相同,改变排开液体的体积,图乙丙符合题意;
(2)由丙丁图知排开液体的体积都等于物体的体积,保持不变,排开液体的密度不同,物体受到的浮力不同,所以,比较图丙丁可知,物体受到的浮力大小与液体的密度有关;
(3)分析甲、丙两图可得,物体浸没在水中时受到的浮力F浮=F3-F1,
由F浮=ρ液gV排可知,物体的体积:V=V排==,
根据G=mg得,
物体的质量为:m==,
物体的密度为:ρ物===;
(4)根据称量法知水中浮力为:F浮水=F3-F1,液体中浮力为:F浮液=F4-F1,
因为F3<F4,
所以:F浮水<F浮液,
根据F浮=ρ液gV排可知,在排开液体体积相同时,水的密度小于液体的密度,
由图知丙丁的深度相同,
根据压强公式p=ρgh判断出p水<p液。
故答案为:(1)乙丙;(2)液体的密度;(3)F3-F1;;(4)<。
(1)(2)浮力大小与排开液体的密度和体积有关,研究浮力大小与什么因素有关时,应找出不变的量和变化的量,研究浮力与变化量的关系;
(3)根据F浮=G-F计算出在水中受到的浮力;根据阿基米德的变形公式V排=计算出物体的体积,根据密度公式表示出密度;
(4)根据称量法和弹簧测力计示数的大小判断出两种液体中浮力的大小,由阿基米德原理判断出液体密度的大小,根据压强公式p=ρgh判断出p水与p液的关系。
本题考查了称重法求浮力、阿基米德原理的应用,要注意控制变量法在实验中的应用。
24.【答案】答:电冰箱内冷冻室的压缩机(电动机)和冷藏室的照明灯并联的。
判断方法:冷冻室的压缩机(电动机)启动工作时,打开冰箱门,冰箱内的照明灯点亮;关闭冰箱门冰箱内的照明灯熄灭。
由此可知它们工作时互不影响,所以属于并联连接。
【解析】基本的电路连接形式有两种:一种是串联,串联电路中各用电器相互关联,同时工作或同时停止工作;另一种是并联,并联电路中各用电器互不影响,各自独立工作。
本题考查了对串联和并联电路中各用电器工作特点的了解。
25.【答案】解:由电路图可知,R1与R2串联,电流表A电路的电流,电压表测量电阻R1的电压。
(1)由I=得:
R1的电阻为:R1===10Ω;
(2)由I=得电阻R1两端的电压为:
U2=IR2=0.2A×20Ω=4V,
所以电源电压为:
U=U1+U2=2V+4V=6V。
答:(1)R1的电阻为10Ω。
(2)电源电压为6V。
【解析】由电路图可知,R1与R2串联,电压表测R1两端的电压,电流表测电路中的电流;
(1)根据欧姆定律求出电阻R1的阻值;
(2)根据欧姆定律求出电阻R2两端的电压,根据串联电路的电压特点求出电源电压。
本题考查了串联电路的特点和欧姆定律的应用,分清电表测量的电路元件是关键。
26.【答案】解:(1)玻璃杯受到的重力为:
G=mg=0.4kg×10N/kg=4N;
(2)玻璃杯对水平支持面的压力:
F=G杯=4N
玻璃杯对桌面的压强
p===2×103Pa。
答:(1)玻璃杯受到的重力为4N;
(2)玻璃杯对桌面的压强为2×103Pa。
【解析】(1)知道玻璃杯的质量,利用重力公式求出玻璃杯的重力;
(2)玻璃杯对桌面的压力等于玻璃杯的重力,又知道桌面受力面积,利用压强公式求桌面所受玻璃杯的压强。
本题考查了学生对重力公式和压强定义式的掌握和运用,固体对支持面的压强,要先求固体对支持面的压力,再根据压强定义式求固体对支持面的压强,这是解题的关键。
27.【答案】答:因为一切物质的分子都在不停地做无规则运动,当使用酒精湿巾擦手时,大量的酒精分子会运动到空气中,进入鼻孔,便闻到酒精味。
【解析】构成物质的分子,总在不停地做无规则运动,从而产生扩散现象。
本题考查分子的无规则运动,熟悉生活中的扩散现象,是解答此题的关键。
28.【答案】解:(1)如图,同名磁极相互排斥,所以甲和乙向相反方向相互运动。
(2)甲和乙由静止变为运动,力改变了物体的运动状态。
故答案为:(1)同名磁极相互排斥。
(2)力可以改变物体的运动状态。
【解析】(1)同名磁极相互排斥,异名磁极相互吸引。
(2)力可以改变物体的运动状态。
通过实验现象说明其中包含的物理知识,比根据物理知识解释问题要难一些。
2023年吉林省中考物理试卷【含答案】: 这是一份2023年吉林省中考物理试卷【含答案】,共7页。试卷主要包含了单项选择题,填空题,计算题,简答题,作图等内容,欢迎下载使用。
2023年吉林省中考物理试卷(含解析): 这是一份2023年吉林省中考物理试卷(含解析),共18页。试卷主要包含了单选题,填空题,作图题,实验探究题,简答题,计算题等内容,欢迎下载使用。
2022年吉林省中考物理试卷解析版: 这是一份2022年吉林省中考物理试卷解析版,共26页。试卷主要包含了单项选择题,填空题,计算题,简答题,作图等内容,欢迎下载使用。

