2021届湖南省长沙市长郡十五校联盟高三4月第二次联考(全国卷)理综物理试题
展开2021届长郡十五校联盟高三第二次联考(全国卷)
理科综合能力测试
时量:150分钟 总分:300分
本试卷分选择题和非选择题两部分。共38题,共14页。考试结束后,将本试卷和答题卡一并交回。
可能用到的相对原子质量:H~1 C~12 N~14 O~16 A1~27 C1~35.5Cu~64 Ag~108
二、选择题:本题共8小题,每小题6分。在每小题给出的四个选项中,第14题~第18题只有一项符合题目要求,第19题~第21题有多项符合题目要求。全部选对的得6分,选对但不全的得3分,有选错或不选的得0分。
14.中国火星探测器“天问一号”成功发射。飞行过程中,“天问一号”还将进行数次轨道修正,才能到达火星表面。假定探测器质量M=1kg,正以对地速度b=7.8km/s在太空中飞行,某一时刻探测器接到加速的指令后,“天问一号”探测器的4台120 N发动机同时点火工作20s沿直线推进,忽略探测器质量变化,则加速后探测器的速度大小v1为
A.v1=9.6km/s B.v1=11.2km/s C.v1=16.7km/s D.v1=17.4 km/s
15.下列四幅图涉及不同的物理知识,如图所示,其中说法正确的是
A.甲图中A处能观察到大量的闪光点,B处能看到较多的闪光点,C处观察不到闪光点
B.图乙中用中子轰击铀核使其发生聚变,链式反应会释放出巨大的核能
C.图丙中处于n=3能级的大量氢原子向低能级跃迁,最多可以放出3种频率的光
D.丁图中用弧光灯照射原来就带电的锌板时,发现验电器的张角变大,说明锌板原来一定带负电
16.在星球P和星球Q的表面,以相同的初速度vn竖直上抛一小球,小球在空中运动时的速度一时间图像分别如图所示。假设两星球均为质量均匀分布的球体,星球P的半径是星球Q半径的3倍,下列说法正确的是
A.星球P和星球Q的质量之比为3:1
B.星球P和星球Q的密度之比为1:1
C.星球P和星球Q的第一宇宙速度之比为:1
D.星球P和星球Q的近地卫星周期之比为1:
17.如图所示,C为平行板电容器,R.为热敏电阻(温度降低、电阻增大),D为理想二极管(正向电阻为零,反向电阻无穷大)。在开关S闭合后,滑动变阻器R的触头P在适当位置时,C中央有一带电液滴刚好静止在N点,M点接地,下列判断正确的是
A.带电液滴带正电
B.将热敏电阻R.加热,电容器两板间电场强度减小
C.电容器C的上极板向上移动,N点电势不变
D.电容器下极板向右移动少许,带电液滴在N点具有的电势能增加
18.如图所示,在倾角为0=37°的斜面上固定两根足够长的平行金属导轨PQ和MN,两导轨间距为L=1m,导轨处于磁场方向垂直导轨平面向下的匀强磁场中,磁感应强度为B=2T,导体棒ab垂直跨放在导轨上并与导轨接触良好,棒的质量为m=0.2kg,棒的中点用绝缘细绳经定滑轮与物体相连,物体的质量M=0.4kg.棒与导轨间的动摩擦因数为μ=0.5(设最大静摩擦力与滑动摩擦力相等,导轨与棒的电阻不计,g取10m/2).为了使物体保持静止,则通过导体棒ab的电流为(已知 sin 37°=0.6,cos 37°=0.8)
A.电流从b流向a,1.0 A≤I≤1.8A
B.电流从b流向a,I≤1.0A
C.电流从a流向b,1.0 A≤I≤1.8A
D.电流从a流向b,I≥1.8A
19.如图所示,一轻弹簧下端固定在倾角为θ的固定斜面底端,弹簧处于原长时上端位于斜面上的B点,B点以上光滑,B点到斜面底端粗糙,可视为质点的物体质量为m,从A点由静止释放,将弹簧压缩到最短后恰好能被弹回到B点。已知A、B间的距离为L,物体与B点以下斜面间的动摩擦因数为μ,重力加速度为g,不计空气阻力,则此过程中
A.克服摩擦力做的功为mgLsin θ
B.弹簧的最大压缩量为
C.物体的最大动能一定等于mgLsin θ
D.弹性势能的最大值为
20.如图所示,平面直角坐标系的第一象限内存在着垂直纸面向外、磁感应强度大小为2B的匀强磁场,第四象限内存在着垂直纸面向里、磁感应强度大小为B的匀强磁场。一带正电的粒子从原点O以某一速度沿与x轴成30°角方向斜向上射入磁场,且在第一象限运动时的轨迹圆的半径为R,已知带电粒子的质量为m,所带电荷量为q,且所受重力可以忽略。则
A.粒子在第一象限和第四象限两磁场中运动的轨迹圆半径
B.粒子完成一次周期性运动的时间为
C.粒子从O位置人射后第二次经过x轴时的位置到坐标原点的距离为3R
D.若仅将粒子的人射速度大小变为原来的2倍,则粒子完成一次周期性动的时间将减少
21.如图所示,竖直放置的“”形光滑导轨宽为L,矩形边界内匀强磁场I、II的高和间距均为d,磁感应强度为B,方向垂直于导轨平面向里。质量为m的水平金属杆由静止释放,进入磁场I和I时的速度相等。金属杆在导轨间的电阻为R,与导轨接触良好,其余电阻不计,重力加速度为g.则金属杆
A.刚进人磁场I时金属杆做减速运动,加速度方向竖直向上
B.穿过磁场I的时间小于在两磁场之间的运动时间
C.穿过两磁场产生的总热量为4mgd
D.释放时距磁场I上边界的高度h一定不小于
三、非选择题:包括必考题和选考题两部分。第22题~第32题为必考题,每个试题考生都必须作答。第33题~第38题为选考题,考生根据要求作答。
(一)必考题:共129分。
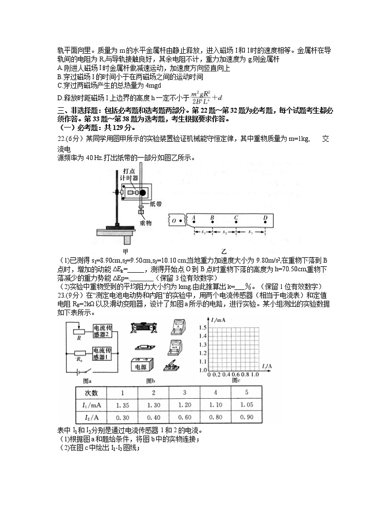
22.(6分)某同学用图甲所示的实验装置验证机械能守恒定律,其中重物质量为m=1kg,交流电
源频率为40 Hz.打出纸带的一部分如图乙所示。
(1)已测得s1=8.90cm,s2=9.50cm,s3=10.10 cm;当地重力加速度大小为9.80m/s2,在重物下落到B点时,增加的动能ΔEk= ,测得开始点O到B点时重物下落的高度为h=70.50cm,重物下落减少的重力势能ΔEp=. (保留3位有效数字)
(2)实验中重物受到的平均阻力大小约为kmg.由此推算出k= %。(保留1位有效数字)
23.(9分)在“测定电池电动势和内阻”的实验中,用两个电流传感器(相当于电流表)和定值电阻R0=2kΩ以及滑动变阻器,设计了如图a所示的电路,进行实验。某小组测出的实验数据如下表所示。
表中I1和I2分别是通过电流传感器1和2的电流。
(1)根据图a和题给条件,将图b中的实物连接;
(2)在图c中绘出I1-I2图线;
(3)由I1-I2图线得出,被测电池的电动势为 V,内阻为 Ω(保留两位有效数字)。
24.(12分)如图所示,宽为4L,长为3L的矩形粗糙斜面的倾角为30°,整个斜面处于方向水平向左的匀强电场中,电场平行于斜面底边,一质量为m,电荷量为q的带正电小物块从O点以某一初速度沿对角线运动到B点恰好静止,若已知小物块与斜面间的动摩擦因数为μ= ,已知重力加速度为g,sin 53°=0.8,sin 37°=0.6,求:
(1)电场强度的大小E;
(2)小物块的初速度的大小。
25.(20分)如图所示,相距L=5.5m的两光滑平台位于同一水平面内,二者之间用传送带平滑相接。传送带顺时针匀速转动,其速度的大小v可以由驱动系统根据需要设定。左侧平台上有一质量m1=1.0kg的物块A(可视为质点),物块A与传送带间的动摩擦因数μ1=0.1,右侧平
台上有一质量M=3.0kg,长s=2.0m的木板C静止在平台上,木板正中央放一质量m2=1.0kg的物块B(可视为质点),已知物块B与木板C之间动摩擦因数μ2=0.3,重力加速度取g=10m/s2.求:
(1)现让物块A以初速度vo=5.0m/s自左侧平台滑上传送带,则物块A到达右侧平台的最大速度和最小速度?
(2)设定传送带速度为v=4.0m/s,A以初速度v0=5.0m/s自左侧平台滑上传送带,物块A与木板C发生弹性正碰(碰撞时间极短),碰撞结束时传送带立即换成光滑平台,且物块A与木板C不再相遇,木板C与右侧墙壁发生弹性碰撞前与物块B已经相对静止。试求:
①最终物块B停在距木板C的左端多远处?
②整个过程中,物块B与木板C组成的系统产生的热量Q.
(二)选考题:共45分。请考生从给出的2道物理题、2道化学题、2道生物题中每科任选一题作答,并用2B铅笔在答题卡上把所选题目的题号涂黑。注意所做题目的题号必须与所涂题目的题号一致,在答题卡选答区域指定位置答题。如果多做,则每学科按所做的第一题计分。
33.【物理-选修3-3】(15分)
(1)(5分)下列关于分子动理论、气、液体及热现象说法正确的是 .。(填正确答案标号。选对1个得2分,选对2个得4分,选对3个得5分。每选错一个扣3分,最低得分为0分)
A.两个相距较远的分子仅在分子力作用下由静止开始运动,直至不再靠近,分子动能先增大,
后减小
B.封闭在容器中的气体,容器被打破,气体扩散,是由于气体分子间存在相互作用的斥力
C.一定质量的100℃的水吸收热量后变成100℃的水蒸气,则吸收的热量大于增加的内能
D.功可以全部转化为热,但热量不能全部转化为功
E.教室外的玻璃窗已经被雨水打湿,雨水附着在玻璃上,说明水对玻璃是浸润的
(2)(10分)如图所示,开口向上竖直放置的内壁光滑汽缸,其侧壁是绝热的,底部导热,内有两个质量均为m1=2kg的密闭活塞,活塞A导热,活塞B绝热,将缸内理想气体分成I、II两部分。初状态整个装置静止不动且处于平衡状态,I、II两部分气体的高度均为lo=9cm,温度为T0=27℃.设外界大气压强为po=1.0x105Pa保持不变,活塞横截面积为S=2c㎡,环境温度为T0保持不变。在活塞A上逐渐添加铁砂,当铁砂质量等于m2=4kg时,两活塞在某位置重新处于平衡,g=10m/s2,求:
①活塞B向下移动的距离;
②接①问,现在若将活塞A用销子固定,保持气室I的温度不变,要使气室II中气体的体积恢
复原来的大小,则此时气室II内气体的温度。
34.【物理-选修3-4】(15分)
(1)(5分)下列说法中正确的是 .。(填正确答案标号。选对1个得2分,选对2个得4
分,选对3个得5分。每选错一个扣3分,最低得分为0分)
A.在同一地点,当摆长不变时,摆球质量越大,单摆做简谐振动的周期越小
B.系统做稳定的受迫振动时,系统振动的频率等于周期性驱动力的频率
C.多普勒效应是由于波源与观察者之间有相对运动而发生的
D.声源与观察者相互靠近时,观察者所接收的频率大于声源振动的频率
E.光从其传播速度大的介质射向其传播速度小的介质时可能发生全反射
(2)(10分)如图所示,四分之一圆AOB为透明柱状介质的横截面,半径为R,折射率为,建立直角坐标系Oxy,y轴与半径AB平行,且与横截面相切于原点O.一束平行单色光沿x轴正方向射向整个介质,紧贴半径AB放置一遮光板AC,AC长为R,不考虑反射光的影响;取.求:
①x轴正半轴上被光照亮的区域长度是多少?
②从光线经过AB面开始计时,到达x轴正半轴上明亮区域两端的两束光线经过的时间差是多少?已知光速为c.
2024届湖南省长沙市长郡中学高三一模物理试题: 这是一份2024届湖南省长沙市长郡中学高三一模物理试题,共11页。试卷主要包含了如图所示,阴极K发射的电子等内容,欢迎下载使用。
2024届湖南省长沙市长郡中学高三一模物理试题: 这是一份2024届湖南省长沙市长郡中学高三一模物理试题,共11页。
22,2024届湖南省长沙市长郡中学高三一模物理试题: 这是一份22,2024届湖南省长沙市长郡中学高三一模物理试题,共2页。

