专题26物理实验探究--练习—2021年中考科学华东师大版二轮专题巩固
展开1、小科在探究“影响滑动摩擦力大小”的因素。
(1)小科用测力计拉同一木块进行了三次正确的实验操作,实验情景如图甲、乙、丙所示。比较__________两图的实验可知,滑动摩擦力的大小与压力大小有关;比较甲、丙两图的实验可知,滑动摩擦力的大小与________有关。
(2)在操作过程中小科还发现,弹簧测力计不沿水平方向拉动时,也可以使木块在木板上沿水平方向做匀速直线运动,如图丁所示。此过程中,弹簧测力计的示数和和木块受到的滑动摩擦力在大小上是否相等?__________。(填“是”或“不是”)
(1)甲乙 接触面的粗糙程度(2)不是
2、“摩擦力大小是与压力有关,还是与重力有关?”,某小组利用下图装置进行了探究。实验步骤和数据记录如下表:
(1)此实验是根据________原理测出摩擦力大小的。
(2)实验步骤②使用氢气球是为了改变________大小(填“压力”或“重力”)。
(3)根据实验步骤②、③的数据________(填“能”或“不能”)说明摩擦力大小与压力有关。
(4)与直接用弹簧测力计拉动金属盒测量摩擦力相比,拉动白纸进行实验有许多优点,以下________不是其优点。
A.不需要匀速拉动 B.测力计示数稳定
C.实验更容易操作 D.实验原理更合理
【答案】(1)二力平衡;(2)压力;(3)不能;(4)D
3、小明想探究小球滚上斜坡的最大高度与斜面倾角和小球质量的关系,将两个斜面AO与OB对接成如图装置,进行实验。
①让质量为5g的小球,在斜面AO上高H处静止释放,沿斜面滚下,经O点滚上斜面OB,测量小球达到的最大高度h,将数据记录在表中;改变斜面OB的倾角θ,重复实验。
②用质量为7g的小球重复上述实验,将数据记录在表中。
(1)比较实验1、2、3(或4、5、6),说明小球在斜面OB上能达到的最大高度与__________有关。
(2)比较实验_______(选择序号),说明小球在斜面OB上能达到的最大高度与小球质量无关。
(3)如果斜面没有摩擦,小球在斜面OB上能达到的最大高度是_______cm。
【答案】(1)斜面OB的倾角θ;(2)1、4或2、5或3、6;(3)10
第二部分 压力压强
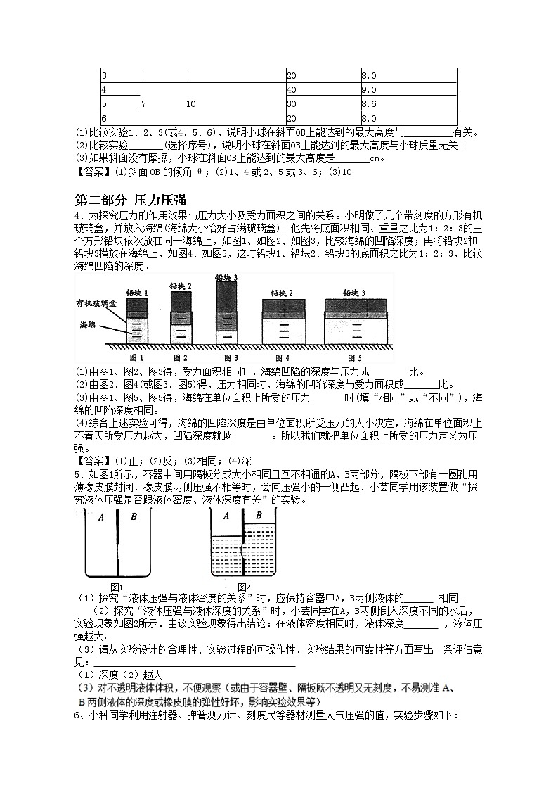
4、为探究压力的作用效果与压力大小及受力面积之间的关系。小明做了几个带刻度的方形有机玻璃盒,并放入海绵(海绵大小恰好占满玻璃盒)。他先将底面积相同、重量之比为1:2:3的三个方形铅块依次放在同一海绵上,如图1、如图2、如图3,比较海绵的凹陷深度;再将铅块2和铅块3横放在海绵上,如图4、如图5,这时铅块1、铅块2、铅块3的底面积之比为1:2:3,比较海绵凹陷的深度。
(1)由图1、图2、图3得,受力面积相同时,海绵凹陷的深度与压力成________比。
(2)由图2、图4(或图3、图5)得,压力相同时,海绵的凹陷深度与受力面积成_______比。
(3)由图1、图5、图5得,海绵在单位面积上所受的压力_______时(填“相同”或“不同”),海绵的凹陷深度相同。
(4)综合上述实验可得,海绵的凹陷深度是由单位面积所受压力的大小决定,海绵在单位面积上不着天所受压力越大,凹陷深度就越________。所以我们就把单位面积上所受的压力定义为压强。
【答案】(1)正;(2)反;(3)相同;(4)深
5、如图1所示,容器中间用隔板分成大小相同且互不相通的A,B两部分,隔板下部有一圆孔用薄橡皮膜封闭.橡皮膜两侧压强不相等时,会向压强小的一侧凸起.小芸同学用该装置做“探究液体压强是否跟液体密度、液体深度有关”的实验。
(1)探究“液体压强与液体密度的关系”时,应保持容器中A,B两侧液体的 相同。
(2)探究“液体压强与液体深度的关系”时,小芸同学在A,B两侧倒入深度不同的水后,实验现象如图2所示.由该实验现象得出结论:在液体密度相同时,液体深度 ,液体压强越大。
(3)请从实验设计的合理性、实验过程的可操作性、实验结果的可靠性等方面写出一条评估意见:
(1)深度(2)越大
6、小科同学利用注射器、弹簧测力计、刻度尺等器材测量大气压强的值,实验步骤如下:
(1)把注射器的活塞推至注射器筒的底端,然后用橡皮帽堵住注射器的小孔。
(2)如图所示,用细尼龙绳拴住注射器活塞的颈部,使绳的另一端与弹簧测力计的挂钩相连,然后水平向右慢慢拉动注射器筒,当注射器中的活塞刚被拉动时,记下此时弹簧测力计的示数为7.2N。
容积:4.5ml
( 3 )用刻度尺测出注射器全部刻度的长度为6.0cm,计算得到活塞的横截面积为 cm2。
( 4 )计算得到大气压强的数值为 Pa。
( 5 )小科了解到班内同学们的测量结果与标准大气压值存在差异,有的偏大,有的偏小,请分析该实验过程中导致数值偏小的可能原因是 _ 。(写一个原因)
(3)0.75 (4) 0.96*105 (5)空气没有排尽等(合理就得分)
第三部分 密度和浮力
7、小科所在的学习小组准备探究“影响浮力大小的因素”,大家提出了4 种猜想:
小科:浮力大小与液体密度有关。
小明:浮力大小与物体浸入液体的体积有关。
小华:浮力大小与物体所受的重力有关。
小红:浮力大小与物体的形状有关。
他们找来了体积相同的铜块与铝块、弹簧测力计、一杯水、一杯盐水、细绳等仪器。按照图中所示规范地完成了实验,实验数据已在图中标出。
(1)通过分析比较图①③④的实验数据,能够说明___________的猜想是正确的。
(2)通过分析比较图①②④⑥的实验数据,能够说明____________的猜想是错误的。
(3)为验证小红的猜想,同学们又找来了一块橡皮泥,他们把橡皮泥捏成不同形状,
先后放入水中,发现有的漂浮在水面上,有的下沉。由此,他们得出结论:浮力的大小与物体的形状有关。请指出他们实验方法的错误之处:__________________________________________。
(1)小明(2)小华(3)没有控制橡皮泥浸入液体的体积相同
8、德化盛产陶瓷,小李同学想测量一块不规则瓷片的密度。
(1)把天平放在水平桌面上,将游码移到零刻度处,然后调节 使天平平衡。
(2)用调节好的天平测量瓷片的质量,所用砝码的个数和游码的位置如图1所示,则瓷片的质量为 g。
(3)他发现瓷片放不进量筒,改用如图2所示的方法测瓷片的体积:
a.往烧杯中加入适量的水,把瓷片浸没,在水面到达的位置上作标记,然后取出瓷片;
b.先往量筒装入40ml的水,然后将量筒的水缓慢倒入烧杯中,让水面到达标记处,量筒里剩余水的体积如图3所示,则瓷片的体积为 cm3。
(4)用密度公式计算出瓷片的密度ρ为 g/cm3。
(5)根据以上步骤,你认为小李同学测出的瓷片密度值 (选填“偏大”或“偏小”)。
(1)平衡螺母 (2)32 (3)14 (4)2.29 (5)偏小
9、小明用弹簧测力计、圆柱体、两个相同的圆柱形容器,分别装有一定量的水和盐水,对浸在液体中的物体所受的浮力进行了探究,其装置和弹簧测力计示数如图所示.
(1)分析图甲、乙、丙,说明浮力的大小与 有关.
(2)为了探究浮力大小与物体浸没在液体中的深度有无关系,可选用 图的装置来进行操作.
(3)圆柱体浸没在水中时受到的浮力是 N,圆柱体的体积是 m3.(g取l0N/kg)
(4)用图示实验数据测出盐水的密度是 kg/m3.
(1)物体排开液体的体积;(2)丙、丁;(3)4;4×10﹣4;(4)1.1×103.
第四部分 光的反射和折射
10、如图所示,是“探究平面镜成像特点”的实验装置。
(1)在利用图“探究平面镜成像特点”的实验中,用玻璃板代替平面镜进行实验,是利用了玻璃板的________(填物理属性的名称),从而能_______________________。
(2)下面表格中的数据是一位同学测量的四组像和物体到玻璃板的距离。实验中刻度尺的使用以及读数均正确,但是分析数据时发现第二组的数据有较大的偏差,你认为造成这个偏差的原因可能是(_______)
A.选用的玻璃板太厚 B.选用的玻璃板太薄
C.在判断蜡烛B与蜡烛A的像是否完全重合时出现了较大偏差
(3)实验中在确定蜡烛B和蜡烛A的像是否完全重合时,人眼的观察位置应该是____(选填:“a、直接观察玻璃板后蜡烛B;b、在玻璃板前蜡烛A这一侧不同的位置;c、直接观察光屏”,下同);在判断平面镜中成的是实像还是虚像时,移走蜡烛B,在其像所在位置放一光屏后,人眼的观察位置应该是____。
(1)透光性 方便确定像的位置 (2)BC (3)b; c
11、小明喝水时,偶然发现透过水面看不见玻璃水杯外侧的手指。他感到很惊奇:玻璃和水都是透明物质,为什么光却不能透过呢?小明决定找出原因。下面是小明的探究过程:
根据光经过的路径,首先想到了这种现象与光的折射有关。为此他根据光从水中射向空气的光路进行了推测,如下图。光从水中射向空气时,折射角大于入射角,当入射角逐渐增大时,折射角也逐渐增大。那么,当入射角增大到某一值时,会不会……
(1)小明的推测是______________________。
(2)小明为了验证自己的推测,进行了如图所示的实验。实验过程中逐渐增大激光笔射向水面的入射角的角度,当增大到某一角度时,小明观察到________,证实了自己的推测。
(3)当光从空气射向水中时,也会出现“看不见”的现象吗?说出你的观点并解释:________________________________________________________________________________________________________________________________________________。
.(1)折射光线消失 (2)光斑消失 (3)不会,光从空气斜射入水中时,折射角始终小于入射角
12、小柯利用如图所示的装置做“探究凸透镜成像规律”的实验:
(1)当烛焰正好在光屏上成倒立、等大的清晰的像时,发现蜡烛和光屏到凸透镜的距离都是20厘米,则该凸透镜的焦距是_______厘米;
(2)当蜡烛、凸透镜和光屏处于如图所示的位置,能在光屏上成一清晰的像,则该像是倒立、_______(填“放大”“等大”或“缩小”)的实像;
(3)小柯借来科学老师的眼镜,并将其靠近凸透镜左侧,发现光屏上的像由清晰变模糊,向右移动光屏又发现清晰的像,说明老师所戴眼镜的镜片是_______透镜,老师的视力缺陷是_______。
【答案】10 放大 凹透镜 近视
第五部分 欧姆定律
13、小华在探究“通过导体的电流与电压的关系”时,设计了图甲的电路。电源电压不变,R1为定值电阻,滑动变阻器R2上标有“50Ω、1A”的字样。
(1)按图甲连接好电路并闭合开关后,小华发现电流表指针如图乙所示,则应对电流表进行的操作是__________________________;
(2)纠正错误后,小华开始实验并记录了多组电流表A和电压表V1、V2的示数,作出如图丙的A、B两条曲线,其中表示通过R1的电流和R1两端电压关系的曲线是_________;
(3)由图丙数据可知,实验中所使用电源的电压为_________;
(4)本实验和下列实验都需要经过多次测量,其目的与本实验相同的有____(填序号)。
①研究杠杆平衡条件
②用伏安法测定值电阻的阻值
③研究导体的电阻与长度的关系
④用密度计测量未知液体的密度
【答案】交换电流表正负接线柱的连接 A 6V ①③
14、在探究决定电阻大小的因素时,研究小组中甲、乙、丙三位同学作出如下猜想:
甲:导体的电阻与导体的长度有关.
乙:导体的电阻与导体的材料有关.
丙:导体的电阻与导体的横截面积有关.
实验室备有几种电阻丝,参数如下表.
如图所示,是为完成探究连接的实验电路.
(1)实验中应通过比较 的大小,来比较电阻丝电阻的大小,达到验证猜想的目的.
(2)若要验证乙同学的猜想,则应该选用 两根电阻丝(填编号)进行对比实验.
(3)选用b、c两根电阻丝进行对比实验,是为了验证 同学的猜想.
(1)电流(2)c、d(3)甲
15、小张同学在做“测量小灯泡电阻”的实验中,所用器材如下:两节新干电池,标有2.5 V相同规格灯泡若干,两个滑动变阻器R1“10 Ω 1 A”、R2“20 Ω 2 A”,开关、导线若干。
(1)请你根据图甲,用笔画线代替导线,将图乙中的电路图连接完整(要求:滑动变阻器滑片P向右移动时灯泡变亮,且导线不交叉)。
(2)闭合开关前,应将滑片P置于____(选填“A”或“B”)端。正确连接电路后,闭合开关S,移动滑片P,小张发现小灯泡始终不亮,电流表指针几乎未偏转,电压表有示数,则故障原因可能是_______________。
(3)排除故障后,移动滑片P,依次测得6组数据,如表一所示。其中第2次实验时电流表表盘如图丙,此时电路中的电流为______A;第4次实验时灯泡电阻值为______Ω。由表一中数据可知,小张选用的滑动变阻器应是______(选填“R1”或“R2”)。
表一
表二
(4)小张将这6组数据算得的电阻值取平均值作为小灯泡的电阻,这种数据处理方式是___________(选填“合理”或“不合理”)的。
(5)小张继续用图乙所示装置来探究“电流与电阻的关系”。他分别把阻值准确的5 Ω、10 Ω、20 Ω的定值电阻接入原小灯泡的位置,通过实验,记录电流表示数如表二所示。他发现通过导体的电流跟电阻不成反比,其中原因可能是______________________________。
【答案】 (1)如图所示
(2)A;小灯泡断路(3)0.2; 8; R2(4)不合理(5)没有控制电阻两端的电压不变
第六部分 简单机械
16、物理实验复习时,小美和小丽再探有关杠杆平衡的问题
(1)小美先将杠杆调节至水平位置平衡,在左右两侧各挂如图甲所示的钩码后,杠杆的________ 端下降.要使杠杆重新在水平位置平衡,如果不改变钩码总数和悬挂点位置,只需将________ 即可.
(2)小丽还想探究当动力和阻力在杠杆同侧时杠杆的平衡情况,于是她将杠杆左侧的所有钩码拿掉,结果杠杆转至竖直位置,如图乙所示.小丽在A点施加一个始终水平向右的拉力F,却发现无论用多大的力都不能将杠杆拉至水平位置平衡.你认为原因是________ .
(3)他们认为(2)问中拉力是做功的.如果水平向右的拉力F大小不变,OA长L,将杠杆从竖直位置拉着转过30°的过程中,拉力F做功为________ .
【答案】(1)左 ;左侧2个钩码挂到右侧
(2)水平位置时动力臂为零杠杆无法平衡 (3)FL/2
17、在“探究影响滑轮组机械效率的因素”实验中,某实验小组用如图所示的同一滑轮组提升不同钩码的方法,分别做了甲、乙、丙3组实验,实验数据记录如下:
(1)在实验操作中应该使钩码 (选填“快速”或“缓慢”)匀速上升.
(2)进行第3次测量时滑轮组的机械效率约 .
(3)实验时将绳子自由端匀速拉动时弹簧测力计的读数记为F,钩码重记为G,动滑轮重记为G′,绳自由端移动距离记为s,钩码提升高度记为h,则下列关于滑轮组机械效率的计算关系中正确的是 .
A. B. C. D..
【答案】(1)缓慢;(2)83.3%;(3)A.
18、为了探究斜面的机械效率与斜面倾斜程度之间的关系,探究小组的同学利用木板、刻度尺、 弹簧测力计、木块等器材设计了如图所示的实验装置。实验测得的数据如下表:
请你根据表中的数据解答下列问题:
(1)实验中要求用沿斜面向上的力拉着木块在斜面上做 运动,该过程中木块的机械能 (选填“变大”“不变”或“变小”)。
(2)第2次实验中,斜面的机械效率为 ,斜面对木块的摩擦力为 N。
(3)斜面的机械效率与斜面的倾斜程度之间的关系是 。
(4)试列举出生活中利用斜面的一个实例: 。
(1)匀速直线 变大 (2)50% 0.9
(3)同一斜面,斜面越陡,机械效率越高
(4)盘山公路(或用木板搭成斜面,将重物推上汽车等)
第七部分 电功、电功率
19、图甲是用伏安法测未知电阻R的实验图.
(1)请用笔画线代替导线,将图甲中实物电路连接完整.
(2)闭合开关,将滑片P向左滑动时,此时电压表示数为2.4V,电流表示数如图乙所示,其读数为I=________A,则未知电阻R=________Ω.
(3)实验中只有一个电压表和一个已知电阻R0,小明设计了如图丙所示的电路,同样可以测量未知电阻Rx,请在空格内将实验步骤补充完整.
①闭合S、断开S1 ,用电压表测出待测电阻Rx两端的电压为U1;
②_________________________,用电压表测出电源的电压U;
③请写出用测量值U、U1及R0来表示Rx的表达式:Rx=_______
【答案】(1)
(2)0.3;8
(3)闭合开关S、S1;
20、某兴趣小组利用图甲装置探究电流热效应的影响因素,实验步骤如下:
①将阻值为10欧和20欧的电阻丝分别置于A、B两个盛满煤油的烧瓶中,按图甲所示连接电路.
②闭合开关,将滑动变阻器的滑片移至某一位置,记录此时电流表的读数I,通电一段时间,记录A、B烧瓶的玻璃管内液面的变化高度分别为△h1、△h2.
③断开开关,直至玻璃管中的液面降回各自初始位置.
④闭合开关,移动滑动变阻器的滑片,使电流表的读数为2I,当通电时间与步骤②相同时,记录A、B烧瓶的玻璃管内液面的变化高度分别为△h3、△h4,实验数据如表.
(1)步骤②中的电流表示数如图乙所示,此时电流为________安.
(2)本实验通过设计串联电路来研究电阻对电流产生热量的影响,可以控制哪些变量相同?________.
(3)小明认为:只要选择“△h1、△h2、△h3、△h4”四个量中的某两个量进行比较,就能说明“对电流产生热量多少的影响,电流比电阻更大”,请比较这两个量的大小关系:________.
【答案】(1)0.24(2)电流和通电时间(3)△h3>△h2
21、1.在测量小灯泡电功率的实验中,电源电压为4.5V,小灯泡的额定电压为2.5V,小灯泡正常发光时的电阻约为10Ω.
(1)请你用笔画线代替导线,将图甲中的实物电路连接完整.要求:当滑动变阻器的滑片向左移动时,连入电路的电阻变大;连线不得交叉.
(2)小宇同学闭合开关,移动滑片P到某一位置时,电压表示数(如图乙所示)为________ V,若他想测量小灯泡的额定功率,应将图甲中滑动变阻器的滑片P向________(选填“A”或“B”)端移动,使电压表的示数为2.5V.
(3)小宇同学继续移动滑片P,记下多组对应的电压表和电流表的示数,并绘制成图丙所示的I﹣U关系图象,根据图象信息,可计算出小灯泡的额定功率是________ W,还可以得出:小灯泡的实际功率随实际电压的增大而________(选填“增大”、“减小”或“不变”).
(4)小叶同学按同一电路连接好最后一根导线,灯泡立即发出明亮耀眼的光,并很快熄灭,检查后发现连线正确,请你找出她在实验中两个操作不当之处是:①________;②________.
【答案】(1)
(2)2.2;B(3)0.5;增大
(4)连接电路时开关没有断开;连接电路时滑片没有置于最大阻值处
22、某班同学在实验室做“测定小灯泡额定电功率”的分组实验。实验老师提供给各小组的实验器材如下:规格为“3.8V”的小灯泡、学生电源(电压恒为6V)、电流表(0~0.6A,0~3A)、电压表(0~3V,0 ~15V)、滑动变阻器(“20Ω 1A”)、开关各一只,导线若干。
(1)小金组按图甲正确连接电路,闭合开关,调节滑动变阻器,当电压表的示数为3.8伏时,小灯泡正常发光,此时电流表的示数如图乙所示,则小灯泡的额定功率为 瓦;
(2)小丽组同学发现,实验桌上的电压表0~15V的量程已损坏,其它器材完好。他们经讨论后认为,用该电压表0~3V的量程,通过改变电压表的连接位置也能测出小灯泡的额定功率。他们的实验操作步骤如下:
步骤一:按图甲电路先将电压表( 0~3V)接在小灯泡两端,闭合开关,移动滑动变阻器的滑片, 使电压表的示数为3伏,断开开关,拆下电压表;
步骤二:保持滑动变阻器的滑片位置不变,再将该电压表接在 两端;
步骤三:闭合开关,将滑动变阻器的滑片向 (填“左”或“右”)移动,直到电压表示数为 伏,读出此时电流表的示数,算出小灯泡的额定电功率。
(3)反思:实验原理相同的情况下,我们可以采用不同的实验途径来完成实验。
(1)1.52(2)滑动变阻器;左;2.2
实验步骤
台式测力计示数F/N
金属盒重力G/N
弹簧测力计示数f/N
①
把金属盒放在质量不计的白纸上,在拉动白纸的过程中读出测力计的示数
4.8
4.8
1.9
②
将质量不计的氢气球系在金属盒上,重复步骤的实验
3.2
4.8
1.2
③
往金属盒注入适量的沙子,使台式测力计的示数为4.8N,重复步骤的实验
4.8
6.4
1.9
实验
序号
小球质
量m/g
小球在斜面AO上
释放高度H/cm
斜面OB
的倾角θ/°
小球在斜面OB上
的最大高度h/cm
1
5
10
40
9.0
2
30
8.6
3
20
8.0
4
7
10
40
9.0
5
30
8.6
6
20
8.0
编号
材料
长度/m
横截面积/mm2
a
镍铬合金丝
1.0
0.2
b
镍铬合金丝
1.0
0.1
c
镍铬合金丝
0.5
0.1
d
锰铜合金丝
0.5
0.1
实验次数
1
2
3
4
5
6
电压U(V)
0.5
1.0
1.5
2.0
2.5
2.8
电流I(A)
0.16
0.22
0.25
0.28
0.29
实验次数
1
2
3
电阻R(Ω)
5
10
20
电流I(A)
0.30
0.20
0.12
次数
钩码重/N
动滑轮重/N
钩码上升
的距离/cm
弹簧测力计
的示数/N
弹簧测力计上升的距离/cm
机械效率
1
2
0.8
5
1
15
66.7%
2
4
0.8
5
1.7
15
\
3
6
0.8
5
\
15
\
实验次数
1
2
3
斜面倾斜程度
较缓
较陡
最陡
木块重力G/N
3
3
3
斜面高度h/m
0.2
0.3
0.4
沿斜面拉力F/N
1.6
1.8
2.0
斜面长度s/m
1
1
1
机械效率
37.5%
60%
电流大小
烧瓶玻璃管内液面的变化高度
A烧瓶(RA=10欧)
B烧瓶(RB=20欧)
I
△h1
△h2
2I
△h3
△h4
备战2023新中考二轮科学专题导练 考点26 物理实验探究: 这是一份备战2023新中考二轮科学专题导练 考点26 物理实验探究,文件包含备战2023科学新中考二轮专题导练考点26物理实验探究解析版docx、备战2023科学新中考二轮专题导练考点26物理实验探究原卷版docx等2份试卷配套教学资源,其中试卷共36页, 欢迎下载使用。
专题15密度、浮力 练习—2021年中考科学华东师大版二轮专题巩固: 这是一份专题15密度、浮力 练习—2021年中考科学华东师大版二轮专题巩固,共13页。试卷主要包含了有甲等内容,欢迎下载使用。
专题03动物的新陈代谢 练习—2021年中考科学华东师大版二轮专题巩固: 这是一份专题03动物的新陈代谢 练习—2021年中考科学华东师大版二轮专题巩固,共10页。试卷主要包含了依据下图分析,下列认识正确的是等内容,欢迎下载使用。

