专题20家庭电路 练习—2021年中考科学华东师大版二轮专题巩固
展开A.该电能表的标定电流为10A
B.该电能表应在220V的电压下使用
C.该电能表应在50Hz的交流电路中使用
D.每消耗2kW·h的电能,电能表上的转盘转1800转
2、小明的家中有150W的电视机一台,300W的洗衣机一台,100W的电冰箱一台,800W的电饭煲一只,40W的照明灯8盏,则安装电能表时,选用以下哪一种电能表最合适 ( )
A.220V 5A B.220V 10A
C.220V 15A D.220V 20A
3、5.两盏白炽灯,甲标有“PZ220V 40W”,乙标有“PZ220V 25W”,比较它们的亮度,下列说法正确的是( )
A.甲一定比乙亮 B.乙一定比甲亮
C.都正常工作时,甲比乙亮 D.都正常工作时,乙比甲亮
4、电能表上标有“3000R/ kW•h”,单独使用一个用电器时,电能表的转盘在100s内转5转,则这个用电器消耗的电功率是 ( )
A.60W B.40W C.100W D.20W
5、一支标有“220V,200 W”的电烙铁,为使电烙铁正常工作时的电功率为200 W,而在不工作时电烙铁的电功率为50 W,使之不会完全冷却。某同学设计了如图所示的电路,其中,S为单刀双掷开关,L为一只额定电压为220V的灯泡。不考虑温度对电阻的影响,下列说法正确的是( )
A.选用灯泡的规格应为“220 V 100 W”
B.电烙铁的电阻为242 Ω
C.当S拨向2时,电烙铁处于工作状态
D.1s内,电烙铁在不工作状态下电路消耗的电能与正常工作状态相比,可节约50焦电能
6、小明学习了电路知识后,想利用发光二极管设计一个开关有指示灯的照明电路,晚间关闭照明灯后,利用二极管发出的光指示开关所在的位置。他共设计了4个电路,如图所示,其中L为白炽灯,规格为“220 V 60 W”、D为发光二极管,规格为“1.2 V 0.002 A”、S为单刀双掷开关、R为限流电阻。图中能够满足要求的电路是( )
7、两只灯泡A和B额定电压都是110 V,A的额定功率为60 W,B的额定功率为100 W,为了把它们接在220 V电路上都能正常发光,且电路中消耗的电功率最小,应采用下面哪种接法?( )
8、一盏电灯接在恒定电压的电源上,其功率为100W。若将这盏电灯先接在一段很长的导线后,再接在同一电源上,已知导线上损失功率是9 W,那么此时电灯实际消耗功率是( )
A. 91 W B. 小于91 W
C. 大于91W D. 条件不足,无法确定
9、小科用电能表测量某家用电器的电功率,当只有该用电器工作时,测得15min内标有“6000imp/kW·h”的电子式电能表指示灯闪烁了1800次,这用电器可能是( )
A.空调器 B.白炽灯
C.电视机 D.电冰箱
10、随着家用电器、视听产品的普及,办公自动化的广泛应用和网络化的不断发展,越来越多的产品具有了待机功能,这些新产品、新技术在极大地方便我们生活的同时,也造成了大量的能源浪费。举例而言,数字电视的待机能耗在1~5W左右,机顶盒待机能耗20~40W左右,个人计算机和显示器待机能耗5~10W左右,手机充电器待机能耗0.5~1W左右。目前我国城市家庭的平均待机能耗已经占到了家庭总能耗的10%左右,相当于每个家庭使用着一盏15-30W 的“长明灯”。则一个月(30天记)费电约( )
A.3kW•h B.15kW•h
C.0.5kW•h D.120kW•h
11、例1.如图是小明家的部分电路,他将电饭煲的插头插入三孔插座后,正在烧水的电热水壶突然停止工作,但电灯仍正常发光,拔出电饭煲的插头,电热水壶仍不能工作,用测电笔分别测试插座的左、右孔,氖管均发光。若电路中只有一处故障,则( )
A.电热水壶所在电路的b、c间断路
B.插座的接地线断路
C.电路的c、d间导线断路
D.电路的a、b间导线断路
12、要使一个电热器在单位时间内放出的热量减少一半,应该( )
A.使通过电热器的电流减少一半
B.使加在电热器两端的电压减少一半
C.使电热器的电阻减少一半
D.使加在电热器两端的电压和它的电阻都减少一半
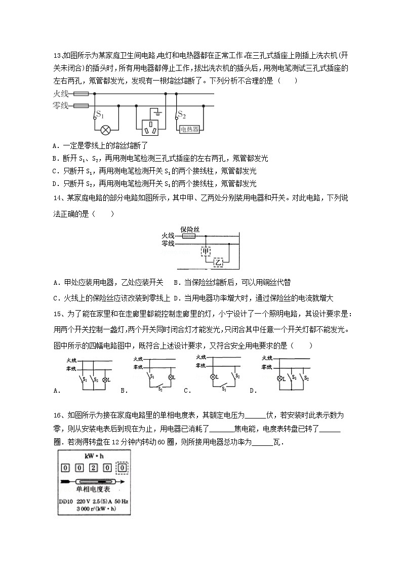
13、如图所示为某家庭卫生间电路,电灯和电热器都在正常工作。在三孔式插座上刚插上洗衣机(开关未闭合)的插头时,所有用电器都停止工作,拔出洗衣机的插头后,用测电笔测试三孔式插座的左右两孔,氖管都发光,发现有一根熔丝熔断了。下列分析不合理的是 ( )
A.一定是零线上的熔丝熔断了
B.断开S1、S2,再用测电笔检测三孔式插座的左右两孔,氖管都发光
C.只断开S1,再用测电笔检测开关S1的两个接线柱,氖管都发光
D.只断开S2,再用测电笔检测开关S1的两个接线柱,氖管都发光
14、某家庭电路的部分电路如图所示,其中甲、乙两处分别装用电器和开关。对此电路,下列说法正确的是( )
A.甲处应装用电器,乙处应装开关 B.当保险丝熔断后,可以用铜丝代替
C.火线上的保险丝应该改装到零线上 D.当用电器功率增大时,通过保险丝的电流就增大
15、为了能在家里和在走廊里都能控制走廊里的灯,小宁设计了一个照明电路,其设计要求是:用两个开关控制一盏灯,两个开关同时闭合灯才能发光,只闭合其中任意一个开关灯都不能发光。图中所示的四幅电路图中,既符合上述设计要求,又符合安全用电要求的是( )
A. B. C. D.
16、如图所示为接在家庭电路里的单相电度表,其额定电压为 伏,若安装时此表示数为零,则从安装电表后到现在为止,用电器已消耗了 焦电能,电度表转盘已转了 圈.若测得转盘在12分钟内转动60圈,则所接用电器总功率为 瓦.
17、右表为某型号双缸洗衣机的铭牌.在额定电压下工作时,洗衣机洗衣时通过的电流为 A.若洗衣0.5h,脱水用0.1h,则该洗衣机消耗的电能是 kW·h..
18、甲灯标有“220V 60W”,乙灯标有“220V 40W”,当把它们并联接在220V电路上时_____灯较亮,_____的实际功率较大;当把它们串联接在220V电路上时_____灯较亮,_____的实际功率较大。
19、电工师傅常用一只额定电压为220 V的灯泡L0(检验灯泡)取代保险丝来检查新安装的照明电路中每个支路的情况,如图所示。当S闭合后,再分别闭合S1、S2、S3(每次只能闭合其中之一)时,可能出现以下三种情况,试判断:
(1)L0不亮,说明该支路_________。(选填“短路”“断路”或“正常”)
(2)L0正常发光,说明该支路__________。(选填“短路”“断路”或“正常”)
(3)L0发光但呈暗红色,说明该支路_________。(选填“短路”“断路”或“正常”)
20、如图是小科设计的某调温电热器工作原理的甲、乙两个方案,其中电阻R1、R2、R3、R4均为发热电阻。
(1)甲方案中,开关S、S1均闭合,电热器处于高温档;乙方案中,开关S,S1均闭合,电热器处于______档。
(2)甲、乙两种方案中高温档的功率相同,低温档的功率也相同,则电阻R1____R3。(选填“>”、“<”或“=”)
(3)甲方案中,高温档功率是低温档功率的10倍,若把R2换成R2′,结果低温档功率变为原来的一半,则R2′=____R1。
21、为进行节能灯和白炽灯耗能情况的比较研究.
(1)小明和小华打开客厅内的一盏节能灯,节能灯正常发光.接着他们找到了小明家的电能表,如图所示,由此可知小明家中的用电器的总功率最大不能超过________W.
(2)他们以指示灯某一次闪烁后立即开始计时,1min中内电能表指示灯闪烁了50次,根据该数据可算出小明家电路中电流做功的功率为________W.
(3)小明感到此结果与普通节能灯的功率明显不符,其原因最可能是_______
A. 小明家的节能灯比较特殊,功率很大
B. 小明在时间测量中存在一定的误差
C. 小明没有关闭其他的用电器
D. 小明在计数存在错误
(4)小明解决了研究中存在的问题后,再次回到电能表前,仍以指示灯某一次闪烁后立即开始计时,计时1min,电能表指示灯还未闪烁,因而无法计算节能灯电功率,于是他们各自提出不同的实验方案:
小明的方案:测量3min内电能表指示灯闪烁的次数,计算出节能灯的电功率;
小华的方案:测量电能表指示灯闪烁3次所用时间,计算出节能灯的电功率.
你认为________ (选“小明”或“小华”)的方案更合理.
(5)小华按自己方案操作,以指示灯某次闪烁开始计时,并记为第1次,到指示灯闪烁第4次结束计时,刚好360s,则小明家节能灯的电功率_______W.若该节能灯与60W的普通白炽灯亮度相同,则该节能灯与亮度相同的白炽灯相比,可以节约_______%的电能.
22、如图是一种老式电饭锅的筒化电路原理图,该锅的部分参数如下表,煮饭时,温控开关S是闭合的,饭熟后,锅内温度达到103℃时,温控开关S自动断开,电饭锅转入保温状态。
(1)在通常情况下用这种电饭锅烧水,开关S的自动断电功能不起作用,这是因 。
(2)发热板R2的阻值是多少?
(3)保温时,发热板的发热功率是多少?
(4)在某一次煮饭的时候,小丽将家里的其它用电器都关闭,她观察家里标有“600r/kW•h”字样的电能表转盘在35min内转过了132转,则电饭锅的保温时间是多少?
23、电吹风是现代家庭的常用电器。如图甲所示是电吹风的电路原理图,R是电热丝,M是带动风扇转动的电动机,某电吹风的主要技术参数如图乙所示:
(1)当只闭合S1时,电吹风工作lmin消耗的电能是多少焦?
(2)当同时闭合S1、S2时,电吹风工作时通过R的电流为多大?
(3)当电吹风吹热风时,1min内电流通过R产生的热量是多少焦?
参考答案
16. 220;7.2×107;6×104;100W
17. 1.5;0.225
18. 甲;甲;乙;乙
19.(1)断路(2)短路(3)正常
20.(1)高温;(2)<;(3)19
21.(1)8.8×103 (2)1000(3)C
(4)小华 (5)10;83.3
22. 解:(1)在通常情况下用电饭锅烧水,水沸腾时的温度为100℃,达不到103℃,温控开关不会自动断开;
(2)煮饭时,温控开关S闭合,电路为R2的简单电路,由P=U2/R得,
发热板R2的阻值:R2===55Ω;
(3)保温时,温控开关断开,两电阻串联,由表中数据可知,保温功率为176W,
由P=UI可知,保温时电路电流:I===0.8A,
发热的电功率:P2=I2R2=(0.8A)2×55Ω=35.2W;
(4)根据参数600r/kW•h知,每消耗1kW•h的电能,电能表转盘转过600圈,
所以转过了132转消耗的电能:W=kW•h=7.92×105J,
设保温时间为t,则加热时间t′=35×60s﹣t,
由P=W/t可得:W=P加热t′+P保温t,
即7.92×105J=880W×(35×60s﹣t)+176W×t,
解得:t=1500s。
答(1)标准大气压下,水的沸点为100℃,低于103℃;(2)发热板R2的阻值是55Ω;(3)保温时,发热板的发热功率是35.2W;(4)电饭锅的保温时间是1500s。
23.
型号
YJ408G
额定电压
220V
频率
50Hz
加热方式
底盘加热
容量
4L
额定功率
煮饭
880W
质量
3.8kg
保温
176W
1
2
3
4
5
6
7
8
9
10
D
B
C
A
B
D
C
B
A
B
11
12
13
14
15
C
D
B
D
B
备战2023新中考二轮科学专题导练 考点20 家庭电路: 这是一份备战2023新中考二轮科学专题导练 考点20 家庭电路,文件包含备战2023科学新中考二轮专题导练考点20家庭电路解析版docx、备战2023科学新中考二轮专题导练考点20家庭电路原卷版docx等2份试卷配套教学资源,其中试卷共30页, 欢迎下载使用。
专题15密度、浮力 练习—2021年中考科学华东师大版二轮专题巩固: 这是一份专题15密度、浮力 练习—2021年中考科学华东师大版二轮专题巩固,共13页。试卷主要包含了有甲等内容,欢迎下载使用。
专题03动物的新陈代谢 练习—2021年中考科学华东师大版二轮专题巩固: 这是一份专题03动物的新陈代谢 练习—2021年中考科学华东师大版二轮专题巩固,共10页。试卷主要包含了依据下图分析,下列认识正确的是等内容,欢迎下载使用。

