通用版数学六年级下册总复习专题:统计4 含答案
展开1. 三个数的平均数是120,加上一个数,四个数的平均数是115,这个数是( )。
2. 小强考了语文、数学、英语、品社、科学五门功课,数学成绩不算在内,平均成绩是90分.把数学成绩加上去,平均成绩是92分.小强的数学成绩是( )分。
3. 江滨小学有433个小朋友,分乘4辆汽车去儿童公园,第一辆车已经接走了115人,如果第二、三、四辆车乘的人数相同,第三辆车乘了( )个小朋友。
4. 5个数写成一排,前3个数的平均值是15,后两个的数的平均值是10,这5个数的平均值是( )。
5. 甲、乙两地相距240公里,一辆汽车从甲地开往乙地用了6时,返回时用了4时。这辆汽车往返的平均速度是( )公里/时。
6. 甲、乙、丙三人的平均年龄为17岁,而甲、乙两人的平均年龄为15岁,那么丙的年龄是( )岁。
7. 甲、乙两块棉田,平均亩产185斤,甲棉田是5亩,亩产203斤,乙棉田亩产170斤,乙棉田有( )亩。
8. 小明期中考试语文,数学两科分数共176分,如果再加上外语分数,三科的平均分就比语文,数学两科的平均分多3分,小明的外语成绩是( )分。
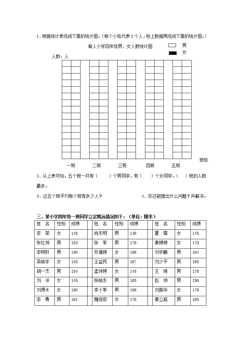
二、请你根据下面的统计表的内容,完成统计图并回答问题。
育人小学四年级男、女人数统计表
1.根据统计表完成下面的统计图。(每个小格代表2个人,标上数据再完成下面的统计图。)
育人小学四年级男、女人数统计图
女
男
人数:人
一班 二班 三班 四班 五班
2.从上表可知,五个班一共有( )个男同学,有( )个女同学,( )班的人数最多。
3.这五个班平均每个班有多少人? 4.你还能提出什么问题?并解决。
三、某小学四年级一班同学立定跳远情况如下:(单位:厘米)
1.将全班的男、女生的跳远情况填在下面的统计表中。
2.将全班男、女生的立定跳远的情况用复式条形统计图表示出来。
男
某小学四年级一班男、女生的立定跳远的情况统计图
9
8
7
6
5
4
3
2
1
0
(名)女
3.( )阶段的男生人数最多,( )阶段的女生人数最少。
四、下面是四年级三个班上学期阅读课外书数量的统计图。
四年级三个班上学期阅读课外书数量的统计图
50
45
40
35
30
25
20
15
10
5
0
单位:本
一班 二班 三班 班级
1.给相应的班级涂上喜欢的颜色。
2.哪个班的阅读量最多?
3.每一个格代表多少本?
4.平均每个班阅读多少本?
5.把你喜欢的课外书向大家推荐一下。
五、解决问题。
1.大发家电商场星期一上午卖出洗衣机16台,下午卖出17台;星期二上午卖出24台,下午卖出16台;星期三卖出41台。这三天平均每天卖出洗衣机多少台?
2.机床厂今年一月份生产机床1300台,二月份生产1200台,三月份生产1400台。前3个月平均每个月生产机床多少台?照这样计算,全年可以生产机床多少台?
3.在一次登山比赛中,小刚上山时每分走50米,18分到达山顶.然后按原路下山,每分走75米.小刚上、下山平均每分走多少米?
答案
一、1. 100 2. 100 3. 106 4. 13 5. 48 6. 21 7. 6 8. 97
二、2.116 104 五 3. 44人
四、2.三班 3.每个格代表5本。 4.平均每个班阅读45本。
五、1.38台 2.1300台 15600台 3.60米
人数 班
性别
一班
二班
三班
四班
五班
男
28
20
17
24
27
女
16
24
25
20
19
班级
姓 名
性别
成绩
姓 名
性别
成绩
姓 名
性别
成绩
李 荣
女
145
肖东明
男
146
夏 雪
女
145
张红帅
男
153
张 军
男
176
秦婷婷
女
170
李明轩
男
150
苏倩婷
女
156
刘宇鹏
男
164
吴晓宇
女
133
王益民
男
187
刘少平
男
185
胡一杰
男
154
孟诗婷
女
145
王 琦
男
178
刘 洋
女
145
张晓东
男
165
赵 帅
男
156
刘得水
女
150
李小军
男
156
刘振华
女
178
李 勇
男
161
魏恒密
女
176
秦立超
男
165
刘佳乐
女
157
周 晗
女
165
刘景新
女
160
李佳上
女
146
张子宣
女
156
王克磊
男
180
成绩(cm)
性别
133~145
146~155
156~170
171~185
男生(名)
女生(名)
133~145 146~155 156~170 171~185
(厘米)
小学通用版数学六年级下册总复习专题统计3含答案4: 这是一份人教版本册综合精练,共4页。
小学通用版数学六年级下册总复习专题统计4含答案5: 这是一份人教版六年级下册本册综合课后复习题,共5页。试卷主要包含了填空,解决问题等内容,欢迎下载使用。
小学通用版数学六年级下册总复习专题统计4含答案: 这是一份人教版六年级下册本册综合一课一练,共5页。试卷主要包含了填空,解决问题等内容,欢迎下载使用。

