高中地理人教版 (新课标)选修2第一节 地球上的海与洋练习题
展开1.1 地球上的海与洋
一、选择题
1.下列说法正确的是( )
A.海是海洋的主体部分 B.洋受陆地的影响较大
C.海的水温季节变化小 D.洋具有独立的海流系统
答案:D
2.一艘远洋货轮从上海到鹿特丹,走最近路线所经过下列图中的海峡依次是( )
A.②④⑤③ B.②⑤①④
C.②④①⑤ D.②④①③
解析:选D。先判断五处海峡的名称,根据经纬度和轮廓图形,①为直布罗陀海峡,②为马六甲海峡,③为英吉利海峡,④为曼德海峡,⑤为土耳其海峡,即可得D项。
3.关于世界各洲的分界线的叙述,正确的是( )
A.南美洲与南极洲的分界线是麦哲伦海峡
B.亚洲与非洲的分界线是波斯湾和苏伊士运河
C.非洲与欧洲的分界线是直布罗陀海峡、地中海、土耳其海峡
D.南、北美洲的分界线是巴拿马运河
解析:选D。南美洲与南极洲界线是德雷克海峡;亚洲与非洲界线是苏伊士运河和红海;非洲与欧洲界线是直布罗陀海峡和地中海。A、B、C三项都错。
4.地中海和北海分别属于( )
A.陆间海 边缘海 B.边缘海 内陆海
C.内陆海 边缘海 D.陆间海 内陆海
解析:选D。地中海属于陆间海,北海属于内陆海。
5.读图,其中地理事物的名称表达不正确的是( )
A.①为岛屿 B.②为海峡
C.③为半岛 D.④为大洋
解析:选A。此题考查的是大陆、岛屿、半岛与海洋的定义。大陆、岛屿、半岛属于大陆的范畴,大陆和岛屿只是面积大小的差别,澳大利亚大陆是世界上最小的大陆;北美洲的格陵兰岛是世界上最大的岛屿。图中①为澳大利亚,②为马六甲海峡,③为中南半岛,④为太平洋。
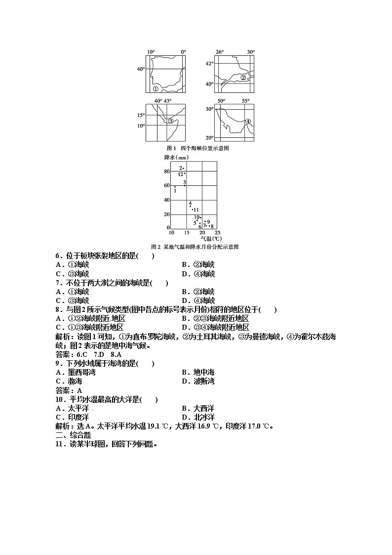
读图1和图2,完成6~8题。
6.位于板块张裂地区的是( )
A.①海峡 B.②海峡
C.③海峡 D.④海峡
7.不位于两大洲之间的海峡是( )
A.①海峡 B.②海峡
C.③海峡 D.④海峡
8.与图2所示气候类型(图中各点的标号表示月份)相符的地区位于( )
A.①②海峡附近地区 B.②③海峡附近地区
C.①③海峡附近地区 D.③④海峡附近地区
解析:读图1可知,①为直布罗陀海峡,②为土耳其海峡,③为曼德海峡,④为霍尔木兹海峡;图2表示的是地中海气候。
答案:6.C 7.D 8.A
9.下列水域属于海湾的是( )
A.墨西哥湾 B.地中海
C.渤海 D.波斯湾
答案:A
10.平均水温最高的大洋是( )
A.太平洋 B.大西洋
C.印度洋 D.北冰洋
解析:选A。太平洋平均水温19.1 ℃,大西洋16.9 ℃,印度洋17.0 ℃。
二、综合题
11.读某半球图,回答下列问题。
(1)在图中画出地球自转方向。
(2)该图表示的是________半球的海陆分布。
(3)大洲:
A________;B________;
C________;D________。
(4)大洋:
①________;②________;③________。
(5)以地球的自转方向为序,下列大洋排列正确的是( )
A.印度洋、大西洋、太平洋
B.太平洋、大西洋、印度洋
C.太平洋、印度洋、大西洋
D.大西洋、太平洋、印度洋
(6)位于B大洲东侧的大洋是________,位于B大洲西侧的大洋是________。
解析:本题考查的知识点是世界海陆分布位置,综合性较强。
答案:(1)画图略。(自西向东呈顺时针方向)
(2)南
(3)南极洲 南美洲 非洲 大洋洲
(4)大西洋 印度洋 太平洋
(5)B
(6)大西洋 太平洋
12.读“地球海陆面积分布表”和“海陆随纬度变化示意图”,完成下列问题。
| 北半球 | 南半球 | 东半球 | 西半球 | 水半球 | 陆半球 |
海洋占 |
|
|
|
|
|
|
百分比 | 60.7 | 80.9 | 62.0 | 80.0 | 89 | 53 |
陆地占 |
|
|
|
|
|
|
百分比 | 39.3 | 19.1 | 38.0 | 20.0 | 11 | 47 |
(1)表中给出了海洋和陆地面积在南北半球的百分比。陆地在________半球较多,但是和海洋面积比较,不论南半球还是北半球,都是__________________。全球的海洋占全球面积的________%。
(2)图中给出了海陆随纬度的分布,由图可以看出,除了________地区陆地面积大于海洋面积之外,在其余大多数纬度上的海洋面积都大于陆地面积。这种随纬度分布的________,正是地球上海陆分布的一个特点;而另一个特点就是海陆分布的________。例如,南极是陆地,北极是________;北半球高纬度地区是________集中的地方,而南半球的高纬度地区却是________连成一片。
解析:本题考查海陆面积的情况以及各纬度海陆面积的分布。由表和图可知,陆地主要分布在北半球,但无论是哪个半球都是以海洋为主;从纬度分布情况来讲,除了45°N~70°N以及70°S以南地区外,其他的纬度地区都是海洋大于陆地。全球的海陆分布具有不均衡性,南极地区没有海洋而北极地区没有陆地。
答案:(1)北 海洋面积大于陆地面积 71
(2)45°N~70°N以及70°S以南 不均衡性 对称性 海洋 陆地 三大洋
人教版 (2019)选择性必修2 区域发展第一节 多种多样的区域精品巩固练习: 这是一份人教版 (2019)选择性必修2 区域发展第一节 多种多样的区域精品巩固练习,文件包含同步讲义高中地理人教版2019选修第二册--11《多种多样的区域》讲义学生版docx、同步讲义高中地理人教版2019选修第二册--11《多种多样的区域》讲义教师版docx等2份试卷配套教学资源,其中试卷共37页, 欢迎下载使用。
人教版 (2019)必修 第二册第一节 人口分布同步测试题: 这是一份人教版 (2019)必修 第二册第一节 人口分布同步测试题,共7页。试卷主要包含了选择题,非选择题等内容,欢迎下载使用。
地理必修 第二册第一节 人口分布同步练习题: 这是一份地理必修 第二册第一节 人口分布同步练习题,共5页。试卷主要包含了选择题,非选择题等内容,欢迎下载使用。

