江西省5年2016_2020中考物理1年模拟真题分类汇编专题17电功电功率和电热含解析20201214754
展开专题17 电功电功率和电热
真题再现
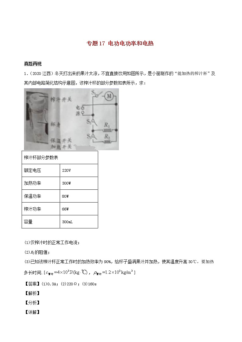
1.(2020江西)冬天打出来的果汁太凉,不宜直接饮用如图所示,是小丽制作的“能加热的榨汁杯”及其内部电路简化结构示意图,该榨汁杯的部分参数如表所示,求:
榨汁杯部分参数表
额定电压
220V
加热功率
300W
保温功率
80W
榨汁功率
66W
容量
300mL
(1)仅榨汁时的正常工作电流;
(2)R2的阻值;
(3)已知该榨汁杯正常工作时的加热效率为90%,给杯子盛满果汁并加热,使其温度升高30℃,要加热多长时间。[,]
【答案】(1)0.3A;(2)220Ω;(3)160s
【解析】
【分析】
【详解】
(1)仅榨汁时的正常工作电流
I==0.3A
(2)仅闭合开关S2和S3时,R1和R2并联,电路的总电阻较小,由P=可知电功率较大,榨汁杯处于加热挡,仅闭合开关S2时,只有R1的简单电路,电路的电阻较大,由P=可知电功率较小,处于保温挡,R2的功率
P2=P-P1=300W-80W=220W
R2的阻值
R2==220Ω
(3)果汁的质量
m=ρ果汁V=1.2×103kg/m3×300×10-6m3=0.36kg
果汁吸收的热量
Q吸=c果汁mΔt=4×103J/(kg·℃)×0.36kg×30℃=4.32×104J
消耗的电能
W==4.8×104J
加热时间
t=
答:(1)仅榨汁时的正常工作电流是0.3A;
(2)R2的阻值是220Ω;
(3)要加热时间是160s。
2.(2020江西)如图所示,电源电压恒定不变,已知定值电阻的阻值为R0,不考虑温度对灯丝电阻的影响。
(1)当S1和S2都闭合时,电流表的示数分别为I1、I2,且I1>I2,小灯泡L1恰好正常发光,求电源电压及小灯泡L1的电阻值;
(2)当开关S1和S2都断开时,某一电表示数为I3(I3≠0),求电路的总功率。
【答案】(1)I2R0,;(2)I2I3R0
【解析】
【分析】
【详解】
(1)当开关S1、S2都闭合时,定值电阻R0和灯泡L1并联,一个电流表测量干路中的电流,另一个电流表测量通过R0的电流,由于
I1>I2
干路电流为I1,通过R0的电流为I2,则电源电压
U=U0=I2R0
由并联电路电流的规律可知通过灯泡的电流
IL=I1-I2
小灯泡的电阻
RL=
(2)当开关S1、S2都断开,灯泡L1和L2串联,电路中的电流为I3,电路的总功率
P=UI=I2R0I3=I2I3R0
答:(1)电源电压是I2R0,小灯泡L1的电阻值是;
(2)电路的总功率是I2I3R0。
3.(2020江西)如图所示,是电学中常见的电路图,在A、B两点间分别接入下列选项中加点字的元件,并进行对应实验,对滑动变阻器在此实验中的作用描述正确的是( )
A.探究电流与电压的关系—改变定值电阻两端电压
B.探究电流与电阻的关系—调节电阻两端电压成倍数变化
C.测量定值电阻的阻值—多次测量求平均值,减小误差
D.测量小灯泡的电功率—改变小灯泡两端电压,求平均电功率
【答案】AC
【解析】
【分析】
【详解】
A.探究电流与电压的关系,滑动变阻器可以改变定值电阻两端的电压,故A正确;
B.探究电流与电阻的关系,需要保持定值电阻两端的电压不变,滑动变阻器使定值电阻两端的电压保持不变,故B错误;
C.测量定值电阻的阻值,滑动变阻器改变电阻两端的电压和通过电阻的电流,可以多次测量求平均值,减小误差,故C正确;
D.测量小灯泡的电功率,滑动变阻器改变灯泡两端的电压和通过灯泡的电流,可以得到不同电压下小灯泡的电功率,不能求平均功率,故D错误。
故选AC。
4.(2020江西)1840年英国物理学家______最先精确地确定了电流通过导体产生的热量与电流、电阻和通电时间的关系,其表达式为:Q=______。
【答案】焦耳I2Rt
【解析】
【分析】
【详解】
[1][2]英国物理学家焦耳做了大量实验,于1840年最先精确地确定了电流产生的热量跟电流、电阻和通电时间的关系,得出了焦耳定律,内容是电流通过导体产生的热量跟电流的二次方成正比,跟导体的电阻成正比,跟通电时间成正比,表达式是Q=I2Rt。
5.(2019江西)如图所示,是小姬妈妈为宝宝准备的暖奶器及其内部电路的结构示意图和铭牌,暖奶器具有加热、保温双重功能,当双触点开关连接触点1和2时为关闭状态,连接触点2和3时为保温状态,连接触点3和4时为加热状态(温馨提示:最适合宝宝饮用的牛奶温度为40)
(1)求电阻R2的阻值;
(2)把400g牛奶从20加热到40,求牛奶所吸收的热量(c牛奶=4.0×103J/(kg·))
(3)如图所示,是暖奶器正常加热和保温过程中温度随时间变化的图象,求暖奶器在加过程中的热效率.(结果保留到小数点后一位)
【答案】(1)242Ω(2)3.2×104J(3)72.7%
【解析】
【详解】
(1)由题意可知,当S接“2、3”时,电路为R1的简单电路,调奶器处于保温状态;
当接“3、4”时,电路为R1、R2并联,奶器处于加热状态,
因电路中的总功率等于各用电器功率之和,
所以,R2的电功率:
P2=P加热-P保温=220W-20W=200W,
由P=可得,电阻R2的阻值:
R2===242Ω;
(2)牛奶从20℃加热到40吸收的热量:
Q=cm(tt0)= 4.0×103J/(kg·℃)0.4kg(4020)= 3.2×104J;
(3)由图像可知,加热时间为t=200s,加热过程消耗的电能:W=Pt=220W200s=44000J,
则暖奶器在加过程中的热效率:=100=10072.7%.
6.(2019江西)如图所示,将规格相同的小灯泡按照甲、乙两种连接方式接入电压均为U且保持不变的电路中,通过分别调节滑动变阻器R1和R2使所有灯泡均正常发光.则甲、乙两电路中的总电流之比I1:I2=_______,而电路的总功率之比P1:P2=_______.
【答案】2:12:1
【解析】
【分析】
【详解】
完全相同的灯泡,正常发光时的电流相等,都为I,若将他们并联,则电路中的电流I1=2I,若将他们串联,串联电路中电流处处相等,则电流中的电流I2=I,所以I1=2I2,则甲、乙两电路中的总电流之比I1: I2=2:1,电路中的总功率P1=UI1,P2=UI2,则P1:P2= I1: I2=2:1.
7.(2019江西)实验:测量小灯泡的电功率
实验中选择的小灯泡的额定电压为2.5V
(实验步骤)
(1)请你用笔画线代替导线,把图中的电路连接完整(导线不准交又),并要求滑动变阻器的滑片向左移动时,小灯泡会变亮;
(____________)
(2)正确连接电路后,闭合开关,电流表指针不动,但用手按住开关,发现电流表指针摆动,出现这种现象的原因是________________;
(3)查明原因,排除故障,正确操作,得到下表所示数据请将表中内容补充完整:
实验序号
电压U/V
电流I/A
电功率P/W
灯泡亮度
1
2.0
0.28
0.56
发光暗淡
2
2.5
0.32
0.80
_______
3
3.0
0.36
1.08
发光强烈
由表中数据可知,该灯的额定电功率为________W.
(4)利用上述电路,用定值电阻替换小灯泡,测量该定值电阻的阻值,请在虚线方框中设计一个记录的表格.
(____________)
【答案】开关接触不良正常发光0.80
实验序号
电压U/V
电流I/A
电阻R/Ω
平均电阻R/Ω
1
2
3
【解析】
【分析】
【详解】
(1) 小灯泡电流小于0.6A,电流表应选小量程,滑动变阻器的滑片向左移动时,小灯泡会变亮,因此滑动变阻器与应小灯泡串联,且接左下接线柱,如图所示:
(2)正确连接电路后,闭合开关,电流表指针不动,但用手按住开关,发现电流表指针摆动,说明开关接触不良;
(3) 小灯泡的额定电压为2.5V,由表中数据可知,U=2.5V时,小灯泡的功率P= 0.80W,此时小灯泡正常发光,灯的额定电功率为0.80W ;
(4)伏安法测定值电阻的实验需测量电流、电压,且需3次测量,求平均值减小误差,故表格设计如下:
实验序号
电压U/V
电流I/A
电阻R/Ω
平均电阻R/Ω
1
2
3
8.(2018江西)如图所示,电源电压可调,小灯泡L1标有“6V6W”的字样,小灯泡L2、L3标有“6V 12W”的字样,(不考虑温度对小灯泡电阻的影响)
(1)闭合开关S1、S2、S3,调节电源电压为6V时,求电流表A1的示数;
(2)闭合开关S2,断开开关S1、S3,调节电源电压为12V时,求电路消耗的总功率;
(3)闭合开关S2、S3,断开开关S1,调节电源电压为10V时,求小灯泡L3的实际发光功率。
【答案】3A@24W@0
【解析】
【详解】
(1)当闭合S1、S2、S3时,L2被短路,L1、L3两灯并联,电流表A1测量干路电流,电源电压为6V;
则灯泡L1、L3正常工作,根据可得两灯的电流分别为:
;;
所以干路电流即电流表A1的示数为:
;
(2)闭合S2,断开S1、S3时,L2、L3两灯串联,由于L2、L3规格相同,根据串联电路的分压特点可知:
所以L2、L3两灯能正常工作,
则总功率为:
;
(3)闭合开关S2、S3,断开开关S1,L2被短路,只有L3连入电路;
因为电源电压为10V,则此时L3两端电压为10V,远高于L3的额定电压6V,L3的灯丝会因为温度过高而烧断,烧断后电流为零,故实际功率为零。
【点睛】
综合考查了电功率的计算,要能灵活运用所学的公式及变形的公式,读懂电路图是关键,明确不同的开关闭合和断开时,电路的结构,最后一问中,电源电压远高于额定电压,所以通电后灯丝会烧断,功率为零。
9.(2018江西)如图所示,是某型号的爆米花机的电路图,该爆米花机具有制作和保温功能。只闭合开关S1时,R1加热,电动机搅拌,开始制作爆米花;只闭合开关S2时,R2保温,防止爆米花变凉;爆米花机的铭牌如表所示。[c玉米=1.2×103J/(Kg℃)]
(1)将100g、20℃的玉米加热到300℃成为爆米花时,求玉米粒需要吸收的热量;
(2)电阻R1发热,把100g、20℃的玉米粒加热成为爆米花,需要用时5min,求R1的加热效率。
(3)求保温电阻R2的阻值。
【答案】3.36×104J@56%@2200Ω
【解析】
【详解】
(1)根据得玉米吸收的热量:
;
(2)由表格知,加热的功率为200W;
根据得,电阻R1加热消耗的电能为:
,
R1的加热效率:
;
(3)由题和表格知,只闭合开关S2时,只有R2连入电路,处于保温状态,功率为22W,
根据得R2的阻值:
。
【点睛】
重点是吸热、电功率、效率的计算,公式应用时注意单位要统一,最后一问求电阻时,要能熟练应用公式,用此公式计算会显得稍微简单些。
10.(2017江西).如图所示,是某家用电热水壶内部的电路简化结构图,其中R1、R2为阻值相同的电热丝,有甲、乙、丙、丁四种不同的连接方式.该电热水壶有高温、中温、低温三档,中温档的额定功率为500W.求:
(1)电热水壶调至中温档正常加热,将2kg温度为30℃的水烧开(标准大气压下)需要20min,水所吸收的热量及电热水壶的效率;
(2)电热水壶高温档的额定功率;
(3)若某次电热水壶用高温档加热0.1h,耗电0.09KW·h,通过计算判断此时电热水壶是否正常工作?
【答案】(1)5.88×105J,98%;(2)1000W;(3)电热水壶非正常工作.
【解析】
【分析】
【详解】
(1)电热水壶调至中温档正常加热时,P中=500W,仅R1接入电路,U=220V,则,加热时间t=20min=1200s,将m=2kg温度为30℃的水烧开(标准大气压下),Δt=100℃-30℃=70℃,c=4.2×103J/(kg ·℃);水所吸收的热量Q吸=cmΔt=4.2×103J/(kg ·℃)×2kg×70℃=5.88×105J,电热水壶放出的热量Q=W=P中t=500W×1200s=6×105J,效率为.
(2)当电热水壶处于高温档时,R1与R2并联,则额定功率为.
(3)若某次电热水壶用高温档加热t0=0.1h,耗电W0=0.09KW·h,则功率P0=W0/t0=0.09KW·h/0.1h=900W,小于1000W,故电热水壶非正常工作.
11.(2016江西)如图所示,是探究焦耳定律的实验装置.已知R1
【答案】= <
【解析】
【分析】
【详解】
由图示可知,两段电阻丝是串联的,通过它们的电流是相等的,电压与导体的电阻成正比,所以应是电阻R2两端的电压高.
12.(2016江西)某市中考实验操作考试时,实验员为同学们“探究小灯泡的额定电功率”准备了以下器材:额定电压为2.5V的小灯泡(正常发光时电阻约为10Ω)、规格为“10Ω,1A”的滑动变阻器、新干电池4节、开关、电流表、电压表、导线若干.
(设计实验与制订计划)
(1)请你用笔画线代替导线,将如图甲所示的电路连接完整;
(2)在闭合开关前,应将滑片P移到最_______(选填“左”或“右”)端;
(3)在右边虚线方框内画出对应的电路图;
(4)经检查,电路连接无误,各元件完好,闭合开关后,无论怎样移动滑片P,电压表的示数都调不到2.5V,存在这种问题的原因是______________,让小灯泡正常发光最简便的方法是:___________________;
(5)解决上述问题后,移动滑片P使电压表的示数为2.5V时,小灯泡正常发光,此时电流表示数如图乙所示,则小灯泡的额定功率是___________W.
【答案】(1)电路连接如下图所示;(2)右;(3)如下图所示;(4)电源电压太高了(或滑动变阻器的最大阻值太小了)减少干电池的节数(5)0.5
【解析】
试题分析:(1)此实验属于用伏安法测电功率,需要用电流表测出通过小灯泡的电流,用电压表测出小灯泡两端的电压,所以电流表应与小灯泡串联,电压表应并联在小灯泡两端,连线如上图左所示;(2)闭合开关前,电阻应处于最大值状态,根据图示变阻器的接法可知滑片P应处于最右端;(3)根据实物图可画出如上图右所示的电路图;(4)电压表的示数调不到2.5V,说明变阻器分的电压太少了,这可能是由于电源电压太高或滑动变阻器的最大阻值态小造成的,可以通过减少干电池的节数,减小总电压,来达到使小灯泡正常发光的目的;(5)由图示乙可知,通过小灯泡的额定电流为0.2A,所以小灯泡的额定功率为P=UI=2.5V×0.2A=0.5W.
【考点定位】探究小灯泡的额定电功率
最新模拟
15
13.(2020·广东初三其他)小明在测量小灯泡电功率的实验中,电路如图所示,开关闭合后()
A.灯不亮,电流表烧坏
B.灯不亮,电压表有示数
C.灯不亮,电流表有示数
D.灯亮,电流表、电压表都有示数
【答案】B
【解析】
【分析】
【详解】
由图知,电压表串联接入电路中,此时电压表测量的是电源电压,即电压表有示数;由于电压表的电阻很大,所以电路中电流很小,几乎没有电流流过灯泡和电流表,即小灯泡不亮,电流表无示数;故A、C、D不符合题意,B符合题意。
故选B。
14.(2020·右玉县二中初三期末)标有“12 V 6 W”与“12 V 3 W”的灯泡以串联方式接入电路中,若只让其中一盏灯正常工作,则电源电压为
A.24 V B.18 V C.16 V D.12 V
【答案】B
【解析】
【分析】
【详解】
由P=UI可得,两灯泡的额定电流:
,
由可得,两灯泡的电阻分别为:
,;
因串联电路中各处的电流相等,所以,两灯串联方式接入电路中,且其中一盏灯正常工作时,电路中的电流只能为:I=I2=0.25A,
因串联电路中总电阻等于各分电阻之和,所以,此时电路两端的电压:.
故选B.
【点睛】
解题思路:先根据两灯泡的额定电压和额定功率,利用P=UI求出两灯的额定电流,再利用欧姆定律求出两灯泡的电阻;两灯串联方式接入电路中后,正常发光的是电流较小的一个,根据电阻的串联和欧姆定律求出电路的电压.
15.(2020·哈尔滨市第十七中学校初三一模)如图所示,电源电压为4.5V,电流表量程为“0﹣0.6A”,滑动变阻器规格为“10Ω 1A”,小灯泡L标有“2.5V 1.25W”(不考虑温度对灯丝电阻的影响),在保证通过小灯泡L的电流不超过额定电流的情况下,移动滑动变阻器的滑片,下列说法正确的是( )
A.小灯泡的额定电流是0.6A
B.电流表示数变化范围是0.3﹣0.5A
C.电压表的示数变化范围是0﹣3V
D.电路的最大功率是1.25W
【答案】B
【解析】
【分析】
【详解】
A.小灯泡的额定电流是
故A错误;
B.灯泡的额定电流小于电流的量程,所以电路中的电流最大为灯的额定电流,所以最大为0.5A;当滑动变阻器的电阻最大时,电路中电流最小为
此时电压表示数为
不超过电压表量程,故电流表示数变化范围是0.3﹣0.5A,故B正确;
C.当灯正常工作时,即灯两端电压最大时,滑动变阻器的电压最小,此电压为
故电压表的示数变化范围是2V﹣3V,故意C错误;
D.电路的最大电流为0.5A,最大功率是
故D错误。
故选B。
【点睛】
综合考查了欧姆定律和电功率的计算,根据灯泡的额定功率和电压求出电流,要理解此电流小于电流表的量程,所以电路中最大电流为灯的正常工作电流。
16.(2020·广东初三其他)如图甲所示,闭合开关,滑片 P 由滑动变阻器的最右端b 移到最左端a,电流表示数I 与电压表示数U 的变化关系如图乙所示,可判断电源电压是_______V,滑动变阻器的最大阻值是____Ω,当滑片 P移到滑动变阻器中点,此时定值电阻R 的电功率是________W。
【答案】12164.5
【解析】
【分析】
【详解】
由电路图可知,定值电阻R与滑动变阻器串联,电压表测R两端的电压,电流表测电路中的电流;
[1]当滑片在a端时,电路为R的简单电路,电压表的示数最大,电流表的示数最大,由图像可知,电源的电压U=12V。
[2]电路中的电流I=1.5A,由可知,电阻R的阻值
当滑片位于b端时,滑动变阻器接入电路中的电阻最大,此时电路中的电流最小,电压表的示数最小,由图像可知,R两端的电压UR=4V,电路中的最小电流I′=0.5A,因串联电路中总电压等于各分电压之和,所以,滑动变阻器两端的电压
滑动变阻器的最大阻值
滑动变阻器的最大阻值是16Ω。
[3]当滑片P移到滑动变阻器中点时,因串联电路中总电阻等于各分电阻之和,所以,电路中的电流
此时定值电阻R的电功率
此时定值电阻R 的电功率是4.5W。
17.(2020·山东蒙阴�初三二模)如图甲所示,把电阻与灯L接在3V的电源上,电阻与灯L的图像如图乙所示,当S闭合时电路消耗的功率为_______________W,通电电阻产生的热量为________J.
【答案】
【解析】
【分析】
【详解】
[1]由图甲可知,电阻与灯并联接在的电源上,因并联电路各支路两端的电压相等,则电阻与灯两端的电压都为,由图乙可知,通过电阻与灯的电流,电路中的总电流:
电路消耗的功率:
;
[2]通电电阻产生的热量:
.
18.(2020·哈尔滨市第十七中学校初三一模)在家用电器调查活动中,小亮让电热水器单独工作2min,测得家中如图3所示的电能表的转盘转了70r,热水器的实际功率为_____W;若不计能量损失,这段时间内热水器中50L的水可升温_____℃.由于热水器的功率远大于冰箱,从安全用电的角度考虑,热水器的电源线比冰箱的要_____(选填“粗”或“细”).[已知ρ水=1.0×103kg/m3,c水=4.2×103J/(kg·℃)]
【答案】21001.2粗
【解析】
【分析】
【详解】
由电能表参数可得转盘转70转时消耗电能,,,,则水的质量,由于不计能量损失,则,,为防止由于导线电阻过大而导致发热过多造成危险,应减小导线电阻,则应选用较粗导线.
19.(2020·甘肃初三其他)某实验小组用图甲所示电路测量小灯泡的电功率.实物中,小灯泡标有“3.8V”,滑动变阻器标有“12Ω 1.5A”,电源电压6V .
(1)请用笔画线代替导线,按照图甲所示电路,将图乙的实物电路连接完整,使滑动变阻器的滑片向左移动时小灯泡变暗.
(________________)
(2)小明同学负责实物连线,他连接好最后一根导线时,灯泡立即发出明亮耀眼的光并很快熄灭.小明连线过程中肯定出现的情误是_____.还可能出现了以下错误中的_____(填字母序号).
A.电压表串联在了电路中
B.电流表并联在了小灯泡两端
C.连接滑动变阻器时,用了C、D两个接线柱
D.连接滑动变限器时,用了A、B两个接线柱
(3)小灯泡熄灭后,发现电压表有示数,该示数接近_____V.
(4)更换上完全相同的小灯泡,正确连好电路,通过完全正确的操作获得数据如下表.
实验次数
1
2
3
4
电压U/V
2.0
3.0
3.8
4.2
电流I/A
0.33
0.34
0.40
0.42
小灯泡亮度
不亮
较暗
正常
较亮
小灯泡电阻
6.0
8.8
9.5
10.0
由表中数据可知小灯泡正常工作时的功率为_____W.
从表中数据还可以看出小灯泡的电阻随温度升高而_____.
(5)小明还想测量小灯泡不亮时的电阻,但是无论怎样调节滑动变阻器,小灯泡两端的电压也不能低于2V.经过分析,至少有两种方案可行:一是,其它条件均不变时,换用总阻值较_____的滑动变阻器;二是,其它条件均不变时,换用电压较_____的电源.
【答案】连接电路时没断开开关C61.52增大大小
【解析】
【分析】
【详解】
[1]由题意知,灯泡的额定电压是3.8V,因此电流表选择0∼15V的量程,使滑动变阻器的滑片向左移动时小灯泡变暗,即滑动变阻器的滑片向左移动时,连入电阻变大,故灯泡的右接线柱分别与电压表15V的接线柱和滑动变阻器的B接线柱相连,如下图所示:
[2]为保护电路,连接实物图时应:①断开开关,②滑动变阻器的滑片要调到使连入电路的电阻为最大的位置,小明同学连接好最后一根导线,灯泡立即发出明亮耀眼的光并很快熄灭,说明连完最后一根线,电路立即接通且电路电流较大,电路阻值太小,肯定出现的情误是:连接电路时没断开开关;
[3]还可能出现了以下错误中的是:
A.电压表电阻大,串联在了电路中,电流很小,选项不符合题意;
B.电流表电阻小,并联在了小灯泡两端,会把小灯泡短路,小灯泡不亮,选项不符合题意;
C.连接滑动变阻器时,要一上一下连入电路,用了C、D两个接线柱,电阻几乎是零,电流很大,选项符合题意;
D.连接滑动变限器时,用了A、B两个接线柱,电阻很大,电流很小,选项不符合题意.
[4]小灯泡熄灭后,小灯泡损坏出现断路,此时电压表串联在电路中,电压表电阻很大,电压表示数接近电源电压,该示数接近6V;
[5]由表中数据可知小灯泡正常工作时,额定电压是3.8V,额定电流表为0.4A,因此功率为:
;
[6]从表中数据还可以看到,小灯泡亮度从不亮逐渐到较亮,小灯泡电阻从6.0Ω逐渐到10.0Ω,因此小灯泡的电阻随温度升高而增大;
[7][8]无论怎样调节滑动变阻器,小灯泡两端的电压也不能低于2V,说明电路中滑动变阻器电阻小,电流大,因此可换用总阻值较大的滑动变阻器;也可以换用电压较小的电源.
20.(2020·浙江宁波�初三一模)在“测定小灯泡额定功率”的实验中,电源电压为6V,小灯泡的额定电压为3.8V.
(1)小明在连接实验电路时还有导线未接上,如图甲所示,请用笔画线代替导线把图甲中的电路连接好(导线不得交叉).
(______)
(2)在闭合开关前,滑动变阻器的滑片应该移到______(填“”或“”)端.
(3)实验时,要使小灯泡正常发光,应移动滑动变阻器的滑片使电压表的示数为______V,此时电流表的示数如图乙所示,其示数为______A,那么小灯泡的额定功率是______W.
【答案】3.80.72.66
【解析】
【详解】
(1)[1]因为灯泡的额定电压为3.8V,所以电压表量程选择0~15V;将电压表“15”接线柱与灯泡的右接线柱相连,如下图所示:
(2)[2]连接完电路时,闭合开关前,需将滑动变阻器的滑片移到阻值最大处,即将滑片放在A端;
(3)[3]要使小灯泡正常发光,应移动滑动变阻器的滑片使电压表的示数等于灯泡的额定电压3.8V;
[4]根据图乙可知,电流表量程为0~3A,分度值为0.1A,示数为0.7A;
[5]灯泡的额定功率:
P=UI=3.8V×0.7A=2.66W。
21.(2020·江苏赣榆�初三零模)在“测量小灯泡的额定功率”实验中,提供如下实验器材:电源(输出电压恒为6V)、小灯泡(额定电压2.5V电阻约为10Ω)、滑动变阻器(50Ω 1A)、电压表(量程0~3V,0~15V)、电流表(量程0~0.6A,0~3A)、开关、导线若干。
(1)请用笔画线代替导线在图甲中完成实物电路的连接;
(________)
(2)正确连接后闭合开关,发现小灯泡不发光,电压表和电流表均无示数。小宁利用另一只完好的电压表进行检测,把电压表分别接在A、E之间和A、F之间,电压表均有示数;接在C、F之间,电压表无示数。如果电路连接完好,只有一个元件有故障,该故障是___________(小灯泡断路/小灯泡短路/滑动变阻器断路);
(3)排除故障后,小宁看到电压表示数为2V,此时小灯泡的功率___(大于/小于/等于)额定功率,要使灯泡L正常发光,滑动变阻器的滑片P应向___(A/B)端移动,当灯正常发光时,电流表示数如图乙所示,则小灯泡的额定功率是___W。
(4)测出小灯泡额定功率后,该同学又把灯泡两端的电压调为额定电压的0.6倍,发现测得的实际功率并不等于其额定功率的0.36倍,请你帮他分析出现这种现象的主要原因是__________________;
(5)把上面电路中的小灯泡换成定值电阻,用这一电路还可以完成的实验有______(写出一个即可)。
【答案】滑动变阻器断路小于A0.65W小灯泡的电阻受温度的影响测量电阻
【解析】
【分析】
【详解】
(1)[1]用笔画线代替导线在图甲中完成实物电路的连接如下图:
(2)[2]正确连接后闭合开关,发现小灯泡不发光,电压表和电流表均无示数,说明电路的故障类型为断路故障;用另一只完好的电压表进行检测,把电压表接在A、F之间,电压表有示数,说明A点到电源正极的路是接通的,F点到电源负极的路是接通的,而接在C、F之间,电压表无示数,说明C、A之间的元件是断开的,所以该该电路的故障是滑动变阻器断路。
(3)[3][4][5]排除故障后,小宁看到电压表示数为2V,由于实际电压小于小灯泡的额定电压,所以此时小灯泡的功率小于额定功率,要使灯泡L正常发光,则要通过减小电路电阻来增大电路电流,滑动变阻器的滑片P应向A移动,当灯正常发光时,电流表示数如图乙所示,由图读数得电流为0.26A,则小灯泡的额定功率是
P=U额I=2.5V×0.26A=0.65W
(4)[6]测出小灯泡额定功率后,该同学又把灯泡两端的电压调为额定电压的0.6倍,发现测得的实际功率并不等于其额定功率的0.36倍,请你帮他分析出现这种现象的主要原因是:小灯泡的电阻受温度的影响。
(5)[7]把上面电路中的小灯泡换成定值电阻,用这一电路还可以完成的实验有:测量电阻。
22.(2020·全国初三专题练习)小蕊同学在学习了电学知识后,观察到生活中的许多电热器都有多个挡位,于是他利用电压恒为10V的电源和两个阻值不同的定值电阻,设计了如图所示的电路来探究电热器的多挡位问题.已知R1=20Ω、R2=30Ω,请计算:
(1)S2闭合,S1、S3断开时,电路中的电流;
(2)S3断开,S1、S2闭合时,通电5min电路消耗的电能;
(3)该电路的最大功率和最小功率之比.
【答案】(1)0.2A;(2)1000J;(3)25:6.
【解析】
【分析】
(1)S2闭合,S1、S3断开时,两电阻串联,根据电阻的串联和欧姆定律求出电路中的电流;
(2)S3断开,S1、S2闭合时,电阻R1短路,只有R2连入电路,根据
求出消耗的电能;
(3)当S2闭合,S1、S3断开时,两电阻串联,此时电路的总功率最小,根据求出最小功率;
当S1、S3闭合,S2断开时,两电阻并联,此时电路中的总功率最大,根据电阻的并联特点求出电路中的总电阻,再根据求出最大功率;进一步得出该电路的最大功率和最小功率之比.
【详解】
(1)当S2闭合,S1、S3断开时,两电阻串联,则总电阻:R串=R1+R2=20Ω+30Ω=50Ω;
所以,电路中的电流:;
(2)S3断开,S1、S2闭合时,电阻R1短路,只有R2连入电路,
则通电5min电路消耗的电能:;
(3)当S2闭合,S1、S3断开时,两电阻串联,此时电路的总电阻最大,根据可知此时总功率最小,
所以,,
当S1、S3闭合,S2断开时,两电阻并联,此时电路中的总电阻最小,根据可知此时总功率最大,
因并联电路中总电阻的倒数等于各分电阻倒数之和,
所以此时的总电阻:
,
,
则:.
【点睛】
本题考查了串联电路特点和并联电路的特点以及欧姆定律、电功公式、电功率公式的灵活应用,关键是开关闭合、断开时电路连接方式的判断和电路最大、最小电功率的判断.
23.(2020·广东初三其他)如图所示,电源电压不变,电阻R1的阻值为 15Ω,当断开开关 S2和 S3,闭合开关 S1时,电流表的示数为 0.2A;当断开开关 S3,闭合开关 S1、S2时,电流表的示数为0.6A。求:
(1)电源电压U;
(2)电阻R2的阻值;
(3)当断开开关 S1和 S2,闭合开关 S3时,求电路的总电功率。
【答案】(1)3V;(2)7.5W;(3)0.4W
【解析】
【分析】
【详解】
(1)当断开开关S2和S3,闭合开关S1时,电路为R1的简单电路,电流表测通过R1的电流,由可得,电源电压为
电源电压为3V。
(2)当断开开关S3,闭合开关S1、S2时,两电阻并联,电流表测干路电流,因并联电路中各支路独立工作、互不影响,所以,此时通过R1的电流仍为0.2A不变,因并联电路中干路电流等于各支路电流之和,所以,通过电阻R2的电流为
因并联电路中各支路两端的电压相等,根据可得,R2的阻值
R2的阻值7.5Ω。
(3)当断开开关S1和S2,闭合开关S3时,两电阻串联,因串联电路中总电阻等于各分电阻之和,所以,电路总电阻
则电路的总功率
电路的总电功率为0.4W。
答:(1)电源电压U为3V。
(2)电阻R2的阻值为7.5Ω。
(3)当断开开关S1和S2,闭合开关S3时,电路的总电功率为0.4W。
24.(2019·山东济南�中考真题)小华将滑动变阻器和小灯泡串联组成了如图甲所示的调光电路,其电源电压为6V,灯泡的额定电压为2.5V。调节滑动变阻器的滑片,从a端开始向b端移动到某一位置的过程中,测出了多组电流和电压值,并绘制了如图乙所示的图像。求:
(1)滑动变阻器的最大阻值;
(2)小灯泡的额定功率;
(3)小灯泡正常发光10min所消耗的电能;
(4)小华手边还有一只额定电压为1.5V,正常工作时电阻为7.5Ω的灯泡,若将此灯泡替代甲图中的灯泡,请你通过计算说明该灯泡能否在这个电路中正常发光。
【答案】(1)20Ω;(2)1W;(3)600J;(4)该灯泡不能在这个电路中正常发光
【解析】
【分析】
【详解】
由图可知,灯泡与滑动变阻器串联,电压表测量滑动变阻器两端的电压,电流表测量电路中的电流。
(1)变阻器滑片在a端时连入电路的电阻最大,电路的总电阻最大,根据I=可知电路中的电流最小,由乙图可知,当滑片P在最右端时,电压表示数为4.8V,电流表示数为0.24A
Rmax==20Ω
(2)已知灯泡的额定电压为2.5V,则灯泡正常工作时灯泡的实际电压
UL=U额=2.5V
根据串联电路的总电压等于各分电阻两端的电压之和可得,灯泡正常工作时滑动变阻器两端的电压
U滑=U-UL=6V-2.5V=3.5V
根据图象可知此时电路中的电流是0.4A,灯泡的额定功率
P额=U额I=2.5V×0.4A=1W
(3)小灯泡正常发光10min所消耗的电能
W=P额t=1W×10×60s=600J
(4)假设小灯泡正常工作,由欧姆定律得通过灯泡的电流
I1==0.2A
该电路允许的最大电压为
Umax= I1(RL+Rmax)=0.2A×(7.5Ω+20Ω)=5.5V<6V
这说明该灯泡不能在这个电路中正常发光。
答:(1)滑动变阻器的最大阻值为20Ω;
(2)小灯泡的额定功率为1W;
(3)小灯泡正常发光10min所消耗的电能为600J;
(4)该灯泡不能在这个电路中正常发光。
2023年中考物理真题分类汇编-专题15 电功、电功率和电热: 这是一份2023年中考物理真题分类汇编-专题15 电功、电功率和电热,文件包含专题15电功电功率和电热-2023年中考物理真题分类汇编全国版答案解析docx、专题15电功电功率和电热-2023年中考物理真题分类汇编全国版试卷docx等2份试卷配套教学资源,其中试卷共55页, 欢迎下载使用。
2023年中考物理真题分类汇编——专题15 电功、电功率和电热(全国通用): 这是一份2023年中考物理真题分类汇编——专题15 电功、电功率和电热(全国通用),文件包含专题15电功电功率和电热全国通用解析版docx、专题15电功电功率和电热全国通用原卷版docx等2份试卷配套教学资源,其中试卷共55页, 欢迎下载使用。
2018-2022年安徽中考物理5年真题1年模拟汇编 专题17 电功 电功率 电热(学生卷+教师卷): 这是一份2018-2022年安徽中考物理5年真题1年模拟汇编 专题17 电功 电功率 电热(学生卷+教师卷),文件包含专题17电功电功率电热--5年2018-2022中考1年模拟物理分项汇编安徽专用解析版docx、专题17电功电功率电热--5年2018-2022中考1年模拟物理分项汇编安徽专用原卷版docx等2份试卷配套教学资源,其中试卷共35页, 欢迎下载使用。

