第五章透镜及其应用知识点完美整理版-a05091f5e009581b6bd9eb32
展开透镜及其应用知识点
知识要点
透镜
透镜:透明物质制成(一般是玻璃),至少有一个表面是球面的一部分,对光起折射作用的光学元件。
分类:1、凸透镜:边缘薄,中央厚。2、凹透镜:边缘厚,中央薄。
主光轴:通过两个球心的直线。
光心:通过它的光线传播方向不变,主光轴上有个特殊的点。(透镜中心可认为是光心)
焦点:凸透镜能使跟主轴平行的光线会聚在主光轴上的一点,这点叫透镜的焦点,用“F”表示
虚焦点:跟主光轴平行的光线经凹透镜后变得发散,发散光线的反向延长线相交在主光轴上一点,这一点不是实际光线的会聚点,所以叫虚焦点。
焦距:焦点到光心的距离叫焦距,用“f”表示。
要点诠释:
凸透镜:对光起会聚作用。 凹透镜:对光起发散作用。
生活中的透镜
照相机:镜头相当于凸透镜,来自物体的光经过照相机镜头后会聚在胶片上,成倒立、缩小的实像。
投影仪:镜头相当于凸透镜,来自投影片的光通过凸透镜后成像,再经过平面镜改变光的传播方向,使屏幕上成倒立、放大的实像。
放大镜:成正立、放大的虚像。
要点诠释:生活中的透镜是凸透镜在物距处于不同条件下的具体应用。
探究凸透镜成像规律
实验:
从左向右依次放置蜡烛、凸透镜、光屏。
1、调整它们的位置,使三者在同一直线(光具座不用);
2、调整它们,使烛焰的中心、凸透镜的中心、光屏的中心在同一高度。
凸透镜成像规律:
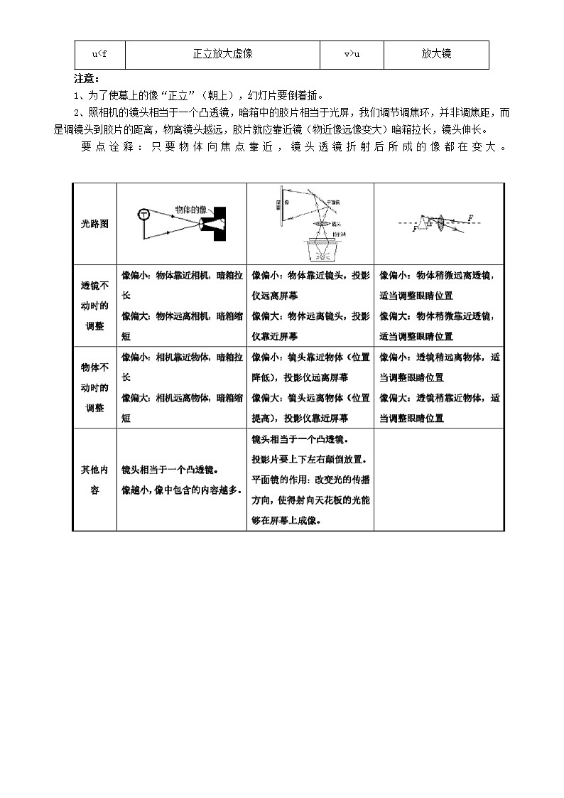
物距(u) | 像的性质 | 像距(v) | 应用 | ||
倒正 | 实虚 | 放大或缩小 | |||
u>2f | 倒立 | 实像 | 缩小 | f<v<2f | 照相机 |
u=2f | 倒立 | 实像 | 等大 | v=2f | 实像大小转折点 |
f<u<2f | 倒立 | 实像 | 放大 | v>2f | 幻灯机 |
u=f | 不成像 | 像的虚实转折点 | |||
u<f | 正立放大虚像 | v>u | 放大镜 | ||
注意:
1、为了使幕上的像“正立”(朝上),幻灯片要倒着插。
2、照相机的镜头相当于一个凸透镜,暗箱中的胶片相当于光屏,我们调节调焦环,并非调焦距,而是调镜头到胶片的距离,物离镜头越远,胶片就应靠近镜(物近像远像变大)暗箱拉长,镜头伸长。
要点诠释:只要物体向焦点靠近,镜头透镜折射后所成的像都在变大。
⑴u=f是成实像和虚象,正立像和倒立像,像物同侧和异侧的分界点。
⑵u=2f是像放大和缩小的分界点
⑶当像距大于物距时成放大的实像(或虚像),当像距小于物距时成倒立缩小的实像。
= + ,像距u越大,像越大。
应用(1)照相机:①镜头是凸透镜㈩
②物体到透镜的距离(物距)大于二倍焦距,成的是倒立、缩小的实像;
③要使像变大,应该让透镜靠近物体,远离胶卷
(2)投影仪:①投影仪的镜头是凸透镜;
②投影仪的平面镜的作用是改变光的传播方向;
③物体到透镜的距离(物距)小于二倍焦距,大于一倍焦距,成的是倒立、放大的实像;
④要使像变大,应该让透镜靠近物体,远离屏幕
(3)放大镜:①放大镜是凸透镜;
②放大镜到物体的距离(物距)小于一倍焦距,成的是放大、正立的虚像;
③要让物体更大,应该让放大镜远离物体;
眼睛和眼镜
眼睛:眼睛中晶状体和角膜的共同作用相当于凸透镜,它把来自物体的光会聚在视网膜上,形成物体的像。视网膜上的视神经细胞受到光的刺激,把信号传输给大脑。看远处物体时,睫状肌放松,晶状体比较薄(焦距长,偏折弱)。看近处物体时,睫状肌收缩,晶状体比较厚(焦距短,偏折强)。
近视的表现:能看清近处的物体,看不清远处的物体。
近视的原因:晶状体太厚,折光能力太强,或眼球前后方向太长,致使远处物体的像成在视网膜前。
近视的矫治:配戴凹透镜。
远视的表现:能看清远处的物体,看不清近处的物体。
远视的原因:晶状体太薄,折光能力太弱,或眼球前后方向太短,致使远处物体的像成在视网膜后。
远视的矫治:配戴凸透镜。
眼镜的度数:100×焦距的倒数。
要点诠释:近视眼要配戴凹透镜矫正;远视眼要配戴凸透镜矫正。
1、成像原理: 从物体发出的光线经过晶状体等一个综合的凸透镜在视网膜上行成倒立,缩小的实像,分 布在视网膜上的视神经细胞受到光的刺激,把这个信号传输给大脑,人就可以看到这个物体了。(眼睛的晶状体相当于凸透镜,视网膜相当于光屏(胶卷))
2、近视及远视的矫正方法:近视眼:物体成像在视网膜前,用凹透镜矫正
远视眼:物体成像在视网膜后,用凸透镜矫正。
显微镜和望远镜
显微镜:物镜焦距较短,物体通过它成倒立、放大的实像(像投影仪的镜头);目镜焦距较长,物镜成的像经过它成放大的虚像(像放大镜)。
望远镜:(开普勒望远镜)物镜的作用是使远处的物体在焦点附近成实像,目镜的作用相当于一个放大镜,用来把这个像放大。
注:伽利略望远镜目镜为凹透镜,天文望远镜常用凹面镜作物镜。
视角:物体的边缘跟眼睛所夹的角。视角越大,成的像越大。
规律方法整合:
关于两种透镜三条特殊的光线:
1、凸透镜三条特殊光线,如图所示:
A.与主光轴平行的光线经透镜折射过焦点;
B.过光心的光线传播方向不变;
C、过焦点的光线经透镜折射后与主光轴平行。
2、凹透镜三条特殊光线,如图所示:
A、与主光轴平行的光线经透镜折射后反向延长线过焦点;
B、过光心的光线传播方向不变;
C、射向对侧焦点的光线经透镜折射后与主光轴平行。
利用这三条特出的光线来探究凸透镜的成像规律:
现在,我们利用这三条光线完成凸透镜成像规律作图,
作法:
①画一直线表示主光轴;
②把透镜放在主光轴中央,从透镜的位置开始在左右两边的轴上用粉笔标出等于焦距和2倍焦距位置;③物体分别设三个位置;(u<f、f<u<2f、u>2f)
④画出平行于主光轴的光线被凸透镜折射后经过焦点的光线;
⑤通过焦点的光线被凸透镜折射以后平行于主光轴射出;
⑥两条折射光线在透镜另一侧相交于一点;
⑦过这一点作垂直主光轴的线,这就是物体的像;
⑧若两条折射光线在透镜另一侧不相交,反向延长,交于物体与透镜同侧;
⑨过这一点作垂直主光轴的线,用虚线表示其成的虚像,如图所示:
关于凸透镜成像规律总结如下:
1、焦点是成实像和虚像的分界点;2、二倍焦距处是成放大实像和缩小实像的分界点;
3、倒立的都是实像、正立的都是虚像;4、当u>v时,像是缩小的;反之,像是放大的;
5、成实像时:当物距减小时,像距和像都增大;反之,物距增大,像和像距都减小。简言之“物近像远像变大;”
6、无论是成实像还是虚像,只要物体向焦点靠近,所成的像都变大;7、像与物左右相反,上下相反;
8、凸透镜破损或有污渍,不影响成像的完整性,只是让像变暗;
9、物和像在透镜同侧的是虚像;异侧的是实像。
凸透镜成像规律及其应用
1、实验:实验时点燃蜡烛,使烛焰、凸透镜、光屏的中心大致在同一高度,目的是:使烛焰的像成在光屏中央。
若在实验时,无论怎样移动光屏,在光屏都得不到像,可能得原因有:①蜡烛在焦点以内;②烛焰在焦点上③烛焰、凸透镜、光屏的中心不在同一高度;④蜡烛到凸透镜的距离稍大于焦距,成像在很远的地方,光具座的光屏无法移到

