还剩28页未读,
继续阅读
2020版高考一轮复习生物通用版学案:第七单元第二讲染色体变异与生物育种
展开
第二讲染色体变异与生物育种
知识体系——定内容
核心素养——定能力
生命观念
通过对染色体变异基本原理及其在生物学中意义的理解,建立起进化与适应的观点
科学思维
通过三种可遗传变异的比较,培养归纳与概括能力
探科学究
通过低温诱导植物染色体数目的变化、生物变异类型的判断与实验探究,培养实验设计及结果分析的能力
考点一 染色体结构变异[重难深化类]
[基础自测]
1.判断下列叙述的正误
(1)染色体片段的缺失和重复必然导致基因种类的变化(×)
(2)染色体片段的倒位和易位必然导致基因排列顺序的变化(√)
(3)染色体增加某一片段可提高基因表达水平,是有利变异(×)
(4)染色体缺失有利于隐性基因表达,可提高个体的生存能力(×)
(5)染色体易位不改变基因数量,对个体性状不会产生影响(×)
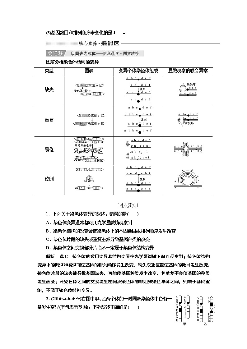
2.观察下列图示,填出变异类型
(1)甲、乙、丙、丁所示变异类型分别属于缺失、重复、倒位、基因突变。
(2)可在显微镜下观察到的是甲、乙、丙。
(3)基因数目和排列顺序未变化的是。
图解分析染色体结构的变异
类型
图解
变异个体染色体组成
显微观察的联会异常
缺失
重复
易位
位倒
[对点落实]
1.下列关于染色体变异的叙述,错误的是( )
A.染色体变异通常都可用光学显微镜观察到
B.染色体结构的改变会使染色体上的基因数目或排列顺序发生改变
C.染色体片段的缺失或重复必然导致基因种类的改变
D.染色体之间交换部分片段不一定属于染色体结构变异
解析:选C 染色体的数目变异和结构变异在光学显微镜下都可观察到;染色体结构变异中的倒位和易位可使基因的排列顺序发生改变,缺失或重复能使基因的数目发生改变;染色体片段的缺失能导致基因缺失,可能使基因种类发生改变,但重复不会使基因的种类发生改变;若染色体之间的交换发生在同源染色体的非姐妹染色单体之间,则属于基因重组,不属于染色体结构变异。
2.(2016·江苏高考)右图中甲、乙两个体的一对同源染色体中各有一条发生变异(字母表示基因)。下列叙述正确的是( )
A.个体甲的变异对表型无影响
B.个体乙细胞减数分裂形成的四分体异常
C.个体甲自交的后代,性状分离比为3∶1
D.个体乙染色体没有基因缺失,表型无异常
解析:选B 个体甲的变异为染色体结构变异中的缺失,由于基因互作,缺失了e基因对表型可能有影响;个体乙的变异为染色体结构变异中的倒位,变异后个体乙细胞减数分裂时同源染色体联会形成的四分体异常;若E、e基因与其他基因共同控制某种性状,则个体甲自交的后代性状分离比不一定为3∶1;个体乙虽然染色体没有基因缺失,但是基因的排列顺序发生改变,可能引起性状的改变。
1.染色体结构变异与基因突变的判断
2.易位与交叉互换的区别
项目
染色体易位
交叉互换
图解
位置
发生于非同源染色体之间
发生于同源染色体的非姐妹染色单体之间
原理
染色体结构变异
基因重组
观察
可在显微镜下观察到
在显微镜下观察不到
[对点落实]
3.(2015·海南高考)关于基因突变和染色体结构变异的叙述,正确的是( )
A.基因突变都会导致染色体结构变异
B.基因突变与染色体结构变异都导致个体表现型改变
C.基因突变与染色体结构变异都导致碱基序列的改变
D.基因突变与染色体结构变异通常都用光学显微镜观察
解析:选C 基因突变不会导致染色体结构变异;基因突变不一定会导致个体表现型改变;基因突变与染色体结构变异都导致碱基序列的改变;基因突变在光学显微镜下不能观察到,染色体结构变异可用光学显微镜观察到。
4.图①②③④分别表示不同的变异类型,其中图③中的基因2由基因1变异而来。下列有关说法正确的是( )
A.图①②都表示易位,发生在减数分裂的四分体时期
B.图③中的变异属于染色体结构变异中的缺失
C.图④中的变异属于染色体结构变异中的缺失或重复
D.图中4种变异能够遗传的是①③
解析:选C 图①表示交叉互换(导致基因重组),发生在减数分裂的四分体时期;图②的交换发生在非同源染色体间,属于染色体结构变异中的易位,不一定发生在减数分裂的四分体时期;图③中碱基对发生缺失,属于基因突变;图④中弯曲的部位表示在其同源染色体上没有配对的片段,上面的一条染色体比下面的长,可能是上面的染色体重复了一段,或下面的染色体缺失了一段;基因突变、基因重组和染色体变异都是可遗传的变异,所以图中4种变异都能够遗传。
[类题通法]
利用“还原法”判断模式图中的变异类型
在判断模式图中的变异类型时,可利用将变异后的图形还原或分开的方法予以判断,图示如下:
考点二 染色体数目变异[重难深化类]
1.类型
类型
实例
个别染色体的增减
21三体综合征
以染色体组形式成倍增减
三倍体无子西瓜
2.染色体组
(1)组成如图中雄果蝇体细胞染色体中的一个染色体组可表示为:Ⅱ、Ⅲ、Ⅳ、X或Ⅱ、Ⅲ、Ⅳ、Y。
(2)组成特点:
①形态上:细胞中的一组非同源染色体,在形态和功能上各不相同。
②功能上:控制生物生长、发育、遗传和变异的一组染色体。
3.单倍体、二倍体和多倍体
项目
单倍体
二倍体
多倍体
发育起点
配子
受精卵
受精卵
特点
①植株弱小②高度不育
正常植株
①茎秆粗壮
②叶、果实、种子较大
③营养物质含量丰富
体细胞染色体组数
1或多个
2个
大于或等于3个
[基础自测]
1.判断下列叙述的正误
(1)多倍体形成过程增加了非同源染色体重组的机会(×)
(2)染色体组整倍性、非整倍性变化必然导致基因种类的增加(×)
(3)三倍体植物不能由受精卵发育而来(×)
(4)通过诱导多倍体的方法可克服远缘杂交不育,培育出作物新类型(√)
(5)三倍体西瓜植株的高度不育与减数分裂同源染色体联会行为有关(√)
(6)体细胞中含有两个染色体组的个体是二倍体,含有三个或三个以上染色体组的个体是多倍体(×)
(7)单倍体体细胞中不一定只含有一个染色体组(√)
(8)组成一个染色体组的染色体中不含减数分裂中能联会的染色体(√)
(9)由受精卵发育而成,体细胞含有两个染色体组的个体叫二倍体(√)
(10)人工诱导多倍体唯一的方法是用秋水仙素处理萌发的种子或幼苗(×)
2.学透教材、理清原因、规范答题用语专练
(1)精子和卵细胞中,一定不含同源染色体吗?________________________________________________________________________
________________________________________________________________________
提示:不一定。二倍体生物的配子中不含同源染色体,四倍体生物的配子中含有同源染色体
(2)人类基因组计划是测定人体一个染色体组的DNA序列吗?______________________
________________________________________________________________________
提示:人类基因组计划测定的是一组常染色体和X、Y两条性染色体上的全部DNA序列,而不是一个染色体组的DNA序列
1.“三法”判定染色体组
方法1 根据染色体形态判定
细胞中形态、大小完全相同的染色体有几条,则有几个染色体组。如图1中染色体的形态、大小各不相同,所以有1个染色体组,图2中彼此相同的(比如点状的)有3条,故有3个染色体组。同理,图3中有1个染色体组,图4中有2个染色体组
方法2 根据基因型判定
在细胞或生物体的基因型中,控制同一性状的基因(包括同一字母的大、小写)出现几次,则含有几个染色体组。如图甲所示基因型为ABC,所以有1个染色体组。图乙所示基因型为AAa,A(a)基因有3个,即含有3个染色体组。同理,图丙中有2个染色体组,图丁中有3个染色体组
注:判定染色体组的数目时只需参考其中任意一对等位基因的数量即可
方法3 根据染色体数和染色体的形态数推算
染色体组数=染色体数/染色体形态数。如果蝇体细胞中有8条染色体,分为4种形态,则染色体组的数目为2。
2.关注单倍体与多倍体的三个易误点
(1)单倍体的体细胞中并非只有一个染色体组:因为大部分的生物是二倍体,所以有时认为单倍体的体细胞中只含有一个染色体组,但是多倍体的配子发育成的个体体细胞中含有不止一个染色体组。
(2)单倍体育种与多倍体育种的操作对象不同:两种育种方式都出现了染色体加倍情况。单倍体育种操作对象是单倍体幼苗,通过植物组织培养,得到的植株是纯合子;多倍体育种的操作对象是正常萌发的种子或幼苗。
(3)单倍体并非都不育:二倍体的配子发育成的单倍体,表现为高度不育;多倍体的配子如含有偶数个染色体组,则发育成的单倍体含有同源染色体及等位基因,可育并能产生后代。
[对点落实]
1.下列图示为细胞中所含染色体分布情况,有关叙述正确的是( )
A.图a所示细胞含有2个染色体组,图b所示细胞含有3个染色体组
B.如果图b表示体细胞,则图b代表的生物一定是三倍体
C.如果图c代表由受精卵发育成的生物的体细胞,则该生物一定是二倍体
D.图d代表的生物一定是由卵细胞发育而成的,是单倍体
解析:选C 图a为处于有丝分裂后期的细胞,含有4个染色体组;图b所示细胞有同源染色体,含有3个染色体组,如果图b生物是由配子发育而成的,则图b代表的生物是单倍体,如果图b生物是由受精卵发育而成的,则图b代表的生物是三倍体;图c所示细胞中有同源染色体,含有2个染色体组,若是由受精卵发育而成的,则该细胞所代表的生物一定是二倍体;图d所示细胞中只含1个染色体组,一定是单倍体,可能是由雄性配子或雌性配子发育而成的。
2.下列是对a~h所示的生物体细胞图中各含有几个染色体组的叙述,正确的是( )
A.细胞中含有一个染色体组的是h图,该个体是单倍体
B.细胞中含有两个染色体组的是g、e图,该个体是二倍体
C.细胞中含有三个染色体组的是a、b图,但该个体未必是三倍体
D.细胞中含有四个染色体组的是f、c图,该个体一定是四倍体
解析:选C 形态、大小各不相同的染色体组成一个染色体组。由此可知:a、b图含有三个染色体组,c、h图含有两个染色体组,d图中,同音字母仅有一个,所以该图只有一个染色体组,g图含有一个染色体组,e、f图含四个染色体组。确认单倍体、二倍体、多倍体必须先看发育起点,若由配子发育而来,无论含几个染色体组均属单倍体,若由受精卵发育而来,有几个染色体组即为几倍体。
[类题通法]
细胞分裂图像中染色体组数的判断方法
以生殖细胞中的染色体数为标准,判断题目中所给图像中的染色体组数。如图所示:
(1)图a为处于减数第一次分裂的前期的细胞,含染色体4条,生殖细胞中含染色体2条,该细胞中有2个染色体组,每个染色体组有2条染色体。
(2)图b为处于减数第一次分裂的末期或减数第二次分裂前期的细胞,含染色体2条,生殖细胞中含染色体2条,该细胞中有1个染色体组,染色体组中有2条染色体。
(3)图c为处于减数第一次分裂的后期的细胞,含染色体4条,生殖细胞中含染色体2条,该细胞中有2个染色体组,每个染色体组有2条染色体。
(4)图d为处于有丝分裂后期的细胞,含染色体8条,生殖细胞中含染色体2条,该细胞中有4个染色体组,每个染色体组有2条染色体。
低温诱导植物染色体数目的变化
1.低温诱导植物染色体数目变化的实验中的试剂及其作用
试剂
使用方法
作用
卡诺氏液
将根尖放入卡诺氏液中浸泡0.5~1 h
固定细胞形态
体积分数为95%的酒精
冲洗用卡诺氏液处理的根尖
洗去卡诺氏液
与质量分数为15%的盐酸等体积混合,浸泡经固定的根尖
解离根尖细胞
质量分数为15%的盐酸
与体积分数为95%的酒精等体积混合,作为解离液
解离根尖细胞
蒸馏水
浸泡解离后的根尖约10 min
漂洗根尖,去除解离液
改良苯酚品红染液
把漂洗干净的根尖放进盛有改良苯酚品红染液的玻璃皿中染色3~5 min
使染色体着色
2.低温诱导染色体加倍实验与观察细胞有丝分裂实验的比较
项目
低温诱导植物染色体数目的变化
观察根尖分生组织细胞的有丝分裂
培养
待洋葱长出1 cm左右不定根时,低温(4 ℃)培养
适宜温度下培养
固定
解离前用卡诺氏液进行固定,然后用体积分数为95%的酒精冲洗2次
不用固定
染色
用改良苯酚品红染液
用醋酸洋红液或龙胆紫溶液
[对点落实]
3.下图是某二倍体植物细胞有丝分裂过程中秋水仙素作用原理的示意图,①②③④分别代表处在不同时期的细胞。下列说法错误的是( )
A.秋水仙素在细胞分裂的③时期起作用
B.④时期的细胞可正常分裂发育成多倍体植株
C.图中所示过程是新物种形成的途径之一
D.低温处理与用秋水仙素处理的作用原理相似
解析:选A 纺锤体的形成时期为细胞分裂前期,所以秋水仙素在②时期起作用;④时期的细胞中染色体数加倍,通过分裂、分化可发育为四倍体植株;处理二倍体所获得的四倍体能产生可育后代,是一个新物种,这是新物种形成的途径之一;低温和秋水仙素都可以抑制细胞分裂前期纺锤体的形成,从而使细胞染色体数目加倍。
4.下列关于低温诱导植物染色体数目变化的实验中部分试剂的使用方法及其作用的叙述,错误的是( )
选项
试剂
使用方法
作用
A
卡诺氏液
将根尖放入卡诺氏液中浸泡0.5~1 h
培养根尖,促进细胞分裂
B
体积分数为95%的酒精
与质量分数为15%的盐酸等体积混合,浸泡经固定的根尖
解离根尖细胞,使细胞之间的联系变得疏松
C
蒸馏水
浸泡解离后的根尖约10 min
漂洗根尖,去除解离液
D
改良苯酚品红染液
把漂洗干净的根尖放进盛有改良苯酚品红染液的玻璃皿中染色3~5 min
使染色体着色
解析:选A 卡诺氏液是固定液的一种,固定液的作用是固定细胞形态以及细胞内的各种结构,固定之后,细胞死亡并且定型;体积分数为95%的酒精与质量分数为15%的盐酸等体积混合后即为解离液,用于溶解细胞间的连接物质,使细胞分开,便于观察;蒸馏水的作用是漂洗根尖,去除解离液,便于染色;改良苯酚品红染液是一种碱性染料,能使染色体着色。
[易错提醒]
关注实验中的两个易误点
(1)显微镜下观察到的细胞是已被盐酸杀死的细胞。
(2)选材时应选用能进行分裂的分生组织细胞,否则不会出现染色体数目加倍的情况。
考点三 生物育种的原理及应用 [重难深化类]
1.单倍体育种和多倍体育种
(1)图中B和C的操作都需用秋水仙素处理,其作用原理是抑制纺锤体的形成。
(2)图中A过程是花药离体培养。
(3)单倍体育种的优点是能明显缩短育种年限。
2.杂交育种与诱变育种
(1)杂交育种
①原理:将两个或多个品种的优良性状通过交配集中在一起,再经过选择和培育,获得新品种的方法。
②过程:选择具有不同优良性状的亲本→杂交→获得F1→F1自交→获得F2→鉴别、选择需要的类型→优良品种。
(2)诱变育种
①原理:利用物理因素或化学因素来处理生物,使生物发生基因突变,从而获得优良变异类型的育种方法。
②过程:选择生物→诱发基因突变→选择理想类型→培育。
3.基因工程及其应用
(1)原理:基因重组,又叫做基因拼接技术或DNA重组技术。通俗地说,就是按照人们的意愿,把一种生物的某种基因提取出来,加以修饰改造,然后放到另一种生物的细胞里,定向地改造生物的遗传性状。
(2)操作的基本步骤:提取目的基因→目的基因与运载体结合→将目的基因导入受体细胞→目的基因的检测与鉴定。
(3)基因操作的基本工具
(4)基因工程的应用
①作物育种,如抗虫棉。
②药物研制,如胰岛素、干扰素等。
③环境保护,如转基因细菌分解石油。
[基础自测]
1.判断下列叙述的正误
(1)抗虫小麦与矮秆小麦杂交,通过基因重组可获得抗虫矮秆小麦(√)
(2)抗病植株连续自交若干代,纯合抗病植株的比例逐代降低(×)
(3)花药离体培养可获得抗锈病高产小麦新品种(×)
(4)诱变育种和杂交育种均可形成新基因(×)
(5)利用高产、感病小麦与高产、晚熟小麦品种间杂交筛选可获得高产、抗病小麦的品种(×)
2.学透教材、理清原因、规范答题用语专练
图中甲、乙表示水稻的两个品种,A、a和B、b表示分别位于两对同源染色体上的两对等位基因,①~⑥表示培育水稻新品种的过程。据图回答有关问题:
(1)图中哪种途径为单倍体育种?__________________________________________
________________________________________________________________________。
提示:图中①、③、⑤过程表示单倍体育种
(2)图中哪一标号处需用秋水仙素处理?应如何处理?
________________________________________________________________________
________________________________________________________________________。
提示:图示⑤处需用秋水仙素处理单倍体幼苗,从而获得纯合子,⑥处需用秋水仙素处理萌发的种子或幼苗,以诱导染色体加倍
(3)④、⑥的育种原理分别是什么?______________________________________
________________________________________________________________________。
提示:④的育种原理为基因突变,⑥的原理为染色体变异
(4)图中最简便及最难以达到育种目标的育种途径分别是哪个过程?________________________________________________________________________
________________________________________________________________________
________________________________________________________________________。
提示:图中最简便的育种途径为①~②过程所示的杂交育种,但育种周期较长;最难以达到育种目标的途径为④过程(诱变育种)
1.列表识记几种常见生物育种方式
方法
原理
常用方法
优点
缺点
代表实例
杂交育种
基因重组
杂交
操作简单,目标性强
育种年限长
矮秆抗病小麦
诱变育种
基因突变
辐射诱变、激光诱变等
提高突变率,加速育种进程
有利变异少,需大量处理实验材料
青霉素高产菌株
多倍体育种
染色体变异
秋水仙素处理萌发的种子或幼苗
操作简单,且能在较短的时间内获得所需品种
所得品种发育迟缓,结实率低;在动物中无法开展
无子西瓜、八倍体小黑麦
单倍体育种
染色体变异
花药离体培养后,再用秋水仙素处理
明显缩短育种年限
技术复杂,需要与杂交育种配合
“京花1号”小麦
基因工程育种
基因重组
将一种生物的特定基因转移到另一种生物细胞中
能定向改造生物的遗传性状
有可能引发生态危机
转基因抗虫棉
2.单倍体育种与杂交育种的关系
[对点落实]
1.生物育种的原理是可遗传变异,下列育种实例与可遗传变异类型对应正确的是( )
选项
育种实例
可遗传变异类型
A
利用高秆抗病和矮秆感病水稻培育矮秆抗病水稻
基因突变
B
用普通二倍体有子西瓜培育三倍体无子西瓜
基因重组
C
利用苏云金杆菌毒性肽基因培育转基因抗虫棉
基因重组
D
用紫外线照射青霉菌培育高产青霉素菌株
染色体变异
解析:选C 利用高秆抗病和矮秆感病水稻培育矮秆抗病水稻的原理是基因重组;用普通二倍体有子西瓜培育三倍体无子西瓜的原理是染色体变异;利用苏云金杆菌毒性肽基因培育转基因抗虫棉的原理是基因重组;用紫外线照射青霉菌培育高产青霉素菌株的原理是基因突变。
2.(2019·湖南四校联考)下列有关几种常见育种方法的叙述,错误的是( )
A.在杂交育种中,一般从F2开始选种,因为从F2开始发生性状分离
B.在多倍体育种中,一般用秋水仙素处理萌发的种子或幼苗
C.在单倍体育种中,一般先筛选F1花粉类型再分别进行花药离体培养获得单倍体
D.在诱变育种中,最初获得的显性优良性状个体一般是杂合子
解析:选C 通过杂交将控制优良性状的基因集中到F1中,F1自交,F2会出现性状分离,因此可从F2开始筛选出人们需要的新品种。在多倍体育种中,用秋水仙素处理萌发的种子或幼苗,秋水仙素能抑制纺锤体形成,从而使子代染色体不能平分到两极,细胞中的染色体数目加倍。在单倍体育种中,一般不对花粉进行筛选,而是直接对所取的全部花药离体培养获得单倍体。在诱变育种中,通常只是一条染色体上的基因发生突变,最初获得的显性优良性状个体一般是杂合子。
[归纳拓展]
几种育种方式的注意点
(1)单倍体育种与多倍体育种的操作对象不同。单倍体育种操作的对象是单倍体幼苗,多倍体育种操作的对象是正常萌发的种子或幼苗。
(2)诱变育种:多用于植物和微生物,一般不用于动物的育种。
(3)杂交育种:不一定需要连续自交。若选育显性优良纯种,需要连续自交筛选,直至性状不再发生分离;若选育隐性优良纯种,则只要出现该性状个体即可。
生物育种程序图分析
[典型图示]
[问题设计]
(1)识别图解中各字母表示的处理方法:A:杂交,D:自交,B:花药离体培养,C:秋水仙素(低温)处理,E:诱变处理,F:秋水仙素(低温)处理,G:DNA重组技术,H:脱分化,I:再分化,J:包裹人工种皮。
(2)识别图中育种方法
①“亲本新品种”为杂交育种;
②“亲本新品种”为单倍体育种;
③“种子或幼苗新品种”为诱变育种;
④“种子或幼苗新品种”为多倍体育种;
⑤“植物细胞新品种”为基因工程育种。
[对点落实]
3.如图所示为两种育种方法的过程,下列有关说法正确的是( )
A.基因重组只发生在图示①③过程中
B.过程③④的育种方法称为单倍体育种
C.E植株体细胞中只含有一个染色体组
D.图示育种方法不能定向改变生物性状
解析:选D 根据题意和图示分析可知,①②为杂交育种过程并让植株连续自交进行筛选;①③④⑤是单倍体育种过程,其中④为选取花药进行离体培养,⑤过程用秋水仙素处理幼苗。基因重组发生在减数分裂过程中,所以可发生在图示①②③过程中;过程①③④⑤的育种方法称为单倍体育种;单倍体是指体细胞含有本物种配子中染色体数目的个体,所以E植株体细胞中不一定只含有一个染色体组;杂交育种和单倍体育种不能定向改变生物性状,基因工程育种可定向改变生物性状。
4.(2019·山西四校联考)野生猕猴桃是一种多年生富含VC的二倍体(2n=58)小野果。下图是某科研小组以大量的野生猕猴桃种子(aa)为实验材料培育抗虫猕猴桃无籽新品种的过程,分析正确的是( )
A.该培育过程中不可使用花药离体培养
B.③⑦过程必须使用秋水仙素
C.⑤的亲本不是同一物种
D.⑥过程得到的个体是四倍体
解析:选C 图中②过程中可用花药离体培养,再诱导染色体加倍获得基因型为AA的个体;秋水仙素或低温诱导均可导致染色体数加倍;⑤的亲本中,AA为二倍体,AAAA为四倍体,不是同一物种;⑥过程为利用DNA重组技术导入抗虫基因,获得的仍是三倍体。
农业是经济发展的基础,如何实现振兴乡村经济是当前社会关注的热点。提高农产品的产量和质量是实现农民增收的一个重要环节,因此利用现代科技对农作物改良是育种专家研究的重要课题。高考试题常借助社会生产或最新科研成果,考查育种原理、操作过程及各种育种方式的优缺点等。
[对点落实]
5.现有小麦种质资源包括:①高产、感病;②低产、抗病;③高产、晚熟等品种。为满足不同地区及不同环境条件下的栽培需求,育种专家要培育3类品种:a.高产、抗病;b.高产、早熟;c.高产、抗旱。下述育种方法可行的是(多选)( )
A.利用①、③品种间杂交筛选获得a
B.对品种③进行染色体加倍处理筛选获得b
C.a、b和c的培育均可采用诱变育种方法
D.用转基因技术将外源抗旱基因导入③中获得c
解析:选CD 欲获得高产、抗病品种,应利用①和②进行品种间杂交筛选;欲获得高产、早熟品种,则应对③进行诱变育种;诱变育种可以产生新基因,因此a、b、c都可以通过诱变育种获得;基因工程可定向改变生物性状,要获得高产、抗旱品种,可通过基因工程对③品种导入外源抗旱基因实现。
6.萝卜和甘蓝都是人们喜欢的蔬菜,并且萝卜和甘蓝都属于十字花科二倍体生物,体细胞染色体数都是18。萝卜的染色体组成和染色体数可以表示为:2n=AA=18,甘蓝的染色体组成和染色体数可以表示为:2n=BB=18。如图是利用萝卜和甘蓝培育作物品种的过程示意图,请回答下列问题:
(1)图中秋水仙素的作用是________________,作用的时期是__________________;与用秋水仙素处理可以达到同样效果的一种措施是____________。
(2)以上育种方法的原理是______________;甲、乙、丙、丁4种植株中,可育的有________,其染色体组的组成和染色体数分别为______________________________。植株丁根尖分生区的一个细胞中最多含染色体________条。
(3)基因型为AaBb的萝卜和基因型为DdEe的甘蓝杂交,后代基因型有________种;请设计一个利用基因型为AaBb的萝卜和基因型为DdEe的甘蓝,获得基因型为aaaabbbbddee的萝卜—甘蓝新品种的培育步骤(写出一种即可)。
解析:(1)秋水仙素的作用是抑制纺锤体形成,作用的时期是有丝分裂前期。与用秋水仙素处理可以达到同样效果的是低温处理,低温处理同样可以诱导多倍体产生。(2)植株甲获取的原理是染色体组加倍,为同源四倍体,可育;植株乙是通过杂交获得的异源二倍体,不可育;植株丙获取的原理是染色体组加倍,为异源四倍体,可育;植株丁是通过杂交获得的异源三倍体,不可育。甲的染色体组组成和染色体数为:4n=AAAA=36;乙的染色体组组成和染色体数为:2n=AB=18;丙的染色体组组成和染色体数为:4n=AABB=36;丁的染色体组组成和染色体数为:3n=AAB=27。植株丁根尖分生区的一个细胞中最多含染色体为27×2=54(条)。(3)基因型为AaBb的萝卜和基因型为DdEe的甘蓝各产生4种互不相同的配子,随机组合可产生4×4=16(种)基因型的后代。获取基因型为aaaabbbbddee的萝卜—甘蓝新品种的方法有多种,见答案。
答案:(1)抑制纺锤体形成 有丝分裂前期 低温处理 (2)染色体变异 甲、丙 甲:4n=AAAA=36,丙:4n=AABB=36 54 (3)16 用AaBb的萝卜自交,获得基因型为aabb的个体,诱导加倍获得基因型为aaaabbbb的个体,再诱导加倍获得基因型为aaaaaaaabbbbbbbb的个体;用基因型为DdEe的个体自交获得基因型为ddee的个体,对其诱导加倍获得基因型为ddddeeee的个体;让基因型为aaaaaaaabbbbbbbb的萝卜与基因型为ddddeeee的甘蓝杂交,获得的后代即基因型为aaaabbbbddee的萝卜—甘蓝新品种(答案合理即可)
[归纳拓展]
1.据不同育种目标选择不同育种方案
育种目标
育种方案
集中双亲优良性状
单倍体育种(明显缩短育种年限)
杂交育种(耗时较长,但简便易行)
对原品系实施“定向”改造
基因工程及植物细胞工程(植物体细胞杂交)育种
让原品系产生新性状(无中生有)
诱变育种(可提高变异频率,期望获得理想性状)
使原品系营养器官“增大”或“加强”
多倍体育种
2.育种技术中的“四最”和“一明显”
(1)最简便的育种技术——杂交育种(但耗时较长)。
(2)最具预见性的育种技术——DNA重组技术或细胞工程育种(但技术含量高)。
(3)最盲目的育种——诱变育种(但可获得新基因,性状可较快稳定)。
(4)最能提高产量的育种——多倍体育种(尤其是营养器官增大)。
(5)可明显缩短育种年限的育种——单倍体育种。
考点四 生物变异类型的判断与实验探究[题点精析类]
1.可遗传变异与不可遗传变异及判断方法
(1)可遗传变异与不可遗传变异
①不可遗传变异环境变化,遗传物质未变
②可遗传变异
(2)判断方法
2.基因突变、基因重组、染色体变异的实质解读
(1)三种变异的实质解读
若把基因视为染色体上的一个位“点”,染色体视为点所在的“线段”,则:
①基因突变——“点”的变化(“点”的质变,但数目不变)。
②基因重组——“点”的结合或交换(“点”的质与量均不变)。
③染色体变异——“线段”发生结构或数目的变化。
a.染色体结构变异——“线段”的部分片段重复、缺失、倒位、易位(“点”的质不变,数目和位置可能变化)。
b.染色体数目变异——个别“线段”增添、缺失或“线段”成倍增减(“点”的质不变,数目变化)。
(2)关注可遗传变异的三个“唯一”
唯一产生新基因的变异
基因突变
唯一可通过光学显微镜观察到的变异
染色体变异
唯一属“正常”发生(非病变)的变异
基因重组
3.基因突变与基因重组的判断
4.染色体变异与基因突变的判断
(1)判断依据:光学显微镜下能观察到的是染色体变异,不能观察到的是基因突变。
(2)具体操作:制作正常个体与待测变异个体的有丝分裂临时装片,找到中期图进行染色体结构与数目的比较可以判断是否发生了染色体变异。
5.变异类型实验探究题的答题模板
[题点全练]
题点(一) 三类可遗传变异特点的比较
1.下列有关生物变异的说法,正确的是( )
A.减数第二次分裂时,非姐妹染色单体之间的交叉互换属于基因重组
B.基因突变后,若碱基对增添或缺失则基因数也增加或减少
C.三倍体无子西瓜无法产生后代,这种变异属于不可遗传的变异
D.基因突变、基因重组和染色体变异均可为生物的进化提供原材料
解析:选D 减数第二次分裂时,细胞中无同源染色体,非姐妹染色单体之间的交叉互换属于染色体结构变异中的易位;基因突变的结果是形成等位基因,基因数目不变;三倍体无子西瓜形成过程中,细胞的遗传物质发生了改变,为可遗传的变异。
2.下列有关基因突变、基因重组和染色体变异的叙述,错误的是( )
A.三倍体无子西瓜的培育过程利用了染色体变异的原理
B.基因突变、基因重组和染色体变异决定了生物进化的方向
C.基因重组可以产生新的基因型
D.基因突变不一定都会引起生物性状的改变
解析:选B 基因突变、基因重组、染色体变异是可遗传的变异,变异是不定向的,自然选择决定生物进化的方向。
题点(二) 三类可遗传变异的实验分析
3.(2019·泰安模拟)已知性染色体组成为XO(体细胞内只含1条性染色体X)的果蝇,表现为雄性不育,用红眼雌果蝇(XRXR)与白眼雄果蝇(XrY)为亲本进行杂交,在F1群体中,发现一只白眼雄果蝇M。为探究M果蝇出现的原因,某研究小组用M果蝇与正常白眼雌果蝇杂交,再根据杂交结果进行分析推理。下列有关实验结果和实验结论的叙述,正确的是( )
A.若子代雌、雄果蝇的表现型都为白眼,则M的出现是由环境改变引起的
B.若子代雌果蝇都是红眼、雄果蝇都是白眼,则M的出现是由基因突变引起的
C.若无子代产生,则M的基因组成为XrO,由不能进行正常的减数第一次分裂引起
D.若无子代产生,则M的基因组成为XrY,由基因重组引起
解析:选C M果蝇与正常白眼雌果蝇(XrXr)杂交,若子代雌、雄果蝇的表现型都为白眼,则M果蝇的基因型为XrY,其出现是由基因突变引起的;若子代雌果蝇都是红眼、雄果蝇都是白眼,则M果蝇的基因型为(XRY),其出现是由环境改变引起的;若无子代产生,则M果蝇的基因组成为XrO,表现为雄性不育,由不能进行正常的减数第一次分裂引起的。
4.(2019·厦门一模)果蝇的红眼和白眼是一对相对性状,缺刻翅和正常翅是另一对相对性状,分别受一对等位基因控制。现用一些纯合亲本果蝇进行杂交实验,结果如表:
组别
亲本
F1表现型及比例
F2表现型及比例
1
红眼♀×白眼♂
红眼♀∶红眼♂=1∶1
红眼♀∶红眼♂∶白眼♂=2∶1∶1
2
缺刻翅♀×正常翅♂
正常翅♀∶缺刻翅♂=1∶1
—
请回答:
(1)缺刻翅和正常翅这对相对性状中显性性状是________。
(2)这两对相对性状的遗传________(填“遵循”或“不遵循”)基因的自由组合定律,理由是________________________________________________________________________
________________________________________________________________________。
(3)研究者在组别2的F1中偶然发现了一只缺刻翅雌果蝇。出现该果蝇的原因可能是亲本果蝇在形成配子时发生了基因突变,也可能是染色体片段缺失。请你选择合适的材料,设计杂交实验方案来判断出现该缺刻翅果蝇的原因。(注:各型配子活力相同;雄性个体一条染色体片段缺失时胚胎致死。)
实验方案:________________________________________________________。
结果预测:
Ⅰ.若________________________________,则为基因突变;
Ⅱ.若__________________________,则为染色体片段缺失。
解析:(1)由于缺刻翅♀×正常翅♂杂交后代中,雌性个体只有正常翅,说明正常翅对缺刻翅为显性性状。亲本的基因型为XbXb和XBY,F1的基因型为XBXb和XbY。(2)由第1组实验结果可判断控制果蝇红眼和白眼的基因位于X染色体上,由于控制这两对相对性状的两对等位基因都位于X染色体上,即位于同一对同源染色体上,所以这两对相对性状的遗传不遵循基因的自由组合定律。(3)由于组别2的F1中雌果蝇应该都是正常翅,现偶然发现了一只缺刻翅雌果蝇,可能是亲本果蝇在形成配子时发生了基因突变,也可能是染色体片段缺失,而雄性个体一条染色体片段缺失时胚胎致死。因此,可让这只缺刻翅雌果蝇(XbXb或XbO)与正常翅雄果蝇(XBY)杂交,观察子代表现型及比例。Ⅰ.如果子代中正常翅(XBXb)∶缺刻翅(XbY)=1∶1,即雌性∶雄性=1∶1,说明亲本果蝇在形成配子时发生了基因突变;Ⅱ.由于雄性个体一条染色体片段缺失时胚胎致死,如果子代中正常翅(XBXb和XBO)∶缺刻翅[XbY和OY(胚胎致死)]=2∶1,即雌性∶雄性=2∶1,说明亲本果蝇在形成配子时发生了染色体片段缺失。
答案:(1)正常翅 (2)不遵循 控制这两对相对性状的两对等位基因位于同一对同源染色体上
(3)让这只缺刻翅雌果蝇与正常翅雄果蝇杂交,观察子代表现型及比例
Ⅰ.正常翅∶缺刻翅=1∶1或雌性∶雄性=1∶1
Ⅱ.正常翅∶缺刻翅=2∶1或雌性∶雄性=2∶1
课堂一刻钟
1.(2018·海南高考)蜜蜂中,雌蜂是雌雄配子结合产生的二倍体,雄蜂是由未受精的卵直接发育而来的。某对蜜蜂所产生子代的基因型为:雌蜂是AADD、AADd、AaDD、AaDd;雄蜂是AD、Ad、aD、ad。这对蜜蜂的基因型是( )
A.AADd和ad B.AaDd和aD
C.AaDd和AD D.Aadd和AD
破题障碍——原理不明
由“雌蜂是雌雄配子结合产生的二倍体,雄蜂是由未受精的卵直接发育而来的”这一信息,结合子代的基因型可推出雄蜂的基因型即为亲代雌蜂产生的卵细胞的基因型。据此可以确定亲代雌蜂的基因型。
解析:选C 由雄蜂的基因型可推测亲本雌蜂的基因型为AaDd,后代的雌峰是由雄性的精子与雌蜂的卵细胞结合形成的,据此推测亲本雄性的基因型为AD。
2.(2017·江苏高考)一株同源四倍体玉米的基因型为Aaaa,其异常联会形成的部分配子也可受精形成子代。下列相关叙述正确的是( )
A.题图表示的过程发生在减数第一次分裂后期
B.自交后代会出现染色体数目变异的个体
C.该玉米单穗上的籽粒基因型相同
D.该植株花药培养加倍后的个体均为纯合子
解题关键——识图析图
异常联会导致同源染色体中的三条染色体可移到一个细胞中,而另一条染色体可移到另一个细胞中,只要正确识别图中包含信息就能正确解答本题。
解析:选B 图示的联会过程发生在减数第一次分裂前期;由异常联会图示可知,同源染色体中的三条染色体可移到一个细胞中,而另一条染色体可移到另一个细胞中,因此减数分裂后形成的配子中染色体数目异常,自交后代会出现染色体数目变异的个体;该玉米单穗上的籽粒可由不同基因型的配子结合形成,因此基因型可能不同;该植株形成的配子中有的基因型为Aa,含这种配子的花药经培养加倍后形成的个体是杂合子。
3.(2015·上海高考)如图显示一对表现型正常的夫妇及其智障儿子细胞中的两对染色体(不考虑受精和胚胎发育过程中的任何情况),造成儿子异常的根本原因是( )
A.父亲染色体上的基因发生突变
B.母亲染色体上的基因发生突变
C.母亲染色体发生缺失
D.母亲染色体发生易位
解题关键——识图析图
由图可知:母亲细胞中一条染色体的一段移接到了非同源染色体上,属于染色体结构变异中的易位。
解析:选D 由图示可看出:父亲的染色体正常(同源染色体的大小、形态一致),母亲的染色体异常。若把图示母亲细胞中的染色体按从左到右编号为1、2、3、4,其中1与2为一对同源染色体,3与4为一对同源染色体。与父亲正常的染色体比较,可看出母亲细胞中2号染色体的一段移接到了3号染色体上,属于染色体结构变异中的易位。由此可推断造成儿子异常的根本原因是母亲染色体发生易位。
4.(2017·江苏高考)研究人员在柑橘中发现一棵具有明显早熟特性的变异株,决定以此为基础培育早熟柑橘新品种。请回答下列问题:
解题关键——识图析图
解答本题的关键是据图判断育种方法。由图可知,方法①是杂交育种,方法②是单倍体育种,方法③是植物组织培养。
(1)要判断该变异株的育种价值,首先要确定它的________物质是否发生了变化。
(2)在选择育种方法时,需要判断该变异株的变异类型。如果变异株是个别基因的突变体,则可采用育种方法①,使早熟基因逐渐________,培育成新品种1。为了加快这一进程,还可以采集变异株的________进行处理,获得高度纯合的后代,选育成新品种2,这种方法称为________育种。
(3)如果该早熟植株属于染色体组变异株,可以推测该变异株减数分裂中染色体有多种联会方式,由此造成不规则的________________,产生染色体数目不等、生活力很低的________,因而得不到足量的种子。即使得到少量后代,早熟性状也很难稳定遗传。这种情况下,可考虑选择育种方法③,其不足之处是需要不断制备________,成本较高。
(4)新品种1与新品种3均具有早熟性状,但其他性状有差异,这是因为新品种1选育过程中基因发生了多次______,产生的多种基因中只有一部分在选育过程中保留下来。
解析:(1)生物的可遗传性状是由基因控制的,培育得到的新品种,与原种控制相关性状的遗传物质(基因)可能有所差异,因而可根据变异株中的遗传物质是否发生变化来判断变异株是否具有育种价值。(2)连续自交过程中早熟基因逐渐纯合,培育成新品种1。为了加快进程,可先通过花药离体培养,再用秋水仙素处理单倍体幼苗,从而获得高度纯合的后代,这种方法属于单倍体育种。(3)若是染色体组数目改变引起的变异,则在减数分裂过程中同源染色体配对会发生紊乱,不规则的染色体分离导致产生染色体数目不等、生活力低的异常配子,只有极少数配子正常,故只得到极少量的种子。育种方法③需首先经植物组织培养获得柑橘苗,而植物组织培养技术操作复杂,成本较高。(4)育种方法①需连续自交,每次减数分裂时与早熟性状相关的基因和其他性状相关的基因都会发生基因重组,产生多种
基因型,经选育只有一部分基因型保留下来。植物组织培养过程中不进行减数分裂,无基因重组发生。
答案:(1)遗传 (2)纯合 花药 单倍体 (3)染色体分离 配子 组培苗 (4)重组
[学情考情·了然于胸]
一、明考情·知能力——找准努力方向
考查知识
1.染色体结构变异类型的判断及特点。
2.染色体数目变异,常结合细胞分裂图像和考查异常减数分裂与染色体变异的关系。
3.生物育种的方法、原理和操作过程,常以育种流程图分析题形式考查。
考查能力
1.识记能力:主要考查对染色体变异的类型、原理以及生物育种方法和原理的识记能力。
2.推理能力:主要考查异常细胞分裂过程中发生的染色体变异类型的判断。
二、记要点·背术语——汇总本节重点
1.染色体变异、染色体组
(1)染色体变异的实质是基因数目和位置的改变。
(2)染色体组是指细胞中的一组非同源染色体,在形态和功能上各不相同,但又互相协调,共同控制生物的生长、发育、遗传和变异。
2.单倍体、多倍体
(1)体细胞中含有本物种配子染色体数目的个体,叫做单倍体。与正常植株相比,单倍体植株一般长得弱小,并且高度不育。
(2)由受精卵发育而来,体细胞中含有三个或三个以上染色体组的个体叫做多倍体。多倍体植株常常茎秆粗壮,叶片、果实和种子都比较大,糖类和蛋白质等营养物质的含量较高。
3.两个原理
(1)花药离体培养的原理:植物细胞具有全能性。
(2)低温和秋水仙素诱导多倍体的原理:抑制有丝分裂前期纺锤体的形成。
4.两种方法
(1)花药离体培养法:得到的是单倍体植株,是单倍体育种的一个环节。
(2)秋水仙素处理法:在多倍体育种时处理萌发的种子或幼苗;在单倍体育种时处理单倍体植株的幼苗。
5.杂交育种的两个特点:能将多个优良性状集中到同一生物个体上;但耗时较长。
6.诱变育种的方法和特点
(1)两种诱变方法:物理诱变、化学诱变。
(2)两个特点:多害少利性;能产生新基因,创造生物新类型。
[课下达标检测]
一、选择题
1.下列关于单倍体、二倍体及染色体组的表述,正确的是( )
A.单倍体生物体的体细胞中都没有同源染色体
B.21三体综合征患者的体细胞中有三个染色体组
C.人的初级卵母细胞中的一个染色体组中可能存在等位基因
D.用秋水仙素处理二倍体西瓜幼苗的芽尖后,芽尖的细胞中都含有4个染色体组
解析:选C 同源四倍体的单倍体中含有两个染色体组,有同源染色体;21三体综合征患者的21号染色体为三条,并不是三倍体;人的初级卵母细胞中的一个染色体组中由于在复制时可能出现基因突变或在减数第一次分裂前期发生交叉互换,从而出现等位基因;多倍体通常是用秋水仙素处理萌发的种子或幼苗,使其染色体加倍,用秋水仙素处理的芽尖细胞中染色体数目不一定均加倍。
2.若一条染色体发生结构变异,则位于该染色体上的基因M不可能出现的情况是( )
A.缺失 B.变为基因m
C.重复出现 D.置换到该染色体的另一位置
解析:选B 缺失是一条正常染色体断裂后丢失某一片段引起的变异,这种染色体结构变异可能导致基因M的丢失;一条染色体上的基因M变为基因m属于基因突变,不属于染色体结构的变异;重复是指染色体增加某一片段引起的变异,结果可能有一段重复基因,此种变异可引起基因M的重复出现;倒位是指染色体中某一片段颠倒180度后重新结合到原部位引起的变异,此种情况基因M并不丢失,只是置换到该染色体的另一位置。
3.图中字母代表正常细胞中所含有的基因,下列说法错误的是( )
A.①可以表示经过秋水仙素处理后四倍体西瓜体细胞的基因组成
B.②可以表示果蝇体细胞的基因组成
C.③可以表示21三体综合征患者体细胞的基因组成
D.④可以表示雄性蜜蜂体细胞的基因组成
解析:选A 秋水仙素可诱导细胞中染色体数目加倍,其上的基因也应“加倍”,不会出现一个“a”的情况。
4.将基因型Dd的高茎豌豆幼苗(品系甲)用秋水仙素处理后,得到四倍体植株幼苗(品系乙),将品系甲、品系乙在同一地块中混合种植,在自然状态下生长、繁殖一代,得到它们的子代。下列有关叙述正确的是( )
A.品系甲植株自交后代出现性状分离,品系乙植株自交后代全为显性性状
B.秋水仙素处理的目的是抑制有丝分裂间期形成纺锤体而诱导染色体加倍
C.品系甲、品系乙混合种植后,产生的子代中有二倍体、三倍体和四倍体
D.品系甲植株作父本、品系乙植株作母本进行杂交,得到的子代是三倍体
解析:选D 品系甲和品系乙都为杂合子,植株自交后代出现性状分离;秋水仙素处理的目的是抑制有丝分裂前期形成纺锤体而诱导染色体加倍;豌豆是自花传粉、闭花受粉的植物,在自然状态下,品系甲、品系乙混合种植后仍进行自交,产生的子代中有二倍体和四倍体;品系甲植株作父本、品系乙植株作母本进行杂交,得到的子代是三倍体。
5.某二倍体生物在细胞分裂过程中出现了图甲、乙、丙、丁4种类型的变异,图甲中英文字母表示染色体片段。下列有关叙述正确的是( )
A.图示中的生物变异都是染色体变异
B.如果图乙为精原细胞,则不能产生正常的配子
C.图丁和图丙相比较,图丙所示的变异类型不能产生新的基因,图丁所示的变异类型可以产生新的基因
D.图中所示的变异类型在减数分裂中均可能发生
解析:选D 题图甲、乙、丙、丁中的变异类型分别是重复、染色体数目变异、基因重组和易位;三体能进行减数分裂,可产生正常的配子;只有基因突变能产生新基因,图丙、丁所示的变异类型均不能产生新的基因;减数分裂过程中四种可遗传变异均可能发生。
6.普通西瓜(二倍体)每个细胞含22条染色体,如图为一个三倍体无子西瓜的剖面图,下列叙述正确的是( )
A.培育无子番茄与培育无子西瓜所利用的原理相同
B.①的细胞内含有22条染色体,②的细胞内含有33条染色体
C.无子西瓜培育过程中,秋水仙素处理可使着丝点不分裂,导致染色体加倍
D.无子西瓜形成的原因是减数分裂过程中染色体联会紊乱
解析:选D 培育无子西瓜(多倍体育种)的原理是染色体变异,而培育无子番茄的原理是生长素能够促进子房发育为果实;题图为三倍体无子西瓜,是由三倍体植株的子房发育而来的,所以①和②的细胞内均含有33条染色体;秋水仙素的作用是抑制细胞分裂过程中纺锤体的形成,而不是抑制着丝点的分裂;该无子西瓜形成的原因是三倍体植株减数分裂过程中同源染色体联会紊乱,不能形成正常的配子。
7.研究发现,某二倍体动物有两种性别:性染色体组成为XX的是雌雄同体(2N),XO(缺少Y染色体)为雄体(2N-1),二者均能正常产生配子。下列推断正确的是( )
A.雄体为该物种的单倍体
B.雄体是由未受精的卵细胞直接发育而来的
C.XO个体只产生雄配子,且雄配子间的染色体数目不同
D.XX个体只产生雌配子,且雌配子间的染色体数目相同
解析:选C 单倍体是指体细胞中含有本物种配子染色体数目的个体,而雄体的体细胞中的染色体数目只是较正常的雌雄同体少了一条,所以雄体不是该物种的单倍体;雄体不是由未受精的卵细胞直接发育而来的,因为未受精的卵细胞含有N条染色体,而雄体的体细胞中含有(2N-1)条染色体;XO个体为雄体,只产生两种雄配子,一种含有N条染色体,另一种含有(N-1)条染色体;XX个体是雌雄同体,既能产生雌配子,也能产生雄配子,且雌配子间或雄配子间的染色体数目相同。
8.在某严格自花传粉的二倍体植物中,野生型植株基因型均为AA(无A基因的植株表现为矮化植株)。现发现甲、乙两株矮化突变体植株的相关基因在同源染色体上的位置如图所示,矮化程度与a基因的数量呈正相关。下列相关叙述,错误的是( )
A.甲突变体植株在产生配子的过程中,一个四分体最多含有4个a基因
B.乙突变体植株产生的原因可能是在甲突变体植株的基础上发生了染色体结构变异
C.甲突变体植株产生的根本原因是基因突变,其自交后代只有一种矮化植株
D.若各类型配子和植株均能成活,则乙突变体植株自交后代中存在两种矮化植株
解析:选D 甲突变体植株在产生配子的过程中,一个四分体含有4条染色单体,每个染色单体可能含有1个a基因,故一个四分体最多含有4个a基因;由图可知,乙突变体植株产生的原因可能是在甲突变体植株的基础上发生了染色体结构变异;甲突变体植株产生的根本原因是基因突变,其自交后代的基因型均为aa,故只有一种矮化植株;乙突变体植株可产生含有2个a基因的配子和无a基因的配子,雌雄配子结合,F1存在含有4个a基因、含有2个a基因和无a基因三种矮化植株。
9.我国科学家合成了4条酿酒酵母染色体,合成的染色体删除了研究者认为无用的DNA,加入了人工接头,总体长度比天然染色体缩减8%,为染色体疾病、癌症和衰老等提供研究与治疗模型,下列说法错误的是( )
A.合成人工染色体需要氨基酸和脱氧核苷酸作为原料
B.通过荧光标记染色体上基因可以知道基因在染色体的位置
C.若染色体上的DNA某处发生了个别碱基对增添则一定发生了基因突变
D.酿酒酵母可能会发生基因突变、基因重组和染色体变异
解析:选C 染色体的主要成分是DNA和蛋白质,而合成DNA和蛋白质的原料分别是氨基酸和脱氧核苷酸,因此合成人工染色体需要氨基酸和脱氧核苷酸作为原料;通过荧光标记染色体上的基因,通过荧光显示,可以知道基因在染色体的位置;染色体上的DNA某处发生了个别碱基对增添,如果发生的位置在基因与基因之间的区域,而没有引起基因结构的改变,则不属于基因突变;酿酒酵母属于真核生物,能进行有性生殖,可能会发生基因突变、基因重组和染色体变异。
10.波尔山羊(2N=60)胚胎期某细胞发生了异常分裂如图所示(未绘出的染色体均正常),其中A为原癌基因,a为A的突变基因。下列说法正确的是( )
A.该分裂过程中形成30个四分体
B.分裂产生Aa或aa子细胞的概率均为1/2
C.子细胞Aa与aa在相同且适宜条件下细胞周期可能不同
D.染色体异常分离与纺锤体无关
解析:选C 减数分裂的特点是同源染色体联会,形成四分体,该图中胚胎期细胞发生有丝分裂过程,不会形成四分体;由于染色体的丢失是随机的,所以分裂产生Aa或aa子细胞的概率不一定均为1/2;由于原癌基因A可控制细胞的正常分裂进程,因此子细胞Aa与aa在相同且适宜条件下细胞周期可能不同;由于染色体是由纺锤丝牵引而移向两极的,因此染色体异常分离可能与纺锤体有关。
11.(2019·深圳诊断)下面①~④列举了四种育种方法,有关的叙述错误的是( )
A.第①种方法一般从F2开始选种,因为从F2开始出现新的性状组合
B.在第②种方法中,若F1中n对等位基因独立遗传,则单倍体幼苗有3n种类型
C.第③种育种方法的作用机理是秋水仙素抑制纺锤体形成
D.第④种方法中卫星搭载的种子应当选用萌发的种子或幼苗
解析:选B ①是杂交育种,其原理是基因重组,F2因性状分离出现重组性状,所以一般从F2开始选种;②是单倍体育种,若F1中n对等位基因独立遗传,非等位基因之间将遵循基因自由组合定律,F1产生的配子有2n种,单倍体幼苗有2n种类型;③是多倍体育种,秋水仙素的作用是抑制纺锤体的形成,使细胞不能正常分裂,从而使细胞中染色体数加倍;萌发的种子或幼苗因细胞分裂旺盛,容易诱导基因突变,可作为诱变育种的材料。
12.下图为自然界形成普通小麦的过程示意图。下列说法错误的是( )
A.甲的体细胞中含有两个染色体组,由于甲的体细胞中无同源染色体,所以甲高度不育
B.甲成为丙过程中,细胞中核DNA分子数目、染色体数目和染色体组数目都发生了加倍
C.若从播种到收获种子需1年时间,且所有的有性杂交都从播种开始。理论上从一粒小麦和山羊草开始,第2年即可产生普通小麦的植株
D.普通小麦体细胞中最多可含有12套遗传信息
解析:选C 由图可知甲中有两个染色体组,一个来自一粒小麦,一个来自山羊草,因为没有同源染色体,无法联会,不能产生正常配子,所以甲高度不育。甲成为丙的过程中,需要用秋水仙素进行处理,细胞核中DNA分子数目、染色体数目和染色体组数目都发生了加倍。如果从播种到收获种子需要1年时间,且所有的有性杂交都从播种开始,从一粒小麦和山羊草开始,由图可知需要在第2年可产生普通小麦的种子,需要在第3年才能产生普通小麦的植株。普通小麦体细胞中此时含有42条染色体,每套遗传信息即一个染色体组是7条染色体,普通小麦在有丝分裂后期最多可有84条染色体,最多含有12套遗传信息。
二、非选择题
13.科学工作者在研究不同浓度的秋水仙素对科优527和博Ⅱ优128两种水稻品种染色体加倍的影响时得到的数据如下表。请回答下列问题:
品种
浓度(%)
处理芽数(个)
芽成活率(%)
染色体加倍株数(株)
染色体加倍比率(%)
科优527
0.01
200
71
1
0.71
0.02
67
3
2.34
0.03
65
7
5.93
博Ⅱ优128
0.01
200
67
6
4.72
0.02
64
9
7.37
0.03
61
15
13.16
(1)该实验的自变量为____________________________;实验选择芽作为处理对象的原因是________________________________。
(2)利用秋水仙素处理或用药物破坏水稻芽尖生长点细胞中的高尔基体都可以使细胞内染色体数目加倍,但二者的原理不同,前者是不能形成纺锤体,后者是____________________。
(3)分析表中数据可知,对于同一品种水稻来说,秋水仙素浓度与芽成活率、染色体加倍比率的关系为____________________________________________________________;同一浓度的秋水仙素对不同品种水稻染色体加倍比率的影响不同,原因可能是不同品种水稻对秋水仙素反应的________不同。
解析:(1)根据题干分析可知,该实验的自变量是秋水仙素的浓度和水稻的品种;秋水仙素的作用机理是抑制细胞分裂过程中纺锤体的形成,进而导致染色体数目加倍。由于芽尖生长点细胞分裂旺盛,易发生变异,所以该实验选择芽作为处理对象更容易获得染色体数目加倍的细胞。(2)高尔基体与植物细胞分裂末期细胞壁的形成有关,因此用药物破坏水稻芽尖生长点细胞中的高尔基体会导致子细胞壁不能形成,进而导致细胞中染色体数目加倍。(3)根据表格数据分析,对于同一品种水稻来说,随着秋水仙素浓度的增加,芽成活率逐渐降低,染色体加倍株数和比率逐渐增大。同一浓度的秋水仙素对不同品种水稻染色体加倍比率的影响不同,说明不同品种水稻对秋水仙素反应的敏感程度不同。
答案:(1)秋水仙素的浓度和水稻的品种 芽尖生长点细胞分裂旺盛,易发生变异 (2)抑制细胞壁形成 (3)随着秋水仙素浓度的增大,芽成活率降低,染色体加倍比率增大 敏感程度
14.(2019·徐州模拟)玉米(2N=20)是一种雌雄同株的植物,是重要的粮食作物之一。请回答下列问题:
(1)测定玉米基因组DNA序列,需测定________条DNA上碱基序列。
(2)某品种玉米2号染色体上的基因S在编码蛋白质时,控制最前端几个氨基酸的DNA序列如图所示,已知起始密码子为AUG,基因S发生转录时模板链是________链。若基因S中箭头所指碱基对G/C缺失,则该处对应的密码子将改变为________。
(3)玉米花序的正常和异常是由一对等位基因控制的相对性状。某显性植株X自交,F1表现为:正常花序∶异常花序=1∶1。取F1正常花序植株的花粉进行离体培养,获得的幼苗用秋水仙素处理后都是异常花序植株。由此推测________是显性性状,植株X自交的子代性状分离比为1∶1的原因是___________________________________________________。
(4)玉米的易倒伏(H)对抗倒伏(h)为显性,抗病(R)对易感病(r)为显性,两对基因分别位于两对同源染色体上。图1表示利用品种甲(HHRR)和乙(hhrr)通过三种育种方法(Ⅰ~Ⅲ)培育优良品种(hhRR)的过程。
①方法Ⅰ、Ⅱ的育种原理分别是____________________,三种方法中难以获得优良品种(hhRR)的是方法______,原因是____________________________。
②方法Ⅱ中HhRr自交获得F2,假设只保留F2中抗倒伏抗病植株的雄蕊(其他雄蕊全部去除),所有植株雌蕊全部保留且都能成功受粉和发育,则所得F3中能稳定遗传的抗倒伏抗病植株占________。
解析:(1)由于玉米是雌雄同体植株,所以要测定玉米基因组DNA序列,只需要测定玉米的一个染色体组的10条染色体的DNA序列。(2)①起始密码子为AUG或GUG,则转录起始密码子对应模板链上碱基是TAC或CAC,分析基因S中的a链和b链,TAC位于b链,因此转录的模板链是b链;基因S的b链中箭头所指碱基对G/C缺失,转录形成的mRNA该处顺延一个碱基,密码子变成GUU。 (3)根据题意可知,玉米花序的正常和异常是由一对等位基因控制的相对性状。某显性植株X自交,F1表现为正常花序∶异常花序=1∶1,说明显性植株X为杂合子;取F1正常花序植株的花粉进行离体培养,获得的幼苗用秋水仙素处理后都是异常花序植株(隐性个体),说明显性基因的花粉致死。由此推断花序正常是显性性状,植株X自交的子代性状分离比为1∶1的原因是含有正常花序(显性)基因的花粉不育,而含有异常花序(隐性)基因的花粉可育。(4)①方法Ⅰ是单倍体育种,其原理是染色体变异;方法Ⅱ是杂交育种,其原理是基因重组;方法Ⅲ是诱变育种,由于基因突变是不定向的而且频率很低,因此运用方法Ⅲ更难获得优良品种(hhRR)。②据题意可知,F2抗倒伏抗病植株的基因型及比例是hhRR∶hhRr=1∶2,产生的配子的基因型及比例是hR∶hr=2∶1,F2中其他能产生hR配子的个体的基因型及比例为4/16HhRr、2/16HhRR、1/16hhRR、2/16hhRr,这四种基因型的个体产生hR配子的概率之和为(4/16×1/4)+(2/16×1/2)+1/16+(2/16×1/2)=1/4,只有抗倒伏抗病植株产生的雄配子(hR)与其他个体产生的基因型为hR的雌配子随机结合,才会产生稳定遗传的抗倒伏抗病植株,因此F3中能稳定遗传的抗倒伏抗病植株占2/3×1/4=1/6。
答案:(1)10 (2)b GUU (3)正常花序 含有正常花序(显性)基因的花粉不育,而含有异常花序(隐性)基因的花粉可育 (4)染色体变异、基因重组 Ⅲ 基因突变是不定向的而且频率很低 1/6
15.某种自花受粉植物的花色由两对独立遗传的等位基因H、h和T、t控制,有H同时又有T的植物开紫花,有H但没有T的植物开红花,其他基因型的植物都开白花。研究人员用纯合红花植株和纯合白花植株杂交得到F1 ,F1自交,单株收获F1所结的种子,每株的所有种子单独种植在一起可得到一个株系。回答下列问题:
(1)有多个株系的花色表现为紫花∶红花∶白花=9∶3∶4,说明亲本的基因型为________________。
(2)有个别株系的花色表现为紫花∶红花∶白花=3∶1∶4。对这种现象的一种解释是:F1植株的一条染色体缺失了部分片段,且含有缺失染色体的雄配子参与受精后会导致受精卵发育异常而死亡,含有缺失染色体的雌配子参与受精后不影响受精卵的正常发育,则缺失发生在图______(填“甲”或“乙”)中的Ⅱ区域,缺失染色体上含有的是____(填“H”或“h”)基因。
(3)为验证(2)中的解释,现有基因型为hhtt的白花植株,请设计一个简便的实验方案并预期结果。
①实验方案:______________________________________观察和统计子代花色的表现型及比例。
②预期结果:_________________________________________________________则支持上述解释。(要求:写出具体的表现型及比例)
解析:(1)依题意可知:F1所结的种子为F2,有多个株系的F2花色表现为紫花∶红花∶白花=9∶3∶4,说明F1的基因型为HhTt,进而推知亲本纯合红花植株和纯合白花植株的基因型分别为HHtt和hhTT。(2)结合对(1)的分析可知:正常情况下,F1的基因型为HhTt。已知含有缺失染色体的雄配子参与受精后会导致受精卵发育异常而死亡,含有缺失染色体的雌配子参与受精后不影响受精卵的正常发育。若缺失发生在图甲中的Ⅱ区域,则F1植株的基因型变为hTt或HTt,F1自交得到的株系中hhT_∶hhtt∶hT_∶htt=3∶1∶3∶1或HHT_∶HHtt∶HT_∶Htt=3∶1∶3∶1,都表现为白花或紫花∶红花=3∶1,与题意不符,因此缺失发生在图乙中的Ⅱ区域。因该株系的花色表现为紫花∶红花∶白花=3∶1∶4,与理论值(9∶3∶4)相比,紫花与红花的数量减少,说明缺失染色体上含有H基因。(3)为验证(2)中的解释,即验证缺失发生在图乙中的Ⅱ区域,且缺失染色体上含有H基因,则其①实验方案为让F1植株与基因型为hhtt的白花植株正反交,观察和统计子代花色的表现型及比例。②若F1植株做母本,则产生的雌配子及其比例为HT∶Ht∶hT∶ht=1∶1∶1∶1,白花植株只产生1种基因型为ht的雄配子,所以子代花色表现为紫花(HhTt)∶红花(Hhtt)∶白花(hhTt+hhtt)=1∶1∶2;若F1植株做父本,则产生的雄配子及其比例为HT∶Ht∶hT∶ht=1∶1∶1∶1,白花植株只产生1种基因型为ht的雌配子,所以子代基因型及其比例为HhTt(致死)∶Hhtt(致死)∶hhTt∶hhtt=1∶1∶1∶1,子代全开白花。
答案:(1)HHtt和hhTT (2)乙 H (3)让F1植株与基因型为hhtt的白花植株正反交 若F1植株做母本,子代花色表现为紫花∶红花∶白花=1∶1∶2,若F1植株做父本,子代全开白花
知识体系——定内容
核心素养——定能力
生命观念
通过对染色体变异基本原理及其在生物学中意义的理解,建立起进化与适应的观点
科学思维
通过三种可遗传变异的比较,培养归纳与概括能力
探科学究
通过低温诱导植物染色体数目的变化、生物变异类型的判断与实验探究,培养实验设计及结果分析的能力
考点一 染色体结构变异[重难深化类]
[基础自测]
1.判断下列叙述的正误
(1)染色体片段的缺失和重复必然导致基因种类的变化(×)
(2)染色体片段的倒位和易位必然导致基因排列顺序的变化(√)
(3)染色体增加某一片段可提高基因表达水平,是有利变异(×)
(4)染色体缺失有利于隐性基因表达,可提高个体的生存能力(×)
(5)染色体易位不改变基因数量,对个体性状不会产生影响(×)
2.观察下列图示,填出变异类型
(1)甲、乙、丙、丁所示变异类型分别属于缺失、重复、倒位、基因突变。
(2)可在显微镜下观察到的是甲、乙、丙。
(3)基因数目和排列顺序未变化的是。
图解分析染色体结构的变异
类型
图解
变异个体染色体组成
显微观察的联会异常
缺失
重复
易位
位倒
[对点落实]
1.下列关于染色体变异的叙述,错误的是( )
A.染色体变异通常都可用光学显微镜观察到
B.染色体结构的改变会使染色体上的基因数目或排列顺序发生改变
C.染色体片段的缺失或重复必然导致基因种类的改变
D.染色体之间交换部分片段不一定属于染色体结构变异
解析:选C 染色体的数目变异和结构变异在光学显微镜下都可观察到;染色体结构变异中的倒位和易位可使基因的排列顺序发生改变,缺失或重复能使基因的数目发生改变;染色体片段的缺失能导致基因缺失,可能使基因种类发生改变,但重复不会使基因的种类发生改变;若染色体之间的交换发生在同源染色体的非姐妹染色单体之间,则属于基因重组,不属于染色体结构变异。
2.(2016·江苏高考)右图中甲、乙两个体的一对同源染色体中各有一条发生变异(字母表示基因)。下列叙述正确的是( )
A.个体甲的变异对表型无影响
B.个体乙细胞减数分裂形成的四分体异常
C.个体甲自交的后代,性状分离比为3∶1
D.个体乙染色体没有基因缺失,表型无异常
解析:选B 个体甲的变异为染色体结构变异中的缺失,由于基因互作,缺失了e基因对表型可能有影响;个体乙的变异为染色体结构变异中的倒位,变异后个体乙细胞减数分裂时同源染色体联会形成的四分体异常;若E、e基因与其他基因共同控制某种性状,则个体甲自交的后代性状分离比不一定为3∶1;个体乙虽然染色体没有基因缺失,但是基因的排列顺序发生改变,可能引起性状的改变。
1.染色体结构变异与基因突变的判断
2.易位与交叉互换的区别
项目
染色体易位
交叉互换
图解
位置
发生于非同源染色体之间
发生于同源染色体的非姐妹染色单体之间
原理
染色体结构变异
基因重组
观察
可在显微镜下观察到
在显微镜下观察不到
[对点落实]
3.(2015·海南高考)关于基因突变和染色体结构变异的叙述,正确的是( )
A.基因突变都会导致染色体结构变异
B.基因突变与染色体结构变异都导致个体表现型改变
C.基因突变与染色体结构变异都导致碱基序列的改变
D.基因突变与染色体结构变异通常都用光学显微镜观察
解析:选C 基因突变不会导致染色体结构变异;基因突变不一定会导致个体表现型改变;基因突变与染色体结构变异都导致碱基序列的改变;基因突变在光学显微镜下不能观察到,染色体结构变异可用光学显微镜观察到。
4.图①②③④分别表示不同的变异类型,其中图③中的基因2由基因1变异而来。下列有关说法正确的是( )
A.图①②都表示易位,发生在减数分裂的四分体时期
B.图③中的变异属于染色体结构变异中的缺失
C.图④中的变异属于染色体结构变异中的缺失或重复
D.图中4种变异能够遗传的是①③
解析:选C 图①表示交叉互换(导致基因重组),发生在减数分裂的四分体时期;图②的交换发生在非同源染色体间,属于染色体结构变异中的易位,不一定发生在减数分裂的四分体时期;图③中碱基对发生缺失,属于基因突变;图④中弯曲的部位表示在其同源染色体上没有配对的片段,上面的一条染色体比下面的长,可能是上面的染色体重复了一段,或下面的染色体缺失了一段;基因突变、基因重组和染色体变异都是可遗传的变异,所以图中4种变异都能够遗传。
[类题通法]
利用“还原法”判断模式图中的变异类型
在判断模式图中的变异类型时,可利用将变异后的图形还原或分开的方法予以判断,图示如下:
考点二 染色体数目变异[重难深化类]
1.类型
类型
实例
个别染色体的增减
21三体综合征
以染色体组形式成倍增减
三倍体无子西瓜
2.染色体组
(1)组成如图中雄果蝇体细胞染色体中的一个染色体组可表示为:Ⅱ、Ⅲ、Ⅳ、X或Ⅱ、Ⅲ、Ⅳ、Y。
(2)组成特点:
①形态上:细胞中的一组非同源染色体,在形态和功能上各不相同。
②功能上:控制生物生长、发育、遗传和变异的一组染色体。
3.单倍体、二倍体和多倍体
项目
单倍体
二倍体
多倍体
发育起点
配子
受精卵
受精卵
特点
①植株弱小②高度不育
正常植株
①茎秆粗壮
②叶、果实、种子较大
③营养物质含量丰富
体细胞染色体组数
1或多个
2个
大于或等于3个
[基础自测]
1.判断下列叙述的正误
(1)多倍体形成过程增加了非同源染色体重组的机会(×)
(2)染色体组整倍性、非整倍性变化必然导致基因种类的增加(×)
(3)三倍体植物不能由受精卵发育而来(×)
(4)通过诱导多倍体的方法可克服远缘杂交不育,培育出作物新类型(√)
(5)三倍体西瓜植株的高度不育与减数分裂同源染色体联会行为有关(√)
(6)体细胞中含有两个染色体组的个体是二倍体,含有三个或三个以上染色体组的个体是多倍体(×)
(7)单倍体体细胞中不一定只含有一个染色体组(√)
(8)组成一个染色体组的染色体中不含减数分裂中能联会的染色体(√)
(9)由受精卵发育而成,体细胞含有两个染色体组的个体叫二倍体(√)
(10)人工诱导多倍体唯一的方法是用秋水仙素处理萌发的种子或幼苗(×)
2.学透教材、理清原因、规范答题用语专练
(1)精子和卵细胞中,一定不含同源染色体吗?________________________________________________________________________
________________________________________________________________________
提示:不一定。二倍体生物的配子中不含同源染色体,四倍体生物的配子中含有同源染色体
(2)人类基因组计划是测定人体一个染色体组的DNA序列吗?______________________
________________________________________________________________________
提示:人类基因组计划测定的是一组常染色体和X、Y两条性染色体上的全部DNA序列,而不是一个染色体组的DNA序列
1.“三法”判定染色体组
方法1 根据染色体形态判定
细胞中形态、大小完全相同的染色体有几条,则有几个染色体组。如图1中染色体的形态、大小各不相同,所以有1个染色体组,图2中彼此相同的(比如点状的)有3条,故有3个染色体组。同理,图3中有1个染色体组,图4中有2个染色体组
方法2 根据基因型判定
在细胞或生物体的基因型中,控制同一性状的基因(包括同一字母的大、小写)出现几次,则含有几个染色体组。如图甲所示基因型为ABC,所以有1个染色体组。图乙所示基因型为AAa,A(a)基因有3个,即含有3个染色体组。同理,图丙中有2个染色体组,图丁中有3个染色体组
注:判定染色体组的数目时只需参考其中任意一对等位基因的数量即可
方法3 根据染色体数和染色体的形态数推算
染色体组数=染色体数/染色体形态数。如果蝇体细胞中有8条染色体,分为4种形态,则染色体组的数目为2。
2.关注单倍体与多倍体的三个易误点
(1)单倍体的体细胞中并非只有一个染色体组:因为大部分的生物是二倍体,所以有时认为单倍体的体细胞中只含有一个染色体组,但是多倍体的配子发育成的个体体细胞中含有不止一个染色体组。
(2)单倍体育种与多倍体育种的操作对象不同:两种育种方式都出现了染色体加倍情况。单倍体育种操作对象是单倍体幼苗,通过植物组织培养,得到的植株是纯合子;多倍体育种的操作对象是正常萌发的种子或幼苗。
(3)单倍体并非都不育:二倍体的配子发育成的单倍体,表现为高度不育;多倍体的配子如含有偶数个染色体组,则发育成的单倍体含有同源染色体及等位基因,可育并能产生后代。
[对点落实]
1.下列图示为细胞中所含染色体分布情况,有关叙述正确的是( )
A.图a所示细胞含有2个染色体组,图b所示细胞含有3个染色体组
B.如果图b表示体细胞,则图b代表的生物一定是三倍体
C.如果图c代表由受精卵发育成的生物的体细胞,则该生物一定是二倍体
D.图d代表的生物一定是由卵细胞发育而成的,是单倍体
解析:选C 图a为处于有丝分裂后期的细胞,含有4个染色体组;图b所示细胞有同源染色体,含有3个染色体组,如果图b生物是由配子发育而成的,则图b代表的生物是单倍体,如果图b生物是由受精卵发育而成的,则图b代表的生物是三倍体;图c所示细胞中有同源染色体,含有2个染色体组,若是由受精卵发育而成的,则该细胞所代表的生物一定是二倍体;图d所示细胞中只含1个染色体组,一定是单倍体,可能是由雄性配子或雌性配子发育而成的。
2.下列是对a~h所示的生物体细胞图中各含有几个染色体组的叙述,正确的是( )
A.细胞中含有一个染色体组的是h图,该个体是单倍体
B.细胞中含有两个染色体组的是g、e图,该个体是二倍体
C.细胞中含有三个染色体组的是a、b图,但该个体未必是三倍体
D.细胞中含有四个染色体组的是f、c图,该个体一定是四倍体
解析:选C 形态、大小各不相同的染色体组成一个染色体组。由此可知:a、b图含有三个染色体组,c、h图含有两个染色体组,d图中,同音字母仅有一个,所以该图只有一个染色体组,g图含有一个染色体组,e、f图含四个染色体组。确认单倍体、二倍体、多倍体必须先看发育起点,若由配子发育而来,无论含几个染色体组均属单倍体,若由受精卵发育而来,有几个染色体组即为几倍体。
[类题通法]
细胞分裂图像中染色体组数的判断方法
以生殖细胞中的染色体数为标准,判断题目中所给图像中的染色体组数。如图所示:
(1)图a为处于减数第一次分裂的前期的细胞,含染色体4条,生殖细胞中含染色体2条,该细胞中有2个染色体组,每个染色体组有2条染色体。
(2)图b为处于减数第一次分裂的末期或减数第二次分裂前期的细胞,含染色体2条,生殖细胞中含染色体2条,该细胞中有1个染色体组,染色体组中有2条染色体。
(3)图c为处于减数第一次分裂的后期的细胞,含染色体4条,生殖细胞中含染色体2条,该细胞中有2个染色体组,每个染色体组有2条染色体。
(4)图d为处于有丝分裂后期的细胞,含染色体8条,生殖细胞中含染色体2条,该细胞中有4个染色体组,每个染色体组有2条染色体。
低温诱导植物染色体数目的变化
1.低温诱导植物染色体数目变化的实验中的试剂及其作用
试剂
使用方法
作用
卡诺氏液
将根尖放入卡诺氏液中浸泡0.5~1 h
固定细胞形态
体积分数为95%的酒精
冲洗用卡诺氏液处理的根尖
洗去卡诺氏液
与质量分数为15%的盐酸等体积混合,浸泡经固定的根尖
解离根尖细胞
质量分数为15%的盐酸
与体积分数为95%的酒精等体积混合,作为解离液
解离根尖细胞
蒸馏水
浸泡解离后的根尖约10 min
漂洗根尖,去除解离液
改良苯酚品红染液
把漂洗干净的根尖放进盛有改良苯酚品红染液的玻璃皿中染色3~5 min
使染色体着色
2.低温诱导染色体加倍实验与观察细胞有丝分裂实验的比较
项目
低温诱导植物染色体数目的变化
观察根尖分生组织细胞的有丝分裂
培养
待洋葱长出1 cm左右不定根时,低温(4 ℃)培养
适宜温度下培养
固定
解离前用卡诺氏液进行固定,然后用体积分数为95%的酒精冲洗2次
不用固定
染色
用改良苯酚品红染液
用醋酸洋红液或龙胆紫溶液
[对点落实]
3.下图是某二倍体植物细胞有丝分裂过程中秋水仙素作用原理的示意图,①②③④分别代表处在不同时期的细胞。下列说法错误的是( )
A.秋水仙素在细胞分裂的③时期起作用
B.④时期的细胞可正常分裂发育成多倍体植株
C.图中所示过程是新物种形成的途径之一
D.低温处理与用秋水仙素处理的作用原理相似
解析:选A 纺锤体的形成时期为细胞分裂前期,所以秋水仙素在②时期起作用;④时期的细胞中染色体数加倍,通过分裂、分化可发育为四倍体植株;处理二倍体所获得的四倍体能产生可育后代,是一个新物种,这是新物种形成的途径之一;低温和秋水仙素都可以抑制细胞分裂前期纺锤体的形成,从而使细胞染色体数目加倍。
4.下列关于低温诱导植物染色体数目变化的实验中部分试剂的使用方法及其作用的叙述,错误的是( )
选项
试剂
使用方法
作用
A
卡诺氏液
将根尖放入卡诺氏液中浸泡0.5~1 h
培养根尖,促进细胞分裂
B
体积分数为95%的酒精
与质量分数为15%的盐酸等体积混合,浸泡经固定的根尖
解离根尖细胞,使细胞之间的联系变得疏松
C
蒸馏水
浸泡解离后的根尖约10 min
漂洗根尖,去除解离液
D
改良苯酚品红染液
把漂洗干净的根尖放进盛有改良苯酚品红染液的玻璃皿中染色3~5 min
使染色体着色
解析:选A 卡诺氏液是固定液的一种,固定液的作用是固定细胞形态以及细胞内的各种结构,固定之后,细胞死亡并且定型;体积分数为95%的酒精与质量分数为15%的盐酸等体积混合后即为解离液,用于溶解细胞间的连接物质,使细胞分开,便于观察;蒸馏水的作用是漂洗根尖,去除解离液,便于染色;改良苯酚品红染液是一种碱性染料,能使染色体着色。
[易错提醒]
关注实验中的两个易误点
(1)显微镜下观察到的细胞是已被盐酸杀死的细胞。
(2)选材时应选用能进行分裂的分生组织细胞,否则不会出现染色体数目加倍的情况。
考点三 生物育种的原理及应用 [重难深化类]
1.单倍体育种和多倍体育种
(1)图中B和C的操作都需用秋水仙素处理,其作用原理是抑制纺锤体的形成。
(2)图中A过程是花药离体培养。
(3)单倍体育种的优点是能明显缩短育种年限。
2.杂交育种与诱变育种
(1)杂交育种
①原理:将两个或多个品种的优良性状通过交配集中在一起,再经过选择和培育,获得新品种的方法。
②过程:选择具有不同优良性状的亲本→杂交→获得F1→F1自交→获得F2→鉴别、选择需要的类型→优良品种。
(2)诱变育种
①原理:利用物理因素或化学因素来处理生物,使生物发生基因突变,从而获得优良变异类型的育种方法。
②过程:选择生物→诱发基因突变→选择理想类型→培育。
3.基因工程及其应用
(1)原理:基因重组,又叫做基因拼接技术或DNA重组技术。通俗地说,就是按照人们的意愿,把一种生物的某种基因提取出来,加以修饰改造,然后放到另一种生物的细胞里,定向地改造生物的遗传性状。
(2)操作的基本步骤:提取目的基因→目的基因与运载体结合→将目的基因导入受体细胞→目的基因的检测与鉴定。
(3)基因操作的基本工具
(4)基因工程的应用
①作物育种,如抗虫棉。
②药物研制,如胰岛素、干扰素等。
③环境保护,如转基因细菌分解石油。
[基础自测]
1.判断下列叙述的正误
(1)抗虫小麦与矮秆小麦杂交,通过基因重组可获得抗虫矮秆小麦(√)
(2)抗病植株连续自交若干代,纯合抗病植株的比例逐代降低(×)
(3)花药离体培养可获得抗锈病高产小麦新品种(×)
(4)诱变育种和杂交育种均可形成新基因(×)
(5)利用高产、感病小麦与高产、晚熟小麦品种间杂交筛选可获得高产、抗病小麦的品种(×)
2.学透教材、理清原因、规范答题用语专练
图中甲、乙表示水稻的两个品种,A、a和B、b表示分别位于两对同源染色体上的两对等位基因,①~⑥表示培育水稻新品种的过程。据图回答有关问题:
(1)图中哪种途径为单倍体育种?__________________________________________
________________________________________________________________________。
提示:图中①、③、⑤过程表示单倍体育种
(2)图中哪一标号处需用秋水仙素处理?应如何处理?
________________________________________________________________________
________________________________________________________________________。
提示:图示⑤处需用秋水仙素处理单倍体幼苗,从而获得纯合子,⑥处需用秋水仙素处理萌发的种子或幼苗,以诱导染色体加倍
(3)④、⑥的育种原理分别是什么?______________________________________
________________________________________________________________________。
提示:④的育种原理为基因突变,⑥的原理为染色体变异
(4)图中最简便及最难以达到育种目标的育种途径分别是哪个过程?________________________________________________________________________
________________________________________________________________________
________________________________________________________________________。
提示:图中最简便的育种途径为①~②过程所示的杂交育种,但育种周期较长;最难以达到育种目标的途径为④过程(诱变育种)
1.列表识记几种常见生物育种方式
方法
原理
常用方法
优点
缺点
代表实例
杂交育种
基因重组
杂交
操作简单,目标性强
育种年限长
矮秆抗病小麦
诱变育种
基因突变
辐射诱变、激光诱变等
提高突变率,加速育种进程
有利变异少,需大量处理实验材料
青霉素高产菌株
多倍体育种
染色体变异
秋水仙素处理萌发的种子或幼苗
操作简单,且能在较短的时间内获得所需品种
所得品种发育迟缓,结实率低;在动物中无法开展
无子西瓜、八倍体小黑麦
单倍体育种
染色体变异
花药离体培养后,再用秋水仙素处理
明显缩短育种年限
技术复杂,需要与杂交育种配合
“京花1号”小麦
基因工程育种
基因重组
将一种生物的特定基因转移到另一种生物细胞中
能定向改造生物的遗传性状
有可能引发生态危机
转基因抗虫棉
2.单倍体育种与杂交育种的关系
[对点落实]
1.生物育种的原理是可遗传变异,下列育种实例与可遗传变异类型对应正确的是( )
选项
育种实例
可遗传变异类型
A
利用高秆抗病和矮秆感病水稻培育矮秆抗病水稻
基因突变
B
用普通二倍体有子西瓜培育三倍体无子西瓜
基因重组
C
利用苏云金杆菌毒性肽基因培育转基因抗虫棉
基因重组
D
用紫外线照射青霉菌培育高产青霉素菌株
染色体变异
解析:选C 利用高秆抗病和矮秆感病水稻培育矮秆抗病水稻的原理是基因重组;用普通二倍体有子西瓜培育三倍体无子西瓜的原理是染色体变异;利用苏云金杆菌毒性肽基因培育转基因抗虫棉的原理是基因重组;用紫外线照射青霉菌培育高产青霉素菌株的原理是基因突变。
2.(2019·湖南四校联考)下列有关几种常见育种方法的叙述,错误的是( )
A.在杂交育种中,一般从F2开始选种,因为从F2开始发生性状分离
B.在多倍体育种中,一般用秋水仙素处理萌发的种子或幼苗
C.在单倍体育种中,一般先筛选F1花粉类型再分别进行花药离体培养获得单倍体
D.在诱变育种中,最初获得的显性优良性状个体一般是杂合子
解析:选C 通过杂交将控制优良性状的基因集中到F1中,F1自交,F2会出现性状分离,因此可从F2开始筛选出人们需要的新品种。在多倍体育种中,用秋水仙素处理萌发的种子或幼苗,秋水仙素能抑制纺锤体形成,从而使子代染色体不能平分到两极,细胞中的染色体数目加倍。在单倍体育种中,一般不对花粉进行筛选,而是直接对所取的全部花药离体培养获得单倍体。在诱变育种中,通常只是一条染色体上的基因发生突变,最初获得的显性优良性状个体一般是杂合子。
[归纳拓展]
几种育种方式的注意点
(1)单倍体育种与多倍体育种的操作对象不同。单倍体育种操作的对象是单倍体幼苗,多倍体育种操作的对象是正常萌发的种子或幼苗。
(2)诱变育种:多用于植物和微生物,一般不用于动物的育种。
(3)杂交育种:不一定需要连续自交。若选育显性优良纯种,需要连续自交筛选,直至性状不再发生分离;若选育隐性优良纯种,则只要出现该性状个体即可。
生物育种程序图分析
[典型图示]
[问题设计]
(1)识别图解中各字母表示的处理方法:A:杂交,D:自交,B:花药离体培养,C:秋水仙素(低温)处理,E:诱变处理,F:秋水仙素(低温)处理,G:DNA重组技术,H:脱分化,I:再分化,J:包裹人工种皮。
(2)识别图中育种方法
①“亲本新品种”为杂交育种;
②“亲本新品种”为单倍体育种;
③“种子或幼苗新品种”为诱变育种;
④“种子或幼苗新品种”为多倍体育种;
⑤“植物细胞新品种”为基因工程育种。
[对点落实]
3.如图所示为两种育种方法的过程,下列有关说法正确的是( )
A.基因重组只发生在图示①③过程中
B.过程③④的育种方法称为单倍体育种
C.E植株体细胞中只含有一个染色体组
D.图示育种方法不能定向改变生物性状
解析:选D 根据题意和图示分析可知,①②为杂交育种过程并让植株连续自交进行筛选;①③④⑤是单倍体育种过程,其中④为选取花药进行离体培养,⑤过程用秋水仙素处理幼苗。基因重组发生在减数分裂过程中,所以可发生在图示①②③过程中;过程①③④⑤的育种方法称为单倍体育种;单倍体是指体细胞含有本物种配子中染色体数目的个体,所以E植株体细胞中不一定只含有一个染色体组;杂交育种和单倍体育种不能定向改变生物性状,基因工程育种可定向改变生物性状。
4.(2019·山西四校联考)野生猕猴桃是一种多年生富含VC的二倍体(2n=58)小野果。下图是某科研小组以大量的野生猕猴桃种子(aa)为实验材料培育抗虫猕猴桃无籽新品种的过程,分析正确的是( )
A.该培育过程中不可使用花药离体培养
B.③⑦过程必须使用秋水仙素
C.⑤的亲本不是同一物种
D.⑥过程得到的个体是四倍体
解析:选C 图中②过程中可用花药离体培养,再诱导染色体加倍获得基因型为AA的个体;秋水仙素或低温诱导均可导致染色体数加倍;⑤的亲本中,AA为二倍体,AAAA为四倍体,不是同一物种;⑥过程为利用DNA重组技术导入抗虫基因,获得的仍是三倍体。
农业是经济发展的基础,如何实现振兴乡村经济是当前社会关注的热点。提高农产品的产量和质量是实现农民增收的一个重要环节,因此利用现代科技对农作物改良是育种专家研究的重要课题。高考试题常借助社会生产或最新科研成果,考查育种原理、操作过程及各种育种方式的优缺点等。
[对点落实]
5.现有小麦种质资源包括:①高产、感病;②低产、抗病;③高产、晚熟等品种。为满足不同地区及不同环境条件下的栽培需求,育种专家要培育3类品种:a.高产、抗病;b.高产、早熟;c.高产、抗旱。下述育种方法可行的是(多选)( )
A.利用①、③品种间杂交筛选获得a
B.对品种③进行染色体加倍处理筛选获得b
C.a、b和c的培育均可采用诱变育种方法
D.用转基因技术将外源抗旱基因导入③中获得c
解析:选CD 欲获得高产、抗病品种,应利用①和②进行品种间杂交筛选;欲获得高产、早熟品种,则应对③进行诱变育种;诱变育种可以产生新基因,因此a、b、c都可以通过诱变育种获得;基因工程可定向改变生物性状,要获得高产、抗旱品种,可通过基因工程对③品种导入外源抗旱基因实现。
6.萝卜和甘蓝都是人们喜欢的蔬菜,并且萝卜和甘蓝都属于十字花科二倍体生物,体细胞染色体数都是18。萝卜的染色体组成和染色体数可以表示为:2n=AA=18,甘蓝的染色体组成和染色体数可以表示为:2n=BB=18。如图是利用萝卜和甘蓝培育作物品种的过程示意图,请回答下列问题:
(1)图中秋水仙素的作用是________________,作用的时期是__________________;与用秋水仙素处理可以达到同样效果的一种措施是____________。
(2)以上育种方法的原理是______________;甲、乙、丙、丁4种植株中,可育的有________,其染色体组的组成和染色体数分别为______________________________。植株丁根尖分生区的一个细胞中最多含染色体________条。
(3)基因型为AaBb的萝卜和基因型为DdEe的甘蓝杂交,后代基因型有________种;请设计一个利用基因型为AaBb的萝卜和基因型为DdEe的甘蓝,获得基因型为aaaabbbbddee的萝卜—甘蓝新品种的培育步骤(写出一种即可)。
解析:(1)秋水仙素的作用是抑制纺锤体形成,作用的时期是有丝分裂前期。与用秋水仙素处理可以达到同样效果的是低温处理,低温处理同样可以诱导多倍体产生。(2)植株甲获取的原理是染色体组加倍,为同源四倍体,可育;植株乙是通过杂交获得的异源二倍体,不可育;植株丙获取的原理是染色体组加倍,为异源四倍体,可育;植株丁是通过杂交获得的异源三倍体,不可育。甲的染色体组组成和染色体数为:4n=AAAA=36;乙的染色体组组成和染色体数为:2n=AB=18;丙的染色体组组成和染色体数为:4n=AABB=36;丁的染色体组组成和染色体数为:3n=AAB=27。植株丁根尖分生区的一个细胞中最多含染色体为27×2=54(条)。(3)基因型为AaBb的萝卜和基因型为DdEe的甘蓝各产生4种互不相同的配子,随机组合可产生4×4=16(种)基因型的后代。获取基因型为aaaabbbbddee的萝卜—甘蓝新品种的方法有多种,见答案。
答案:(1)抑制纺锤体形成 有丝分裂前期 低温处理 (2)染色体变异 甲、丙 甲:4n=AAAA=36,丙:4n=AABB=36 54 (3)16 用AaBb的萝卜自交,获得基因型为aabb的个体,诱导加倍获得基因型为aaaabbbb的个体,再诱导加倍获得基因型为aaaaaaaabbbbbbbb的个体;用基因型为DdEe的个体自交获得基因型为ddee的个体,对其诱导加倍获得基因型为ddddeeee的个体;让基因型为aaaaaaaabbbbbbbb的萝卜与基因型为ddddeeee的甘蓝杂交,获得的后代即基因型为aaaabbbbddee的萝卜—甘蓝新品种(答案合理即可)
[归纳拓展]
1.据不同育种目标选择不同育种方案
育种目标
育种方案
集中双亲优良性状
单倍体育种(明显缩短育种年限)
杂交育种(耗时较长,但简便易行)
对原品系实施“定向”改造
基因工程及植物细胞工程(植物体细胞杂交)育种
让原品系产生新性状(无中生有)
诱变育种(可提高变异频率,期望获得理想性状)
使原品系营养器官“增大”或“加强”
多倍体育种
2.育种技术中的“四最”和“一明显”
(1)最简便的育种技术——杂交育种(但耗时较长)。
(2)最具预见性的育种技术——DNA重组技术或细胞工程育种(但技术含量高)。
(3)最盲目的育种——诱变育种(但可获得新基因,性状可较快稳定)。
(4)最能提高产量的育种——多倍体育种(尤其是营养器官增大)。
(5)可明显缩短育种年限的育种——单倍体育种。
考点四 生物变异类型的判断与实验探究[题点精析类]
1.可遗传变异与不可遗传变异及判断方法
(1)可遗传变异与不可遗传变异
①不可遗传变异环境变化,遗传物质未变
②可遗传变异
(2)判断方法
2.基因突变、基因重组、染色体变异的实质解读
(1)三种变异的实质解读
若把基因视为染色体上的一个位“点”,染色体视为点所在的“线段”,则:
①基因突变——“点”的变化(“点”的质变,但数目不变)。
②基因重组——“点”的结合或交换(“点”的质与量均不变)。
③染色体变异——“线段”发生结构或数目的变化。
a.染色体结构变异——“线段”的部分片段重复、缺失、倒位、易位(“点”的质不变,数目和位置可能变化)。
b.染色体数目变异——个别“线段”增添、缺失或“线段”成倍增减(“点”的质不变,数目变化)。
(2)关注可遗传变异的三个“唯一”
唯一产生新基因的变异
基因突变
唯一可通过光学显微镜观察到的变异
染色体变异
唯一属“正常”发生(非病变)的变异
基因重组
3.基因突变与基因重组的判断
4.染色体变异与基因突变的判断
(1)判断依据:光学显微镜下能观察到的是染色体变异,不能观察到的是基因突变。
(2)具体操作:制作正常个体与待测变异个体的有丝分裂临时装片,找到中期图进行染色体结构与数目的比较可以判断是否发生了染色体变异。
5.变异类型实验探究题的答题模板
[题点全练]
题点(一) 三类可遗传变异特点的比较
1.下列有关生物变异的说法,正确的是( )
A.减数第二次分裂时,非姐妹染色单体之间的交叉互换属于基因重组
B.基因突变后,若碱基对增添或缺失则基因数也增加或减少
C.三倍体无子西瓜无法产生后代,这种变异属于不可遗传的变异
D.基因突变、基因重组和染色体变异均可为生物的进化提供原材料
解析:选D 减数第二次分裂时,细胞中无同源染色体,非姐妹染色单体之间的交叉互换属于染色体结构变异中的易位;基因突变的结果是形成等位基因,基因数目不变;三倍体无子西瓜形成过程中,细胞的遗传物质发生了改变,为可遗传的变异。
2.下列有关基因突变、基因重组和染色体变异的叙述,错误的是( )
A.三倍体无子西瓜的培育过程利用了染色体变异的原理
B.基因突变、基因重组和染色体变异决定了生物进化的方向
C.基因重组可以产生新的基因型
D.基因突变不一定都会引起生物性状的改变
解析:选B 基因突变、基因重组、染色体变异是可遗传的变异,变异是不定向的,自然选择决定生物进化的方向。
题点(二) 三类可遗传变异的实验分析
3.(2019·泰安模拟)已知性染色体组成为XO(体细胞内只含1条性染色体X)的果蝇,表现为雄性不育,用红眼雌果蝇(XRXR)与白眼雄果蝇(XrY)为亲本进行杂交,在F1群体中,发现一只白眼雄果蝇M。为探究M果蝇出现的原因,某研究小组用M果蝇与正常白眼雌果蝇杂交,再根据杂交结果进行分析推理。下列有关实验结果和实验结论的叙述,正确的是( )
A.若子代雌、雄果蝇的表现型都为白眼,则M的出现是由环境改变引起的
B.若子代雌果蝇都是红眼、雄果蝇都是白眼,则M的出现是由基因突变引起的
C.若无子代产生,则M的基因组成为XrO,由不能进行正常的减数第一次分裂引起
D.若无子代产生,则M的基因组成为XrY,由基因重组引起
解析:选C M果蝇与正常白眼雌果蝇(XrXr)杂交,若子代雌、雄果蝇的表现型都为白眼,则M果蝇的基因型为XrY,其出现是由基因突变引起的;若子代雌果蝇都是红眼、雄果蝇都是白眼,则M果蝇的基因型为(XRY),其出现是由环境改变引起的;若无子代产生,则M果蝇的基因组成为XrO,表现为雄性不育,由不能进行正常的减数第一次分裂引起的。
4.(2019·厦门一模)果蝇的红眼和白眼是一对相对性状,缺刻翅和正常翅是另一对相对性状,分别受一对等位基因控制。现用一些纯合亲本果蝇进行杂交实验,结果如表:
组别
亲本
F1表现型及比例
F2表现型及比例
1
红眼♀×白眼♂
红眼♀∶红眼♂=1∶1
红眼♀∶红眼♂∶白眼♂=2∶1∶1
2
缺刻翅♀×正常翅♂
正常翅♀∶缺刻翅♂=1∶1
—
请回答:
(1)缺刻翅和正常翅这对相对性状中显性性状是________。
(2)这两对相对性状的遗传________(填“遵循”或“不遵循”)基因的自由组合定律,理由是________________________________________________________________________
________________________________________________________________________。
(3)研究者在组别2的F1中偶然发现了一只缺刻翅雌果蝇。出现该果蝇的原因可能是亲本果蝇在形成配子时发生了基因突变,也可能是染色体片段缺失。请你选择合适的材料,设计杂交实验方案来判断出现该缺刻翅果蝇的原因。(注:各型配子活力相同;雄性个体一条染色体片段缺失时胚胎致死。)
实验方案:________________________________________________________。
结果预测:
Ⅰ.若________________________________,则为基因突变;
Ⅱ.若__________________________,则为染色体片段缺失。
解析:(1)由于缺刻翅♀×正常翅♂杂交后代中,雌性个体只有正常翅,说明正常翅对缺刻翅为显性性状。亲本的基因型为XbXb和XBY,F1的基因型为XBXb和XbY。(2)由第1组实验结果可判断控制果蝇红眼和白眼的基因位于X染色体上,由于控制这两对相对性状的两对等位基因都位于X染色体上,即位于同一对同源染色体上,所以这两对相对性状的遗传不遵循基因的自由组合定律。(3)由于组别2的F1中雌果蝇应该都是正常翅,现偶然发现了一只缺刻翅雌果蝇,可能是亲本果蝇在形成配子时发生了基因突变,也可能是染色体片段缺失,而雄性个体一条染色体片段缺失时胚胎致死。因此,可让这只缺刻翅雌果蝇(XbXb或XbO)与正常翅雄果蝇(XBY)杂交,观察子代表现型及比例。Ⅰ.如果子代中正常翅(XBXb)∶缺刻翅(XbY)=1∶1,即雌性∶雄性=1∶1,说明亲本果蝇在形成配子时发生了基因突变;Ⅱ.由于雄性个体一条染色体片段缺失时胚胎致死,如果子代中正常翅(XBXb和XBO)∶缺刻翅[XbY和OY(胚胎致死)]=2∶1,即雌性∶雄性=2∶1,说明亲本果蝇在形成配子时发生了染色体片段缺失。
答案:(1)正常翅 (2)不遵循 控制这两对相对性状的两对等位基因位于同一对同源染色体上
(3)让这只缺刻翅雌果蝇与正常翅雄果蝇杂交,观察子代表现型及比例
Ⅰ.正常翅∶缺刻翅=1∶1或雌性∶雄性=1∶1
Ⅱ.正常翅∶缺刻翅=2∶1或雌性∶雄性=2∶1
课堂一刻钟
1.(2018·海南高考)蜜蜂中,雌蜂是雌雄配子结合产生的二倍体,雄蜂是由未受精的卵直接发育而来的。某对蜜蜂所产生子代的基因型为:雌蜂是AADD、AADd、AaDD、AaDd;雄蜂是AD、Ad、aD、ad。这对蜜蜂的基因型是( )
A.AADd和ad B.AaDd和aD
C.AaDd和AD D.Aadd和AD
破题障碍——原理不明
由“雌蜂是雌雄配子结合产生的二倍体,雄蜂是由未受精的卵直接发育而来的”这一信息,结合子代的基因型可推出雄蜂的基因型即为亲代雌蜂产生的卵细胞的基因型。据此可以确定亲代雌蜂的基因型。
解析:选C 由雄蜂的基因型可推测亲本雌蜂的基因型为AaDd,后代的雌峰是由雄性的精子与雌蜂的卵细胞结合形成的,据此推测亲本雄性的基因型为AD。
2.(2017·江苏高考)一株同源四倍体玉米的基因型为Aaaa,其异常联会形成的部分配子也可受精形成子代。下列相关叙述正确的是( )
A.题图表示的过程发生在减数第一次分裂后期
B.自交后代会出现染色体数目变异的个体
C.该玉米单穗上的籽粒基因型相同
D.该植株花药培养加倍后的个体均为纯合子
解题关键——识图析图
异常联会导致同源染色体中的三条染色体可移到一个细胞中,而另一条染色体可移到另一个细胞中,只要正确识别图中包含信息就能正确解答本题。
解析:选B 图示的联会过程发生在减数第一次分裂前期;由异常联会图示可知,同源染色体中的三条染色体可移到一个细胞中,而另一条染色体可移到另一个细胞中,因此减数分裂后形成的配子中染色体数目异常,自交后代会出现染色体数目变异的个体;该玉米单穗上的籽粒可由不同基因型的配子结合形成,因此基因型可能不同;该植株形成的配子中有的基因型为Aa,含这种配子的花药经培养加倍后形成的个体是杂合子。
3.(2015·上海高考)如图显示一对表现型正常的夫妇及其智障儿子细胞中的两对染色体(不考虑受精和胚胎发育过程中的任何情况),造成儿子异常的根本原因是( )
A.父亲染色体上的基因发生突变
B.母亲染色体上的基因发生突变
C.母亲染色体发生缺失
D.母亲染色体发生易位
解题关键——识图析图
由图可知:母亲细胞中一条染色体的一段移接到了非同源染色体上,属于染色体结构变异中的易位。
解析:选D 由图示可看出:父亲的染色体正常(同源染色体的大小、形态一致),母亲的染色体异常。若把图示母亲细胞中的染色体按从左到右编号为1、2、3、4,其中1与2为一对同源染色体,3与4为一对同源染色体。与父亲正常的染色体比较,可看出母亲细胞中2号染色体的一段移接到了3号染色体上,属于染色体结构变异中的易位。由此可推断造成儿子异常的根本原因是母亲染色体发生易位。
4.(2017·江苏高考)研究人员在柑橘中发现一棵具有明显早熟特性的变异株,决定以此为基础培育早熟柑橘新品种。请回答下列问题:
解题关键——识图析图
解答本题的关键是据图判断育种方法。由图可知,方法①是杂交育种,方法②是单倍体育种,方法③是植物组织培养。
(1)要判断该变异株的育种价值,首先要确定它的________物质是否发生了变化。
(2)在选择育种方法时,需要判断该变异株的变异类型。如果变异株是个别基因的突变体,则可采用育种方法①,使早熟基因逐渐________,培育成新品种1。为了加快这一进程,还可以采集变异株的________进行处理,获得高度纯合的后代,选育成新品种2,这种方法称为________育种。
(3)如果该早熟植株属于染色体组变异株,可以推测该变异株减数分裂中染色体有多种联会方式,由此造成不规则的________________,产生染色体数目不等、生活力很低的________,因而得不到足量的种子。即使得到少量后代,早熟性状也很难稳定遗传。这种情况下,可考虑选择育种方法③,其不足之处是需要不断制备________,成本较高。
(4)新品种1与新品种3均具有早熟性状,但其他性状有差异,这是因为新品种1选育过程中基因发生了多次______,产生的多种基因中只有一部分在选育过程中保留下来。
解析:(1)生物的可遗传性状是由基因控制的,培育得到的新品种,与原种控制相关性状的遗传物质(基因)可能有所差异,因而可根据变异株中的遗传物质是否发生变化来判断变异株是否具有育种价值。(2)连续自交过程中早熟基因逐渐纯合,培育成新品种1。为了加快进程,可先通过花药离体培养,再用秋水仙素处理单倍体幼苗,从而获得高度纯合的后代,这种方法属于单倍体育种。(3)若是染色体组数目改变引起的变异,则在减数分裂过程中同源染色体配对会发生紊乱,不规则的染色体分离导致产生染色体数目不等、生活力低的异常配子,只有极少数配子正常,故只得到极少量的种子。育种方法③需首先经植物组织培养获得柑橘苗,而植物组织培养技术操作复杂,成本较高。(4)育种方法①需连续自交,每次减数分裂时与早熟性状相关的基因和其他性状相关的基因都会发生基因重组,产生多种
基因型,经选育只有一部分基因型保留下来。植物组织培养过程中不进行减数分裂,无基因重组发生。
答案:(1)遗传 (2)纯合 花药 单倍体 (3)染色体分离 配子 组培苗 (4)重组
[学情考情·了然于胸]
一、明考情·知能力——找准努力方向
考查知识
1.染色体结构变异类型的判断及特点。
2.染色体数目变异,常结合细胞分裂图像和考查异常减数分裂与染色体变异的关系。
3.生物育种的方法、原理和操作过程,常以育种流程图分析题形式考查。
考查能力
1.识记能力:主要考查对染色体变异的类型、原理以及生物育种方法和原理的识记能力。
2.推理能力:主要考查异常细胞分裂过程中发生的染色体变异类型的判断。
二、记要点·背术语——汇总本节重点
1.染色体变异、染色体组
(1)染色体变异的实质是基因数目和位置的改变。
(2)染色体组是指细胞中的一组非同源染色体,在形态和功能上各不相同,但又互相协调,共同控制生物的生长、发育、遗传和变异。
2.单倍体、多倍体
(1)体细胞中含有本物种配子染色体数目的个体,叫做单倍体。与正常植株相比,单倍体植株一般长得弱小,并且高度不育。
(2)由受精卵发育而来,体细胞中含有三个或三个以上染色体组的个体叫做多倍体。多倍体植株常常茎秆粗壮,叶片、果实和种子都比较大,糖类和蛋白质等营养物质的含量较高。
3.两个原理
(1)花药离体培养的原理:植物细胞具有全能性。
(2)低温和秋水仙素诱导多倍体的原理:抑制有丝分裂前期纺锤体的形成。
4.两种方法
(1)花药离体培养法:得到的是单倍体植株,是单倍体育种的一个环节。
(2)秋水仙素处理法:在多倍体育种时处理萌发的种子或幼苗;在单倍体育种时处理单倍体植株的幼苗。
5.杂交育种的两个特点:能将多个优良性状集中到同一生物个体上;但耗时较长。
6.诱变育种的方法和特点
(1)两种诱变方法:物理诱变、化学诱变。
(2)两个特点:多害少利性;能产生新基因,创造生物新类型。
[课下达标检测]
一、选择题
1.下列关于单倍体、二倍体及染色体组的表述,正确的是( )
A.单倍体生物体的体细胞中都没有同源染色体
B.21三体综合征患者的体细胞中有三个染色体组
C.人的初级卵母细胞中的一个染色体组中可能存在等位基因
D.用秋水仙素处理二倍体西瓜幼苗的芽尖后,芽尖的细胞中都含有4个染色体组
解析:选C 同源四倍体的单倍体中含有两个染色体组,有同源染色体;21三体综合征患者的21号染色体为三条,并不是三倍体;人的初级卵母细胞中的一个染色体组中由于在复制时可能出现基因突变或在减数第一次分裂前期发生交叉互换,从而出现等位基因;多倍体通常是用秋水仙素处理萌发的种子或幼苗,使其染色体加倍,用秋水仙素处理的芽尖细胞中染色体数目不一定均加倍。
2.若一条染色体发生结构变异,则位于该染色体上的基因M不可能出现的情况是( )
A.缺失 B.变为基因m
C.重复出现 D.置换到该染色体的另一位置
解析:选B 缺失是一条正常染色体断裂后丢失某一片段引起的变异,这种染色体结构变异可能导致基因M的丢失;一条染色体上的基因M变为基因m属于基因突变,不属于染色体结构的变异;重复是指染色体增加某一片段引起的变异,结果可能有一段重复基因,此种变异可引起基因M的重复出现;倒位是指染色体中某一片段颠倒180度后重新结合到原部位引起的变异,此种情况基因M并不丢失,只是置换到该染色体的另一位置。
3.图中字母代表正常细胞中所含有的基因,下列说法错误的是( )
A.①可以表示经过秋水仙素处理后四倍体西瓜体细胞的基因组成
B.②可以表示果蝇体细胞的基因组成
C.③可以表示21三体综合征患者体细胞的基因组成
D.④可以表示雄性蜜蜂体细胞的基因组成
解析:选A 秋水仙素可诱导细胞中染色体数目加倍,其上的基因也应“加倍”,不会出现一个“a”的情况。
4.将基因型Dd的高茎豌豆幼苗(品系甲)用秋水仙素处理后,得到四倍体植株幼苗(品系乙),将品系甲、品系乙在同一地块中混合种植,在自然状态下生长、繁殖一代,得到它们的子代。下列有关叙述正确的是( )
A.品系甲植株自交后代出现性状分离,品系乙植株自交后代全为显性性状
B.秋水仙素处理的目的是抑制有丝分裂间期形成纺锤体而诱导染色体加倍
C.品系甲、品系乙混合种植后,产生的子代中有二倍体、三倍体和四倍体
D.品系甲植株作父本、品系乙植株作母本进行杂交,得到的子代是三倍体
解析:选D 品系甲和品系乙都为杂合子,植株自交后代出现性状分离;秋水仙素处理的目的是抑制有丝分裂前期形成纺锤体而诱导染色体加倍;豌豆是自花传粉、闭花受粉的植物,在自然状态下,品系甲、品系乙混合种植后仍进行自交,产生的子代中有二倍体和四倍体;品系甲植株作父本、品系乙植株作母本进行杂交,得到的子代是三倍体。
5.某二倍体生物在细胞分裂过程中出现了图甲、乙、丙、丁4种类型的变异,图甲中英文字母表示染色体片段。下列有关叙述正确的是( )
A.图示中的生物变异都是染色体变异
B.如果图乙为精原细胞,则不能产生正常的配子
C.图丁和图丙相比较,图丙所示的变异类型不能产生新的基因,图丁所示的变异类型可以产生新的基因
D.图中所示的变异类型在减数分裂中均可能发生
解析:选D 题图甲、乙、丙、丁中的变异类型分别是重复、染色体数目变异、基因重组和易位;三体能进行减数分裂,可产生正常的配子;只有基因突变能产生新基因,图丙、丁所示的变异类型均不能产生新的基因;减数分裂过程中四种可遗传变异均可能发生。
6.普通西瓜(二倍体)每个细胞含22条染色体,如图为一个三倍体无子西瓜的剖面图,下列叙述正确的是( )
A.培育无子番茄与培育无子西瓜所利用的原理相同
B.①的细胞内含有22条染色体,②的细胞内含有33条染色体
C.无子西瓜培育过程中,秋水仙素处理可使着丝点不分裂,导致染色体加倍
D.无子西瓜形成的原因是减数分裂过程中染色体联会紊乱
解析:选D 培育无子西瓜(多倍体育种)的原理是染色体变异,而培育无子番茄的原理是生长素能够促进子房发育为果实;题图为三倍体无子西瓜,是由三倍体植株的子房发育而来的,所以①和②的细胞内均含有33条染色体;秋水仙素的作用是抑制细胞分裂过程中纺锤体的形成,而不是抑制着丝点的分裂;该无子西瓜形成的原因是三倍体植株减数分裂过程中同源染色体联会紊乱,不能形成正常的配子。
7.研究发现,某二倍体动物有两种性别:性染色体组成为XX的是雌雄同体(2N),XO(缺少Y染色体)为雄体(2N-1),二者均能正常产生配子。下列推断正确的是( )
A.雄体为该物种的单倍体
B.雄体是由未受精的卵细胞直接发育而来的
C.XO个体只产生雄配子,且雄配子间的染色体数目不同
D.XX个体只产生雌配子,且雌配子间的染色体数目相同
解析:选C 单倍体是指体细胞中含有本物种配子染色体数目的个体,而雄体的体细胞中的染色体数目只是较正常的雌雄同体少了一条,所以雄体不是该物种的单倍体;雄体不是由未受精的卵细胞直接发育而来的,因为未受精的卵细胞含有N条染色体,而雄体的体细胞中含有(2N-1)条染色体;XO个体为雄体,只产生两种雄配子,一种含有N条染色体,另一种含有(N-1)条染色体;XX个体是雌雄同体,既能产生雌配子,也能产生雄配子,且雌配子间或雄配子间的染色体数目相同。
8.在某严格自花传粉的二倍体植物中,野生型植株基因型均为AA(无A基因的植株表现为矮化植株)。现发现甲、乙两株矮化突变体植株的相关基因在同源染色体上的位置如图所示,矮化程度与a基因的数量呈正相关。下列相关叙述,错误的是( )
A.甲突变体植株在产生配子的过程中,一个四分体最多含有4个a基因
B.乙突变体植株产生的原因可能是在甲突变体植株的基础上发生了染色体结构变异
C.甲突变体植株产生的根本原因是基因突变,其自交后代只有一种矮化植株
D.若各类型配子和植株均能成活,则乙突变体植株自交后代中存在两种矮化植株
解析:选D 甲突变体植株在产生配子的过程中,一个四分体含有4条染色单体,每个染色单体可能含有1个a基因,故一个四分体最多含有4个a基因;由图可知,乙突变体植株产生的原因可能是在甲突变体植株的基础上发生了染色体结构变异;甲突变体植株产生的根本原因是基因突变,其自交后代的基因型均为aa,故只有一种矮化植株;乙突变体植株可产生含有2个a基因的配子和无a基因的配子,雌雄配子结合,F1存在含有4个a基因、含有2个a基因和无a基因三种矮化植株。
9.我国科学家合成了4条酿酒酵母染色体,合成的染色体删除了研究者认为无用的DNA,加入了人工接头,总体长度比天然染色体缩减8%,为染色体疾病、癌症和衰老等提供研究与治疗模型,下列说法错误的是( )
A.合成人工染色体需要氨基酸和脱氧核苷酸作为原料
B.通过荧光标记染色体上基因可以知道基因在染色体的位置
C.若染色体上的DNA某处发生了个别碱基对增添则一定发生了基因突变
D.酿酒酵母可能会发生基因突变、基因重组和染色体变异
解析:选C 染色体的主要成分是DNA和蛋白质,而合成DNA和蛋白质的原料分别是氨基酸和脱氧核苷酸,因此合成人工染色体需要氨基酸和脱氧核苷酸作为原料;通过荧光标记染色体上的基因,通过荧光显示,可以知道基因在染色体的位置;染色体上的DNA某处发生了个别碱基对增添,如果发生的位置在基因与基因之间的区域,而没有引起基因结构的改变,则不属于基因突变;酿酒酵母属于真核生物,能进行有性生殖,可能会发生基因突变、基因重组和染色体变异。
10.波尔山羊(2N=60)胚胎期某细胞发生了异常分裂如图所示(未绘出的染色体均正常),其中A为原癌基因,a为A的突变基因。下列说法正确的是( )
A.该分裂过程中形成30个四分体
B.分裂产生Aa或aa子细胞的概率均为1/2
C.子细胞Aa与aa在相同且适宜条件下细胞周期可能不同
D.染色体异常分离与纺锤体无关
解析:选C 减数分裂的特点是同源染色体联会,形成四分体,该图中胚胎期细胞发生有丝分裂过程,不会形成四分体;由于染色体的丢失是随机的,所以分裂产生Aa或aa子细胞的概率不一定均为1/2;由于原癌基因A可控制细胞的正常分裂进程,因此子细胞Aa与aa在相同且适宜条件下细胞周期可能不同;由于染色体是由纺锤丝牵引而移向两极的,因此染色体异常分离可能与纺锤体有关。
11.(2019·深圳诊断)下面①~④列举了四种育种方法,有关的叙述错误的是( )
A.第①种方法一般从F2开始选种,因为从F2开始出现新的性状组合
B.在第②种方法中,若F1中n对等位基因独立遗传,则单倍体幼苗有3n种类型
C.第③种育种方法的作用机理是秋水仙素抑制纺锤体形成
D.第④种方法中卫星搭载的种子应当选用萌发的种子或幼苗
解析:选B ①是杂交育种,其原理是基因重组,F2因性状分离出现重组性状,所以一般从F2开始选种;②是单倍体育种,若F1中n对等位基因独立遗传,非等位基因之间将遵循基因自由组合定律,F1产生的配子有2n种,单倍体幼苗有2n种类型;③是多倍体育种,秋水仙素的作用是抑制纺锤体的形成,使细胞不能正常分裂,从而使细胞中染色体数加倍;萌发的种子或幼苗因细胞分裂旺盛,容易诱导基因突变,可作为诱变育种的材料。
12.下图为自然界形成普通小麦的过程示意图。下列说法错误的是( )
A.甲的体细胞中含有两个染色体组,由于甲的体细胞中无同源染色体,所以甲高度不育
B.甲成为丙过程中,细胞中核DNA分子数目、染色体数目和染色体组数目都发生了加倍
C.若从播种到收获种子需1年时间,且所有的有性杂交都从播种开始。理论上从一粒小麦和山羊草开始,第2年即可产生普通小麦的植株
D.普通小麦体细胞中最多可含有12套遗传信息
解析:选C 由图可知甲中有两个染色体组,一个来自一粒小麦,一个来自山羊草,因为没有同源染色体,无法联会,不能产生正常配子,所以甲高度不育。甲成为丙的过程中,需要用秋水仙素进行处理,细胞核中DNA分子数目、染色体数目和染色体组数目都发生了加倍。如果从播种到收获种子需要1年时间,且所有的有性杂交都从播种开始,从一粒小麦和山羊草开始,由图可知需要在第2年可产生普通小麦的种子,需要在第3年才能产生普通小麦的植株。普通小麦体细胞中此时含有42条染色体,每套遗传信息即一个染色体组是7条染色体,普通小麦在有丝分裂后期最多可有84条染色体,最多含有12套遗传信息。
二、非选择题
13.科学工作者在研究不同浓度的秋水仙素对科优527和博Ⅱ优128两种水稻品种染色体加倍的影响时得到的数据如下表。请回答下列问题:
品种
浓度(%)
处理芽数(个)
芽成活率(%)
染色体加倍株数(株)
染色体加倍比率(%)
科优527
0.01
200
71
1
0.71
0.02
67
3
2.34
0.03
65
7
5.93
博Ⅱ优128
0.01
200
67
6
4.72
0.02
64
9
7.37
0.03
61
15
13.16
(1)该实验的自变量为____________________________;实验选择芽作为处理对象的原因是________________________________。
(2)利用秋水仙素处理或用药物破坏水稻芽尖生长点细胞中的高尔基体都可以使细胞内染色体数目加倍,但二者的原理不同,前者是不能形成纺锤体,后者是____________________。
(3)分析表中数据可知,对于同一品种水稻来说,秋水仙素浓度与芽成活率、染色体加倍比率的关系为____________________________________________________________;同一浓度的秋水仙素对不同品种水稻染色体加倍比率的影响不同,原因可能是不同品种水稻对秋水仙素反应的________不同。
解析:(1)根据题干分析可知,该实验的自变量是秋水仙素的浓度和水稻的品种;秋水仙素的作用机理是抑制细胞分裂过程中纺锤体的形成,进而导致染色体数目加倍。由于芽尖生长点细胞分裂旺盛,易发生变异,所以该实验选择芽作为处理对象更容易获得染色体数目加倍的细胞。(2)高尔基体与植物细胞分裂末期细胞壁的形成有关,因此用药物破坏水稻芽尖生长点细胞中的高尔基体会导致子细胞壁不能形成,进而导致细胞中染色体数目加倍。(3)根据表格数据分析,对于同一品种水稻来说,随着秋水仙素浓度的增加,芽成活率逐渐降低,染色体加倍株数和比率逐渐增大。同一浓度的秋水仙素对不同品种水稻染色体加倍比率的影响不同,说明不同品种水稻对秋水仙素反应的敏感程度不同。
答案:(1)秋水仙素的浓度和水稻的品种 芽尖生长点细胞分裂旺盛,易发生变异 (2)抑制细胞壁形成 (3)随着秋水仙素浓度的增大,芽成活率降低,染色体加倍比率增大 敏感程度
14.(2019·徐州模拟)玉米(2N=20)是一种雌雄同株的植物,是重要的粮食作物之一。请回答下列问题:
(1)测定玉米基因组DNA序列,需测定________条DNA上碱基序列。
(2)某品种玉米2号染色体上的基因S在编码蛋白质时,控制最前端几个氨基酸的DNA序列如图所示,已知起始密码子为AUG,基因S发生转录时模板链是________链。若基因S中箭头所指碱基对G/C缺失,则该处对应的密码子将改变为________。
(3)玉米花序的正常和异常是由一对等位基因控制的相对性状。某显性植株X自交,F1表现为:正常花序∶异常花序=1∶1。取F1正常花序植株的花粉进行离体培养,获得的幼苗用秋水仙素处理后都是异常花序植株。由此推测________是显性性状,植株X自交的子代性状分离比为1∶1的原因是___________________________________________________。
(4)玉米的易倒伏(H)对抗倒伏(h)为显性,抗病(R)对易感病(r)为显性,两对基因分别位于两对同源染色体上。图1表示利用品种甲(HHRR)和乙(hhrr)通过三种育种方法(Ⅰ~Ⅲ)培育优良品种(hhRR)的过程。
①方法Ⅰ、Ⅱ的育种原理分别是____________________,三种方法中难以获得优良品种(hhRR)的是方法______,原因是____________________________。
②方法Ⅱ中HhRr自交获得F2,假设只保留F2中抗倒伏抗病植株的雄蕊(其他雄蕊全部去除),所有植株雌蕊全部保留且都能成功受粉和发育,则所得F3中能稳定遗传的抗倒伏抗病植株占________。
解析:(1)由于玉米是雌雄同体植株,所以要测定玉米基因组DNA序列,只需要测定玉米的一个染色体组的10条染色体的DNA序列。(2)①起始密码子为AUG或GUG,则转录起始密码子对应模板链上碱基是TAC或CAC,分析基因S中的a链和b链,TAC位于b链,因此转录的模板链是b链;基因S的b链中箭头所指碱基对G/C缺失,转录形成的mRNA该处顺延一个碱基,密码子变成GUU。 (3)根据题意可知,玉米花序的正常和异常是由一对等位基因控制的相对性状。某显性植株X自交,F1表现为正常花序∶异常花序=1∶1,说明显性植株X为杂合子;取F1正常花序植株的花粉进行离体培养,获得的幼苗用秋水仙素处理后都是异常花序植株(隐性个体),说明显性基因的花粉致死。由此推断花序正常是显性性状,植株X自交的子代性状分离比为1∶1的原因是含有正常花序(显性)基因的花粉不育,而含有异常花序(隐性)基因的花粉可育。(4)①方法Ⅰ是单倍体育种,其原理是染色体变异;方法Ⅱ是杂交育种,其原理是基因重组;方法Ⅲ是诱变育种,由于基因突变是不定向的而且频率很低,因此运用方法Ⅲ更难获得优良品种(hhRR)。②据题意可知,F2抗倒伏抗病植株的基因型及比例是hhRR∶hhRr=1∶2,产生的配子的基因型及比例是hR∶hr=2∶1,F2中其他能产生hR配子的个体的基因型及比例为4/16HhRr、2/16HhRR、1/16hhRR、2/16hhRr,这四种基因型的个体产生hR配子的概率之和为(4/16×1/4)+(2/16×1/2)+1/16+(2/16×1/2)=1/4,只有抗倒伏抗病植株产生的雄配子(hR)与其他个体产生的基因型为hR的雌配子随机结合,才会产生稳定遗传的抗倒伏抗病植株,因此F3中能稳定遗传的抗倒伏抗病植株占2/3×1/4=1/6。
答案:(1)10 (2)b GUU (3)正常花序 含有正常花序(显性)基因的花粉不育,而含有异常花序(隐性)基因的花粉可育 (4)染色体变异、基因重组 Ⅲ 基因突变是不定向的而且频率很低 1/6
15.某种自花受粉植物的花色由两对独立遗传的等位基因H、h和T、t控制,有H同时又有T的植物开紫花,有H但没有T的植物开红花,其他基因型的植物都开白花。研究人员用纯合红花植株和纯合白花植株杂交得到F1 ,F1自交,单株收获F1所结的种子,每株的所有种子单独种植在一起可得到一个株系。回答下列问题:
(1)有多个株系的花色表现为紫花∶红花∶白花=9∶3∶4,说明亲本的基因型为________________。
(2)有个别株系的花色表现为紫花∶红花∶白花=3∶1∶4。对这种现象的一种解释是:F1植株的一条染色体缺失了部分片段,且含有缺失染色体的雄配子参与受精后会导致受精卵发育异常而死亡,含有缺失染色体的雌配子参与受精后不影响受精卵的正常发育,则缺失发生在图______(填“甲”或“乙”)中的Ⅱ区域,缺失染色体上含有的是____(填“H”或“h”)基因。
(3)为验证(2)中的解释,现有基因型为hhtt的白花植株,请设计一个简便的实验方案并预期结果。
①实验方案:______________________________________观察和统计子代花色的表现型及比例。
②预期结果:_________________________________________________________则支持上述解释。(要求:写出具体的表现型及比例)
解析:(1)依题意可知:F1所结的种子为F2,有多个株系的F2花色表现为紫花∶红花∶白花=9∶3∶4,说明F1的基因型为HhTt,进而推知亲本纯合红花植株和纯合白花植株的基因型分别为HHtt和hhTT。(2)结合对(1)的分析可知:正常情况下,F1的基因型为HhTt。已知含有缺失染色体的雄配子参与受精后会导致受精卵发育异常而死亡,含有缺失染色体的雌配子参与受精后不影响受精卵的正常发育。若缺失发生在图甲中的Ⅱ区域,则F1植株的基因型变为hTt或HTt,F1自交得到的株系中hhT_∶hhtt∶hT_∶htt=3∶1∶3∶1或HHT_∶HHtt∶HT_∶Htt=3∶1∶3∶1,都表现为白花或紫花∶红花=3∶1,与题意不符,因此缺失发生在图乙中的Ⅱ区域。因该株系的花色表现为紫花∶红花∶白花=3∶1∶4,与理论值(9∶3∶4)相比,紫花与红花的数量减少,说明缺失染色体上含有H基因。(3)为验证(2)中的解释,即验证缺失发生在图乙中的Ⅱ区域,且缺失染色体上含有H基因,则其①实验方案为让F1植株与基因型为hhtt的白花植株正反交,观察和统计子代花色的表现型及比例。②若F1植株做母本,则产生的雌配子及其比例为HT∶Ht∶hT∶ht=1∶1∶1∶1,白花植株只产生1种基因型为ht的雄配子,所以子代花色表现为紫花(HhTt)∶红花(Hhtt)∶白花(hhTt+hhtt)=1∶1∶2;若F1植株做父本,则产生的雄配子及其比例为HT∶Ht∶hT∶ht=1∶1∶1∶1,白花植株只产生1种基因型为ht的雌配子,所以子代基因型及其比例为HhTt(致死)∶Hhtt(致死)∶hhTt∶hhtt=1∶1∶1∶1,子代全开白花。
答案:(1)HHtt和hhTT (2)乙 H (3)让F1植株与基因型为hhtt的白花植株正反交 若F1植株做母本,子代花色表现为紫花∶红花∶白花=1∶1∶2,若F1植株做父本,子代全开白花
相关资料
更多

