还剩54页未读,
继续阅读
2020版高考生物新创新一轮复习通用版讲义:必修①第三单元第3讲能量之源——光与光合作用
展开
第3讲 能量之源——光与光合作用
第1课时 绿叶中色素的提取和分离(实验课)
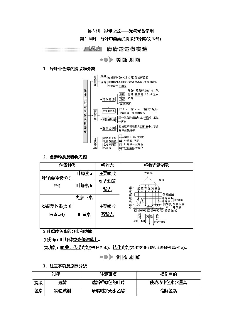
1.绿叶中色素的提取和分离
2.色素种类及吸收光谱
色素种类
吸收光
吸收光谱图示
叶绿素(含量约占3/4)
叶绿素a
主要吸收
红光和蓝紫光
叶绿素b
类胡萝卜素(含量约占1/4)
胡萝卜素
主要吸收蓝紫光
叶黄素
3.叶绿体色素的分布和功能
(1)分布:叶绿体类囊体薄膜上。
(2)功能:吸收、传递光能(四种色素)、转化光能(只有少量特殊状态的叶绿素a)。
1.注意事项及原因分析
过程
注意事项
操作目的
提取色素
选材
选新鲜绿色的叶片
使滤液中色素含量高
实验试剂
研磨时加无水乙醇
溶解色素
加少量SiO2和CaCO3
研磨充分和保护色素
实验操作
迅速、充分研磨
防止乙醇过度挥发
盛放滤液的试管管口加棉塞
防止乙醇挥发和色素氧化
分离色素
制备滤纸条
滤纸预先干燥处理
使层析液在滤纸上快速扩散
画滤液细线
滤液细线要直、细、齐
使分离出的色素带平整不重叠
滤液细线干燥后再画一两次
使分离出的色素带清晰分明
分离滤液中色素
滤液细线不触及层析液
防止色素直接溶解到层析液中
2.绿叶中色素的提取和分离实验中异常现象分析
异常现象
原因分析
收集到的滤液绿色过浅
①未加石英砂(二氧化硅),研磨不充分;
②使用放置数天的菠菜叶,滤液色素(叶绿素)太少;
③一次加入大量的无水乙醇,提取浓度太低(正确做法:分次加入少量无水乙醇);
④未加碳酸钙或加入过少,色素分子被破坏
滤纸条色素带重叠
①滤液细线不直;②滤液细线过粗
滤纸条无色素带
①忘记画滤液细线;②滤液细线接触到层析液,且时间较长,色素全部溶解到层析液中
色素提取和分离实验的过程与结果
1.(2016·江苏高考)下列用鲜菠菜进行色素提取、分离实验的叙述,正确的是( )
A.应该在研磨叶片后立即加入CaCO3,防止酸破坏叶绿素
B.即使菜叶剪碎不够充分,也可以提取出4种光合作用色素
C.为获得10 mL提取液,研磨时一次性加入10 mL乙醇研磨效果最好
D.层析完毕后应迅速记录结果,否则叶绿素条带会很快随溶剂挥发消失
解析:选B 在提取绿叶中的色素时,应先加入少量的CaCO3,再进行研磨,防止研磨过程中酸破坏叶绿素;即使菜叶剪碎不够充分,也可以提取出4种光合作用色素,只是滤液中色素的含量不多,分离后4条色素带较窄;若要获得总量10 mL的提取液,在研磨时应分次加入10 mL乙醇;层析完毕后应迅速记录结果,这是因为叶绿素在光下容易分解,导致色素条带很快消失,而不是随溶剂挥发消失。
2.(2016·上海高考)从种植于室内普通光照和室外强光光照下的同种植物分别提取叶片的叶绿体色素,用纸层析法分离,结果如图。下列判断正确的是( )
A.室内植物叶片偏黄
B.室外植物叶片偏绿
C.室外植物叶片胡萝卜素含量>叶黄素含量
D.室内植物叶片叶绿素a含量>叶绿素b含量
解析:选D 由图可知,室外植物叶片偏黄;根据色素在滤纸上的分布和含量,室外叶黄素>胡萝卜素,室内叶绿素a>叶绿素b。
叶绿体色素的种类和功能
3.(2016·全国卷Ⅱ)关于高等植物叶绿体中色素的叙述,错误的是( )
A.叶绿体中的色素能够溶解在有机溶剂乙醇中
B.构成叶绿素的镁可以由植物的根从土壤中吸收
C.通常,红外光和紫外光可被叶绿体中的色素吸收用于光合作用
D.黑暗中生长的植物幼苗叶片呈黄色是由于叶绿素合成受阻引起的
解析:选C 提取绿叶中色素的原理是叶绿体中的色素能溶解在有机溶剂如无水乙醇中。叶绿素分子中含有镁元素,镁元素可以由植物根细胞通过主动运输方式从土壤中吸收,也可以在叶面施肥后由叶片吸收。叶绿体中的色素吸收可见光用于光合作用,其中吸收的主要是可见光中的红光和蓝紫光,红外光和紫外光不属于可见光。叶绿素的合成需要光,在黑暗条件下叶绿素不能合成,故黑暗中生长的植物幼苗叶片主要呈现类胡萝卜素(叶黄素和胡萝卜素)的颜色,即幼苗叶片表现为黄色。
4.(2013·全国卷Ⅱ)关于叶绿素的叙述,错误的是( )
A.叶绿素a和叶绿素b都含有镁元素
B.被叶绿素吸收的光可用于光合作用
C.叶绿素a和叶绿素b在红光区的吸收峰值不同
D.植物呈现绿色是由于叶绿素能有效地吸收绿光
解析:选D 叶绿素a和叶绿素b都含有镁元素。叶绿素a和叶绿素b吸收的光能可用于光合作用的光反应。叶绿素a在红光区的吸收峰值高于叶绿素b。植物呈现绿色是由于叶绿素吸收绿光最少,绿光被反射出来。
[深化拓展] 影响叶绿素合成的三大因素
光照
是影响叶绿素合成的主要条件,一般植物在黑暗中不能合成叶绿素,因而叶片发黄
温度
温度可影响与叶绿素合成有关的酶的活性,进而影响叶绿素的合成
必需元素
叶绿素中含N、Mg等必需元素,缺乏N、Mg将导致叶绿素无法合成,叶变黄
1.用新鲜菠菜叶进行色素提取和分离的实验。下列叙述正确的是( )
A.将滤液收集到试管中,应及时用棉塞将试管口塞紧
B.画滤液细线时,在点样线上需连续重复多次画线
C.滤液细线浸入层析液,可导致滤纸条上色素带重叠
D.滤纸条上4条色素带通常都是平齐的,且彼此之间的距离明显
解析:选A 提取色素用的无水乙醇易挥发,故将滤液收集到试管中,应及时用棉塞将试管口塞紧,A正确;画滤液细线时,在点样线上需等上次滤液线干后,再画一次,这样画2~3次,不能连续划线,否则滤液线会很粗,将导致滤纸条上最终得到的色素带重叠,B错误;如果滤液细线浸入层析液,可将滤纸条上的色素溶解在层析液中,滤纸条上将得不到色素带,C错误;滤纸条上4条色素带通常都是不平齐的,虽然将滤纸条一端减去两角,最终得到的色素带一般也不是很齐整的,D错误。
2.(2019·武昌区模拟)为研究高光强对移栽幼苗光合色素的影响,某同学用乙醇提取叶绿体色素,用石油醚进行纸层析,如图为滤纸层析的结果(Ⅰ、Ⅱ、Ⅲ、Ⅳ为色素条带)。下列叙述正确的是( )
A.强光下的幼苗相比正常光照下的绿色更深
B.强光照可能抑制叶绿素的合成,促进类胡萝卜素的合成
C.四种色素在层析液中溶解度大小是Ⅰ<Ⅱ<Ⅲ<Ⅳ
D.色素分离过程中如果滤液线触及石油醚,会缩短得到四条色素带的时间
解析:选B 根据题图分析可知,强光照导致了该植物叶绿素含量降低,绿色变浅,A错误;强光照和正常光照相比,明显叶绿素含量降低,类胡萝卜素含量增加,可见强光照可抑制叶绿素的合成,促进类胡萝卜素的合成,B正确;四种色素
在层析液中溶解度大小是Ⅰ>Ⅱ>Ⅲ>Ⅳ,C错误;色素分离过程中如果滤液线触及石油醚,色素会溶解在层析液中,D错误。
3.下列与“绿叶中色素的提取和分离”实验有关的叙述,正确的是( )
A.提取绿叶中的色素时只能用无水乙醇溶解色素
B.研磨叶片后立即加入碳酸钙可防止色素被破坏
C.叶绿素b在层析液中的溶解度小于类胡萝卜素
D.不同绿叶中的色素在滤纸条上的色带顺序不同
解析:选C 绿叶中的色素能够溶解在有机溶剂无水乙醇和丙酮中,A错误;叶绿体色素的提取实验研磨前加入碳酸钙,可以保护叶绿体色素,防止色素被破坏,B错误;叶绿素b在层析液中溶解度最小,C正确;各色素带顺序由自身在层析液中的溶解度所决定的,溶解度大,扩散速度快;溶解度小,扩散速度慢,与绿叶种类无关,D错误。
4.(2019·崇明县联考)小明分别对紫藤的绿叶和黄叶进行了“叶绿体中色素的提取和分离”实验,结果如图所示。对该实验结果说明合理的是( )
A.②是紫藤绿叶的色素分离结果
B.结果②表明叶片研磨不充分
C.紫藤黄叶中缺少叶绿素
D.紫藤黄叶中缺少类胡萝卜素
解析:选C 据图分析可知,②是紫藤黄叶的色素分离结果,A、B错误;紫藤黄叶中缺少下面两条色素带,即缺少叶绿素,C正确,D错误。
5.洋葱的管状叶呈绿色,鳞片叶的外表皮呈紫色、内表皮几乎无色。下列以洋葱为材料的实验中,不能达到实验目的的是( )
A.用管状叶作材料提取并分离叶绿体中的光合色素
B.用鳞片叶的外表皮作材料观察细胞的吸水与失水
C.用鳞片叶的内表皮作材料观察DNA在细胞中分布
D.用根作材料观察细胞中染色体行为的动态变化过程
解析:选D 管状叶呈绿色,说明含有叶绿体,因此可以用管状叶作材料提取并分离叶绿体中的光合色素,A正确;鳞片叶的外表皮呈紫色,是因为其中央液泡中的细胞液呈紫色,用鳞片叶的外表皮作材料观察细胞的吸水与失水,实验现象明显,B正确;鳞片叶的内表皮,其细胞液无色,有细胞核、线粒体等结构,可以用作观察DNA在细胞中分布的实验材料,C正确;用根作材料观察细胞的有丝分裂,在制作临时装片的解离环节,导致细胞死亡,失去生命活动,因此不能观察到染色体行为的动态变化过程,D错误。
6.(2019·绍兴模拟)如图是利用新鲜菠菜叶进行“光合色素的提取和分离”活动时得到的结果,出现该实验结果的原因可能是( )
A.用70%乙醇作为提取液
B.研磨时未加SiO2
C.研磨时未加CaCO3
D.分离时层析液液面高于滤液细线
解析:选C 提取叶绿体中的色素用的是无水乙醇,如果用70%的乙醇作为提取液,则各种色素的含量都会减少,但图示中胡萝卜素和叶黄素含量都不低。图中叶绿素a和叶绿素b含量相对较少,而叶黄素和胡萝卜素含量较多,最可能的原因是研磨时未加CaCO3,导致部分叶绿素被破坏;如果未加SiO2,那么各种色素的含量都会减少。若分离时层析液液面高于滤液细线,色素会溶解到层析液中,得不到色素带。
7.小明用新鲜菠菜叶,按照实验要求完成了叶绿体色素提取与分离实验,并将实验纸层析结果绘制成坐标图,下列图示比较接近实验结果的是( )
解析:选C 绿叶中色素的提取和分离实验中,距点样处的距离由近到远的色素依次是:叶绿素b、叶绿素a、叶黄素和胡萝卜素。色素带的宽窄与色素含量相关,其含量关系为胡萝卜素(最窄)、叶黄素、叶绿素b(第2宽)、叶绿素a(最宽)。
8.如图表示叶绿体中色素吸收光能的情况。据图判断下列说法错误的是( )
A.由图可知,类胡萝卜素主要吸收400~500 nm波长的光
B.用450 nm波长的光比600 nm波长的光更有利于提高光合作用强度
C.由550 nm波长的光转为670 nm波长的光后,叶绿体中C3的量增加
D.土壤中缺乏镁时,植物对420~470 nm波长的光的利用量显著减少
解析:选C 类胡萝卜素主要吸收400~500 nm波长的光;据图可知,用450 nm波长的光比600 nm波长的光更有利于提高光合作用强度;由550 nm波长的光转为670 nm波长的光后,色素吸收光能增强,光反应增强,C3还原加速,叶绿体中C3的量将减少;叶绿素b主要吸收420~470 nm波长的光,缺镁时叶绿素合成减少,所以此波段的光的利用量显著减少。
9.将在黑暗中放置一段时间的叶片均分成4小块,分别置于不同的试管中,按下表进行实验处理,其中着色最浅的叶片所在的试管是( )
试管编号
①
②
③
④
实验处理
CO2溶液
+
+
+
+
光照
白光
蓝光
红光
绿光
碘液
+
+
+
+
注:“+”表示具有该条件。
A.① B.②
C.③ D.④
解析:选D 在不同的光照条件下,光合作用强度不同,叶绿体中的色素主要吸收红光和蓝紫光,对绿光几乎不吸收,故在白光下,叶片光合作用最强,经碘液处理后,着色最深;绿光下,叶片光合作用最弱,着色最浅。
10.(2019·冀州段考)如图表示用韭菜宿根进行的相关对照实验流程。下列叙述错误的是( )
A.提取色素时,要加入SiO2和CaCO3进行充分研磨
B.色素在滤纸条上分离的原因是不同色素在无水乙醇中的溶解度不同
C.实验结果①可说明叶绿素合成需要光照
D.实验结果②表明韭菜中提取的色素吸收光的种类更多
解析:选B 提取色素时加入SiO2是为了研磨充分,而加入CaCO3是为了防止色素被破坏;色素在滤纸条上分离的原因是不同色素在层析液中的溶解度不同;实验结果①色素带不同,可说明叶绿素合成需要光照;实验结果②表明韭菜中提取的色素吸收光的种类更多。
11.某实验小组以新鲜的绿叶为材料,进行绿叶中色素的提取与分离实验,实验结果如图所示。请回答下列问题:
(1)分离绿叶中的色素常用纸层析法,该方法的原理是____________________________________。A、B是滤纸条上的标记,根据实验现象可知在将滤纸条放入层析液时,层析液的液面所处的位置是________(填“A”或“B”)处。
(2)在色素的提取与分离过程中,偶然发现某植株的实验结果缺失第Ⅲ条色素带。
①第Ⅲ条色素带代表________,缺失第Ⅲ条色素带会导致植株对________光的吸收能力明显减弱。
②该实验小组为了研究缺失第Ⅲ条色素带的植株(甲)和正常的植株(乙)光合速率的差异,在不同的光照强度下测定了两植株的CO2吸收速率,结果如表所示:
光照强度(klx)
0
5
10
15
20
25
30
CO2吸收速率(mg·m-2·h-1)
甲
-3.6
-0.72
2.4
3.0
4.8
6.9
7.2
乙
-4.6
-1
2.4
3.6
5.8
7.9
8.8
根据表格中信息可知,更适合在强光下生活的是植株____(填“甲”或“乙”)。当光照强度为15 klx时,植株甲的光合速率______(填“大于”“小于”或“等于”)植株乙的;当光照强度为30 klx时,植株甲积累葡萄糖的速率约为________mg·m-2·h-1。
解析:(1)色素分离原理是绿叶中的色素在层析液中的溶解度不同,溶解度高的随层析液在滤纸上扩散得快,溶解度低的随层析液在滤纸上扩散得慢。图中得到了正常的色素带,因此根据实验现象可知在将滤纸条放入层析液时,层析液的液面所处的位置是A处。(2)①第Ⅲ条色素带表示叶黄素,叶黄素主要吸收蓝紫光,缺失叶黄素会导致植株对蓝紫光吸收能力明显减弱。②两植株的CO2吸收速率代表净光合速率,比较甲、乙两组实验数据可知,更适合在强光下生活的是植株乙;当光照强度为0 klx时,植株只进行呼吸作用,植株甲的呼吸速率为3.6 mg·m-2·h-1,植株乙的呼吸速率为4.6 mg·m-2·h-1,因此当光照强度为15 klx时,植株甲的光合速率为3.0+3.6=6.6(mg·m-2·h-1),植株乙的光合速率为3.6+4.6=8.2(mg·m-2·h-1);当光照强度为30 klx时,植株甲CO2吸收速率为7.2 mg·m-2·h-1,根据光合作用反应方程式:6CO2+12H2OC6H12O6+6O2+6H2O,求出积累葡萄糖的速率为(180×7.2)/(6×44)≈4.9(mg·m-2·h-1)。
答案:(1)绿叶中的色素在层析液中的溶解度不同,溶解度高的随层析液在滤纸上扩散得快,反之则慢 A (2)①叶黄素 蓝紫 ②乙 小于 4.9
12.植物的生长发育需要根从土壤中吸收水分和各种矿质元素,科学实验发现土壤中缺磷会导致植株矮小,叶色暗绿。依据叶色变化判断可能是缺少类胡萝卜素,试设计实验探究叶色暗绿是否是因为缺磷造成类胡萝卜素缺乏所致。
实验所需主要用具、试剂:烧杯、漏斗、试管、研钵、完全培养液、仅缺磷的完全培养液、无水乙醇、SiO2、CaCO3、层析液等。
实验材料:正常生长的黄瓜幼苗。
实验假设:____________________________________________________________。
实验步骤:
第一步:取两个烧杯编号为A、B,各放入同样数量、________________________________________________________________________
________________________________________________________________________的黄瓜幼苗。
第二步:A烧杯中加入完全培养液,B烧杯中加入等量________________,置于相同且适宜的条件下培养,培养到两组黄瓜幼苗叶片出现颜色差异为止。
第三步:分别从A、B两组中选取________,用________提取叶片色素,用________法分离色素,观察比较_______________________________________________________
________________________。
实验结果预测:
(1)A、B两组类胡萝卜素色素带宽度和颜色一致,说明缺磷导致的叶色暗绿,不是由于类胡萝卜素缺乏所致。
(2)________________________________________________________________________
________________________________________________________________________。
解析:根据题中的实验目的,可确定该实验的假设为:缺磷导致类胡萝卜素缺乏,引起叶色暗绿。利用溶液培养法来培养黄瓜幼苗,实验时要遵循对照原则和单一变量原则。等到完全培养液和缺磷的完全培养液中黄瓜叶片出现颜色差异时进行色素的提取和分离实验,最终比较色素带的宽度和颜色的深浅来确定假设是否成立。
答案:实验假设:缺磷导致类胡萝卜素缺乏,引起叶色暗绿
实验步骤:第一步:同一品种且长势相近、苗龄相同 第二步:仅缺磷的完全培养液 第三步:等量叶片 无水乙醇 纸层析 A、B两组色素带中类胡萝卜素色素带的宽度和颜色的深浅 实验结果预测:(2)A组比B组类胡萝卜素色素带宽度大、颜色深(或B组缺少类胡萝卜素色素带),说明缺磷导致的叶色暗绿,是由于类胡萝卜素缺乏所致
第2课时 光合作用的过程及影响因素
一、光合作用的探究历程(连线)
二、光合作用的过程
1.完善光合作用的过程
(1)图中①表示O2,②表示C3,③表示CO2,④表示[H]。
(2)光合作用的总反应式为:
6CO2+12H2OC6H12O6+6H2O+6O2
2.光反应与暗反应的比较
项目
光反应
暗反应
条件
光、水、色素和酶
ATP、[H]、CO2、多种酶
场所
在类囊体薄膜上
在叶绿体基质中
物质转化
水的光解;ATP的形成
CO2的固定和C3的还原
能量转化
光能→ATP中活跃的化学能
ATP中活跃的化学能→有机物中稳定的化学能
联系
光反应为暗反应提供[H]和ATP,暗反应为光反应提供ADP和Pi
[基础微点全练]
1.判断正误
(1)叶肉细胞中光合作用的暗反应发生在叶绿体基质中(√)
(2017·全国卷Ⅲ,T2B)
(2)通常,红外光和紫外光可被叶绿体中的色素吸收用于光合作用(2016·全国卷Ⅱ,T4C)(×)
(3)证明光合作用所释放的O2来自水与用紫外线等处理青霉菌选育高产青霉素菌株所用核心技术相同(×)
(2016·全国卷Ⅲ,T2改编)
(4)适宜条件下光合作用过程中C5/C3的比值,停止供应CO2后比停止前高(2015·山东卷,T4D)(√)
(5)光合作用需要的色素和酶分布在叶绿体基粒和基质中(×)
(6)光反应为暗反应提供[H]和H2O(×)
(7)破坏叶绿体外膜后,O2不能产生(×)
(8)离体叶绿体基质中添加ATP、[H](NADPH)和CO2后,可完成暗反应(√)
(9)光照下叶绿体中的ATP主要是由光合作用合成的糖经有氧呼吸产生的(×)
(10)光反应将光能转化为稳定的化学能储存在ATP中(×)
2.(2018·海南高考)高等植物细胞中,下列过程只发生在生物膜上的是( )
A.光合作用中的光反应
B.光合作用中CO2的固定
C.葡萄糖分解产生丙酮酸
D.以DNA为模板合成RNA
解析:选A 光反应阶段在叶绿体的类囊体薄膜上进行水的光解;光合作用中CO2的固定发生在叶绿体基质中;葡萄糖分解产生丙酮酸发生在细胞质基质中;以DNA为模板合成RNA主要发生在细胞核中。
3.(2015·安徽高考)如图为大豆叶片光合作用暗反应阶段的示意图。下列叙述正确的是( )
A.CO2的固定实质上是将ATP中的化学能转变为C3中的化学能
B.CO2可直接被[H]还原,再经过一系列的变化形成糖类
C.被还原的C3在有关酶的催化作用下,可再形成C5
D.光照强度由强变弱时,短时间内C5含量会升高
解析:选C ATP为C3的还原提供能量,并将能量转移到(CH2O)等有机物中,CO2的固定不需要能量。暗反应中,必须经过CO2的固定和C3的还原才能形成有机物。在暗反应中,一部分C3经过一系列变化形成C5,一部分C3还原成(CH2O)等有机物。在CO2供应不变的情况下,光照强度由强变弱时,光反应提供的[H]、ATP减少,导致C3还原过程减弱,但此时CO2的固定仍在进行,故短时间内C3含量上升,C5含量下降。
4.根据下面光合作用图解,判断下列说法正确的是( )
A.⑤过程发生于叶绿体基质中
B.⑥过程发生于叶绿体类囊体薄膜上
C.图示①~④依次为[H]、ATP、CO2、(CH2O)
D.②不仅用于还原C3,还可促进③与C5的结合
解析:选C 根据光合作用的过程判断①②③④⑤⑥分别表示[H]、ATP、CO2、(CH2O)、光反应和暗反应。光反应发生在叶绿体的类囊体薄膜上,暗反应发生在叶绿体的基质中。C3还原过程中需要ATP,CO2固定过程中不需要ATP。
5.(2015·福建高考)在光合作用中,RuBP羧化酶能催化CO2+C5(即RuBP)→2C3。为测定RuBP羧化酶的活性,某学习小组从菠菜叶中提取该酶,用其催化C5与14CO2的反应,并检测产物14C3的放射性强度。下列分析错误的是( )
A.菠菜叶肉细胞内RuBP羧化酶催化上述反应的场所是叶绿体基质
B.RuBP羧化酶催化的上述反应需要在无光条件下进行
C.测定RuBP羧化酶活性的过程中运用了同位素标记法
D.单位时间内14C3生成量越多说明RuBP羧化酶活性越高
解析:选B CO2+C5(RuBP)―→2C3为CO2的固定,属于光合作用中的暗反应过程。RuBP羧化酶催化CO2的固定过程,发生的场所为叶绿体基质。CO2的固定在有光和无光条件下都能进行,所以RuBP羧化酶催化该过程在有光和无光条件下都可进行。对CO2中的C用同位素14C标记,可以追踪C元素的转移途径,这种方法是同位素标记法。单位时间内14C3生成量越多,说明反应速率越快,即RuBP羧化酶的活性越高。
6.下面为几种环境因素对植物光合作用影响的关系图,有关描述错误的是( )
A.图1中,若光照强度适当增强至最适状态,a点左移,b点右移
B.图2中,若CO2浓度适当增大至最适状态, a点右移,b点左移
C.图3中,a点与b点相比,a点时叶绿体中C3含量相对较多
D.图3中,限制b点光合作用的主要因素是光照强度和CO2浓度
解析:选B 图1和图2中的a点代表光合作用和呼吸作用相等时光合作用的强度,在曲线达到最高点之前,光照强度和CO2浓度都是限制光合作用强度的因素,当其中一个因素增大,要达到相同的生理状态,另一个因素在其相对较弱时即可满足,故图1中光照强度适当增大至最适状态时,a点会左移,图2中CO2浓度适当增大至最适状态时,a点也会左移;图1和图2中的b点代表光合作用的饱和点,限制因素光照强度和CO2浓度适当增大时,光合作用强度也会增大,所需的CO2浓度和光照强度也会增大,b点右移;图3中,b点时,光照强度和CO2浓度均是光合作用的限制因素,a点和b点的光照强度相同,故a点时叶绿体中C3含量比b点多。
一、光合作用的原理和过程
[试考题·查欠缺]
1.(2018·北京高考)光反应在叶绿体类囊体上进行。在适宜条件下,向类囊体悬液中加入氧化还原指示剂DCIP,照光后DCIP由蓝色逐渐变为无色。该反应过程中( )
A.需要ATP提供能量 B.DCIP被氧化
C.不需要光合色素参与 D.会产生氧气
解析:选D 光合作用中的光反应发生在类囊体薄膜上,光合色素吸收光能,一方面使水光解,释放出氧气和形成[H],另一方面在有关酶的催化作用下,促使ADP与Pi发生化学反应形成ATP。结合题干信息,加入氧化还原指示剂DCIP后,DCIP会被[H]还原。
2.(2019·西安一模)下列物质转化过程在绿色植物不同活细胞中都会发生的是( )
A.O2中的O转移到H2O中
B.CO2中的C转移到C6H12O6中
C.H2O中的O转移到O2中
D.C6H12O6中的H转移到C3H6O3(乳酸)中
解析:选A O2中的O转移到H2O中发生在有氧呼吸的第三阶段,因而在绿色植物不同活细胞中都会发生;CO2中的C转移到C6H12O6中只发生在暗反应过程中,所以只能在进行光合作用的细胞中发生;H2O中的O转移到O2中只发生在光反应过程中,所以只能在进行光合作用的细胞中发生;C6H12O6中的H转移到C3H6O3只发生在部分植物的部分细胞缺氧时,因而绿色植物不同活细胞中不会都发生。
3.(2016·海南高考)下列叙述错误的是( )
A.温度和光照会影响CO2的同化速率
B.光合作用中O2的产生发生在光反应阶段
C.光反应产生的ATP和NADPH不参与暗反应
D.土壤中的硝化细菌可利用CO2和H2O合成糖
解析:选C 温度影响酶活性,光照影响光反应,二者均会影响暗反应中CO2的同化速率;光反应分解H2O,产生O2;光反应产生的ATP和NADPH参与暗反应;硝化细菌属于自养型生物,可以利用CO2和H2O合成糖类。
4.(2014·全国卷Ⅰ)正常生长的绿藻,照光培养一段时间后,用黑布迅速将培养瓶罩上,此后绿藻细胞的叶绿体内不可能发生的现象是( )
A.O2的产生停止 B.CO2的固定加快
C.ATP/ADP比值下降 D.NADPH/NADP+比值下降
解析:选B 黑暗处理后,光反应停止,O2的产生停止。ATP和NADPH是光反应的产物,同时也是暗反应的原料,黑暗处理后,ATP和NADPH的产生减少,且仍被暗反应所消耗,产生的ADP和NADP+增多。光反应产生的ATP和NADPH减少,使得暗反应产生的C5减少,CO2的固定减慢。
[强知能·补欠缺]
1.掌握光反应与暗反应的联系
(1)光反应为暗反应提供[H]、ATP,暗反应为光反应提供ADP和Pi。
(2)没有光反应,暗反应无法进行,没有暗反应,有机物无法合成。
2.理清光合作用中元素去向
(1)反应式(以生成C6H12O6为例):
6CO2+12H2OC6H12O6+6O2+6H2O
(2)同位素标记元素转移途径:
H:
C:
O:
3.比较光合作用和化能合成作用
光合作用
化能合成作用
区别
能量来源
光能
氧化无机物放出的能量
代表生物
绿色植物
硝化细菌
相同点
都能将CO2和H2O等无机物合成有机物
4.过程法分析C3和C5等物质含量变化
当外界条件改变时,光合作用中C3、C5及ATP和ADP含量变化可以采用如图分析:
(1)停止光照时
光停,ATP↓,ADP↑,C3↑,C5↓,分析如下:
过程①停止
↓
过程②停止
↓
过程③停止
↓
过程④停止
a.ATP不再产生
b.原有ATP仍继续分解,直至全部消耗 ⇒
ADP积累,含量增加;ATP减少
a.C3不再还原成C5和(CH2O)
b.原有C5仍继续参与CO2的固定,直至全部消耗 ⇒
C3积累,含量增加;C5减少
(2)停止CO2供应时
CO2停,C5↑,C3↓,ATP↑,ADP↓,分析如下:
过程④停止
↓
过程③停止
↓
过程②停止
↓
过程①停止
a.C3不再生成
b.原有C3继续还原生成C5和(CH2O)直至全部消耗 ⇒
C5积累,含量增加;C3减少
a.ATP不再分解
b.原有ADP继续合成ATP,直至全部消耗 ⇒
ATP积累,含量增加;ADP减少
5.模型法表示C3和C5等物质含量变化
[特别提醒] 分析光合作用相关物质含量变化的注意点
(1)以上分析只表示条件改变后短时间内各物质相对含量的变化,而非长时间。
(2)以上各物质变化中,C3和C5含量的变化是相反的,[H]和ATP的含量变化是一致的。
[练题点·全过关]
1.下列物质中,可以在叶绿体类囊体薄膜上被消耗的有( )
A.水、二氧化碳、ATP B.氧气、水、ATP
C.水、ADP、Pi D.ADP、C3、水
解析:选C 在叶绿体类囊体的薄膜上发生的光反应,有ATP的形成和水的光解。
2.下列关于植物细胞内与能量转换有关的两种细胞器中进行的生理过程描述,正确的是( )
A.两种细胞器中水的消耗都发生在基质中
B.两种细胞器中产生的[H]可以相互利用
C.(CH2O)→[H]和[H]→(CH2O)发生在两种细胞器中
D.在这两种细胞器的有关生物膜结构上,都能产生ATP
解析:选D 植物细胞内与能量转换有关的细胞器是线粒体和叶绿体,线粒体中水的消耗发生在有氧呼吸第二阶段,场所为线粒体基质,叶绿体中水的消耗发生在光反应阶段,场所为类囊体薄膜,A错误;两种细胞器中产生的[H]不是同一种物质,不能相互利用,线粒体中产生的[H]与氧结合生成水,叶绿体中的[H]参与C3的还原,B错误;(CH2O)→[H]表示细胞呼吸第一阶段,发生在细胞质基质中,C错误;线粒体内膜和叶绿体类囊体薄膜上都能产生ATP,D正确。
3.(2019·株洲检测)如图为光合作用示意图。下列说法错误的是( )
A.①表示O2,④表示CO2
B.暗反应中,CO2首先与C5结合生成C3,然后被还原为(CH2O)
C.C3的还原过程中,需要光反应提供的物质只有②
D.增加光照强度,C3的含量将减少
解析:选C 在叶绿体的类囊体薄膜上进行的是光反应,这一阶段中产生[H](即NADPH)、ATP和O2,因此,①表示O2,④表示暗反应过程中与C5反应的CO2;CO2先与C5反应生成C3,然后C3在光反应提供的ATP和[H]参与下被还原成(CH2O);增加光照强度,光反应产生的ATP和[H]增多,则在暗反应中有更多的C3被还原,故增加光照强度,C3含量减少。
[易错提醒]
关注光合作用中的几种能量关系
(1)光反应中光能转换为活跃的化学能并非只储存于ATP中,NADPH([H])中也含有能量。
(2)光反应产生的ATP只用于C3的还原,不用于植物体的其他生命活动。
(3)C3还原消耗的能量不只来自ATP,还可由NADPH提供。
4.下列物质与植物光合作用的关系,错误的是( )
选项
物质
主要生理作用
A
ATP
参与CO2的固定
B
酶
催化光合作用中的化学反应
C
叶绿素
捕获光能
D
H2O
参与O2和(CH2O)的形成
解析:选A CO2的固定过程不需要消耗ATP。
5.如图表示在夏季晴朗的白天植物细胞内C3和C5的相对含量随一种环境因素的改变的变化情况,下列对这一环境因素改变的分析正确的是( )
A.突然停止光照
B.突然增加CO2浓度
C.降低环境温度
D.增加光照强度
解析:选D 突然停止光照,光反应产生的[H]和ATP减少,被还原的C3减少,生成的C5减少,而CO2被C5固定形成C3的过程不变,故C3的相对含量将增加、C5的相对含量将减少;突然增加CO2浓度,CO2被C5固定形成C3的量增加、消耗的C5量增加、C3还原速率不变,植物细胞内C3相对含量增加、C5相对含量减少;降低环境温度,CO2固定速率和C3还原速率均下降,C5的相对含量不会大幅度地增加;增加光照强度,光反应产生的[H]和ATP增多,被还原的C3增多,生成的C5增多,而CO2被C5固定形成C3的过程不变,故C3的相对含量将减少、C5的相对含量将增加。
[方法技巧]
判断C3、C5等物质含量变化的分析思路
叶绿体内相关物质含量变化可通过对物质的来路和去路是否平衡进行分析:
(1)来路去路,则物质含量相对稳定。
(2)来路不变,去路增加,或来路减少,去路不变,则物质含量减少。
(3)来路不变,去路减少,或来路增加,去路不变,则物质含量增加。
二、影响光合作用的因素及应用
[试考题·查欠缺]
1.(2017·全国卷Ⅲ)植物光合作用的作用光谱是通过测量光合作用对不同波长光的反应(如O2的释放)来绘制的。下列叙述错误的是( )
A.类胡萝卜素在红光区吸收的光能可用于光反应中ATP的合成
B.叶绿素的吸收光谱可通过测量其对不同波长光的吸收值来绘制
C.光合作用的作用光谱也可用CO2的吸收速率随光波长的变化来表示
D.叶片在640~660 nm波长光下释放O2是由叶绿素参与光合作用引起的
解析:选A 类胡萝卜素主要吸收蓝紫光,不吸收红光;叶绿素的吸收光谱可通过测量其对不同波长光的吸收值来绘制;作用光谱是通过测量光合作用对不同波长光的反应来绘制的,因此可用CO2吸收速率随光波长的变化来表示;叶绿素吸收640~660 nm的红光,导致水光解释放O2。
2.(2015·海南高考)植物甲与植物乙的净光合速率随叶片温度(叶温)变化的趋势如图所示。下列叙述错误的是( )
A.植物甲和乙光合作用所需要的能量都来自于太阳能
B.叶温在36~50 ℃时,植物甲的净光合速率比植物乙的高
C.叶温为25 ℃时,植物甲的光合与呼吸作用强度的差值不同于植物乙的
D.叶温为35 ℃时,甲、乙两种植物的光合与呼吸作用强度的差值均为0
解析:选D 植物光合作用所需要的能量都来自于太阳能;分析曲线可知,叶温在36~50 ℃时,植物甲的净光合速率比植物乙的高;光合与呼吸作用强度的差值即净光合速率,叶温为25 ℃时,植物甲的净光合速率小于植物乙;叶温为35 ℃时,甲、乙两种植物的光合与呼吸作用强度的差值相等,均大于0。
3.(2015·海南高考)将一株生长正常的某种植物置于密闭的玻璃容器内,在适宜条件下光照培养。从照光开始,净光合速率随着时间延长逐渐下降直至为0,之后保持不变。在上述整个时间段内,玻璃容器内CO2浓度表现出的变化趋势是( )
A.降低至一定水平时再升高
B.持续保持相对稳定状态
C.降低至一定水平时保持不变
D.升高至一定水平时保持相对稳定
解析:选C 密闭容器内的植物在光照条件下既能进行光合作用也能进行有氧呼吸,植物净光合速率=实际光合速率-呼吸速率,净光合速率只要大于0,则光合作用消耗的CO2量就大于有氧呼吸释放的CO2量;根据题意,从照光开始,净光合速率随着时间延长逐渐下降直至为0,之后保持不变。说明密闭容器内的CO2浓度从光照开始就下降,当净光合速率随着时间延长逐渐下降直至为0时,密闭容器内的CO2浓度停止下降,然后净光合速率为0保持不变,密闭容器内的CO2浓度保持不变。
4.(2019·西安名校联考)如图为植物细胞代谢的部分过程简图,①~⑦为相关生理过程。下列叙述错误的是( )
A.若植物缺Mg,则首先会受到显著影响的是③
B.②的进行与⑤⑥密切相关
C.蓝藻细胞中④发生在叶绿体基质中
D.叶肉细胞③中O2的产生量小于⑥中O2的吸收量,则该细胞内有机物的总量将减少
解析:选C Mg是合成叶绿素的成分,光反应阶段需要叶绿素吸收光能,若植物缺Mg,则叶绿素的合成受到影响,首先会受到显著影响的生理过程是③光反应过程,A正确;植物细胞②吸收矿质元素离子是主动运输过程,需要消耗能量,故与⑤⑥呼吸作用过程密切相关,B正确;蓝藻细胞是原核细胞,没有叶绿体,C错误;图中③光反应过程O2的释放量小于⑥有氧呼吸过程O2的吸收量,则净光合作用量<0,该植物体内有机物的量将减少,D正确。
5.(2018·江苏高考)如图为某一植物在不同实验条件下测得的净光合速率,下列假设条件中能使图中结果成立的是( )
A.横坐标是CO2浓度,甲表示较高温度,乙表示较低温度
B.横坐标是温度,甲表示较高CO2浓度,乙表示较低CO2浓度
C.横坐标是光波长,甲表示较高温度,乙表示较低温度
D.横坐标是光照强度,甲表示较高CO2浓度,乙表示较低CO2浓度
解析:选D 随着CO2浓度的增大,净光合速率先增大后趋于稳定,但由于净光合速率最大时对应着一个温度,即最适温度,低于或高于此温度,净光合速率都将下降,所以无法确定在CO2浓度足够大时,较高温度下的净光合速率高于较低温度;植物进行光合作用存在最适温度,高于最适温度后,净光合速率减小,所以随着温度升高,净光合速率不应先升高后趋于稳定;由于光合色素主要吸收红光和蓝紫光,在相应光波长时,植物的净光合速率存在峰值,不应呈现先升高后趋于稳定的状态,且光波长一定时,较高温度下的净光合速率不一定较高;随着光照强度的增加,净光合速率先增大后趋于稳定,在光照强度足够时,较高的CO2浓度下净光合速率较大。
[强知能·补欠缺]
用曲线模型分析影响光合作用的环境因素
1.光照强度
曲线模型
模型分析
曲线对应点
细胞生理活动
ATP产生场所
植物组织外观表现
图示
A点
只进行细胞呼吸,不进行光合作用
只在细胞质基质和线粒体
从外界吸收O2,向外界排出CO2
AB段(不含A、B点)
呼吸量>光合量
细胞质基质、线粒体、叶绿体
从外界吸收O2,向外界排出CO2
B点
光合量=呼吸量
与外界不发生气体交换
B点之后
光合量>呼吸量
从外界吸收CO2,向外界释放O2。此时植物可更新空气
应用
①温室生产中,适当增强光照强度,以提高光合速率,使作物增产
②阴生植物的光补偿点和光饱和点都较阳生植物低,如图中虚线所示,间作套种农作物,可合理利用光能
2.CO2浓度
原理
CO2影响暗反应阶段,制约C3的形成
曲线模型及分析
图1中A点表示CO2补偿点,即光合速率等于呼吸速率时的CO2浓度,图2中A′点表示进行光合作用所需CO2的最低浓度。B和B′点都表示CO2饱和点
应用
在农业生产上可以通过“正其行,通其风”,增施农家肥等增大CO2浓度,提高光合速率
3.温度
原理
温度通过影响酶的活性影响光合作用
曲线模型及分析
AB段:在B点之前,随着温度升高,光合速率增大
B点:酶的最适温度,光合速率最大
BC段:随着温度升高,酶的活性下降,光合速率减小,50 ℃左右光合速率几乎为零
应用
温室栽培植物时,白天调到光合作用最适温度,以提高光合速率;晚上适当降低温室内温度,以降低细胞呼吸速率,保证植物有机物的积累
4.矿质元素
原理
矿质元素是参与光合作用的许多重要化合物的组成成分,缺乏会影响光合作用的进行。例如,N是酶的组成元素,N、P是ATP的组成元素,Mg是叶绿素的组成元素等
曲线模型及分析
在一定浓度范围内,增大必需矿质元素的供应,可提高光合作用强度;但当超过一定浓度后,会因土壤溶液浓度过高,植物渗透失水而导致植物光合作用强度下降
应用
在农业生产上,根据植物的需肥规律,适时、适量地增施肥料,可以提高光能利用率
5.光照、CO2浓度和温度对光合作用的综合作用
常见曲线模型
曲线分析
P点:限制光合速率的因素应为横坐标所表示的因子,随着因子的不断加强,光合速率不断提高
Q点:横坐标所表示的因子不再是影响光合速率的因素,影响因素主要为各曲线所表示的因子(图1为温度,图2为CO2浓度,图3为光照强度)
应用
温室栽培时,在一定光照强度下,白天适当提高温度,增加光合酶的活性,提高光合速率,也可同时适当增加CO2,进一步提高光合速率;当温度适宜时,可适当增加光照强度和CO2浓度以提高光合速率
[练题点·全过关]
1.(2016·天津高考)在适宜反应条件下,用白光照射离体的新鲜叶绿体一段时间后,突然改用光照强度与白光相同的红光或绿光照射。下列是光源与瞬间发生变化的物质,组合正确的是( )
A.红光,ATP下降 B.红光,未被还原的C3上升
C.绿光,[H]下降 D.绿光,C5上升
解析:选C 叶绿体中的色素主要吸收红光和蓝紫光,而对绿光吸收最少,因此当突然改用光照强度与白光相同的红光照射时,光反应增强,ATP、[H]、C5含量上升,ADP、C3含量减少;当突然改用光照强度与白光相同的绿光照射时,光反应减弱,ATP、[H]、C5含量减少,ADP、C3含量增多。
2.景天酸代谢(CAM)途径属于某些植物特有的CO2固定方式:夜晚气孔开放,通过一系列反应将CO2固定于苹果酸,并储存在液泡中(甲);白天气孔关闭,苹果酸运出液泡后放出CO2,供叶绿体的暗反应(乙)。下列关于这类植物的叙述错误的是( )
A.在夜晚,叶肉细胞能产生ATP的细胞器只有线粒体
B.景天酸代谢途径的出现,可能与植物适应干旱条件有关
C.给植物提供14C标记的14CO2,14C可以出现在OAA、苹果酸、C3和有机物中
D.在上午某一时刻,突然降低外界的CO2浓度,叶肉细胞中C3的含量短时间内会降低
解析:选D 在夜晚,叶肉细胞只能通过细胞呼吸产生ATP,即产生ATP的细胞器是线粒体,A正确。具有景天酸代谢途径的植物,气孔白天关闭,可以减少蒸腾作用,夜晚气孔张开吸收CO2,因此可以适应干旱的环境条件,B正确。晚上气孔开放,14CO2进入细胞后在细胞质基质中与PEP结合生成OAA,然后再转化为苹果酸而被固定;白天苹果酸运出液泡后放出14CO2,14CO2首先与C5结合生成C3,随后C3被还原生成有机物,即14CO2→14C3→(14CH2O),C正确。在上午某一时刻,突然降低外界的CO2浓度,对于该叶肉细胞来说,其暗反应不受影响,即C3的含量不受影响,D错误。
3.将某种植物生长状况相同的叶片分成4等份,先在不同温度条件下暗处理1h,再用强度相同的光照射1h,叶片有机物含量变化如图所示。下列分析正确的是( )
A.在27 ℃、28 ℃和29 ℃时该植物光合作用积累的有机物量相等
B.该植物在27 ℃时生长最快,在29 ℃和30 ℃时不表现生长现象
C.在所给的4个温度中,该植物呼吸作用和光合作用的最适温度都是29 ℃
D.30 ℃时该植物光合作用制造的有机物量等于呼吸作用消耗的有机物量
解析:选C 27 ℃、28 ℃和29 ℃时植物光合作用积累的有机物量,即净光合量等于黑暗时的减少量+光照后与暗处理前的有机物增加量,很明显三者不相等,A错误;图中29 ℃时该植物光合作用积累的有机物量最大,为3+3=6,生长最快,B错误;图中呼吸作用的最适温度是29 ℃,同时该温度时光合速率也最大,C正确;30 ℃时该植物光合作用制造的有机物量为真正的光合作用量,等于2倍呼吸速率+光照后与暗处理前的有机物增加量=2+1=3,D错误。
4.(2019·济南四校联考)植物的光合作用受温度(T)和光照强度(L)的影响。如图表明植物在3种不同的光照强度下消耗CO2的情况。分析在-5~0 ℃和20~30 ℃温度范围内,光合作用的限制因素分别是( )
A.L;T B.T和L;都不是
C.T;L D.T;T
解析:选C 在-5~0 ℃范围内,光合速率不随光照增强而增大,所以限制因素是温度;20~30 ℃范围内,光合速率不随温度升高而增大,而随光照强度增强而增大,所以限制因素是光照强度。
5.(2016·全国卷Ⅰ)为了探究生长条件对植物光合作用的影响,某研究小组将某品种植物的盆栽苗分成甲、乙两组,置于人工气候室中,甲组模拟自然光照,乙组提供低光照,其他培养条件相同。培养较长一段时间(T)后,测定两组植株叶片随光照强度变化的光合作用强度(即单位时间、单位叶面积吸收CO2的量),光合作用强度随光照强度的变化趋势如图所示。回答下列问题:
(1)据图判断,光照强度低于a时,影响甲组植物光合作用的限制因子是______________。
(2)b光照强度下,要使甲组的光合作用强度升高,可以考虑的措施是提高______________(填“CO2浓度”或“O2浓度”)。
(3)播种乙组植株产生的种子,得到的盆栽苗按照甲组的条件培养T时间后,再测定植株叶片随光照强度变化的光合作用强度,得到的曲线与甲组的相同。根据这一结果能够得到的初步结论是_____________________________________________________________。
解析:(1)根据图示信息,对于甲组植物而言,当光照强度低于a时,随光照强度的增加,光合作用强度逐渐升高,说明此时限制其光合作用强度的主要因子为光照强度。(2)根据图示信息,对于甲组植物而言,当光照强度高于b时,随光照强度的增加,光合作用强度不变,说明受其他环境因素的限制。由于光合作用需要不断消耗环境中的CO2,故提高CO2浓度可使b光照强度下甲组的光合作用强度升高。(3)由题目信息可知,乙组和甲组是同一种植物,只是环境中的光照强度不同,虽然乙组植物在低光照环境中的光合作用强度低,但其子代在模拟自然光照下其光合作用强度仍然能够升高,说明乙组光合作用强度与甲组的不同是由环境因素即低光强引起的,而非遗传物质的改变造成的。
答案:(1)光照强度 (2)CO2浓度 (3)乙组光合作用强度与甲组的不同是由环境因素即低光强引起的,而非遗传物质的改变造成的
[方法技巧]
多因素对光合速率影响题目的分析方法
多因素对光合速率影响的曲线图,线的条数较多,还有可能涉及多个“点”,表面上看这类题目很复杂,但在解答这类试题时,仍然需依据单一变量原则,每次只分析一个自变量的变化对实验结果的影响,逐一分析即可得出正确答案。
一、科学思维——开放环境与密闭容器中光合作用的曲线分析
1.图1表示夏季晴朗的一天,某种绿色植物在24小时内O2吸收和释放速率的变化示意图,A、B点对应时刻分别为6时和19时。图2表示光照强度与植物光合速率的关系。下列有关说法错误的是( )
A.图1中24小时内不进行光合作用的时段是0~5时和20~24时
B.图1的阴影部分可表示6~19时有机物的积累量
C.图2中限制A~C段光合速率的主要外界因素是光照强度
D.图2的C点时,每个细胞合成ATP的场所都有细胞质基质、线粒体、叶绿体
解析:选D 据图分析可知,图1中0~5时和20~24时O2吸收速率一直保持最大,只进行呼吸作用,A正确;图中6时和19时光合速率=呼吸速率,故图1的阴影部分可表示6~19时有机物的积累量,B正确;图2中A~C段光合速率随光照强度的增大而增大,说明此段限制光合速率的主要外界因素是光照强度,C正确;图2的C点时,每个细胞合成ATP的场所都有细胞质基质、线粒体,能够进行光合作用的细胞产生ATP的场所还有叶绿体,D错误。
2.(2019·山东师大附中模拟)图1表示八月份某一晴天,一昼夜棉花植株CO2的吸收和释放曲线;图2表示棉花叶肉细胞两种细胞器的四种生理活动状态。则图1中时间a、b、c、d依次发生了图2所示的哪项生理活动( )
A.(1)(2)(3)(4) B.(3)(2)(4)(1)
C.(3)(4)(1)(2) D.(4)(3)(2)(1)
解析:选D 图1曲线中横坐标以上都是光合速率大于呼吸速率,横坐标以下是光合速率小于呼吸速率或只有呼吸作用,曲线与横坐标的交点处都是光合速率等于呼吸速率。图2中(1)表示光合速率大于呼吸速率,对应图1中d、e、f点;图2中(2)表示光合速率等于呼吸速率,对应图1中c、g点;图2中(3)表示光合速率小于呼吸速率,对应图1中b点;图2中(4)表示只有呼吸作用,对应图1中a、h点。
3.(2015·重庆高考)将如图所示细胞置于密闭容器中培养。在不同光照强度下,细胞内外的CO2和O2浓度在短时间内发生了相应变化。下列叙述错误的是( )
A.黑暗条件下,①增大、④减小
B.光强低于光补偿点时,①、③增大
C.光强等于光补偿点时,②、③保持不变
D.光强等于光饱和点时,②减小、④增大
解析:选B 图示细胞为水稻叶肉细胞,在黑暗条件下、密闭容器中,该细胞不进行光合作用,只进行细胞呼吸,吸收O2,放出CO2,因此①增大、④减小。光强低于光补偿点时,光合作用和细胞呼吸同时进行,但细胞呼吸强度大于光合作用强度,细胞吸收O2,放出CO2,此时在密闭容器中①增大、③减小。光强等于光补偿点时,细胞呼吸强度等于光合作用强度,因此细胞吸收O2速度等于放出CO2速度,即②、③保持不变。光强等于光饱和点时,光合作用强度最大,细胞光合作用吸收CO2速度大于细胞呼吸吸收O2的速度,因此②减小、④增大。
4.图1是生物兴趣小组在密闭的玻璃容器中进行的实验示意图(CO2传感器用于测量装置内CO2的含量),图2表示在夏季晴朗的一天图1所示密闭玻璃容器内24 h的CO2浓度的变化,请回答下列问题:
(1)植物叶肉细胞中吸收光能的色素分布在叶绿体的______________。
(2)图1所示实验中对光照强度的控制可通过调节灯泡的亮度来实现,也可通过调节__________________________________________________来实现,装置中热屏障的作用是________________________________________________________________________。
(3)图2中代表植物光合作用强度等于呼吸作用强度的点是________________。
(4)图2中FG段相比EF段CO2浓度下降趋缓的原因是__________________________________________________。
(5)利用仪器测定密闭玻璃容器内CO2含量的变化:先黑暗处理1 h,测得玻璃容器内CO2含量增加50 mg;再给以1 h的充足光照,测得玻璃容器内CO2含量比光照前减少了72 mg,则这1 h光照条件下植物光合作用固定的CO2为________mg。
解析:(1)植物叶肉细胞中吸收光能的色素分布在叶绿体的类囊体薄膜上。(2)利用图1装置探究光照强度对光合速率影响时,对光照强度的控制可通过调节灯泡的亮度来实现,也可通过调节灯泡与热屏障(或玻璃容器)之间的距离来实现,装置中热屏障可防止光照改变密闭玻璃容器中的温度,从而改变植物光合作用强度。(3)光补偿点时,植物的光合作用强度等于呼吸作用强度,图2中代表光合作用强度等于呼吸作用强度的点有D、H。(4)图2中FG段相比EF段CO2浓度下降趋缓,这是由于中午温度很高,蒸腾作用很强,气孔大量关闭,CO2供应减少,导致光合作用强度明显减弱,植物出现“午休”现象。(5)由题意可知,给以1 h的充足光照,测得玻璃容器内CO2含量比光照前减少了72 mg,即净光合速率是72 mg/h;“黑暗”处理1 h,测得玻璃容器内CO2含量增加50 mg,表示呼吸速率为50 mg/h,因此这1 h光照条件下植物光合作用固定的CO2为50+72=122(mg)。
答案:(1)类囊体薄膜上 (2)灯泡与热屏障(或玻璃容器)之间的距离 防止光照改变密闭玻璃容器中的温度,从而改变植物光合作用强度 (3)D、H (4)中午温度很高,蒸腾作用很强,气孔大量关闭,CO2供应减少,导致光合作用强度明显减弱 (5)122
[素养提升]
开放环境与密闭容器中光合作用的昼夜变化分析
1.开放环境中光合作用昼夜变化曲线分析
(1)曲线分析
MN段和PQ段
夜晚植物只进行细胞呼吸;植物体内有机物的总量减少,环境中CO2量增加,O2量减小
NP段
光合作用与呼吸作用同时进行
NA段和EP段
清晨和傍晚光照较弱,光合作用强度小于细胞呼吸强度;植物体内有机物的总量减少,环境中CO2量增加,O2量减少
A点和E点
光合作用强度等于细胞呼吸强度,CO2的吸收和释放达到动态平衡;植物体内有机物的总量不变,环境中CO2量不变,O2量不变
AE段
光合作用强度大于细胞呼吸强度;植物体内有机物的总量增加;环境中CO2量减少,O2量增加
C点
叶片表皮气孔部分关闭,出现“光合午休”现象
E点
光合作用产物的积累量最大
(2)一昼夜有机物的积累量的计算方法(用CO2表示)
一昼夜有机物的积累量=白天从外界吸收的CO2量-晚上呼吸作用释放的CO2量,即S3-(S1+S2)。
2.密闭玻璃罩内CO2浓度与时间的关系曲线
(1)曲线分析
AB段
无光照,植物只进行呼吸作用
BC段
温度降低,呼吸作用减弱
CD段
4时后,微弱光照,开始进行光合作用,但光合作用强度<呼吸作用强度
D点
光合作用强度=呼吸作用强度
DH段
光合作用强度>呼吸作用强度。其中FG段表示“光合午休”现象
H点
光合作用强度=呼吸作用强度
HI段
光照继续减弱,光合作用强度<呼吸作用强度,直至光合作用完全停止
(2)植物生长与否的判断方法
I点低于A点
说明一昼夜,密闭容器中CO2浓度减小,即光合作用>呼吸作用,植物生长
若I点高于A点
说明光合作用<呼吸作用,植物体内有机物总量减少,植物不能生长
若I点等于A点
说明光合作用=呼吸作用,植物体内有机物总量不变,植物不生长
二、科学探究——探究间隔光照对有机物合成量影响的原因
(2015·全国卷Ⅰ)为了探究不同光照处理对植物光合作用的影响,科学家以生长状态相同的某种植物为材料设计了A、B、C、D四组实验。各组实验的温度、光照强度和CO2浓度等条件相同、适宜且稳定,每组处理的总时间均为135 s,处理结束时测定各组材料中光合作用产物的含量。处理方法和实验结果如下:
A组:先光照后黑暗,时间各为67.5 s;光合作用产物的相对含量为50%。
B组:先光照后黑暗,光照和黑暗交替处理,每次光照和黑暗时间各为7.5 s;光合作用产物的相对含量为70%。
C组:先光照后黑暗,光照和黑暗交替处理,每次光照和黑暗时间各为3.75 ms(毫秒);光合作用产物的相对含量为94%。
D组(对照组):光照时间为135 s;光合作用产物的相对含量为100%。
回答下列问题:
(1)单位光照时间内,C组植物合成有机物的量______(填“高于”“等于”或“低于”)D组植物合成有机物的量,依据是______________________________________;C组和D组的实验结果可表明光合作用中有些反应不需要________,这些反应发生的部位是叶绿体的_________________________________________________________。
(2)A、B、C三组处理相比,随着____________________的增加,使光下产生的____________________能够及时利用与及时再生,从而提高了光合作用中CO2的同化量。
解析:(1)C组的光合作用时间仅仅是D组的一半,但C组光合作用产物的相对含量与D组相差很少,可以判断C组单位光照时间内植物合成有机物的量高于D组。C组和D组的结果对照说明黑暗处理时也进行光合作用,即光合作用过程中某些反应不需要光照,该反应指的是暗反应,进行暗反应的场所是叶绿体基质。(2)比较A、B、C三组可以看出,三组的光照和黑暗交替频率不同,交替频率增加可使光照下产生的ATP和还原型辅酶Ⅱ及时利用和再生,从而提高了光合作用中CO2的同化量。
答案:(1)高于 C组只用了D组一半的光照时间,其光合作用产物的相对含量却是D组的94% 光照 基质
(2)光照和黑暗交替频率 ATP和还原型辅酶Ⅱ
[素养提升]
明确间隔光照法对光合作用影响的原因
光反应和暗反应在不同酶的催化作用下相对独立进行,由于催化暗反应的酶的催化效率和数量都是有限的,因此在一般情况下,光反应的速率比暗反应快。持续光照,光反应产生的大量的[H]和ATP不能及时被暗反应消耗,暗反应限制了光合作用的速率,降低了光能的利用率。但若光照、黑暗交替进行,则黑暗间隔有利于充分利用光照时积累的光反应的产物。因此在光照强度和光照时间不变的情况下,光照与黑暗交替进行制造的有机物相对较多。
一、选择题
1.下列关于光合作用探究历程的叙述,错误的是( )
A.普利斯特利的实验证明了植物可以更新空气
B.萨克斯的实验证明了光合作用的产物除氧气外还有淀粉
C.恩格尔曼的实验定量分析了水绵光合作用生成的氧气量
D.鲁宾和卡门的实验中,用18O分别标记H2O和CO2,证明了光合作用产生的氧气来自H2O而不是CO2
解析:选C 恩格尔曼的实验能够证明氧气是由叶绿体释放出来的,叶绿体是进行光合作用的场所,但不能定量分析光合作用生成的氧气量。
2.如图是光合作用探索历程中恩格尔曼和萨克斯的实验示意图,下列有关叙述正确的是( )
A.两实验均需进行“黑暗”处理,以消耗细胞中原有的淀粉
B.两实验均需要光的照射
C.两实验中只有恩格尔曼的实验设置了对照
D.两实验均可证明光合作用的产物有氧气
解析:选B 图示的两实验中,只有萨克斯的实验需进行“黑暗”处理,目的是消耗掉细胞中原有的淀粉。恩格尔曼实验的目的是探究光合作用进行的场所,萨克斯实验的目的是探究光合作用的产物,所以两实验均需要光的照射。恩格尔曼的实验中,照光处理与不照光、黑暗与完全曝光形成对照;萨克斯的实验中,暗处理的叶片一半曝光、一半遮光形成对照。恩格尔曼的实验可证明氧气是光合作用的产物,萨克斯的实验可证明淀粉是光合作用的产物。
3.下列关于植物光合作用的叙述,正确的是( )
A.暗反应在细胞质基质中进行
B.光合作用产生的葡萄糖中的碳和氧都来自二氧化碳
C.光反应产生的ATP可以用于暗反应,也可以用于其他生命活动
D.光反应只进行能量代谢,不进行物质代谢;暗反应则刚好相反
解析:选B 暗反应的场所是叶绿体基质;光反应产生的ATP只用于暗反应,为C3还原提供能量,不能用于其他生命活动;光反应和暗反应过程中都存在能量代谢和物质代谢。
4.下列有关生物体中物质含量的比较,错误的是( )
A.人在安静和剧烈运动时,细胞呼吸消耗的O2量可能等于产生的CO2量
B.正在生长的植物体光合作用固定的CO2总量大于呼吸作用产生的CO2量
C.适当光照下,突然停止植株的CO2供应,短时间内叶绿体中ATP/ADP的值降低
D.与干种子相比,萌发的种子细胞中自由水/结合水的值高
解析:选C 人体细胞进行无氧呼吸时的产物是乳酸,此过程既不消耗O2,也不产生CO2,因此人体产生的CO2量只能来自有氧呼吸,且在有氧呼吸过程中,消耗的O2量与产生的CO2量相等,因此不管人在安静状态下还是在剧烈运动时,细胞呼吸消耗的O2量与产生的CO2量相等,A正确;根据“正在生长的植物体”可知,该植物体的光合作用固定的CO2总量大于呼吸作用产生的CO2量,B正确;适当光照下,突然停止植株的CO2供应,会使CO2固定过程受阻,C3含量下降,因而C3的还原过程中消耗ATP的量减少,而光反应阶段ATP的合成仍在进行,则短时间内叶绿体中ATP/ADP的值升高,C错误;与干种子相比,萌发的种子细胞中自由水的相对含量较高,即与干种子相比,萌发的种子细胞中自由水/结合水的值高,D正确。
5.(2019·厦门期中)据报道,美国华盛顿大学圣路易斯分校的研究人员找到了一种叫做集胞藻6803(一种单细胞蓝藻)的微生物,其通过光合作用可生产出乙醇、氢、正丁醇、异丁醇和潜在的生物柴油。下列有关描述正确的是( )
A.集胞藻6803光合作用的光反应阶段在叶绿体的类囊体薄膜上进行
B.集胞藻6803是异养需氧型生物
C.和传统化工技术相比,该技术不需要光也能进行
D.集胞藻6803既有助于减缓全球变暖,又可以提供能源物质
解析:选D 集胞藻6803为原核生物没有叶绿体,可以进行光合作用,是自养需氧型的生物;该技术必需在光下才能进行,A、B、C错误。
6.把一株牵牛花在黑暗中放置一昼夜,然后利用如图所示装置进行实验。该实验不能用于验证( )
A.光合作用需要CO2 B.光合作用能产生O2
C.光合作用需要光 D.光合作用需要叶绿体
解析:选B 该实验“绿色部分”与“白色部分”对照可用于验证光合作用需要叶绿体;铝箔遮盖部分与绿色部分对照可验证光合作用需要光;瓶内叶片与绿色部分对照可验证光合作用需要CO2,整个装置不能验证光合作用能产生O2。
7.阳光穿过上层植物的空隙形成光斑,它会随太阳的运动而移动。如图为红薯叶在光斑照射前后吸收CO2和释放O2的情况。下列分析错误的是( )
A.图中A点叶肉细胞间隙O2浓度最高
B.AB段变化的原因是ADP和NADP+浓度的限制
C.光斑移开后一段时间光合作用仍在进行
D.Ⅰ、Ⅱ所指示的阴影面积是相等的
解析:选A O2释放速率曲线代表光反应,CO2吸收速率曲线代表暗反应。图中A点说明叶肉细胞的O2释放速率最大,细胞间隙O2浓度并不一定最高,A错误。AB段暗反应速率较低,提供给光反应的ADP和NADP+少,限制了光反应速率,B正确。光斑移开后一段时间光反应停止,但仍然有一定的ATP和[H]供应,暗反应不会马上停止,C正确。Ⅰ表示光反应积累的物质,而Ⅱ表示光照移开后暗反应将Ⅰ光反应积累的物质消耗后也下降,故Ⅰ=Ⅱ,D正确。
8.(2019·武昌模拟)离体叶绿体在光下进行稳定的光合作用时,如果突然中断CO2的供应,下列关于一段时间内叶绿体中ATP与O2相对含量变化的示意图中,正确的是( )
解析:选B 离体叶绿体在光下进行稳定的光合作用时,突然中断CO2的供应使C3合成减少,一段时间内暗反应逐渐减弱,暗反应消耗的ATP也逐渐减少,故ATP相对含量逐渐增加;随着暗反应的减弱,光反应也逐渐减弱,所以叶绿体内O2含量逐渐减少,B正确。
9.如图表示在较强光照且温度相同以及水和小球藻的质量相等的条件下,小球藻进行光合作用的实验示意图。一段时间后,下列相关比较错误的是( )
A.Y2的质量大于Y3的质量
B.④中小球藻的质量大于①中小球藻的质量
C.②中水的质量大于④中水的质量
D.装置①的质量大于装置②的质量
解析:选C Y1和Y3是O2,Y2和Y4是18O2,因此Y2的质量大于Y3;④中小球藻中含有(CHO)的有机物,而①中小球藻含有(CH2O)的有机物,故④中小球藻质量大于①中的小球藻质量;④和②中的水都为HO,且含量相同,因此质量相等;在试管①和②中原有质量相等的情况下,②中释放出的是18O2,而①中释放出的是O2,故剩余质量①大于②。
10.如图为植物体内发生的光合作用和光呼吸作用的示意简图。结合所学知识分析下列相关叙述中正确的有( )
①在高O2含量环境中,植物不能进行光合作用 ②卡尔文循环的具体场所应为叶绿体类囊体薄膜 ③将植物突然置于黑暗环境中,C5与C3之间的转化将不受影响
④C2和葡萄糖均可在线粒体内被彻底分解成CO2和H2O
A.零项 B.一项
C.二项 D.三项
解析:选A 从图中信息可知,在高O2含量环境中,产生的C3也可用于卡尔文循环,进而生成糖,①错误;根据所学知识可知,卡尔文循环的具体场所应为叶绿体基质,②错误;光合作用暗反应的进行,需要光反应提供[H]和ATP,黑暗条件下,不能生成[H]和ATP,因而C5与C3之间的转化将受到影响,③错误;线粒体不能直接利用葡萄糖,④错误。
11.夏季晴天,将装有某绿色植物的密闭玻璃罩置于室外,从凌晨0时开始,定期测定玻璃罩中某种气体含量,结果如图。下列分析正确的是( )
A.本实验测定的气体是CO2
B.该植物进行光合作用的起始时间是6时
C.若9时和12时合成有机物的速率相等,则9时的呼吸速率小于12时的
D.与0时相比较,24时该植物的干重减少
解析:选C 本实验测定的气体是O2;6时和18时的光合速率和呼吸速率相等,光合作用的起始时间应在6时之前;该曲线的斜率代表速率,9时的净光合速率大于12时的,若9时和12时真正光合速率相等,则9时的呼吸速率应小于12时的;24时的O2含量高于0时的,说明植物一昼夜内有机物的积累量大于零。
12.某研究小组在密闭恒温玻璃室内进行植物栽培实验,连续48 h测定室内CO2浓度及植物CO2吸收速率,得到如图所示曲线(整个过程呼吸作用强度恒定),下列叙述错误的是( )
A.前24 h和后24 h该植物积累的有机物量相同
B.48时植物体内有机物总量增加
C.图中光合作用强度等于呼吸作用强度的点有4个
D.21~27时的时间段叶肉细胞中产生的[H]来自细胞呼吸
解析:选A 分析题图可知,前24 h和后24 h相比,前者室内的CO2浓度高,所以前者积累的有机物比后者少,A错误;48时与0时相比,室内CO2浓度减小,说明植物体内有机物总量增加,B正确;图中植物呼吸速率与光合速率相等是室内CO2浓度的最高点和最低点,即6时、18时、30时、42时,图中共有4个,C正确;21~27时的时间段叶肉细胞中CO2的吸收速率是负值,且保持不变,说明植物只进行呼吸作用,所以产生的[H]来自细胞呼吸,D正确。
二、非选择题
13.卡尔文及其同事因在光合作用方面的研究成果获得了1961年的诺贝尔化学奖。卡尔文将小球藻装在一个密闭容器中,通过一个通气管向玻璃容器中通入CO2,通气管上有一个开关,可控制CO2的供应,容器周围有光源,通过控制电源开关可控制光照的有无。请回答下列问题:
(1)实验材料小球藻属于________(填“原核”或“真核”)生物。
(2)卡尔文通过停止________来探究光反应和暗反应的联系,他得到的实验结果是下图中的________。
(3)卡尔文通过停止________来探究光合作用过程中固定CO2的化合物,这时他发现C5的含量快速升高,由此得出固定CO2的物质是C5。
(4)卡尔文向密闭容器中通入14CO2,当反应进行到第5 s时,14C出现在一种C5和一种C6中;将反应时间缩短到0.5 s时,14C出现在一种C3中。上述实验中卡尔文是通过控制________来探究CO2中碳原子的转移路径的,采用的技术方法有________________等。
(5)卡尔文将不同反应条件下的小球藻放入70 ℃的蒸馏水中,这样做是为了使细胞中的________失活,此时,细胞中的化合物就保持在热处理之前的状态。
解析:(1)小球藻属于真核生物。(2)在光照下,光反应进行,其产生的ATP和[H]参与暗反应中C3的还原,因此,通过停止光照可以探究光反应和暗反应的联系。当停止光照后,光反应停止,ATP和[H]的合成停止,则C3的还原减少,C3浓度增大,C5浓度减小,停止光照一段时间后,C3和C5浓度基本保持不变。(3)在暗反应中,CO2与C5结合形成C3,当停止CO2的供应后,CO2的固定受到影响,故会导致C5含量升高。(4)由题中叙述可知,实验中卡尔文是通过控制反应时间来探究CO2中碳原子的转移路径的,该实验中他采用了放射性同位素标记法。(5)酶是生物体内催化化学反应的催化剂,大多数酶的化学本质是蛋白质,在高温下酶的结构被破坏,导致细胞中的化学反应不能进行,化合物的含量不再发生变化。
答案:(1)真核 (2)光照 A (3)CO2的供应 (4)反应时间 同位素标记法 (5)酶
14.如图甲是适宜环境中大豆光合作用过程的部分图解,图乙是某研究小组在15 ℃条件下以水稻为材料进行研究得到的实验结果(光合作用的最适温度为25 ℃,呼吸作用的最适温度为30 ℃)。请回答相关问题:
(1)图甲所示过程进行的场所是________;图甲中A代表的物质是________,a代表________过程。若将该植物突然转移到高温、强光照、干燥的环境中,叶片将部分气孔关闭,此时叶肉细胞内物质B的含量变化是________(填“增加”“不变”或“减少”)。
(2)由图乙可知本实验的目的是研究____________________________。图乙中E点的含义是____________________________。
(3)若将图乙的实验温度升高10 ℃,则F点向________(填“左”或“右”)侧移动,呼吸速率曲线向________(填“上”或“下”)移动。
解析:(1)图甲为大豆光合作用的暗反应阶段,在叶绿体基质中进行;图中A表示五碳化合物(C5),B表示三碳化合物(C3),C表示[H];a过程为CO2的固定。若部分气孔关闭,则CO2吸收不足,导致C5的含量增加,C3的含量减少。(2)由图乙可知,该实验探究的是光照强度对光合速率和呼吸速率的影响。E点的含义是光合速率与呼吸速率相等时需要(或对应)的光照强度。(3)图乙是在15 ℃条件下所得的实验结果,温度升高10 ℃,呼吸速率和光合速率均增大,因此呼吸速率曲线向上移动,达到最大光合速率所需的光照强度增大,F点右移。
答案:(1)叶绿体基质 五碳化合物(C5) CO2的固定 减少 (2)光照强度对光合速率和呼吸速率的影响 光合速率与呼吸速率相等时需要(或对应)的光照强度 (3)右 上
15.(2016·全国卷Ⅱ)BTB是一种酸碱指示剂。BTB的弱碱性溶液颜色可随其中CO2浓度的增高而由蓝变绿再变黄。某同学为研究某种水草的光合作用和呼吸作用,进行了如下实验:用少量的NaHCO3和BTB加水配制成蓝色溶液,并向溶液中通入一定量的CO2使溶液变成浅绿色,之后将等量的浅绿色溶液分别加入到7支试管中。其中6支加入生长状况一致的等量水草,另一支不加水草,密闭所有试管。各试管的实验处理和结果见下表。
试管编号
1
2
3
4
5
6
7
水草
无
有
有
有
有
有
有
距日光灯的距离(cm)
20
遮光*
100
80
60
40
20
50 min后试管中溶液的颜色
浅绿色
X
浅黄色
黄绿色
浅绿色
浅蓝色
蓝色
注:*遮光是指用黑纸将试管包裹起来,并放在距日光灯100 cm的地方。
若不考虑其他生物因素对实验结果的影响,回答下列问题:
(1)本实验中,50 min后1号试管的溶液是浅绿色,则说明2至7号试管的实验结果是由________________________________________________________________________
________________________________________________________________________
引起的;若1号试管的溶液是蓝色,则说明2至7号试管的实验结果是____________(填“可靠的”或“不可靠的”)。
(2)表中X代表的颜色应为________(填“浅绿色”“黄色”或“蓝色”),判断依据是________________________________________________________________________
________________________________________________________________________。
(3)5号试管中的溶液颜色在照光前后没有变化,说明在此条件下水草________________________________________________________________________。
解析:(1)1号试管中没有加水草,50 min后1号试管的溶液颜色仍为浅绿色,说明无关变量不会引起溶液颜色的变化,2至7号试管的实验结果应是由水草的光合作用、呼吸作用引起的;若1号试管的溶液是蓝色,说明无水草的光照条件下溶液中CO2含量减少了,无关变量对实验结果有影响,则说明2至7号试管的实验结果是不可靠的。(2)2号试管进行了遮光,水草不能进行光合作用,只能进行呼吸作用产生CO2,而且与3号试管(光合作用强度小于呼吸作用强度)相比,2号试管溶液中的CO2含量更多,颜色应为黄色。(3)5号试管中的溶液颜色在照光前后没有变化,说明在此条件下溶液中CO2含量没有变化,即水草的光合作用强度与呼吸作用强度相等,吸收与释放的CO2量相等。
答案:(1)不同光强下水草的光合作用和呼吸作用(合理即可) 不可靠的 (2)黄色 水草不进行光合作用,只进行呼吸作用,溶液中CO2浓度高于3号试管 (3)光合作用强度等于呼吸作用强度,吸收与释放的CO2量相等
第3课时 光合作用与细胞呼吸的关系
一、表格比较光合作用和有氧呼吸的区别
项目
光合作用
有氧呼吸
物质变化
无机物→有机物
有机物→无机物
能量变化
光能→化学能(储能)
稳定的化学能→活跃的化学能(放能)
实质
合成有机物,储存能量
分解有机物,释放能量,供细胞利用
场所
叶绿体
活细胞(主要在线粒体)
条件
只在光下进行
有光、无光都能进行
二、图解光合作用与细胞呼吸的联系
[基础微点全练]
1.判断正误
(1)植物光合作用和呼吸作用过程中都可以合成ATP(2018·全国卷Ⅲ,T5D)(√)
(2)细胞中糖类合成与分解的过程为(CH2O)+O2CO2+H2O+能量,过程①和②均能产生[H],两者还原的物质不同(2014·天津卷,T2D改编)(√)
(3)适宜光照下,在叶肉细胞中CO2的固定和产生场所分别是叶绿体基质、线粒体基质(√)
(4)光合作用过程中光能转变为化学能,细胞呼吸过程中化学能转变为热能和ATP(×)
(5)光合作用的光反应产生的ATP用于C3还原、CO2的固定及物质运输等过程(×)
(6)细胞呼吸产生的ATP也可用于暗反应中C3的还原(×)
(7)净光合速率长期为零时会导致幼苗停止生长(√)
2.如图表示生物细胞内[H]的转移过程,下列分析正确的是( )
A.①过程可以发生在叶绿体基粒上,且伴随着ADP的产生
B.②过程一定发生在叶绿体基质中,且必须在光下才能进行
C.真核细胞的③过程发生在线粒体内膜上,且必须有氧气参与
D.真核细胞的④过程发生在线粒体基质中,且必须有H2O参与反应
解析:选C ①过程可以发生在叶绿体基粒上,且伴随着ATP的产生,A错误;②过程一定发生在叶绿体基质中,且有光无光均可进行,B错误;真核细胞的③过程发生在线粒体内膜上,且必须有氧气参与,C正确;真核细胞的④过程发生在细胞质基质和线粒体基质中,且必须有H2O参与反应,D错误。
3.如图表示某植物叶肉细胞中部分物质变化途径,其中①~④代表有关生理过程。相关叙述错误的是( )
A.过程③④不在生物膜上进行
B.过程①②④都有ATP生成
C.过程③产生的C6H12O6中的氧来自H2O和CO2
D.过程④产生的[H]并不全都来自C6H12O6
解析:选C 图中③是C3的还原过程,发生在叶绿体基质中,④表示有氧呼吸的第一、二阶段,发生在细胞质基质和线粒体基质中,A正确;光合作用中H2O的光解过程(①),有氧呼吸的三个阶段(②④)都有ATP的生成,B正确;光合作用暗反应阶段产生的C6H12O6中的氧来自CO2中的氧,C错误;有氧呼吸的第一阶段产生的[H]来自C6H12O6,第二阶段产生的[H]来自丙酮酸和H2O,D正确。
4.下列与绿色植物新陈代谢有关的叙述中,正确的是( )
A.阳生植物的暗反应可以在有光的条件下进行,阴生植物的暗反应只能在黑暗的条件下进行
B.大豆根吸收矿质元素所需的ATP直接来源于光合作用
C.向水果贮存中充入N2和CO2的主要目的是抑制无氧呼吸,减少有机物的消耗,延长水果的仓储时间
D.从植物体内提取的叶绿素溶液,即使给予适宜的温度、光照和CO2,也无法检测到有氧气生成
解析:选D 阳生植物的暗反应可以在有光的条件下进行,阴生植物的暗反应也可以在有光的条件下进行,A错误;大豆根吸收矿质元素所需的ATP直接来源于呼吸作用,光合作用中光反应产生的ATP只能用于暗反应,B错误;向水果贮存仓中充入N2和CO2的主要目的是抑制有氧呼吸,减少有机物的消耗,延长水果的仓储时间,C错误;仅仅有叶绿素只能吸收光能,无法将光能转变成化学能,要想将光能转变成化学能,需要色素和蛋白质结合形成复合物,共同完成光反应,所以给予叶绿素提取液适宜的温度、光照和CO2,也无法检测到有氧气生成,D正确。
一、光合作用和细胞呼吸中物质和能量转化关系
[试考题·查欠缺]
1.(2019·北京模拟)如图表示植物叶肉细胞内光合作用、呼吸作用中氧的转移过程。下列叙述正确的是( )
H2OO2H2OCO2C3(CH2O)
A.过程①②④都有ATP生成
B.过程②⑤所需[H]全部来源于①
C.过程①③⑤都需在生物膜上进行
D.过程②③可相互提供物质
解析:选D 过程④CO2的固定不产生ATP,A错误;过程②所需[H]来自有氧呼吸的第一、二阶段,B错误;过程③是有氧呼吸第二阶段,在线粒体基质中进行,过程⑤是光合作用暗反应阶段,在叶绿体基质中进行,C错误;过程②③可相互提供物质,D正确。
2.(2019·武汉模拟)如图表示某高等植物体内的生理过程,下列分析错误的是( )
A.Ⅰ阶段生成ATP和NADPH所需要的能量可以是光能,也可以是化学能
B.Ⅰ阶段中生成的NADPH将作为还原剂参与暗反应
C.③④过程进行的场所分别是叶绿体基质和细胞质基质
D.如该植物是水稻,根部在水淹较长时间后,其④过程的产物Y是酒精和CO2
解析:选A Ⅰ阶段表示光合作用的光反应阶段,生成ATP和NADPH所需要的能量是光能,不能是化学能,A错误;Ⅰ阶段中生成的NADPH将作为还原剂参与暗反应C3的还原,B正确;③是CO2的固定,进行的场所是叶绿体基质,④是无氧呼吸的第二阶段,进行的场所是细胞质基质,C正确;如该植物是水稻,根部在水淹较长时间后,其④过程的产物Y是酒精和CO2,D正确。
[强知能·补欠缺]
1.从元素转移角度分析光合作用与细胞呼吸的联系
元素
流动过程
C
CO2(CH2O)丙酮酸CO2
O
H2OO2H2O
H
H2O[H](CH2O) [H] H2O
2.光合作用与细胞呼吸中[H]与ATP的来源及去路分析
(1)[H]的来源和去路比较
(2)ATP的来源与去路比较
注:光合作用中的[H]为NADPH,细胞呼吸中[H]为NADH。
[练题点·全过关]
1.(2019·三亚模拟)下图表示芍药叶肉细胞光合作用和细胞呼吸过程中CO2和[H]的变化,相关叙述正确的是( )
A.过程①发生在叶绿体类囊体薄膜上,过程④发生在线粒体的内膜上
B.过程⑦发生在线粒体中
C.过程⑤⑥均需要[H]和ATP的参与
D.过程①③产生的[H]是相同的物质,过程⑧在线粒体中进行
解析:选A 过程①表示光合作用的光反应,发生在叶绿体类囊体薄膜上,过程④表示有氧呼吸的第三阶段,发生在线粒体的内膜上;过程⑦表示细胞呼吸的第一阶段,发生在细胞质基质中;过程⑤是CO2的固定,不需要[H]和ATP的参与;过程①③产生的[H]是不同的物质,过程⑧是有氧呼吸的第二阶段,发生在线粒体中。
2.将盆栽植物天竺葵浇上含18O的水后,置于密闭的玻璃钟罩内,再把整个装置放在室外阳光下,并保持适宜的温度条件。一周后,玻璃钟罩内的空气及天竺葵中下列哪些物质可能含有18O( )
①O2 ②水蒸气 ③CO2 ④葡萄糖 ⑤氨基酸 ⑥脂肪
A.①②中含有,③④⑤⑥中没有
B.①②③中含有,④⑤⑥中没有
C.①②③④中含有,⑤⑥中没有
D.①②③④⑤⑥中都可能含有
解析:选D 植物体内的水能够通过蒸腾作用以水蒸气的形式散发到空气中,水还可经过光合作用生成O2,存在于周围的空气中;植物体内水中的氧经呼吸作用转移到CO2中,CO2也会释放到周围的空气中;CO2中的氧,通过光合作用又可转移到葡萄糖中,而葡萄糖经转化可形成脂肪和氨基酸,从而18O可进入脂肪和氨基酸等有机物中。
3.如图是某植物光合作用和细胞呼吸过程示意图。Ⅰ~Ⅶ代表物质,①~③代表过程。据图回答下列问题:
(1)将该植物由光下突然置于黑暗中,甲图中C3的含量将________,C5的含量将________。
(2)与马铃薯块茎细胞在缺氧时的代谢相比,乙图特有的步骤是________(填数字),这些过程发生在______________________________________________________________中。
(3)若用18O标记甲图中的H2O,则在细胞呼吸产物中能首先测到放射性的物质是________,甲、乙两图中不同数字代表同一物质的标号是________________。
(4)根据上图写出根吸收无机盐离子所需能量的形成过程:光能→________________→________________→______________________→用于吸收无机盐离子的能量。
解析:(1)将植物由光下突然置于黑暗环境中,光反应停止,不能合成[H]和ATP,C3还原过程减慢,C3含量增多,C5含量减少。(2)乙图表示有氧呼吸过程,马铃薯块茎在缺氧条件下进行无氧呼吸,与无氧呼吸相比,有氧呼吸特有的阶段是第二、三阶段,即乙图中的②③过程,分别发生在线粒体基质中和线粒体内膜上。(3)甲图中的HO通过光解产生18O2,在有氧呼吸第三阶段与[H]结合生成HO。甲、乙两图分别表示光合作用和有氧呼吸,其中Ⅰ、Ⅱ、Ⅲ、Ⅳ、Ⅴ、Ⅵ、Ⅶ分别表示NADPH、O2、CO2、(CH2O)、[H]、O2、CO2,Ⅱ、Ⅵ都表示O2,Ⅲ、Ⅶ都表示CO2。(4)在光合作用过程中由光能转变成活跃的化学能,进而形成有机物中稳定的化学能,再通过呼吸作用过程转变为ATP中活跃的化学能。
答案:(1)增多 减少 (2)②③ 线粒体的基质和内膜(或线粒体) (3)水 Ⅱ与Ⅵ、Ⅲ与Ⅶ (4)活跃的化学能 葡萄糖等有机物中稳定的化学能 ATP中活跃的化学能
[深化拓展]
18O2在光合作用和细胞呼吸中的转移途径
二、光合速率、呼吸速率及其相互关系
[试考题·查欠缺]
1.(2017·北京高考)某植物光合作用、呼吸作用与温度的关系如图。据此,对该植物生理特性理解错误的是( )
A.呼吸作用的最适温度比光合作用的高
B.净光合作用的最适温度约为25 ℃
C.在0~25 ℃范围内,温度变化对光合速率的影响比对呼吸速率的大
D.适合该植物生长的温度范围是10~50 ℃
解析:选D 从第二幅图的曲线中可以看出,光合作用的最适温度为30 ℃左右,呼吸作用的最适温度为55 ℃左右,因此呼吸作用的最适温度比光合作用的高;从第一幅图的曲线中可以看出,净光合作用的最适温度为25 ℃左右;通过第二幅图的曲线,可以看出在0~25 ℃范围内,光合作用曲线变化明显大于呼吸作用曲线;植物总光合作用大于呼吸作用时,即净光合作用大于0时,适合植物的生长,从图中可以看出,适合该植物生长的温度范围是-10~45 ℃。
2.(2018·全国卷Ⅰ)甲、乙两种植物净光合速率随光照强度的变化趋势如图所示。回答下列问题:
(1)当光照强度大于a时,甲、乙两种植物中,对光能的利用率较高的植物是________。
(2)甲、乙两种植物单独种植时,如果种植密度过大,那么净光合速率下降幅度较大的植物是________,判断的依据是___________________________________________________
________________________________________________________________________。
(3)甲、乙两种植物中,更适合在林下种植的是________。
(4)某植物夏日晴天中午12:00时叶片的光合速率明显下降,其原因是进入叶肉细胞的________(填“O2”或“CO2”)不足。
解析:(1)由曲线图可知,光照强度大于a时,甲植物的净光合速率随着光照强度的增加而增加的幅度更大,说明甲植物对光能的利用率较高。(2)当种植密度过大时,植株的叶片会相互遮挡,植株接受的光照强度减弱,导致植物净光合速率下降。由曲线图可知,光照强度降低导致甲植物净光合速率降低的幅度比乙大。(3)由曲线图可知,在低光照强度下,乙植物的净光合速率较高,在高光照强度下,乙植物的净光合速率明显低于甲植物,所以乙植物更适合在林下低光照强度的环境下种植。(4)夏日晴天中午12点,温度较高,部分气孔关闭,进入叶肉细胞的CO2明显减少,抑制了暗反应,导致叶片的光合速率明显降低。
答案:(1)甲 (2)甲 光照强度降低导致甲植物净光合速率降低的幅度比乙大,种植密度过大,植株接受的光照强度减弱,导致甲植物净光合速率下降幅度比乙大 (3)乙 (4)CO2
[强知能·补欠缺]
光合作用、呼吸作用的“三率”图示分析
(1)“三率”的表示方法
①呼吸速率:绿色组织在黑暗条件下或非绿色组织一定时间内CO2释放量或O2吸收量,即图1中A点。
②净光合速率:绿色组织在有光条件下测得的一定时间内O2释放量、CO2吸收量或有机物积累量,即图1中的C′C段对应CO2量,也称为表观光合速率。
③总光合速率=净光合速率+呼吸速率,即图1中的AD对应的CO2总量。
(2)图2中曲线Ⅰ表示总光合量,曲线Ⅲ表示呼吸量,曲线Ⅱ表示净光合量。交点D对应点E,此时净光合量为0,B点时植物生长最快。
(3)图3中曲线c表示净光合速率,d表示呼吸速率,c+d表示总光合速率。在G点时,总光合速率是呼吸速率的2倍。
(4)图1中B对整个植株而言,光合速率=呼吸速率,而对于叶肉细胞来说,光合速率>呼吸速率。
[练题点·全过关]
1.(2018·全国卷Ⅲ)回答下列问题:
(1)高等植物光合作用中捕获光能的物质分布在叶绿体的__________上,该物质主要捕获可见光中的_____________________________________________________________。
(2)植物的叶面积与产量关系密切。叶面积系数(单位土地面积上的叶面积总和)与植物群体光合速率、呼吸速率及干物质积累速率之间的关系如图所示。由图可知:当叶面积系数小于a时,随叶面积系数增加,群体光合速率和干物质积累速率均________。当叶面积系数超过b时,群体干物质积累速率降低,其原因是_________________________________。
(3)通常,与阳生植物相比,阴生植物光合作用吸收与呼吸作用放出的CO2量相等时所需要的光照强度______(填“高”或“低”)。
解析:(1)高等植物进行光合作用捕获光能的物质是光合色素,该物质分布在叶绿体的类囊体薄膜上,其捕获的光主要是蓝紫光和红光。(2)由图中曲线可以看出,当叶面积系数小于a时,随叶面积系数增加,群体光合速率和干物质积累速率都在增加;当叶面积系数超过b时,群体光合速率不变,但群体呼吸速率增加,两者差值减小,故群体干物质积累速率降低。(3)通常,阴生植物的光合速率和呼吸速率都比阳生植物低,因此与阳生植物相比,阴生植物光合作用吸收与呼吸作用放出的CO2量相等时所需要的光照强度低。
答案:(1)类囊体膜 蓝紫光和红光 (2)增加 群体光合速率不变,但群体呼吸速率仍在增加,故群体干物质积累速率降低 (3)低
2.在自然光照下,有些植物的光合速率并不能达到最大值,需要进行适当的遮光处理。某科研人员为了探究适合某种草莓种植的遮光程度,进行了相关实验,结果如图所示。回答下列相关问题:
(1)草莓的种类属于该实验的________变量,该科研人员在选择该种草莓植株时,应考虑的因素有____________________________。
(2)不遮光组与遮光Ⅰ或Ⅱ组相比,植株干重较小,试分析原因:________________________________________________________________________
________________________________________________________________________。
(3)若遮光程度大于Ⅱ时,植株干重会逐渐降低,则可以确定最适宜遮光程度的范围为________,据上所述,若要得到最适遮光程度应如何继续实验?______________________________________。
(4)将实验所用草莓置于无光、30 ℃的环境中,测得草莓植株释放CO2的速率为8 mg/h,而置于适宜遮光程度、30 ℃的环境中,测得草莓植株吸收CO2的速率为36 mg/h。假设光合作用产生的有机物为葡萄糖,呼吸作用消耗的有机物也是葡萄糖,据此可以判断该草莓植株在适宜遮光程度、30 ℃的环境中光合作用每小时产生葡萄糖________mg。
解析:(1)该实验的目的是探究适合某种草莓种植的遮光程度,自变量是光照强度或遮光程度,如草莓的种类等对实验结果有影响的因素均属于无关变量。无关变量应保持一致,所以该实验选择的该种草莓植株生长状况和大小等要相同。(2)对于草莓而言,与遮光Ⅰ或Ⅱ组相比,不遮光时的光照强度过强,导致叶面温度过高,蒸腾作用增大,引起部分气孔关闭,植株从外界吸收的CO2减少,致使光合速率降低,所以植株干重较小。(3)若遮光程度大于Ⅱ时,植株干重会逐渐降低,说明最适宜遮光程度在Ⅰ~Ⅱ范围内。在确定最适宜遮光程度范围(Ⅰ~Ⅱ)的前提下,要得到最适遮光程度,应在遮光度Ⅰ~Ⅱ之间增加若干组实验。(4)无光、30 ℃的环境中,该草莓植株释放CO2的速率表示呼吸速率,为8 mg/h;置于适宜遮光程度、30 ℃的环境中,该草莓植株吸收CO2的速率为36 mg/h,该数值表示净光合速率。依据“净光合速率=实际光合速率-呼吸速率”可知,该草莓植株的实际光合速率即固定CO2的速率为44 mg/h,折算成葡萄糖为30 mg/h。
答案:(1)无关 生长状况和大小等要相同 (2)光照过强,导致叶面温度过高,蒸腾作用增大,引起部分气孔关闭,植株从外界吸收的CO2减少,致使光合速率降低 (3)Ⅰ~Ⅱ 在遮光度Ⅰ~Ⅱ之间增加若干组实验 (4)30
[深化拓展]
呼吸作用、光合作用曲线综合题应关注的信息
(1)光照强度为“0”意味着光合作用不能进行,此时气体变化量全由细胞呼吸引起,可作为呼吸强度指标。
(2)光照下吸收CO2量应为净光合量。
(3)光照培养阶段,密闭装置中CO2浓度变化量应为光合作用强度与呼吸作用强度间的“差值”,切不可仅答成“光合作用消耗”导致装置中CO2浓度下降。
(4)植物生长速率取决于净光合量而不是“总光合量”。只有净光合量>0植物才能生长。
一、科学思维——光补偿点与光饱和点及其移动问题
1.已知某植物光合作用和呼吸作用的最适温度分别为25 ℃和30 ℃,如图表示30 ℃时光合作用与光照强度的关系。若温度降到25 ℃(原光照强度和CO2浓度不变),理论上图中相应点a、b、d的移动方向分别是( )
A.下移、右移、上移 B.下移、左移、下移
C.上移、左移、上移 D.上移、右移、上移
解析:选C 图中a、b、c三点分别表示细胞呼吸强度、光补偿点和在光饱和点时的光合作用强度。由题干“光合作用和呼吸作用的最适温度分别为25 ℃和30 ℃”可知,当温度从30 ℃降到25 ℃时,细胞呼吸强度降低,a点上移;光合作用强度增强,所以光饱和点(c点)时吸收的CO2增多,c点上移。b点表示光合作用强度=细胞呼吸强度,在25 ℃时细胞呼吸作用强度降低,光合作用强度增强,在除光照强度外其他条件不变的情况下要使其仍然与细胞呼吸强度相等,需降低光照强度以使光合作用强度与细胞呼吸强度相等,即b点左移。
2.(2019·临沂模拟)如图所示纵坐标表示某种植物气体吸收量或释放量的变化。(不考虑横坐标和纵坐标单位的具体表示形式,单位的表示方法相同)下列说法正确的是( )
A.若A代表O2吸收量,可以判断从D点开始进行光合作用
B.若A代表O2释放量,B点对应的光照强度一定不等于0,D点表示植物的净光合作用强度为0
C.若A代表CO2释放量,提高大气中的CO2浓度,D点不移动
D.若A代表CO2释放量,E点时光合作用制造的有机物总量是8
解析:选B 若A代表O2吸收量,可以判断从D点之前开始进行光合作用;若A代表O2释放量,B点对应的光照强度一定不等于0,D点表示植物的净光合作用强度为0;若A代表CO2释放量,提高大气中的CO2浓度,D点左移;若A代表CO2释放量,E点时光合作用制造的有机物总量是8+4=12。
3.(2017·全国卷Ⅰ)植物的CO2补偿点是指由于CO2的限制,光合速率与呼吸速率相等时环境中的CO2浓度。已知甲种植物的CO2补偿点大于乙种植物的。回答下列问题:
(1)将正常生长的甲、乙两种植物放置在同一密闭小室中,适宜条件下照光培养。培养后发现两种植物的光合速率都降低,原因是________________________________________
________________________________________________________________________。
甲种植物净光合速率为0时,乙种植物净光合速率____________________________
(填“大于0”“等于0”或“小于0”)。
(2)若将甲种植物密闭在无O2,但其他条件适宜的小室中,照光培养一段时间后,发现植物的有氧呼吸增加,原因是__________________________________________________
________________________________________________________________________。
解析:(1)甲、乙两种植物放置在同一密闭小室中,适宜条件下照光培养,培养后两种植物的光合速率都降低的原因是植物在光下光合作用吸收的CO2量大于呼吸作用释放的CO2量,总体上两种植物都要从小室中吸收CO2,因此,小室中的CO2浓度会降低,从而影响两种植物的光合速率。从题干获知,甲种植物的CO2补偿点大于乙种植物,因此,当甲种植物的净光合速率为0时,对于乙种植物来说,外界的CO2浓度是超过其CO2补偿点的,乙种植物的光合速率一定大于呼吸速率,即净光合速率大于0。(2)甲种植物在光下光合作用释放的O2使密闭小室中O2增加,而O2与有机物分解产生的NADH发生作用形成水发生在有氧呼吸过程中,所以当O2增多时,有氧呼吸会增加。
答案:(1)植物在光下光合作用吸收CO2的量大于呼吸作用释放CO2的量,使密闭小室中CO2浓度降低,光合速率也随之降低 大于0 (2)甲种植物在光下光合作用释放的O2使密闭小室中O2增加,而O2与有机物分解产生的NADH发生作用形成水是有氧呼吸的一个环节,所以当O2增多时,有氧呼吸会增加
[素养提升]
学会分析曲线图中的光补偿点和光饱和点
1.光补偿点的两种生理状态
(1)整个植株:光合作用强度=呼吸作用强度。
(2)叶肉细胞:光合作用强度>呼吸作用强度。
2.环境条件改变与光补偿点、光饱和点移动方向的关系
(1)光补偿点的移动
①呼吸速率增加,其他条件不变时,光补偿点应右移,反之左移。
②呼吸速率基本不变,相关条件的改变使光合速率下降时,光补偿点应右移,反之左移。
(2)光饱和点的移动:相关条件的改变(如增大CO2浓度)使光合速率增大时,光饱和点C应右移(C′点右上移),反之左移(C′点左下移)。
二、科学探究——设计实验测定光合速率
(一)气体体积变化法——测光合作用O2产生的体积或CO2消耗的体积
[实验原理]
(1)甲装置在黑暗条件下植物只进行细胞呼吸,由于NaOH溶液吸收了细胞呼吸产生的CO2,所以单位时间内红色液滴左移的距离表示植物的O2吸收速率,可代表呼吸速率。
(2)乙装置在光照条件下植物进行光合作用和细胞呼吸,由于NaHCO3溶液保证了容器内CO2浓度的恒定,所以单位时间内红色液滴右移的距离表示植物的O2释放速率,可代表净光合速率。
(3)真正光合速率=净光合速率+呼吸速率。
[例1] 如图是在一定温度下测定某植物呼吸作用和光合作用强度的实验装置(呼吸底物为葡萄糖,不考虑装置中微生物的影响),相关叙述正确的是( )
A.烧杯中盛放NaHCO3溶液,可用于测定一定光照强度下植物的净光合速率
B.在遮光条件下,烧杯中盛放NaOH溶液,可用于测定植物无氧呼吸的强度
C.烧杯中盛放清水,可用于测定一定光照强度下真正光合速率
D.在遮光条件下,烧杯中盛放清水,可用于测定植物有氧呼吸的强度
[解析] NaHCO3溶液可以维持装置内CO2浓度的恒定,U形管中液面高度的变化是装置中O2量的变化造成的,可以代表净光合速率。NaOH可以吸收CO2,无氧呼吸不消耗O2,不能用来测定无氧呼吸的强度。烧杯中盛放清水,一定光照强度下,光合作用吸收CO2量与释放O2量相等,有氧呼吸消耗O2量与产生CO2量相等,不能测定真正光合速率。在单位时间内,有氧呼吸消耗的O2量等于产生的CO2量,无论有氧呼吸强度多大,U形管中液面都不会发生变化。
[答案] A
[实验原理] 测定单位时间、单位面积叶片中淀粉的生成量,如图所示以有机物的变化量测定光合速率(S为叶圆片面积)。
净光合速率=(z-y)/2S;呼吸速率=(x-y)/2S;总光合速率=净光合速率+呼吸速率=(x+z-2y)/2S。
[例2] 某同学欲测定植物叶片叶绿体的光合速率,做如图所示实验:在叶柄基部做环剥处理(仅限制叶片有机物的输入和输出),于不同时间分别在同一叶片上陆续取下面积为1 cm2的叶圆片烘干后称其重量,M处的实验条件是下午16时后将整个实验装置遮光3小时,则测得叶片叶绿体的光合速率是(单位:g·cm-2·h-1,不考虑取叶圆片后对叶片生理活动的影响和温度微小变化对叶片生理活动的影响)( )
A.(3y-2z-x)/6 B.(3y-2z-x)/3
C.(2y-x-z)/6 D.(2y-x-z)/3
[解析] 分析题意可知,上午10时到下午16时之间的6个小时,植物既进行光合作用,也进行呼吸作用,因此其重量变化表示的是净光合作用量,则净光合速率=净光合作用量/6=(y-x)/6;而M处的实验条件是下午16时后将整个实验装置遮光3小时,此时叶片只进行呼吸作用,因此可以计算出呼吸速率=(y-z)/3;因此总光合速率=净光合速率+呼吸速率=(y-x)/6+(y-z)/3=(3y-2z-x)/6。
[答案] A
[实验原理] 将植物对称叶片的一部分(A)遮光或取下置于暗处,另一部分(B)则留在光下进行光合作用(即不做处理),并采用适当的方法阻止两部分的物质和能量转移。一定时间后,在这两部分叶片的对应部位截取同等面积的叶片,分别烘干称重,记为MA、MB,开始时二者相应的有机物含量应视为相等,照光后的叶片重量大于暗处的叶片重量,超过部分即为光合作用产物的量,再通过计算可得出光合速率。
[例3] 某研究小组采用“半叶法”对番茄叶片的光合速率进行测定。将对称叶片的一部分(A)遮光,另一部分(B)不做处理,并采用适当的方法阻止两部分的物质和能量转移。在适宜光照下照射6小时后,在A、B的对应部位截取同等面积的叶片,烘干称重,分别记为MA、MB,获得相应数据,则可计算出该叶片的光合速率,其单位是mg/(dm2·h)。请分析回答下列问题:
(1)MA表示叶片初始质量-呼吸作用有机物的消耗量;MB表示(________)+(________________)-呼吸作用有机物的消耗量。
(2)若M=MB-MA,则M表示__________________________________________。
(3)总光合速率的计算方法是___________________________________________。
(4)本方法也可用于测定叶片的呼吸速率,写出实验设计思路。
[解析] 叶片A部分遮光,虽不能进行光合作用,但仍可照常进行呼吸作用。叶片B部分不做处理,既能进行光合作用,又可以进行呼吸作用。分析题意可知,MB表示叶片初始质量+光合作用有机物的总产量-呼吸作用有机物的消耗量,MA表示叶片初始质量-呼吸作用有机物的消耗量,则MB-MA就是光合作用6小时干物质的积累量(B叶片被截取部分在6小时内光合作用合成的有机物总量)。由此可计算总光合速率,即M值除以时间再除以面积。
[答案] (1)叶片初始质量 光合作用有机物的总产量
(2)B叶片被截取部分在6小时内光合作用合成的有机物总量
(3)M值除以时间再除以面积,即M/(截取面积×时间)
(4)将从测定叶片的相对应部分切割的等面积叶片分开,一部分立即烘干称重,另一部分在暗中保存几小时后再烘干称重,根据二者干重差即可计算出叶片的呼吸速率。
[实验原理] 利用真空技术排出叶肉细胞间隙中的空气,充以水分,使叶片沉于水中;在光合作用过程中,植物吸收CO2放出O2,由于O2在水中的溶解度很小而在细胞间积累,结果使原来下沉的叶片上浮。根据在相同时间内上浮叶片数目的多少(或者叶片全部上浮所需时间的长短),即能比较光合作用强度的大小。
[例4] 取生长旺盛的绿叶,利用打孔器打出一批直径为1 cm的叶圆片,将叶圆片细胞间隙中的气体排出后,平均分装到盛有等量的不同浓度NaHCO3溶液的培养皿底部,置于光温恒定且适宜的条件下(如图甲),测得各组培养皿中叶圆片上浮至液面所用的时间(如图乙)。下列分析错误的是( )
A.a~b段随着NaHCO3溶液浓度的增加,类囊体薄膜上水的分解速率逐渐增大
B.c~d段随着NaHCO3溶液浓度的增加,叶绿体基质中C3的生成速率逐渐减小
C.c~d段随着NaHCO3溶液浓度的增加,单个叶圆片有机物的积累速率逐渐减小
D.a~d段如果增加光照强度或温度,都能明显缩短叶圆片上浮至液面所用的时间
[解析] NaHCO3溶液能够分解产生CO2,因此不同浓度的NaHCO3溶液能够为叶圆片提供稳定的CO2来源。分析图乙的曲线可知,刚开始增加NaHCO3溶液的浓度,光合作用强度增强;超过一定浓度再增加NaHCO3溶液的浓度,由于外界溶液浓度太高,导致植物的叶肉细胞失水,会使叶肉细胞光合速率降低,叶片上浮时间延长。
[答案] D
[实验原理] 将装有水和光合植物的黑、白瓶置于不同水层中,测定单位时间内瓶中溶解氧含量的变化,借此测定水生植物的光合速率。黑瓶不透光,瓶中生物仅能进行呼吸作用;白瓶透光,瓶中生物可进行光合作用和呼吸作用。因此,真正光合作用量(光合作用总量)=白瓶中氧气增加量+黑瓶中氧气减少量。
[例5] 下表所示是采用黑白瓶(不透光瓶—可透光瓶)法测定夏季某池塘不同深度水体中,初始平均O2浓度与24小时后平均O2浓度比较后的数据。下列有关分析正确的是( )
水深(m)
1
2
3
4
白瓶中O2浓度(g/L)
+3
+1.5
0
-1
黑瓶中O2浓度(g/L)
-1.5
-1.5
-1.5
-1.5
A.水深1 m处白瓶中水生植物24小时产生的O2为3 g/L
B.水深2 m处白瓶中水生植物光合速率等于所有生物的呼吸速率
C.水深3 m处白瓶中水生植物不进行光合作用
D.水深4 m处白瓶中藻类植物产生ATP的场所是叶绿体、细胞质基质和线粒体
[解析] 根据题意可知,黑瓶中水生植物只能进行呼吸作用,白瓶中水生植物既能进行光合作用又能进行呼吸作用,在相同条件下培养一定时间,黑瓶中所测得的数据即为正常的呼吸消耗量。由表中数据可知,在水深1 m处白瓶中水生植物产生的O2量=3+1.5=4.5(g/L)。水深2 m处白瓶中水生植物光合速率=1.5+1.5=3.0[g/(L·d)],呼吸速率为1.5 g/(L·d)。水深3 m处白瓶中水生植物光合作用量等于呼吸作用量,即1.5 g/L。水深4 m处白瓶中藻类植物能进行光合作用和呼吸作用,故白瓶中藻类植物产生ATP的场所是叶绿体、细胞质基质和线粒体。
[答案] D
一、选择题
1.下列关于光合作用和有氧呼吸过程的叙述,错误的是( )
A.光合作用光反应阶段的产物可为有氧呼吸第三阶段提供原料
B.有氧呼吸第三阶段的产物可为光合作用光反应阶段提供原料
C.两者产生气体的阶段都有水参与
D.两者产生气体的阶段都与生物膜有关
解析:选D 光合作用光反应阶段的产物O2可作为有氧呼吸第三阶段的原料;有氧呼吸第三阶段的产物H2O可作为光合作用光反应阶段的原料;光合作用光反应可将H2O分解产生O2,有氧呼吸第二阶段H2O与丙酮酸反应生成CO2;光合作用光反应将H2O分解产生O2的场所是类囊体薄膜,有氧呼吸第二阶段H2O与丙酮酸反应生成CO2的场所是线粒体基质。
2.(2018·江门一模)光合作用和呼吸作用都能产生ATP 和[H]。下列有关叙述正确的是( )
A.ATP中的腺苷含有N元素和2个高能磷酸键
B.ATP可以作为复制DNA分子的原料
C.ATP和[H]都是光合作用和呼吸作用的最终产物
D.[H]是还原型辅酶Ⅰ和还原型辅酶Ⅱ的简化表示方式
解析:选D ATP中的腺苷由腺嘌呤与核糖组成,含有N 元素,不含高能磷酸键,A错误;ATP中远离腺苷的两个磷酸基团被水解后所得的物质是腺嘌呤核糖核苷酸,可以作为合成RNA分子的原料,B错误;ATP和[H]都是光合作用和呼吸作用的中间产物,C错误;[H]是还原型辅酶Ⅰ(NADH)和还原型辅酶Ⅱ(NADPH)的简化表示方式,D正确。
3.(2018·绵阳二诊)下列对在一定条件下某叶肉细胞内叶绿体和线粒体有关生理活动的叙述,正确的是( )
A.光照下叶绿体和线粒体直接被对方利用的物质有O2、CO2和葡萄糖
B.光照下两者在发生氧化反应时都释放能量供各项生命活动利用
C.若突然增加光照强度,则短时间内叶绿体中化合物C5比ADP先减少
D.若突然增加CO2浓度,则短时间内叶绿体中化合物C3比ADP先增加
解析:选D 细胞呼吸时线粒体能利用的底物是丙酮酸,不是葡萄糖;光反应中产生的ATP只能提供给暗反应;若突然增加光照强度,则短时间内产生的ATP和[H]增加,C3的还原加快,消耗ATP,生成ADP和C5,则短时间内叶绿体中化合物C5与ADP同时增加;若突然增加CO2浓度,CO2的固定加快,C3先增多,C3还原消耗ATP生成ADP,则短时间内叶绿体中C3比ADP先增加。
4.(2019·武汉模拟)下列有关生物体内能量转换的叙述,错误的是( )
A.生物体内放能反应一般与ATP合成相联系
B.光合作用过程中既有吸能反应,又有放能反应
C.硝化细菌化能合成需要的能量来源于氮气的还原
D.能够吸收固定太阳能的自养生物不一定是绿色植物
解析:选C 生物体内放能反应一般与ATP合成相联系,吸能反应一般与ATP水解相联系,A正确;光合作用过程中光反应合成ATP,暗反应消耗ATP,故既有吸能反应,又有放能反应,B正确;硝化细菌化能合成需要的能量来源于氨气的氧化,C错误;能进行光能自养的生物不一定是绿色植物,如蓝藻,D正确。
5.(2019·威海模拟)两株同种生长状况基本相同的植物,分别置于透明的玻璃罩内,如图甲、乙所示,在相同自然条件下,测得一昼夜中植物氧气释放速率分别如图丙、丁曲线所示。下列说法正确的是( )
A.装置甲的植物叶绿体中,在14点时C3含量比10点时高
B.一昼夜中,装置乙中植物积累的有机物比甲多
C.ab段和cd段,曲线下降的原因相同
D.e点时,气孔关闭导致光合作用基本停止
解析:选B 装置甲的植物叶绿体中,在14点时玻璃罩内二氧化碳因光合作用消耗而含量不足,固定减少,C3含量比10点时低,而C5含量比10点时高,A错误;丙和丁图中横轴以上与曲线围成的面积表示净光合强度,据图分析,一昼夜中,装置乙中植物积累的有机物比甲多,B正确;ab段下降的原因是二氧化碳供应不足,cd段下降的原因是光照不足,C错误;e点时,气孔部分关闭导致光合作用下降,但没有停止,D错误。
6.关于光合作用和呼吸作用的叙述,错误的是( )
A.磷酸是光反应中合成ATP所需的反应物
B.光合作用中叶绿素吸收光能不需要酶的参与
C.人体在剧烈运动时所需要的能量由乳酸分解提供
D.病毒核酸的复制需要宿主细胞的呼吸作用提供能量
解析:选C 光合作用的光反应中有ATP的合成,需要原料ADP和磷酸。光合作用中叶绿素吸收光能的过程与酶的催化作用无关。乳酸是无氧呼吸的产物,在人体内不能继续分解供能,人体在剧烈运动时所需的能量是由葡萄糖分解提供的。病毒无独立的代谢系统,病毒核酸的复制所需要的能量由宿主细胞的呼吸作用提供。
7.取生长旺盛的天竺葵叶片,用打孔器打出小圆片若干并抽取叶片细胞内空气,均分后置于不同浓度的NaHCO3溶液中,给予相同的一定强度光照,记录圆叶片上浮至液面所需时间,其结果绘制的曲线如图所示。相关叙述错误的是( )
A.YZ段平缓的限制因素可能是光照强度
B.Y点比X点细胞内的C5含量高
C.Z点后曲线上行,应该是叶片细胞失水,代谢受影响导致
D.Y点时叶肉细胞产生ATP的细胞器有叶绿体和线粒体
解析:选B YZ段平缓,说明随着CO2浓度的增加光合作用不再增强,则限制因素可能是光照强度,A正确;Y点与X点相比,CO2浓度较高,CO2的固定加快,则Y点细胞内的C5含量低,B错误;Z点后光照不变,CO2浓度高,而曲线上行,说明光合作用减弱,原因可能是叶片细胞失水,代谢受影响导致,C正确;Y点既有光合作用又有呼吸作用,则叶肉细胞产生ATP的细胞器有叶绿体和线粒体,D正确。
8.在温度适宜的条件下,测定植物叶片在不同光照强度下的CO2吸收量,结果如下表。下列有关叙述正确的是( )
光照强度(klx)
0
2.0
4.0
6.0
8.0
10.0
CO2吸收量(mg·100cm-2·h-1)
-4.0
0
4.0
8.0
10.0
10.0
A.该植物叶片在光照强度小于2.0 klx的条件下,不进行光合作用
B.光照强度为6.0 klx时,植物叶片合成葡萄糖的量为12 mg·100 cm-2·h-1
C.光照强度为8.0 klx时,限制光合速率的主要环境因素是CO2浓度
D.光照强度为10.0 klx时,该植物在缺镁环境中的CO2吸收量不变
解析:选C 分析表格数据可知,当光照强度为2.0 klx时,测得叶片CO2吸收量为0,说明此光照强度下光合速率等于呼吸速率,即光照强度小于2.0 klx的条件下植物既进行光合作用又进行呼吸作用,A错误;光照强度为6.0 klx时,植物叶片共消耗CO2为12 mg·100cm-2·h-1,根据光合作用生成葡萄糖的总反应:消耗6 mol CO2生成1 mol C6H12O6,故合成葡萄糖量为(12×180)÷(6×44)≈8.2 mg·100 cm-2·h-1,B错误;光照强度为8.0 klx时,植物光合速率达最大值,此时限制光合速率的主要环境因素是CO2浓度,C正确;植物如果缺镁会影响叶绿素的合成,使光反应强度降低,从而影响暗反应,D错误。
9.(2019·宁德模拟)如图为绿色植物部分物质和能量转换过程的示意图,下列叙述正确的是( )
A.过程①发生在叶绿体中,过程③发生在线粒体中
B.过程①产生NADH,过程③消耗NADPH
C.若叶肉细胞中过程②速率大于过程③,则植物干重增加
D.过程③中ATP的合成与放能反应相联系,过程④与吸能反应相联系
解析:选D 过程①发生在叶绿体类囊体薄膜上,过程③发生在细胞质基质中,A错误;过程①产生NADPH,过程②消耗NADPH,过程③产生NADH,B错误;若叶肉细胞中过程②速率大于过程③,则叶肉细胞的干重增加,无法判断植物干重是否增加,C错误;过程③中ATP的合成与放能反应相联系,过程④ATP的水解与吸能反应相联系,D正确。
10.某学校研究小组利用生长状况相同且质量相等的A、B两种植物的幼苗,进行了以下实验(假设光照对呼吸作用无影响):甲图中,两种幼苗分别被培植于内含CO2缓冲液(维持CO2浓度不变)的无色透明气球内,气球放置在水槽中,气球体积可变。初始时指针指向正中位置,指针会因两侧气球的沉浮变化而发生偏转。乙图表示A、B两种植物幼苗随着光照强度的变化,O2的释放量变化曲线。据图分析,下列说法错误的是( )
A.光照强度为乙图中a时,则甲图中指针将向左偏转
B.光照强度为乙图中c时,A植物制造的有机物总量比B植物少
C.甲图中,细胞代谢产生的直接能源物质是ATP,产生场所包括线粒体、叶绿体和细胞质基质
D.当光照强度为乙图中d时,每日光照12小时,一昼夜中两植物的O2释放量的差值为12 mg
解析:选A 乙图中光照强度为a时,A中的O2增加,气压上升,浮力增大,B中的O2消耗气压下降,浮力减小,所以甲图中指针将向右偏转,A错误;乙图中光照强度为c时,两植物的净光合速率相同,但B植物的呼吸速率较高,根据真正光合速率=净光合速率+呼吸速率,所以A植物制造的有机物总量比B植物少,B正确;甲图中,ATP是细胞代谢产生的直接能源物质,主要由光合作用和呼吸作用产生,产生的场所主要有叶绿体、细胞质基质和线粒体,C正确;光照强度为d时,每日光照12小时,A植物一昼夜中的O2释放总量为6×12-12×1=60 mg,B植物一昼夜中的O2释放总量为8×12-2×12=72 mg,所以一昼夜中两植物的O2释放量的差值为72-60=12 mg,D正确。
11.如图表示在有氧条件下某高等植物体内有关的生理过程示意图,①~⑤表示有关过程,X、Y、Z和W表示相关物质。据图判断下列说法错误的是( )
A.X、Y、Z物质分别表示C3、丙酮酸和ATP
B.①~⑤过程中能产生ATP的有①②③④
C.②⑤过程分别表示C3的还原和CO2的固定
D.光合速率小于呼吸速率时,④过程产生的CO2会释放到细胞外
解析:选B 据图分析可知,Z是ATP,Y是丙酮酸,X是C3,A正确;光合作用的光反应阶段①和有氧呼吸的三个阶段③④都能产生ATP,而光合作用暗反应阶段中C3的还原过程不能产生ATP,B错误;图中②表示C3的还原过程,⑤表示CO2的固定过程,C正确;光合速率小于呼吸速率时,叶肉细胞会有CO2的净释放,即④过程产生的CO2会释放到细胞外,D正确。
12.(2019·榆林一模)如图表示光照下叶肉细胞中甲、乙两种细胞器间的气体交换,下列有关此图的叙述正确的是( )
A.甲结构可进行完整的细胞呼吸
B.甲、乙结构可为对方提供ATP
C.若O2全部被甲结构利用,则光合速率与呼吸速率相同
D.限制甲、乙结构代谢的主要环境因素不同
解析:选D 甲是线粒体,线粒体是有氧呼吸第二阶段和第三阶段的场所,而有氧呼吸第一阶段的场所是细胞质基质,A错误;甲线粒体产生的ATP不能供给叶绿体,乙叶绿体产生的ATP只供给暗反应,不能供给其他生命活动,B错误;若O2 全部被甲结构利用,则光合速率与呼吸速率相同或呼吸速率大于光合速率,C错误;限制甲线粒体中有氧呼吸的主要环境因素是温度和O2浓度,限制乙叶绿体中光合作用的主要环境因素是光照强度、温度、CO2浓度,D正确。
二、非选择题
13.(2018·全国卷Ⅱ)为了研究某种树木树冠上下层叶片光合作用的特性,某同学选取来自树冠不同层的A、B两种叶片,分别测定其净光合速率,结果如图所示。据图回答问题:
(1)从图可知,A叶片是树冠________(填“上层”或“下层”)的叶片,判断依据是________________________________________________________________________
________________________________________________________________________。
(2)光照强度达到一定数值时,A叶片的净光合速率开始下降,但测得放氧速率不变,则净光合速率降低的主要原因是光合作用的________反应受到抑制。
(3)若要比较A、B两种新鲜叶片中叶绿素的含量,在提取叶绿素的过程中,常用的有机溶剂是________。
解析:(1)根据题图中的曲线可知,A叶片净光合速率最大时,对应的光照强度约为1 200 μmol·m-2·s-1,B叶片净光合速率最大时,对应的光照强度至少为2 000 μmol·m-2·s-1,即A叶片的净光合速率达到最大时所需的光照强度低于B叶片,因此A叶片位于树冠下层。(2)当光照强度达到一定数值时,A叶片的放氧速率不变,但净光合速率下降,原因可能是光合作用的暗反应受到抑制。(3)常用的提取叶绿素的有机溶剂是无水乙醇。
答案:(1)下层 A叶片的净光合速率达到最大时所需光照强度低于B叶片 (2)暗 (3)无水乙醇
14.(2019·太原名校联考)取生长旺盛的绿叶,用直径为1 cm打孔器打出小圆片若干(注意避开大叶脉),抽出小圆片内的气体,并在黑暗处用清水处理使小圆片细胞间隙充满水,然后平均分装到盛有等量的富含不同浓度CO2的溶液的小烧杯中,置于光照强度和温度恒定且适宜的条件下,测得各组小圆片上浮至液面所需平均时间,将记录结果绘制成曲线如图1所示。
(1)与a浓度相比,b浓度时小圆片叶肉细胞的类囊体薄膜上[H]的生成速率________(填“快”“相等”或“慢”),此时小圆片的叶肉细胞中能产生ATP的细胞器有________________________________________________________________________。
(2)当CO2浓度大于c时,随着CO2浓度的增大,小圆片中有机物的积累速率________(填“加快”“不变”或“减慢”)。
(3)另取若干相同的小圆片分别置于温度相同且适宜、CO2溶液浓度为a的小烧杯中,选用40 W的台灯作为光源,通过改变光源与小烧杯之间的距离进行实验,根据实验结果绘制成图2曲线(X1>0)。
①该实验的目的是_____________________________________________________
________________________________________________________________________。
②限制B点净光合速率的主要外界因素是________,C点的含义是__________________时光源与小烧杯之间的距离。
解析:(1)据图1分析可知,b浓度大于a浓度,b浓度时,叶圆片上浮时间较短,叶肉细胞的类囊体薄膜上[H]的生成速率快,此时叶圆片光合作用与呼吸作用都可以产生ATP,所以产生ATP的细胞器有叶绿体和线粒体。(2)CO2浓度大于c时,叶肉细胞的细胞外液浓度大于细胞液浓度,细胞失水增多,影响光合作用的进行,所以随着CO2浓度的增大,小叶片中有机物的积累速率减慢。(3)由题意可知,该实验的目的是探究光照强度对光合速率的影响。图2中B点刚刚达到光饱和点,此时限制光合作用的因素不是自变量光照强度,而是CO2浓度。C点时,O2的释放速率为0,表示光补偿点,此时光合速率等于呼吸速率。
答案:(1)快 叶绿体、线粒体 (2)减慢 (3)①探究光照强度对光合速率的影响 ②CO2浓度 小圆片光合速率等于细胞呼吸速率(净光合速率为零)
15.(2016·全国卷Ⅲ)为了探究某地夏日晴天中午时气温和相对湿度对A品种小麦光合作用的影响,某研究小组将生长状态一致的A品种小麦植株分为5组,1组在田间生长作为对照组,另4组在人工气候室中生长作为实验组,并保持其光照和CO2浓度等条件与对照组相同。于中午12:30测定各组叶片的光合速率,各组实验处理及结果如表所示:
对照组
实验组一
实验组二
实验组三
实验组四
实验处理
温度(℃)
36
36
36
31
25
相对湿度(%)
17
27
52
52
52
实验结果
光合速率/mg CO2·dm-2·h-1
11.1
15.1
22.1
23.7
20.7
回答下列问题:
(1)根据本实验结果,可以推测中午时对小麦光合速率影响较大的环境因素是______________________,其依据是______________________________________;并可推测,____________(填“增加”或“降低”)麦田环境的相对湿度可降低小麦光合作用“午休”的程度。
(2)在实验组中,若适当提高第____________组的环境温度能提高小麦的光合速率,其原因是________________________________________________________________________
________________________________________________________________________。
(3)小麦叶片气孔开放时,CO2进入叶肉细胞的过程________________(填“需要”或“不需要”)载体蛋白,______________(填“需要”或“不需要”)消耗ATP。
解析:(1)根据表格信息可知,对照组、实验组一、实验组二在相同温度条件下,相对湿度改变时光合速率变化较大;实验组二、实验组三、实验组四在相同湿度条件下,随温度的变化,光合速率变化不大。因此可以推测中午时对小麦光合速率影响较大的环境因素是湿度。根据上述结论,增加麦田环境的相对湿度可提高小麦的光合速率,降低小麦光合作用“午休”的程度。(2)与实验组四相比,实验组三的温度高6 ℃,光合速率有所提高,说明实验组四的环境温度未达到光合作用的最适温度,故适当提高第四组的环境温度能提高小麦的光合速率。(3)CO2进入叶肉细胞的方式是自由扩散,不需要载体蛋白,不需要消耗ATP。
答案:(1)湿度(或相对湿度) 在相同温度条件下,相对湿度改变时光合速率变化较大(合理即可) 增加 (2)四 该实验组的环境温度未达到光合作用的最适温度(合理即可) (3)不需要 不需要
第1课时 绿叶中色素的提取和分离(实验课)
1.绿叶中色素的提取和分离
2.色素种类及吸收光谱
色素种类
吸收光
吸收光谱图示
叶绿素(含量约占3/4)
叶绿素a
主要吸收
红光和蓝紫光
叶绿素b
类胡萝卜素(含量约占1/4)
胡萝卜素
主要吸收蓝紫光
叶黄素
3.叶绿体色素的分布和功能
(1)分布:叶绿体类囊体薄膜上。
(2)功能:吸收、传递光能(四种色素)、转化光能(只有少量特殊状态的叶绿素a)。
1.注意事项及原因分析
过程
注意事项
操作目的
提取色素
选材
选新鲜绿色的叶片
使滤液中色素含量高
实验试剂
研磨时加无水乙醇
溶解色素
加少量SiO2和CaCO3
研磨充分和保护色素
实验操作
迅速、充分研磨
防止乙醇过度挥发
盛放滤液的试管管口加棉塞
防止乙醇挥发和色素氧化
分离色素
制备滤纸条
滤纸预先干燥处理
使层析液在滤纸上快速扩散
画滤液细线
滤液细线要直、细、齐
使分离出的色素带平整不重叠
滤液细线干燥后再画一两次
使分离出的色素带清晰分明
分离滤液中色素
滤液细线不触及层析液
防止色素直接溶解到层析液中
2.绿叶中色素的提取和分离实验中异常现象分析
异常现象
原因分析
收集到的滤液绿色过浅
①未加石英砂(二氧化硅),研磨不充分;
②使用放置数天的菠菜叶,滤液色素(叶绿素)太少;
③一次加入大量的无水乙醇,提取浓度太低(正确做法:分次加入少量无水乙醇);
④未加碳酸钙或加入过少,色素分子被破坏
滤纸条色素带重叠
①滤液细线不直;②滤液细线过粗
滤纸条无色素带
①忘记画滤液细线;②滤液细线接触到层析液,且时间较长,色素全部溶解到层析液中
色素提取和分离实验的过程与结果
1.(2016·江苏高考)下列用鲜菠菜进行色素提取、分离实验的叙述,正确的是( )
A.应该在研磨叶片后立即加入CaCO3,防止酸破坏叶绿素
B.即使菜叶剪碎不够充分,也可以提取出4种光合作用色素
C.为获得10 mL提取液,研磨时一次性加入10 mL乙醇研磨效果最好
D.层析完毕后应迅速记录结果,否则叶绿素条带会很快随溶剂挥发消失
解析:选B 在提取绿叶中的色素时,应先加入少量的CaCO3,再进行研磨,防止研磨过程中酸破坏叶绿素;即使菜叶剪碎不够充分,也可以提取出4种光合作用色素,只是滤液中色素的含量不多,分离后4条色素带较窄;若要获得总量10 mL的提取液,在研磨时应分次加入10 mL乙醇;层析完毕后应迅速记录结果,这是因为叶绿素在光下容易分解,导致色素条带很快消失,而不是随溶剂挥发消失。
2.(2016·上海高考)从种植于室内普通光照和室外强光光照下的同种植物分别提取叶片的叶绿体色素,用纸层析法分离,结果如图。下列判断正确的是( )
A.室内植物叶片偏黄
B.室外植物叶片偏绿
C.室外植物叶片胡萝卜素含量>叶黄素含量
D.室内植物叶片叶绿素a含量>叶绿素b含量
解析:选D 由图可知,室外植物叶片偏黄;根据色素在滤纸上的分布和含量,室外叶黄素>胡萝卜素,室内叶绿素a>叶绿素b。
叶绿体色素的种类和功能
3.(2016·全国卷Ⅱ)关于高等植物叶绿体中色素的叙述,错误的是( )
A.叶绿体中的色素能够溶解在有机溶剂乙醇中
B.构成叶绿素的镁可以由植物的根从土壤中吸收
C.通常,红外光和紫外光可被叶绿体中的色素吸收用于光合作用
D.黑暗中生长的植物幼苗叶片呈黄色是由于叶绿素合成受阻引起的
解析:选C 提取绿叶中色素的原理是叶绿体中的色素能溶解在有机溶剂如无水乙醇中。叶绿素分子中含有镁元素,镁元素可以由植物根细胞通过主动运输方式从土壤中吸收,也可以在叶面施肥后由叶片吸收。叶绿体中的色素吸收可见光用于光合作用,其中吸收的主要是可见光中的红光和蓝紫光,红外光和紫外光不属于可见光。叶绿素的合成需要光,在黑暗条件下叶绿素不能合成,故黑暗中生长的植物幼苗叶片主要呈现类胡萝卜素(叶黄素和胡萝卜素)的颜色,即幼苗叶片表现为黄色。
4.(2013·全国卷Ⅱ)关于叶绿素的叙述,错误的是( )
A.叶绿素a和叶绿素b都含有镁元素
B.被叶绿素吸收的光可用于光合作用
C.叶绿素a和叶绿素b在红光区的吸收峰值不同
D.植物呈现绿色是由于叶绿素能有效地吸收绿光
解析:选D 叶绿素a和叶绿素b都含有镁元素。叶绿素a和叶绿素b吸收的光能可用于光合作用的光反应。叶绿素a在红光区的吸收峰值高于叶绿素b。植物呈现绿色是由于叶绿素吸收绿光最少,绿光被反射出来。
[深化拓展] 影响叶绿素合成的三大因素
光照
是影响叶绿素合成的主要条件,一般植物在黑暗中不能合成叶绿素,因而叶片发黄
温度
温度可影响与叶绿素合成有关的酶的活性,进而影响叶绿素的合成
必需元素
叶绿素中含N、Mg等必需元素,缺乏N、Mg将导致叶绿素无法合成,叶变黄
1.用新鲜菠菜叶进行色素提取和分离的实验。下列叙述正确的是( )
A.将滤液收集到试管中,应及时用棉塞将试管口塞紧
B.画滤液细线时,在点样线上需连续重复多次画线
C.滤液细线浸入层析液,可导致滤纸条上色素带重叠
D.滤纸条上4条色素带通常都是平齐的,且彼此之间的距离明显
解析:选A 提取色素用的无水乙醇易挥发,故将滤液收集到试管中,应及时用棉塞将试管口塞紧,A正确;画滤液细线时,在点样线上需等上次滤液线干后,再画一次,这样画2~3次,不能连续划线,否则滤液线会很粗,将导致滤纸条上最终得到的色素带重叠,B错误;如果滤液细线浸入层析液,可将滤纸条上的色素溶解在层析液中,滤纸条上将得不到色素带,C错误;滤纸条上4条色素带通常都是不平齐的,虽然将滤纸条一端减去两角,最终得到的色素带一般也不是很齐整的,D错误。
2.(2019·武昌区模拟)为研究高光强对移栽幼苗光合色素的影响,某同学用乙醇提取叶绿体色素,用石油醚进行纸层析,如图为滤纸层析的结果(Ⅰ、Ⅱ、Ⅲ、Ⅳ为色素条带)。下列叙述正确的是( )
A.强光下的幼苗相比正常光照下的绿色更深
B.强光照可能抑制叶绿素的合成,促进类胡萝卜素的合成
C.四种色素在层析液中溶解度大小是Ⅰ<Ⅱ<Ⅲ<Ⅳ
D.色素分离过程中如果滤液线触及石油醚,会缩短得到四条色素带的时间
解析:选B 根据题图分析可知,强光照导致了该植物叶绿素含量降低,绿色变浅,A错误;强光照和正常光照相比,明显叶绿素含量降低,类胡萝卜素含量增加,可见强光照可抑制叶绿素的合成,促进类胡萝卜素的合成,B正确;四种色素
在层析液中溶解度大小是Ⅰ>Ⅱ>Ⅲ>Ⅳ,C错误;色素分离过程中如果滤液线触及石油醚,色素会溶解在层析液中,D错误。
3.下列与“绿叶中色素的提取和分离”实验有关的叙述,正确的是( )
A.提取绿叶中的色素时只能用无水乙醇溶解色素
B.研磨叶片后立即加入碳酸钙可防止色素被破坏
C.叶绿素b在层析液中的溶解度小于类胡萝卜素
D.不同绿叶中的色素在滤纸条上的色带顺序不同
解析:选C 绿叶中的色素能够溶解在有机溶剂无水乙醇和丙酮中,A错误;叶绿体色素的提取实验研磨前加入碳酸钙,可以保护叶绿体色素,防止色素被破坏,B错误;叶绿素b在层析液中溶解度最小,C正确;各色素带顺序由自身在层析液中的溶解度所决定的,溶解度大,扩散速度快;溶解度小,扩散速度慢,与绿叶种类无关,D错误。
4.(2019·崇明县联考)小明分别对紫藤的绿叶和黄叶进行了“叶绿体中色素的提取和分离”实验,结果如图所示。对该实验结果说明合理的是( )
A.②是紫藤绿叶的色素分离结果
B.结果②表明叶片研磨不充分
C.紫藤黄叶中缺少叶绿素
D.紫藤黄叶中缺少类胡萝卜素
解析:选C 据图分析可知,②是紫藤黄叶的色素分离结果,A、B错误;紫藤黄叶中缺少下面两条色素带,即缺少叶绿素,C正确,D错误。
5.洋葱的管状叶呈绿色,鳞片叶的外表皮呈紫色、内表皮几乎无色。下列以洋葱为材料的实验中,不能达到实验目的的是( )
A.用管状叶作材料提取并分离叶绿体中的光合色素
B.用鳞片叶的外表皮作材料观察细胞的吸水与失水
C.用鳞片叶的内表皮作材料观察DNA在细胞中分布
D.用根作材料观察细胞中染色体行为的动态变化过程
解析:选D 管状叶呈绿色,说明含有叶绿体,因此可以用管状叶作材料提取并分离叶绿体中的光合色素,A正确;鳞片叶的外表皮呈紫色,是因为其中央液泡中的细胞液呈紫色,用鳞片叶的外表皮作材料观察细胞的吸水与失水,实验现象明显,B正确;鳞片叶的内表皮,其细胞液无色,有细胞核、线粒体等结构,可以用作观察DNA在细胞中分布的实验材料,C正确;用根作材料观察细胞的有丝分裂,在制作临时装片的解离环节,导致细胞死亡,失去生命活动,因此不能观察到染色体行为的动态变化过程,D错误。
6.(2019·绍兴模拟)如图是利用新鲜菠菜叶进行“光合色素的提取和分离”活动时得到的结果,出现该实验结果的原因可能是( )
A.用70%乙醇作为提取液
B.研磨时未加SiO2
C.研磨时未加CaCO3
D.分离时层析液液面高于滤液细线
解析:选C 提取叶绿体中的色素用的是无水乙醇,如果用70%的乙醇作为提取液,则各种色素的含量都会减少,但图示中胡萝卜素和叶黄素含量都不低。图中叶绿素a和叶绿素b含量相对较少,而叶黄素和胡萝卜素含量较多,最可能的原因是研磨时未加CaCO3,导致部分叶绿素被破坏;如果未加SiO2,那么各种色素的含量都会减少。若分离时层析液液面高于滤液细线,色素会溶解到层析液中,得不到色素带。
7.小明用新鲜菠菜叶,按照实验要求完成了叶绿体色素提取与分离实验,并将实验纸层析结果绘制成坐标图,下列图示比较接近实验结果的是( )
解析:选C 绿叶中色素的提取和分离实验中,距点样处的距离由近到远的色素依次是:叶绿素b、叶绿素a、叶黄素和胡萝卜素。色素带的宽窄与色素含量相关,其含量关系为胡萝卜素(最窄)、叶黄素、叶绿素b(第2宽)、叶绿素a(最宽)。
8.如图表示叶绿体中色素吸收光能的情况。据图判断下列说法错误的是( )
A.由图可知,类胡萝卜素主要吸收400~500 nm波长的光
B.用450 nm波长的光比600 nm波长的光更有利于提高光合作用强度
C.由550 nm波长的光转为670 nm波长的光后,叶绿体中C3的量增加
D.土壤中缺乏镁时,植物对420~470 nm波长的光的利用量显著减少
解析:选C 类胡萝卜素主要吸收400~500 nm波长的光;据图可知,用450 nm波长的光比600 nm波长的光更有利于提高光合作用强度;由550 nm波长的光转为670 nm波长的光后,色素吸收光能增强,光反应增强,C3还原加速,叶绿体中C3的量将减少;叶绿素b主要吸收420~470 nm波长的光,缺镁时叶绿素合成减少,所以此波段的光的利用量显著减少。
9.将在黑暗中放置一段时间的叶片均分成4小块,分别置于不同的试管中,按下表进行实验处理,其中着色最浅的叶片所在的试管是( )
试管编号
①
②
③
④
实验处理
CO2溶液
+
+
+
+
光照
白光
蓝光
红光
绿光
碘液
+
+
+
+
注:“+”表示具有该条件。
A.① B.②
C.③ D.④
解析:选D 在不同的光照条件下,光合作用强度不同,叶绿体中的色素主要吸收红光和蓝紫光,对绿光几乎不吸收,故在白光下,叶片光合作用最强,经碘液处理后,着色最深;绿光下,叶片光合作用最弱,着色最浅。
10.(2019·冀州段考)如图表示用韭菜宿根进行的相关对照实验流程。下列叙述错误的是( )
A.提取色素时,要加入SiO2和CaCO3进行充分研磨
B.色素在滤纸条上分离的原因是不同色素在无水乙醇中的溶解度不同
C.实验结果①可说明叶绿素合成需要光照
D.实验结果②表明韭菜中提取的色素吸收光的种类更多
解析:选B 提取色素时加入SiO2是为了研磨充分,而加入CaCO3是为了防止色素被破坏;色素在滤纸条上分离的原因是不同色素在层析液中的溶解度不同;实验结果①色素带不同,可说明叶绿素合成需要光照;实验结果②表明韭菜中提取的色素吸收光的种类更多。
11.某实验小组以新鲜的绿叶为材料,进行绿叶中色素的提取与分离实验,实验结果如图所示。请回答下列问题:
(1)分离绿叶中的色素常用纸层析法,该方法的原理是____________________________________。A、B是滤纸条上的标记,根据实验现象可知在将滤纸条放入层析液时,层析液的液面所处的位置是________(填“A”或“B”)处。
(2)在色素的提取与分离过程中,偶然发现某植株的实验结果缺失第Ⅲ条色素带。
①第Ⅲ条色素带代表________,缺失第Ⅲ条色素带会导致植株对________光的吸收能力明显减弱。
②该实验小组为了研究缺失第Ⅲ条色素带的植株(甲)和正常的植株(乙)光合速率的差异,在不同的光照强度下测定了两植株的CO2吸收速率,结果如表所示:
光照强度(klx)
0
5
10
15
20
25
30
CO2吸收速率(mg·m-2·h-1)
甲
-3.6
-0.72
2.4
3.0
4.8
6.9
7.2
乙
-4.6
-1
2.4
3.6
5.8
7.9
8.8
根据表格中信息可知,更适合在强光下生活的是植株____(填“甲”或“乙”)。当光照强度为15 klx时,植株甲的光合速率______(填“大于”“小于”或“等于”)植株乙的;当光照强度为30 klx时,植株甲积累葡萄糖的速率约为________mg·m-2·h-1。
解析:(1)色素分离原理是绿叶中的色素在层析液中的溶解度不同,溶解度高的随层析液在滤纸上扩散得快,溶解度低的随层析液在滤纸上扩散得慢。图中得到了正常的色素带,因此根据实验现象可知在将滤纸条放入层析液时,层析液的液面所处的位置是A处。(2)①第Ⅲ条色素带表示叶黄素,叶黄素主要吸收蓝紫光,缺失叶黄素会导致植株对蓝紫光吸收能力明显减弱。②两植株的CO2吸收速率代表净光合速率,比较甲、乙两组实验数据可知,更适合在强光下生活的是植株乙;当光照强度为0 klx时,植株只进行呼吸作用,植株甲的呼吸速率为3.6 mg·m-2·h-1,植株乙的呼吸速率为4.6 mg·m-2·h-1,因此当光照强度为15 klx时,植株甲的光合速率为3.0+3.6=6.6(mg·m-2·h-1),植株乙的光合速率为3.6+4.6=8.2(mg·m-2·h-1);当光照强度为30 klx时,植株甲CO2吸收速率为7.2 mg·m-2·h-1,根据光合作用反应方程式:6CO2+12H2OC6H12O6+6O2+6H2O,求出积累葡萄糖的速率为(180×7.2)/(6×44)≈4.9(mg·m-2·h-1)。
答案:(1)绿叶中的色素在层析液中的溶解度不同,溶解度高的随层析液在滤纸上扩散得快,反之则慢 A (2)①叶黄素 蓝紫 ②乙 小于 4.9
12.植物的生长发育需要根从土壤中吸收水分和各种矿质元素,科学实验发现土壤中缺磷会导致植株矮小,叶色暗绿。依据叶色变化判断可能是缺少类胡萝卜素,试设计实验探究叶色暗绿是否是因为缺磷造成类胡萝卜素缺乏所致。
实验所需主要用具、试剂:烧杯、漏斗、试管、研钵、完全培养液、仅缺磷的完全培养液、无水乙醇、SiO2、CaCO3、层析液等。
实验材料:正常生长的黄瓜幼苗。
实验假设:____________________________________________________________。
实验步骤:
第一步:取两个烧杯编号为A、B,各放入同样数量、________________________________________________________________________
________________________________________________________________________的黄瓜幼苗。
第二步:A烧杯中加入完全培养液,B烧杯中加入等量________________,置于相同且适宜的条件下培养,培养到两组黄瓜幼苗叶片出现颜色差异为止。
第三步:分别从A、B两组中选取________,用________提取叶片色素,用________法分离色素,观察比较_______________________________________________________
________________________。
实验结果预测:
(1)A、B两组类胡萝卜素色素带宽度和颜色一致,说明缺磷导致的叶色暗绿,不是由于类胡萝卜素缺乏所致。
(2)________________________________________________________________________
________________________________________________________________________。
解析:根据题中的实验目的,可确定该实验的假设为:缺磷导致类胡萝卜素缺乏,引起叶色暗绿。利用溶液培养法来培养黄瓜幼苗,实验时要遵循对照原则和单一变量原则。等到完全培养液和缺磷的完全培养液中黄瓜叶片出现颜色差异时进行色素的提取和分离实验,最终比较色素带的宽度和颜色的深浅来确定假设是否成立。
答案:实验假设:缺磷导致类胡萝卜素缺乏,引起叶色暗绿
实验步骤:第一步:同一品种且长势相近、苗龄相同 第二步:仅缺磷的完全培养液 第三步:等量叶片 无水乙醇 纸层析 A、B两组色素带中类胡萝卜素色素带的宽度和颜色的深浅 实验结果预测:(2)A组比B组类胡萝卜素色素带宽度大、颜色深(或B组缺少类胡萝卜素色素带),说明缺磷导致的叶色暗绿,是由于类胡萝卜素缺乏所致
第2课时 光合作用的过程及影响因素
一、光合作用的探究历程(连线)
二、光合作用的过程
1.完善光合作用的过程
(1)图中①表示O2,②表示C3,③表示CO2,④表示[H]。
(2)光合作用的总反应式为:
6CO2+12H2OC6H12O6+6H2O+6O2
2.光反应与暗反应的比较
项目
光反应
暗反应
条件
光、水、色素和酶
ATP、[H]、CO2、多种酶
场所
在类囊体薄膜上
在叶绿体基质中
物质转化
水的光解;ATP的形成
CO2的固定和C3的还原
能量转化
光能→ATP中活跃的化学能
ATP中活跃的化学能→有机物中稳定的化学能
联系
光反应为暗反应提供[H]和ATP,暗反应为光反应提供ADP和Pi
[基础微点全练]
1.判断正误
(1)叶肉细胞中光合作用的暗反应发生在叶绿体基质中(√)
(2017·全国卷Ⅲ,T2B)
(2)通常,红外光和紫外光可被叶绿体中的色素吸收用于光合作用(2016·全国卷Ⅱ,T4C)(×)
(3)证明光合作用所释放的O2来自水与用紫外线等处理青霉菌选育高产青霉素菌株所用核心技术相同(×)
(2016·全国卷Ⅲ,T2改编)
(4)适宜条件下光合作用过程中C5/C3的比值,停止供应CO2后比停止前高(2015·山东卷,T4D)(√)
(5)光合作用需要的色素和酶分布在叶绿体基粒和基质中(×)
(6)光反应为暗反应提供[H]和H2O(×)
(7)破坏叶绿体外膜后,O2不能产生(×)
(8)离体叶绿体基质中添加ATP、[H](NADPH)和CO2后,可完成暗反应(√)
(9)光照下叶绿体中的ATP主要是由光合作用合成的糖经有氧呼吸产生的(×)
(10)光反应将光能转化为稳定的化学能储存在ATP中(×)
2.(2018·海南高考)高等植物细胞中,下列过程只发生在生物膜上的是( )
A.光合作用中的光反应
B.光合作用中CO2的固定
C.葡萄糖分解产生丙酮酸
D.以DNA为模板合成RNA
解析:选A 光反应阶段在叶绿体的类囊体薄膜上进行水的光解;光合作用中CO2的固定发生在叶绿体基质中;葡萄糖分解产生丙酮酸发生在细胞质基质中;以DNA为模板合成RNA主要发生在细胞核中。
3.(2015·安徽高考)如图为大豆叶片光合作用暗反应阶段的示意图。下列叙述正确的是( )
A.CO2的固定实质上是将ATP中的化学能转变为C3中的化学能
B.CO2可直接被[H]还原,再经过一系列的变化形成糖类
C.被还原的C3在有关酶的催化作用下,可再形成C5
D.光照强度由强变弱时,短时间内C5含量会升高
解析:选C ATP为C3的还原提供能量,并将能量转移到(CH2O)等有机物中,CO2的固定不需要能量。暗反应中,必须经过CO2的固定和C3的还原才能形成有机物。在暗反应中,一部分C3经过一系列变化形成C5,一部分C3还原成(CH2O)等有机物。在CO2供应不变的情况下,光照强度由强变弱时,光反应提供的[H]、ATP减少,导致C3还原过程减弱,但此时CO2的固定仍在进行,故短时间内C3含量上升,C5含量下降。
4.根据下面光合作用图解,判断下列说法正确的是( )
A.⑤过程发生于叶绿体基质中
B.⑥过程发生于叶绿体类囊体薄膜上
C.图示①~④依次为[H]、ATP、CO2、(CH2O)
D.②不仅用于还原C3,还可促进③与C5的结合
解析:选C 根据光合作用的过程判断①②③④⑤⑥分别表示[H]、ATP、CO2、(CH2O)、光反应和暗反应。光反应发生在叶绿体的类囊体薄膜上,暗反应发生在叶绿体的基质中。C3还原过程中需要ATP,CO2固定过程中不需要ATP。
5.(2015·福建高考)在光合作用中,RuBP羧化酶能催化CO2+C5(即RuBP)→2C3。为测定RuBP羧化酶的活性,某学习小组从菠菜叶中提取该酶,用其催化C5与14CO2的反应,并检测产物14C3的放射性强度。下列分析错误的是( )
A.菠菜叶肉细胞内RuBP羧化酶催化上述反应的场所是叶绿体基质
B.RuBP羧化酶催化的上述反应需要在无光条件下进行
C.测定RuBP羧化酶活性的过程中运用了同位素标记法
D.单位时间内14C3生成量越多说明RuBP羧化酶活性越高
解析:选B CO2+C5(RuBP)―→2C3为CO2的固定,属于光合作用中的暗反应过程。RuBP羧化酶催化CO2的固定过程,发生的场所为叶绿体基质。CO2的固定在有光和无光条件下都能进行,所以RuBP羧化酶催化该过程在有光和无光条件下都可进行。对CO2中的C用同位素14C标记,可以追踪C元素的转移途径,这种方法是同位素标记法。单位时间内14C3生成量越多,说明反应速率越快,即RuBP羧化酶的活性越高。
6.下面为几种环境因素对植物光合作用影响的关系图,有关描述错误的是( )
A.图1中,若光照强度适当增强至最适状态,a点左移,b点右移
B.图2中,若CO2浓度适当增大至最适状态, a点右移,b点左移
C.图3中,a点与b点相比,a点时叶绿体中C3含量相对较多
D.图3中,限制b点光合作用的主要因素是光照强度和CO2浓度
解析:选B 图1和图2中的a点代表光合作用和呼吸作用相等时光合作用的强度,在曲线达到最高点之前,光照强度和CO2浓度都是限制光合作用强度的因素,当其中一个因素增大,要达到相同的生理状态,另一个因素在其相对较弱时即可满足,故图1中光照强度适当增大至最适状态时,a点会左移,图2中CO2浓度适当增大至最适状态时,a点也会左移;图1和图2中的b点代表光合作用的饱和点,限制因素光照强度和CO2浓度适当增大时,光合作用强度也会增大,所需的CO2浓度和光照强度也会增大,b点右移;图3中,b点时,光照强度和CO2浓度均是光合作用的限制因素,a点和b点的光照强度相同,故a点时叶绿体中C3含量比b点多。
一、光合作用的原理和过程
[试考题·查欠缺]
1.(2018·北京高考)光反应在叶绿体类囊体上进行。在适宜条件下,向类囊体悬液中加入氧化还原指示剂DCIP,照光后DCIP由蓝色逐渐变为无色。该反应过程中( )
A.需要ATP提供能量 B.DCIP被氧化
C.不需要光合色素参与 D.会产生氧气
解析:选D 光合作用中的光反应发生在类囊体薄膜上,光合色素吸收光能,一方面使水光解,释放出氧气和形成[H],另一方面在有关酶的催化作用下,促使ADP与Pi发生化学反应形成ATP。结合题干信息,加入氧化还原指示剂DCIP后,DCIP会被[H]还原。
2.(2019·西安一模)下列物质转化过程在绿色植物不同活细胞中都会发生的是( )
A.O2中的O转移到H2O中
B.CO2中的C转移到C6H12O6中
C.H2O中的O转移到O2中
D.C6H12O6中的H转移到C3H6O3(乳酸)中
解析:选A O2中的O转移到H2O中发生在有氧呼吸的第三阶段,因而在绿色植物不同活细胞中都会发生;CO2中的C转移到C6H12O6中只发生在暗反应过程中,所以只能在进行光合作用的细胞中发生;H2O中的O转移到O2中只发生在光反应过程中,所以只能在进行光合作用的细胞中发生;C6H12O6中的H转移到C3H6O3只发生在部分植物的部分细胞缺氧时,因而绿色植物不同活细胞中不会都发生。
3.(2016·海南高考)下列叙述错误的是( )
A.温度和光照会影响CO2的同化速率
B.光合作用中O2的产生发生在光反应阶段
C.光反应产生的ATP和NADPH不参与暗反应
D.土壤中的硝化细菌可利用CO2和H2O合成糖
解析:选C 温度影响酶活性,光照影响光反应,二者均会影响暗反应中CO2的同化速率;光反应分解H2O,产生O2;光反应产生的ATP和NADPH参与暗反应;硝化细菌属于自养型生物,可以利用CO2和H2O合成糖类。
4.(2014·全国卷Ⅰ)正常生长的绿藻,照光培养一段时间后,用黑布迅速将培养瓶罩上,此后绿藻细胞的叶绿体内不可能发生的现象是( )
A.O2的产生停止 B.CO2的固定加快
C.ATP/ADP比值下降 D.NADPH/NADP+比值下降
解析:选B 黑暗处理后,光反应停止,O2的产生停止。ATP和NADPH是光反应的产物,同时也是暗反应的原料,黑暗处理后,ATP和NADPH的产生减少,且仍被暗反应所消耗,产生的ADP和NADP+增多。光反应产生的ATP和NADPH减少,使得暗反应产生的C5减少,CO2的固定减慢。
[强知能·补欠缺]
1.掌握光反应与暗反应的联系
(1)光反应为暗反应提供[H]、ATP,暗反应为光反应提供ADP和Pi。
(2)没有光反应,暗反应无法进行,没有暗反应,有机物无法合成。
2.理清光合作用中元素去向
(1)反应式(以生成C6H12O6为例):
6CO2+12H2OC6H12O6+6O2+6H2O
(2)同位素标记元素转移途径:
H:
C:
O:
3.比较光合作用和化能合成作用
光合作用
化能合成作用
区别
能量来源
光能
氧化无机物放出的能量
代表生物
绿色植物
硝化细菌
相同点
都能将CO2和H2O等无机物合成有机物
4.过程法分析C3和C5等物质含量变化
当外界条件改变时,光合作用中C3、C5及ATP和ADP含量变化可以采用如图分析:
(1)停止光照时
光停,ATP↓,ADP↑,C3↑,C5↓,分析如下:
过程①停止
↓
过程②停止
↓
过程③停止
↓
过程④停止
a.ATP不再产生
b.原有ATP仍继续分解,直至全部消耗 ⇒
ADP积累,含量增加;ATP减少
a.C3不再还原成C5和(CH2O)
b.原有C5仍继续参与CO2的固定,直至全部消耗 ⇒
C3积累,含量增加;C5减少
(2)停止CO2供应时
CO2停,C5↑,C3↓,ATP↑,ADP↓,分析如下:
过程④停止
↓
过程③停止
↓
过程②停止
↓
过程①停止
a.C3不再生成
b.原有C3继续还原生成C5和(CH2O)直至全部消耗 ⇒
C5积累,含量增加;C3减少
a.ATP不再分解
b.原有ADP继续合成ATP,直至全部消耗 ⇒
ATP积累,含量增加;ADP减少
5.模型法表示C3和C5等物质含量变化
[特别提醒] 分析光合作用相关物质含量变化的注意点
(1)以上分析只表示条件改变后短时间内各物质相对含量的变化,而非长时间。
(2)以上各物质变化中,C3和C5含量的变化是相反的,[H]和ATP的含量变化是一致的。
[练题点·全过关]
1.下列物质中,可以在叶绿体类囊体薄膜上被消耗的有( )
A.水、二氧化碳、ATP B.氧气、水、ATP
C.水、ADP、Pi D.ADP、C3、水
解析:选C 在叶绿体类囊体的薄膜上发生的光反应,有ATP的形成和水的光解。
2.下列关于植物细胞内与能量转换有关的两种细胞器中进行的生理过程描述,正确的是( )
A.两种细胞器中水的消耗都发生在基质中
B.两种细胞器中产生的[H]可以相互利用
C.(CH2O)→[H]和[H]→(CH2O)发生在两种细胞器中
D.在这两种细胞器的有关生物膜结构上,都能产生ATP
解析:选D 植物细胞内与能量转换有关的细胞器是线粒体和叶绿体,线粒体中水的消耗发生在有氧呼吸第二阶段,场所为线粒体基质,叶绿体中水的消耗发生在光反应阶段,场所为类囊体薄膜,A错误;两种细胞器中产生的[H]不是同一种物质,不能相互利用,线粒体中产生的[H]与氧结合生成水,叶绿体中的[H]参与C3的还原,B错误;(CH2O)→[H]表示细胞呼吸第一阶段,发生在细胞质基质中,C错误;线粒体内膜和叶绿体类囊体薄膜上都能产生ATP,D正确。
3.(2019·株洲检测)如图为光合作用示意图。下列说法错误的是( )
A.①表示O2,④表示CO2
B.暗反应中,CO2首先与C5结合生成C3,然后被还原为(CH2O)
C.C3的还原过程中,需要光反应提供的物质只有②
D.增加光照强度,C3的含量将减少
解析:选C 在叶绿体的类囊体薄膜上进行的是光反应,这一阶段中产生[H](即NADPH)、ATP和O2,因此,①表示O2,④表示暗反应过程中与C5反应的CO2;CO2先与C5反应生成C3,然后C3在光反应提供的ATP和[H]参与下被还原成(CH2O);增加光照强度,光反应产生的ATP和[H]增多,则在暗反应中有更多的C3被还原,故增加光照强度,C3含量减少。
[易错提醒]
关注光合作用中的几种能量关系
(1)光反应中光能转换为活跃的化学能并非只储存于ATP中,NADPH([H])中也含有能量。
(2)光反应产生的ATP只用于C3的还原,不用于植物体的其他生命活动。
(3)C3还原消耗的能量不只来自ATP,还可由NADPH提供。
4.下列物质与植物光合作用的关系,错误的是( )
选项
物质
主要生理作用
A
ATP
参与CO2的固定
B
酶
催化光合作用中的化学反应
C
叶绿素
捕获光能
D
H2O
参与O2和(CH2O)的形成
解析:选A CO2的固定过程不需要消耗ATP。
5.如图表示在夏季晴朗的白天植物细胞内C3和C5的相对含量随一种环境因素的改变的变化情况,下列对这一环境因素改变的分析正确的是( )
A.突然停止光照
B.突然增加CO2浓度
C.降低环境温度
D.增加光照强度
解析:选D 突然停止光照,光反应产生的[H]和ATP减少,被还原的C3减少,生成的C5减少,而CO2被C5固定形成C3的过程不变,故C3的相对含量将增加、C5的相对含量将减少;突然增加CO2浓度,CO2被C5固定形成C3的量增加、消耗的C5量增加、C3还原速率不变,植物细胞内C3相对含量增加、C5相对含量减少;降低环境温度,CO2固定速率和C3还原速率均下降,C5的相对含量不会大幅度地增加;增加光照强度,光反应产生的[H]和ATP增多,被还原的C3增多,生成的C5增多,而CO2被C5固定形成C3的过程不变,故C3的相对含量将减少、C5的相对含量将增加。
[方法技巧]
判断C3、C5等物质含量变化的分析思路
叶绿体内相关物质含量变化可通过对物质的来路和去路是否平衡进行分析:
(1)来路去路,则物质含量相对稳定。
(2)来路不变,去路增加,或来路减少,去路不变,则物质含量减少。
(3)来路不变,去路减少,或来路增加,去路不变,则物质含量增加。
二、影响光合作用的因素及应用
[试考题·查欠缺]
1.(2017·全国卷Ⅲ)植物光合作用的作用光谱是通过测量光合作用对不同波长光的反应(如O2的释放)来绘制的。下列叙述错误的是( )
A.类胡萝卜素在红光区吸收的光能可用于光反应中ATP的合成
B.叶绿素的吸收光谱可通过测量其对不同波长光的吸收值来绘制
C.光合作用的作用光谱也可用CO2的吸收速率随光波长的变化来表示
D.叶片在640~660 nm波长光下释放O2是由叶绿素参与光合作用引起的
解析:选A 类胡萝卜素主要吸收蓝紫光,不吸收红光;叶绿素的吸收光谱可通过测量其对不同波长光的吸收值来绘制;作用光谱是通过测量光合作用对不同波长光的反应来绘制的,因此可用CO2吸收速率随光波长的变化来表示;叶绿素吸收640~660 nm的红光,导致水光解释放O2。
2.(2015·海南高考)植物甲与植物乙的净光合速率随叶片温度(叶温)变化的趋势如图所示。下列叙述错误的是( )
A.植物甲和乙光合作用所需要的能量都来自于太阳能
B.叶温在36~50 ℃时,植物甲的净光合速率比植物乙的高
C.叶温为25 ℃时,植物甲的光合与呼吸作用强度的差值不同于植物乙的
D.叶温为35 ℃时,甲、乙两种植物的光合与呼吸作用强度的差值均为0
解析:选D 植物光合作用所需要的能量都来自于太阳能;分析曲线可知,叶温在36~50 ℃时,植物甲的净光合速率比植物乙的高;光合与呼吸作用强度的差值即净光合速率,叶温为25 ℃时,植物甲的净光合速率小于植物乙;叶温为35 ℃时,甲、乙两种植物的光合与呼吸作用强度的差值相等,均大于0。
3.(2015·海南高考)将一株生长正常的某种植物置于密闭的玻璃容器内,在适宜条件下光照培养。从照光开始,净光合速率随着时间延长逐渐下降直至为0,之后保持不变。在上述整个时间段内,玻璃容器内CO2浓度表现出的变化趋势是( )
A.降低至一定水平时再升高
B.持续保持相对稳定状态
C.降低至一定水平时保持不变
D.升高至一定水平时保持相对稳定
解析:选C 密闭容器内的植物在光照条件下既能进行光合作用也能进行有氧呼吸,植物净光合速率=实际光合速率-呼吸速率,净光合速率只要大于0,则光合作用消耗的CO2量就大于有氧呼吸释放的CO2量;根据题意,从照光开始,净光合速率随着时间延长逐渐下降直至为0,之后保持不变。说明密闭容器内的CO2浓度从光照开始就下降,当净光合速率随着时间延长逐渐下降直至为0时,密闭容器内的CO2浓度停止下降,然后净光合速率为0保持不变,密闭容器内的CO2浓度保持不变。
4.(2019·西安名校联考)如图为植物细胞代谢的部分过程简图,①~⑦为相关生理过程。下列叙述错误的是( )
A.若植物缺Mg,则首先会受到显著影响的是③
B.②的进行与⑤⑥密切相关
C.蓝藻细胞中④发生在叶绿体基质中
D.叶肉细胞③中O2的产生量小于⑥中O2的吸收量,则该细胞内有机物的总量将减少
解析:选C Mg是合成叶绿素的成分,光反应阶段需要叶绿素吸收光能,若植物缺Mg,则叶绿素的合成受到影响,首先会受到显著影响的生理过程是③光反应过程,A正确;植物细胞②吸收矿质元素离子是主动运输过程,需要消耗能量,故与⑤⑥呼吸作用过程密切相关,B正确;蓝藻细胞是原核细胞,没有叶绿体,C错误;图中③光反应过程O2的释放量小于⑥有氧呼吸过程O2的吸收量,则净光合作用量<0,该植物体内有机物的量将减少,D正确。
5.(2018·江苏高考)如图为某一植物在不同实验条件下测得的净光合速率,下列假设条件中能使图中结果成立的是( )
A.横坐标是CO2浓度,甲表示较高温度,乙表示较低温度
B.横坐标是温度,甲表示较高CO2浓度,乙表示较低CO2浓度
C.横坐标是光波长,甲表示较高温度,乙表示较低温度
D.横坐标是光照强度,甲表示较高CO2浓度,乙表示较低CO2浓度
解析:选D 随着CO2浓度的增大,净光合速率先增大后趋于稳定,但由于净光合速率最大时对应着一个温度,即最适温度,低于或高于此温度,净光合速率都将下降,所以无法确定在CO2浓度足够大时,较高温度下的净光合速率高于较低温度;植物进行光合作用存在最适温度,高于最适温度后,净光合速率减小,所以随着温度升高,净光合速率不应先升高后趋于稳定;由于光合色素主要吸收红光和蓝紫光,在相应光波长时,植物的净光合速率存在峰值,不应呈现先升高后趋于稳定的状态,且光波长一定时,较高温度下的净光合速率不一定较高;随着光照强度的增加,净光合速率先增大后趋于稳定,在光照强度足够时,较高的CO2浓度下净光合速率较大。
[强知能·补欠缺]
用曲线模型分析影响光合作用的环境因素
1.光照强度
曲线模型
模型分析
曲线对应点
细胞生理活动
ATP产生场所
植物组织外观表现
图示
A点
只进行细胞呼吸,不进行光合作用
只在细胞质基质和线粒体
从外界吸收O2,向外界排出CO2
AB段(不含A、B点)
呼吸量>光合量
细胞质基质、线粒体、叶绿体
从外界吸收O2,向外界排出CO2
B点
光合量=呼吸量
与外界不发生气体交换
B点之后
光合量>呼吸量
从外界吸收CO2,向外界释放O2。此时植物可更新空气
应用
①温室生产中,适当增强光照强度,以提高光合速率,使作物增产
②阴生植物的光补偿点和光饱和点都较阳生植物低,如图中虚线所示,间作套种农作物,可合理利用光能
2.CO2浓度
原理
CO2影响暗反应阶段,制约C3的形成
曲线模型及分析
图1中A点表示CO2补偿点,即光合速率等于呼吸速率时的CO2浓度,图2中A′点表示进行光合作用所需CO2的最低浓度。B和B′点都表示CO2饱和点
应用
在农业生产上可以通过“正其行,通其风”,增施农家肥等增大CO2浓度,提高光合速率
3.温度
原理
温度通过影响酶的活性影响光合作用
曲线模型及分析
AB段:在B点之前,随着温度升高,光合速率增大
B点:酶的最适温度,光合速率最大
BC段:随着温度升高,酶的活性下降,光合速率减小,50 ℃左右光合速率几乎为零
应用
温室栽培植物时,白天调到光合作用最适温度,以提高光合速率;晚上适当降低温室内温度,以降低细胞呼吸速率,保证植物有机物的积累
4.矿质元素
原理
矿质元素是参与光合作用的许多重要化合物的组成成分,缺乏会影响光合作用的进行。例如,N是酶的组成元素,N、P是ATP的组成元素,Mg是叶绿素的组成元素等
曲线模型及分析
在一定浓度范围内,增大必需矿质元素的供应,可提高光合作用强度;但当超过一定浓度后,会因土壤溶液浓度过高,植物渗透失水而导致植物光合作用强度下降
应用
在农业生产上,根据植物的需肥规律,适时、适量地增施肥料,可以提高光能利用率
5.光照、CO2浓度和温度对光合作用的综合作用
常见曲线模型
曲线分析
P点:限制光合速率的因素应为横坐标所表示的因子,随着因子的不断加强,光合速率不断提高
Q点:横坐标所表示的因子不再是影响光合速率的因素,影响因素主要为各曲线所表示的因子(图1为温度,图2为CO2浓度,图3为光照强度)
应用
温室栽培时,在一定光照强度下,白天适当提高温度,增加光合酶的活性,提高光合速率,也可同时适当增加CO2,进一步提高光合速率;当温度适宜时,可适当增加光照强度和CO2浓度以提高光合速率
[练题点·全过关]
1.(2016·天津高考)在适宜反应条件下,用白光照射离体的新鲜叶绿体一段时间后,突然改用光照强度与白光相同的红光或绿光照射。下列是光源与瞬间发生变化的物质,组合正确的是( )
A.红光,ATP下降 B.红光,未被还原的C3上升
C.绿光,[H]下降 D.绿光,C5上升
解析:选C 叶绿体中的色素主要吸收红光和蓝紫光,而对绿光吸收最少,因此当突然改用光照强度与白光相同的红光照射时,光反应增强,ATP、[H]、C5含量上升,ADP、C3含量减少;当突然改用光照强度与白光相同的绿光照射时,光反应减弱,ATP、[H]、C5含量减少,ADP、C3含量增多。
2.景天酸代谢(CAM)途径属于某些植物特有的CO2固定方式:夜晚气孔开放,通过一系列反应将CO2固定于苹果酸,并储存在液泡中(甲);白天气孔关闭,苹果酸运出液泡后放出CO2,供叶绿体的暗反应(乙)。下列关于这类植物的叙述错误的是( )
A.在夜晚,叶肉细胞能产生ATP的细胞器只有线粒体
B.景天酸代谢途径的出现,可能与植物适应干旱条件有关
C.给植物提供14C标记的14CO2,14C可以出现在OAA、苹果酸、C3和有机物中
D.在上午某一时刻,突然降低外界的CO2浓度,叶肉细胞中C3的含量短时间内会降低
解析:选D 在夜晚,叶肉细胞只能通过细胞呼吸产生ATP,即产生ATP的细胞器是线粒体,A正确。具有景天酸代谢途径的植物,气孔白天关闭,可以减少蒸腾作用,夜晚气孔张开吸收CO2,因此可以适应干旱的环境条件,B正确。晚上气孔开放,14CO2进入细胞后在细胞质基质中与PEP结合生成OAA,然后再转化为苹果酸而被固定;白天苹果酸运出液泡后放出14CO2,14CO2首先与C5结合生成C3,随后C3被还原生成有机物,即14CO2→14C3→(14CH2O),C正确。在上午某一时刻,突然降低外界的CO2浓度,对于该叶肉细胞来说,其暗反应不受影响,即C3的含量不受影响,D错误。
3.将某种植物生长状况相同的叶片分成4等份,先在不同温度条件下暗处理1h,再用强度相同的光照射1h,叶片有机物含量变化如图所示。下列分析正确的是( )
A.在27 ℃、28 ℃和29 ℃时该植物光合作用积累的有机物量相等
B.该植物在27 ℃时生长最快,在29 ℃和30 ℃时不表现生长现象
C.在所给的4个温度中,该植物呼吸作用和光合作用的最适温度都是29 ℃
D.30 ℃时该植物光合作用制造的有机物量等于呼吸作用消耗的有机物量
解析:选C 27 ℃、28 ℃和29 ℃时植物光合作用积累的有机物量,即净光合量等于黑暗时的减少量+光照后与暗处理前的有机物增加量,很明显三者不相等,A错误;图中29 ℃时该植物光合作用积累的有机物量最大,为3+3=6,生长最快,B错误;图中呼吸作用的最适温度是29 ℃,同时该温度时光合速率也最大,C正确;30 ℃时该植物光合作用制造的有机物量为真正的光合作用量,等于2倍呼吸速率+光照后与暗处理前的有机物增加量=2+1=3,D错误。
4.(2019·济南四校联考)植物的光合作用受温度(T)和光照强度(L)的影响。如图表明植物在3种不同的光照强度下消耗CO2的情况。分析在-5~0 ℃和20~30 ℃温度范围内,光合作用的限制因素分别是( )
A.L;T B.T和L;都不是
C.T;L D.T;T
解析:选C 在-5~0 ℃范围内,光合速率不随光照增强而增大,所以限制因素是温度;20~30 ℃范围内,光合速率不随温度升高而增大,而随光照强度增强而增大,所以限制因素是光照强度。
5.(2016·全国卷Ⅰ)为了探究生长条件对植物光合作用的影响,某研究小组将某品种植物的盆栽苗分成甲、乙两组,置于人工气候室中,甲组模拟自然光照,乙组提供低光照,其他培养条件相同。培养较长一段时间(T)后,测定两组植株叶片随光照强度变化的光合作用强度(即单位时间、单位叶面积吸收CO2的量),光合作用强度随光照强度的变化趋势如图所示。回答下列问题:
(1)据图判断,光照强度低于a时,影响甲组植物光合作用的限制因子是______________。
(2)b光照强度下,要使甲组的光合作用强度升高,可以考虑的措施是提高______________(填“CO2浓度”或“O2浓度”)。
(3)播种乙组植株产生的种子,得到的盆栽苗按照甲组的条件培养T时间后,再测定植株叶片随光照强度变化的光合作用强度,得到的曲线与甲组的相同。根据这一结果能够得到的初步结论是_____________________________________________________________。
解析:(1)根据图示信息,对于甲组植物而言,当光照强度低于a时,随光照强度的增加,光合作用强度逐渐升高,说明此时限制其光合作用强度的主要因子为光照强度。(2)根据图示信息,对于甲组植物而言,当光照强度高于b时,随光照强度的增加,光合作用强度不变,说明受其他环境因素的限制。由于光合作用需要不断消耗环境中的CO2,故提高CO2浓度可使b光照强度下甲组的光合作用强度升高。(3)由题目信息可知,乙组和甲组是同一种植物,只是环境中的光照强度不同,虽然乙组植物在低光照环境中的光合作用强度低,但其子代在模拟自然光照下其光合作用强度仍然能够升高,说明乙组光合作用强度与甲组的不同是由环境因素即低光强引起的,而非遗传物质的改变造成的。
答案:(1)光照强度 (2)CO2浓度 (3)乙组光合作用强度与甲组的不同是由环境因素即低光强引起的,而非遗传物质的改变造成的
[方法技巧]
多因素对光合速率影响题目的分析方法
多因素对光合速率影响的曲线图,线的条数较多,还有可能涉及多个“点”,表面上看这类题目很复杂,但在解答这类试题时,仍然需依据单一变量原则,每次只分析一个自变量的变化对实验结果的影响,逐一分析即可得出正确答案。
一、科学思维——开放环境与密闭容器中光合作用的曲线分析
1.图1表示夏季晴朗的一天,某种绿色植物在24小时内O2吸收和释放速率的变化示意图,A、B点对应时刻分别为6时和19时。图2表示光照强度与植物光合速率的关系。下列有关说法错误的是( )
A.图1中24小时内不进行光合作用的时段是0~5时和20~24时
B.图1的阴影部分可表示6~19时有机物的积累量
C.图2中限制A~C段光合速率的主要外界因素是光照强度
D.图2的C点时,每个细胞合成ATP的场所都有细胞质基质、线粒体、叶绿体
解析:选D 据图分析可知,图1中0~5时和20~24时O2吸收速率一直保持最大,只进行呼吸作用,A正确;图中6时和19时光合速率=呼吸速率,故图1的阴影部分可表示6~19时有机物的积累量,B正确;图2中A~C段光合速率随光照强度的增大而增大,说明此段限制光合速率的主要外界因素是光照强度,C正确;图2的C点时,每个细胞合成ATP的场所都有细胞质基质、线粒体,能够进行光合作用的细胞产生ATP的场所还有叶绿体,D错误。
2.(2019·山东师大附中模拟)图1表示八月份某一晴天,一昼夜棉花植株CO2的吸收和释放曲线;图2表示棉花叶肉细胞两种细胞器的四种生理活动状态。则图1中时间a、b、c、d依次发生了图2所示的哪项生理活动( )
A.(1)(2)(3)(4) B.(3)(2)(4)(1)
C.(3)(4)(1)(2) D.(4)(3)(2)(1)
解析:选D 图1曲线中横坐标以上都是光合速率大于呼吸速率,横坐标以下是光合速率小于呼吸速率或只有呼吸作用,曲线与横坐标的交点处都是光合速率等于呼吸速率。图2中(1)表示光合速率大于呼吸速率,对应图1中d、e、f点;图2中(2)表示光合速率等于呼吸速率,对应图1中c、g点;图2中(3)表示光合速率小于呼吸速率,对应图1中b点;图2中(4)表示只有呼吸作用,对应图1中a、h点。
3.(2015·重庆高考)将如图所示细胞置于密闭容器中培养。在不同光照强度下,细胞内外的CO2和O2浓度在短时间内发生了相应变化。下列叙述错误的是( )
A.黑暗条件下,①增大、④减小
B.光强低于光补偿点时,①、③增大
C.光强等于光补偿点时,②、③保持不变
D.光强等于光饱和点时,②减小、④增大
解析:选B 图示细胞为水稻叶肉细胞,在黑暗条件下、密闭容器中,该细胞不进行光合作用,只进行细胞呼吸,吸收O2,放出CO2,因此①增大、④减小。光强低于光补偿点时,光合作用和细胞呼吸同时进行,但细胞呼吸强度大于光合作用强度,细胞吸收O2,放出CO2,此时在密闭容器中①增大、③减小。光强等于光补偿点时,细胞呼吸强度等于光合作用强度,因此细胞吸收O2速度等于放出CO2速度,即②、③保持不变。光强等于光饱和点时,光合作用强度最大,细胞光合作用吸收CO2速度大于细胞呼吸吸收O2的速度,因此②减小、④增大。
4.图1是生物兴趣小组在密闭的玻璃容器中进行的实验示意图(CO2传感器用于测量装置内CO2的含量),图2表示在夏季晴朗的一天图1所示密闭玻璃容器内24 h的CO2浓度的变化,请回答下列问题:
(1)植物叶肉细胞中吸收光能的色素分布在叶绿体的______________。
(2)图1所示实验中对光照强度的控制可通过调节灯泡的亮度来实现,也可通过调节__________________________________________________来实现,装置中热屏障的作用是________________________________________________________________________。
(3)图2中代表植物光合作用强度等于呼吸作用强度的点是________________。
(4)图2中FG段相比EF段CO2浓度下降趋缓的原因是__________________________________________________。
(5)利用仪器测定密闭玻璃容器内CO2含量的变化:先黑暗处理1 h,测得玻璃容器内CO2含量增加50 mg;再给以1 h的充足光照,测得玻璃容器内CO2含量比光照前减少了72 mg,则这1 h光照条件下植物光合作用固定的CO2为________mg。
解析:(1)植物叶肉细胞中吸收光能的色素分布在叶绿体的类囊体薄膜上。(2)利用图1装置探究光照强度对光合速率影响时,对光照强度的控制可通过调节灯泡的亮度来实现,也可通过调节灯泡与热屏障(或玻璃容器)之间的距离来实现,装置中热屏障可防止光照改变密闭玻璃容器中的温度,从而改变植物光合作用强度。(3)光补偿点时,植物的光合作用强度等于呼吸作用强度,图2中代表光合作用强度等于呼吸作用强度的点有D、H。(4)图2中FG段相比EF段CO2浓度下降趋缓,这是由于中午温度很高,蒸腾作用很强,气孔大量关闭,CO2供应减少,导致光合作用强度明显减弱,植物出现“午休”现象。(5)由题意可知,给以1 h的充足光照,测得玻璃容器内CO2含量比光照前减少了72 mg,即净光合速率是72 mg/h;“黑暗”处理1 h,测得玻璃容器内CO2含量增加50 mg,表示呼吸速率为50 mg/h,因此这1 h光照条件下植物光合作用固定的CO2为50+72=122(mg)。
答案:(1)类囊体薄膜上 (2)灯泡与热屏障(或玻璃容器)之间的距离 防止光照改变密闭玻璃容器中的温度,从而改变植物光合作用强度 (3)D、H (4)中午温度很高,蒸腾作用很强,气孔大量关闭,CO2供应减少,导致光合作用强度明显减弱 (5)122
[素养提升]
开放环境与密闭容器中光合作用的昼夜变化分析
1.开放环境中光合作用昼夜变化曲线分析
(1)曲线分析
MN段和PQ段
夜晚植物只进行细胞呼吸;植物体内有机物的总量减少,环境中CO2量增加,O2量减小
NP段
光合作用与呼吸作用同时进行
NA段和EP段
清晨和傍晚光照较弱,光合作用强度小于细胞呼吸强度;植物体内有机物的总量减少,环境中CO2量增加,O2量减少
A点和E点
光合作用强度等于细胞呼吸强度,CO2的吸收和释放达到动态平衡;植物体内有机物的总量不变,环境中CO2量不变,O2量不变
AE段
光合作用强度大于细胞呼吸强度;植物体内有机物的总量增加;环境中CO2量减少,O2量增加
C点
叶片表皮气孔部分关闭,出现“光合午休”现象
E点
光合作用产物的积累量最大
(2)一昼夜有机物的积累量的计算方法(用CO2表示)
一昼夜有机物的积累量=白天从外界吸收的CO2量-晚上呼吸作用释放的CO2量,即S3-(S1+S2)。
2.密闭玻璃罩内CO2浓度与时间的关系曲线
(1)曲线分析
AB段
无光照,植物只进行呼吸作用
BC段
温度降低,呼吸作用减弱
CD段
4时后,微弱光照,开始进行光合作用,但光合作用强度<呼吸作用强度
D点
光合作用强度=呼吸作用强度
DH段
光合作用强度>呼吸作用强度。其中FG段表示“光合午休”现象
H点
光合作用强度=呼吸作用强度
HI段
光照继续减弱,光合作用强度<呼吸作用强度,直至光合作用完全停止
(2)植物生长与否的判断方法
I点低于A点
说明一昼夜,密闭容器中CO2浓度减小,即光合作用>呼吸作用,植物生长
若I点高于A点
说明光合作用<呼吸作用,植物体内有机物总量减少,植物不能生长
若I点等于A点
说明光合作用=呼吸作用,植物体内有机物总量不变,植物不生长
二、科学探究——探究间隔光照对有机物合成量影响的原因
(2015·全国卷Ⅰ)为了探究不同光照处理对植物光合作用的影响,科学家以生长状态相同的某种植物为材料设计了A、B、C、D四组实验。各组实验的温度、光照强度和CO2浓度等条件相同、适宜且稳定,每组处理的总时间均为135 s,处理结束时测定各组材料中光合作用产物的含量。处理方法和实验结果如下:
A组:先光照后黑暗,时间各为67.5 s;光合作用产物的相对含量为50%。
B组:先光照后黑暗,光照和黑暗交替处理,每次光照和黑暗时间各为7.5 s;光合作用产物的相对含量为70%。
C组:先光照后黑暗,光照和黑暗交替处理,每次光照和黑暗时间各为3.75 ms(毫秒);光合作用产物的相对含量为94%。
D组(对照组):光照时间为135 s;光合作用产物的相对含量为100%。
回答下列问题:
(1)单位光照时间内,C组植物合成有机物的量______(填“高于”“等于”或“低于”)D组植物合成有机物的量,依据是______________________________________;C组和D组的实验结果可表明光合作用中有些反应不需要________,这些反应发生的部位是叶绿体的_________________________________________________________。
(2)A、B、C三组处理相比,随着____________________的增加,使光下产生的____________________能够及时利用与及时再生,从而提高了光合作用中CO2的同化量。
解析:(1)C组的光合作用时间仅仅是D组的一半,但C组光合作用产物的相对含量与D组相差很少,可以判断C组单位光照时间内植物合成有机物的量高于D组。C组和D组的结果对照说明黑暗处理时也进行光合作用,即光合作用过程中某些反应不需要光照,该反应指的是暗反应,进行暗反应的场所是叶绿体基质。(2)比较A、B、C三组可以看出,三组的光照和黑暗交替频率不同,交替频率增加可使光照下产生的ATP和还原型辅酶Ⅱ及时利用和再生,从而提高了光合作用中CO2的同化量。
答案:(1)高于 C组只用了D组一半的光照时间,其光合作用产物的相对含量却是D组的94% 光照 基质
(2)光照和黑暗交替频率 ATP和还原型辅酶Ⅱ
[素养提升]
明确间隔光照法对光合作用影响的原因
光反应和暗反应在不同酶的催化作用下相对独立进行,由于催化暗反应的酶的催化效率和数量都是有限的,因此在一般情况下,光反应的速率比暗反应快。持续光照,光反应产生的大量的[H]和ATP不能及时被暗反应消耗,暗反应限制了光合作用的速率,降低了光能的利用率。但若光照、黑暗交替进行,则黑暗间隔有利于充分利用光照时积累的光反应的产物。因此在光照强度和光照时间不变的情况下,光照与黑暗交替进行制造的有机物相对较多。
一、选择题
1.下列关于光合作用探究历程的叙述,错误的是( )
A.普利斯特利的实验证明了植物可以更新空气
B.萨克斯的实验证明了光合作用的产物除氧气外还有淀粉
C.恩格尔曼的实验定量分析了水绵光合作用生成的氧气量
D.鲁宾和卡门的实验中,用18O分别标记H2O和CO2,证明了光合作用产生的氧气来自H2O而不是CO2
解析:选C 恩格尔曼的实验能够证明氧气是由叶绿体释放出来的,叶绿体是进行光合作用的场所,但不能定量分析光合作用生成的氧气量。
2.如图是光合作用探索历程中恩格尔曼和萨克斯的实验示意图,下列有关叙述正确的是( )
A.两实验均需进行“黑暗”处理,以消耗细胞中原有的淀粉
B.两实验均需要光的照射
C.两实验中只有恩格尔曼的实验设置了对照
D.两实验均可证明光合作用的产物有氧气
解析:选B 图示的两实验中,只有萨克斯的实验需进行“黑暗”处理,目的是消耗掉细胞中原有的淀粉。恩格尔曼实验的目的是探究光合作用进行的场所,萨克斯实验的目的是探究光合作用的产物,所以两实验均需要光的照射。恩格尔曼的实验中,照光处理与不照光、黑暗与完全曝光形成对照;萨克斯的实验中,暗处理的叶片一半曝光、一半遮光形成对照。恩格尔曼的实验可证明氧气是光合作用的产物,萨克斯的实验可证明淀粉是光合作用的产物。
3.下列关于植物光合作用的叙述,正确的是( )
A.暗反应在细胞质基质中进行
B.光合作用产生的葡萄糖中的碳和氧都来自二氧化碳
C.光反应产生的ATP可以用于暗反应,也可以用于其他生命活动
D.光反应只进行能量代谢,不进行物质代谢;暗反应则刚好相反
解析:选B 暗反应的场所是叶绿体基质;光反应产生的ATP只用于暗反应,为C3还原提供能量,不能用于其他生命活动;光反应和暗反应过程中都存在能量代谢和物质代谢。
4.下列有关生物体中物质含量的比较,错误的是( )
A.人在安静和剧烈运动时,细胞呼吸消耗的O2量可能等于产生的CO2量
B.正在生长的植物体光合作用固定的CO2总量大于呼吸作用产生的CO2量
C.适当光照下,突然停止植株的CO2供应,短时间内叶绿体中ATP/ADP的值降低
D.与干种子相比,萌发的种子细胞中自由水/结合水的值高
解析:选C 人体细胞进行无氧呼吸时的产物是乳酸,此过程既不消耗O2,也不产生CO2,因此人体产生的CO2量只能来自有氧呼吸,且在有氧呼吸过程中,消耗的O2量与产生的CO2量相等,因此不管人在安静状态下还是在剧烈运动时,细胞呼吸消耗的O2量与产生的CO2量相等,A正确;根据“正在生长的植物体”可知,该植物体的光合作用固定的CO2总量大于呼吸作用产生的CO2量,B正确;适当光照下,突然停止植株的CO2供应,会使CO2固定过程受阻,C3含量下降,因而C3的还原过程中消耗ATP的量减少,而光反应阶段ATP的合成仍在进行,则短时间内叶绿体中ATP/ADP的值升高,C错误;与干种子相比,萌发的种子细胞中自由水的相对含量较高,即与干种子相比,萌发的种子细胞中自由水/结合水的值高,D正确。
5.(2019·厦门期中)据报道,美国华盛顿大学圣路易斯分校的研究人员找到了一种叫做集胞藻6803(一种单细胞蓝藻)的微生物,其通过光合作用可生产出乙醇、氢、正丁醇、异丁醇和潜在的生物柴油。下列有关描述正确的是( )
A.集胞藻6803光合作用的光反应阶段在叶绿体的类囊体薄膜上进行
B.集胞藻6803是异养需氧型生物
C.和传统化工技术相比,该技术不需要光也能进行
D.集胞藻6803既有助于减缓全球变暖,又可以提供能源物质
解析:选D 集胞藻6803为原核生物没有叶绿体,可以进行光合作用,是自养需氧型的生物;该技术必需在光下才能进行,A、B、C错误。
6.把一株牵牛花在黑暗中放置一昼夜,然后利用如图所示装置进行实验。该实验不能用于验证( )
A.光合作用需要CO2 B.光合作用能产生O2
C.光合作用需要光 D.光合作用需要叶绿体
解析:选B 该实验“绿色部分”与“白色部分”对照可用于验证光合作用需要叶绿体;铝箔遮盖部分与绿色部分对照可验证光合作用需要光;瓶内叶片与绿色部分对照可验证光合作用需要CO2,整个装置不能验证光合作用能产生O2。
7.阳光穿过上层植物的空隙形成光斑,它会随太阳的运动而移动。如图为红薯叶在光斑照射前后吸收CO2和释放O2的情况。下列分析错误的是( )
A.图中A点叶肉细胞间隙O2浓度最高
B.AB段变化的原因是ADP和NADP+浓度的限制
C.光斑移开后一段时间光合作用仍在进行
D.Ⅰ、Ⅱ所指示的阴影面积是相等的
解析:选A O2释放速率曲线代表光反应,CO2吸收速率曲线代表暗反应。图中A点说明叶肉细胞的O2释放速率最大,细胞间隙O2浓度并不一定最高,A错误。AB段暗反应速率较低,提供给光反应的ADP和NADP+少,限制了光反应速率,B正确。光斑移开后一段时间光反应停止,但仍然有一定的ATP和[H]供应,暗反应不会马上停止,C正确。Ⅰ表示光反应积累的物质,而Ⅱ表示光照移开后暗反应将Ⅰ光反应积累的物质消耗后也下降,故Ⅰ=Ⅱ,D正确。
8.(2019·武昌模拟)离体叶绿体在光下进行稳定的光合作用时,如果突然中断CO2的供应,下列关于一段时间内叶绿体中ATP与O2相对含量变化的示意图中,正确的是( )
解析:选B 离体叶绿体在光下进行稳定的光合作用时,突然中断CO2的供应使C3合成减少,一段时间内暗反应逐渐减弱,暗反应消耗的ATP也逐渐减少,故ATP相对含量逐渐增加;随着暗反应的减弱,光反应也逐渐减弱,所以叶绿体内O2含量逐渐减少,B正确。
9.如图表示在较强光照且温度相同以及水和小球藻的质量相等的条件下,小球藻进行光合作用的实验示意图。一段时间后,下列相关比较错误的是( )
A.Y2的质量大于Y3的质量
B.④中小球藻的质量大于①中小球藻的质量
C.②中水的质量大于④中水的质量
D.装置①的质量大于装置②的质量
解析:选C Y1和Y3是O2,Y2和Y4是18O2,因此Y2的质量大于Y3;④中小球藻中含有(CHO)的有机物,而①中小球藻含有(CH2O)的有机物,故④中小球藻质量大于①中的小球藻质量;④和②中的水都为HO,且含量相同,因此质量相等;在试管①和②中原有质量相等的情况下,②中释放出的是18O2,而①中释放出的是O2,故剩余质量①大于②。
10.如图为植物体内发生的光合作用和光呼吸作用的示意简图。结合所学知识分析下列相关叙述中正确的有( )
①在高O2含量环境中,植物不能进行光合作用 ②卡尔文循环的具体场所应为叶绿体类囊体薄膜 ③将植物突然置于黑暗环境中,C5与C3之间的转化将不受影响
④C2和葡萄糖均可在线粒体内被彻底分解成CO2和H2O
A.零项 B.一项
C.二项 D.三项
解析:选A 从图中信息可知,在高O2含量环境中,产生的C3也可用于卡尔文循环,进而生成糖,①错误;根据所学知识可知,卡尔文循环的具体场所应为叶绿体基质,②错误;光合作用暗反应的进行,需要光反应提供[H]和ATP,黑暗条件下,不能生成[H]和ATP,因而C5与C3之间的转化将受到影响,③错误;线粒体不能直接利用葡萄糖,④错误。
11.夏季晴天,将装有某绿色植物的密闭玻璃罩置于室外,从凌晨0时开始,定期测定玻璃罩中某种气体含量,结果如图。下列分析正确的是( )
A.本实验测定的气体是CO2
B.该植物进行光合作用的起始时间是6时
C.若9时和12时合成有机物的速率相等,则9时的呼吸速率小于12时的
D.与0时相比较,24时该植物的干重减少
解析:选C 本实验测定的气体是O2;6时和18时的光合速率和呼吸速率相等,光合作用的起始时间应在6时之前;该曲线的斜率代表速率,9时的净光合速率大于12时的,若9时和12时真正光合速率相等,则9时的呼吸速率应小于12时的;24时的O2含量高于0时的,说明植物一昼夜内有机物的积累量大于零。
12.某研究小组在密闭恒温玻璃室内进行植物栽培实验,连续48 h测定室内CO2浓度及植物CO2吸收速率,得到如图所示曲线(整个过程呼吸作用强度恒定),下列叙述错误的是( )
A.前24 h和后24 h该植物积累的有机物量相同
B.48时植物体内有机物总量增加
C.图中光合作用强度等于呼吸作用强度的点有4个
D.21~27时的时间段叶肉细胞中产生的[H]来自细胞呼吸
解析:选A 分析题图可知,前24 h和后24 h相比,前者室内的CO2浓度高,所以前者积累的有机物比后者少,A错误;48时与0时相比,室内CO2浓度减小,说明植物体内有机物总量增加,B正确;图中植物呼吸速率与光合速率相等是室内CO2浓度的最高点和最低点,即6时、18时、30时、42时,图中共有4个,C正确;21~27时的时间段叶肉细胞中CO2的吸收速率是负值,且保持不变,说明植物只进行呼吸作用,所以产生的[H]来自细胞呼吸,D正确。
二、非选择题
13.卡尔文及其同事因在光合作用方面的研究成果获得了1961年的诺贝尔化学奖。卡尔文将小球藻装在一个密闭容器中,通过一个通气管向玻璃容器中通入CO2,通气管上有一个开关,可控制CO2的供应,容器周围有光源,通过控制电源开关可控制光照的有无。请回答下列问题:
(1)实验材料小球藻属于________(填“原核”或“真核”)生物。
(2)卡尔文通过停止________来探究光反应和暗反应的联系,他得到的实验结果是下图中的________。
(3)卡尔文通过停止________来探究光合作用过程中固定CO2的化合物,这时他发现C5的含量快速升高,由此得出固定CO2的物质是C5。
(4)卡尔文向密闭容器中通入14CO2,当反应进行到第5 s时,14C出现在一种C5和一种C6中;将反应时间缩短到0.5 s时,14C出现在一种C3中。上述实验中卡尔文是通过控制________来探究CO2中碳原子的转移路径的,采用的技术方法有________________等。
(5)卡尔文将不同反应条件下的小球藻放入70 ℃的蒸馏水中,这样做是为了使细胞中的________失活,此时,细胞中的化合物就保持在热处理之前的状态。
解析:(1)小球藻属于真核生物。(2)在光照下,光反应进行,其产生的ATP和[H]参与暗反应中C3的还原,因此,通过停止光照可以探究光反应和暗反应的联系。当停止光照后,光反应停止,ATP和[H]的合成停止,则C3的还原减少,C3浓度增大,C5浓度减小,停止光照一段时间后,C3和C5浓度基本保持不变。(3)在暗反应中,CO2与C5结合形成C3,当停止CO2的供应后,CO2的固定受到影响,故会导致C5含量升高。(4)由题中叙述可知,实验中卡尔文是通过控制反应时间来探究CO2中碳原子的转移路径的,该实验中他采用了放射性同位素标记法。(5)酶是生物体内催化化学反应的催化剂,大多数酶的化学本质是蛋白质,在高温下酶的结构被破坏,导致细胞中的化学反应不能进行,化合物的含量不再发生变化。
答案:(1)真核 (2)光照 A (3)CO2的供应 (4)反应时间 同位素标记法 (5)酶
14.如图甲是适宜环境中大豆光合作用过程的部分图解,图乙是某研究小组在15 ℃条件下以水稻为材料进行研究得到的实验结果(光合作用的最适温度为25 ℃,呼吸作用的最适温度为30 ℃)。请回答相关问题:
(1)图甲所示过程进行的场所是________;图甲中A代表的物质是________,a代表________过程。若将该植物突然转移到高温、强光照、干燥的环境中,叶片将部分气孔关闭,此时叶肉细胞内物质B的含量变化是________(填“增加”“不变”或“减少”)。
(2)由图乙可知本实验的目的是研究____________________________。图乙中E点的含义是____________________________。
(3)若将图乙的实验温度升高10 ℃,则F点向________(填“左”或“右”)侧移动,呼吸速率曲线向________(填“上”或“下”)移动。
解析:(1)图甲为大豆光合作用的暗反应阶段,在叶绿体基质中进行;图中A表示五碳化合物(C5),B表示三碳化合物(C3),C表示[H];a过程为CO2的固定。若部分气孔关闭,则CO2吸收不足,导致C5的含量增加,C3的含量减少。(2)由图乙可知,该实验探究的是光照强度对光合速率和呼吸速率的影响。E点的含义是光合速率与呼吸速率相等时需要(或对应)的光照强度。(3)图乙是在15 ℃条件下所得的实验结果,温度升高10 ℃,呼吸速率和光合速率均增大,因此呼吸速率曲线向上移动,达到最大光合速率所需的光照强度增大,F点右移。
答案:(1)叶绿体基质 五碳化合物(C5) CO2的固定 减少 (2)光照强度对光合速率和呼吸速率的影响 光合速率与呼吸速率相等时需要(或对应)的光照强度 (3)右 上
15.(2016·全国卷Ⅱ)BTB是一种酸碱指示剂。BTB的弱碱性溶液颜色可随其中CO2浓度的增高而由蓝变绿再变黄。某同学为研究某种水草的光合作用和呼吸作用,进行了如下实验:用少量的NaHCO3和BTB加水配制成蓝色溶液,并向溶液中通入一定量的CO2使溶液变成浅绿色,之后将等量的浅绿色溶液分别加入到7支试管中。其中6支加入生长状况一致的等量水草,另一支不加水草,密闭所有试管。各试管的实验处理和结果见下表。
试管编号
1
2
3
4
5
6
7
水草
无
有
有
有
有
有
有
距日光灯的距离(cm)
20
遮光*
100
80
60
40
20
50 min后试管中溶液的颜色
浅绿色
X
浅黄色
黄绿色
浅绿色
浅蓝色
蓝色
注:*遮光是指用黑纸将试管包裹起来,并放在距日光灯100 cm的地方。
若不考虑其他生物因素对实验结果的影响,回答下列问题:
(1)本实验中,50 min后1号试管的溶液是浅绿色,则说明2至7号试管的实验结果是由________________________________________________________________________
________________________________________________________________________
引起的;若1号试管的溶液是蓝色,则说明2至7号试管的实验结果是____________(填“可靠的”或“不可靠的”)。
(2)表中X代表的颜色应为________(填“浅绿色”“黄色”或“蓝色”),判断依据是________________________________________________________________________
________________________________________________________________________。
(3)5号试管中的溶液颜色在照光前后没有变化,说明在此条件下水草________________________________________________________________________。
解析:(1)1号试管中没有加水草,50 min后1号试管的溶液颜色仍为浅绿色,说明无关变量不会引起溶液颜色的变化,2至7号试管的实验结果应是由水草的光合作用、呼吸作用引起的;若1号试管的溶液是蓝色,说明无水草的光照条件下溶液中CO2含量减少了,无关变量对实验结果有影响,则说明2至7号试管的实验结果是不可靠的。(2)2号试管进行了遮光,水草不能进行光合作用,只能进行呼吸作用产生CO2,而且与3号试管(光合作用强度小于呼吸作用强度)相比,2号试管溶液中的CO2含量更多,颜色应为黄色。(3)5号试管中的溶液颜色在照光前后没有变化,说明在此条件下溶液中CO2含量没有变化,即水草的光合作用强度与呼吸作用强度相等,吸收与释放的CO2量相等。
答案:(1)不同光强下水草的光合作用和呼吸作用(合理即可) 不可靠的 (2)黄色 水草不进行光合作用,只进行呼吸作用,溶液中CO2浓度高于3号试管 (3)光合作用强度等于呼吸作用强度,吸收与释放的CO2量相等
第3课时 光合作用与细胞呼吸的关系
一、表格比较光合作用和有氧呼吸的区别
项目
光合作用
有氧呼吸
物质变化
无机物→有机物
有机物→无机物
能量变化
光能→化学能(储能)
稳定的化学能→活跃的化学能(放能)
实质
合成有机物,储存能量
分解有机物,释放能量,供细胞利用
场所
叶绿体
活细胞(主要在线粒体)
条件
只在光下进行
有光、无光都能进行
二、图解光合作用与细胞呼吸的联系
[基础微点全练]
1.判断正误
(1)植物光合作用和呼吸作用过程中都可以合成ATP(2018·全国卷Ⅲ,T5D)(√)
(2)细胞中糖类合成与分解的过程为(CH2O)+O2CO2+H2O+能量,过程①和②均能产生[H],两者还原的物质不同(2014·天津卷,T2D改编)(√)
(3)适宜光照下,在叶肉细胞中CO2的固定和产生场所分别是叶绿体基质、线粒体基质(√)
(4)光合作用过程中光能转变为化学能,细胞呼吸过程中化学能转变为热能和ATP(×)
(5)光合作用的光反应产生的ATP用于C3还原、CO2的固定及物质运输等过程(×)
(6)细胞呼吸产生的ATP也可用于暗反应中C3的还原(×)
(7)净光合速率长期为零时会导致幼苗停止生长(√)
2.如图表示生物细胞内[H]的转移过程,下列分析正确的是( )
A.①过程可以发生在叶绿体基粒上,且伴随着ADP的产生
B.②过程一定发生在叶绿体基质中,且必须在光下才能进行
C.真核细胞的③过程发生在线粒体内膜上,且必须有氧气参与
D.真核细胞的④过程发生在线粒体基质中,且必须有H2O参与反应
解析:选C ①过程可以发生在叶绿体基粒上,且伴随着ATP的产生,A错误;②过程一定发生在叶绿体基质中,且有光无光均可进行,B错误;真核细胞的③过程发生在线粒体内膜上,且必须有氧气参与,C正确;真核细胞的④过程发生在细胞质基质和线粒体基质中,且必须有H2O参与反应,D错误。
3.如图表示某植物叶肉细胞中部分物质变化途径,其中①~④代表有关生理过程。相关叙述错误的是( )
A.过程③④不在生物膜上进行
B.过程①②④都有ATP生成
C.过程③产生的C6H12O6中的氧来自H2O和CO2
D.过程④产生的[H]并不全都来自C6H12O6
解析:选C 图中③是C3的还原过程,发生在叶绿体基质中,④表示有氧呼吸的第一、二阶段,发生在细胞质基质和线粒体基质中,A正确;光合作用中H2O的光解过程(①),有氧呼吸的三个阶段(②④)都有ATP的生成,B正确;光合作用暗反应阶段产生的C6H12O6中的氧来自CO2中的氧,C错误;有氧呼吸的第一阶段产生的[H]来自C6H12O6,第二阶段产生的[H]来自丙酮酸和H2O,D正确。
4.下列与绿色植物新陈代谢有关的叙述中,正确的是( )
A.阳生植物的暗反应可以在有光的条件下进行,阴生植物的暗反应只能在黑暗的条件下进行
B.大豆根吸收矿质元素所需的ATP直接来源于光合作用
C.向水果贮存中充入N2和CO2的主要目的是抑制无氧呼吸,减少有机物的消耗,延长水果的仓储时间
D.从植物体内提取的叶绿素溶液,即使给予适宜的温度、光照和CO2,也无法检测到有氧气生成
解析:选D 阳生植物的暗反应可以在有光的条件下进行,阴生植物的暗反应也可以在有光的条件下进行,A错误;大豆根吸收矿质元素所需的ATP直接来源于呼吸作用,光合作用中光反应产生的ATP只能用于暗反应,B错误;向水果贮存仓中充入N2和CO2的主要目的是抑制有氧呼吸,减少有机物的消耗,延长水果的仓储时间,C错误;仅仅有叶绿素只能吸收光能,无法将光能转变成化学能,要想将光能转变成化学能,需要色素和蛋白质结合形成复合物,共同完成光反应,所以给予叶绿素提取液适宜的温度、光照和CO2,也无法检测到有氧气生成,D正确。
一、光合作用和细胞呼吸中物质和能量转化关系
[试考题·查欠缺]
1.(2019·北京模拟)如图表示植物叶肉细胞内光合作用、呼吸作用中氧的转移过程。下列叙述正确的是( )
H2OO2H2OCO2C3(CH2O)
A.过程①②④都有ATP生成
B.过程②⑤所需[H]全部来源于①
C.过程①③⑤都需在生物膜上进行
D.过程②③可相互提供物质
解析:选D 过程④CO2的固定不产生ATP,A错误;过程②所需[H]来自有氧呼吸的第一、二阶段,B错误;过程③是有氧呼吸第二阶段,在线粒体基质中进行,过程⑤是光合作用暗反应阶段,在叶绿体基质中进行,C错误;过程②③可相互提供物质,D正确。
2.(2019·武汉模拟)如图表示某高等植物体内的生理过程,下列分析错误的是( )
A.Ⅰ阶段生成ATP和NADPH所需要的能量可以是光能,也可以是化学能
B.Ⅰ阶段中生成的NADPH将作为还原剂参与暗反应
C.③④过程进行的场所分别是叶绿体基质和细胞质基质
D.如该植物是水稻,根部在水淹较长时间后,其④过程的产物Y是酒精和CO2
解析:选A Ⅰ阶段表示光合作用的光反应阶段,生成ATP和NADPH所需要的能量是光能,不能是化学能,A错误;Ⅰ阶段中生成的NADPH将作为还原剂参与暗反应C3的还原,B正确;③是CO2的固定,进行的场所是叶绿体基质,④是无氧呼吸的第二阶段,进行的场所是细胞质基质,C正确;如该植物是水稻,根部在水淹较长时间后,其④过程的产物Y是酒精和CO2,D正确。
[强知能·补欠缺]
1.从元素转移角度分析光合作用与细胞呼吸的联系
元素
流动过程
C
CO2(CH2O)丙酮酸CO2
O
H2OO2H2O
H
H2O[H](CH2O) [H] H2O
2.光合作用与细胞呼吸中[H]与ATP的来源及去路分析
(1)[H]的来源和去路比较
(2)ATP的来源与去路比较
注:光合作用中的[H]为NADPH,细胞呼吸中[H]为NADH。
[练题点·全过关]
1.(2019·三亚模拟)下图表示芍药叶肉细胞光合作用和细胞呼吸过程中CO2和[H]的变化,相关叙述正确的是( )
A.过程①发生在叶绿体类囊体薄膜上,过程④发生在线粒体的内膜上
B.过程⑦发生在线粒体中
C.过程⑤⑥均需要[H]和ATP的参与
D.过程①③产生的[H]是相同的物质,过程⑧在线粒体中进行
解析:选A 过程①表示光合作用的光反应,发生在叶绿体类囊体薄膜上,过程④表示有氧呼吸的第三阶段,发生在线粒体的内膜上;过程⑦表示细胞呼吸的第一阶段,发生在细胞质基质中;过程⑤是CO2的固定,不需要[H]和ATP的参与;过程①③产生的[H]是不同的物质,过程⑧是有氧呼吸的第二阶段,发生在线粒体中。
2.将盆栽植物天竺葵浇上含18O的水后,置于密闭的玻璃钟罩内,再把整个装置放在室外阳光下,并保持适宜的温度条件。一周后,玻璃钟罩内的空气及天竺葵中下列哪些物质可能含有18O( )
①O2 ②水蒸气 ③CO2 ④葡萄糖 ⑤氨基酸 ⑥脂肪
A.①②中含有,③④⑤⑥中没有
B.①②③中含有,④⑤⑥中没有
C.①②③④中含有,⑤⑥中没有
D.①②③④⑤⑥中都可能含有
解析:选D 植物体内的水能够通过蒸腾作用以水蒸气的形式散发到空气中,水还可经过光合作用生成O2,存在于周围的空气中;植物体内水中的氧经呼吸作用转移到CO2中,CO2也会释放到周围的空气中;CO2中的氧,通过光合作用又可转移到葡萄糖中,而葡萄糖经转化可形成脂肪和氨基酸,从而18O可进入脂肪和氨基酸等有机物中。
3.如图是某植物光合作用和细胞呼吸过程示意图。Ⅰ~Ⅶ代表物质,①~③代表过程。据图回答下列问题:
(1)将该植物由光下突然置于黑暗中,甲图中C3的含量将________,C5的含量将________。
(2)与马铃薯块茎细胞在缺氧时的代谢相比,乙图特有的步骤是________(填数字),这些过程发生在______________________________________________________________中。
(3)若用18O标记甲图中的H2O,则在细胞呼吸产物中能首先测到放射性的物质是________,甲、乙两图中不同数字代表同一物质的标号是________________。
(4)根据上图写出根吸收无机盐离子所需能量的形成过程:光能→________________→________________→______________________→用于吸收无机盐离子的能量。
解析:(1)将植物由光下突然置于黑暗环境中,光反应停止,不能合成[H]和ATP,C3还原过程减慢,C3含量增多,C5含量减少。(2)乙图表示有氧呼吸过程,马铃薯块茎在缺氧条件下进行无氧呼吸,与无氧呼吸相比,有氧呼吸特有的阶段是第二、三阶段,即乙图中的②③过程,分别发生在线粒体基质中和线粒体内膜上。(3)甲图中的HO通过光解产生18O2,在有氧呼吸第三阶段与[H]结合生成HO。甲、乙两图分别表示光合作用和有氧呼吸,其中Ⅰ、Ⅱ、Ⅲ、Ⅳ、Ⅴ、Ⅵ、Ⅶ分别表示NADPH、O2、CO2、(CH2O)、[H]、O2、CO2,Ⅱ、Ⅵ都表示O2,Ⅲ、Ⅶ都表示CO2。(4)在光合作用过程中由光能转变成活跃的化学能,进而形成有机物中稳定的化学能,再通过呼吸作用过程转变为ATP中活跃的化学能。
答案:(1)增多 减少 (2)②③ 线粒体的基质和内膜(或线粒体) (3)水 Ⅱ与Ⅵ、Ⅲ与Ⅶ (4)活跃的化学能 葡萄糖等有机物中稳定的化学能 ATP中活跃的化学能
[深化拓展]
18O2在光合作用和细胞呼吸中的转移途径
二、光合速率、呼吸速率及其相互关系
[试考题·查欠缺]
1.(2017·北京高考)某植物光合作用、呼吸作用与温度的关系如图。据此,对该植物生理特性理解错误的是( )
A.呼吸作用的最适温度比光合作用的高
B.净光合作用的最适温度约为25 ℃
C.在0~25 ℃范围内,温度变化对光合速率的影响比对呼吸速率的大
D.适合该植物生长的温度范围是10~50 ℃
解析:选D 从第二幅图的曲线中可以看出,光合作用的最适温度为30 ℃左右,呼吸作用的最适温度为55 ℃左右,因此呼吸作用的最适温度比光合作用的高;从第一幅图的曲线中可以看出,净光合作用的最适温度为25 ℃左右;通过第二幅图的曲线,可以看出在0~25 ℃范围内,光合作用曲线变化明显大于呼吸作用曲线;植物总光合作用大于呼吸作用时,即净光合作用大于0时,适合植物的生长,从图中可以看出,适合该植物生长的温度范围是-10~45 ℃。
2.(2018·全国卷Ⅰ)甲、乙两种植物净光合速率随光照强度的变化趋势如图所示。回答下列问题:
(1)当光照强度大于a时,甲、乙两种植物中,对光能的利用率较高的植物是________。
(2)甲、乙两种植物单独种植时,如果种植密度过大,那么净光合速率下降幅度较大的植物是________,判断的依据是___________________________________________________
________________________________________________________________________。
(3)甲、乙两种植物中,更适合在林下种植的是________。
(4)某植物夏日晴天中午12:00时叶片的光合速率明显下降,其原因是进入叶肉细胞的________(填“O2”或“CO2”)不足。
解析:(1)由曲线图可知,光照强度大于a时,甲植物的净光合速率随着光照强度的增加而增加的幅度更大,说明甲植物对光能的利用率较高。(2)当种植密度过大时,植株的叶片会相互遮挡,植株接受的光照强度减弱,导致植物净光合速率下降。由曲线图可知,光照强度降低导致甲植物净光合速率降低的幅度比乙大。(3)由曲线图可知,在低光照强度下,乙植物的净光合速率较高,在高光照强度下,乙植物的净光合速率明显低于甲植物,所以乙植物更适合在林下低光照强度的环境下种植。(4)夏日晴天中午12点,温度较高,部分气孔关闭,进入叶肉细胞的CO2明显减少,抑制了暗反应,导致叶片的光合速率明显降低。
答案:(1)甲 (2)甲 光照强度降低导致甲植物净光合速率降低的幅度比乙大,种植密度过大,植株接受的光照强度减弱,导致甲植物净光合速率下降幅度比乙大 (3)乙 (4)CO2
[强知能·补欠缺]
光合作用、呼吸作用的“三率”图示分析
(1)“三率”的表示方法
①呼吸速率:绿色组织在黑暗条件下或非绿色组织一定时间内CO2释放量或O2吸收量,即图1中A点。
②净光合速率:绿色组织在有光条件下测得的一定时间内O2释放量、CO2吸收量或有机物积累量,即图1中的C′C段对应CO2量,也称为表观光合速率。
③总光合速率=净光合速率+呼吸速率,即图1中的AD对应的CO2总量。
(2)图2中曲线Ⅰ表示总光合量,曲线Ⅲ表示呼吸量,曲线Ⅱ表示净光合量。交点D对应点E,此时净光合量为0,B点时植物生长最快。
(3)图3中曲线c表示净光合速率,d表示呼吸速率,c+d表示总光合速率。在G点时,总光合速率是呼吸速率的2倍。
(4)图1中B对整个植株而言,光合速率=呼吸速率,而对于叶肉细胞来说,光合速率>呼吸速率。
[练题点·全过关]
1.(2018·全国卷Ⅲ)回答下列问题:
(1)高等植物光合作用中捕获光能的物质分布在叶绿体的__________上,该物质主要捕获可见光中的_____________________________________________________________。
(2)植物的叶面积与产量关系密切。叶面积系数(单位土地面积上的叶面积总和)与植物群体光合速率、呼吸速率及干物质积累速率之间的关系如图所示。由图可知:当叶面积系数小于a时,随叶面积系数增加,群体光合速率和干物质积累速率均________。当叶面积系数超过b时,群体干物质积累速率降低,其原因是_________________________________。
(3)通常,与阳生植物相比,阴生植物光合作用吸收与呼吸作用放出的CO2量相等时所需要的光照强度______(填“高”或“低”)。
解析:(1)高等植物进行光合作用捕获光能的物质是光合色素,该物质分布在叶绿体的类囊体薄膜上,其捕获的光主要是蓝紫光和红光。(2)由图中曲线可以看出,当叶面积系数小于a时,随叶面积系数增加,群体光合速率和干物质积累速率都在增加;当叶面积系数超过b时,群体光合速率不变,但群体呼吸速率增加,两者差值减小,故群体干物质积累速率降低。(3)通常,阴生植物的光合速率和呼吸速率都比阳生植物低,因此与阳生植物相比,阴生植物光合作用吸收与呼吸作用放出的CO2量相等时所需要的光照强度低。
答案:(1)类囊体膜 蓝紫光和红光 (2)增加 群体光合速率不变,但群体呼吸速率仍在增加,故群体干物质积累速率降低 (3)低
2.在自然光照下,有些植物的光合速率并不能达到最大值,需要进行适当的遮光处理。某科研人员为了探究适合某种草莓种植的遮光程度,进行了相关实验,结果如图所示。回答下列相关问题:
(1)草莓的种类属于该实验的________变量,该科研人员在选择该种草莓植株时,应考虑的因素有____________________________。
(2)不遮光组与遮光Ⅰ或Ⅱ组相比,植株干重较小,试分析原因:________________________________________________________________________
________________________________________________________________________。
(3)若遮光程度大于Ⅱ时,植株干重会逐渐降低,则可以确定最适宜遮光程度的范围为________,据上所述,若要得到最适遮光程度应如何继续实验?______________________________________。
(4)将实验所用草莓置于无光、30 ℃的环境中,测得草莓植株释放CO2的速率为8 mg/h,而置于适宜遮光程度、30 ℃的环境中,测得草莓植株吸收CO2的速率为36 mg/h。假设光合作用产生的有机物为葡萄糖,呼吸作用消耗的有机物也是葡萄糖,据此可以判断该草莓植株在适宜遮光程度、30 ℃的环境中光合作用每小时产生葡萄糖________mg。
解析:(1)该实验的目的是探究适合某种草莓种植的遮光程度,自变量是光照强度或遮光程度,如草莓的种类等对实验结果有影响的因素均属于无关变量。无关变量应保持一致,所以该实验选择的该种草莓植株生长状况和大小等要相同。(2)对于草莓而言,与遮光Ⅰ或Ⅱ组相比,不遮光时的光照强度过强,导致叶面温度过高,蒸腾作用增大,引起部分气孔关闭,植株从外界吸收的CO2减少,致使光合速率降低,所以植株干重较小。(3)若遮光程度大于Ⅱ时,植株干重会逐渐降低,说明最适宜遮光程度在Ⅰ~Ⅱ范围内。在确定最适宜遮光程度范围(Ⅰ~Ⅱ)的前提下,要得到最适遮光程度,应在遮光度Ⅰ~Ⅱ之间增加若干组实验。(4)无光、30 ℃的环境中,该草莓植株释放CO2的速率表示呼吸速率,为8 mg/h;置于适宜遮光程度、30 ℃的环境中,该草莓植株吸收CO2的速率为36 mg/h,该数值表示净光合速率。依据“净光合速率=实际光合速率-呼吸速率”可知,该草莓植株的实际光合速率即固定CO2的速率为44 mg/h,折算成葡萄糖为30 mg/h。
答案:(1)无关 生长状况和大小等要相同 (2)光照过强,导致叶面温度过高,蒸腾作用增大,引起部分气孔关闭,植株从外界吸收的CO2减少,致使光合速率降低 (3)Ⅰ~Ⅱ 在遮光度Ⅰ~Ⅱ之间增加若干组实验 (4)30
[深化拓展]
呼吸作用、光合作用曲线综合题应关注的信息
(1)光照强度为“0”意味着光合作用不能进行,此时气体变化量全由细胞呼吸引起,可作为呼吸强度指标。
(2)光照下吸收CO2量应为净光合量。
(3)光照培养阶段,密闭装置中CO2浓度变化量应为光合作用强度与呼吸作用强度间的“差值”,切不可仅答成“光合作用消耗”导致装置中CO2浓度下降。
(4)植物生长速率取决于净光合量而不是“总光合量”。只有净光合量>0植物才能生长。
一、科学思维——光补偿点与光饱和点及其移动问题
1.已知某植物光合作用和呼吸作用的最适温度分别为25 ℃和30 ℃,如图表示30 ℃时光合作用与光照强度的关系。若温度降到25 ℃(原光照强度和CO2浓度不变),理论上图中相应点a、b、d的移动方向分别是( )
A.下移、右移、上移 B.下移、左移、下移
C.上移、左移、上移 D.上移、右移、上移
解析:选C 图中a、b、c三点分别表示细胞呼吸强度、光补偿点和在光饱和点时的光合作用强度。由题干“光合作用和呼吸作用的最适温度分别为25 ℃和30 ℃”可知,当温度从30 ℃降到25 ℃时,细胞呼吸强度降低,a点上移;光合作用强度增强,所以光饱和点(c点)时吸收的CO2增多,c点上移。b点表示光合作用强度=细胞呼吸强度,在25 ℃时细胞呼吸作用强度降低,光合作用强度增强,在除光照强度外其他条件不变的情况下要使其仍然与细胞呼吸强度相等,需降低光照强度以使光合作用强度与细胞呼吸强度相等,即b点左移。
2.(2019·临沂模拟)如图所示纵坐标表示某种植物气体吸收量或释放量的变化。(不考虑横坐标和纵坐标单位的具体表示形式,单位的表示方法相同)下列说法正确的是( )
A.若A代表O2吸收量,可以判断从D点开始进行光合作用
B.若A代表O2释放量,B点对应的光照强度一定不等于0,D点表示植物的净光合作用强度为0
C.若A代表CO2释放量,提高大气中的CO2浓度,D点不移动
D.若A代表CO2释放量,E点时光合作用制造的有机物总量是8
解析:选B 若A代表O2吸收量,可以判断从D点之前开始进行光合作用;若A代表O2释放量,B点对应的光照强度一定不等于0,D点表示植物的净光合作用强度为0;若A代表CO2释放量,提高大气中的CO2浓度,D点左移;若A代表CO2释放量,E点时光合作用制造的有机物总量是8+4=12。
3.(2017·全国卷Ⅰ)植物的CO2补偿点是指由于CO2的限制,光合速率与呼吸速率相等时环境中的CO2浓度。已知甲种植物的CO2补偿点大于乙种植物的。回答下列问题:
(1)将正常生长的甲、乙两种植物放置在同一密闭小室中,适宜条件下照光培养。培养后发现两种植物的光合速率都降低,原因是________________________________________
________________________________________________________________________。
甲种植物净光合速率为0时,乙种植物净光合速率____________________________
(填“大于0”“等于0”或“小于0”)。
(2)若将甲种植物密闭在无O2,但其他条件适宜的小室中,照光培养一段时间后,发现植物的有氧呼吸增加,原因是__________________________________________________
________________________________________________________________________。
解析:(1)甲、乙两种植物放置在同一密闭小室中,适宜条件下照光培养,培养后两种植物的光合速率都降低的原因是植物在光下光合作用吸收的CO2量大于呼吸作用释放的CO2量,总体上两种植物都要从小室中吸收CO2,因此,小室中的CO2浓度会降低,从而影响两种植物的光合速率。从题干获知,甲种植物的CO2补偿点大于乙种植物,因此,当甲种植物的净光合速率为0时,对于乙种植物来说,外界的CO2浓度是超过其CO2补偿点的,乙种植物的光合速率一定大于呼吸速率,即净光合速率大于0。(2)甲种植物在光下光合作用释放的O2使密闭小室中O2增加,而O2与有机物分解产生的NADH发生作用形成水发生在有氧呼吸过程中,所以当O2增多时,有氧呼吸会增加。
答案:(1)植物在光下光合作用吸收CO2的量大于呼吸作用释放CO2的量,使密闭小室中CO2浓度降低,光合速率也随之降低 大于0 (2)甲种植物在光下光合作用释放的O2使密闭小室中O2增加,而O2与有机物分解产生的NADH发生作用形成水是有氧呼吸的一个环节,所以当O2增多时,有氧呼吸会增加
[素养提升]
学会分析曲线图中的光补偿点和光饱和点
1.光补偿点的两种生理状态
(1)整个植株:光合作用强度=呼吸作用强度。
(2)叶肉细胞:光合作用强度>呼吸作用强度。
2.环境条件改变与光补偿点、光饱和点移动方向的关系
(1)光补偿点的移动
①呼吸速率增加,其他条件不变时,光补偿点应右移,反之左移。
②呼吸速率基本不变,相关条件的改变使光合速率下降时,光补偿点应右移,反之左移。
(2)光饱和点的移动:相关条件的改变(如增大CO2浓度)使光合速率增大时,光饱和点C应右移(C′点右上移),反之左移(C′点左下移)。
二、科学探究——设计实验测定光合速率
(一)气体体积变化法——测光合作用O2产生的体积或CO2消耗的体积
[实验原理]
(1)甲装置在黑暗条件下植物只进行细胞呼吸,由于NaOH溶液吸收了细胞呼吸产生的CO2,所以单位时间内红色液滴左移的距离表示植物的O2吸收速率,可代表呼吸速率。
(2)乙装置在光照条件下植物进行光合作用和细胞呼吸,由于NaHCO3溶液保证了容器内CO2浓度的恒定,所以单位时间内红色液滴右移的距离表示植物的O2释放速率,可代表净光合速率。
(3)真正光合速率=净光合速率+呼吸速率。
[例1] 如图是在一定温度下测定某植物呼吸作用和光合作用强度的实验装置(呼吸底物为葡萄糖,不考虑装置中微生物的影响),相关叙述正确的是( )
A.烧杯中盛放NaHCO3溶液,可用于测定一定光照强度下植物的净光合速率
B.在遮光条件下,烧杯中盛放NaOH溶液,可用于测定植物无氧呼吸的强度
C.烧杯中盛放清水,可用于测定一定光照强度下真正光合速率
D.在遮光条件下,烧杯中盛放清水,可用于测定植物有氧呼吸的强度
[解析] NaHCO3溶液可以维持装置内CO2浓度的恒定,U形管中液面高度的变化是装置中O2量的变化造成的,可以代表净光合速率。NaOH可以吸收CO2,无氧呼吸不消耗O2,不能用来测定无氧呼吸的强度。烧杯中盛放清水,一定光照强度下,光合作用吸收CO2量与释放O2量相等,有氧呼吸消耗O2量与产生CO2量相等,不能测定真正光合速率。在单位时间内,有氧呼吸消耗的O2量等于产生的CO2量,无论有氧呼吸强度多大,U形管中液面都不会发生变化。
[答案] A
[实验原理] 测定单位时间、单位面积叶片中淀粉的生成量,如图所示以有机物的变化量测定光合速率(S为叶圆片面积)。
净光合速率=(z-y)/2S;呼吸速率=(x-y)/2S;总光合速率=净光合速率+呼吸速率=(x+z-2y)/2S。
[例2] 某同学欲测定植物叶片叶绿体的光合速率,做如图所示实验:在叶柄基部做环剥处理(仅限制叶片有机物的输入和输出),于不同时间分别在同一叶片上陆续取下面积为1 cm2的叶圆片烘干后称其重量,M处的实验条件是下午16时后将整个实验装置遮光3小时,则测得叶片叶绿体的光合速率是(单位:g·cm-2·h-1,不考虑取叶圆片后对叶片生理活动的影响和温度微小变化对叶片生理活动的影响)( )
A.(3y-2z-x)/6 B.(3y-2z-x)/3
C.(2y-x-z)/6 D.(2y-x-z)/3
[解析] 分析题意可知,上午10时到下午16时之间的6个小时,植物既进行光合作用,也进行呼吸作用,因此其重量变化表示的是净光合作用量,则净光合速率=净光合作用量/6=(y-x)/6;而M处的实验条件是下午16时后将整个实验装置遮光3小时,此时叶片只进行呼吸作用,因此可以计算出呼吸速率=(y-z)/3;因此总光合速率=净光合速率+呼吸速率=(y-x)/6+(y-z)/3=(3y-2z-x)/6。
[答案] A
[实验原理] 将植物对称叶片的一部分(A)遮光或取下置于暗处,另一部分(B)则留在光下进行光合作用(即不做处理),并采用适当的方法阻止两部分的物质和能量转移。一定时间后,在这两部分叶片的对应部位截取同等面积的叶片,分别烘干称重,记为MA、MB,开始时二者相应的有机物含量应视为相等,照光后的叶片重量大于暗处的叶片重量,超过部分即为光合作用产物的量,再通过计算可得出光合速率。
[例3] 某研究小组采用“半叶法”对番茄叶片的光合速率进行测定。将对称叶片的一部分(A)遮光,另一部分(B)不做处理,并采用适当的方法阻止两部分的物质和能量转移。在适宜光照下照射6小时后,在A、B的对应部位截取同等面积的叶片,烘干称重,分别记为MA、MB,获得相应数据,则可计算出该叶片的光合速率,其单位是mg/(dm2·h)。请分析回答下列问题:
(1)MA表示叶片初始质量-呼吸作用有机物的消耗量;MB表示(________)+(________________)-呼吸作用有机物的消耗量。
(2)若M=MB-MA,则M表示__________________________________________。
(3)总光合速率的计算方法是___________________________________________。
(4)本方法也可用于测定叶片的呼吸速率,写出实验设计思路。
[解析] 叶片A部分遮光,虽不能进行光合作用,但仍可照常进行呼吸作用。叶片B部分不做处理,既能进行光合作用,又可以进行呼吸作用。分析题意可知,MB表示叶片初始质量+光合作用有机物的总产量-呼吸作用有机物的消耗量,MA表示叶片初始质量-呼吸作用有机物的消耗量,则MB-MA就是光合作用6小时干物质的积累量(B叶片被截取部分在6小时内光合作用合成的有机物总量)。由此可计算总光合速率,即M值除以时间再除以面积。
[答案] (1)叶片初始质量 光合作用有机物的总产量
(2)B叶片被截取部分在6小时内光合作用合成的有机物总量
(3)M值除以时间再除以面积,即M/(截取面积×时间)
(4)将从测定叶片的相对应部分切割的等面积叶片分开,一部分立即烘干称重,另一部分在暗中保存几小时后再烘干称重,根据二者干重差即可计算出叶片的呼吸速率。
[实验原理] 利用真空技术排出叶肉细胞间隙中的空气,充以水分,使叶片沉于水中;在光合作用过程中,植物吸收CO2放出O2,由于O2在水中的溶解度很小而在细胞间积累,结果使原来下沉的叶片上浮。根据在相同时间内上浮叶片数目的多少(或者叶片全部上浮所需时间的长短),即能比较光合作用强度的大小。
[例4] 取生长旺盛的绿叶,利用打孔器打出一批直径为1 cm的叶圆片,将叶圆片细胞间隙中的气体排出后,平均分装到盛有等量的不同浓度NaHCO3溶液的培养皿底部,置于光温恒定且适宜的条件下(如图甲),测得各组培养皿中叶圆片上浮至液面所用的时间(如图乙)。下列分析错误的是( )
A.a~b段随着NaHCO3溶液浓度的增加,类囊体薄膜上水的分解速率逐渐增大
B.c~d段随着NaHCO3溶液浓度的增加,叶绿体基质中C3的生成速率逐渐减小
C.c~d段随着NaHCO3溶液浓度的增加,单个叶圆片有机物的积累速率逐渐减小
D.a~d段如果增加光照强度或温度,都能明显缩短叶圆片上浮至液面所用的时间
[解析] NaHCO3溶液能够分解产生CO2,因此不同浓度的NaHCO3溶液能够为叶圆片提供稳定的CO2来源。分析图乙的曲线可知,刚开始增加NaHCO3溶液的浓度,光合作用强度增强;超过一定浓度再增加NaHCO3溶液的浓度,由于外界溶液浓度太高,导致植物的叶肉细胞失水,会使叶肉细胞光合速率降低,叶片上浮时间延长。
[答案] D
[实验原理] 将装有水和光合植物的黑、白瓶置于不同水层中,测定单位时间内瓶中溶解氧含量的变化,借此测定水生植物的光合速率。黑瓶不透光,瓶中生物仅能进行呼吸作用;白瓶透光,瓶中生物可进行光合作用和呼吸作用。因此,真正光合作用量(光合作用总量)=白瓶中氧气增加量+黑瓶中氧气减少量。
[例5] 下表所示是采用黑白瓶(不透光瓶—可透光瓶)法测定夏季某池塘不同深度水体中,初始平均O2浓度与24小时后平均O2浓度比较后的数据。下列有关分析正确的是( )
水深(m)
1
2
3
4
白瓶中O2浓度(g/L)
+3
+1.5
0
-1
黑瓶中O2浓度(g/L)
-1.5
-1.5
-1.5
-1.5
A.水深1 m处白瓶中水生植物24小时产生的O2为3 g/L
B.水深2 m处白瓶中水生植物光合速率等于所有生物的呼吸速率
C.水深3 m处白瓶中水生植物不进行光合作用
D.水深4 m处白瓶中藻类植物产生ATP的场所是叶绿体、细胞质基质和线粒体
[解析] 根据题意可知,黑瓶中水生植物只能进行呼吸作用,白瓶中水生植物既能进行光合作用又能进行呼吸作用,在相同条件下培养一定时间,黑瓶中所测得的数据即为正常的呼吸消耗量。由表中数据可知,在水深1 m处白瓶中水生植物产生的O2量=3+1.5=4.5(g/L)。水深2 m处白瓶中水生植物光合速率=1.5+1.5=3.0[g/(L·d)],呼吸速率为1.5 g/(L·d)。水深3 m处白瓶中水生植物光合作用量等于呼吸作用量,即1.5 g/L。水深4 m处白瓶中藻类植物能进行光合作用和呼吸作用,故白瓶中藻类植物产生ATP的场所是叶绿体、细胞质基质和线粒体。
[答案] D
一、选择题
1.下列关于光合作用和有氧呼吸过程的叙述,错误的是( )
A.光合作用光反应阶段的产物可为有氧呼吸第三阶段提供原料
B.有氧呼吸第三阶段的产物可为光合作用光反应阶段提供原料
C.两者产生气体的阶段都有水参与
D.两者产生气体的阶段都与生物膜有关
解析:选D 光合作用光反应阶段的产物O2可作为有氧呼吸第三阶段的原料;有氧呼吸第三阶段的产物H2O可作为光合作用光反应阶段的原料;光合作用光反应可将H2O分解产生O2,有氧呼吸第二阶段H2O与丙酮酸反应生成CO2;光合作用光反应将H2O分解产生O2的场所是类囊体薄膜,有氧呼吸第二阶段H2O与丙酮酸反应生成CO2的场所是线粒体基质。
2.(2018·江门一模)光合作用和呼吸作用都能产生ATP 和[H]。下列有关叙述正确的是( )
A.ATP中的腺苷含有N元素和2个高能磷酸键
B.ATP可以作为复制DNA分子的原料
C.ATP和[H]都是光合作用和呼吸作用的最终产物
D.[H]是还原型辅酶Ⅰ和还原型辅酶Ⅱ的简化表示方式
解析:选D ATP中的腺苷由腺嘌呤与核糖组成,含有N 元素,不含高能磷酸键,A错误;ATP中远离腺苷的两个磷酸基团被水解后所得的物质是腺嘌呤核糖核苷酸,可以作为合成RNA分子的原料,B错误;ATP和[H]都是光合作用和呼吸作用的中间产物,C错误;[H]是还原型辅酶Ⅰ(NADH)和还原型辅酶Ⅱ(NADPH)的简化表示方式,D正确。
3.(2018·绵阳二诊)下列对在一定条件下某叶肉细胞内叶绿体和线粒体有关生理活动的叙述,正确的是( )
A.光照下叶绿体和线粒体直接被对方利用的物质有O2、CO2和葡萄糖
B.光照下两者在发生氧化反应时都释放能量供各项生命活动利用
C.若突然增加光照强度,则短时间内叶绿体中化合物C5比ADP先减少
D.若突然增加CO2浓度,则短时间内叶绿体中化合物C3比ADP先增加
解析:选D 细胞呼吸时线粒体能利用的底物是丙酮酸,不是葡萄糖;光反应中产生的ATP只能提供给暗反应;若突然增加光照强度,则短时间内产生的ATP和[H]增加,C3的还原加快,消耗ATP,生成ADP和C5,则短时间内叶绿体中化合物C5与ADP同时增加;若突然增加CO2浓度,CO2的固定加快,C3先增多,C3还原消耗ATP生成ADP,则短时间内叶绿体中C3比ADP先增加。
4.(2019·武汉模拟)下列有关生物体内能量转换的叙述,错误的是( )
A.生物体内放能反应一般与ATP合成相联系
B.光合作用过程中既有吸能反应,又有放能反应
C.硝化细菌化能合成需要的能量来源于氮气的还原
D.能够吸收固定太阳能的自养生物不一定是绿色植物
解析:选C 生物体内放能反应一般与ATP合成相联系,吸能反应一般与ATP水解相联系,A正确;光合作用过程中光反应合成ATP,暗反应消耗ATP,故既有吸能反应,又有放能反应,B正确;硝化细菌化能合成需要的能量来源于氨气的氧化,C错误;能进行光能自养的生物不一定是绿色植物,如蓝藻,D正确。
5.(2019·威海模拟)两株同种生长状况基本相同的植物,分别置于透明的玻璃罩内,如图甲、乙所示,在相同自然条件下,测得一昼夜中植物氧气释放速率分别如图丙、丁曲线所示。下列说法正确的是( )
A.装置甲的植物叶绿体中,在14点时C3含量比10点时高
B.一昼夜中,装置乙中植物积累的有机物比甲多
C.ab段和cd段,曲线下降的原因相同
D.e点时,气孔关闭导致光合作用基本停止
解析:选B 装置甲的植物叶绿体中,在14点时玻璃罩内二氧化碳因光合作用消耗而含量不足,固定减少,C3含量比10点时低,而C5含量比10点时高,A错误;丙和丁图中横轴以上与曲线围成的面积表示净光合强度,据图分析,一昼夜中,装置乙中植物积累的有机物比甲多,B正确;ab段下降的原因是二氧化碳供应不足,cd段下降的原因是光照不足,C错误;e点时,气孔部分关闭导致光合作用下降,但没有停止,D错误。
6.关于光合作用和呼吸作用的叙述,错误的是( )
A.磷酸是光反应中合成ATP所需的反应物
B.光合作用中叶绿素吸收光能不需要酶的参与
C.人体在剧烈运动时所需要的能量由乳酸分解提供
D.病毒核酸的复制需要宿主细胞的呼吸作用提供能量
解析:选C 光合作用的光反应中有ATP的合成,需要原料ADP和磷酸。光合作用中叶绿素吸收光能的过程与酶的催化作用无关。乳酸是无氧呼吸的产物,在人体内不能继续分解供能,人体在剧烈运动时所需的能量是由葡萄糖分解提供的。病毒无独立的代谢系统,病毒核酸的复制所需要的能量由宿主细胞的呼吸作用提供。
7.取生长旺盛的天竺葵叶片,用打孔器打出小圆片若干并抽取叶片细胞内空气,均分后置于不同浓度的NaHCO3溶液中,给予相同的一定强度光照,记录圆叶片上浮至液面所需时间,其结果绘制的曲线如图所示。相关叙述错误的是( )
A.YZ段平缓的限制因素可能是光照强度
B.Y点比X点细胞内的C5含量高
C.Z点后曲线上行,应该是叶片细胞失水,代谢受影响导致
D.Y点时叶肉细胞产生ATP的细胞器有叶绿体和线粒体
解析:选B YZ段平缓,说明随着CO2浓度的增加光合作用不再增强,则限制因素可能是光照强度,A正确;Y点与X点相比,CO2浓度较高,CO2的固定加快,则Y点细胞内的C5含量低,B错误;Z点后光照不变,CO2浓度高,而曲线上行,说明光合作用减弱,原因可能是叶片细胞失水,代谢受影响导致,C正确;Y点既有光合作用又有呼吸作用,则叶肉细胞产生ATP的细胞器有叶绿体和线粒体,D正确。
8.在温度适宜的条件下,测定植物叶片在不同光照强度下的CO2吸收量,结果如下表。下列有关叙述正确的是( )
光照强度(klx)
0
2.0
4.0
6.0
8.0
10.0
CO2吸收量(mg·100cm-2·h-1)
-4.0
0
4.0
8.0
10.0
10.0
A.该植物叶片在光照强度小于2.0 klx的条件下,不进行光合作用
B.光照强度为6.0 klx时,植物叶片合成葡萄糖的量为12 mg·100 cm-2·h-1
C.光照强度为8.0 klx时,限制光合速率的主要环境因素是CO2浓度
D.光照强度为10.0 klx时,该植物在缺镁环境中的CO2吸收量不变
解析:选C 分析表格数据可知,当光照强度为2.0 klx时,测得叶片CO2吸收量为0,说明此光照强度下光合速率等于呼吸速率,即光照强度小于2.0 klx的条件下植物既进行光合作用又进行呼吸作用,A错误;光照强度为6.0 klx时,植物叶片共消耗CO2为12 mg·100cm-2·h-1,根据光合作用生成葡萄糖的总反应:消耗6 mol CO2生成1 mol C6H12O6,故合成葡萄糖量为(12×180)÷(6×44)≈8.2 mg·100 cm-2·h-1,B错误;光照强度为8.0 klx时,植物光合速率达最大值,此时限制光合速率的主要环境因素是CO2浓度,C正确;植物如果缺镁会影响叶绿素的合成,使光反应强度降低,从而影响暗反应,D错误。
9.(2019·宁德模拟)如图为绿色植物部分物质和能量转换过程的示意图,下列叙述正确的是( )
A.过程①发生在叶绿体中,过程③发生在线粒体中
B.过程①产生NADH,过程③消耗NADPH
C.若叶肉细胞中过程②速率大于过程③,则植物干重增加
D.过程③中ATP的合成与放能反应相联系,过程④与吸能反应相联系
解析:选D 过程①发生在叶绿体类囊体薄膜上,过程③发生在细胞质基质中,A错误;过程①产生NADPH,过程②消耗NADPH,过程③产生NADH,B错误;若叶肉细胞中过程②速率大于过程③,则叶肉细胞的干重增加,无法判断植物干重是否增加,C错误;过程③中ATP的合成与放能反应相联系,过程④ATP的水解与吸能反应相联系,D正确。
10.某学校研究小组利用生长状况相同且质量相等的A、B两种植物的幼苗,进行了以下实验(假设光照对呼吸作用无影响):甲图中,两种幼苗分别被培植于内含CO2缓冲液(维持CO2浓度不变)的无色透明气球内,气球放置在水槽中,气球体积可变。初始时指针指向正中位置,指针会因两侧气球的沉浮变化而发生偏转。乙图表示A、B两种植物幼苗随着光照强度的变化,O2的释放量变化曲线。据图分析,下列说法错误的是( )
A.光照强度为乙图中a时,则甲图中指针将向左偏转
B.光照强度为乙图中c时,A植物制造的有机物总量比B植物少
C.甲图中,细胞代谢产生的直接能源物质是ATP,产生场所包括线粒体、叶绿体和细胞质基质
D.当光照强度为乙图中d时,每日光照12小时,一昼夜中两植物的O2释放量的差值为12 mg
解析:选A 乙图中光照强度为a时,A中的O2增加,气压上升,浮力增大,B中的O2消耗气压下降,浮力减小,所以甲图中指针将向右偏转,A错误;乙图中光照强度为c时,两植物的净光合速率相同,但B植物的呼吸速率较高,根据真正光合速率=净光合速率+呼吸速率,所以A植物制造的有机物总量比B植物少,B正确;甲图中,ATP是细胞代谢产生的直接能源物质,主要由光合作用和呼吸作用产生,产生的场所主要有叶绿体、细胞质基质和线粒体,C正确;光照强度为d时,每日光照12小时,A植物一昼夜中的O2释放总量为6×12-12×1=60 mg,B植物一昼夜中的O2释放总量为8×12-2×12=72 mg,所以一昼夜中两植物的O2释放量的差值为72-60=12 mg,D正确。
11.如图表示在有氧条件下某高等植物体内有关的生理过程示意图,①~⑤表示有关过程,X、Y、Z和W表示相关物质。据图判断下列说法错误的是( )
A.X、Y、Z物质分别表示C3、丙酮酸和ATP
B.①~⑤过程中能产生ATP的有①②③④
C.②⑤过程分别表示C3的还原和CO2的固定
D.光合速率小于呼吸速率时,④过程产生的CO2会释放到细胞外
解析:选B 据图分析可知,Z是ATP,Y是丙酮酸,X是C3,A正确;光合作用的光反应阶段①和有氧呼吸的三个阶段③④都能产生ATP,而光合作用暗反应阶段中C3的还原过程不能产生ATP,B错误;图中②表示C3的还原过程,⑤表示CO2的固定过程,C正确;光合速率小于呼吸速率时,叶肉细胞会有CO2的净释放,即④过程产生的CO2会释放到细胞外,D正确。
12.(2019·榆林一模)如图表示光照下叶肉细胞中甲、乙两种细胞器间的气体交换,下列有关此图的叙述正确的是( )
A.甲结构可进行完整的细胞呼吸
B.甲、乙结构可为对方提供ATP
C.若O2全部被甲结构利用,则光合速率与呼吸速率相同
D.限制甲、乙结构代谢的主要环境因素不同
解析:选D 甲是线粒体,线粒体是有氧呼吸第二阶段和第三阶段的场所,而有氧呼吸第一阶段的场所是细胞质基质,A错误;甲线粒体产生的ATP不能供给叶绿体,乙叶绿体产生的ATP只供给暗反应,不能供给其他生命活动,B错误;若O2 全部被甲结构利用,则光合速率与呼吸速率相同或呼吸速率大于光合速率,C错误;限制甲线粒体中有氧呼吸的主要环境因素是温度和O2浓度,限制乙叶绿体中光合作用的主要环境因素是光照强度、温度、CO2浓度,D正确。
二、非选择题
13.(2018·全国卷Ⅱ)为了研究某种树木树冠上下层叶片光合作用的特性,某同学选取来自树冠不同层的A、B两种叶片,分别测定其净光合速率,结果如图所示。据图回答问题:
(1)从图可知,A叶片是树冠________(填“上层”或“下层”)的叶片,判断依据是________________________________________________________________________
________________________________________________________________________。
(2)光照强度达到一定数值时,A叶片的净光合速率开始下降,但测得放氧速率不变,则净光合速率降低的主要原因是光合作用的________反应受到抑制。
(3)若要比较A、B两种新鲜叶片中叶绿素的含量,在提取叶绿素的过程中,常用的有机溶剂是________。
解析:(1)根据题图中的曲线可知,A叶片净光合速率最大时,对应的光照强度约为1 200 μmol·m-2·s-1,B叶片净光合速率最大时,对应的光照强度至少为2 000 μmol·m-2·s-1,即A叶片的净光合速率达到最大时所需的光照强度低于B叶片,因此A叶片位于树冠下层。(2)当光照强度达到一定数值时,A叶片的放氧速率不变,但净光合速率下降,原因可能是光合作用的暗反应受到抑制。(3)常用的提取叶绿素的有机溶剂是无水乙醇。
答案:(1)下层 A叶片的净光合速率达到最大时所需光照强度低于B叶片 (2)暗 (3)无水乙醇
14.(2019·太原名校联考)取生长旺盛的绿叶,用直径为1 cm打孔器打出小圆片若干(注意避开大叶脉),抽出小圆片内的气体,并在黑暗处用清水处理使小圆片细胞间隙充满水,然后平均分装到盛有等量的富含不同浓度CO2的溶液的小烧杯中,置于光照强度和温度恒定且适宜的条件下,测得各组小圆片上浮至液面所需平均时间,将记录结果绘制成曲线如图1所示。
(1)与a浓度相比,b浓度时小圆片叶肉细胞的类囊体薄膜上[H]的生成速率________(填“快”“相等”或“慢”),此时小圆片的叶肉细胞中能产生ATP的细胞器有________________________________________________________________________。
(2)当CO2浓度大于c时,随着CO2浓度的增大,小圆片中有机物的积累速率________(填“加快”“不变”或“减慢”)。
(3)另取若干相同的小圆片分别置于温度相同且适宜、CO2溶液浓度为a的小烧杯中,选用40 W的台灯作为光源,通过改变光源与小烧杯之间的距离进行实验,根据实验结果绘制成图2曲线(X1>0)。
①该实验的目的是_____________________________________________________
________________________________________________________________________。
②限制B点净光合速率的主要外界因素是________,C点的含义是__________________时光源与小烧杯之间的距离。
解析:(1)据图1分析可知,b浓度大于a浓度,b浓度时,叶圆片上浮时间较短,叶肉细胞的类囊体薄膜上[H]的生成速率快,此时叶圆片光合作用与呼吸作用都可以产生ATP,所以产生ATP的细胞器有叶绿体和线粒体。(2)CO2浓度大于c时,叶肉细胞的细胞外液浓度大于细胞液浓度,细胞失水增多,影响光合作用的进行,所以随着CO2浓度的增大,小叶片中有机物的积累速率减慢。(3)由题意可知,该实验的目的是探究光照强度对光合速率的影响。图2中B点刚刚达到光饱和点,此时限制光合作用的因素不是自变量光照强度,而是CO2浓度。C点时,O2的释放速率为0,表示光补偿点,此时光合速率等于呼吸速率。
答案:(1)快 叶绿体、线粒体 (2)减慢 (3)①探究光照强度对光合速率的影响 ②CO2浓度 小圆片光合速率等于细胞呼吸速率(净光合速率为零)
15.(2016·全国卷Ⅲ)为了探究某地夏日晴天中午时气温和相对湿度对A品种小麦光合作用的影响,某研究小组将生长状态一致的A品种小麦植株分为5组,1组在田间生长作为对照组,另4组在人工气候室中生长作为实验组,并保持其光照和CO2浓度等条件与对照组相同。于中午12:30测定各组叶片的光合速率,各组实验处理及结果如表所示:
对照组
实验组一
实验组二
实验组三
实验组四
实验处理
温度(℃)
36
36
36
31
25
相对湿度(%)
17
27
52
52
52
实验结果
光合速率/mg CO2·dm-2·h-1
11.1
15.1
22.1
23.7
20.7
回答下列问题:
(1)根据本实验结果,可以推测中午时对小麦光合速率影响较大的环境因素是______________________,其依据是______________________________________;并可推测,____________(填“增加”或“降低”)麦田环境的相对湿度可降低小麦光合作用“午休”的程度。
(2)在实验组中,若适当提高第____________组的环境温度能提高小麦的光合速率,其原因是________________________________________________________________________
________________________________________________________________________。
(3)小麦叶片气孔开放时,CO2进入叶肉细胞的过程________________(填“需要”或“不需要”)载体蛋白,______________(填“需要”或“不需要”)消耗ATP。
解析:(1)根据表格信息可知,对照组、实验组一、实验组二在相同温度条件下,相对湿度改变时光合速率变化较大;实验组二、实验组三、实验组四在相同湿度条件下,随温度的变化,光合速率变化不大。因此可以推测中午时对小麦光合速率影响较大的环境因素是湿度。根据上述结论,增加麦田环境的相对湿度可提高小麦的光合速率,降低小麦光合作用“午休”的程度。(2)与实验组四相比,实验组三的温度高6 ℃,光合速率有所提高,说明实验组四的环境温度未达到光合作用的最适温度,故适当提高第四组的环境温度能提高小麦的光合速率。(3)CO2进入叶肉细胞的方式是自由扩散,不需要载体蛋白,不需要消耗ATP。
答案:(1)湿度(或相对湿度) 在相同温度条件下,相对湿度改变时光合速率变化较大(合理即可) 增加 (2)四 该实验组的环境温度未达到光合作用的最适温度(合理即可) (3)不需要 不需要
相关资料
更多

