还剩14页未读,
继续阅读
所属成套资源:2020高考苏教版化学新增分一轮讲义()
成套系列资料,整套一键下载
2020版化学新增分大一轮苏教(江苏)讲义:专题5 微观结构与物质的多样性第16讲
展开
第16讲 元素周期律和元素周期表
考纲要求 1.了解元素周期表(长式)的结构(周期、族)及其应用。2.掌握同一周期、同一主族元素的原子结构与元素性质的递变规律。3.理解元素(主族和零族)原子结构,在周期表中的位置、性质及其它们之间的关系。
考点一 元素周期表的结构
1.原子序数:按照元素在周期表中的顺序给元素编号,称之为原子序数,原子序数=核电荷数=质子数=核外电子数。
2.编排原则
(1)周期:把电子层数相同的元素,按原子序数递增的顺序,从左至右排成的横行。
(2)族:把最外层电子数相同的元素,按电子层数递增的顺序,从上至下排成的纵行。
3.元素周期表的结构
总结
(1)元素周期表中位于金属与非金属分界线附近的元素属于过渡元素(×)
(2)第ⅠA族全部是金属元素(×)
(3)元素周期表中镧系元素和锕系元素都占据同一格,它们是同位素(×)
(4)两短周期元素原子序数相差8,则周期数一定相差1(√)
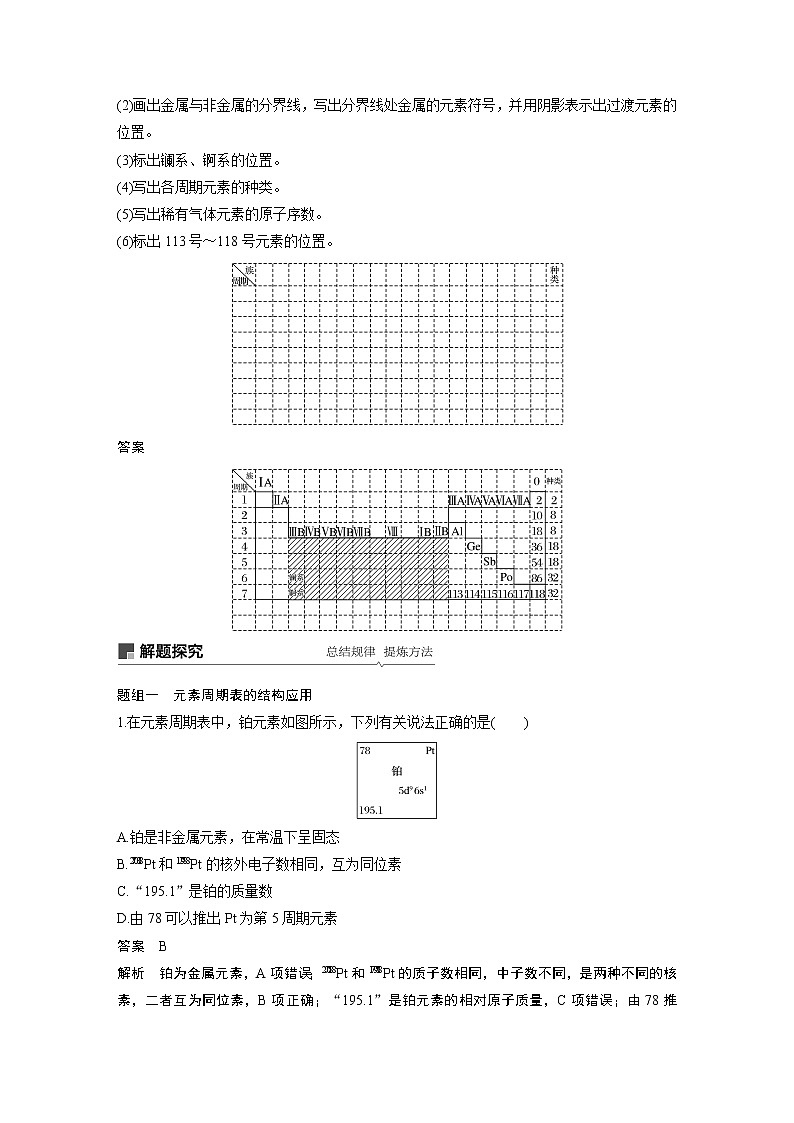
请在下表中画出元素周期表的轮廓,并在表中按要求完成下列问题:
(1)标出族序数。
(2)画出金属与非金属的分界线,写出分界线处金属的元素符号,并用阴影表示出过渡元素的位置。
(3)标出镧系、锕系的位置。
(4)写出各周期元素的种类。
(5)写出稀有气体元素的原子序数。
(6)标出113号~118号元素的位置。
答案
题组一 元素周期表的结构应用
1.在元素周期表中,铂元素如图所示,下列有关说法正确的是( )
A.铂是非金属元素,在常温下呈固态
B.Pt和Pt的核外电子数相同,互为同位素
C.“195.1”是铂的质量数
D.由78可以推出Pt为第5周期元素
答案 B
解析 铂为金属元素,A项错误;Pt和Pt的质子数相同,中子数不同,是两种不同的核素,二者互为同位素,B项正确;“195.1”是铂元素的相对原子质量,C项错误;由78推出Pt为第6周期元素,D项错误。
题组二 周期表的片段在元素推断题中的应用
2.A、B、C均为短周期元素,它们在周期表中的位置如图所示。已知B、C元素的原子序数之和是A元素原子序数的4倍,则A、B、C分别为( )
A.Be、Na、Al
B.B、Mg、Si
C.O、P、Cl
D.C、Al、P
答案 C
解析 设A的原子序数为x,则B的原子序数为x+8-1,C的原子序数为x+8+1,由(x+8-1)+(x+8+1)=4x,解得x=8,所以A为O元素,B为P元素,C为Cl元素。
3.X、Y、Z、W均为短周期元素,它们在元素周期表中位置如图所示,已知W原子的最外层电子数比内层电子数少3个,下列说法正确的是( )
A.氧化物对应水化物酸性W比Z强
B.Y单质与Z的氢化物水溶液反应,有沉淀生成
C.X单质氧化性强于Y单质
D.简单离子的半径:Z>W
答案 BD
解析 X、Y、Z、W均为短周期元素,W原子的最外层电子数比内层电子数少3个,则W为Cl元素,结合元素在周期表中相对位置可知,Z为S,Y为O,X为N。HClO为Cl的一种氧化物对应的水化物,其为弱酸,酸性比H2SO3、H2SO4都弱,A项错误;氧气和硫化氢溶液反应生成硫单质,溶液变浑浊,B项正确;非金属性:N<O,元素的非金属性越强,对应单质的氧化性越强,C项错误;S2-、Cl-具有相同的核外电子排布,则核电荷数越大离子半径越小,D项正确。
考点二 元素周期律及应用
1.元素周期律
2.主族元素的周期性变化规律
项目
同周期(左→右)
同主族(上→下)
原子结构
核电荷数
逐渐增大
逐渐增大
电子层数
相同
逐渐增多
原子半径
逐渐减小
逐渐增大
离子半径
阳离子逐渐减小
阴离子逐渐减小
r(阴离子)>r(阳离子)
逐渐增大
性质
化合价
最高正化合价由+1→+7(O、F除外)负化合价=-(8-主族序数)
相同,最高正化合价=主族序数(O、F除外)
元素的金属性和非金属性
金属性逐渐减弱
非金属性逐渐增强
金属性逐渐增强
非金属性逐渐减弱
离子的氧化性、还原性
阳离子氧化性逐渐增强
阴离子还原性逐渐减弱
阳离子氧化性逐渐减弱
阴离子还原性逐渐增强
气态氢化物的稳定性
逐渐增强
逐渐减弱
最高价氧化物对应的水化物的酸碱性
碱性逐渐减弱
酸性逐渐增强
碱性逐渐增强
酸性逐渐减弱
3.元素周期表、元素周期律的应用
(1)根据元素周期表中的位置寻找未知元素
(2)预测元素的性质(由递变规律推测)
①比较不同周期、不同主族元素的性质
如:金属性:Mg>Al、Ca>Mg,则碱性:Mg(OH)2>Al(OH)3、Ca(OH)2>Mg(OH)2,则Ca(OH)2>Al(OH)3(填“>”“<”或“=”)。
②推测未知元素的某些性质
如:已知Ca(OH)2微溶,Mg(OH)2难溶,可推知Be(OH)2难溶;再如:已知卤族元素的性质递变规律,可推知元素砹(At)应为有色固体,与氢难化合,HAt不稳定,水溶液呈酸性,AgAt不溶于水等。
(3)启发人们在一定区域内寻找新物质
①半导体元素在金属与非金属分界线附近,如:Si、Ge、Ga等。
②农药中常用元素在右上方,如:F、Cl、S、P、As等。
③催化剂和耐高温、耐腐蚀合金材料主要在过渡元素中找,如:Fe、Ni、Rh、Pt、Pd等。
1.根据元素周期律比较下列各组性质(用“>”或“<”填空):
(1)金属性:K________Na________Mg,
非金属性:F________O________S。
(2)碱性:Mg(OH)2________Ca(OH)2________KOH。
(3)酸性:HClO4________H2SO4________HClO。
(4)热稳定性:CH4________NH3________H2O。
(5)还原性:HBr________HCl,I-________S2-。
(6)氧化性:Fe3+________Cu2+________Fe2+。
答案 (1)> > > > (2)< < (3)> > (4)< < (5)> < (6)> >
2.比较下列微粒半径大小(用“>”或“<”填空):
(1)Na________Mg________Cl
(2)Li________Na________K
(3)Na+________Mg2+________Al3+
(4)F-________Cl-________Br-
(5)Cl-________O2-________Na+________Mg2+
(6)Fe2+________Fe3+
答案 (1)> > (2)< < (3)> > (4)< < (5)> > > (6)>
“三看”法快速判断简单微粒半径的大小
一看电子层数:最外层电子数相同时,电子层数越多,半径越大。
二看核电荷数:当电子层结构相同时,核电荷数越大,半径越小。
三看核外电子数:当电子层数和核电荷数均相同时,核外电子数越多,半径越大。
题组一 根据元素周期律和周期表判断物质的性质
1.运用元素周期律分析下面的推断,其中错误的是( )
A.已知Ra是第7周期ⅡA族的元素,故Ra(OH)2的碱性比Mg(OH)2的碱性强
B.已知As是第4周期ⅤA族的元素,故AsH3的稳定性比NH3的稳定性弱
C.已知Cs的原子半径比Na的原子半径大,故Cs与水反应比Na与水反应更剧烈
D.已知Cl的非金属性比S的强,故HClO的酸性比H2SO3的强
答案 D
解析 HClO、H2SO3均不是最高价含氧酸,其酸性与非金属性没有直接关系。
2.根据下表(部分短周期元素的原子半径及主要化合价)信息,下列叙述正确的是( )
元素代号
A
B
C
D
E
原子半径/nm
0.186
0.143
0.089
0.104
0.074
主要化合价
+1
+3
+2
+6、-2
-2
A.E2-与B3+的核外电子数不可能相等
B.离子半径:A+<D2-
C.最高价氧化物对应水化物的碱性:A>C
D.氢化物的稳定性:D>E
答案 BC
解析 由表中数据可知,A为钠,B为铝,C为铍,D为硫,E为氧。离子半径:Na+<S2-,B项正确。
3.位于3个不同短周期的主族元素a、b、c、d、e,原子序数依次增大。其中b、d同主族,d元素最高与最低化合价的代数和等于4,c原子最外层电子数比b原子次外层电子数多1个。下列判断中错误的是( )
A.a、b、c的简单离子半径依次增大
B.a、b、c形成的化合物既溶于强酸又溶于强碱
C.b的氢化物的氧化性可能比e的强
D.d的最高价氧化物对应的水化物是强酸
答案 A
解析 由题意知,a为氢元素,b为氧元素,c为铝元素,d为硫元素,e为氯元素。a、b、c的简单离子半径,氧离子大于铝离子,A项错误;a、b、c形成的化合物氢氧化铝既溶于强酸又溶于强碱,B项正确;b的氢化物H2O2的氧化性比HCl的强,C项正确;d的最高价氧化物对应的水化物H2SO4是强酸,D项正确。
金属性和非金属性强弱的判断方法
三表
元素周期表:金属性“右弱左强,上弱下强,右上弱左下强”;非金属性“左弱右强,下弱上强,左下弱右上强”
金属活动性顺序:按K、Ca、Na、Mg、Al、Zn、Fe、Sn、Pb、Cu、Hg、Ag、Pt、Au的顺序,金属性减弱(其中Pb>Sn)
非金属活动性顺序:按F、O、Cl、Br、I、S的顺序,非金属性减弱
三反应
置换反应:强的置换弱的,适合金属也适合非金属
与水或非氧化性酸反应越剧烈,或最高价氧化物对应水化物的碱性越强,则金属性越强
与氢气反应越容易,生成的气态氢化物的稳定性越强,或最高价氧化物对应水化物的酸性越强,则非金属性越强
氧化性
金属离子的氧化性越弱,对应单质的金属性越强
还原性
非金属氢化物或非金属阴离子的还原性越弱,对应单质的非金属性越强
题组二 元素的金属性或非金属性与实验探究的融合
4.下列事实不能说明元素的金属性或非金属性相对强弱的是( )
选项
事实
结论
A
与冷水反应,Na比Mg强烈
金属性:Na>Mg
B
Ca(OH)2的碱性强于Mg(OH)2
金属性:Ca>Mg
C
SO2与NaHCO3溶液反应生成CO2
非金属性:S>C
D
t ℃时,Br2+H22HBr K=5.6×107
I2+H22HI K=43
非金属性:Br>I
答案 C
解析 C项,根据事实可知,H2SO3比H2CO3酸性强,但H2SO3不是最高价含氧酸,故不能说明非金属性:S>C。
5.下列实验不能作为判断依据的是( )
A.向等物质的量浓度的NaNO3溶液和Na2SiO3溶液中分别滴加3滴酚酞溶液,观察溶液的颜色,判断N和Si的非金属性强弱
B.铁投入CuSO4溶液中,能置换出铜,钠投入CuSO4溶液中不能置换出铜,判断钠与铁的金属活动性强弱
C.硅酸钠溶液中通入CO2产生白色沉淀,判断碳酸与硅酸的酸性强弱
D.Br2和I2分别与H2反应的难易,判断溴与碘的非金属性强弱
答案 B
解析 A项,由现象可知,Na2SiO3溶液水解显碱性,则硝酸的酸性大于硅酸,则非金属性:N>Si,正确;B项,铁投入CuSO4溶液中,能置换出铜,钠投入CuSO4溶液是先和水反应,生成氢氧化钠再和CuSO4反应,不能置换铜,所以不能判断钠与铁的金属活动性强弱;C项,CO2通入硅酸钠溶液,发生强酸制取弱酸的反应,生成硅酸沉淀可以知道碳酸的酸性大于硅酸,正确;D项,卤素单质与氢气化合越容易,非金属性越强,可用Br2和I2分别与H2反应的难易,判断溴与碘的金属性强弱,正确。
规避金属性和非金属性判断中的易错点
(1)关注关键词“最高价”,根据元素氧化物对应水化物的酸碱性的强弱判断元素非金属性或金属性的强弱时,必须是其最高价氧化物的水化物。
(2)关注关键词“难易”,判断元素非金属性或金属性的强弱,依据是元素原子在化学反应中得失电子的难易而不是得失电子的多少。
1.(2018·江苏,8)短周期主族元素X、Y、Z、W原子序数依次增大,X是地壳中含量最多的元素,Y原子的最外层只有一个电子,Z位于元素周期表ⅢA族,W与X属于同一主族。下列说法正确的是( )
A.原子半径:r(W)>r(Z)>r(Y)
B.由X、Y组成的化合物中均不含共价键
C.Y的最高价氧化物的水化物的碱性比Z的弱
D.X的简单气态氢化物的热稳定性比W的强
答案 D
解析 X是地壳中含量最多的元素,则X为O元素,Y原子的最外层只有一个电子,Z位于元素周期表ⅢA族,X、Y、Z、W原子序数依次增大且均为短周期主族元素,则Z为Al元素,Y为Na元素,W与X属于同一主族,则W为S元素。A错:Na、Al、S在同一周期,随着核电荷数的增大,原子半径逐渐变小,所以r(Y)>r(Z)>r(W);B错:X、Y组成的Na2O2中含有共价键;C错:Y、Z最高价氧化物的水化物分别为NaOH、Al(OH)3,NaOH的碱性强于Al(OH)3。
2.(2017·江苏,5)短周期主族元素X、Y、Z、W原子序数依次增大,其中只有Y、Z处于同一周期且相邻,Z是地壳中含量最多的元素,W是短周期中金属性最强的元素。下列说法正确的是( )
A.原子半径:r(X)
B.W的最高价氧化物的水化物是一种弱碱
C.Y的单质的氧化性比Z的强
D.X、Y、Z三种元素可以组成共价化合物和离子化合物
答案 D
解析 Z为氧元素,Y与Z同一周期且相邻,原子序数比Z小,为氮元素。X原子序数小且与Y、Z不在同一周期,X为氢元素,W为钠元素。A项,原子半径:r(H)N2,错误;D项,H、N、O可以形成共价化合物:HNO3、HNO2、NH3·H2O,离子化合物:NH4NO3,正确。
3.(2016·江苏,4)短周期主族元素X、Y、Z、W原子序数依次增大,X原子的最外层有6个电子,Y是迄今发现的非金属性最强的元素,在周期表中Z位于ⅠA族,W与X属于同一主族。下列说法正确的是( )
A.元素X、W的简单阴离子具有相同的电子层结构
B.由Y、Z两种元素组成的化合物是离子化合物
C.W的简单气态氢化物的热稳定性比Y的强
D.原子半径:r(X)
答案 B
解析 X为ⅥA族元素,由原子序数关系可知为氧元素,Y为氟元素,Z为钠元素,W为硫元素。O2-为10e-,S2-为18e-,电子层结构不同,A错误;NaF为活泼金属与活泼非金属形成的离子化合物,B正确;氟的非金属性强,气态氢化物更稳定,C错误;原子半径:Na>S>O>F,D错误。
4.(2014·江苏,9)短周期主族元素X、Y、Z、W的原子序数依次增大。X原子的最外层电子数是其内层电子数的2倍,Y是地壳中含量最高的元素,Z2+与Y2-具有相同的电子层结构,W与X同主族。下列说法正确的是( )
A.原子半径的大小顺序:r(W)>r(Z)>r(Y)>r(X)
B.Y分别与Z、W形成的化合物中化学键类型相同
C.X的最高价氧化物对应的水化物的酸性比W的弱
D.Y的气态简单氢化物的热稳定性比W的强
答案 D
解析 短周期主族元素X原子的最外层电子数是其内层电子数的2倍,则X是C元素;Y是地壳中含量最高的元素,则Y是O元素;Z2+与Y2-具有相同的电子层结构,则Z是Mg元素;W与X同主族,则W是Si元素。A项,原子半径大小顺序为r(Mg)>r(Si)>r(C)>r(O);B项,O与Mg元素形成离子键,O与Si元素形成共价键,化学键类型不同;C项,C元素的非金属性强于Si元素,则H2CO3的酸性强于H2SiO3;D项,O元素的非金属性强于Si元素,则H2O的稳定性强于SiH4。
5.(2013·江苏,10)短周期元素X、Y、Z、W的原子序数依次增大,且原子最外层电子数之和为13。X的原子半径比Y的小,X与W同主族,Z是地壳中含量最高的元素。下列说法正确的是( )
A.原子半径的大小顺序:r(Y)>r(Z)>r(W)
B.元素Z、W的简单离子的电子层结构不同
C.元素Y的简单气态氢化物的热稳定性比Z的强
D.只含X、Y、Z三种元素的化合物,可能是离子化合物,也可能是共价化合物
答案 D
解析 Z是氧,最外层电子数为6,则另外3种元素原子的最外层电子数之和为7。X的原子序数小于Y,原子半径也小于Y,则Y在X的下一周期,W与X同主族,W原子序数最大,则X为氢,W为钠,Y为氮。A项,原子半径r(W)>r(Y)>r(Z),错误;B项,Z、W的简单离子为O2-、Na+,具有相同的电子层结构,错误;C项,O的非金属性比N的强,则气态氢化物H2O更稳定,错误;D项,X、Y、Z三种元素可形成离子化合物NH4NO3、NH4NO2,也可形成共价化合物HNO3、HNO2等,正确。
A组
一、单项选择题
1.中国科学院近代物理研究所人员成功合成了新核素Ac,主要用于宇航飞行器的热源。205Ac可由207Ac转化而成,下列有关205Ac、207Ac的说法中正确的是( )
A.核外电子数分别为116、118
B.205Ac、207Ac化学性质相同
C.205Ac、207Ac在周期表中的位置不同
D.物质的量相等的205Ac、207Ac质量相同
答案 B
解析 205Ac、207Ac为同位素,核外电子数都是89个,A项错误;205Ac、207Ac的核外电子排布相同,故二者的化学性质相同,B项正确;205Ac、207Ac互为同位素,在元素周期表中的位置相同,C项错误;205Ac、207Ac的质量数不同,则相同物质的量的二者质量不同,D项错误。
2.下列有关元素的性质及其递变规律的说法正确的是( )
A.第ⅠA族与第ⅦA族元素间可形成共价化合物或离子化合物
B.第2周期元素从左到右,最高正价从+1递增到+7
C.同主族元素的简单阴离子还原性越强,水解程度越大
D.同周期金属元素的化合价越高,其原子失电子能力越强
答案 A
解析 A项,第ⅠA族的氢元素可以与第ⅦA族元素形成共价化合物,钠等金属元素可以与第ⅦA族元素形成离子化合物,正确;B项,第2周期中,O元素无最高正价,F元素无正价,错误;C项,同主族元素的简单阴离子还原性与其水解能力无直接联系,错误;D项,同周期金属元素的化合价越高,其原子失电子能力越弱,如失电子能力:Na>Mg>Al,错误。
3.元素周期表和元素周期律可以指导人们进行规律性的推测和判断。下列说法不合理的是( )
A.由水溶液的酸性:HCl>HF,不能推断出元素的非金属性:Cl>F
B.人们可以在周期表的过渡元素中寻找催化剂和耐腐蚀、耐高温的合金材料
C.短周期元素正化合价数值和其族序数相同
D.短周期元素形成的微粒X2-和Y2+核外电子排布相同,离子半径:X2->Y2+
答案 C
解析 根据最高价含氧酸酸性推断元素的非金属性,故A正确;短周期元素正化合价数值和其族序数相同(O、F除外),故C错误;核外电子排布相同时,质子数越多离子半径越小,故D正确。
4.(2019·汕头质检)下图为元素周期表的一部分,其中X、Y、Z、W均为短周期元素,W元素的核电荷数为X元素的2倍。下列说法不正确的是( )
X
Y
Z
W
T
A.Y的位置是第3周期ⅣA族
B.Z、W、X的原子半径依次减小,非金属性依次降低
C.W的氢化物和X单质在一定条件下可发生置换反应
D.根据元素周期律,可以推测T元素的单质具有半导体特性
答案 B
解析 W元素的核电荷数为X元素的2倍,X是O元素,W是S元素;根据X、Y、Z、W、T在元素周期表中的位置可知,Y、Z、T分别是Si、P、As元素。Si的位置是第3周期ⅣA族,故A正确;Z、W、X的原子半径依次减小,非金属性依次增强,故B错误;H2S和O2在一定条件下可发生置换反应生成水和硫,故C正确;As位于金属和非金属的分界线附近,As具有半导体特性,故D正确。
5.(2017·天津理综,5)根据元素周期表和元素周期律,判断下列叙述不正确的是( )
A.气态氢化物的稳定性:H2O>NH3>SiH4
B.氢元素与其他元素可形成共价化合物或离子化合物
C.如图所示实验可证明元素的非金属性:Cl>C>Si
D.用中文“”(ào)命名的第118号元素在周期表中位于第七周期0族
答案 C
解析 A项,因O、N、Si元素的非金属性逐渐减弱,所以气态氢化物的稳定性:H2O>NH3>SiH4,正确;B项,氢元素与其他元素可形成共价化合物如H2O、NH3、SiH4 、H2S等,也可形成离子化合物如NaH等,正确;C项,HCl的酸性比碳酸强,不能证明元素的非金属性强,应用最高价含氧酸的酸性比较,错误;D项,根据元素的原子序数与元素在周期表中位置的规律,可推出第118号元素在周期表中位于第七周期0族,正确。
6.(2018·徐州市高三考前模拟检测)短周期主族元素X、Y、Z、W原子序数依次增大,原子序数之和为42,X原子的核外电子数等于Y的最外层电子数,Z是第ⅠA元素,W是同周期非金属性最强的元素。下列说法正确的是( )
A.单质的还原性:X>Z
B.原子半径:r(X)
C.Y、Z组成的化合物中一定含有离子键
D.W的氧化物的水化物一定是强酸
答案 C
解析 由上述分析可以知道,X为C,Y为O,Z为Na,W为Cl;A项,X的单质是C,Z的单质是Na,还原性:Na>C,错误;B项,电子层越多,原子半径越大,同周期从左向右原子半径减小,则原子半径:r(Y)
二、不定项选择题
7.随原子序数递增,x、y、z……等八种短周期元素原子半径的相对大小、最高正价或最低负价的变化如下图所示。
下列说法正确的是( )
A.x元素在周期表中的位置是第1周期ⅠA族
B.离子半径:g2->h->d2->e+>f3+
C.最高价氧化物对应水化物的酸性:y>z
D.气态氢化物的热稳定性:g>h
答案 AB
解析 从图中的化合价、原子半径的大小及原子序数可知:x是H元素,y是C元素,z是N元素,d是O元素,e是Na元素,f是Al元素,g是S元素,h是Cl元素。A项,x元素在周期表中的位置是第1周期ⅠA族,正确;B项,电子层结构相同的离子,核电荷数越大离子半径越小,所以离子半径:S2->Cl->O2->Na+>Al3+,正确;C项,非金属性越强,其最高价氧化物对应水化物的酸性越强,所以HNO3>H2CO3,错误;D项,非金属性越强,气态氢化物的热稳定性越强,所以HCl>H2S,错误。
8.X、Y、Z三种短周期元素在周期表中的相对位置如图所示,Y原子的最外层电子数是次外层电子数的3倍,下列说法正确的是( )
A.在三种元素形成的气态氢化物中,Y的气态氢化物最稳定
B.Z元素的氧化物对应的水化物一定是一种强酸
C.三种元素原子半径的大小顺序:Z>X>Y
D.Z的单质与Fe反应生成的化合物中,铁元素显+3价
答案 AC
解析 Y原子的最外层电子数是次外层电子数的3倍,所以Y是O。根据元素的相对位置可知,X是N,Z是S。非金属性越强,气态氢化物的稳定性越强,非金属性:O>S,故A正确;亚硫酸是弱酸,故B错误;同周期自左向右原子半径逐渐减小,同主族自上而下原子半径逐渐增大,所以三种元素原子半径的大小顺序:Z>X>Y,故C正确;S和Fe化合生成的是FeS,铁元素显+2价,故D错误。
9.X、Y、Z、W是4种短周期主族元素,在周期表中的相对位置如图所示,已知Z的单质可用作半导体材料,则以下说法中正确的是( )
A.X的气态氢化物的水溶液呈酸性
B.X原子的半径小于Y原子的半径
C.Z的氧化物是生产玻璃的原料之一
D.W单质的水溶液久置不会变质
答案 C
解析 Z的单质可用作半导体材料,则Z是Si,根据在周期表中各元素的相对位置可知X是N,Y是O,W是Cl。N的气态氢化物的水溶液是氨水,呈碱性,A项错误;氮原子的半径大于氧原子的半径,B项错误;Z的氧化物二氧化硅是生产玻璃的原料之一,C项正确;W单质的水溶液氯水久置后,由于次氯酸分解,最终变为盐酸,会变质,D项错误。
B组
一、单项选择题
1.(2017·北京,7)2016年IUPAC命名117号元素为Ts(中文名“”,tián),Ts的原子核外最外层电子数是7,下列说法不正确的是( )
A.Ts是第7周期第ⅦA族元素
B.Ts的同位素原子具有相同的电子数
C.Ts在同族元素中非金属性最弱
D.中子数为176的Ts核素符号是 Ts
答案 D
解析 A项,117号元素Ts的原子核外最外层电子数是7,可知Ts是第七周期ⅦA族元素,正确;B项,同位素是同种元素不同原子之间的互称,因此Ts的同位素原子具有相同的电子数,正确;C项,根据元素周期律可知,同一主族元素从上往下非金属性依次减弱,所以Ts在同族元素中非金属性最弱,正确;D项,中子数为176的Ts核素符号是Ts,错误。
2.(2018·泰州中学高三第四次模拟)短周期主族元素X、Y、Z、W的原子序数依次增大,其中X原子最外层电子数是内层电子数的两倍,Y原子的核电荷数等于W原子的最外层电子数,Z在空气中燃烧发出耀眼的白光。下列说法正确的是( )
A.X和Y的氧化物都是可导致酸雨的污染物
B.Z和W形成的化合物中既有离子键又有共价键
C.最高价氧化物对应水化物的酸性由强到弱的顺序:W、Y、X
D.原子半径由大到小的顺序:r(X)>r(Y)>r(Z)
答案 C
解析 短周期主族元素X、Y、Z、W的原子序数依次增大,其中X原子最外层电子数是内层电子数的两倍,则X为C;Y原子的核电荷数等于W原子的最外层电子数,则Y为N,W为Cl;Z在空气中燃烧发出耀眼的白光,则Z为Mg。A项,X的氧化物为CO2,CO2不会形成酸雨,错误;B项,Z和W形成的化合物为MgCl2,只含有离子键,不含有共价键,错误;C项,非金属性越强,最高价氧化物对应水化物的酸性越强,W、Y、X分别为Cl、N、C,因此W、Y、X的非金属性强弱顺序为:W>Y>X,所以最高价氧化物对应水化物的酸性由强到弱的顺序为:W>Y>X,正确;D项,X、Y、Z分别为:C、N、Mg,原子半径由大到小的顺序为r(Z)>r(X)>r(Y),错误。
3.(2019·南京市六校联合体高三上学期联考)X、Y、Z、W是原子序数依次增大的短周期元素。X、W同主族,Z、W同周期,X原子核内质子数是Y原子核内质子数的,W原子最外层电子数是Z原子最外层电子数的4倍。下列说法中正确的是( )
A.原子半径:r(X)>r(Y)>r(W)>r(Z)
B.元素W的气态氢化物的热稳定性比元素X的强
C.X、Y、Z三种元素形成的化合物中存在离子键和共价键
D.Y和W形成的化合物的熔点肯定比Y和Z形成的化合物的熔点低
答案 C
解析 X、Y、Z、W是原子序数依次增大的短周期元素,W原子最外层电子数是Z原子最外层电子数的4倍,W属于主族元素,最外层电子数不能超过8个,则W原子最外层电子数是4、Z原子最外层电子数是1,所以W位于第ⅣA族、Z位于第ⅠA族,X、W同主族,则X位于第ⅣA族,X原子序数小于W,且都是短周期元素,所以X是C元素、W是Si元素,Z、W同周期,则Z是第3周期元素,Z位于第ⅠA族,则Z为Na元素;X原子核内质子数是Y原子核内质子数的,X原子核内有6个质子,则Y原子核内有8个质子,为O元素,通过以上分析知,X是C元素、Y是O元素、Z是Na元素、W是Si元素。
4.(2018·石家庄4月一模)短周期主族元素W、X、Y、Z的原子序数依次增大,W与X形成的某种化合物可用作水果的催熟剂,Y的氧化物为碱性氧化物,X、Y、Z三种元素的最外层电子数之和为11。下列说法中正确的是( )
A.原子半径:W<X<Y<Z
B.简单氢化物的稳定性:X<Z
C.W、X形成的某种化合物常用作萃取剂
D.Y和Z形成的含氧酸盐均可使酚酞溶液变红
答案 C
解析 W与X形成的某种化合物可用作水果的催熟剂,此化合物为C2H4,因为原子序数依次增大,所以W为H,X为C,Y的氧化物为碱性氧化物,则Y可能为Na或Mg,三种元素的最外层电子数之和为11,如果Y为Na,则Z为S,如果Y为Mg,则Z为P。电子层数越多,原子半径越大,同周期主族元素从左向右原子半径逐渐减小,因此原子半径大小顺序是Y>Z>X>W,A项错误;如果Z为S,C的非金属性小于S,则H2S的稳定性比CH4稳定性强,如果Z为P,C的非金属性强于P,则CH4的稳定性强于PH3,B项错误;C和H形成的化合物C6H6(苯)常用作萃取剂,C项正确;如果形成的含氧酸盐为Na2SO4,则溶液显中性,不能使酚酞溶液变红,D项错误。
5.短周期主族元素M、R、X、Y、Z的核电荷数依次增大,其中M的族序数和原子序数相等,R的单质在空气中的体积分数最大,X、Y、Z同周期,且Xn+在同周期元素的离子中半径最小,Y的氧化物是形成酸雨的主要物质。下列说法正确的是( )
A.气态氢化物的热稳定性:Y>Z
B.Y元素的氧化物对应的水化物一定是强酸
C.M与R可形成含非极性键的化合物
D.固体X2Y3可在水溶液中制取
答案 C
解析 由上述分析可知,M为H,R为N,X为Al,Y为S,Z为Cl。非金属性:Z>Y,则气态氢化物的热稳定性:Y<Z,故A项错误;Y元素的氧化物对应的水化物若为亚硫酸,则为弱酸,故B项错误;M与R可形成N2H4,含非极性键,故C项正确;固体X2Y3为Al2S3,在水中会发生相互促进的水解反应,不能在水溶液中制备,故D项错误。
6.a、b、c、d、e、f、g为原子序数依次增大的短周期主族元素。b、c、d原子最外层电子数之和为15,且均能与a形成10电子分子,e的单质可用于焊接钢轨,f与d位于同一主族,f与g位于同一周期。下列说法正确的是( )
A.最高价氧化物对应水化物的酸性:g>b>f
B.简单气态氢化物的稳定性:b>c>d
C.简单离子半径:d<e<f
D.含有e、f等元素的某种化合物可用于净水
答案 D
解析 依题意,a为H,能与H形成10电子分子的元素有C(碳)、N、O、F,结合b、c、d原子最外层电子数之和为15,可知b、c、d分别为C(碳)、N、O,则f为S,g为Cl,e的单质可用于焊接钢轨,e为Al。最高价氧化物对应水化物的酸性:HClO4>H2SO4>H2CO3,A错误;元素非金属性越强,简单气态氢化物越稳定,简单气态氢化物的稳定性:CH4<NH3<H2O,B错误;简单离子半径:Al3+<O2-<S2-,C错误;含有Al、S等元素且可用于净水的物质是KAl(SO4)2·12H2O,D正确。
二、不定项选择题
7.(2018·盐城市田家炳中学高三上学期开学考试)短周期元素X、Y、Z、W原子序数依次增大,X原子最外层电子数是其内层电子数的2倍,Y、W同主族,且两者核外电子数之和是X核外电子数的4倍,Z是短周期中金属性最强的元素。下列说法正确的是( )
A.原子半径::r(Z)>r(W)>r(X)>r(Y)
B.X的最高价氧化物对应水化物的酸性比W的强
C.X、W分别与Y形成的常见化合物中化学键类型相同
D.X的单质不能与Y的氢化物发生反应
答案 AC
解析 短周期元素X、Y、Z、W原子序数依次增大,Z是短周期中金属性最强的元素,Z是Na。X原子最外层电子数是其内层电子数的2倍,最外层电子数不能超过8个,则X是C。Y、W同主族,且两者核外电子数之和是X核外电子数的4倍,即二者的质子数之和是24,所以分别是O和S。A项,同周期自左向右原子半径逐渐减小,同主族从上到下原子半径逐渐增大,原子半径:r(Z)>r(W)>r(X)>r(Y),正确;B项,碳元素非金属性弱于硫,X的最高价氧化物对应水化物的酸性比W的弱,错误;C项,X、W分别与Y形成的常见化合物中化学键类型相同,均是极性共价键,正确;D项,X的单质碳能与Y的氢化物水蒸气反应生成氢气和CO,错误。
8.短周期主族元素W、X、Y、Z的原子序数依次增大,W原子最外层电子数是内层电子数的3倍,X为短周期中原子半径最大的金属元素,Y的单质在常温下为固体,该单质在空气中燃烧生成的氧化物不是其最高价氧化物。下列有关说法正确的是( )
A.W的简单离子的结构示意图为
B.Y的简单气态氢化物的热稳定性比W、Z的都强
C.四种元素的简单离子具有相同的电子层结构
D.Z的最高价氧化物对应水化物的酸性比Y的强
答案 D
解析 根据题目信息可推知W为O,X为Na,Y为S,Z为Cl。A项,O2-的结构示意图为,错误;B项,简单气态氢化物的热稳定性:H2O>H2S、HCl>H2S,错误;C项,O2-与Na+具有相同的电子层结构,S2-与Cl-具有相同的电子层结构,但S2-、Cl-比O2-、Na+多一个电子层,错误;D项,Cl的非金属性比S的强,故HClO4的酸性比H2SO4的强,正确。
9.短周期元素W、X、Y、Z的原子数依次增加,由这些元素组成的常见物质的转化关系如图所示,其中a、b、d、g为化合物,a为淡黄色固体,c是Z的单质,该单质能与沸水反应,且该单质可制造照明弹,f为固体单质。下列有关说法正确的是( )
A.简单离子半径:Y>Z>X
B.元素的非金属性:X>W
C.最高价氧化物对应水化物的碱性:Y>Z
D.X、Y两种元素组成的化合物只含离子键
答案 BC
解析 a为淡黄色固体,且为常见化合物,故a为Na2O2,c能与沸水反应,还可制造照明弹,故c为Mg单质,即Z为Mg,Y为Na;f为固体单质,根据图中各物质的转化关系可知f为C单质,故W为C,X为O;转化关系图中b为CO2,d为Na2CO3,e为O2,g为MgO。简单离子半径:O2->Na+>Mg2+,A项错误;非金属性:C<O,B项正确;NaOH的碱性比Mg(OH)2的强,C项正确;O、Na可组成Na2O、Na2O2,前者只含离子键,后者含离子键和共价键,D项错误。
考纲要求 1.了解元素周期表(长式)的结构(周期、族)及其应用。2.掌握同一周期、同一主族元素的原子结构与元素性质的递变规律。3.理解元素(主族和零族)原子结构,在周期表中的位置、性质及其它们之间的关系。
考点一 元素周期表的结构
1.原子序数:按照元素在周期表中的顺序给元素编号,称之为原子序数,原子序数=核电荷数=质子数=核外电子数。
2.编排原则
(1)周期:把电子层数相同的元素,按原子序数递增的顺序,从左至右排成的横行。
(2)族:把最外层电子数相同的元素,按电子层数递增的顺序,从上至下排成的纵行。
3.元素周期表的结构
总结
(1)元素周期表中位于金属与非金属分界线附近的元素属于过渡元素(×)
(2)第ⅠA族全部是金属元素(×)
(3)元素周期表中镧系元素和锕系元素都占据同一格,它们是同位素(×)
(4)两短周期元素原子序数相差8,则周期数一定相差1(√)
请在下表中画出元素周期表的轮廓,并在表中按要求完成下列问题:
(1)标出族序数。
(2)画出金属与非金属的分界线,写出分界线处金属的元素符号,并用阴影表示出过渡元素的位置。
(3)标出镧系、锕系的位置。
(4)写出各周期元素的种类。
(5)写出稀有气体元素的原子序数。
(6)标出113号~118号元素的位置。
答案
题组一 元素周期表的结构应用
1.在元素周期表中,铂元素如图所示,下列有关说法正确的是( )
A.铂是非金属元素,在常温下呈固态
B.Pt和Pt的核外电子数相同,互为同位素
C.“195.1”是铂的质量数
D.由78可以推出Pt为第5周期元素
答案 B
解析 铂为金属元素,A项错误;Pt和Pt的质子数相同,中子数不同,是两种不同的核素,二者互为同位素,B项正确;“195.1”是铂元素的相对原子质量,C项错误;由78推出Pt为第6周期元素,D项错误。
题组二 周期表的片段在元素推断题中的应用
2.A、B、C均为短周期元素,它们在周期表中的位置如图所示。已知B、C元素的原子序数之和是A元素原子序数的4倍,则A、B、C分别为( )
A.Be、Na、Al
B.B、Mg、Si
C.O、P、Cl
D.C、Al、P
答案 C
解析 设A的原子序数为x,则B的原子序数为x+8-1,C的原子序数为x+8+1,由(x+8-1)+(x+8+1)=4x,解得x=8,所以A为O元素,B为P元素,C为Cl元素。
3.X、Y、Z、W均为短周期元素,它们在元素周期表中位置如图所示,已知W原子的最外层电子数比内层电子数少3个,下列说法正确的是( )
A.氧化物对应水化物酸性W比Z强
B.Y单质与Z的氢化物水溶液反应,有沉淀生成
C.X单质氧化性强于Y单质
D.简单离子的半径:Z>W
答案 BD
解析 X、Y、Z、W均为短周期元素,W原子的最外层电子数比内层电子数少3个,则W为Cl元素,结合元素在周期表中相对位置可知,Z为S,Y为O,X为N。HClO为Cl的一种氧化物对应的水化物,其为弱酸,酸性比H2SO3、H2SO4都弱,A项错误;氧气和硫化氢溶液反应生成硫单质,溶液变浑浊,B项正确;非金属性:N<O,元素的非金属性越强,对应单质的氧化性越强,C项错误;S2-、Cl-具有相同的核外电子排布,则核电荷数越大离子半径越小,D项正确。
考点二 元素周期律及应用
1.元素周期律
2.主族元素的周期性变化规律
项目
同周期(左→右)
同主族(上→下)
原子结构
核电荷数
逐渐增大
逐渐增大
电子层数
相同
逐渐增多
原子半径
逐渐减小
逐渐增大
离子半径
阳离子逐渐减小
阴离子逐渐减小
r(阴离子)>r(阳离子)
逐渐增大
性质
化合价
最高正化合价由+1→+7(O、F除外)负化合价=-(8-主族序数)
相同,最高正化合价=主族序数(O、F除外)
元素的金属性和非金属性
金属性逐渐减弱
非金属性逐渐增强
金属性逐渐增强
非金属性逐渐减弱
离子的氧化性、还原性
阳离子氧化性逐渐增强
阴离子还原性逐渐减弱
阳离子氧化性逐渐减弱
阴离子还原性逐渐增强
气态氢化物的稳定性
逐渐增强
逐渐减弱
最高价氧化物对应的水化物的酸碱性
碱性逐渐减弱
酸性逐渐增强
碱性逐渐增强
酸性逐渐减弱
3.元素周期表、元素周期律的应用
(1)根据元素周期表中的位置寻找未知元素
(2)预测元素的性质(由递变规律推测)
①比较不同周期、不同主族元素的性质
如:金属性:Mg>Al、Ca>Mg,则碱性:Mg(OH)2>Al(OH)3、Ca(OH)2>Mg(OH)2,则Ca(OH)2>Al(OH)3(填“>”“<”或“=”)。
②推测未知元素的某些性质
如:已知Ca(OH)2微溶,Mg(OH)2难溶,可推知Be(OH)2难溶;再如:已知卤族元素的性质递变规律,可推知元素砹(At)应为有色固体,与氢难化合,HAt不稳定,水溶液呈酸性,AgAt不溶于水等。
(3)启发人们在一定区域内寻找新物质
①半导体元素在金属与非金属分界线附近,如:Si、Ge、Ga等。
②农药中常用元素在右上方,如:F、Cl、S、P、As等。
③催化剂和耐高温、耐腐蚀合金材料主要在过渡元素中找,如:Fe、Ni、Rh、Pt、Pd等。
1.根据元素周期律比较下列各组性质(用“>”或“<”填空):
(1)金属性:K________Na________Mg,
非金属性:F________O________S。
(2)碱性:Mg(OH)2________Ca(OH)2________KOH。
(3)酸性:HClO4________H2SO4________HClO。
(4)热稳定性:CH4________NH3________H2O。
(5)还原性:HBr________HCl,I-________S2-。
(6)氧化性:Fe3+________Cu2+________Fe2+。
答案 (1)> > > > (2)< < (3)> > (4)< < (5)> < (6)> >
2.比较下列微粒半径大小(用“>”或“<”填空):
(1)Na________Mg________Cl
(2)Li________Na________K
(3)Na+________Mg2+________Al3+
(4)F-________Cl-________Br-
(5)Cl-________O2-________Na+________Mg2+
(6)Fe2+________Fe3+
答案 (1)> > (2)< < (3)> > (4)< < (5)> > > (6)>
“三看”法快速判断简单微粒半径的大小
一看电子层数:最外层电子数相同时,电子层数越多,半径越大。
二看核电荷数:当电子层结构相同时,核电荷数越大,半径越小。
三看核外电子数:当电子层数和核电荷数均相同时,核外电子数越多,半径越大。
题组一 根据元素周期律和周期表判断物质的性质
1.运用元素周期律分析下面的推断,其中错误的是( )
A.已知Ra是第7周期ⅡA族的元素,故Ra(OH)2的碱性比Mg(OH)2的碱性强
B.已知As是第4周期ⅤA族的元素,故AsH3的稳定性比NH3的稳定性弱
C.已知Cs的原子半径比Na的原子半径大,故Cs与水反应比Na与水反应更剧烈
D.已知Cl的非金属性比S的强,故HClO的酸性比H2SO3的强
答案 D
解析 HClO、H2SO3均不是最高价含氧酸,其酸性与非金属性没有直接关系。
2.根据下表(部分短周期元素的原子半径及主要化合价)信息,下列叙述正确的是( )
元素代号
A
B
C
D
E
原子半径/nm
0.186
0.143
0.089
0.104
0.074
主要化合价
+1
+3
+2
+6、-2
-2
A.E2-与B3+的核外电子数不可能相等
B.离子半径:A+<D2-
C.最高价氧化物对应水化物的碱性:A>C
D.氢化物的稳定性:D>E
答案 BC
解析 由表中数据可知,A为钠,B为铝,C为铍,D为硫,E为氧。离子半径:Na+<S2-,B项正确。
3.位于3个不同短周期的主族元素a、b、c、d、e,原子序数依次增大。其中b、d同主族,d元素最高与最低化合价的代数和等于4,c原子最外层电子数比b原子次外层电子数多1个。下列判断中错误的是( )
A.a、b、c的简单离子半径依次增大
B.a、b、c形成的化合物既溶于强酸又溶于强碱
C.b的氢化物的氧化性可能比e的强
D.d的最高价氧化物对应的水化物是强酸
答案 A
解析 由题意知,a为氢元素,b为氧元素,c为铝元素,d为硫元素,e为氯元素。a、b、c的简单离子半径,氧离子大于铝离子,A项错误;a、b、c形成的化合物氢氧化铝既溶于强酸又溶于强碱,B项正确;b的氢化物H2O2的氧化性比HCl的强,C项正确;d的最高价氧化物对应的水化物H2SO4是强酸,D项正确。
金属性和非金属性强弱的判断方法
三表
元素周期表:金属性“右弱左强,上弱下强,右上弱左下强”;非金属性“左弱右强,下弱上强,左下弱右上强”
金属活动性顺序:按K、Ca、Na、Mg、Al、Zn、Fe、Sn、Pb、Cu、Hg、Ag、Pt、Au的顺序,金属性减弱(其中Pb>Sn)
非金属活动性顺序:按F、O、Cl、Br、I、S的顺序,非金属性减弱
三反应
置换反应:强的置换弱的,适合金属也适合非金属
与水或非氧化性酸反应越剧烈,或最高价氧化物对应水化物的碱性越强,则金属性越强
与氢气反应越容易,生成的气态氢化物的稳定性越强,或最高价氧化物对应水化物的酸性越强,则非金属性越强
氧化性
金属离子的氧化性越弱,对应单质的金属性越强
还原性
非金属氢化物或非金属阴离子的还原性越弱,对应单质的非金属性越强
题组二 元素的金属性或非金属性与实验探究的融合
4.下列事实不能说明元素的金属性或非金属性相对强弱的是( )
选项
事实
结论
A
与冷水反应,Na比Mg强烈
金属性:Na>Mg
B
Ca(OH)2的碱性强于Mg(OH)2
金属性:Ca>Mg
C
SO2与NaHCO3溶液反应生成CO2
非金属性:S>C
D
t ℃时,Br2+H22HBr K=5.6×107
I2+H22HI K=43
非金属性:Br>I
答案 C
解析 C项,根据事实可知,H2SO3比H2CO3酸性强,但H2SO3不是最高价含氧酸,故不能说明非金属性:S>C。
5.下列实验不能作为判断依据的是( )
A.向等物质的量浓度的NaNO3溶液和Na2SiO3溶液中分别滴加3滴酚酞溶液,观察溶液的颜色,判断N和Si的非金属性强弱
B.铁投入CuSO4溶液中,能置换出铜,钠投入CuSO4溶液中不能置换出铜,判断钠与铁的金属活动性强弱
C.硅酸钠溶液中通入CO2产生白色沉淀,判断碳酸与硅酸的酸性强弱
D.Br2和I2分别与H2反应的难易,判断溴与碘的非金属性强弱
答案 B
解析 A项,由现象可知,Na2SiO3溶液水解显碱性,则硝酸的酸性大于硅酸,则非金属性:N>Si,正确;B项,铁投入CuSO4溶液中,能置换出铜,钠投入CuSO4溶液是先和水反应,生成氢氧化钠再和CuSO4反应,不能置换铜,所以不能判断钠与铁的金属活动性强弱;C项,CO2通入硅酸钠溶液,发生强酸制取弱酸的反应,生成硅酸沉淀可以知道碳酸的酸性大于硅酸,正确;D项,卤素单质与氢气化合越容易,非金属性越强,可用Br2和I2分别与H2反应的难易,判断溴与碘的金属性强弱,正确。
规避金属性和非金属性判断中的易错点
(1)关注关键词“最高价”,根据元素氧化物对应水化物的酸碱性的强弱判断元素非金属性或金属性的强弱时,必须是其最高价氧化物的水化物。
(2)关注关键词“难易”,判断元素非金属性或金属性的强弱,依据是元素原子在化学反应中得失电子的难易而不是得失电子的多少。
1.(2018·江苏,8)短周期主族元素X、Y、Z、W原子序数依次增大,X是地壳中含量最多的元素,Y原子的最外层只有一个电子,Z位于元素周期表ⅢA族,W与X属于同一主族。下列说法正确的是( )
A.原子半径:r(W)>r(Z)>r(Y)
B.由X、Y组成的化合物中均不含共价键
C.Y的最高价氧化物的水化物的碱性比Z的弱
D.X的简单气态氢化物的热稳定性比W的强
答案 D
解析 X是地壳中含量最多的元素,则X为O元素,Y原子的最外层只有一个电子,Z位于元素周期表ⅢA族,X、Y、Z、W原子序数依次增大且均为短周期主族元素,则Z为Al元素,Y为Na元素,W与X属于同一主族,则W为S元素。A错:Na、Al、S在同一周期,随着核电荷数的增大,原子半径逐渐变小,所以r(Y)>r(Z)>r(W);B错:X、Y组成的Na2O2中含有共价键;C错:Y、Z最高价氧化物的水化物分别为NaOH、Al(OH)3,NaOH的碱性强于Al(OH)3。
2.(2017·江苏,5)短周期主族元素X、Y、Z、W原子序数依次增大,其中只有Y、Z处于同一周期且相邻,Z是地壳中含量最多的元素,W是短周期中金属性最强的元素。下列说法正确的是( )
A.原子半径:r(X)
C.Y的单质的氧化性比Z的强
D.X、Y、Z三种元素可以组成共价化合物和离子化合物
答案 D
解析 Z为氧元素,Y与Z同一周期且相邻,原子序数比Z小,为氮元素。X原子序数小且与Y、Z不在同一周期,X为氢元素,W为钠元素。A项,原子半径:r(H)
3.(2016·江苏,4)短周期主族元素X、Y、Z、W原子序数依次增大,X原子的最外层有6个电子,Y是迄今发现的非金属性最强的元素,在周期表中Z位于ⅠA族,W与X属于同一主族。下列说法正确的是( )
A.元素X、W的简单阴离子具有相同的电子层结构
B.由Y、Z两种元素组成的化合物是离子化合物
C.W的简单气态氢化物的热稳定性比Y的强
D.原子半径:r(X)
解析 X为ⅥA族元素,由原子序数关系可知为氧元素,Y为氟元素,Z为钠元素,W为硫元素。O2-为10e-,S2-为18e-,电子层结构不同,A错误;NaF为活泼金属与活泼非金属形成的离子化合物,B正确;氟的非金属性强,气态氢化物更稳定,C错误;原子半径:Na>S>O>F,D错误。
4.(2014·江苏,9)短周期主族元素X、Y、Z、W的原子序数依次增大。X原子的最外层电子数是其内层电子数的2倍,Y是地壳中含量最高的元素,Z2+与Y2-具有相同的电子层结构,W与X同主族。下列说法正确的是( )
A.原子半径的大小顺序:r(W)>r(Z)>r(Y)>r(X)
B.Y分别与Z、W形成的化合物中化学键类型相同
C.X的最高价氧化物对应的水化物的酸性比W的弱
D.Y的气态简单氢化物的热稳定性比W的强
答案 D
解析 短周期主族元素X原子的最外层电子数是其内层电子数的2倍,则X是C元素;Y是地壳中含量最高的元素,则Y是O元素;Z2+与Y2-具有相同的电子层结构,则Z是Mg元素;W与X同主族,则W是Si元素。A项,原子半径大小顺序为r(Mg)>r(Si)>r(C)>r(O);B项,O与Mg元素形成离子键,O与Si元素形成共价键,化学键类型不同;C项,C元素的非金属性强于Si元素,则H2CO3的酸性强于H2SiO3;D项,O元素的非金属性强于Si元素,则H2O的稳定性强于SiH4。
5.(2013·江苏,10)短周期元素X、Y、Z、W的原子序数依次增大,且原子最外层电子数之和为13。X的原子半径比Y的小,X与W同主族,Z是地壳中含量最高的元素。下列说法正确的是( )
A.原子半径的大小顺序:r(Y)>r(Z)>r(W)
B.元素Z、W的简单离子的电子层结构不同
C.元素Y的简单气态氢化物的热稳定性比Z的强
D.只含X、Y、Z三种元素的化合物,可能是离子化合物,也可能是共价化合物
答案 D
解析 Z是氧,最外层电子数为6,则另外3种元素原子的最外层电子数之和为7。X的原子序数小于Y,原子半径也小于Y,则Y在X的下一周期,W与X同主族,W原子序数最大,则X为氢,W为钠,Y为氮。A项,原子半径r(W)>r(Y)>r(Z),错误;B项,Z、W的简单离子为O2-、Na+,具有相同的电子层结构,错误;C项,O的非金属性比N的强,则气态氢化物H2O更稳定,错误;D项,X、Y、Z三种元素可形成离子化合物NH4NO3、NH4NO2,也可形成共价化合物HNO3、HNO2等,正确。
A组
一、单项选择题
1.中国科学院近代物理研究所人员成功合成了新核素Ac,主要用于宇航飞行器的热源。205Ac可由207Ac转化而成,下列有关205Ac、207Ac的说法中正确的是( )
A.核外电子数分别为116、118
B.205Ac、207Ac化学性质相同
C.205Ac、207Ac在周期表中的位置不同
D.物质的量相等的205Ac、207Ac质量相同
答案 B
解析 205Ac、207Ac为同位素,核外电子数都是89个,A项错误;205Ac、207Ac的核外电子排布相同,故二者的化学性质相同,B项正确;205Ac、207Ac互为同位素,在元素周期表中的位置相同,C项错误;205Ac、207Ac的质量数不同,则相同物质的量的二者质量不同,D项错误。
2.下列有关元素的性质及其递变规律的说法正确的是( )
A.第ⅠA族与第ⅦA族元素间可形成共价化合物或离子化合物
B.第2周期元素从左到右,最高正价从+1递增到+7
C.同主族元素的简单阴离子还原性越强,水解程度越大
D.同周期金属元素的化合价越高,其原子失电子能力越强
答案 A
解析 A项,第ⅠA族的氢元素可以与第ⅦA族元素形成共价化合物,钠等金属元素可以与第ⅦA族元素形成离子化合物,正确;B项,第2周期中,O元素无最高正价,F元素无正价,错误;C项,同主族元素的简单阴离子还原性与其水解能力无直接联系,错误;D项,同周期金属元素的化合价越高,其原子失电子能力越弱,如失电子能力:Na>Mg>Al,错误。
3.元素周期表和元素周期律可以指导人们进行规律性的推测和判断。下列说法不合理的是( )
A.由水溶液的酸性:HCl>HF,不能推断出元素的非金属性:Cl>F
B.人们可以在周期表的过渡元素中寻找催化剂和耐腐蚀、耐高温的合金材料
C.短周期元素正化合价数值和其族序数相同
D.短周期元素形成的微粒X2-和Y2+核外电子排布相同,离子半径:X2->Y2+
答案 C
解析 根据最高价含氧酸酸性推断元素的非金属性,故A正确;短周期元素正化合价数值和其族序数相同(O、F除外),故C错误;核外电子排布相同时,质子数越多离子半径越小,故D正确。
4.(2019·汕头质检)下图为元素周期表的一部分,其中X、Y、Z、W均为短周期元素,W元素的核电荷数为X元素的2倍。下列说法不正确的是( )
X
Y
Z
W
T
A.Y的位置是第3周期ⅣA族
B.Z、W、X的原子半径依次减小,非金属性依次降低
C.W的氢化物和X单质在一定条件下可发生置换反应
D.根据元素周期律,可以推测T元素的单质具有半导体特性
答案 B
解析 W元素的核电荷数为X元素的2倍,X是O元素,W是S元素;根据X、Y、Z、W、T在元素周期表中的位置可知,Y、Z、T分别是Si、P、As元素。Si的位置是第3周期ⅣA族,故A正确;Z、W、X的原子半径依次减小,非金属性依次增强,故B错误;H2S和O2在一定条件下可发生置换反应生成水和硫,故C正确;As位于金属和非金属的分界线附近,As具有半导体特性,故D正确。
5.(2017·天津理综,5)根据元素周期表和元素周期律,判断下列叙述不正确的是( )
A.气态氢化物的稳定性:H2O>NH3>SiH4
B.氢元素与其他元素可形成共价化合物或离子化合物
C.如图所示实验可证明元素的非金属性:Cl>C>Si
D.用中文“”(ào)命名的第118号元素在周期表中位于第七周期0族
答案 C
解析 A项,因O、N、Si元素的非金属性逐渐减弱,所以气态氢化物的稳定性:H2O>NH3>SiH4,正确;B项,氢元素与其他元素可形成共价化合物如H2O、NH3、SiH4 、H2S等,也可形成离子化合物如NaH等,正确;C项,HCl的酸性比碳酸强,不能证明元素的非金属性强,应用最高价含氧酸的酸性比较,错误;D项,根据元素的原子序数与元素在周期表中位置的规律,可推出第118号元素在周期表中位于第七周期0族,正确。
6.(2018·徐州市高三考前模拟检测)短周期主族元素X、Y、Z、W原子序数依次增大,原子序数之和为42,X原子的核外电子数等于Y的最外层电子数,Z是第ⅠA元素,W是同周期非金属性最强的元素。下列说法正确的是( )
A.单质的还原性:X>Z
B.原子半径:r(X)
D.W的氧化物的水化物一定是强酸
答案 C
解析 由上述分析可以知道,X为C,Y为O,Z为Na,W为Cl;A项,X的单质是C,Z的单质是Na,还原性:Na>C,错误;B项,电子层越多,原子半径越大,同周期从左向右原子半径减小,则原子半径:r(Y)
7.随原子序数递增,x、y、z……等八种短周期元素原子半径的相对大小、最高正价或最低负价的变化如下图所示。
下列说法正确的是( )
A.x元素在周期表中的位置是第1周期ⅠA族
B.离子半径:g2->h->d2->e+>f3+
C.最高价氧化物对应水化物的酸性:y>z
D.气态氢化物的热稳定性:g>h
答案 AB
解析 从图中的化合价、原子半径的大小及原子序数可知:x是H元素,y是C元素,z是N元素,d是O元素,e是Na元素,f是Al元素,g是S元素,h是Cl元素。A项,x元素在周期表中的位置是第1周期ⅠA族,正确;B项,电子层结构相同的离子,核电荷数越大离子半径越小,所以离子半径:S2->Cl->O2->Na+>Al3+,正确;C项,非金属性越强,其最高价氧化物对应水化物的酸性越强,所以HNO3>H2CO3,错误;D项,非金属性越强,气态氢化物的热稳定性越强,所以HCl>H2S,错误。
8.X、Y、Z三种短周期元素在周期表中的相对位置如图所示,Y原子的最外层电子数是次外层电子数的3倍,下列说法正确的是( )
A.在三种元素形成的气态氢化物中,Y的气态氢化物最稳定
B.Z元素的氧化物对应的水化物一定是一种强酸
C.三种元素原子半径的大小顺序:Z>X>Y
D.Z的单质与Fe反应生成的化合物中,铁元素显+3价
答案 AC
解析 Y原子的最外层电子数是次外层电子数的3倍,所以Y是O。根据元素的相对位置可知,X是N,Z是S。非金属性越强,气态氢化物的稳定性越强,非金属性:O>S,故A正确;亚硫酸是弱酸,故B错误;同周期自左向右原子半径逐渐减小,同主族自上而下原子半径逐渐增大,所以三种元素原子半径的大小顺序:Z>X>Y,故C正确;S和Fe化合生成的是FeS,铁元素显+2价,故D错误。
9.X、Y、Z、W是4种短周期主族元素,在周期表中的相对位置如图所示,已知Z的单质可用作半导体材料,则以下说法中正确的是( )
A.X的气态氢化物的水溶液呈酸性
B.X原子的半径小于Y原子的半径
C.Z的氧化物是生产玻璃的原料之一
D.W单质的水溶液久置不会变质
答案 C
解析 Z的单质可用作半导体材料,则Z是Si,根据在周期表中各元素的相对位置可知X是N,Y是O,W是Cl。N的气态氢化物的水溶液是氨水,呈碱性,A项错误;氮原子的半径大于氧原子的半径,B项错误;Z的氧化物二氧化硅是生产玻璃的原料之一,C项正确;W单质的水溶液氯水久置后,由于次氯酸分解,最终变为盐酸,会变质,D项错误。
B组
一、单项选择题
1.(2017·北京,7)2016年IUPAC命名117号元素为Ts(中文名“”,tián),Ts的原子核外最外层电子数是7,下列说法不正确的是( )
A.Ts是第7周期第ⅦA族元素
B.Ts的同位素原子具有相同的电子数
C.Ts在同族元素中非金属性最弱
D.中子数为176的Ts核素符号是 Ts
答案 D
解析 A项,117号元素Ts的原子核外最外层电子数是7,可知Ts是第七周期ⅦA族元素,正确;B项,同位素是同种元素不同原子之间的互称,因此Ts的同位素原子具有相同的电子数,正确;C项,根据元素周期律可知,同一主族元素从上往下非金属性依次减弱,所以Ts在同族元素中非金属性最弱,正确;D项,中子数为176的Ts核素符号是Ts,错误。
2.(2018·泰州中学高三第四次模拟)短周期主族元素X、Y、Z、W的原子序数依次增大,其中X原子最外层电子数是内层电子数的两倍,Y原子的核电荷数等于W原子的最外层电子数,Z在空气中燃烧发出耀眼的白光。下列说法正确的是( )
A.X和Y的氧化物都是可导致酸雨的污染物
B.Z和W形成的化合物中既有离子键又有共价键
C.最高价氧化物对应水化物的酸性由强到弱的顺序:W、Y、X
D.原子半径由大到小的顺序:r(X)>r(Y)>r(Z)
答案 C
解析 短周期主族元素X、Y、Z、W的原子序数依次增大,其中X原子最外层电子数是内层电子数的两倍,则X为C;Y原子的核电荷数等于W原子的最外层电子数,则Y为N,W为Cl;Z在空气中燃烧发出耀眼的白光,则Z为Mg。A项,X的氧化物为CO2,CO2不会形成酸雨,错误;B项,Z和W形成的化合物为MgCl2,只含有离子键,不含有共价键,错误;C项,非金属性越强,最高价氧化物对应水化物的酸性越强,W、Y、X分别为Cl、N、C,因此W、Y、X的非金属性强弱顺序为:W>Y>X,所以最高价氧化物对应水化物的酸性由强到弱的顺序为:W>Y>X,正确;D项,X、Y、Z分别为:C、N、Mg,原子半径由大到小的顺序为r(Z)>r(X)>r(Y),错误。
3.(2019·南京市六校联合体高三上学期联考)X、Y、Z、W是原子序数依次增大的短周期元素。X、W同主族,Z、W同周期,X原子核内质子数是Y原子核内质子数的,W原子最外层电子数是Z原子最外层电子数的4倍。下列说法中正确的是( )
A.原子半径:r(X)>r(Y)>r(W)>r(Z)
B.元素W的气态氢化物的热稳定性比元素X的强
C.X、Y、Z三种元素形成的化合物中存在离子键和共价键
D.Y和W形成的化合物的熔点肯定比Y和Z形成的化合物的熔点低
答案 C
解析 X、Y、Z、W是原子序数依次增大的短周期元素,W原子最外层电子数是Z原子最外层电子数的4倍,W属于主族元素,最外层电子数不能超过8个,则W原子最外层电子数是4、Z原子最外层电子数是1,所以W位于第ⅣA族、Z位于第ⅠA族,X、W同主族,则X位于第ⅣA族,X原子序数小于W,且都是短周期元素,所以X是C元素、W是Si元素,Z、W同周期,则Z是第3周期元素,Z位于第ⅠA族,则Z为Na元素;X原子核内质子数是Y原子核内质子数的,X原子核内有6个质子,则Y原子核内有8个质子,为O元素,通过以上分析知,X是C元素、Y是O元素、Z是Na元素、W是Si元素。
4.(2018·石家庄4月一模)短周期主族元素W、X、Y、Z的原子序数依次增大,W与X形成的某种化合物可用作水果的催熟剂,Y的氧化物为碱性氧化物,X、Y、Z三种元素的最外层电子数之和为11。下列说法中正确的是( )
A.原子半径:W<X<Y<Z
B.简单氢化物的稳定性:X<Z
C.W、X形成的某种化合物常用作萃取剂
D.Y和Z形成的含氧酸盐均可使酚酞溶液变红
答案 C
解析 W与X形成的某种化合物可用作水果的催熟剂,此化合物为C2H4,因为原子序数依次增大,所以W为H,X为C,Y的氧化物为碱性氧化物,则Y可能为Na或Mg,三种元素的最外层电子数之和为11,如果Y为Na,则Z为S,如果Y为Mg,则Z为P。电子层数越多,原子半径越大,同周期主族元素从左向右原子半径逐渐减小,因此原子半径大小顺序是Y>Z>X>W,A项错误;如果Z为S,C的非金属性小于S,则H2S的稳定性比CH4稳定性强,如果Z为P,C的非金属性强于P,则CH4的稳定性强于PH3,B项错误;C和H形成的化合物C6H6(苯)常用作萃取剂,C项正确;如果形成的含氧酸盐为Na2SO4,则溶液显中性,不能使酚酞溶液变红,D项错误。
5.短周期主族元素M、R、X、Y、Z的核电荷数依次增大,其中M的族序数和原子序数相等,R的单质在空气中的体积分数最大,X、Y、Z同周期,且Xn+在同周期元素的离子中半径最小,Y的氧化物是形成酸雨的主要物质。下列说法正确的是( )
A.气态氢化物的热稳定性:Y>Z
B.Y元素的氧化物对应的水化物一定是强酸
C.M与R可形成含非极性键的化合物
D.固体X2Y3可在水溶液中制取
答案 C
解析 由上述分析可知,M为H,R为N,X为Al,Y为S,Z为Cl。非金属性:Z>Y,则气态氢化物的热稳定性:Y<Z,故A项错误;Y元素的氧化物对应的水化物若为亚硫酸,则为弱酸,故B项错误;M与R可形成N2H4,含非极性键,故C项正确;固体X2Y3为Al2S3,在水中会发生相互促进的水解反应,不能在水溶液中制备,故D项错误。
6.a、b、c、d、e、f、g为原子序数依次增大的短周期主族元素。b、c、d原子最外层电子数之和为15,且均能与a形成10电子分子,e的单质可用于焊接钢轨,f与d位于同一主族,f与g位于同一周期。下列说法正确的是( )
A.最高价氧化物对应水化物的酸性:g>b>f
B.简单气态氢化物的稳定性:b>c>d
C.简单离子半径:d<e<f
D.含有e、f等元素的某种化合物可用于净水
答案 D
解析 依题意,a为H,能与H形成10电子分子的元素有C(碳)、N、O、F,结合b、c、d原子最外层电子数之和为15,可知b、c、d分别为C(碳)、N、O,则f为S,g为Cl,e的单质可用于焊接钢轨,e为Al。最高价氧化物对应水化物的酸性:HClO4>H2SO4>H2CO3,A错误;元素非金属性越强,简单气态氢化物越稳定,简单气态氢化物的稳定性:CH4<NH3<H2O,B错误;简单离子半径:Al3+<O2-<S2-,C错误;含有Al、S等元素且可用于净水的物质是KAl(SO4)2·12H2O,D正确。
二、不定项选择题
7.(2018·盐城市田家炳中学高三上学期开学考试)短周期元素X、Y、Z、W原子序数依次增大,X原子最外层电子数是其内层电子数的2倍,Y、W同主族,且两者核外电子数之和是X核外电子数的4倍,Z是短周期中金属性最强的元素。下列说法正确的是( )
A.原子半径::r(Z)>r(W)>r(X)>r(Y)
B.X的最高价氧化物对应水化物的酸性比W的强
C.X、W分别与Y形成的常见化合物中化学键类型相同
D.X的单质不能与Y的氢化物发生反应
答案 AC
解析 短周期元素X、Y、Z、W原子序数依次增大,Z是短周期中金属性最强的元素,Z是Na。X原子最外层电子数是其内层电子数的2倍,最外层电子数不能超过8个,则X是C。Y、W同主族,且两者核外电子数之和是X核外电子数的4倍,即二者的质子数之和是24,所以分别是O和S。A项,同周期自左向右原子半径逐渐减小,同主族从上到下原子半径逐渐增大,原子半径:r(Z)>r(W)>r(X)>r(Y),正确;B项,碳元素非金属性弱于硫,X的最高价氧化物对应水化物的酸性比W的弱,错误;C项,X、W分别与Y形成的常见化合物中化学键类型相同,均是极性共价键,正确;D项,X的单质碳能与Y的氢化物水蒸气反应生成氢气和CO,错误。
8.短周期主族元素W、X、Y、Z的原子序数依次增大,W原子最外层电子数是内层电子数的3倍,X为短周期中原子半径最大的金属元素,Y的单质在常温下为固体,该单质在空气中燃烧生成的氧化物不是其最高价氧化物。下列有关说法正确的是( )
A.W的简单离子的结构示意图为
B.Y的简单气态氢化物的热稳定性比W、Z的都强
C.四种元素的简单离子具有相同的电子层结构
D.Z的最高价氧化物对应水化物的酸性比Y的强
答案 D
解析 根据题目信息可推知W为O,X为Na,Y为S,Z为Cl。A项,O2-的结构示意图为,错误;B项,简单气态氢化物的热稳定性:H2O>H2S、HCl>H2S,错误;C项,O2-与Na+具有相同的电子层结构,S2-与Cl-具有相同的电子层结构,但S2-、Cl-比O2-、Na+多一个电子层,错误;D项,Cl的非金属性比S的强,故HClO4的酸性比H2SO4的强,正确。
9.短周期元素W、X、Y、Z的原子数依次增加,由这些元素组成的常见物质的转化关系如图所示,其中a、b、d、g为化合物,a为淡黄色固体,c是Z的单质,该单质能与沸水反应,且该单质可制造照明弹,f为固体单质。下列有关说法正确的是( )
A.简单离子半径:Y>Z>X
B.元素的非金属性:X>W
C.最高价氧化物对应水化物的碱性:Y>Z
D.X、Y两种元素组成的化合物只含离子键
答案 BC
解析 a为淡黄色固体,且为常见化合物,故a为Na2O2,c能与沸水反应,还可制造照明弹,故c为Mg单质,即Z为Mg,Y为Na;f为固体单质,根据图中各物质的转化关系可知f为C单质,故W为C,X为O;转化关系图中b为CO2,d为Na2CO3,e为O2,g为MgO。简单离子半径:O2->Na+>Mg2+,A项错误;非金属性:C<O,B项正确;NaOH的碱性比Mg(OH)2的强,C项正确;O、Na可组成Na2O、Na2O2,前者只含离子键,后者含离子键和共价键,D项错误。
相关资料
更多

